【设计院】初步设计结构设计说明
- 格式:docx
- 大小:24.62 KB
- 文档页数:3
第四章结构专业第一节设计依据一、主要设计规范、标准和规程:《建筑结构设计可靠度设计统一标准》GB50068-2001《建筑结构荷载规范》GB 50009-2001《混凝土结构设计规范》GB 50010-2002《建筑抗震设计规范》GB 50011-2001《建筑桩基技术规范》JGJ94-94《岩土工程技术规范》DB29-20-2000二、文件依据:1.天津市勘察院编制的《天津市河北区教育局天津市十四中学改扩建示范工程岩土工程详细勘察报告》。
2.建设单位及建筑专业、水、暖、电相关专业提供的资料。
三、采用软件:设计计算分析采用中国建筑科学研究院PKPM系列软件(2006.7版)第二节自然条件和设计要点一、自然条件:1.本工程位于天津市河北区水产前街与养鱼池路交口;静止地下水位埋深约1.2~1.95m;在干湿交替情况下,地下水质对混凝土无腐蚀性、对钢筋混凝土结构中的钢筋有弱腐蚀;2.风荷载标准值0. 5KN/m2 地面粗糙度类别B。
雪荷载标准值0.35KN/m2 。
二、设计要点:1.设计正常使用年限50年。
2.建筑物安全等级为二级,桩基安全等级为二级。
3.结构抗震设防:设防烈度为7度,设计基本地震加速度为0.15g,设计地震分组为第一组,抗震构造措施按8度考虑;本工程场地类别为Ⅲ类;非液化土;建筑抗震重要性类别为丙类。
4.楼、屋面均布使用荷载标准值:按现行《建筑结构荷载规范》标准取值如下:教室、办公室、试验室、阅览室、会议室使用活荷载为2.0KN/㎡;报告厅使用活荷载为3.0KN/㎡;洗手间使用活荷载为2.0KN/㎡;门厅、走廊使用活荷载为2.5KN/㎡;餐厅使用活荷载为2.5KN/㎡楼梯使用活荷载为3.5KN/㎡;书库使用活荷载为5.0KN/㎡;天文馆使用活荷载为4.0KN/㎡;不上人屋面使用活荷载为0.5KN/㎡;上人露台使用活荷载为2.0KN/㎡;屋顶休闲广场使用活荷载为3.5KN/㎡。
外墙容重为5.5KN/m3;内隔墙容重为8KN/m3。
建筑设计初步设计说明建筑设计的初步设计是指在方案设计的基础上,对建筑的主要构造、功能布局、空间形式等方面进行进一步的详细设计。
以下为建筑初步设计的说明。
一、总体方案首先,根据建筑用地的情况和功能要求,确定总体方案。
包括建筑的布局方式、功能划分、建筑体量、高度、平面形态等。
1.建筑布局方式:根据用地特点和规划要求,选择合适的布局方式,如线性布局、U型布局、L型布局等。
2.功能划分:根据建筑的使用性质和功能要求,合理划分建筑的各个功能区域,包括进出口、大厅、办公区、会议室、展示区等。
3.建筑体量和高度:根据总体规划和用地条件确定建筑的体量和高度,考虑建筑的比例和与周围环境的协调性。
4.平面形态:根据建筑功能和效果要求,确定建筑的平面形态,如矩形、圆形、方形等,同时考虑建筑的空间连续性和布局合理性。
二、空间布局根据总体方案,进行建筑的空间布局设计。
主要包括各个功能区域的位置、面积和内部分隔。
1.功能区域的位置:根据建筑功能要求和使用者的便利性,确定各个功能区域的位置,如进出口的位置、办公区的位置、会议室和展示区的位置等。
2.功能区域的面积:根据各个功能区域的使用需求,确定各个功能区域的面积大小,保证各个功能区域的舒适性和灵活性。
3.内部分隔设计:根据功能划分和使用要求,在建筑内部进行合理的空间分隔设计,如隔墙、隔断、隔音等,满足各个功能区域的使用需求。
三、构造设计进行建筑的构造设计,包括立面设计和结构设计。
1.立面设计:根据建筑的功能和造型要求,进行建筑立面的设计,考虑立面的美观性和与周围环境的协调性,选择合适的立面材料和形式。
2.结构设计:根据建筑的体量和高度,确定建筑的结构形式,如钢结构、混凝土结构等,同时考虑建筑的稳定性和抗震性。
四、效果图设计进行建筑效果图的设计,包括外观效果图、室内效果图等。
通过效果图可以直观地展示建筑的外观和内部空间,给业主和相关人员提供一个直观的参考。
五、环境设计考虑建筑与周围环境的协调性,进行环境设计。
结构设计1、项目概况“永外海户屯商业金融(鑫福海大厦)项目”位于北京市丰台区南苑路东侧,木樨园桥东南部。
地上7层,结构高度36.3m,地下5层,埋深约23m,建筑功能为商业、餐饮、车库。
地上面积:50057㎡,地下面积:55945㎡。
地下平面尺寸约118mx100m,地上平面尺寸约94mx73m,结构体系为钢管砼柱与钢梁、钢支撑组成的钢框架-支撑体系。
本工程地下一层~地上七为商铺,地下二层~地下五层为卸货区和设备机房,物业用房和汽车停放库。
其中地下五层局部设核六级人员掩蔽和核六级人防物资库,平时为汽车库。
地下五层层高3.9米,地下四~三层高3.7米,地下二~一层高5.1米,首层层高5.7米,上部各层层高5.1米。
2、设计依据2.1结构设计中执行的主要规范、规程、标准、规定:建筑结构可靠度统一标准(GB50068-2001)建筑工程设计文件编制深度规定(2008年版)建筑抗震设防分类标准(GB50223-2008)建筑结构荷载规范(GB50009-2012)混凝土结构设计规范(GB50010-2010)钢结构设计规范(GB50017-2003)建筑抗震设计规范(GB50011-2010)高层建筑混凝土结构技术规程(JGJ3-2010)高层民用建筑钢结构技术规程(JGJ99-98)建筑地基基础设计规范(GB50007-2011)建筑桩基技术规范(JGJ94-2008)高层建筑箱形与筏形基础技术规范(JGJ6-2011)钢骨混凝土结构技术规程(YB9082-2006)型钢混凝土组合结构技术规程(JGJ138-2001)高层建筑钢-混凝土混合结构设计规程(CECS 230:2008)钢管混凝土结构设计与施工规程(CECS 28:90)高层建筑结构用钢板(YB 4104-2000)地下工程防水规范(GB50108-2008)人民防空地下室设计规范(GB50038-2005)钢-混凝土组合楼盖结构设计与施工规程(YB 9238-92)高层民用建筑设计防火规范(GB50045-95(2005版))建筑钢结构防火技术规范(CECS200-2006)建筑钢结构焊接技术规程(JGJ81-2002)钢结构高强度螺栓连接的设计、施工及验收规程(JGJ 82-91)普通混凝土配合比设计规程(JGJ55-2000)2.2其他依据北京京岩工程有限公司提供的《鑫福海大厦岩土工程勘察报告》3、建筑结构主要参数结构设计基准期50年结构设计年限50年建筑安全等级二级结构重要系数γ1.0抗震设防类别重点设防类(乙类)结构抗震性能目标 D人防等级抗力等级为核六级,防化等级为丁级地基基础设计等级甲级结构高度36.3米地下工程防水等级一级耐火等级一级±0.000的绝对标高39.7米4、荷载4.1附加恒载与活载下表中的数值不包括自重:单位kN/m2幕墙为玻璃幕墙,穿孔板幕墙和GRC板幕墙,沿立面2.0kN/m²设计墙柱基础时的活载折减系数:0.94.2风荷载按国家标准《建筑结构荷载规范》GB 50009-2012a)基本风压:0.45kN/m2 (重现期50年用于验算变形和承载力)b)地面粗糙度:因场地位于市区,附近为多高层建筑,按C类c)结构阻尼比: 0.04d)风压体型系数: 1.30(高宽比不大于4的矩形建筑)e)层间位移限值: 1/400(CECS 230:2008)4.3雪荷载根据《建筑结构荷载规范》,北京市50年一遇的雪压为0.4 kN/m2。
结构初步设计说明一、工程概况本工程位于北京XXXF区10号地西部,地段南临XXXX街,西临XXXX侧大街。
总建筑面积42161.0m2,其中地上28182.0m2。
综合办公用房;地下五层,功能为停车库和餐饮用房。
结构型式为框架--剪力墙体系。
建筑高度68.50m。
二、建筑结构的设计使用年限和安全等级三、自然条件3.1. 风雪荷载3.2. 抗震设防的有关参数3.3.场地标准冻深: 0.80m3.4.场地的工程地质及水文地质条件根据XXX市勘察设计研究院2004年7月16日提供的《岩土工程勘察报告(初勘)》(工程编号2004技0716)进行结构初步设计。
本工程地质条件如下:3.4.1 场地,地形本工程场区地形基本平坦,自然地面标高约在46.65~47.33m左右。
3.4.2 地层土质概述本工程拟建场区自然地面下约40m范围内的地层,按成因年代可基本分为人工堆积层和第四纪沉积层两大类,并按岩性及工程特性进一步划分为七个大层,分述如下:表层为人工堆积的厚度1.90~5.00m的房渣土、碎石填土层及粉质粘土填土、粘质粉土填土层;以下为第四纪沉积土层,见表3.4.43.4.3 地下水情况本工程场地内静止水位标高约在 25.72~26.03m左右,埋深20.7~ 21.3m左右,一般年变幅为1~2m。
地下水为地表滞水,对钢筋无腐蚀。
本工程场区近3~5年最高地下水位标高可达31.40m左右。
3.4.4 地基土承载力标准值、压缩模量3.4.5 地基基础方案的分析本工程基底标高在20.700m左右,持力层土质为第四纪沉积的卵石层( ⑤层),该持力层土质工程性质较良好,地基承载力较高,地基承载力特征值为320kpa。
在进行地基承载力深宽修正时,修正公式及修正系数按照《北京地区建筑地基基础勘察设计规范》(DBJ01-501-92)中有关内容进行计算分析,初步提供如下分析及建议:本工程一般可采用天然地基方案,须解决的主要基础设计问题是高低层建筑之间差异沉降的控制。
结构初步设计说明1.工程概况本工程位于天津市xx区10号地西部,该地段南临xx大街。
主要功能地上为综合办公用房,地下为停车库和餐饮用房。
建筑的长为,宽为,总高度为。
地上17层,地下2层。
1~4层层高为,5~17层为,18层为;地下一层层高为,地下二层为。
主要结构跨度为、和。
结构体系为框架-剪力墙结构,基础形式为钻孔灌注桩基础。
2.设计依据2.1.主体结构设计使用年限为50年。
2.2.自然条件:2.2.1.基本风压为m2(n=50);2.2.2.基本雪压为m2(n=50);2.2.3.抗震设防烈度为7度()。
2.3.岩土工程勘察报告:根据天津市地质工程勘察院2011-11-28提出的《建设发展大厦岩土工程勘察报告(详勘)》(工号KC2011E373)进行结构初步设计。
2.4.建设单位提供的人防设计批复文件等书面要求。
2.5.政府有关主管部门对方案设计的批复文件。
2.6.本工程设计所执行的主要标准、规范、规程和规定如下:1)《建筑结构荷载规范》GB50009-2001(2006年版)2)《建筑地基基础设计规范》GB50007-20013)《建筑桩基技术规范》JGJ94-20084)《混凝土结构设计规范》GB50010-20105)《建筑抗震设计规范》GB50011-20106)《钢结构设计规范》GB50017-20037)《岩土工程技术规范》DB29-20-20008)《天津市预防混凝土碱-集料反应技术规程》(DB/T29-176-2010)9)《建筑设计防火规范》GB50016-200610)《高层建筑混凝土结构技术规程》JGJ3-201011)《人民防空地下室设计规范》GB5003812)《地下工程防水技术规范》GB5010813)《建筑地基处理技术规范》JGJ 79-20023.建筑分类等级3.1.建筑分类等级见表。
表建筑分类等级4.主要荷载(作用)取值4.1.楼(屋)面活荷载见表。
表活荷载标准值注:其他未列项目见现行标准、规范及规程。
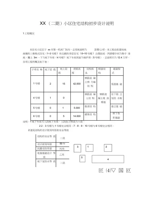
XX (二期)小区住宅结构初步设计说明1工程概况本住宅小区位于 xx 市第一机床厂院内,总用地面积为 2.53公顷。
本工程由拟建场地南侧的三栋格式住宅(1~3号楼)和北侧的多层住宅(6~10号楼)合围而成。
两排楼中间为集中 绿地,覆土 3m 一下为地下车库(4号楼)地下车库西面为锅炉房(5号楼)。
总面积约为12.4 万怦,各项工程的概况如下表:子项名 称 地下层 数地上层 数房屋高 度结构体 系 楼盖结 构基础型 式1号楼21542.000钢筋混 凝土剪 力墙结 构 钢筋混 凝土现 浇楼盖筏型基 础4号楼1钢筋混 凝土结 构 住下独 立加防 水板5号楼 0 1 5.000 框梁结 构 独立基 础 6号楼514.000砌体结 构转下条 形基础2 2、3号楼与1号楼完全相同;7、8、9、10号楼与6号楼完全相同。
2建筑结构的设计使用年限和安全等级叵 ⑷▽ 国 叵结构的安全等 级 二级 设计使用年限 50年 抗震设防类型 丙类: 地基基础设计 等级乙类 地下室防水等 级二级3自然条件初步设计依据的岩土工程勘察报告为xx市地质勘察基础工程公司2004年5月编制的《xx市第一机床厂住宅岩土工程勘察报告》(工程编号2004初勘021),其主要内容如下:3.4.1位置及环境和地形地貌拟建场地位于xx市第一机床厂院内,场地地形基本平坦,自然地面标高在44.670m-45.490m之间。
地貌单元属永定河及温榆河流洪积扇中下部。
3.4.2 地物及洞穴因现有厂房未拆除,1号、2号及地下车库不分钻孔(7k15、zk19~zk21、zk24、zk25、zk36)未施工,待条件具备后须补勘。
场地原有的建筑物未拆除,使部分钻孔位移,但不影响钻孔的精1)水文地质特征拟建场区在本次勘察深度范围内分布有1层地下水,地下水类型及钻探期间实测水位2)理念最高水位记录工程场区1955年水位标高达到43.00m左右,埋深2.00m左右,近3-5年地下水最高水位标高42.50m左右;3)地下水腐蚀性测试及评价场区地下水对混凝土及钢材无腐蚀性;4)基础设计水位的确定如地下室没有主要机电设备,一旦进水将使建筑物正常使用受到影响或损失,建筑防水设计应按历年最高水位考虑;验算地下室外墙承载能力及地下车库抗浮验算时设计水位的取值,可根据历年最高水位标高,按有关规范或标准的规定确定。
目录第一篇建筑初步设计说明................... 错误!未指定书签。
1总说明................................. 错误!未指定书签。
1.1工程设计主要依据...................... 错误!未指定书签。
1.2工程概况.............................. 错误!未指定书签。
1.3建设规模和设计范围.................... 错误!未指定书签。
1.4设计特点1.5总指标................................ 错误!未指定书签。
1.6需要注意的问题........................ 错误!未指定书签。
2总平面................................. 错误!未指定书签。
2.1总平面设计依据及基础资料.............. 错误!未指定书签。
2.2场地概述:............................ 错误!未指定书签。
2.3总平面布置及交通组织:................ 错误!未指定书签。
2.4竖向布置:............................ 错误!未指定书签。
2.5绿化设计:............................ 错误!未指定书签。
2.6管线平面综合:........................ 错误!未指定书签。
3建筑:................................. 错误!未指定书签。
3.1设计依据:............................ 错误!未指定书签。
3.2设计概述:............................ 错误!未指定书签。
3.3建筑节能设计.......................... 错误!未指定书签。
1 总阐明1.1设计根据1.1.1国家有关规范、原则《综合医院建筑设计规范))JGJ49—88《综合医院建筑原则》建设部、计委建标(1996)547号告知《医院洁净手术部建筑技术规范》GB5 0333-2023《高层民用建筑设计防火规范》GB50045—95(2023版)《公共建筑节能设计原则》□□J-621-2023(地方原则)《民用建筑设计通则》GB50352—2023《都市道路和建筑物无障碍设计规范》JGJ50-2023其他有关国家、地措施规规范。
1.1.2国家□□管理局国□□计[□□] □号有关某医院可行性研究汇报旳批复。
1.1.3□□市都市规划管理局(□□)规管字□号某医院规划条件告知单。
1.1.4□□市规划管理局对某医院总体规划旳批复。
1.1.5医院筹建处□□□□年□月编制旳“医院工程规划设计任务书”。
1.1.6□□市都市勘测处□年□月编绘旳“院区地形图”(1:2023)。
1.1.7□□市都市规划管理局□年□月核发旳“钉桩坐标成果告知单”。
1.1.8□□市路口规划管理处意见单。
1.1.9□□部勘察设计总院编制“某医院初步设计阶段工程地质勘察汇报”。
1.1.10某医院与我院□□□□年□月签订旳设计协议□设第□□□号。
1.2院区工程概况1.2.1院区位置某医院为一新建医院。
院区位于□□市某区一号小区旳西南。
院区东侧与某中心南院相邻,西侧为某研究所,南侧是都市规划路,北侧为小区道路。
1.2.2院区范围与现实状况院区用地南北长140m,东西长165m,呈长方形院区内东北角原有一座煤气调压站,以于保留。
整个院区地势为西北高,东南低。
自然地形最低标高61.48m,最高标高62.72m。
1.2.3院区建设场地地质、气候条件当地区最冷月平均温度-4.6℃,最热月平均温度25.8℃;整年主导风向北西北,夏季平均风速1.9m/s,冬季平均风速2.8m/s;日最大降雨量244.2mm,平均年总降雨量627.6mm;最大积雪深度24mm,最大冻土深度850mm。
某医院初步设计说明目录1 总说明1.1 设计依据1.2 项目概况及设计范围1.3 设计原则和技术要求1.4 主要数据和技术经济指标1.5 遗留问题2 总图2.1 设计依据2.2 建设场地概况2.3 总平面布置2.4 交通组织2.5 道路布置及竖向设计2.6 绿化布置2.7 管线综合2.8 主要经济技术指标2.9 附图3 建筑3.1 设计依据3.2 技术指标3.3 建筑设计3.4 建筑环境与装修3.5 无障碍设计3.6 灯光标志工程及色彩分区3.7 建筑技术设计3.8 消防3.9 人防3.10 节能与环保3.11 附图4 结构4.1 工程概况4.2 设计依据4.3 自然条件4.4 建筑结构的安全等级和设计使用年限及抗震设防标准4.5 荷载4.6 结构选型4.7 结构计算分析4.8 主要结构构件截面尺寸4.9 主要结构构件材料和强度等级4.10 提请在设计审批时需解决或确定的主要问题4.11 附图5 给排水5.1 榔述5.2 给水设计5.3 热水系统5.4 饮水供应设计5.5 空调冷却循环水系统5.6 去离子水补水系统5.7 排水设计5.8 屋面雨水排水系统5.9 污水处理站5.10 设备及材料5.11 消防5.12 环境保护措施5.13 卫生防疫措施5.14 节能5.15 人防5.16 附表、附图6 电气6.1 设计依据6.2 工程简介6.3 设计范围6.4 10/0.4kV变配电系统及发电系统6.5 低压配电6.6 照明配电系统6.7 设备选型及安装6.8 电缆导线的选型和敷设6.9 防雷、接地及电气安全6.10 节能措施6.11 消防电气6.12 附表、附图7 弱电7.1 设计依据7.2 工程概况及设计范围7.3 弱电系统功能说明7.4 管线敷设方式7.5 接地与过电压保护7.6 附图7.7 设备及材料表8 暖通空调8.1 设计依据及设计范围8.2 设计计算参数8.3 建筑围护结构对土建热工要求8.4 通风、空调、制冷8.5 防排烟系统8.6 采暖系统8.7 人防通风8.8 附图8.9 附表9 热力及医疗气体供应9.1 设计依据9.2 概述9.3 医用气体供应9.4 热力9.5 消声隔振措施9.6 消防9.7 节能环保9.8 职业安全卫生9.9 附图10 消防10.1 设计依据10.2 建筑分类和耐火等级10.3 总平面10.4 建筑消防10.5 消防给水10.6 防排烟和通风、空调10.7 消防电气10.8 热力及医疗气体供应消防11 环境保护11.1 概述11.2 设计依据11.3 污水处理11.4 固体垃圾11.5 废气处理11.6 射线防护11.7 电磁波防护11.8 噪声控制11.9 建材和产品选型12 节能12.1 设计依据12.2 建筑概况12.3 建筑节能设计12.4 通风空调节能12.5 节水12.6 电气节能12.7 医疗气体与热力系统节能12.8 建筑设备监控系统13 人防13.1 设计依据13.2 建筑人防工程设计13.3 给排水13.4 人防通风13.5 电气14 概算详见概算另册1 总说明1.1.15 设计条件1.1.15.1 气象参数冬季采暖 -9℃冬季空调 -12℃冬季通风 -5℃夏季通风 30℃夏季空调 33.2℃夏季空调日平均 28.6℃夏季空气调节室外计算湿球温度 26.4℃室外计算相对湿度最冷月月平均 45 %最热月月平均 78 %室外风速冬季平均 2.8m/s夏季平均 1.9m/s最多风向及频率冬季 N NNW 13 % 13 %夏季 N 9 %大气压力冬季 1020.4 hpa夏季 998.6 hpa根据国家地震局的资料,北京地区地震烈度为八度。
引言概述在进行任何复杂项目的开发时,结构初步设计是至关重要的一步。
本文将针对结构初步设计进行详细阐述,旨在帮助读者理解该设计过程的重要性以及其中的关键要点。
正文内容1.项目概述1.1项目需求和目标阐述项目的主要需求和目标,包括功能要求、性能要求等。
1.2技术选型介绍所选用的技术平台和框架,以及其优势和适用性。
1.3项目范围和限制项目的范围和限制,明确项目的边界和约束条件。
2.结构设计原则2.1单一职责原则解释单一职责原则在结构设计中的应用和重要性。
2.2开放封闭原则阐述开放封闭原则在结构设计中的作用,并提供实例说明。
2.3里氏替换原则解释里氏替换原则的概念,并说明在结构设计中如何遵循该原则。
2.4接口隔离原则介绍接口隔离原则的含义和应用方式。
2.5依赖倒置原则阐述依赖倒置原则的原理和应用场景。
3.结构设计过程3.1需求分析和领域建模详细阐述需求分析和领域建模在结构设计过程中的作用和方法。
3.2模块划分和接口设计解释如何根据需求和领域建模结果进行模块划分和接口设计。
3.3类关系建立和继承关系设计介绍如何建立类之间的关系,包括关联、聚合、组合等。
3.4类之间的交互和通信阐述类之间的交互和通信方式,包括消息传递、方法调用等。
3.5性能和可扩展性考虑讨论在结构设计过程中如何考虑系统的性能和可扩展性需求。
4.结构设计规范和工具4.1命名规范引入常用的命名规范,以提高代码的可读性和可维护性。
4.2设计模式介绍常见的设计模式,并说明其在结构设计中的应用方式。
4.3UML建模工具5.结构设计评审和迭代5.1设计评审流程解释结构设计评审的重要性和流程。
5.2迭代和改进阐述在评审中发现问题后的迭代和改进方法。
总结引言概述:结构初步设计是建筑项目中的关键步骤之一,它涉及到建筑物的整体稳定性和承重能力。
本文旨在提供一个结构初步设计说明范本,以帮助读者了解结构初步设计的基本原理、流程和关键要素。
正文内容:I.结构初步设计的基本原理1.1确定建筑物的用途和功能1.2了解建筑物所处的环境条件1.3确定结构的承重方式1.4分析结构的荷载情况1.5确定结构的材料和施工工艺II.结构初步设计的流程2.1收集项目相关信息2.2进行初步荷载计算2.3确定结构的布置方案2.4进行结构的刚度和强度分析2.5优化设计方案III.结构初步设计的关键要素3.1基础设计3.1.1确定地基类型和承载力3.1.2设计基础形式和尺寸3.1.3考虑地震力和抗倾覆性能3.2结构体系3.2.1确定结构体系类型3.2.2设计结构支撑系统3.2.3考虑结构的抗震性能3.3结构材料3.3.1选择适当的结构材料3.3.2确定材料的强度和刚度参数3.3.3考虑材料的耐久性和防火性能3.4结构连接3.4.1设计结构连接的类型和尺寸3.4.2考虑连接的刚度和强度3.4.3保证连接的可靠性与耐久性3.5结构稳定性3.5.1进行稳定性分析和验算3.5.2设计支撑系统以提高稳定性3.5.3考虑局部稳定性问题IV.结构初步设计的详细阐述4.1基础设计详解4.1.1地基类型与承载力计算方法4.1.2基础形式与尺寸的确定依据4.1.3地震力与倾覆性能的考虑4.2结构体系详解4.2.1结构体系类型的选择与基本原理4.2.2结构支撑系统设计的方法和要点4.2.3结构的抗震性能分析与优化4.3结构材料详解4.3.1常用结构材料的选择与特性介绍4.3.2结构材料强度和刚度参数的确定4.3.3材料的耐久性和防火性能考虑4.4结构连接详解4.4.1结构连接类型与选择原则4.4.2连接的尺寸设计与验算方法4.4.3连接的可靠性与耐久性要求4.5结构稳定性详解4.5.1结构稳定性分析的方法和步骤4.5.2有效的支撑系统设计原则4.5.3结构的局部稳定性问题解决方法总结:结构初步设计是建筑项目中至关重要的一步,它直接关系到建筑物的整体稳定性和承重能力。
初步设计说明范文项目概述:该项目是一个初步设计项目,主要目的是在实现特定功能的基础上,进行系统的初步设计。
通过初步设计,可以明确系统的整体结构、模块划分以及各个模块之间的关系,为后续的详细设计和开发工作打下基础。
设计目标:项目的设计目标是实现一个功能完备、性能稳定的系统,满足用户的需求。
具体的设计目标如下:1.功能完备:系统应该能够实现所有用户需求的功能,包括但不限于数据录入、数据查询、数据分析、数据展示等。
2.性能稳定:系统应该具备较高的性能,能够处理大量数据,在保证功能完备的前提下,保持良好的性能。
3.用户友好:系统应该具备良好的用户界面和交互,使用户能够方便地操作系统,并能够从系统中快速获取所需的信息。
设计过程:该项目的设计过程包括以下步骤:1.需求分析:通过与用户沟通和需求调研,明确系统的需求,包括功能需求和非功能需求。
2.系统结构设计:根据需求分析的结果,设计系统的整体结构,包括模块划分、模块之间的关系等。
在设计过程中应考虑系统的可扩展性和灵活性,以便后续的功能扩展和升级。
3.模块设计:根据系统结构设计的结果,对每个模块进行设计,包括模块的功能、接口、数据结构等。
在设计过程中应考虑模块的独立性和可复用性。
4.数据库设计:如果系统需要使用数据库来存储和管理数据,需要进行数据库的设计,包括表结构设计、索引设计等。
在设计过程中应考虑数据库的性能和安全性。
5.用户界面设计:根据用户需求和系统结构设计的结果,设计系统的用户界面,包括界面布局、交互方式等。
在设计过程中应考虑用户的使用习惯和操作习惯。
6.性能优化设计:在整个设计过程中,应考虑系统的性能,通过合理的算法和数据结构设计,以及优化的数据库设计等手段,提高系统的响应速度和吞吐量。
7.安全性设计:在整个设计过程中,应考虑系统的安全性,包括数据的保护、用户权限管理等。
通过合理的安全策略和措施,确保系统的数据和用户信息的安全性。
8.测试与验证:在设计完成后,进行系统的测试与验证,以确保系统的功能完备和性能稳定。
XXXXXXXXXX有限公司XXXXXXXXXXXXX 项目初步设计重庆XXXXX设计有限公司XXXX年XX月工程设计责任人设计说明书目次1 概况 (1)2 总平面 (5)3 建筑 (12)4 结构 (20)5 给水排水 (32)6 电气 (42)7 采暖通风与空气调节、动力 (65)8 消防 (73)9 人防 (89)10 节能 (99)11 景观及绿化 (107)12 环境保护 (109)13 概算 (113)附件1 重庆市***[201*]***号《关于***工程项目立项的批复》;2重庆市人民政府渝府(201*)***号文,关于《关于***工程设计方案的批复》;3 重庆市规划局渝规建审(201*)***字第***号文,《重庆市建设工程方案设计审查意见通知书》;4 重庆市公安局消防局建筑工程消防设计的审核意见书,(201*)渝公消(建方)字第***号文,《关于同意***工程设计方案消防设计的审核意见》;5 重庆市园林事业管理局重园建方(201*)***号文,《关于***工程设计(方案)配套绿地的意见》;6 建筑节能计算报告书。
设计说明书1概况1.1工程概况表1.1 工程概况表建筑主体结构合理使用年限***年1.2 工程设计的主要依据1.2.1重庆市***委员会,[200*]***5号《关于***工程项目立项的批复》;1.2.2重庆市人民政府,(200*)***号文,《***工程设计方案的批复》;1.2.3重庆市规划局,重规建审(200*)***字第***号文,《重庆市建设工程方案设计审查意见通知书》;1.2.4 重庆市规划局***年***月下达的本工程现状规划红线地形图;1.2.5 重庆市公安局消防局建筑工程消防设计的审核意见书,(200*)渝公消(建方)字第***号文,《关于***工程方案消防设计的审核意见》;1.2.6 重庆市园林事业管理局重园建方(200*)***号文,《关于***工程(方案)配套绿地的意见》;1.2.7 重庆市人民防空委员会***年***月***日下发的修建防空地下室设置意见书;1.2.8 重庆市建设项目环境影响评价文件批准书渝(*)环准[201*]*号;1.2.9 顾客提供的设计委托书、本阶段的设计要求及各种有关设计的基础资料和双方会商纪要;1.2.10 顾客提供的由***单位***年***月编制的《岩土工程勘察报告》;1.2.11 有关部门批准并经顾客确认的由***院编制的本工程方案设计文件;1.2.12 顾客与我院签定的《建筑工程设计合同》;1.2.13 与本工程设计有关的国家和地方现行法规、规范、规程、标准;1.3 建设场地概况1.3.1项目区位:位于重庆市奉节中心城区。
结构专业设计说明一、工程概况本项目位于辽宁省大连市甘井子区,邻近中华路,本工程包括一栋6层的家居卖场,三栋28层的公寓,一栋31层的公寓式,一栋15层的公寓,一栋19层的公寓,一栋30层高99.65M 的公寓,计建筑面积182400㎡;公寓附属商业,建筑面积19500㎡,地下车库两层,建筑面积:89600㎡;总建筑面积:404700㎡,裙房结构类型为框架结构,公寓结构类型为框架-剪力墙结构,基础均采用人工挖孔桩或机械钻孔灌注桩二、主要设计依据及资料1. 主要依据的国家和地方规范、标准、图集:1)建筑结构可靠度设计统一标准GB 50068-20012)建筑抗震设防分类标准GB 50223-20083)建筑结构荷载规范GB50009-2001(2006版)4)建筑抗震设计规范GB50011-20105)混凝土结构设计规范GB50010-20106)高层建筑混凝土结构技术规程JGJ3-20107)建筑地基基础设计规范GB50007-20028)建筑桩基技术规范JGJ94-20089)地下工程防水技术规范GB 50108-200810)高层建筑箱形与筏形基础技术规范JGJ 6-9911)混凝土结构施工图平面整体表示法(03G101)12)超限高层建筑工程抗震设防管理规定(建设部令111 号)13)超限高层建筑工程抗震设防专项审查技术要点(建质[2006]220 号)14)房屋建筑工程抗震设防审查细则2. 建筑专业及设备专业提供的图纸及设计资料。
3.《无锡市太科园中介服务集聚区岩土工程勘察报告》(勘察编号G2010299)。
4. 工程设计标准:设计基准期为50年,设计使用年限50年。
建筑结构安全等级为二级,结构重要性系数1.0。
抗震设防类别属于标准设防类(丙类)。
抗震设防烈度为6度,设计基本地震加速度为0.05g。
设计地震第一组。
地基基础设计等级:甲级。
5. 荷载与作用:1)恒荷载:楼、屋面恒载按照实际情况取值。
[设计文件目录1.初步设计总说明2.总平面3.建筑初步设计《4.结构初步设计5.电气初步设计6.给水排水初步设计7.节能初步设计.8.环境保护说明9.投资概算】》—1. 初步设计总说明:工程设计的主要依据1.1.1主要设计依据1)《建筑工程设计文件编制深度规定》2008年2)《全国民用建筑工程设计技术措施》规划●建筑2009年3)《民用建筑设计通则》GB50352-20054)《建筑设计防火规范》GB50016-20065)《工程建设标准强制性条文》(房屋建筑部分)6)《住宅设计规范》GB50096-1999 2003年版/7)《屋面工程技术规范》GB50345-20048)《民用建筑热工设计规范》GB50176-939)《公共建筑节能设计标准》GB50189-200510)《夏热冬冷地区居住建筑节能设计标准》JGJ134-2001 J116-2001 11)《湖南省居住建筑节能设计标准》DBJ 43/001-2004 J10410-2004 12)《永州市城市规划管理技术规定》13)其他现行的国家及地方各项相关规范、规程1.1.2 工程设计有关文件》1)本工程建设主管部门对本工程可行性报告的批复文件2)永州市建设规划部门对总体规划的批复文件3)建设单位所提的设计任务书4)永州市规划局提供的《永州市监所管理中心红线图及地形图》5)规划部门核发的坐标通知书6)永州市岩土工程有限公司提供岩土工程勘察报告7)有关市政部门的意见和要求文件(文件号)8)建设单位有关本次项目设计及修改的发文、函件、会议纪要等文件:9)建设单位与我院签订的设计合同1.1.3 本地区气象条件和工程地质条件1)气象条件最热月平均温度℃极端最高温度℃最冷月平均温度℃极端最低温度℃夏季主导风向东南风夏季平均风速s冬季主导风向西北风冬季平均风速s常年平均降雨量1500mm 日(小时)最大降雨量;最大积雪深度最大冻土深度宁远县地处亚热带地区,气温温暖湿润,日照充足,雨量充沛,四季分明。
2)设计范围初步设计总说明本次初步设计内容包括建筑、结构、给排水、建筑电气的方案设计,以及规划的平面、道路及室外管网等设计,同时包括内装修设计。
第一章设计总说明一、工程设计主要依据第二章总平面主要依据的国家现行建设法规、规范:建筑工程设计文件编制深度规定)1工程建设标准强制性条文2)GB50352-2005 民用建筑设计通则3)一、设计依据及基础资料GB50016-2006 4)建筑设计防火规范GB50368-2005 住宅建筑规范5)1)建设单位提供规划及建筑利用的意见。
GB50096-2011 住宅设计规范6)2)建设单位提供的地形图、用地范围图。
JGJ75-2003 夏热冬暖地区居住建筑节能设计标准7)3)建设地点的水文、气象、地质、用地范围有关情况等资料。
DB45/221-2007广西壮族自治区居住建筑节能设计标准8)4)建设地点城市规划、环境保护,市政工程,绿化美化等有关要求。
工程设计有关文件:5)建设地点有关给水、排水及供电情况。
广西罗城县开发整体规划1)6)建筑、水、电暖通等专业提供的设计资料及要求。
项目土地使用书2)3罗城县建设与规划委员会关于该项目的规划设计条件)甲方提供的规划红线图4)二、设计指导思想和设计特点5其它设计依据)本地区气象条件和工程地质条件:本设计以人的活动为中心,充分协调景观、环境、实用技术等方面的相互关1)气象条件系,发挥创造力,深入细致的考虑建筑户型的空间组合利用,旨在创造高品质的工程地质条件2)人居环境,适艺应现代生活需求。
二、工程概况对小区的设计绝对离不开对整个环境的考虑与分析,本次设计以空间系统化、(建设地点位于原罗城矿务局1)本工程为罗城仫佬族自治县年矿区改造工程。
2013功能组织整体化作为整个住区的中心思想。
在提升设计品质的同时,形成一个有原机修厂内)。
机统一、物美价廉的廉租房小区。
四周道路均为约(南北)长,227.50 (东西)长约)用地范围:2 m217.70 m规划城市道路。
结构设计说明
一、工程概况。
二、设计依据
1、抗震设防烈度为8度,场地类别暂定为Ⅱ类,设计地震分组为第三组,设计基本地震加速度值为0.20g,特征周期 0.65 s;抗震设防分类为丙类。
2、本工程的设计基准期为50年,结构的设计使用年限为 50 年。
3、基本风压值为 0.45kN/m2(n=50);基本雪压值为 0.15kN/m2(n=50)。
三、荷载取值
1、基本风压
本工程基本风压按50年一遇取值,其基本风压值为0.45kN/m2,承载力计算为0.45kN/ m2,场地粗糙度类别为B类。
2、地震作用
抗震设防烈度为8度,暂定Ⅱ类场地,设计地震分组为第三组,设计基本地震加速度值为 0.20 g,特征周期 0.65 s;抗震设防分类为丙类;
3、主要楼面活荷载标准值:
公寓:
房间:2.0kN/ m2
卫生间:2.5 kN/m2(带浴缸:4.0)
阳台:2.5 kN/m2
客厅:2.0kN/ m2
餐厅:2.0kN/ m2
电梯前室:3.5kN/ m2
楼梯过道:3.5kN/ m2
楼梯:3.5kN/ m2
电梯机房:7.0kN/ m2
厨房:2.0kN/ m2
设备机房:7.0kN/ m2
展示区及商业设施:
展览厅:3.5 kN/m2
商业:5.0 kN/m2
餐厅:2.5 kN/m2
卫生间:2.5 kN/m2
楼梯:7.0 kN/m2
设备机房:10.0kN/ m2
车道:4.0 kN/m2
消防车道:20.0kN/m2或35.0kN/m2(按规范及实际工程情况调整)发电机房、变配电房:10.0 kN/m2
通风机房、排烟机房:7.0 kN/m2
水泵房:10.0 kN/m2
电梯机房: 7.0 kN/m2
消防疏散楼梯:3.5 kN/m2
有固定座位的看台:3.0 kN/m2
无固定座位的看台:3.0 kN/m2
露台:3.5 kN/m2
上人屋面:2.0 kN/m2
非上人屋面:0.5 kN/m2
四、主要设计标准、规范及规程
《高层建筑混凝土结构技术规程》JGJ3-2010
《建筑抗震设计规范》GB50011-2010
《建筑结构荷载规范》GB50009-2012
《混凝土结构设计规范》GB50010-2010
《建筑工程抗震设防分类标准》GB50223-2008
《建筑结构可靠度设计统一标准》GB50068-2001
《建筑地基基础设计规范》GB50007-2011
《建筑桩基技术规范》JGJ94-2008
《混凝土结构耐久性设计规范》GB/T 50476-2008
《钢结构设计规范》GB50017-2003
《地下工程防水技术规范》GB50108-2008
《高层民用建筑设计防火规范》GB50045-95(2005年版)
《钢筋焊接及验收规程》JGJ18-2003
《钢筋机械连接通用技术规程》JGJ107-2010
《型钢混凝土组合结构技术规范》JGJ138-2001
《建筑工程设计文件编制深度规定》(2008年版) 建质[2008]216号
《全国民用建筑工程设计技术措施·结构篇》2009年版
《高层建筑混凝土结构技术规程》DBJ15-92-2013
《建筑地基基础设计规范》 DBJ15-31-2003
五、本项目的结构类型
本工程中各建筑均采用混凝土结构形式。
其中初拟公寓采用框架-剪力墙结构,其他建筑采用框架结构,具体结构类型将由最终提供的施工图为准。
六、本项目的基础形式
根据地质报告,综合考虑地基土质、上部结构体系及施工条件及附近场地工程等情况,初步拟采用桩基础。
七、本项目的主要结构材料
1、混凝土强度拟选用C25~C60,优先选择经济、安全、高效的材料配备。
2、钢筋
梁、柱、墙钢筋: HPB300(Ⅰ级钢),f
y = f
y
'=270N/mm2;
HRB400(Ⅲ级钢),f
y = f
y
'=360N/mm2
板钢筋:HRB400(Ⅲ级钢),f
y = f
y
'=360N/mm2。
3、焊条: HPB300钢筋,Q235B钢焊接,选用E43系列;
HRB335钢筋焊接,选用E50系列;
HRB400钢筋焊接,选用E55系列。