惠而浦空调故障代码
- 格式:doc
- 大小:250.00 KB
- 文档页数:9
惠而浦S系列变频空调维修手册惠而浦S系列变频空调维修手册1:介绍1.1 概述本文档是针对惠而浦S系列变频空调的维修手册,旨在向维修人员提供详细的维修指导和操作步骤。
1.2 修理范围本维修手册适用于所有惠而浦S系列变频空调的维修工作。
2:安全注意事项2.1 电气安全在进行空调维修工作之前,请务必断开电源,并确保电源已经完全断开。
在维修过程中,应注意防止触电风险。
2.2 高空作业安全如果需要进行高空作业,请确保有足够的安全保护措施,如佩戴安全带等。
2.3 环境安全维修过程中应注意环境安全,避免造成二次污染或伤害。
3:维修工具准备3.1 基本工具以下是进行惠而浦S系列变频空调维修所需的基本工具:- 螺丝刀套装- 扳手套装- 电动工具(如电钻等)- 测量仪器(如电压表、电流表等)3.2 特殊工具针对特定的维修任务,可能需要一些特殊工具,可以根据具体维修任务的需要进行准备。
4:故障排除4.1 故障现象根据用户反馈或实际观察,对空调故障进行准确的描述,包括可能的异常声音、不正常的温度等。
4.2 故障原因根据故障现象,进行问题排查,找出导致故障的具体原因,可以参考故障代码手册,进行相应的排查。
4.3 解决方案针对不同的故障原因,提供相应的解决方案,并给出详细的操作步骤和注意事项。
5:维修步骤5.1 维修前准备- 断开电源- 拆卸空调外面板- 打开维修手册并准备相应的工具5.2 维修过程根据故障排查的结果,进行相应的维修操作,包括更换部件、重新连接电路等。
5.3 维修结束- 清理维修现场- 安装空调外面板- 恢复电源6:维修记录在维修过程中,应记录维修日期、故障现象、故障原因、解决方案等信息,以便今后查阅和分析。
7:相关附件本文档所涉及的附件包括:- 惠而浦S系列变频空调维修记录表- 惠而浦S系列变频空调故障代码手册8:法律名词及注释8.1 法律名词- 《消费者权益保护法》:保护消费者合法权益,维护市场秩序的法律规定。
空调故障代码大全本文档将介绍常见的空调故障代码及其解释。
了解这些代码将有助于您更快地识别和解决空调故障。
以下是故障代码列表:1. E0 故障代码- 描述:传感器故障- 解释:空调传感器出现故障,可能是无法正常感知空气温度或湿度。
2. E1 故障代码- 描述:压缩机过载- 解释:空调压缩机受到过载,可能是由于高温、高压或系统内部问题引起。
3. E2 故障代码- 描述:回风传感器故障- 解释:空调回风传感器出现故障,可能导致无法准确检测室内空气质量。
4. E3 故障代码- 描述:电源电压异常- 解释:空调电源电压异常,可能是由于供电问题或电路故障引起。
5. E4 故障代码- 描述:室内风机受阻- 解释:空调室内风机受到阻塞或有其他物体影响其正常运转。
6. E5 故障代码- 描述:室内传感器故障- 解释:空调室内传感器出现故障,可能导致无法准确检测室内空气温度或湿度。
7. E6 故障代码- 描述:通信故障- 解释:空调与控制器之间的通信出现故障,可能是连接问题或控制器本身的故障。
8. E7 故障代码- 描述:电流过载- 解释:空调电流超出额定值,可能是由于过载或电路故障引起。
9. E8 故障代码- 描述:压力保护- 解释:空调系统出现压力异常,可能是由于过高或过低的压力引起。
10. E9 故障代码- 描述:冷凝器高温保护- 解释:空调冷凝器温度过高,可能是由于长时间运行或冷凝器故障引起。
请注意,此列表仅包含常见的故障代码,并且故障代码的具体含义可能因空调型号和品牌而有所不同。
如果您的空调出现故障,建议您查看产品说明书或与厂家联系以获取最准确的解释和修复方法。
希望以上信息对您有所帮助!。
惠而浦空调万能代码1000合1随着科技的不断进步,空调已经成为现代家庭中不可或缺的电器之一。
然而,由于不同品牌、不同型号的空调存在代码不统一的问题,用户往往需要掌握各种不同的代码才能操作不同的空调。
这无疑给用户带来了不便。
然而,现在有了惠而浦空调万能代码1000合1的出现,这一问题终于迎刃而解。
惠而浦空调万能代码1000合1是一种先进的技术,它可以兼容市面上绝大多数品牌和型号的空调。
用户只需输入一个统一的代码,就可以实现对任意空调的遥控操作。
这项技术的问世,使得用户不再需要记住各种繁杂的代码,大大提高了使用空调的便利性。
无论是家庭用户还是商业用户,惠而浦空调万能代码1000合1都能为他们带来极大的便利。
例如,在家庭中,用户只需要一台遥控器就可以控制所有的空调,无需来回寻找不同品牌的遥控器;在商业场所,使用惠而浦空调万能代码1000合1可以方便地统一管理和控制所有的空调,提高了工作效率。
惠而浦空调万能代码1000合1还具有一些其他的优势。
首先,它具备较高的兼容性,几乎可以适用于市面上所有主流品牌的空调,包括国内外知名品牌。
其次,使用惠而浦空调万能代码1000合1可以实现多种功能,例如温度调节、风速调节、定时开关等,满足用户的不同需求。
再次,惠而浦空调万能代码1000合1操作简单,用户只需按照操作说明输入相应代码即可完成操作。
然而,惠而浦空调万能代码1000合1也存在一些局限性。
首先,由于不同品牌和型号的空调存在差异,惠而浦空调万能代码1000合1并不能完全兼容所有的空调,可能无法满足个别用户的需求。
其次,惠而浦空调万能代码1000合1对于一些特殊功能的空调可能无法提供支持,例如具有智能控制、空气净化等功能的空调。
惠而浦空调万能代码1000合1是一项具有重要意义的技术创新。
它解决了用户在使用不同品牌、不同型号空调时需要记住各种代码的问题,提高了空调的使用便利性。
然而,用户在选择使用惠而浦空调万能代码1000合1时还需注意其兼容性和功能的局限性。
惠而浦故障代码 故障代码 故障内容 适用型号E1 过冷保护 惠而浦C 系列挂机故障代码—科龙: ASC-80C1、ASH-80C1、ASC-90C 、ASH-90C 、ASC-90C1、ASH-90C1、ASC-110C1、ASH-110C1、ASC-120C 、ASH-120C 、ASC-120C1、ASH-120C1E2 过热保护 E3系统压力保护E4室内风扇电机运转异常(C1机器出现E4也有为主板与显示板通讯不良,需主板与显示板成套更换。
)EA ?消除清扫功能手动按内机应急按钮关机,然后再开机1 室外热交换器温度传感器异常 故障查询必须在待机状态下进行,长按应急按键5秒,显示故障代码10秒钟,10秒钟后不再显示故障代码并恢复到显示故障代码前的状态。
如有两个以上的故障,则每个故障以10秒的间隔轮流显示。
?33 室内环境温度传感器异常34 室内热交换器温度传感器异常 38 室内EEPROM 故障 39 室内风扇电机运转异常 41 室内交流电过零检测故障 42 过冷保护 43 过热保护 故障代码 故障内容适用型号1 室外热交换器温度传感器异常 故障查询必须在待机状态下进行,长按“开/关”按键5S ,显示故障代码10S 钟,10S 钟后不再显示故障代码并恢复到显示故障代码前的状态。
如有两个以上的故障,则每个故障以10S 的间隔轮流显示。
惠而浦C 系列柜机故障代码—科龙:AVH-170CN3A/H 、AVH-240CN3A/H 、AVC-170CN3A/H 、AVC-240CN3A/H 、AVH-170CN2A/H 、AVH-240CN2A/H 33 室内环境温度传感器异常34 室内热交换器温度传感器异常 38 室内EEPROM 故障 39 室内风扇电机运转异常 41 室内交流电过零检测故障 42 过冷保护 43过热保护EA 通信故障应检查显示板是否插接好,通信连接是否正常。
→主控电路板发出单向通讯信号控制显示板正常工作,通信的数据为每秒中刷新一次 FC过滤网清洁提示清洁提示状态复位取消方式:1.通过遥控器上按键(持续按住高效键5秒,遥控器发送清洁复位码)操作可实现过滤网清洁复位;(本方案为通用化方案)2.通过室内控制器上应急按键操作可实现过滤网清洁复位;在清洁提示状态下,按一次应急按键复位取消清洁提示,应急按键恢复原有功能。
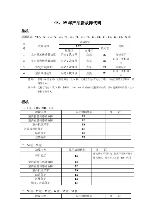
08、09年产品新故障代码挂机适用款式:V67、70、71、72、73、74、75、76、77、79、81、82、84、85、89、96、99款除霜:普通LED显示时:运行灯闪亮1次/1秒、定时灯点亮(有定时灯时),带有数码的显示屏时:数码显示DF。
防冷风:运行灯闪亮1次/1秒;多彩屏、LCD、VFD屏相应的运行图标点亮,同时制热图标闪亮1次/1秒指示防冷风。
柜机一、24B、24C、24D、24E二、26款、28款三、29款、32款、33款、34款、35款、36款四、30款、31款故障说明(适用挂、柜机):因室内环境温度、管温对整机运行相当重要,制冷模式时,当检测到室内环境温度热敏电阻或室内管温温度热敏电阻开路或短路,显示板立即显示相应的故障代码E2或E3,控制器内部设定室内环境温度为25℃,室内管温温度为15℃,每次压缩机连续运行20min后,自动停压缩机5min; 制热模式时,当检测到室内环境温度热敏电阻开路或短路,显示板立即相应的故障代码E2,控制器内部设定室内环境温度为25℃,每次压缩机连续运行20min后,自动停压缩机5min; 当检测到室内管温温度热敏电阻开路或短路,显示板立即相应的故障代码E3且停机保护,除湿功能仍具有带故障运行,通风模式带故障运行不停机,一直按设定风运行。
附:新室外板功能介绍一、基本功能:1、化霜检测功能:当有压机运行状态输入时,室外盘管温度连续检测5分钟等于或小于用户设置的化霜点(-1℃— -9℃),且压机连续运行10分钟后,则进入化霜状态,HS继电器此时断开;如无压机运行状态输入,当管温连续检测5分钟等于或小于设置的化霜点时,则立即进入化霜状态,HS继电器断开。
直到管温等于或大于用户设置的结束化霜点(+5℃--+20℃),才退出化霜状态,此时HS 继电器闭合。
2、过流检测功能:根据用户设置的压机过流保护值从8A—35A任一电流值,压机启动并连续运行9秒后(如无压机运行状态输入,则不执行此过程),如果压机电流超过设定过流值持续3秒,则过流保护。
惠而浦故障代码故障代故障内容码E1过冷保护E2过热保护E3系统压力保护室内风扇电机运转异常(C1 机E4器出现 E4 也有为主板与显示板通讯不良,需主板与显示板成套更换。
)EA消除清扫功能1室外热交换器温度传感器异常33室内环境温度传感器异常34室内热交换器温度传感器异常38室内 EEPROM 故障39室内风扇电机运转异常41室内交流电过零检测故障42过冷保护43过热保护故障代故障内容码适用型号惠而浦 C 系列挂机故障代码—科龙:ASC-80C1 、ASH-80C1 、ASC-90C 、ASH-90C 、手动按内机应急按钮关机 ,然后再开机ASC-90C1、ASH-90C1 、ASC-110C1 、故障查询必须在待机状态下进行,长按应急按键5秒,ASH-110C1、显示故障代码ASC-120C、10 秒钟, 10 秒钟后不再显示故障代码并ASH-120C 、恢复到显示故障代码前的状态。
如有两个以上的故障,则每个故障以10 秒的间隔轮流显示。
ASC-120C1 、ASH-120C1适用型号1室外热交换器温度传感器异常33室内环境温度传感器异常34室内热交换器温度传感器异常故障查询必须在待机状态下进行,长按“开/关”按键 5S,38室内 EEPROM 故障显示故障代码 10S 钟,10S钟后不再显示故障代码并恢39室内风扇电机运转异常复到显示故障代码前的状态。
如有两个以上的故障,则41室内交流电过零检测故障每个故障以 10S 的间隔轮流显示。
42过冷保护惠而浦 C 系列柜机43过热保护故障代码—科龙:应检查显示板是否插接好,通信连接是否正常。
→ 主控AVH-170CN3A/H、EA通信故障电路板发出单向通讯信号控制显示板正常工作,通信的 AVH-240CN3A/H、数据为每秒中刷新一次AVC-170CN3A/H、清洁提示状态复位取消方式:AVC-240CN3A/H、1.通过遥控器上按键(持续按住高效键5秒,遥控器发 AVH-170CN2A/H、送清洁复位码)操作可实现过滤网清洁复位;(本方案 AVH-240CN2A/H为通用化方案)FC过滤网清洁提示 2.通过室内控制器上应急按键操作可实现过滤网清洁复位;在清洁提示状态下,按一次应急按键复位取消清洁提示,应急按键恢复原有功能。
惠而浦空调故障代码惠而浦故障代码故障代码 故障内容 适用型号E1 过冷保护 惠而浦C 系列挂机故障代码—科龙:ASC-80C1、ASH-80C1、ASC-90C、A SH-90C、ASC-90C1、ASH-90C1、A SC-110C1、ASH-110C1、ASC-120C、ASH-120C、ASC-120C1、ASH-120C1E2 过热保护 E3系统压力保护E4室内风扇电机运转异常(C1机器出现E4也有为主板与显示板通讯不良,需主板与显示板成套更换。
)EA 消除清扫功能 手动按内机应急按钮关机,然后再开机1 室外热交换器温度传感器异常故障查询必须在待机状态下进行,长按应急按键5秒,显示故障代码10秒钟,10秒钟后不再显示故障代码并恢复到显示故障代码前的状态。
如有两个以上的故障,则每个故障以10秒的间隔轮流显示。
33 室内环境温度传感器异常34 室内热交换器温度传感器异常 38 室内EEPROM 故障 39 室内风扇电机运转异常 41 室内交流电过零检测故障 42 过冷保护 43 过热保护 故障代码 故障内容适用型号1 室外热交换器温度传感器异常故障查询必须在待机状态下进行,长按“开/关”按键5S,显示故障代码10S 钟,10S 钟后不再显示故障代码并恢复到显示故障代码前的状态。
如有两个以上的故障,则每个故障以10S 的间隔轮流显示。
惠而浦C 系列柜机故障代码—科龙:AVH-170CN3A/H、AVH-240CN3A/H、AVC-170CN3A/H、AVC-240CN 3A/H、AVH-170CN2A/H、AVH-240CN2A/H33 室内环境温度传感器异常34 室内热交换器温度传感器异常 38 室内EEPROM 故障 39 室内风扇电机运转异常 41 室内交流电过零检测故障 42 过冷保护 43 过热保护EA通信故障应检查显示板是否插接好,通信连接是否正常。
→主控电路板发出单向通讯信号控制显示板正常工作,通信的数据为每秒中刷新一次FC过滤网清洁提示清洁提示状态复位取消方式: 1.通过遥控器上按键(持续按住高效键5秒,遥控器发送清洁复位码)操作可实现过滤网清洁复位;(本方案为通用化方案) 2.通过室内控制器上应急按键操作可实现过滤网清洁复位;在清洁提示状态下,按一次应急按键复位取消清洁提示,应急按键恢复原有功能。
关于惠而浦S系列及YORK(约克)变频挂式空调“E5”故障维修指引近期,分公司因为E5故障而产生退换机的惠而浦S系列及YORK变频挂式空调较多,现对此故障进行分析并做维修指引,供各地学习使用。
一、适用型号惠而浦ISH-90S3A/A,ISH-120S3A/AYORK(约克)YHJH-90A/E3AM、YHJH-120A/E3AM、YHJH-90A/E3AF、YHJH-120A/E3AF、二、电路原理图1、室内机电路原理图:2、室外机电路原理图:外机电控实物图3、室外IPM板原理图:三、故障代码E5检修:故障代码E5表示室内外通讯异常遇到E5故障,首先要确定用户的电源零火线接线是否正确(使用电源检测仪),排除了用户电源问题后。
其次的检查方法如下:1、如果是新装机,试机出现“E5”。
仔细检查通讯电路,可能会发现内机电脑板上的通讯连接线插件CN4与电源零线短路、或者通讯线插件CN4与R103功率电阻相碰短路、室内机控制器上电源零火线接反等。
2、如果是使用一段时间后出现E5故障的,可能是连接线、室外机主板、室内机主板甚至是模块(模块上的红灯不亮)坏。
3、检查室内机主控板上的通讯端子与电阻R103有无短路;R103的阻值有无变化;D101二极管有无击穿;同时检查室内外机的连接线有无开路、短路等现象。
4、测量室外机接线端子上的黑线(S线)与蓝线(N线)之间,应该是24V电压(变化的),有则室内主控板完好;如果无,再拔下CN4测量,有则室内主控板完好,无,问题则出现在室外板上。
5、检查室外主控板上给模块板供电的15V和5V,如果没有则为室外主控板故障,更换即可。
6、检查室外主控板与模块板的通讯插件,检测也没有3.3V(变化),如果没有则为室外主控板故障,更换即可。
7、检查室外主控板上的稳压二极管Z102是否击穿,如果击穿则需更换室外主控板即可。
8、以上7种检查方法排除了还是显示E5,则需更换室外模块板。
四、E5相关维修案例:1、空调显示E5,整机停止工作机器型号:ISH-90S3A/A故障现象:空调开机运行5分钟左右显示E5,整机停止工作原因分析:故障显示代码E5,为通讯故障。
惠而浦KF-25GW的机型代码
E1TA异常(断路或短路) ,T环传感故障检查室内传感器阻值。
E2T外盘故障。
E3TE异常(断路或短路),T内盘传感器故障检查盘管传感器阻值。
E6整机过电流保护检查电源、压缩机等。
E8结霜保护检查盘管传感器阻值、制冷剂等。
E4PG反馈异常检查电机、PCB、及电机和PCB的连接。
E1TA异常(断路或短路) 检查室内传感器阻值。
E3TE异常(断路或短路) 检查盘管传感器阻值。
E5室内外通信故障。
E2室外盘管传感器检查盘管传感器阻值、制冷剂等。
F1模块保护。
F2PFC保护故障。
F3压缩机运行失败故障。
F4室外排气传感器故障。
F5压缩机顶盖保护。
F7过欠压保护故障。
F8室外模块通信故障。
F9室外EE故障。
F0室外风机故障。
扩展资料:
惠而浦空调常见故障代码检修:
显示F6可能是室外盘管中间感温头故障。
可以通过以下方式进行排除:
1、检查温度传感器接线是否松脱、接触不良、或断线。
2、检查传感器是否故障。
3、检查内机电路控制板是否故障。
4、检查主控制电路板是否故障。
惠而浦KF-25GW故障代码:
e1:压缩机电流过大,压缩机过热、排气温度高、模块保护,应检查过载保护器有无断开及压缩机感温包是否短路。
e2:室内蒸发器防冻保护。
e3:室内温度感温头短路或开路。
e4:室内蒸发器管温感温头短路或开路。
e5:室内外通信故障。
惠而浦故障代码 故障代码 故障内容 适用型号E1 过冷保护 惠而浦C 系列挂机故障代码—科龙: ASC-80C1、ASH-80C1、ASC-90C 、ASH-90C 、ASC-90C1、ASH-90C1、ASC-110C1、ASH-110C1、ASC-120C 、ASH-120C 、ASC-120C1、ASH-120C1E2 过热保护 E3系统压力保护E4室内风扇电机运转异常(C1机器出现E4也有为主板与显示板通讯不良,需主板与显示板成套更换。
)EA 消除清扫功能手动按内机应急按钮关机,然后再开机 1 室外热交换器温度传感器异常 故障查询必须在待机状态下进行,长按应急按键5秒,显示故障代码10秒钟,10秒钟后不再显示故障代码并恢复到显示故障代码前的状态。
如有两个以上的故障,则每个故障以10秒的间隔轮流显示。
33 室内环境温度传感器异常34 室内热交换器温度传感器异常 38 室内EEPROM 故障 39 室内风扇电机运转异常41 室内交流电过零检测故障 42 过冷保护 43 过热保护 故障代码 故障内容适用型号1 室外热交换器温度传感器异常 故障查询必须在待机状态下进行,长按“开/关”按键5S ,显示故障代码10S 钟,10S 钟后不再显示故障代码并恢复到显示故障代码前的状态。
如有两个以上的故障,则每个故障以10S 的间隔轮流显示。
惠而浦C 系列柜机故障代码—科龙:AVH-170CN3A/H 、AVH-240CN3A/H 、AVC-170CN3A/H 、AVC-240CN3A/H 、AVH-170CN2A/H 、AVH-240CN2A/H 33 室内环境温度传感器异常34 室内热交换器温度传感器异常 38 室内EEPROM 故障 39 室内风扇电机运转异常 41 室内交流电过零检测故障 42 过冷保护 43过热保护EA 通信故障应检查显示板是否插接好,通信连接是否正常。
→主控电路板发出单向通讯信号控制显示板正常工作,通信的数据为每秒中刷新一次 FC过滤网清洁提示清洁提示状态复位取消方式:1.通过遥控器上按键(持续按住高效键5秒,遥控器发送清洁复位码)操作可实现过滤网清洁复位;(本方案为通用化方案)2.通过室内控制器上应急按键操作可实现过滤网清洁复位;在清洁提示状态下,按一次应急按键复位取消清洁提示,应急按键恢复原有功能。
精心整理惠而浦故障代码故障代码 故障内容 适用型号E1 过冷保护 惠而浦C 系列挂机故障代码—科龙: ASC-80C1、ASH-80C1、ASC-90C 、ASH-90C 、ASC-90C1、ASH-90C1、ASC-110C1、ASH-110C1、ASC-120C 、ASH-120C 、ASC-120C1、ASH-120C1E2 过热保护 E3系统压力保护E4室内风扇电机运转异常(C1机器出现E4也有为主板与显示板通讯不良,需主板与显示板成套更换。
)EA ?消除清扫功能手动按内机应急按钮关机,然后再开机1 室外热交换器温度传感器异常 故障查询必须在待机状态下进行,长按应急按键5秒,显示故障代码10秒钟,10秒钟后不再显示故障代码并恢复到显示故障代码前的状态。
如有两个以上的故障,则每个故障以10秒的间隔轮流显示。
?33 室内环境温度传感器异常34 室内热交换器温度传感器异常 38 室内EEPROM 故障 39 室内风扇电机运转异常 41 室内交流电过零检测故障 42 过冷保护 43 过热保护 故障代码 故障内容适用型号1 室外热交换器温度传感器异常 故障查询必须在待机状态下进行,长按“开/关”按键5S ,显示故障代码10S 钟,10S 钟后不再显示故障代码并恢复到显示故障代码前的状态。
如有两个以上的故障,则每个故障以10S 的间隔轮流显示。
惠而浦C 系列柜机故障代码—科龙:AVH-170CN3A/H 、AVH-240CN3A/H 、AVC-170CN3A/H 、AVC-240CN3A/H 、AVH-170CN2A/H 、AVH-240CN2A/H33 室内环境温度传感器异常34 室内热交换器温度传感器异常 38 室内EEPROM 故障 39 室内风扇电机运转异常 41 室内交流电过零检测故障 42 过冷保护 43过热保护EA 通信故障应检查显示板是否插接好,通信连接是否正常。
→主控电路板发出单向通讯信号控制显示板正常工作,通信的数据为每秒中刷新一次 FC 过滤网清洁提示清洁提示状态复位取消方式:1.通过遥控器上按键(持续按住高效键5秒,遥控器发送清洁复位码)操作可实现过滤网清洁复位;(本方案为通用化方案)2.通过室内控制器上应急按键操作可实现过滤网清洁复位;在清洁提示状态下,按一次应急按键复位取消清洁提示,应急按键恢复原有功能。
(如果控制器设计有专用的清洁复位键,则清洁复位键优先选用)3.退出清洁提示状态后,空调恢复正常显示和运行状态,同时风扇累计计时清零。
?柜机导风操作----按一下风向键,导风板上下摆动送风,再按一下,锁定当前送风角度。
长按此键5秒后再松开,左右风有效,再长按此键6秒后松开,退出左右风故障代码 故障内容适用型号E2 挂机制热模式下,室内过热保护 惠而浦M 、P 系列故障代码—志高ASH-90M 、ASH-110M 、ASH-120M 、AVH-170M 、AVH-240M 、ASC-80M 、ASC-90M 、ASC-120M 、AVC-170M 、AVC-240M 、ASH-90P 、ASH-110P 、ASH-120PE4 室内风扇电机(PG 电机)转速异常E1 柜机制冷模式下,室内过冷保护 E2柜机制热模式下,室内过热保护E3 柜机系统压力保护故障代码 故障内容 处理方法适用型号E4 PG 反馈异常?检查电机、PCB 、及电机和PCB 的连接 惠而浦V 系列故障代码—奥克斯: ASC-80VN2、ASC-90VN2、ASC-120VN2、ASH-90VN2、ASH-110VN2、ASH-120VN2 E1 TA 异常(断路或短路),T 环传感故障 检查室内传感器阻值E2 T 外盘故障E3 TE 异常(断路或短路),T 内盘传感器故障? 检查盘管传感器阻值 E6 整机过电流保护 检查电源、压缩机等E8 结霜保护 检查盘管传感器阻值、制冷剂等 故障代码 故障内容 处理方法适用型号E4 PG 反馈异常? 检查电机、PCB 、及电机和PCB 的连接 惠而浦S 系列空调故障显示代码E1 TA 异常(断路或短路)? 检查室内传感器阻值 E3 TE 异常(断路或短路)? 检查盘管传感器阻值E5 室内外通信故障E2 室外盘管传感器 检查盘管传感器阻值、制冷剂等F1 模块保护 F2 PFC 保护故障 F3压缩机运行失败故障F4 室外排气传感器故障 F5 压缩机顶盖保护 F6 室外环境传感器故障 F7 过欠压保护故障 F8 室外模块通信故障 F9 室外EE 故障 F0 室外风机故障 红灯闪烁情况 故障意义适用型号2次/4秒 盘管故障两灯天花机故障代码表惠而浦(志高)商用空调(天花机)故障显示代码3次/5秒 室温故障4次/6秒 水泵故障5次/7秒 室外故障 6次/8秒 防结霜保护7次/9秒 室外机组(过流,电网电压异常)8次/10秒 过热保护自检信息 发光管自检代码 说明除霜提示 闪烁1次/1秒 四灯天花空调机故障代码表防冷风提示 闪烁1次/3秒室温传感器故障 运行灯闪烁2次/4秒 管温传感器故障 运行灯闪烁3次/5秒 室外机异常 运行灯闪烁4次/6秒室内蒸发器结霜保护 运行灯闪烁5次/7秒 外反馈故障运行灯闪烁7次/9秒 过热保运行灯闪烁8次/10秒护水泵故障运行灯闪烁9次/11秒惠而浦D系列--海信科龙:ISH-90D3A/H、ISH-120D3A/H、ISH-90D2A/H、ISH-120D2A/H室外机显示记号说明:★:亮???O:闪??′:灭??序号LED1 LED2 LED3 故障内容1 ′′′正常2 ′′★保留3 ′★′制冷室外盘管防过载保护4 ★′′压缩机排气温度传感器故障5 ★′★室外盘管温度传感器故障6 ★★′室外环境温度传感器故障7 O ★′电流互感器故障8 O ′★电压互感器故障9 ′′O 室内室外通讯故障10 ′O ′IPM模块保护???11 ★O ★最大电流保护12 ★O ′电流过载保护13 ′O ★压缩机排气温度过高保护14 ★★O 过欠压保护???15 ★O O 室外环境温度过低保护16 ′★★室外与驱动通讯故障17 O ★★冷媒泄漏18 ′★O 压缩机壳体温度过高保护19 ★★★室外EEPROM故障20 ′O O 室内制冷防冷结或者制热防过载保护21 O ′′PFC保护22 O O ′直流压缩机启动失败23 O ′O BLDC64驱动故障24 O ★O 压缩机预加热状态25 O O ★室外风机堵转保护2、室内机显示:如果室内机使用LCD或VFD显示屏,并能显示数字时,连续按遥控器上传感器切换键或高效按键(具体由EEPROM数据选择)四次,有故障则显示相应的故障码(其中有些故障在特定机型中才存在),否则显示零,显示时间为十秒。
室外故障号室外故障说明室内故障号室内故障说明0 无故障31 按键AD转换错误1 室外盘管温度传感器故障32 预留2 压缩机排气温度传感器故障33 室内环境温度传感器故障3 电压互感器故障34 室内盘管温度传感器故障4 电流互感器故障35 室内排水泵故障5 IPM模块保护?? 36 室内通讯故障(内~外)6 过欠压保护???? 37 室内与线控器通讯故障7 室内室外通讯故障38 室内E2PROM故障8 电流过载保护39 室内风扇电机故障9 最大电流保护40 格栅保护状态报警(柜机)10 室外与驱动通讯故障41 室内过零检测故障11 室外EEPROM故障ER 显示通用故障12 室外环境温度过低保护13 压缩机排气温度过高保护14 室外环境温度传感器故障15 压缩机壳体温度过高保护16 室内制冷防冷结或者制热防过载保护17 PFC保护18 直流压缩机启动失败19 BLDC64驱动故障20 室外风机堵转保护21 制冷室外盘管防过载保护22 压机预加热状态23 冷媒泄漏24惠而浦空调B、E、F系列故障代码1、挂机:适用型号序号故障内容显示状态说明ASH-80B1、ASC-80B1、ASH-90B、ASC-90B、ASH-90B1、ASC-90B1、ASH-110B1、ASC-110B1、ASH-120B、ASC-120B、ASH-120B1、ASC-120B1、ASH-90E1、ASC-90E1、ASH-110E1、ASC-110E1、ASH-120E1、ASC-120E1、ASH-90FN2/C、ASC-80FN2/C、ASH-120FN2/C、ASC-90FN2/C、ASC-120FN2/C、AVC-170FN2/C、AVH-170FN2/C、AVC-240FN2/C、AVH-240FN2/C、AVC-170B、AVH-170B、AVC-170B1、AVH-170B1、AVC-240B、AVH-240B、AVC-240B1、AVH-240B1LED数码管运行灯定时灯一、室内机显示部分1 室内温度传感器故障闪亮1次/8秒点亮E2 自检显示2 室内管温传感器故障闪亮2次/8秒点亮E3自检、关机显示3 过热(结霜)保护闪亮3次/8秒点亮E8 关机显示4 水泵故障闪亮4次/8秒点亮E9 关机显示5 室内风机故障闪亮6次/8秒点亮E5 自检显示6 外反馈故障闪亮7次/8秒点亮E7 关机显示7 开门故障点亮闪亮3次/8秒E0 关机显示8 室外管温传感器故障点亮闪亮4次/8秒E1 自检显示9 (EEPROM)通讯故障点亮闪亮6次/8秒E6 关机显示10 北美外环境温度超出范围灭闪亮1次/1秒FF 关机显示二、室外机显示部分1 室外温度传感器故障点亮闪亮1次/8秒E2 关机显示2 室外管温传感器故障点亮闪亮2次/8秒E3 关机显示3 压机过流保护点亮闪亮3次/8秒E7 关机显示4 排气管温传感器故障点亮闪亮4次/8秒E1 关机显示2、柜机:序号故障内容故障代码1 室内管温传感器故障E32 室内室温传感器故障E23 结霜保护E84 过热保护E85 过流或相序、低压保护E76 开门断电保护? E07 低压压力保护E78 化霜DFF(FN)系列柜机代码AVC-170FN2/C、AVH-170FN2/C、AVC-240FN2/C、AVH-240FN2/C自检信息发光管自检代码数码管自检代码时间/温度数字代码指示灯代码室温传感器故障闪亮2次/4秒E211/28111/18管温传感器故障闪亮3次/5秒E310/27101/18电源电压异常或蒸发/冷凝温度异常闪亮4次/6秒E412/29121/18门保护故障E5外反馈故障 闪亮7次/9秒E78/25 131/18 过热保护/结霜保护闪亮8次/10秒 E8 7/24 71/18F (FN )系列柜机代码AVC-170FN2/C 、AVH-170FN2/C 、AVC-240FN2/C 、AVH-240FN2/C 自检信息发光管自检代码数码管自检代码时间/温度 数字代码指示灯代码 室温传感器故障 闪亮2次/4秒 E2 11/28 111/18 管温传感器故障 闪亮3次/5秒 E3 10/27 101/18 电源电压异常或蒸发/冷凝温度异常 闪亮4次/6秒 E4 12/29 121/18门保护故障E5外反馈故障闪亮7次/9秒E78/25 131/18 过热保护/结霜保护闪亮8次/10秒 E8 7/24 71/18YORK (约克)空调故障显示代码 故障代码 故障内容 适用型号E1 T 环异常 约克空调挂机故障显示代码E2 T 外盘异常 E3 T 内盘异常 E4 PG 反馈异常 E5 室内外通信故障 F1 模块保护故障 F2 PTC 保护故障 F3 压缩机运行失效故障 F4 室外排气传感器故障 F5 压缩机顶盖保护 F6 室外环境传感器故障 F7 过欠压保护故障 F8 室外模块通信故障 F9 室外EE 故障 故障代码 故障内容 适用型号E4 PG 反馈异常? 约克空调挂机故障显示代码E1 TA 异常(断路或短路)? E3 TE 异常(断路或短路)? E5 室内外通信故障 E2 室外盘管传感器 F1 模块保护 F2PFC 保护故障F3 压缩机运行失败故障 F4 室外排气传感器故障 F5 压缩机顶盖保护 F6 室外环境传感器故障 F7 过欠压保护故障 F8 室外模块通信故障 F9 室外EE 故障 F0 室外风机故障 FA 回气传感器故障 故障代码 故障内容 适用型号E1 T 内环异常 约克空调柜机故障显示代码 E2 T 外盘异常 E3 T 内盘异常 E4 PG 反馈异常E5 室内显示与主板通讯故障 E8 室内外通信故障 E9 室内直流电机故障 F1 模块保护故障 F2 PTC 保护故障 F3 压缩机运行失效故障 F4 室外排气传感器故障 F5 压缩机顶盖保护 F6 室外环境传感器故障 F7 过欠压保护故障 F8 室外模块通信故障 F9 室外EE 故障 FA 回气传感器故障 FB 低压开关故障 故障代码 故障内容 适用型号F0 PG 电机故障 约克变频GE 系列 F1 室温传感器故障 F2 室外温度传感器故障 F3 内盘温度传感器故障 F4 外盘温度传感器故障 F5 压缩机排气温度传感器故障 F6 室内通信无法接受 F7 室外通信无法接受 F8 外机与驱动板通讯故障 E0 压机顶置保护E1 内机无法接收显示面板通讯 E2 室外风机故障 「0逆变器直流过电压故障「1 逆变器直流低电压故障「2 逆变器直流过电流故障「3 失步检出「4 欠相检出故障(速度推定脉动检出法)「5 欠相检出故障(电流不平衡检出法)「6 逆变器IPM故障「7 PFC-IPM故障「8 PFC输入过电流检出故障「9 直流电压检出异常」0 PFC低电压检出故障」1 ADoffset异常检出故障」2 逆变器PWM逻辑设置故障」3 逆变器PWM逻辑初始化故障」4 PFC-PWM逻辑设置故障」5 PFC-PWM逻辑初始化故障」6 温度异常」7 电阻不平衡调整故障」8 通信断线检出」9 电机参数设置故障。