中继段光纤测试记录
- 格式:xls
- 大小:148.00 KB
- 文档页数:6
中继段光纤后向散射曲线中继段光纤后向散射曲线的检查内容和要求包括:1.观察全程曲线,应无异常现象。
2.对于50km以上的中继段,应采用较大动态范围的仪表测量。
3.OTDR测量,应以光纤的实际折射率为预置条件;脉宽预置应根据中继段长度合理选择。
4.打印光纤后向信号曲线波形。
一般要求记录下中继段一个方向的完整曲线,对于长途干线要求两个方向的曲线,记入竣工测试记录表中。
5.总损耗应与光功率计测量的数据基本一致。
分析:中继段光纤后向散射曲线是光纤通信系统中非常重要的一项测试指标。
它反映了光纤传输过程中的损耗和反射情况,对于确保光纤通信系统的稳定性和可靠性具有重要意义。
在中继段光纤后向散射曲线的测试中,首先需要使用光时域反射仪(OTDR)进行测试。
OTDR是一种专门用于测量光纤传输特性的仪器,它可以发射一束光脉冲进入光纤,并接收返回的后向散射光信号。
通过对返回信号的分析,可以得到光纤的损耗、反射、断点等信息。
在观察中继段光纤后向散射曲线时,需要注意曲线的形状和变化趋势。
正常的曲线应该是平滑的,没有明显的突变或异常波动。
如果曲线出现异常,可能意味着光纤存在断点、接头不良、过度弯曲等问题,需要及时进行排查和处理。
此外,对于长距离的光纤通信系统,中继段光纤后向散射曲线的测试更为重要。
因为长距离传输会导致光信号的衰减和色散加剧,需要通过合理的中继段设计和优质的光纤选材来保证系统的传输性能。
总之,中继段光纤后向散射曲线是光纤通信系统中的重要测试指标,它可以帮助我们了解光纤的传输性能和存在的问题。
在实际应用中,我们需要根据测试结果及时采取相应的措施,确保光纤通信系统的稳定运行和高效传输。
光缆中继段光纤接续损耗测试方法1.引言1.1 概述概述部分的内容可以包括以下方面:光缆中继段光纤接续损耗测试方法是指在光纤通信系统中,对光缆中不同连接点处的接续损耗进行测试的方法。
光纤接续损耗是指信号在光纤连接处传输时由于连接点的存在而引起的信号衰减,这会影响到光纤通信系统的传输质量和性能。
光缆中继段光纤接续损耗测试方法的研究和应用对于保证光纤通信系统的正常运行和提高传输效率至关重要。
准确测试光缆中继段光纤接续损耗,可以及时发现连接点的问题,并及时采取相应的修复措施,保证光纤通信系统的正常传输。
在光缆中继段光纤接续损耗测试过程中,常用的测试方法包括OTDR (Optical Time Domain Reflectometer)和光纤衰减测试方法。
OTDR 是通过发送脉冲光信号,利用光纤连接处的反射信号来检测接续损耗,并通过分析反射信号的强度和时间来确定损耗的位置和数值。
另一种测试方法是光纤衰减测试,通过在信号源端和接收端分别测量信号的强度,计算两者之间的差值,从而确定接续损耗的大小。
这种方法相对简单,但需要确保测试设备和光纤连接点的稳定性和精度。
总之,光缆中继段光纤接续损耗测试方法的研究和应用对于光纤通信系统的运行和维护具有重要意义。
通过准确测试接续损耗的大小和位置,可以及时发现和修复问题,保证光纤通信系统的正常传输,提高通信效率和可靠性。
1.2文章结构1.2 文章结构:本文分为引言、正文和结论三个部分。
引言部分包括概述、文章结构和目的。
- 概述部分将介绍光缆中继段光纤接续损耗测试方法的背景和重要性,以及相关技术的研究现状。
- 文章结构部分将对整篇文章的结构和内容进行概述,介绍各个章节的主题和目的。
- 目的部分将明确阐述本文的研究目标和意义,以及对读者的指导意义。
正文部分分为若干小节,讨论光缆中继段光纤接续损耗测试方法的要点。
- 第2.1小节将阐述光缆中继段光纤接续损耗测试方法的要点1,介绍该方法的原理、步骤和应用范围。
光缆中继段光纤线路衰减测试记录光缆中继段光纤线路衰减测试是为了检测光缆中继段的光纤线路在传输信号时所产生的衰减量。
衰减是指信号在通过光纤过程中能量减弱的现象,它是光纤传输中的一个重要参数。
光纤线路衰减测试能够评估光线传输质量,并判断光缆系统的稳定性和传输距离范围。
测试步骤如下:1.准备工作:获取测试仪器,包括光纤衰减测试仪、光源、光功率计、参考光纤等。
2.连接参考光纤:将参考光纤连接到光源和光功率计,检查连接是否牢固,确保信号传输畅通。
3.连接光缆中继段:将待测光缆中继段连接到光纤衰减测试仪的光纤接口,确保连接良好。
4.设置测试参数:根据实际需要,设置测试仪器的测试参数,包括波长、测试距离、测试时间等。
5.开始测试:启动光纤衰减测试仪,观察测试结果的数据显示。
6.记录测试数据:将测试结果记录下来,包括测试时间、测试距离、测试波长、测试结果等。
7.分析结果:根据测试数据,计算光缆中继段的衰减量,并进行结果分析。
测试记录如下:测试时间:2024年8月5日测试地点:XXX光缆中继站测试设备:XXX光纤衰减测试仪、光源、光功率计、参考光纤测试距离:1000米测试波长:1310nm、1550nm测试波长,测试功率(dBm),接收光功率(dBm),衰减(dB)--------,--------------,-----------------,----------1310nm , -2.5 , -5.8 , 3.31550nm , -3.2 , -6.5 , 3.3从测试结果中可以看出,该光缆中继段的衰减量在1310nm和1550nm 两个波长下分别为3.3dB。
根据标准,光缆中继段的衰减一般应在允许范围内,过高的衰减会导致信号质量下降,从而影响光纤传输的稳定性和距离。
在本次测试中,该光缆中继段的衰减量处于合理范围内,能够满足正常的光信号传输要求。
但需要注意的是,衰减量可能会随着光纤线路的老化或损坏而增加,因此,定期进行衰减测试是保证光纤传输质量的重要手段之一总结:对光缆中继段光纤线路进行衰减测试是很有必要的,通过测试可以评估光线传输质量,判断光缆系统的稳定性和传输距离范围。
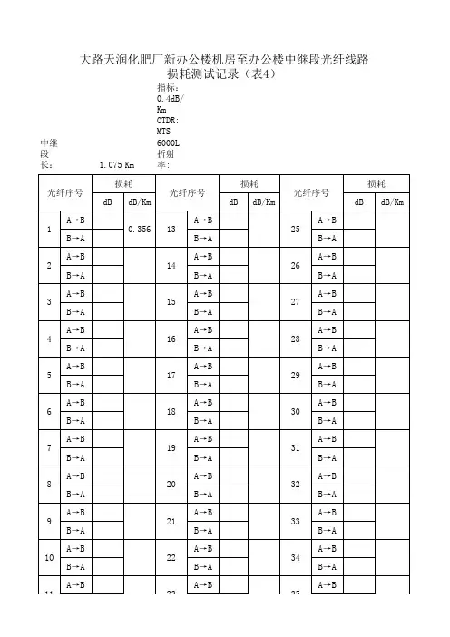
大路天润化肥厂新办公楼机房至办公楼中继段光纤线路损耗测试记录(表4)中继段长: 1.075Km指标:0.4dB/Km OTDR: MTS 6000L 折射率: 1.4673Total Length : 1.075km Total Loss :0.000dB Total Attenuation: ######dB/kmTotal Length : 1.075km Total Loss :0.000dB Total Attenuation: ######dB/km ( A )测第(1)通道曲线大路天润化肥厂新办公楼机房至办公楼中继段光纤后向散射曲线(表4附图)(1310nm波长)( B )测第(1)通道曲线Total Length : 1.075km Total Loss :0.000dB Total Attenuation: ######dB/km Total Length : 1.075km Total Loss :0.000dB Total Attenuation: ######dB/km (1310nm波长)( A )测第(2)通道曲线( B )测第(2)通道曲线Total Length : 1.075km Total Loss :0.000dB Total Attenuation: ######dB/km Total Length : 1.075km Total Loss :0.000dB Total Attenuation: ######dB/km (1310nm波长)( A )测第(3)通道曲线( B )测第(3)通道曲线Total Length : 1.075km Total Loss :0.000dB Total Attenuation: ######dB/km Total Length : 1.075km Total Loss :0.000dB Total Attenuation: ######dB/km (1310nm波长)( A )测第(4)通道曲线( B )测第(4)通道曲线Total Length : 1.075km Total Loss :0.000dB Total Attenuation: ######dB/km Total Length : 1.075km Total Loss :0.000dB Total Attenuation: ######dB/km (1310nm波长)( A )测第(5)通道曲线( B )测第(5)通道曲线Total Length : 1.075km Total Loss :0.000dB Total Attenuation: ######dB/km Total Length : 1.075km Total Loss :0.000dB Total Attenuation: ######dB/km (1310nm波长)( A )测第(6)通道曲线( B )测第(6)通道曲线Total Length : 1.075km Total Loss :0.000dB Total Attenuation: ######dB/km Total Length : 1.075km Total Loss :0.000dB Total Attenuation: ######dB/km (1310nm波长)( A )测第(7)通道曲线( B )测第(7)通道曲线Total Length : 1.075km Total Loss :0.000dB Total Attenuation: ######dB/km Total Length : 1.075km Total Loss :0.000dB Total Attenuation: ######dB/km (1310nm波长)( A )测第(8)通道曲线( B )测第(8)通道曲线Total Length : 1.075km Total Loss :0.000dB Total Attenuation: ######dB/km Total Length : 1.075km Total Loss :0.000dB Total Attenuation: ######dB/km (1310nm波长)( A )测第(9)通道曲线( B )测第(9)通道曲线Total Length : 1.075km Total Loss :0.000dB Total Attenuation: ######dB/km Total Length : 1.075km Total Loss :0.000dB Total Attenuation: ######dB/km (1310nm波长)( A )测第(10)通道曲线( B )测第(10)通道曲线Total Length : 1.075km Total Loss :0.000dB Total Attenuation: ######dB/km Total Length : 1.075km Total Loss :0.000dB Total Attenuation: ######dB/km (1310nm波长)( A )测第(11)通道曲线( B )测第(11)通道曲线Total Length : 1.075km Total Loss :0.000dB Total Attenuation: ######dB/km Total Length : 1.075km Total Loss :0.000dB Total Attenuation: ######dB/km (1310nm波长)( A )测第(12)通道曲线( B )测第(12)通道曲线Total Length : 1.075km Total Loss :0.000dB Total Attenuation: ######dB/km Total Length : 1.075km Total Loss :0.000dB Total Attenuation: ######dB/km (1310nm波长)( A )测第(13)通道曲线( B )测第(13)通道曲线Total Length : 1.075km Total Loss :0.000dB Total Attenuation: ######dB/km Total Length : 1.075km Total Loss :0.000dB Total Attenuation: ######dB/km (1310nm波长)( A )测第(14)通道曲线( B )测第(14)通道曲线Total Length : 1.075km Total Loss :0.000dB Total Attenuation: ######dB/km Total Length : 1.075km Total Loss :0.000dB Total Attenuation: ######dB/km (1310nm波长)( A )测第(15)通道曲线( B )测第(15)通道曲线Total Length : 1.075km Total Loss :0.000dB Total Attenuation: ######dB/km Total Length : 1.075km Total Loss :0.000dB Total Attenuation: ######dB/km (1310nm波长)( A )测第(16)通道曲线( B )测第(16)通道曲线(1310nm波长)Total Length : 1.075kmTotal Loss :0.000dBTotal Attenuation: ######dB/km( A )测第(17)通道曲线Total Length : 1.075kmTotal Loss :0.000dBTotal Attenuation: ######dB/km( B )测第(17)通道曲线Total Length : 1.075km Total Loss :0.000dB Total Attenuation: ######dB/km Total Length : 1.075km Total Loss :0.000dB Total Attenuation: ######dB/km (1310nm波长)( A )测第(18)通道曲线( B )测第(18)通道曲线Total Length : 1.075km Total Loss :0.000dB Total Attenuation: ######dB/km Total Length : 1.075km Total Loss :0.000dB Total Attenuation: ######dB/km (1310nm波长)( A )测第(19)通道曲线( B )测第(19)通道曲线(1310nm波长)Total Length : 1.075kmTotal Loss :0.000dBTotal Attenuation: ######dB/km( A )测第(20)通道曲线Total Length : 1.075kmTotal Loss :0.000dBTotal Attenuation: ######dB/km( B )测第(20)通道曲线Total Length : 1.075km Total Loss :0.000dB Total Attenuation: ######dB/km Total Length : 1.075km Total Loss :0.000dB Total Attenuation: ######dB/km (1310nm波长)( A )测第(21)通道曲线( B )测第(21)通道曲线Total Length : 1.075km Total Loss :0.000dB Total Attenuation: ######dB/km Total Length : 1.075km Total Loss :0.000dB Total Attenuation: ######dB/km (1310nm波长)( A )测第(22)通道曲线( B )测第(22)通道曲线(1310nm波长)Total Length : 1.075kmTotal Loss :0.000dBTotal Attenuation: ######dB/km( A )测第(23)通道曲线Total Length : 1.075kmTotal Loss :0.000dBTotal Attenuation: ######dB/km( B )测第(23)通道曲线Total Length : 1.075km Total Loss :0.000dB Total Attenuation: ######dB/km Total Length : 1.075km Total Loss :0.000dB Total Attenuation: ######dB/km (1310nm波长)( A )测第(24)通道曲线( B )测第(24)通道曲线。
2021年光缆试题与答案(最新)----036144dc-6ea2-11ec-81cf-7cb59b590d7d1、光缆交工测试资料是施工过程中施工单位对所做工程的测试,测试率为100%,测试结果需要施工单位和监理共同签名确认。
2、中继段光纤线路衰减测试范围是每根纤芯、双窗口、双向测试、用光源、光功测试)。
3、中继段光纤后向散射信号曲线测试范围是每根纤芯,双窗口、单向测试、用otdr测试)。
4、光缆接头每侧光缆预留5米,人手井光缆预留15米,基站只在局前井预留15米,基站内预留5米5、国家规定的特殊作业(如登高、电工等)做到持证上岗,应根据项目需求配备足够的安全设施和安全防护用具,尤其要做好一线施工人员的现场安全培训工作6、光缆线路在与10千伏以上电力线交越时,两侧电杆应装避雷线7、进行光缆路由复测时,出现设计文件和施工图纸与实际要求不一致或其他必须变更设计才可以满足要求时,施工单位需根据建设单位变更签证流程进行设计变更。
8、光缆布放前,做好单盘测试,并保存测试结果。
对单盘测试结果施工单位和监理单位应共同签字确认。
9、单模光纤(1550nm、1310nm波长)的每根光纤的最大接头损耗双向平均,应小于等于0.08db/个。
10、所有机架、机柜的接地应该符合规范和设计要求,接地牢固,接地线不能并接。
地线使用35mm2黄绿色漆包电缆,在两段必须通过铜耳固定。
判断1、光缆的金属加强芯在接头盒内做固定,不同光缆间加强芯不能有电气连接。
(对)2.工作检查签证由建设单位和监理单位人员填写,并填写日期。
(右)3、合作单位所盖公章为“××公司珠海项目部”,此章所代表的单位具备相应的资质和法律效力。
(错)4.通信中断时,应遵循“先修后抢”的基本原则,故障修复时间不得以任何理由延长。
(错,“先通后修”)5、打开人井井盖时必须格外小心,以免井盖掉到井里把光缆砸断。
(错,手井)6、由于信号线缆和电源线缆都有绝缘材料包裹,所以可以并列布放。
合格 口 不合格 口 测试人员:黄亮 技术负责人:王雪华中继段名称:二二四光交-二二四基站中继段光纤线路衰减测试记录 路由后向散射曲线图片
距离 5.0005000米
光衰
使用说明:1.先打开测试图表.xls -打开工作表P-修改中继段名称、距离(红色字体)-然后
开始打印
2.打印时先选定全部工作表,然后取消a和p两个工作表,打印选项里选择选定区域即可
本模板最高支持24芯光缆,如果光缆为4芯只需打印1-4,依此类推
施工单位:四川省通信产业服务有限公司宜宾市分公司此项请根据情况修改此项请根据情况修改
中继段名称需修改
红色光缆长度修改(注意单位为km)。
中国移动骨干传送网光缆线路工程验收规范中国移动通信有限公司2013年10月目录第一章总则 (1)第二章光缆预留 (1)第三章光缆端别 (2)第四章安装工艺 (2)第五章中继段测试 (5)第六章竣工验收 (6)附表:附表1 光缆线路工程竣工验收总表附表2 至中继段竣工验收汇总表附表3 至中继段光缆安装工艺检验表附表4 至中继段光缆配盘图附表5 光缆单盘检验测试记录表附表6 至中继段接头衰耗测试表附表7 至中继段光纤线路衰减测试记录附表8 至中继段光纤衰减统计表附表9 至中继段光纤偏振模色散测试记录附表10 至中继段光纤后向散射信号曲线图片第一章总则1.1本暂行规定(以下简称规定)是中国移动骨干传送网光缆线路工程施工质量检验、随工检验隐蔽工程验收、初步验收和竣工验收的依据。
1.2光缆线路工程的验收,应按部颁的《通信线路工程验收规范》(YD5121-2010)、中国移动通信有限公司相关文件、设计文件以及本规范的规定进行。
1.3在施工过程中,施工单位应严格按照部颁有关光缆施工的规定及设计文件的具体要求作业。
建设单位应通过监理单位和随工代表加强工程的质量检查,做好随工检验,对质量合格的隐蔽工程应及时验收、签证;若发现工程中的质量问题,应随时向施工单位指出,由施工单位及时处理。
1.4本规范中光缆线路工程部分的内容包括敷设管道光缆、直埋光缆、架空光缆及部分水底光缆,可根据实际情况采用人工或机械方式进行施工。
1.5施工单位制定的施工操作规程应贯彻本规范的要求。
1.6本规范的解释权与修改权,属中国移动通信有限公司。
第二章光缆预留各种必要的预留长度必须满足以下要求:2.1 光缆在接头处重叠长度不小于12米,光缆接头接续后预留6~8米,光纤接头盒内收容余长不小于0.8米。
2.2 在沿途的预留光缆长度:在长200m以上的大桥两端至少各预留3米光缆;在带伸缩缝的钢梁桥的每个伸缩缝内光缆余长不少于0.5米,特别应注意处理好伸缩缝大的桥梁光缆预留。
试题正文参考答案"维护操作中,在使用光源时应当特别注意的事项是()。
A.可用眼睛判断是否有光发出B.不能用眼睛直视发光口C.无所谓D.发光口可以对着别人的眼睛" B"金属护套对地绝缘电阻,维护指标(),维护周期()。
A.大于等于5MΩ/单盘、半年B.10MΩ/单盘、1年C.2MΩ/单盘、1年D.2MΩ/单盘、半年" D"通信维护管理包括通信()专业维护和通信设备专业维护。
A.铁塔B.基站C.机房D.线路" D"各维护单位应及时与线路沿线施工单位进行沟通和联系,签订(),并配合地市移动分公司及其它单位进行施工,同时做好记录。
A.新增代维协议B.光缆线路保护协议C.代维协议D.代维合同" B"可以造成光纤产生衰耗的原因有()。
A、吸收衰耗B、散射衰耗C、其他衰耗D、发光衰耗" A、B、C"光纤的特性有()A、几何特性B、光学特性C、传输特性D、机械特性" A、B、C"下列不属于光缆的结构方式的为:()A、低密度结构光缆B、骨架式结构光缆C、复合式结构光缆D、无金属光缆" A、C、D"无金属光缆连接方式具有的特点有()A、抗电磁干扰,适用于强电场环境使用B、防水性能好C、不增加附加损耗D、技术复杂,工作环境要求高" A、B、C"管道光缆敷设,属于机械牵引法的有()A、集中牵引法B、分散牵引法C、终端辅助牵引法D、中间辅助牵引法" A、B、D"下列对使用光源时的注意事项描述错误的有()。
A、可用眼睛判断是否有光发出B、不能用眼睛直视发光口C、无所谓D、发光口可以对着别人的眼睛" A、C、D标石的一般埋深为(),出土部分为(),标石的周围应夯实,在农作物区,可立高标石。
标石的倾斜应不超过(),标志牌、宣传牌的倾斜不应超过()。
光缆工程施工:吹放、接续及中继段测试5.1光缆吹放示意图5.1.1施工准备机械设备:随车吊1台、工程车2台;吹缆机2套(包括空压机)、光缆拖车2台、硅芯管接续工具1套。
管理人员2名,技术人员7名,工人7名,驾驶员2名。
5.1.2施工程序5.1.2.1施工流程5.1.2.2吹缆施工流程施工前检→路由复测→设备光缆到现场→硅管密封性检测与通球检测→向一端吹缆→盘“8”字→向另一端吹缆5.1.2.3光缆接续流程光缆单盘测试→光缆的开剥→光纤接续→OTDR现场监测5.2重要工序实施5.2.1光缆敷设前检验5.2.2主要器材设备检验:5.2.3光缆单盘检验光缆单盘测试的首要任务是对出厂光缆经运输装卸后的光特性复检,其次要检查包装完好与否。
其中光性能检测包括衰减测试和长度测试。
衰减测试是现场测试的必要检验内容。
长度检验测试的目的是检查长度是否符合合同规定,同时还可检验光缆在运输途中是否遭受破坏。
检验时,应对每根光缆的测试长度和全部纤长进行比较,如有较大差别,应从另一端测试或做通光检查,以便判断和发现有无断纤,并及时采取补救措施。
光缆单盘测试时,要求测试人员在测试记录上标注AB 端标尺,测试完毕最好热缩端头热缩冒;接续工作开始时,先查看光缆有无外伤、进水,并再次确认标尺,记录在测试记录表中。
一般,切断光缆端头500mm~1000mm,必要时根据情况可适当多切断一些。
测试结果要记载并交与施工技术主管备案。
5.2.4吹缆机与空压机的检验吹缆机与空压机应确保各部件无故障,并要良好的维护,操作人员要认真阅读各自设备的使用说明。
液压油、机油、三滤要定期更换,更换需按说明书使用厂家认可的产品。
汽油、柴油要保证每天施工时够用。
5.3吹缆路由复测:5.3.1吹缆路由复测应以批准的施工设计为依据。
5.3.2核定硅管路由、敷设位置、中间气吹与光缆接续人手孔位置、间距、硅管长度以及吹缆设备进入现场的道路。
光缆配盘要合理,给每一段将分配的光缆一定要比实际敷设硅管的长一定长度,因为中间吹放人井有盘留,接头处人孔按设计需要预盘留等。
glink otdr使用说明1、设置好OTDR的参数。
使用OTDR测试时,必须先进行仪表参数设定,其中最主要是设定测试光纤的折射率、脉宽和测试波长。
只有准确地设置了测试仪表的基本参数,才能为准确的测试创造条件。
2、使用仪表的放大功能。
应用OTDR的放大功能就可将光标准确指定在相应的拐点上,使用放大功能键可将图形放大到25米/格,这样便可得到分辨率小于1米的比较准确的测试结果,当然要用尽量短的脉宽设置。
3、调整准确的测试范围档。
对于不同的测试范围档,OTDR测试的距离分辨率是不同的,在测量光纤障碍点时,应选择大于被测距离而又最近的测试范围档(1.5倍),这样才能充分利用仪表的本身精度和显示窗口来进行测量。
维护管理过程中应建立准确、完成的原始图表资料。
这些准确、翔实的光缆线路文件是故障测量、定位的基本依据。
因此,维护管理过程中不能疏忽大意,应该建立真实、可信、完整的线路资料。
而在光缆接续监测时,记录测试端至每个接头点位置的光纤累计长度及中继段光纤总衰减值,同时也将测试仪表型号、测试时折射率的设定值进行登记。
准确记录各种光缆余留。
详细记录每个接头坑、特殊地段、S 形敷设、进室等处光缆盘留长度及接头盒、终端盒、ODF架等部位光纤盘留长度,以便在换算故障点路由长度时予以扣除。
一般情况下,光纤光缆线路的两端需要进是双向故障测试,然后结合原始数据进行分析,进而准备判断故障的具体位置。
当故障点周围的链路上没有明显特征、具体现场又无法确定,那么我们可以采取就近接头处测量方法,或可在初步测试的障碍点处开挖,端站测试仪表处于实时测量状态。
利用比较功能,合理放置游标。
有时可借用金属护的对地绝缘变化利用定位仪来定位破损点(后述)。
公平、公正、科学、求实 11、 电杆立杆质量检查参与单位:监理单位、施工单位、物资设备厂家责任单位:施工单位文档输出:1.1电杆立杆前首先检查到场电杆是否有生产许可证、合格证、入网证、权威部门质检证。
电杆外观是否有环向裂缝宽度超过0。
5mm 的、有可见纵向裂缝的、混凝土破碎部分总表面积超过200平方毫米的,如有类似情况电杆不得使用,并分开堆放.电杆埋深、拉线地锚埋深、电杆档距应该符合设计和规范的要求,杆路走向和设置应符合路由复测,设置位应稳固。
电杆洞深图 坚石电杆洞深图 1.2电杆程式是否能满足各种标高和力学要求。
直线线路上的杆位是否在线路路由的中心线上,电杆上下垂直,电杆中心线与路由中心线左右偏差一般不应该大于5cm 。
角杆应该立在线路转角点内侧:水泥杆内移10~15cm 。
木杆内移20~30cm 。
终端杆杆身向拉线侧倾斜10~20cm 。
光缆线路架设高度和与其他通信缆线、电力线垂直隔距应该符合设计要求,电杆根部加固装置的安装地点是否按设计要求。
立杆图2、拉线制作质量检查参与单位:监理单位、施工单位责任单位:施工单位文档输出:2。
1 拉线程式的选用:➢空光缆杆路拉线程式的选择,主要应根据杆路负荷、气象条件以及制作拉线用的钢绞线容许的最大拉断力来考虑。
一般在轻中负荷区时,线路转角的拉线程式比吊线程式大一级.线路转角大于600时,需装设两条终端拉线(八字拉线),其程式比光缆吊线程式加大一级.终端杆或分线杆的顶头拉线一般设置7/3.0拉线.➢线路中间杆由于前后线路负荷不均或杆距不等,需装设的拉线程式应与线路张力大一侧吊线程式相同或大一级.➢高桩拉线程式一般与光缆吊线程式相同或大一级。
➢抗风、防凌杆拉线程式一般与光缆吊线程式相同.拉线隔装数应该根据工程所处地区的气象条件,轻中负荷区在直线段应每隔500米(10根电杆)左右设置“抗风杆”双方拉线,每隔1000米(20根电杆)左右设置“防凌杆”四方拉线,其位置一般设置在吊线上方的10—20cm,以15cm左右为最佳。
公平、公正、科学、求实 11、 电杆立杆质量检查参与单位:监理单位、施工单位、物资设备厂家责任单位:施工单位文档输出:1.1电杆立杆前首先检查到场电杆是否有生产许可证、合格证、入网证、权威部门质检证.电杆外观是否有环向裂缝宽度超过0.5mm 的、有可见纵向裂缝的、混凝土破碎部分总表面积超过200平方毫米的,如有类似情况电杆不得使用,并分开堆放。
电杆埋深、拉线地锚埋深、电杆档距应该符合设计和规范的要求,杆路走向和设置应符合路由复测,设置位应稳固。
电杆洞深图 坚石电杆洞深图 1。
2电杆程式是否能满足各种标高和力学要求。
直线线路上的杆位是否在线路路由的中心线上,电杆上下垂直,电杆中心线与路由中心线左右偏差一般不应该大于5cm 。
角杆应该立在线路转角点内侧:水泥杆内移10~15cm 。
木杆内移20~30cm 。
终端杆杆身向拉线侧倾斜10~20cm 。
光缆线路架设高度和与其他通信缆线、电力线垂直隔距应该符合设计要求,电杆根部加固装置的安装地点是否按设计要求。
立杆图2、拉线制作质量检查参与单位:监理单位、施工单位责任单位:施工单位文档输出:2。
1 拉线程式的选用:➢空光缆杆路拉线程式的选择,主要应根据杆路负荷、气象条件以及制作拉线用的钢绞线容许的最大拉断力来考虑。
一般在轻中负荷区时,线路转角的拉线程式比吊线程式大一级。
线路转角大于600时,需装设两条终端拉线(八字拉线),其程式比光缆吊线程式加大一级。
终端杆或分线杆的顶头拉线一般设置7/3.0拉线.➢线路中间杆由于前后线路负荷不均或杆距不等,需装设的拉线程式应与线路张力大一侧吊线程式相同或大一级。
➢高桩拉线程式一般与光缆吊线程式相同或大一级。
➢抗风、防凌杆拉线程式一般与光缆吊线程式相同.拉线隔装数应该根据工程所处地区的气象条件,轻中负荷区在直线段应每隔500米(10根电杆)左右设置“抗风杆"双方拉线,每隔1000米(20根电杆)左右设置“防凌杆”四方拉线,其位置一般设置在吊线上方的10—20cm,以15cm左右为最佳.➢拉线的埋深应根据拉线程式的大小及土质情况来予以确定.➢拉线程式应与拉线盘及拉线铁柄配套使用,在坚石地段的拉线地锚应采用钢地锚。
信07 中卫首站至4#RTU阀室中继段光纤线路衰减测试记录单位工程名称:第一标段通信工程工程编号:ZG05-01分部工程名称线路通信工程工程部位AA001+000m~AD040+194m中继段长124.36km 光源FOT-20A仪表FLS-130A波长1550nm湿度20%指标α≤0.23光纤P入P出αα平均光纤P入P出αα平均dB dB/km dB dB/km1 A-B -7.77 -21.17 9.9320.01 0.209 13A-B -7.77 -20.97 10.3820.61 0.201 B-A -7.77 -22.14 10.08 B-A -7.77 -22.04 10.232 A-B -7.77 -21.05 10.1120.26 0.197 14A-B -7.77 -20.97 10.1920.41 0.206 B-A -7.77 -21.97 10.15 B-A -7.77 -21.79 10.223 A-B -7.77 -21.26 11.0221.96 0.207 15A-B -7.77 -21.00 9.9720.01 0.203 B-A -7.77 -21.87 10.94 B-A -7.77 -22.01 10.044 A-B -7.77 -21.27 9.9719.96 0.214 16A-B -7.77 -21.22 10.1420.36 0.202 B-A -7.77 -21.71 9.99 B-A -7.77 -21.77 10.225 A-B -7.77 -21.06 10.2221.37 0.206 17A-B -7.77 -20.97 11.0922.22 0.204 B-A -7.77 -22.07 11.15 B-A -7.77 -21.77 11.136 A-B -7.77 -19.51 10.7521.68 0.209 18A-B -7.77 -20.98 10.7921.66 0.202 B-A -7.77 -19.77 10.93 B-A -7.77 -21.87 10.877 A-B -7.77 -19.51 11.1123.13 0.201 19A-B -7.77 -21.03 10.1920.41 0.206 B-A -7.77 -19.77 12.02 B-A -7.77 -21.97 10.228 A-B -7.77 -21.23 9.9820.21 0.206 20A-B -7.77 -20.93 9.9720.01 0.203 B-A -7.77 -22.07 10.23 B-A -7.77 -21.97 10.049 A-B -7.77 -21.03 9.9720.22 0.203 21A-B -7.77 -20.98 10.1420.36 0.202 B-A -7.77 -21.97 10.25 B-A -7.77 -21.87 10.2210 A-B -7.77 -21.25 9.9620.07 0.202 22A-B -7.77 -21.01 11.0922.22 0.205 B-A -7.77 -21.87 10.11 B-A -7.77 -21.97 11.1311 A-B -7.77 -21.19 10.2320.54 0.205 23A-B -7.77 -21.03 10.7921.66 0.203 B-A -7.77 -21.57 10.31 B-A -7.77 -21.87 10.8712 A-B -7.77 -21.23 10.4420.95 0.203 24A-B -7.77 -21.09 10.7521.68 0.202 B-A -7.77 -22.27 10.51 B-A -7.77 -21.77 10.93施工单位EPC总承包商监理单位测试人:技术(质量)员:技术负责人:年月日技术负责人:年月日监理工程师:年月日信07 中卫首站至4#RTU阀室中继段光纤线路衰减测试记录单位工程名称:第一标段通信工程工程编号:ZG05-01分部工程名称线路通信工程工程部位AA001+000m~AD040+194m中继段长124.36km 光源FOT-20A仪表FLS-130A波长1550nm湿度20%指标α≤0.23光纤P入P出αα平均光纤P入P出αα平均dB dB/km dB dB/km25 A-B -7.77 -21.02 9.9720.41 0.208 37A-B / / // / B-A -7.77 -21.97 9.99 B-A / / /26 A-B -7.77 -21.37 10.2220.01 0.214 38A-B / / // / B-A -7.77 -21.77 11.15 B-A / / /27 A-B -7.77 -21.15 10.7520.36 0.204 39A-B / / // / B-A -7.77 -21.77 10.93 B-A / / /28 A-B -7.77 -21.14 11.1122.22 0.215 40A-B / / // / B-A -7.77 -21.74 12.02 B-A / / /29 A-B -7.77 -21.04 9.9821.66 0.212 41A-B / / // / B-A -7.77 -21.77 10.23 B-A / / /30 A-B -7.77 -20.95 9.9721.68 0.205 42A-B / / // / B-A -7.77 -21.97 10.25 B-A / / /31 A-B -7.77 -21.13 10.3819.96 0.209 43A-B / / // / B-A -7.77 -21.97 10.23 B-A / / /32 A-B -7.77 -20.93 10.1921.37 0.203 44A-B / / // / B-A -7.77 -22.17 10.22 B-A / / /33 A-B -7.77 -21.05 9.9721.68 0.200 45A-B / / // / B-A -7.77 -22.27 10.04 B-A / / /34 A-B -7.77 -21.08 10.1423.13 0.200 46A-B / / // / B-A -7.77 -21.87 10.22 B-A / / /35 A-B -7.77 -20.97 11.0920.21 0.203 47A-B / / // / B-A -7.77 -22.38 11.13 B-A / / /36 A-B -7.77 -21.07 10.4920.22 0.198 48A-B / / // / B-A -7.77 -22.17 10.84 B-A / / /施工单位EPC总承包商监理单位测试人:技术(质量)员:技术负责人:年月日技术负责人:年月日监理工程师:年月日信07 4#RTU阀室至固原压气站中继段光纤线路衰减测试记录单位工程名称:第一标段通信工程工程编号:ZG05-01分部工程名称线路通信工程工程部位AD040+194m~AE080+206m中继段长102.13km 光源FOT-20A仪表FLS-130A波长1550nm湿度20%指标α≤0.23光纤P入P出αα平均光纤P入P出αα平均dB dB/km dB dB/km1 A-B -7.77 -20.33 8.8417.97 0.213 13A-B -7.77 -19.27 9.3818.61 0.204 B-A -7.77 -21.25 9.13 B-A -7.77 -20.24 9.232 A-B -7.77 -20.15 9.1218.27 0.195 14A-B -7.77 -19.33 9.1818.38 0.202 B-A -7.77 -20.97 9.15 B-A -7.77 -20.59 9.23 A-B -7.77 -20.44 9.7219.53 0.212 15A-B -7.77 -20.14 8.8717.91 0.206 B-A -7.77 -20.35 9.81 B-A -7.77 -20.05 9.044 A-B -7.77 -20.21 8.8417.67 0.213 16A-B -7.77 -20.12 9.1418.34 0.201 B-A -7.77 -20.51 8.83 B-A -7.77 -20.51 9.25 A-B -7.77 -20.46 9.2218.38 0.216 17A-B -7.77 -19.57 9.0818.21 0.214 B-A -7.77 -21.33 9.16 B-A -7.77 -20.72 9.136 A-B -7.77 -18.55 9.7519.58 0.203 18A-B -7.77 -19.35 9.7819.65 0.206 B-A -7.77 -18.25 9.83 B-A -7.77 -20.25 9.877 A-B -7.77 -18.53 9.9119.93 0.205 19A-B -7.77 -20.16 9.1318.34 0.216 B-A -7.77 -18.41 10.02 B-A -7.77 -20.46 9.218 A-B -7.77 -20.23 8.8818.11 0.203 20A-B -7.77 -19.36 8.8217.84 0.213 B-A -7.77 -21.47 9.23 B-A -7.77 -20.26 9.029 A-B -7.77 -20.25 8.8718.12 0.202 21A-B -7.77 -19.16 9.1318.34 0.221 B-A -7.77 -20.56 9.25 B-A -7.77 -20.64 9.2110 A-B -7.77 -20.41 8.8618.11 0.205 22A-B -7.77 -20.36 10.0120.13 0.215 B-A -7.77 -20.31 9.9 B-A -7.77 -20.27 10.1211 A-B -7.77 -20.25 9.2318.76 0.203 23A-B -7.77 -20.36 9.7419.57 0.206 B-A -7.77 -20.67 9.31 B-A -7.77 -20.41 9.8312 A-B -7.77 -20.33 9.4418.95 0.207 24A-B -7.77 -20.19 9.7119.56 0.208 B-A -7.77 -21.45 9.51 B-A -7.77 -20.37 9.85施工单位EPC总承包商监理单位测试人:技术(质量)员:技术负责人:年月日技术负责人:年月日监理工程师:年月日信07 4#RTU阀室至固原压气站中继段光纤线路衰减测试记录单位工程名称:第一标段通信工程工程编号:ZG05-01分部工程名称线路通信工程工程部位AD040+194m~AE080+206m中继段长102.13km 光源FOT-20A仪表FLS-130A波长1550nm湿度20%指标α≤0.23光纤P入P出αα平均光纤P入P出αα平均dB dB/km dB dB/km25 A-B -7.77 -19.52 8.8217.69 0.208 37A-B / / // / B-A -7.77 -19.42 8.87 B-A / / /26 A-B -7.77 -19.46 9.2619.41 0.213 38A-B / / // / B-A -7.77 -19.32 10.15 B-A / / /27 A-B -7.77 -19.25 9.7419.57 0.202 39A-B / / // / B-A -7.77 -19.73 9.83 B-A / / /28 A-B -7.77 -19.55 10.1319.96 0.214 40A-B / / // / B-A -7.77 -19.51 10.02 B-A / / /29 A-B -7.77 -19.35 8.8220.15 0.213 41A-B / / // / B-A -7.77 -19.65 9.27 B-A / / /30 A-B -7.77 -20.47 8.8318.09 0.215 42A-B / / // / B-A -7.77 -19.39 9.26 B-A / / /31 A-B -7.77 -19.33 9.2818.54 0.219 43A-B / / // / B-A -7.77 -19.46 9.26 B-A / / /32 A-B -7.77 -20.42 9.1318.36 0.204 44A-B / / // / B-A -7.77 -20.36 9.23 B-A / / /33 A-B -7.77 -19.35 8.8217.84 0.213 45A-B / / // / B-A -7.77 -20.24 9.02 B-A / / /34 A-B -7.77 -19.44 9.1618.37 0.211 46A-B / / // / B-A -7.77 -19.37 9.21 B-A / / /35 A-B -7.77 -20.76 10.0320.15 0.213 47A-B / / // / B-A -7.77 -20.57 10.12 B-A / / /36 A-B -7.77 -19.39 9.4418.65 0.193 48A-B / / // / B-A -7.77 -20.54 9.21 B-A / / /施工单位EPC总承包商监理单位测试人:技术(质量)员:技术负责人:年月日技术负责人:年月日监理工程师:年月日信07 固原压气站至西吉清管站中继段光纤线路衰减测试记录单位工程名称:第一标段通信工程工程编号:ZG05-01分部工程名称线路通信工程工程部位AE080+206m~AF122+860m中继段长70.43km 光源FOT-20A仪表FLS-130A波长1550nm湿度20%指标α≤0.23光纤P入P出αα平均光纤P入P出αα平均dB dB/km dB dB/km1 A-B -7.77 -14.88 7.1314.66 0.213 13A-B -7.77 -15.01 7.1115.01 0.211 B-A -7.77 -15.60 7.53 B-A -7.77 -15.47 7.92 A-B -7.77 -15.01 7.3914.66 0.202 14A-B -7.77 -15.00 7.1714.66 0.222 B-A -7.77 -15.26 7.27 B-A -7.77 -15.27 7.493 A-B -7.77 -14.88 7.3515.08 0.211 15A-B -7.77 -14.93 7.2314.66 0.211 B-A -7.77 -15.67 7.73 B-A -7.77 -15.62 7.434 A-B -7.77 -14.94 7.1714.8 0.221 16A-B -7.77 -14.89 7.1815.08 0.213 B-A -7.77 -15.26 7.63 B-A -7.77 -15.31 7.95 A-B -7.77 -15.00 7.3214.8 0.223 17A-B -7.77 -15.00 7.1414.24 0.201 B-A -7.77 -15.20 7.48 B-A -7.77 -15.20 7.16 A-B -7.77 -14.95 7.3715.42 0.207 18A-B -7.77 -14.96 7.1913.9 0.211 B-A -7.77 -15.67 8.05 B-A -7.77 -15.66 6.717 A-B -7.77 -14.91 7.1514.66 0.215 19A-B -7.77 -14.82 7.2814.8 0.212 B-A -7.77 -14.87 7.51 B-A -7.77 -15.52 7.528 A-B -7.77 -14.96 7.8814.94 0.201 20A-B -7.77 -15.08 7.4314.8 0.213 B-A -7.77 -14.48 7.06 B-A -7.77 -15.26 7.379 A-B -7.77 -15.05 7.1514.73 0.212 21A-B -7.77 -14.94 7.4115.42 0.212 B-A -7.77 -15.29 7.58 B-A -7.77 -16.02 8.0110 A-B -7.77 -15.20 7.4314.80 0.223 22A-B -7.77 -15.12 7.1314.66 0.221 B-A -7.77 -15.14 7.37 B-A -7.77 -15.08 7.5311 A-B -7.77 -15.18 7.4115.42 0.221 23A-B -7.77 -14.86 7.0914.94 0.212 B-A -7.77 -15.78 8.01 B-A -7.77 -15.62 7.8512 A-B -7.77 -14.90 7.1314.66 0.210 24A-B -7.77 -14.75 6.9814.73 0.211 B-A -7.77 -15.30 7.53 B-A -7.77 -15.52 7.75施工单位EPC总承包商监理单位测试人:技术(质量)员:技术负责人:年月日技术负责人:年月日监理工程师:年月日信07 固原压气站至西吉清管站中继段光纤线路衰减测试记录单位工程名称:第一标段通信工程工程编号:ZG05-01分部工程名称线路通信工程工程部位AE080+206m~AF122+860m中继段长70.43km 光源FOT-20A仪表FLS-130A波长1550nm湿度20%指标α≤0.23光纤P入P出αα平均光纤P入P出αα平均dB dB/km dB dB/km25 A-B -7.77 -14.90 7.1214.66 0.215 37A-B / / // / B-A -7.77 -15.58 7.54 B-A / / /26 A-B -7.77 -15.08 7.2314.66 0.212 38A-B / / // / B-A -7.77 -15.19 7.43 B-A / / /27 A-B -7.77 -15.11 7.1915.08 0.216 39A-B / / // / B-A -7.77 -15.44 7.89 B-A / / /28 A-B -7.77 -14.90 7.0514.8 0.211 40A-B / / // / B-A -7.77 -15.30 7.75 B-A / / /29 A-B -7.77 -15.16 7.3114.8 0.211 41A-B / / // / B-A -7.77 -15.04 7.49 B-A / / /30 A-B -7.77 -15.12 7.1715.42 0.217 42A-B / / // / B-A -7.77 -15.50 8.25 B-A / / /31 A-B -7.77 -14.94 7.3514.66 0.213 43A-B / / // / B-A -7.77 -15.40 7.31 B-A / / /32 A-B -7.77 -15.09 7.0914.94 0.213 44A-B / / // / B-A -7.77 -15.25 7.85 B-A / / /33 A-B -7.77 -15.14 6.9814.73 0.222 45A-B / / // / B-A -7.77 -15.82 7.75 B-A / / /34 A-B -7.77 -14.92 7.1514.66 0.211 46A-B / / // / B-A -7.77 -15.28 7.51 B-A / / /35 A-B -7.77 -15.65 7.8814.94 0.215 47A-B / / // / B-A -7.77 -14.83 7.06 B-A / / /36 A-B -7.77 -14.92 7.1514.73 0.212 48A-B / / // / B-A -7.77 -15.35 7.58 B-A / / /施工单位EPC总承包商监理单位测试人:技术(质量)员:技术负责人:年月日技术负责人:年月日监理工程师:年月日。