型钢悬挑卸料平台计算书
- 格式:doc
- 大小:192.50 KB
- 文档页数:10
型钢悬挑卸料平台计算书计算依据:1、《建筑施工高处作业安全技术规范》JGJ80-20162、《钢结构设计标准》GB50017-20173、《建筑结构可靠性设计统一标准》GB50068-2018一、构造参数二、荷载参数主梁自重G k3(kN/m) 0.172 栏杆、挡脚板类型栏杆、冲压钢脚手板挡板栏杆、挡脚板自重G k4(kN/m) 0.15 安全网设置设置密目安全网安全网自重G k5(kN/m) 0.01 施工活荷载Q k1(kN/m2) 2堆放荷载Pk(kN) 5 堆放荷载作用面积S(m2) 2施工活荷载动力系数 1.3三、设计简图型钢悬挑式_卸料平台平面布置图型钢悬挑式_卸料平台侧立面图节点一四、面板验算面板类型冲压钢脚手板面板厚度t(mm) 10 截面抵抗矩W(cm3) 16.67 抗弯强度设计值[f](N/mm2) 205 面板受力简图如下:计算简图取单位宽度1m进行验算q=γ0[1.3×G k1×1+1×1.5×(1.3×Q k1+P k/S)×1]=1.1×[1.3×0.39×1+1×1.5×(1.3×2+5/2)×1]=8.973kN/mq静=1.1×1.3×G k1×1=1.1×1.3×0.39×1=0.558kN/mq活=1.1×1×1.5×(1.3×Q k1+P k/S)×1=1.1×1×1.5×(1.3×2+5/2)×1=8.415kN/m抗弯验算:M max=0.1×q静×s2+0.117×q活×s2=0.1×0.558×0.82+0.117×8.415×0.82=0.666kN·mσ=M max/ W=0.666×106/(16.67×103)=39.942N/mm2<[f]=205N/mm2面板强度满足要求!五、次梁验算次梁类型槽钢次梁型钢型号12.6号槽钢截面惯性矩I x(cm4) 391.47 截面抵抗矩W x (cm3) 62.14抗弯强度设计值[f](N/mm2) 205 弹性模量E(N/mm2) 206000 次梁内力按以两侧主梁为支承点的简支梁计算:承载能力极限状态:q1=γ0[(1.3×G k1+1×1.5×1.3×Q k1)×s+1.3×G k2]=1.1×[(1.3×0.39+1×1.5×1.3×2)×0.8+1.3×0.1237]=4.055kN/m p1=1.1×1×1.5×P k=1.1×1×1.5×5=8.25kN正常使用极限状态:q2=(G k1+Q k1)×s+G k2=(0.39+2)×0.8+0.1237=2.036kN/mp2=P k=5kN1、抗弯强度计算简图M max=q1(L12/8-m2/2)+p1×L1/4=4.055×(22/8-02/2)+8.25×2/4=6.153kN.mσ=M max/(γx W X)=6.153×106/(1.05×62.14×103)=94.296N/mm2<[f]=205N/mm2次梁强度满足要求!2、挠度验算计算简图νmax=q2L14/(384EI x)(5-24(m/L1)2)+p2L13/(48EI x)=2.036×20004/(384×206000×391.47×104 )×(5-24(0/2)2)+5×20003/(48×206000×391.47×104)=0.527mm<[ν]=L1/250=2000/250=8m m次梁挠度满足要求!3、支座反力计算承载能力极限状态:R1=q1×B/2=4.055×2/2=4.055kN正常使用极限状态:R2=q2×B/2=2.036×2/2=2.036kN六、主梁验算根据《建筑施工高处作业安全技术规范》(JGJ80-2016),主梁内力按照外侧钢丝绳吊点和建筑物上支承点为支座的悬臂简支梁计算(不考虑内侧钢丝绳支点作用):承载能力极限状态:外悬挑段:q1=γ0γG×(G k3+G k4+G k5)=1.1×1.3×(0.172+0.150+0.010)=0.475kN/mp1=γ0γLγQ×P k/2=1.1×1×1.5×5/2=4.125kNR1=4.055kN内锚固段:q=γ0γG×G k3=1.1×1.3×0.172=0.246kN/m正常使用极限状态:外悬挑段:q2=G k3+G k4+G k5=0.172+0.150+0.010=0.332kN/mp2=P k/2=2.5kN2内锚固段:q'=G k3=0.172kN/m1、强度验算计算简图弯矩图(kN·m)剪力图(kN)M max=8.483kN·mN=R外/tanα=R外/(h1/s1)= 10.681/(3.000/3.400)=12.105kNσ=M max/(γx W X)+N/A=8.483×106/(1.05×108.300×103)+12.105×103/(21.95×102)=80.115 N/mm2<[f]=205.000 N/mm2主梁强度满足要求!2、挠度验算计算简图变形图(mm)νmax=2.738mm<[ν]=(a1+c)/250.00=(3400.00+200)/250.00=14.400mm主梁挠度满足要求!3、支座反力计算剪力图(kN)设计值:R外=10.681kN剪力图(kN)标准值:R'外=5.734kN如果外侧钢丝绳出现断裂,要求内侧钢丝绳能独立承担支撑作用,由于平台的受力情况发生了改变,故应重新建立计算模型计算:1、强度验算计算简图弯矩图(kN·m)剪力图(kN)R内=12.379kNM max=6.547kN·mN=R内/tanα=R内/(h2/s2)= 12.379/(2.800/3.000)=13.263kNσ=M max/(γx W X)+N/A=6.547×106/(1.05×108.300×103)+13.263×103/(21.95×102)=63.616 N/mm2<[f]=205.000 N/mm2主梁强度满足要求!2、挠度验算计算简图变形图(mm)νmax=1.686mm<[ν]=(a2+c)/250.000=(3000.00+200)/250.000=12.800mm主梁挠度满足要求!3、支座反力计算剪力图(kN)R内=12.379kN剪力图(kN)标准值:R'内=6.625kN七、钢丝绳验算钢丝绳型号6×37 钢丝绳直径21.5 钢丝绳的钢丝破断拉力F g(kN) 322 抗拉强度为(N/mm2) 1850 不均匀系数α0.82 安全系数K 10花篮螺栓外侧钢丝绳与主梁夹角α=arctan(h1/s1)=41.424°sinα=sin41.424°=0.662内侧钢丝绳与主梁夹角β=arctan(h2/s2)=43.025°sinβ=sin43.025°=0.682标准值:T'=Max[R'外/sinα,R'内/sinβ]=Max[5.734/0.662,6.625/0.682]=9.710kN 设计值:T=Max[R外/sinα,R内/sinβ]=Max[10.681/0.662,12.379/0.682]=18.142kN 由于脚手架所使用的钢丝绳应采用荷载标准值按容许应力法进行设计计算[Fg]=aF g/K=0.820×322.000/10.000=26.404kN>T'=9.710kN钢丝绳强度满足要求!八、拉环验算拉环直径d(mm) 20 抗拉强度(N/mm2) 65节点二σ=T/(2A)=18.142×103/[2×3.14×(20/2)2]=28.889 N/mm2 < [f]= 65N/mm2拉环强度满足要求!九、焊缝验算钢丝绳下节点拉环焊缝厚度he(mm) 6 钢丝绳下节点拉环焊缝长度lw(mm) 120 角焊缝强度设计值f f w(N/mm2) 160节点三σf=T/(h e×l w)=18.142×103/(6.000×120.000)=25.197N/mm2<f f w=160N/mm2 拉环焊缝强度满足要求!。
A.1.1型钢悬挑卸料平台计算书一、参数信息1.荷载参数脚手板类别:木脚手板,脚手板自重(kN/m2):0.35;栏杆、挡板类别:木脚手板挡板,栏杆、挡板脚手板自重(kN/m):0.14;施工人员等活荷载(kN/m2):2.00,最大堆放材料荷载(kN):10.00。
2.悬挑参数内侧钢绳与墙的距离(m):1.00,外侧钢绳与内侧钢绳之间的距离(m):1.20;上部拉绳点与悬挑梁墙支点的距离(m):3.00;钢丝绳安全系数K:10.00,悬挑梁与墙的节点按铰支计算;只对外侧钢绳进行计算;内侧钢绳只是起到保险作用,不进行计算。
3.水平支撑梁主梁材料类型及型号:16a号槽钢槽口水平[ ;次梁材料类型及型号:14a号槽钢槽口水平[;次梁水平间距ld(m):0.50,建筑物与次梁的最大允许距离le(m):1.20。
4.卸料平台参数水平钢梁(主梁)的悬挑长度(m):3.50,水平钢梁(主梁)的锚固长度(m):1.50, 次梁悬臂Mc(m):0.00;平台计算宽度(m):2.00。
二、次梁的验算次梁选择 14a号槽钢槽口水平[ ,间距0.5m,其截面特性为:面积 A=18.51cm2;惯性距 I x=563.7cm4;转动惯量 W x=80.5cm3;回转半径 i x=5.52cm;截面尺寸:b=58mm,h=140mm,t=9.5mm。
1.荷载计算(1)、脚手板的自重标准值:本例采用木脚手板,标准值为0.35kN/m2;Q1=0.35× 0.50= 0.18kN/m;(2)、型钢自重标准值:本例采用14a号槽钢槽口水平[,标准值为0.14 kN/mQ2=0.14 kN/m(3)、活荷载计算1)施工荷载标准值:取2.00 kN/m2Q3=2.00 kN/m22)最大堆放材料荷载P:10.00kN荷载组合Q=1.2×(0.18+0.14)+1.4×2.00×0.50=1.78kN/mP=1.4×10.00=14.00kN2.内力验算内力按照集中荷载P与均布荷载q作用下的简支梁计算,计算简图如下:最大弯矩M的计算公式(规范JGJ80-91,P31)为:M max = ql2/8(1 - m2/l2)2 + pl/4经计算得出: M max = (1.78×2.002/8)×(1-(0.002/2.002))2+14.00×2.00/4=7.89kN·m。
目录一、工程概况 (2)二、型钢悬挑卸料平台材料选择 (2)三、型钢悬挑卸料平台搭设安全技术措施 (2)四、卸料平台安装流程及要求 (4)五、悬挑卸料平台的计算 (5)六、操作平台安全要求 (12)一、铂金湾御苑2#、3#楼工程概况;二、型钢悬挑卸料平台材料选择1、主梁槽钢采用18a号工字钢,次梁采用16a号槽钢。
钢材强度等级不低于Q235,其质量应符合现行国家标准《碳素钢结构》(GB/T 700)和《低合金高强度结构钢》GB/T 1591的规定。
2、预埋螺栓的直径为18mm。
三、型钢悬挑卸料平台搭设安全技术措施悬挑钢梁的构造应符合下列要求:1.主钢梁固定端应设置两道及以上锚固件,其相邻间距不小于200mm,锚固件距悬挑钢梁固定端末端为200mm,2.锚固位置设置在楼板上时,楼板厚度不宜小于120mm。
如果楼板的厚度小于120mm时,应采取加固措施。
3.主钢梁和次钢梁四周表面刷黄黑(宽度200mm)相间警戒色。
用于锚固主钢梁的U型钢筋拉环或锚固螺栓的构造应符合下列规定:4.应采用冷弯成型。
5.与主钢梁之间的间隙应用钢楔或硬木楔楔紧。
6.应预埋至混凝土梁板底层钢筋位置,并应与混凝土梁板底层钢筋焊接或绑扎牢固,其锚固长度应符合现行国家标准《混凝土结构设计规范》GB50010中钢筋锚固的规定。
7.当型钢悬挑梁与建筑结构采用螺栓钢压板连接固定时,钢压板尺寸应不小于100mm×10mm(宽度×厚度);当采用螺栓双螺母角钢压板连接时,角钢规格不应小于60mm×60mm×6mm。
8.螺栓应设置双螺母。
螺杆露出螺母应不少于3扣和10mm。
每根主钢梁外端宜设置钢丝蝇或钢拉杆与上一层建筑结构斜拉结,其构造应符合下列规定:1.斜拉杆或钢丝绳,构造上宜两边各设前后两道,两道中的每一道均作单道受力计算。
2.钢丝绳直径应经计算确定,其两端与建筑物预埋吊环、卸料平台拉安全卡。
3.钢丝绳夹压板应在钢丝绳受力绳一边,绳夹间距不应小于钢丝绳直径的6倍。
悬挑卸料平台设计计算计算参数设定1.基本参数卸料平台宽度(悬挑长度4.00m,长度3.5m楼层3m悬挑主梁采用2根【16a】槽钢,次梁采用【12.6槽钢;间距800mm,施工堆载,活荷载1.70KN/M²(平台总载重约2吨)平台上满铺3mm厚花纹钢板,采用钢丝绳卸荷,侧吊点设在主梁最外端,内侧吊点设在据建筑物结构2.5m处,钢材抗拉和抗弯强度设计值f=215.00N/mm²,抗剪设计强度f v=120.00N/mm²,钢材屈服强度点f r=235n/mm²,弹性模量E=206000N/mm²2.荷载标准值永久荷载标准值脚手板采用3mm厚花纹钢板,自重标准值0.30KN/m²施工均布活荷载标准值施工堆荷:活荷载1.70KN/m²3.次梁验算次梁采用【12.6槽钢:H=126mm b=53mm t=900mm t w=5.5mm W=61700mm³I X=3885000mm4s=36400mm³次梁按单跨简支梁计算跨度L=3.50m4.荷载计算次梁自重G1k=0.12KN/m 脚手板自重G2k=0.30*0.8=0.24KN/m*施工活荷载Q K=施工堆载活荷载*次梁间距=1.70*0.8=1.36KN/m,作用于次梁上的线荷载标准值永久荷载q1=1.2G k=1.2*(0.12+0.24)=0.43KN/m施工活荷载q2=1.4Q k=1.4*1.36=1.90KN/mQ=q1+q2=0.43+1.9=2.33KN/m 集中荷载p=1.50KN5.抗弯强度验算Y X=1.05 M MAX=ql²/8+pl/4=2.33*3.5²/8+1.5*3.50/4=4.88kn m=4880000NmmÓ =Mmax/Y x W=4880000/(1.05*61700)=75.33n/mm²次梁抗弯强度Ó =75.33N/mm²<【t】=215.00N/mm²满足要求6.抗剪强度验算V max=ql/2+p/2=2.33*3.50/2+1.50/2=4.83KN=4828NT=V MAX S/I X T W=4828*36400/(5.5*3885000)=8.22N/mm²次梁抗剪强度τ=8.22/mm²<【f v】=120.00N/mm²满足要求7.整体稳定性验算L1=3.5m t=9.0mmb=(570bt/L1h)*(235/f y)=570*53*9.0*235/(3500*126*235)=0.62>0.6 b=1.07-(0.282/b)=1.07-(0.282/0.62)=0.62f=M max/(bw)=4.88*106/(0.62*61700)=127.57N/mm²次梁整体稳定性f=127.57N/mm²<【t】=215.00N/mm8.挠度验算V=59L4/(384EI X)=5*2.33*35004/(384*206000*3885000)=5.69mmU p=pl³/(48EI X)=1.5*1000*3500³/(48*206000*3885000)=1.67mm U max=U q+U p=5.69+1.67=7.36mm。
型钢悬挑卸料平台计算书一、计算参数1、主悬挑梁截面特征:型钢截面类型:槽钢;型钢型号:16a号槽钢;截面放置方向:槽口水平;单位重量q g(kN/m):0.169;截面尺寸b( mm): 63;截面尺寸t( mm): 10;截面尺寸h ( mm): 160;截面积A( cm2): 21.95;抵抗矩Wx( cm3): 108.3;惯性矩Ix( cm4): 866.2;回转半径ix(cm): 6.28;钢材的屈服点f y : 235;抗弯、抗压容许应力[q](N/mm2) : 215;弹性模量E(N/mm2) : 206000;2、水平次梁截面特征:型钢截面类型:槽钢;型钢型号:16a号槽钢;截面放置方向:槽口坚向;单位重量q g (kN/m) : 0.169;截面尺寸b (mm): 63;截面尺寸t (mm): 10;截面尺寸h (mm): 160;截面积 A (cm2): 21.95;回转半径iy x (cm) : 1.83;抵抗矩Wy (cm3): 16.3;惯性矩Iy (cm4): 73.3;钢材的屈服点f y:235;抗弯、抗压容许应力[q](N/mm2):215;2弹性模量E(N/mm ): 206000;2、卸料平台构造参数主梁悬挑长度L a(m): 1.8;主梁锚固长度L b( m):0.2;平台计算宽度L c(m):2;次梁间距a1 ( mm): 250;锚固类型:铰支;次梁与建筑物的最大允许距离a2 (mm):200;内侧钢丝绳与建筑物间距h a (m): 1.2;外侧钢丝绳与内侧钢丝绳间距h b(m):0.4;钢丝绳上部锚固点与型钢墙支点间距h c (m):3;3、何载参数脚手板自重q (kN/m2): 0.3;施工均布荷载q s (kN/m2): 2;栏杆、挡脚板自重q d (kN/m):0.11;设计材料堆放承载力q f (kN/m2):10;4、其他参数钢丝绳安全系数k:6;主悬挑梁型钢截面塑性发展系数Y : 1.05;水平次梁型钢截面塑性发展系数Y:1.05;荷载分项系数(查GB50009-2001第8页):丫G : 1.2;可变荷载丫Q: 1.4;二、卸料平台验算1、水平次梁验算水平次梁支撑平台脚手板上的堆料荷载和施工荷载,搁置在两根主悬挑梁之间,按照均布荷载加集中荷载作用下的简支梁计算弯矩、强度和稳定性。
悬挑卸料平台计算书计算依据《建筑施工安全检查标准》(JGJ59-99)和《钢结构设计规范》(GB50017-2003)。
悬挂式卸料平台的计算参照连续梁的计算进行。
由于卸料平台的悬挑长度和所受荷载都很大,因此必须严格地进行设计和验算。
一、参数信息1.卸料平台参数平台水平钢梁(主梁)的悬挑长度:3.00m,悬挑水平钢梁间距(平台宽度):2.50m。
水平钢梁(主梁)的锚固长度:1.00m。
2.水平支撑梁次梁采用12.6号槽钢槽口水平,主梁采用20b号工字钢,次梁间距1.00m。
3.荷载参数面板材料类别:木脚手板,脚手板自重:0.35kN/m2;栏杆、挡板类别:五层胶合板,,栏杆、挡板脚手板自重:0.30kN/m;容许承载力均布荷载2.00kN/m2,最大堆放材料荷载10.00kN;4.悬挑参数内侧钢绳与墙的距离:2.50m,外侧钢绳与内侧钢绳之间的距离:0.50m;上部拉绳点与悬挑梁墙支点的距离:5.10m;钢丝绳安全系数K:8.00,悬挑梁与墙的接点按铰支计算;只对外侧钢绳进行计算;内侧钢绳只是起到保险作用,不进行计算。
悬挑卸料平台立面图悬挑卸料平台平面图二、次梁的计算次梁选择12.6号槽钢槽口水平,间距1.00m,其截面特性为面积A=15.69cm2,惯性距Ix=391.47cm4,转动惯量Wx=62.14cm3,回转半径ix=1.57cm截面尺寸 b=53.0mm,h=126.0mm,t=9.0mm1.荷载计算(1)面板自重标准值:标准值为0.35kN/m2;Q1 = 0.35×1.00=0.35kN/m(2)最大容许承载力均布荷载为2.00kN/m2;Q2 = 2.00×1.00=2.00kN/m(3)槽钢自重荷载 Q3=0.12kN/m经计算得到,静荷载计算值 q = 1.2×(Q1+Q2+Q3) = 1.2×(0.35+2.00+0.12) = 2.97kN/m考虑施工材料器具堆放的实际情况,将堆放荷载转化为线性荷载,经计算得到,活荷载计算值 P = 1.4×10.00×1.00/3.00=4.67kN2.内力计算内力按照集中荷载P与均布荷载q作用下的简支梁计算,计算简图如下最大弯矩M的计算公式为经计算得到,最大弯矩计算值 M = 2.97×2.502/8×[1-4×(0.30/2.50)2]+4.67×2.50/4=5.10kN.m3.抗弯强度计算其中γx——截面塑性发展系数,取1.05;[f] ——钢材抗压强度设计值,[f] = 205.00N/mm2;经过计算得到强度σ=5.10×106/(1.05×62137.00)=78.17N/mm2;次梁槽钢的抗弯强度计算σ < [f],满足要求!4.整体稳定性计算其中Фb——均匀弯曲的受弯构件整体稳定系数,按照下式计算:经过计算得到Фb=570×9.0×53.0×235/(2500.0×126.0×235.0)=0.86由于Фb大于0.6,按照《钢结构设计规范》(GB50017-2003)附录B其值用Фb查表得到其值为0.743经过计算得到强度σ=5.10×106/(0.743×62137.00)=110.42N/mm2;次梁槽钢的稳定性计算σ < [f],满足要求!三、主梁的计算卸料平台的内钢绳按照《建筑施工安全检查标准》作为安全储备不参与内力的计算。
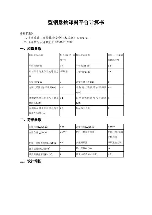
型钢悬挑卸料平台计算书计算依据:1、《建筑施工高处作业安全技术规范》JGJ80-912、《钢结构设计规范》GB50017-2003一、构造参数卸料平台名称办公楼5层1卸料平台卸料平台类型类型一:主梁垂直建筑外墙平台长度A(m) 5.4 平台宽度B(m) 2.5卸料平台与主体结构连接方式U形钢筋主梁间距L1(m) 2.5次梁间距s(m) 1 次梁外伸长度m(m) 0 内侧次梁离墙水平距离a(m) 2.4 外侧钢丝绳离墙水平距离a1(m)5.1外侧钢丝绳拉绳点与平台垂直距离h1(m) 5.3 内侧钢丝绳离墙水平距离a2(m)4内侧钢丝绳上部拉绳点与平台垂直距离h2(m)5.3 钢丝绳夹个数 5二、荷载参数面板自重G k1(kN/m2) 0.39 次梁自重G k2(kN/m) 0.1689主梁自重G k3(kN/m) 0.1977 栏杆、挡脚板类型栏杆、冲压钢脚手板挡板栏杆、挡脚板自重G k4(kN/m) 0.3 安全网设置不设置安全网施工活荷载Q k1(kN/m2) 2 堆放荷载Pk(kN) 15堆放荷载作用面积S(m2) 6 施工活荷载动力系数 1.3三、设计简图型钢悬挑式_卸料平台平面布置图型钢悬挑式_卸料平台侧立面图节点一四、面板验算模板类型冲压钢脚手板模板厚度t(mm) 5截面抵抗矩W(cm3) 4.17 抗弯强度设计值[f](N/mm2) 205 面板受力简图如下:计算简图(kN)取单位宽度1m进行验算q=1.2×Gk1×1+1.4×(1.3×QK1+Pk/S)×1=1.2×0.39×1+1.4×(1.3×2+15/6)×1=7.608kN/m抗弯验算:Mmax=0.100×q×s2=0.100×7.608×12=0.761kN·mσ=Mmax/ W=0.761×106/(4.17×103)=182.446N/mm2<[f]=205N/mm2 面板强度满足要求!五、次梁验算次梁类型槽钢次梁型钢型号16a号槽钢截面惯性矩I x(cm4) 866.2 截面抵抗矩W x (cm3) 108.3 抗弯强度设计值[f](N/mm2) 205 弹性模量E(N/mm2) 206000次梁内力按以两侧主梁为支承点的简支梁计算:承载能力极限状态:q1=(1.2×Gk1+1.4×1.3 ×Qk1)×s+1.2×Gk2=(1.2×0.39+1.4×1.3×2)×1+1.2×0.1689=4.311kN/mp1=1.4×Pk=1.4×15=21kN正常使用极限状态:q2=(Gk1+Qk1)×s+Gk2=(0.39+2)×1+0.1689=2.559kN/mp2=Pk=15kN1、抗弯强度计算简图(kN)Mmax =q1(L12/8-m2/2)+p1×L1/4=4.311(2.52/8-02/2)+21×2.5/4=16.493kN.mσ=Mmax /(γxWX)=16.493×106/(1.05×108.3×103)=145.035N/mm2<[f]=205N/mm2次梁强度满足要求!2、挠度验算计算简图(kN)νmax =q2L14/(384EIx)(5-24(m/L1)2)+p2L13/(48EIx)=2.559×25004/(384×206000×866.2×104)×(5-24(0/2.5)2)+15×25003/(48×206000×866.2×104)=0.732mm<[ν]=L1/250=2500/250=10mm 次梁挠度满足要求!3、支座反力计算承载能力极限状态:R1=q1×B/2=4.311×2.5/2=5.388kN正常使用极限状态:R2=q2×B/2=2.559×2.5/2=3.199kN六、主梁验算主梁类型槽钢主梁型钢型号18a号槽钢截面面积A(cm2) 25.69 截面回转半径i x(cm) 7.04截面惯性矩I x(cm4) 1272.7 截面抵抗矩W x (cm3) 141.4抗弯强度设计值[f](N/mm2) 205 弹性模量E(N/mm2) 206000 根据《建筑施工高处高处作业安全技术规范》(JGJ80-91),主梁内力按照外侧钢丝绳吊点和建筑物上支承点为支座的悬臂简支梁计算(不考虑内侧钢丝绳支点作用):承载能力极限状态:q1=1.2×(Gk3+Gk4)=1.2×(0.198+0.300)=0.597kN/mp1=1.4×Pk/2=1.4×15/2=10.5kNR1=5.388kN正常使用极限状态:q1=Gk3+Gk4=0.198+0.300=0.498kN/mp2=Pk/2=7.5kNR2=3.199kN1、强度验算计算简图(kN)弯矩图(kN·m)剪力图(kN) R左=19.322KNMmax=24.604kN·mN=R左/tanα=R左/(h1/a1)= 19.322/(5.300/5.100)=18.593kNσ=Mmax /(γxWX)+N/A=24.604×106/(1.05×141.400×103)+18.593×103/25.69×102=172.955 N/mm2<[f]=205.000 N/mm2主梁强度满足要求!2、挠度验算计算简图(kN)变形图(kN·m)νmax =15.170mm<[ν]=a1/250=5100.00/250=20.400mm主梁挠度满足要求!3、支座反力计算剪力图(kN)R左=19.322KN七、钢丝绳验算钢丝绳型号6×19 钢丝绳直径21.5钢丝绳的钢丝破断拉力F g(kN) 298 抗拉强度为(N/mm2) 1700不均匀系数α0.85 安全系数K 9花篮螺栓T 外=R 左/sin α=19.322/0.721=26.814kN[Fg]=aF g /K=0.850×298.000/9.000=28.144kN>T 外=26.814kN 钢丝绳强度满足要求!八、拉环验算拉环直径d(mm)20抗拉强度(N/mm 2)65节点二σ=T外/(2A)=26.814×103/[2×3.14×(20/2)2]=42.698 N/mm2 < [f]= 65N/mm2 拉环强度满足要求!九、焊缝验算钢丝绳下节点拉环焊缝厚度he(mm) 8 钢丝绳下节点拉环焊缝长度lw(mm)180节点三σf =T外/(he×lw)=26.814×103/(2×8.000×180.000)=9.311N/mm2<ffw=160N/mm2拉环焊缝强度满足要求!。
悬挑卸料平台计算书一、基本参数平台水平钢梁(主梁)的悬挑长度 L = 4.5 m悬挑水平钢梁间距(平台宽度) B = 3 m主梁采用 20a号热轧槽钢槽口侧向次梁间距 a = 0.85 m次梁采用 16a号热轧槽钢槽口侧向支撑形式吊绳支撑外侧支撑点距墙固支点距离 L1 = 3.6 m支杆(吊绳)墙上支点距挑梁的垂直距离 L2 = 5.3 m墙支点连接方式铰接钢丝绳破断拉力 Fg = 358 kN钢丝绳之间荷载不均匀系数α = 0.85吊环的中心圆半径 R0 =30 mm吊环截面圆的直径 d = 25 mm栏杆,挡板类别木脚手板挡板材料堆放荷载 Pmax = 4 kN二、次梁计算次梁按照受均布荷载的简支梁计算1、荷载计算脚手板的自重荷载 Q1 = 0.35×0.85 = 0.3 kN/m次梁自重荷载 Q2 = 0.169 kN/m活荷载 Q3 = 1.5×0.85 = 1.27 kN/m施工均布荷载 q = 1.2×(0.3+0.169)+1.4×1.27 = 2.34 kN/m 2、抗弯强度计算(1) 最大弯矩其中:q 施工均布荷载 q=2.34 kN/mP 材料堆放荷载 P = 4 kNl 悬挑水平钢梁间距(平台宽度) l = 3 m计算得到: M = 2.34×3^2÷8+4×3÷4 = 5.63 kN.m(2) 抗弯强度其中: W 截面抵抗矩 W = 108 cm3γ截面塑性发展系数γ = 1.05M 最大弯矩 M = 5.63 kN.m经过计算: σ = (5.63×1000000)÷(1.05×108×1000) = 49.65 N/mm2 抗弯强度设计值 [f] = 205 N/mm2抗弯强度不大于钢材抗压强度设计值,满足要求3、整体稳定性计算其中: W 截面抵抗矩 W = 108 cm3M 最大弯矩 M = 5.63 kN.mφb 整体稳定系数φb = 0.78经过计算: σ = 5.63×1000000÷(0.78×108×1000) = 66.83 N/mm2 抗压强度设计值 [f] = 205 N/mm2整体稳定性不大于于钢材抗压强度设计值,满足要求三、主梁计算1、荷载计算脚手板的自重荷载 Q1 = 0.35×3 = 0.52 kN/m次梁自重荷载 Q2 = 0.169×3×7÷(4.5×2) = 0.39 kN/m活荷载 Q3 = 3×1.5 = 2.25 kN/m栏杆自重荷载:Q4 = 0.14 kN/m主梁自重荷载:Q5 = 0.222 kN/m施工均布荷载 q = 1.2×(0.52+0.39+0.14+0.222)+1.4×2.25 = 4.68 kN/m 2、力计算卸料平台的主梁按照均布荷载和集中荷载作用下的连续梁计算(1) 挑梁支点最大支座力其中: l 支撑点距墙固支点距离 l = 3.6 mq 施工均布荷载 q = 4.68 kN/mP 材料堆放荷载 P = 4 kNa 悬挑梁支点外部悬挑长度 a = 0.9 m经过计算: R1 = 4.68×3.6×(1+0.9÷3.6)^2÷2+4×(1+0.9÷3.6) = 18.16 kN(2) 挑梁墙支点最大支座力其中: l 支撑点距墙固支点距离 l = 3.6 mq 施工均布荷载 q = 4.68 kN/mP 材料堆放荷载 P = 4 kNa 悬挑梁支点外部悬挑长度 a = 0.9 m经过计算: R2 = 4.68×3.6×(1+0.9^2÷3.6^2)÷2+4×0.9÷3.6 = 9.95 kN(3) 挑梁最大弯矩其中: l 支撑点距墙固支点距离 l = 3.6 mq 施工均布荷载 q = 4.68 kN/mP 材料堆放荷载 P = 4 kNb 集中荷载距墙固支点的距离 b = 3.6 ma 悬挑梁支点外部悬挑长度 a = 0.9 m取 M = 5.5 kN.m(4) 悬挑梁轴向力其中: α支杆(拉绳)与悬挑梁的角度α = 55.81度R1 挑梁支点最大支座力 R1 = 18.16 kN经过计算: N = 18.16÷tg(55.81) = 12.34 kN(5) 支杆轴向力(拉绳拉力)其中: α支杆(拉绳)与悬挑梁的角度α = 55.81度R1 挑梁支点最大支座力 R1 = 18.16 kN经过计算: N = 18.16÷sin(55.81) = 21.95 kN3、抗弯强度计算其中:γ截面塑性发展系数;γ = 1.05W 截面抵抗矩 W = 178 cm3A 挑梁截面面积 A = 28.837 cm2M 挑梁最大弯矩 M = 5.5 kN.mN 悬挑梁轴向力 N = 12.34 kNσ= (5.5×1000000)÷(1.05×178×1000)+(12.34×1000)÷(28.837×100) =33.71 N/mm2抗弯强度不大于钢材抗压强度设计值 205 N/mm2,满足要求4、整体稳定性计算其中: W 截面抵抗矩 W = 178 cm3M 最大弯矩 M = 5.5 kN.mφb 整体稳定系数φb = 0.78经过计算: σ = 5.5×1000000÷(0.78×178×1000) = 39.61 N/mm2整体稳定性不大于钢材抗压强度设计值 205 N/mm2,满足要求四、拉绳计算1、钢丝绳容许拉力计算其中: Fg 钢丝绳破断拉力 Fg = 358 kNα钢丝绳之间荷载不均匀系数α = 0.85K 钢丝绳使用安全系数 K = 10经过计算: [Fg] = 358×0.85÷10 = 30.43 kN钢丝绳容许拉力钢丝绳所受的最大拉力不大于钢丝绳的容许拉力,满足要求2、圆形吊环计算其中: R0 吊环的中心圆半径 R0 = 30 mmd 圆环截面圆的直径 d = 25 mmP 作用于圆环上的荷截 P =21.95 kN经过计算: σ0 = 3.24×21.95×1000×30÷25^3 = 136.55 N/mm2圆形吊环的应力圆形吊环所受应力不大于容许应力,满足要求。
悬挑卸料平台计算书依据规范:《建筑施工扣件式钢管脚手架安全技术规范》JGJ130-2011《建筑施工模板安全技术规范》JGJ 162-2008《建筑结构荷载规范》GB50009-2012《钢结构设计规范》GB50017-2003《混凝土结构设计规范》GB50010-2010《建筑地基基础设计规范》GB50007-2011《建筑施工安全检查标准》JGJ59-2011《建筑施工木脚手架安全技术规范》JGJ 164-2008计算参数:悬挂式卸料平台的计算参照连续梁的计算进行。
由于卸料平台的悬挑长度和所受荷载都很大,因此必须严格地进行设计和验算。
平台水平钢梁的悬挑长度5.00m,插入结构锚固长度4.00m,悬挑水平钢梁间距(平台宽度)2.70m。
水平钢梁插入结构端点部分按照铰接点计算。
次梁采用[20a号槽钢U口水平,主梁采用[20a号槽钢U口水平。
次梁间距0.80m,外伸悬臂长度0.00m。
容许承载力均布荷载2.00kN/m2,最大堆放材料荷载2.00kN。
脚手板采用冲压钢板,脚手板自重荷载取0.30kN/m2。
栏杆采用冲压钢板,栏杆自重荷载取0.16kN/m。
选择6×19+1钢丝绳,钢丝绳公称抗拉强度1400MPa,外侧钢丝绳距离主体结构4.80m,两道钢丝绳距离0.80m,外侧钢丝绳吊点距离平台4.50m。
一、次梁的计算次梁选择[20a号槽钢U口水平,间距0.80m,其截面特性为面积A=28.83cm2,惯性距Ix=1780.40cm4,转动惯量Wx=178.00cm3,回转半径ix=7.86cm截面尺寸 b=73.0mm,h=200.0mm,t=11.0mm1.荷载计算(1)面板自重标准值:标准值为0.30kN/m2;Q1 = 0.30×0.80=0.24kN/m(2)最大容许均布荷载为2.00kN/m2;Q2 = 2.00×0.80=1.60kN/m(3)型钢自重荷载 Q3=0.22kN/m经计算得到:q = 1.2×(Q1+Q3)+1.4×Q2 = 1.2×(0.24+0.22)+1.4×1.60 = 2.79kN/m经计算得到,集中荷载计算值 P = 1.4×2.00=2.80kN2.内力计算内力按照集中荷载P与均布荷载q作用下的简支梁计算,内侧钢丝绳不计算,计算简图如下最大弯矩M的计算公式为经计算得到,最大弯矩计算值 M = 2.79×2.702/8+2.80×2.70/4=4.44kN.m3.抗弯强度计算其中γx——截面塑性发展系数,取1.05;[f] ——钢材抗压强度设计值,[f] = 205.00N/mm2;经过计算得到强度σ=4.44×106/(1.05×178000.00)=23.74N/mm2;次梁的抗弯强度计算σ < [f],满足要求!4.整体稳定性计算[主次梁焊接成整体时此部分可以不计算]其中φb——均匀弯曲的受弯构件整体稳定系数,按照下式计算:经过计算得到φb=570×11.0×73.0×235/(2700.0×200.0×235.0)=0.85由于φb大于0.6,按照《钢结构设计规范》(GB50017-2011)附录其值用φb'查表得到其值为0.726 经过计算得到强度σ=4.44×106/(0.726×178000.00)=34.32N/mm2;次梁的稳定性计算σ< [f],满足要求!二、主梁的计算卸料平台的内钢绳按照《建筑施工安全检查标准》作为安全储备不参与内力的计算。
悬挑卸料平台计算书计算依据《建筑施工安全检查标准》(JGJ59-99)和《钢结构设计规范》(GB50017-2003)。
悬挂式卸料平台的计算参照连续梁的计算进行。
由于卸料平台的悬挑长度和所受荷载都很大,因此必须严格地进行设计和验算。
平台水平钢梁(主梁)的悬挑长度3.50m,悬挑水平钢梁间距(平台宽度)2.00m。
次梁采用[12.6号槽钢U口水平,主梁采用[14b号槽钢U口水平,次梁间距0.80m。
容许承载力均布荷载2.00kN/m2,最大堆放材料荷载10.00kN。
一、次梁的计算次梁选择[12.6号槽钢U口水平槽钢,间距0.80m,其截面特性为面积A=15.69cm2,惯性距Ix=391.50cm4,转动惯量Wx=62.14cm3,回转半径ix=4.95cm截面尺寸 b=53.0mm,h=126.0mm,t=9.0mm1.荷载计算(1)面板自重标准值:标准值为0.30kN/m2;Q1 = 0.30×0.80=0.24kN/m(2)最大容许均布荷载为2.00kN/m2;Q2 = 2.00×0.80=1.60kN/m(3)槽钢自重荷载 Q3=0.12kN/m经计算得到,静荷载计算值 q = 1.2×(Q1+Q2+Q3) = 1.2×(0.24+1.60+0.12) = 2.35kN/m 经计算得到,活荷载计算值 P = 1.4×10.00=14.00kN2.内力计算内力按照集中荷载P与均布荷载q作用下的简支梁计算,计算简图如下最大弯矩M的计算公式为经计算得到,最大弯矩计算值 M = 2.35×2.002/8+14.00×2.00/4=8.18kN.m3.抗弯强度计算其中x——截面塑性发展系数,取1.05;[f] ——钢材抗压强度设计值,[f] = 205.00N/mm2;经过计算得到强度=8.18×106/(1.05×62140.00)=125.32N/mm2;次梁槽钢的抗弯强度计算 < [f],满足要求!4.整体稳定性计算其中b——均匀弯曲的受弯构件整体稳定系数,按照下式计算:经过计算得到b=570×9.0×53.0×235/(2000.0×126.0×235.0)=1.08由于b大于0.6,按照《钢结构设计规范》(GB50017-2003)附录B其值用b'查表得到其值为0.792经过计算得到强度=8.18×106/(0.792×62140.00)=166.17N/mm2;次梁槽钢的稳定性计算 < [f],满足要求!二、主梁的计算卸料平台的内钢绳按照《建筑施工安全检查标准》作为安全储备不参与内力的计算。
悬挑卸料平台计算书依据规范:《建筑施工扣件式钢管脚手架安全技术规范》JGJ130-2011《建筑施工模板安全技术规范》JGJ 162-2008《建筑结构荷载规范》GB50009-2012《钢结构设计规范》GB50017-2003《混凝土结构设计规范》GB50010-2010《建筑地基基础设计规范》GB50007-2011《建筑施工安全检查标准》JGJ59-2011《建筑施工木脚手架安全技术规范》JGJ 164-2008计算参数:悬挂式卸料平台的计算参照连续梁的计算进行。
由于卸料平台的悬挑长度和所受荷载都很大,因此必须严格地进行设计和验算。
平台水平钢梁的悬挑长度 2.50m,插入结构锚固长度0.10m,悬挑水平钢梁间距(平台宽度)3.00m。
水平钢梁插入结构端点部分按照铰接点计算。
次梁采用[10号槽钢U口水平,主梁采用[12.6号槽钢U口水平。
次梁间距1.00m,外伸悬臂长度0.00m。
容许承载力均布荷载2.00kN/m2,最大堆放材料荷载2.00kN。
脚手板采用竹笆片,脚手板自重荷载取0.06kN/m2。
栏杆采用竹笆片,栏杆自重荷载取0.15kN/m。
选择6×37+1钢丝绳,钢丝绳公称抗拉强度1400MPa,外侧钢丝绳距离主体结构1.50m,两道钢丝绳距离0.50m,外侧钢丝绳吊点距离平台5.00m。
一、次梁的计算次梁选择[10号槽钢U口水平,间距1.00m,其截面特性为面积A=12.74cm2,惯性距Ix=198.30cm4,转动惯量Wx=39.70cm3,回转半径ix=3.95cm截面尺寸 b=48.0mm,h=100.0mm,t=8.5mm1.荷载计算(1)面板自重标准值:标准值为0.06kN/m2;Q1= 0.06×1.00=0.06kN/m(2)最大容许均布荷载为2.00kN/m2;Q2= 2.00×1.00=2.00kN/m(3)型钢自重荷载 Q3=0.10kN/m经计算得到:q = 1.2×(Q1+Q3)+1.4×Q2= 1.2×(0.06+0.10)+1.4×2.00 = 2.99kN/m经计算得到,集中荷载计算值P = 1.4×2.00=2.80kN2.内力计算内力按照集中荷载P与均布荷载q作用下的简支梁计算,内侧钢丝绳不计算,计算简图如下最大弯矩M的计算公式为经计算得到,最大弯矩计算值M = 2.99×3.002/8+2.80×3.00/4=5.46kN.m3.抗弯强度计算其中γx——截面塑性发展系数,取1.05;[f] ——钢材抗压强度设计值,[f] = 205.00N/mm2;经过计算得到强度σ=5.46×106/(1.05×39700.00)=131.06N/mm2;次梁的抗弯强度计算σ < [f],满足要求!4.整体稳定性计算[主次梁焊接成整体时此部分可以不计算]其中φb——均匀弯曲的受弯构件整体稳定系数,按照下式计算:经过计算得到φb=570×8.5×48.0×235/(3000.0×100.0×235.0)=0.78由于φb大于0.6,按照《钢结构设计规范》(GB50017-2011)附录其值用φb'查表得到其值为0.699经过计算得到强度σ=5.46×106/(0.699×39700.00)=196.73N/mm2;次梁的稳定性计算σ< [f],满足要求!二、主梁的计算卸料平台的内钢绳按照《建筑施工安全检查标准》作为安全储备不参与内力的计算。
悬挑卸料平台计算书依据规范:《建筑施工扣件式钢管脚手架安全技术规范》JGJ130-2011《建筑施工模板安全技术规范》JGJ 162-2008《建筑结构荷载规范》GB50009-2012《钢结构设计规范》GB50017-2003(平台宽度)2.00m选择6×。
一、次梁的计算次梁选择16号工字钢,间距1.30m,其截面特性为面积A=26.10cm2,惯性距Ix=1130.00cm4,转动惯量Wx=141.00cm3,回转半径ix=6.58cm截面尺寸 b=88.0mm,h=160.0mm,t=9.9mm1.荷载计算(1)面板自重标准值:标准值为0.30kN/m2;Q1 = 0.30×1.30=0.39kN/m(2)最大容许均布荷载为2.00kN/m2;Q2 = 2.00×1.30=2.60kN/m(3)型钢自重荷载 Q3=0.20kN/m经计算得到:q = 1.2×(Q1+Q3)+1.4×Q2 = 1.2×(0.39+0.20)+1.4×2.60 = 4.35kN/m经计算得到,集中荷载计算值 P = 1.4×2.00=2.80kN2.内力计算3.其中γx[f]4.其中φb附录得到:φb=2.00由于φb0.918卸料平台的内钢绳按照《建筑施工安全检查标准》作为安全储备不参与内力的计算。
主梁选择16号工字钢,其截面特性为面积A=26.10cm2,惯性距Ix=1130.00cm4,转动惯量Wx=141.00cm3,回转半径ix=6.58cm截面尺寸 b=88.0mm,h=160.0mm,t=9.9mm1.荷载计算(1)栏杆自重标准值:标准值为0.16kN/mQ1 = 0.16kN/m(2)型钢自重荷载 Q2=0.20kN/m经计算得到,静荷载计算值:q = 1.2×(Q1+Q2) = 1.2×(0.16+0.20) = 0.43kN/m经计算得到,各次梁集中荷载取次梁支座力,分别为P1=((1.2×0.30+1.4×2.00)×0.65×2.00/2+1.2×0.20×2.00/2)=2.30kNP2=((1.2×0.30+1.4×2.00)×1.30×2.00/2+1.2×0.20×2.00/2)=4.35kNP3=((1.2×0.30+1.4×2.00)×1.30×2.00/2+1.2×0.20×2.00/2)+2.80/2=5.75kNP4=((1.2×0.30+1.4×2.00)×1.30×2.00/2+1.2×0.20×2.00/2)=4.35kNP52.3.其中γx[f]4.整体稳定性计算[主次梁焊接成整体时此部分可以不计算]其中φb——均匀弯曲的受弯构件整体稳定系数,查《钢结构设计规范》附录得到:φb=0.95由于φb大于0.6,按照《钢结构设计规范》(GB50017-2011)附录其值用φb'查表得到其值为0.759 经过计算得到强度σ=4.95×106/(0.759×141000.00)=46.27N/mm2;主梁的稳定性计算σ < [f],满足要求!三、钢丝拉绳的内力计算:水平钢梁的轴力R AH和拉钢绳的轴力R Ui按照下面计算其中R Ui cosθi为钢绳的拉力对水平杆产生的轴压力。
悬挑卸料平台计算书依据规范:《建筑施工扣件式钢管脚手架安全技术规范》JGJ130-2011《建筑施工模板安全技术规范》JGJ 162-2008《建筑结构荷载规范》GB50009-2012《钢结构设计规范》GB50017-2003《混凝土结构设计规范》GB50010-2010《建筑地基基础设计规范》GB50007-2011《建筑施工安全检查标准》JGJ59-2011《建筑施工木脚手架安全技术规范》JGJ 164-2008计算参数:悬挂式卸料平台的计算参照连续梁的计算进行。
由于卸料平台的悬挑长度和所受荷载都很大,因此必须严格地进行设计和验算。
平台水平钢梁的悬挑长度5.00m,插入结构锚固长度1.00m,悬挑水平钢梁间距(平台宽度)2.10m。
水平钢梁插入结构端点部分按照铰接点计算。
次梁采用[14a号槽钢U口水平,主梁采用18号工字钢。
次梁间距0.50m,外伸悬臂长度0.00m。
容许承载力均布荷载11.44kN/m2,最大堆放材料荷载11.44kN。
脚手板采用冲压钢板,脚手板自重荷载取0.30kN/m2。
栏杆采用冲压钢板,栏杆自重荷载取0.16kN/m。
选择6×37+1钢丝绳,钢丝绳公称抗拉强度1550MPa,外侧钢丝绳距离主体结构3.80m,两道钢丝绳距离0.50m,外侧钢丝绳吊点距离平台3.00m。
一、次梁的计算次梁选择[14a号槽钢U口水平,间距0.50m,其截面特性为面积A=18.51cm2,惯性距Ix=563.70cm4,转动惯量Wx=80.50cm3,回转半径ix=5.52cm截面尺寸 b=58.0mm,h=140.0mm,t=9.5mm1.荷载计算(1)面板自重标准值:标准值为0.30kN/m2;Q1= 0.30×0.50=0.15kN/m(2)最大容许均布荷载为11.44kN/m2;Q2= 11.44×0.50=5.72kN/m(3)型钢自重荷载 Q3=0.14kN/m经计算得到:q = 1.2×(Q1+Q3)+1.4×Q2= 1.2×(0.15+0.14)+1.4×5.72 = 8.36kN/m经计算得到,集中荷载计算值P = 1.4×11.44=16.02kN2.内力计算内力按照集中荷载P与均布荷载q作用下的简支梁计算,内侧钢丝绳不计算,计算简图如下最大弯矩M的计算公式为经计算得到,最大弯矩计算值M = 8.36×2.102/8+16.02×2.10/4=13.02kN.m3.抗弯强度计算其中γx——截面塑性发展系数,取1.05;[f] ——钢材抗压强度设计值,[f] = 205.00N/mm2;经过计算得到强度σ=13.02×106/(1.05×80500.00)=153.99N/mm2;次梁的抗弯强度计算σ < [f],满足要求!4.整体稳定性计算[主次梁焊接成整体时此部分可以不计算]其中φb——均匀弯曲的受弯构件整体稳定系数,按照下式计算:经过计算得到φb=570×9.5×58.0×235/(2100.0×140.0×235.0)=1.07由于φb大于0.6,按照《钢结构设计规范》(GB50017-2011)附录其值用φb'查表得到其值为0.789 经过计算得到强度σ=13.02×106/(0.789×80500.00)=204.83N/mm2;次梁的稳定性计算σ< [f],满足要求!二、主梁的计算卸料平台的内钢绳按照《建筑施工安全检查标准》作为安全储备不参与内力的计算。
型钢悬挑卸料平台安全计算书
一、计算依据
1、《建筑施工高处作业安全技术规范》JGJ80-91
2、《混凝土结构设计规范》GB50010-2010
3、《建筑结构荷载规范》GB50009-2012
4、《钢结构设计规范》GB50017-2003
5、《建筑施工临时支撑结构技术规范》JGJ300-2013
1、计算参数
2、施工简图
(图1)剖面图
(图2)平面图
二、面板验算
根据规范规定面板可按简支跨计算,取b=1m单位面板宽度为计算单元。
W=bh2/6=1000×502/6=416666.667mm3
I=bh3/12=1000×503/12=10416666.667mm4
1、强度验算
由可变荷载控制的组合:
q=1.2g1k b+1.4Q k b=1.2×0.35×1+1.4×5×1=7.42kN/m
(图3)面板简图
(图4)面板弯矩图
M max=0.232kN·m
σ=M max/W=0.232×106/416666.667=0.556N/mm2≤[f]=15N/mm2 满足要求
2、挠度验算
q k=g1k b+Q k b=0.35×1+5×1=5.35kN/m
(图5)简图
(图6)挠度图
ν=0.036mm≤[ν]=max(1000×0.5/150,10)=10mm
满足要求
三、次楞验算
次楞按两端有悬挑的简支梁计算。
卸料平台的防护自重,对于最外侧次楞而言是线荷载,对于其他次楞为作用于次楞外悬挑处的集中力。
通过综合分析,将次楞悬挑长度做最大限制(小于500mm),认为仅对最外侧次楞的受力状态进行分析即可满足一般施工需求。
防护栏杆取1.5m高计算。
承载能力极限状态荷载统计:
q=1.2(g3k+g1k a+1.5g2k)+1.4Q k a=1.2×(0.167+0.35×0.5+1.5×0.2)+1.4×5×0.5=4.271kN/m
(图7)计算简图
正常使用极限状态荷载统计:
q=g3k+g1k a+1.5g2k+Q k a=0.167+0.35×0.5+1.5×0.2+5×0.5=3.142kN/m
(图8)变形计算简图
1、强度验算
(图9)次楞弯矩图(kN·m)
M max=3.523kN·m
截面塑性发展系数取γ=1.0,这样做偏于安全,且符合卸料平台的受力特性。
σ=M max/(γW)=3.523×106/(1×87.1×103)=40.452N/mm2≤[f]=215N/mm2
满足要求
2、抗剪验算
(图10)次楞剪力图(kN)
V max=5.552kN
τmax=V max S/It w=5.552×103×52.4×103/(609.4×104×8)=5.967N/mm2≤[τ]=125N/mm2 满足要求
3、挠度验算
(图11)次楞变形图(mm)
νmax=1.447mm≤[ν]=max(1000×2.6/150,10)=17.333mm
满足要求
4、支座反力计算
承载能力极限状态下在支座反力:R=6.406kN
正常使用极限状态下在支座反力:R k=4.713kN
5、稳定性验算
梁整体稳定系数:
φb=(570tb/lh)×(235/fy)=570×9.5×60/(2.6×1000×140)×235/235=0.893;
由于φb大于0.6,按照下面公式调整:
φb'=1.07-0.282/φb=1.07-0.282/0.893=0.754
σ=M max/φb W X=3.523×106/(0.754×87.1×103)=53.646N/mm2<[f]=215N/mm2
满足要求
四、主楞验算
根据《建筑施工高处高处作业安全技术规范》(JGJ80-91),主楞内力按照外侧钢丝绳吊点和建筑物上支承点为支座的悬臂简支梁计算(不考虑内侧钢丝绳支点作用):
承载能力极限状态荷载统计:
q=1.2g4k=1.2×0.226=0.272kN/m
P=R=6.406kN
(图12)计算简图
正常使用极限状态荷载统计:
q k=g4k=0.226kN/m
P k=R k=4.713kN
(图13)变形计算简图
1、抗弯验算
(图14)主楞弯矩图(kN·m)
Mmax=18.234kN·m
截面塑性发展系数取γ=1.0,这样做偏于安全,且符合卸料平台的受力特性。
σ=Mmax/(γW)=18.234×106/(1×178×103)=102.439N/mm2≤[f]=215N/mm2 满足要求
2、抗剪验算
(图15)主楞剪力图(kN)
V max=20.609kN
τmax=V max S/It w=20.609×103×104.7×103/(1780.4×104×7)=17.314N/mm2≤[τ]=125N/mm2
满足要求
3、挠度验算
νmax=4.564mm≤[ν]=max(1000×3.5/150,10)=23.333mm
满足要求
4、支座反力计算
承载能力极限状态下在支座反力:R=33.567kN
5、稳定性验算
梁整体稳定系数:
φb=(570tb/lh)×(235/fy)=570×11×73/(2.6×1000×200)×235/235=0.88;
由于φb大于0.6,按照下面公式调整:
φb'=1.07-0.282/φb=1.07-0.282/0.88=0.75
σ=M max/φb W X=18.234×106/(0.75×178×103)=136.655N/mm2<[f]=215N/mm2 满足要求
五、钢丝绳验算
T外=R/sinα=33.567×6.103/5=40.973kN
卸料平台的安全系数取K=10,符合施工实际情况,则:
[Fg]=aF g/K=0.82×500.5/10=41.041kN>T外=40.973kN
满足要求
六、拉环验算
σ=2T外/(πd2)=2×40.973×103/(3.14×252)=41.756N/mm2<[f]=65N/mm2
满足要求
七、焊缝验算
σf=T外/(h e×l w)=40.973×103/(8×150)=34.144N/mm2<f f w=160N/mm2
满足要求。