钢筋符号大全一
- 格式:doc
- 大小:45.00 KB
- 文档页数:2
钢筋符号大全,一级、二级、三级钢筋符号提示:钢重量计算钢材理论重量计算的计量单位为公斤(kg)。
其基本公式为:W(重量,kg)=F(断面积m2)×L(长度,m)×ρ(密度,g/cm3)×1/1000钢的密度为:7.85g/cm3,螺纹钢理论重量计算公式如下:W=0.00617×d2(kg/m)d=断面直径mm,如断面直径为12mm的螺纹钢,每米重量=0.00617×144=0.888kg 每米钢筋重量表Φ6=0.222㎏Φ8=0.395㎏点这免费下载施工技术资料Φ10=0.617㎏Φ12=0.888㎏Φ14=1.21㎏Φ16=1.58㎏Φ18=2㎏Φ20=2.47㎏Φ22=3㎏Φ25=3.86㎏(0.617为第10圈钢筋每米重量,钢筋重量与直径的平方成正比。
)钢筋的重量=钢筋的直径*钢筋的直径*0.00617一般计算时Φ12以下和Φ28的钢筋取小数点后3位,Φ14到Φ25的钢筋取小数点后2位。
筋的分类:1、按力学性能分:HPB235级钢筋(一级),HRB335级钢筋(二级),HRB400级钢筋(三级)RRB400级钢筋(四级)2、按轧制外形分为:光圆钢筋和带肋钢筋3、按钢筋直径大小分为:钢丝(3~5mm)细钢筋(6~10mm)中粗钢筋(12~20mm)粗钢筋(大于20mm)钢筋符号:1标注钢筋的根数、直径和等级:3Ф203:表示钢筋的根数Ф:表示钢筋等级直径符号20:表示钢筋直径2标注钢筋的等级、直径和相邻钢筋中心距Ф8@200:Ф:表示钢筋等级直径符号8:表示筋直径@:相等中心距符号200:相邻钢筋的中心距(≤200mm)在Word文档中打钢筋符号:φ一级钢筋输入E000,选中E001(涂黑)后按ALT+X即可变成二级钢筋输入E001,选中E002(涂黑)后按ALT+X即可变成三级钢筋输入E002,选中E003(涂黑)后按ALT+X即可变成一级、二级、三级钢筋符号如下图:(A、B、C分别代表一级、二级、三级)ID:gczlkt喜讯ID:gczbptID:jzjyswxID:jzgcnc。
钢筋等级符号大全钢筋等级符号大全钢筋是建筑施工中常用的一种构件材料,用于加固混凝土结构,提高结构的整体强度和稳定性。
钢筋等级符号用于标识不同钢筋的强度等级,以便工程师和施工人员正确选择和使用适合的钢筋材料。
下面是钢筋等级符号的大全,供大家参考。
1. HPB——冷拔钢筋HPB钢筋是一种常用的冷拔钢筋,具有较高的强度和韧性,适用于各种结构加固和建筑工程。
2. HRB335——热轧带肋钢筋HRB335钢筋是一种热轧带肋钢筋,其抗拉强度为335MPa,适用于普通建筑结构的加固和施工。
3. HRB400——热轧带肋钢筋HRB400钢筋是一种热轧带肋钢筋,其抗拉强度为400MPa,适用于大型建筑结构、桥梁和高层建筑的加固和施工。
4. HRB500——热轧带肋钢筋HRB500钢筋是一种热轧带肋钢筋,其抗拉强度为500MPa,适用于超高层建筑、大型桥梁和重要基础设施的加固和施工。
5. HRB600——热轧带肋钢筋HRB600钢筋是一种热轧带肋钢筋,其抗拉强度为600MPa,适用于特殊要求的工程项目,如核电站、天然气储罐等。
6. HRB335E——热轧带肋钢筋HRB335E钢筋是一种热轧带肋钢筋,具有较高的抗拉强度和韧性,适用于特殊要求的工程项目和海洋工程。
HRB400E钢筋是一种热轧带肋钢筋,具有更高的抗拉强度和韧性,适用于工程结构要求较高的项目。
8. HRB500E——热轧带肋钢筋HRB500E钢筋是一种热轧带肋钢筋,具有更高的抗拉强度和韧性,适用于重要工程项目的加固和施工。
9. HRB335L——热轧带肋钢筋HRB335L钢筋是一种热轧带肋钢筋,具有较低的碳含量和较高的强度,适用于低碳环保建筑工程。
10. HRB400L——热轧带肋钢筋HRB400L钢筋是一种热轧带肋钢筋,具有较低的碳含量和较高的强度,适用于低碳环保建筑工程。
11. HRB500L——热轧带肋钢筋HRB500L钢筋是一种热轧带肋钢筋,具有较低的碳含量和较高的强度,适用于低碳环保建筑工程。
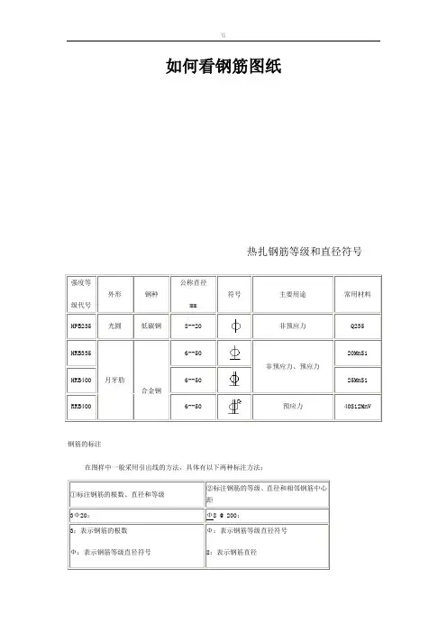
如何看钢筋图纸热扎钢筋等级和直径符号强度等级代号外形钢种公称直径mm符号主要用途常用材料HPB235 光圆低碳钢8--20 非预应力Q235HRB335月牙肋合金钢6--50非预应力、预应力20MnSiHRB400 6--50 25MnSi RRB400 6--50 预应力40Si2MnV钢筋的标注在图样中一般采用引出线的方法,具体有以下两种标注方法:①标注钢筋的根数、直径和等级②标注钢筋的等级、直径和相邻钢筋中心距3Ф20:Ф8 @ 200:3:表示钢筋的根数Ф:表示钢筋等级直径符号20:表示钢筋直径Ф:表示钢筋等级直径符号8:表示钢筋直径@:相等中心距符号200:相邻钢筋的中心距(≤200mm)一般钢筋的表示方法名称图例名称图例名称图例钢筋断面带直钩的钢筋端部半圆形弯钩的钢筋塔接无弯钩的钢筋端部带丝扣钢筋端部半直钩的钢筋端部半圆形弯钩的钢筋端部无弯钩的钢筋塔接套管接头常用构件的代号序号名称代号序号名称代号序号名称代号1板B15吊车梁DL29基础J 2屋面板WB16圈梁QL30设备基础SJ 3空心板KB17过梁GL31桩ZH 4槽形板CB18连系梁LL32柱间支撑ZC一、梁上主筋和梁下主筋同时表示方法:⑴3Φ22,3Φ20 表示上部钢筋为3Φ22, 下部钢筋为3Φ20。
⑵2φ12,3Φ18 表示上部钢筋为2φ12, 下部钢筋为3Φ18。
⑶4Φ25,4Φ25 表示上部钢筋为4Φ25, 下部钢筋为4Φ25。
⑷3Φ25,5Φ25 表示上部钢筋为3Φ25, 下部钢筋为5Φ25。
二、梁上部钢筋表示方法:(标在梁上支座处)⑴2Φ20 表示两根Φ20的钢筋,通长布置,用于双肢箍。
⑵2Φ22+(4Φ12)表示2Φ22 为通长,4φ12架立筋,用于六肢箍。
⑶6Φ25 4/2 表示上部钢筋上排为4Φ25,下排为2Φ25。
⑷2Φ22+ 2Φ22 表示只有一排钢筋,两根在角部,两根在中部,均匀布置。
三、梁腰中钢筋表示方法:⑴G2φ12 表示梁两侧的构造钢筋,每侧一根φ12。
钢筋等级符号大全钢筋等级符号大全钢筋是建筑工程中常用的一种钢材,具有高强度和韧性的特点,用于加固和增强混凝土结构的承载能力。
钢筋的等级符号是指钢筋的强度等级和材质规格,根据国家标准的要求进行分类和标识。
下面是钢筋等级符号的大全,包含常见的国标符号、城市标准符号和国际标准符号等。
一、国标符号1. HRB(Hot Rolled Bar)系列HRB335:表示钢筋的抗拉强度为335MPa。
HRBF335:表示钢筋的抗拉强度为335MPa,且经过再加工后的钢筋。
2. HRB400系列HRB400:表示钢筋的抗拉强度为400MPa。
HRB400E:表示钢筋的抗拉强度为400MPa,且经过再加工后的钢筋。
3. HRB500系列HRB500:表示钢筋的抗拉强度为500MPa。
HRB500E:表示钢筋的抗拉强度为500MPa,且经过再加工后的钢筋。
4. HPB系列HPB235:表示钢筋的抗拉强度为235MPa。
HPB300:表示钢筋的抗拉强度为300MPa。
HPB335:表示钢筋的抗拉强度为335MPa。
HPB400:表示钢筋的抗拉强度为400MPa。
HPB500:表示钢筋的抗拉强度为500MPa。
二、城市标准符号1. B(Beijing)系列B300:表示北京地区的钢筋,抗拉强度为300MPa。
B335:表示北京地区的钢筋,抗拉强度为335MPa。
B400:表示北京地区的钢筋,抗拉强度为400MPa。
B500:表示北京地区的钢筋,抗拉强度为500MPa。
2. J(Jianzhu,建筑)系列JL295:表示建筑类钢筋,抗拉强度为295MPa。
JL345:表示建筑类钢筋,抗拉强度为345MPa。
JL400:表示建筑类钢筋,抗拉强度为400MPa。
JL400DA:表示建筑类钢筋,抗拉强度为400MPa,且经过先进的热处理工艺。
三、国际标准符号1. SD(Standard Diameter)系列SD295:表示标准直径的钢筋,抗拉强度为295MPa。
最全钢筋符号,免费分享【1】标注钢筋的根数、直径和等级:3Ф203:表示钢筋的根数Ф:表示钢筋等级直径符号20:表示钢筋直径【2】标注钢筋的等级、直径和相邻钢筋中心距:Ф8 @ 200:Ф:表示钢筋等级直径符号8:表示钢筋直径@:相等中心距符号200:相邻钢筋的中心距(≤200mm)各类钢筋的表示方法1、梁箍筋梁箍筋包括钢筋级别、直径、加密区与非加密区间距及肢数。
箍筋加密区与蜚加密区的不同间距及肢数需用斜线"/"分隔;当梁箍筋为同一种间距及肢数时,则不需用斜线;当加密区与非加密区的箍筋肢数相同时,则将肢数注写一次;箍筋肢数应写在括号内。
(需要注意的是此处表示间距不是用"@",而是用"-"。
)例:A10-100/200(4),表示箍筋为Ⅰ级钢筋,直径φ10,加密区间距为100,非加密区间距为200,均为四肢箍。
A8-100(4)/150(2),表示箍筋为Ⅰ级钢筋,直径φ8,加密区间距为100,四肢箍,非加密区间距为150,两肢箍。
当抗震结构中的非框架梁及非抗震结构中的各类梁采用不同的箍筋间距及肢数时,也用斜线"/"将其分隔开来。
注写时,先注写梁支座端部的箍筋(包括箍筋的箍数、钢筋级别、直径、间距及肢数),在斜线后注写梁跨中部分的箍筋间距及肢数。
例:13A10-150/200(4),表示箍筋为Ⅰ级钢筋,直径φ10;梁的两端各有13个四肢箍,间距为150;梁跨中部分,间距为200,四肢箍。
18A12-120(4)/200(2),表示箍筋为Ⅰ级钢筋,直径φ12;梁的两端各有18个四肢箍,间距为120;梁跨中部分,间距为200,两肢箍。
2、梁上部贯通筋或架立筋梁上部贯通筋或架立筋根数,应根据结构受力要求及箍筋肢数等构造要求而定。
注写时,须将架立筋写入括号内。
例:2B22用于双肢箍;2B22+(4A12)用于六肢箍,其中2B22为贯通筋,4A12为架立筋。
一、箍筋表示方法:⑴φ10@100/200(2) 表示箍筋为φ10 ,加密区间距100,非加密区间距200,全为双肢箍。
⑵φ10@100/200(4) 表示箍筋为φ10 ,加密区间距100,非加密区间距200,全为四肢箍。
⑶φ8@200(2) 表示箍筋为φ8,间距为200,双肢箍。
⑷φ8@100(4)/150(2) 表示箍筋为φ8,加密区间距100,四肢箍,非加密区间距150,双肢箍。
一、梁上主筋和梁下主筋同时表示方法:⑴3Φ22,3Φ20 表示上部钢筋为3Φ22, 下部钢筋为3Φ20。
⑵2φ12,3Φ18 表示上部钢筋为2φ12, 下部钢筋为3Φ18。
⑶4Φ25,4Φ25 表示上部钢筋为4Φ25, 下部钢筋为4Φ25。
⑷3Φ25,5Φ25 表示上部钢筋为3Φ25, 下部钢筋为5Φ25。
二、梁上部钢筋表示方法:(标在梁上支座处)⑴2Φ20 表示两根Φ20的钢筋,通长布置,用于双肢箍。
⑵2Φ22+(4Φ12)表示2Φ22 为通长,4φ12架立筋,用于六肢箍。
⑶6Φ25 4/2 表示上部钢筋上排为4Φ25,下排为2Φ25。
⑷2Φ22+ 2Φ22 表示只有一排钢筋,两根在角部,两根在中部,均匀布置。
三、梁腰中钢筋表示方法:⑴G2φ12 表示梁两侧的构造钢筋,每侧一根φ12。
⑵G4Φ14 表示梁两侧的构造钢筋,每侧两根Φ14。
⑶N2Φ22 表示梁两侧的抗扭钢筋,每侧一根Φ22。
⑷N4Φ18 表示梁两侧的抗扭钢筋,每侧两根Φ18。
四、梁下部钢筋表示方法:(标在梁的下部)⑴4Φ25 表示只有一排主筋,4Φ25 全部伸入支座内。
⑵6Φ25 2/4 表示有两排钢筋,上排筋为2Φ25,下排筋4Φ25。
⑶6Φ25 (-2 )/4 表示有两排钢筋,上排筋为2Φ25,不伸入支座,下排筋4Φ25,全部伸入支座。
⑷2Φ25 + 3Φ22(-3)/ 5Φ25 表示有两排筋,上排筋为5根。
2Φ25伸入支座,3Φ22,不伸入支座。
一、箍筋表示方法:⑴φ10@100/200(2) 表示箍筋为φ10 ,加密区间距100,非加密区间距200,全为双肢箍。
⑵φ10@100/200(4) 表示箍筋为φ10 ,加密区间距100,非加密区间距200,全为四肢箍。
⑶φ8@200(2) 表示箍筋为φ8,间距为200,双肢箍。
⑷φ8@100(4)/150(2) 表示箍筋为φ8,加密区间距100,四肢箍,非加密区间距150,双肢箍。
一、梁上主筋和梁下主筋同时表示方法:⑴3Φ22,3Φ20 表示上部钢筋为3Φ22, 下部钢筋为3Φ20。
⑵2φ12,3Φ18 表示上部钢筋为2φ12, 下部钢筋为3Φ18。
⑶4Φ25,4Φ25 表示上部钢筋为4Φ25, 下部钢筋为4Φ25。
⑷3Φ25,5Φ25 表示上部钢筋为3Φ25, 下部钢筋为5Φ25。
二、梁上部钢筋表示方法:(标在梁上支座处)⑴2Φ20 表示两根Φ20的钢筋,通长布置,用于双肢箍。
⑵2Φ22+(4Φ12)表示2Φ22 为通长,4φ12架立筋,用于六肢箍。
⑶6Φ25 4/2 表示上部钢筋上排为4Φ25,下排为2Φ25。
⑷2Φ22+ 2Φ22 表示只有一排钢筋,两根在角部,两根在中部,均匀布置。
三、梁腰中钢筋表示方法:⑴G2φ12 表示梁两侧的构造钢筋,每侧一根φ12。
⑵G4Φ14 表示梁两侧的构造钢筋,每侧两根Φ14。
⑶N2Φ22 表示梁两侧的抗扭钢筋,每侧一根Φ22。
⑷N4Φ18 表示梁两侧的抗扭钢筋,每侧两根Φ18。
四、梁下部钢筋表示方法:(标在梁的下部)⑴4Φ25 表示只有一排主筋,4Φ25 全部伸入支座内。
⑵6Φ25 2/4 表示有两排钢筋,上排筋为2Φ25,下排筋4Φ25。
⑶6Φ25 (-2 )/4 表示有两排钢筋,上排筋为2Φ25,不伸入支座,下排筋4Φ25,全部伸入支座。
⑷2Φ25 + 3Φ22(-3)/ 5Φ25 表示有两排筋,上排筋为5根。
2Φ25伸入支座,3Φ22,不伸入支座。
如何看钢筋图纸热扎钢筋等级和直径符号强度等级代号外形钢种公称直径mm符号主要用途常用材料HPB235 光圆低碳钢8--20 非预应力Q235HRB335月牙肋合金钢6--50非预应力、预应力20MnSiHRB400 6--50 25MnSiRRB400 6--50 预应力40Si2MnV 钢筋的标注在图样中一般采用引出线的方法,具体有以下两种标注方法:①标注钢筋的根数、直径和等级②标注钢筋的等级、直径和相邻钢筋中心距3Ф20:Ф8 @ 200:3:表示钢筋的根数Ф:表示钢筋等级直径符号20:表示钢筋直径Ф:表示钢筋等级直径符号8:表示钢筋直径@:相等中心距符号200:相邻钢筋的中心距(≤200mm)一般钢筋的表示方法名称图例名称图例名称图例钢筋断面带直钩的钢筋端部半圆形弯钩的钢筋塔接无弯钩的钢筋端部带丝扣钢筋端部半直钩的钢筋端部半圆形弯钩的钢筋端部无弯钩的钢筋塔接套管接头常用构件的代号一、梁上主筋和梁下主筋同时表示方法:⑴3Φ22,3Φ20 表示上部钢筋为3Φ22, 下部钢筋为3Φ20。
⑵2φ12,3Φ18 表示上部钢筋为2φ12, 下部钢筋为3Φ18。
⑶4Φ25,4Φ25 表示上部钢筋为4Φ25, 下部钢筋为4Φ25。
⑷3Φ25,5Φ25 表示上部钢筋为3Φ25, 下部钢筋为5Φ25。
二、梁上部钢筋表示方法:(标在梁上支座处)⑴2Φ20 表示两根Φ20的钢筋,通长布置,用于双肢箍。
⑵2Φ22+(4Φ12)表示2Φ22 为通长,4φ12架立筋,用于六肢箍。
⑶6Φ25 4/2 表示上部钢筋上排为4Φ25,下排为2Φ25。
⑷2Φ22+ 2Φ22 表示只有一排钢筋,两根在角部,两根在中部,均匀布置。
三、梁腰中钢筋表示方法:⑴G2φ12 表示梁两侧的构造钢筋,每侧一根φ12。
⑵G4Φ14 表示梁两侧的构造钢筋,每侧两根Φ14。
⑶N2Φ22 表示梁两侧的抗扭钢筋,每侧一根Φ22。
⑷N4Φ18 表示梁两侧的抗扭钢筋,每侧两根Φ18。
钢筋的标注在图样中一般采用引出线的方法,具体有以下两种标注方法:一般钢筋的表示方法常用构件的代号一、箍筋表示方法:⑴φ10@100/200(2) 表示箍筋为φ10 ,加密区间距100,非加密区间距200,全为双肢箍。
⑵φ10@100/200(4) 表示箍筋为φ10 ,加密区间距100,非加密区间距200,全为四肢箍。
⑶φ8@200(2) 表示箍筋为φ8,间距为200,双肢箍。
⑷φ8@100(4)/150(2) 表示箍筋为φ8,加密区间距100,四肢箍,非加密区间距150,双肢箍。
一、梁上主筋和梁下主筋同时表示方法:⑴ 3Φ22,3Φ20 表示上部钢筋为3Φ22, 下部钢筋为3Φ20。
⑵ 2φ12,3Φ18 表示上部钢筋为2φ12, 下部钢筋为3Φ18。
⑶ 4Φ25,4Φ25 表示上部钢筋为4Φ25, 下部钢筋为4Φ25。
⑷ 3Φ25,5Φ25 表示上部钢筋为3Φ25, 下部钢筋为5Φ25。
二、梁上部钢筋表示方法:(标在梁上支座处)⑴ 2Φ20 表示两根Φ20的钢筋,通长布置,用于双肢箍。
⑵ 2Φ22+(4Φ12)表示2Φ22 为通长,4φ12架立筋,用于六肢箍。
⑶ 6Φ25 4/2 表示上部钢筋上排为4Φ25,下排为2Φ25。
⑷ 2Φ22+ 2Φ22 表示只有一排钢筋,两根在角部,两根在中部,均匀布置。
三、梁腰中钢筋表示方法:⑴ G2φ12 表示梁两侧的构造钢筋,每侧一根φ12。
⑵ G4Φ14 表示梁两侧的构造钢筋,每侧两根Φ14。
⑶ N2Φ22 表示梁两侧的抗扭钢筋,每侧一根Φ22。
⑷ N4Φ18 表示梁两侧的抗扭钢筋,每侧两根Φ18。
四、梁下部钢筋表示方法:(标在梁的下部)⑴ 4Φ25 表示只有一排主筋,4Φ25 全部伸入支座内。
⑵ 6Φ25 2/4 表示有两排钢筋,上排筋为2Φ25,下排筋4Φ25。
⑶ 6Φ25 (-2 )/4 表示有两排钢筋,上排筋为2Φ25,不伸入支座,下排筋4Φ25,全部伸入支座。
如何看钢筋图纸热扎钢筋等级和直径符号强度等公称直径外形钢种符号主要用途常用材料级代号mmHPB235光圆低碳钢8--20非预应力Q235HRB3356--5020MnSi非预应力、预应力HRB400月牙肋6--5025MnSi合金钢RRB4006--50预应力40Si2MnV钢筋的标注在图样中一般采用引出线的方法,具体有以下两种标注方法:②标注钢筋的等级、直径和相邻钢筋中心①标注钢筋的根数、直径和等级距3Ф 20:Ф8 @ 200:Ф:表示钢筋等级直径符号3:表示钢筋的根数8:表示钢筋直径Ф:表示钢筋等级直径符号@:相等中心距符号20:表示钢筋直径200:相邻钢筋的中心距(≤200mm)一般钢筋的表示方法名称图例名称图例名称图例钢筋带直钩的半圆形弯钩断面钢筋端部的钢筋塔接无弯钩的带丝扣半直钩的钢筋端部钢筋端部钢筋端部半圆形弯钩无弯钩的套管接头的钢筋端部钢筋塔接常用构件的代号序号名称代号序号名称代号序号名称代号1板B15吊车梁DL29基础J 2屋面板WB16圈梁QL30设备基础SJ 3空心板KB17过梁GL31桩ZH 4槽形板CB18连系梁LL32柱间支撑ZC5折板ZB19基础梁JL33垂直支撑CC 6密筋板MB20楼梯梁TL34水平支撑SC 7楼梯板TB21懔条LT35梯T 8盖板或沟盖板GB22屋架WJ36雨蓬YP 9挡雨板或口板檐板YB23托架TJ37阳台YT 10吊车安全走道板DB24天窗架CJ38梁垫LD 11墙板QB25框架KJ39预埋件M 12天沟板TGB26钢架GJ40天窗端壁TD 13梁L27支架ZJ41钢筋网W 14屋面梁WL28柱Z42钢筋骨架G一、梁上主筋和梁下主筋同时表示方法:⑴ 3Φ22,3Φ20表示上部钢筋为3Φ22,下部钢筋为3Φ20。
⑵2φ12,3Φ18 表示上部钢筋为 2φ12, 下部钢筋为 3Φ 18。
⑶ 4Φ25,4Φ25 表示上部钢筋为 4Φ25, 下部钢筋为 4Φ 25。
如何看钢筋图纸热扎钢筋等级和直径符号强度等级代号外形钢种公称直径mm符号主要用途常用材料HPB235 光圆低碳钢8--20 非预应力Q235HRB335月牙肋合金钢6--50非预应力、预应力20MnSiHRB400 6--50 25MnSi RRB400 6--50 预应力40Si2MnV 钢筋的标注在图样中一般采用引出线的方法,具体有以下两种标注方法:①标注钢筋的根数、直径和等级②标注钢筋的等级、直径和相邻钢筋中心距3Ф20:Ф8 @ 200:3:表示钢筋的根数Ф:表示钢筋等级直径符号Ф:表示钢筋等级直径符号8:表示钢筋直径20:表示钢筋直径@:相等中心距符号200:相邻钢筋的中心距(≤200mm)一般钢筋的表示方法名称图例名称图例名称图例钢筋断面带直钩的钢筋端部半圆形弯钩的钢筋塔接无弯钩的钢筋端部带丝扣钢筋端部半直钩的钢筋端部半圆形弯钩的钢筋端部无弯钩的钢筋塔接套管接头常用构件的代号序号名称代号序号名称代号序号名称代号1板B15吊车梁DL29基础J 2屋面板WB16圈梁QL30设备基础SJ 3空心板KB17过梁GL31桩ZH 4槽形板CB18连系梁LL32柱间支撑ZC 5折板ZB19基础梁JL33垂直支撑CC 6密筋板MB20楼梯梁TL34水平支撑SC 7楼梯板TB21懔条LT35梯T 8盖板或沟盖板GB22屋架WJ36雨蓬YP 9挡雨板或口板檐板YB23托架TJ37阳台YT一、梁上主筋和梁下主筋同时表示方法:⑴3Φ22,3Φ20 表示上部钢筋为3Φ22, 下部钢筋为3Φ20。
⑵2φ12,3Φ18 表示上部钢筋为2φ12, 下部钢筋为3Φ18。
⑶4Φ25,4Φ25 表示上部钢筋为4Φ25, 下部钢筋为4Φ25。
⑷3Φ25,5Φ25 表示上部钢筋为3Φ25, 下部钢筋为5Φ25。
二、梁上部钢筋表示方法:(标在梁上支座处)⑴2Φ20 表示两根Φ20的钢筋,通长布置,用于双肢箍。
⑵2Φ22+(4Φ12)表示2Φ22 为通长,4φ12架立筋,用于六肢箍。
钢筋符号大全1. 弯折钢筋•↑:向上弯折钢筋•↓:向下弯折钢筋•↖:向左上弯折钢筋•↗:向右上弯折钢筋•←:向左弯折钢筋•→:向右弯折钢筋2. 钢筋直径标识•Ø6:直径为6mm的钢筋•Ø8:直径为8mm的钢筋•Ø10:直径为10mm的钢筋•Ø12:直径为12mm的钢筋•Ø16:直径为16mm的钢筋•Ø20:直径为20mm的钢筋•Ø25:直径为25mm的钢筋•Ø32:直径为32mm的钢筋•Ø40:直径为40mm的钢筋•Ø50:直径为50mm的钢筋3. 钢筋长度标识•L=1000:钢筋长度为1000mm •L=2000:钢筋长度为2000mm •L=3000:钢筋长度为3000mm •L=4000:钢筋长度为4000mm •L=5000:钢筋长度为5000mm •L=6000:钢筋长度为6000mm4. 钢筋间距标识•s=100:钢筋间距为100mm•s=150:钢筋间距为150mm•s=200:钢筋间距为200mm•s=250:钢筋间距为250mm•s=300:钢筋间距为300mm•s=350:钢筋间距为350mm•s=400:钢筋间距为400mm•s=450:钢筋间距为450mm•s=500:钢筋间距为500mm 5. 钢筋弯曲角度标识•α=30°:钢筋弯曲角度为30°•α=45°:钢筋弯曲角度为45°•α=60°:钢筋弯曲角度为60°•α=90°:钢筋弯曲角度为90°6. 钢筋定位•⊕:钢筋定位标志,表示钢筋的纵向分布方向7. 钢筋截面形状标识•□:矩形截面钢筋•○:圆形截面钢筋•◇:菱形截面钢筋•△:三角形截面钢筋•⩠:T形截面钢筋8. 标记号码•1:钢筋标记号码1•2:钢筋标记号码2•3:钢筋标记号码3•4:钢筋标记号码4•5:钢筋标记号码59. 钢筋间距方向•↑:向上钢筋间距方向•↓:向下钢筋间距方向•←:向左钢筋间距方向•→:向右钢筋间距方向10. 其他标识•⇃:起扎符号,表示将几根钢筋绑扎在一起•⇂:止束符号,表示钢筋束的终点以上是钢筋符号的大全,希望对你有帮助!请随时根据需要使用这些符号来标示钢筋的形状、尺寸和布置等信息。
建筑钢筋符号大全————————————————————————————————作者: ————————————————————————————————日期:一级钢筋(HPB235/HPB300两种)普通是光面钢筋二级钢筋(HRB335)是螺纹钢筋、三级钢筋(HRB400)也是螺纹钢筋,、四级钢筋(HRB500)有月牙肋和螺纹等可以自己打:HPB235钢筋符号:在word中先输入E000,然后按住ALT键,同时按下X键;HrB335钢筋符号:在word中先输入E001,然后按住ALT键,同时按下X键;HRB400钢筋符号:在word中先输入E002,然后按住A LT键,同时按下X键φk:刻痕钢丝;φb:冷拔低碳钢丝;ﻫφc:碳素钢丝;ﻫφR:冷轧带肋钢筋;ﻫφl:冷拉钢筋(一级);Φl:冷拉钢筋(二级);φZ:(这个没见过,不知)ﻫφs:钢铰线;ﻫφJ:钢铰线(旧规范?);φk:刻痕钢丝;φb:冷拔低碳钢丝;φc:碳素钢丝;φR:冷轧带肋钢筋;φl:冷拉钢筋(一级);Φl:冷拉钢筋(二级);φZ:(这个没见过,不知)φs:钢铰线;φJ:钢铰线(旧规范?);另外,还有一些,如(仅列上标):P:消除应力钢丝(光面);H:消除应力钢丝(螺旋肋);I:消除应力钢丝(刻痕);HT:热处理钢筋;这种板钢筋,怎么表示ΦR7@180:ΦR7@180直接输入L7@180即可。
这是三级钢,软件用C表示.ΦR7@180这是冷拉带肋钢筋的表示,广联达钢筋算量里有专门的对应符号是L.R是表示冷轧带肋钢筋N表示冷轧扭钢筋。
φn7表示冷轧扭钢筋。
φR表示冷轧带肋钢筋软件中用L表示冷轧带肋钢筋钢筋混凝土构件图示方法中钢筋的标注:一般采用引出线的方法,具体有以下两种标注方法:ﻫ1。
标注钢筋的根数、直径和等级:3Ф203:表示钢筋的根数Ф:表示钢筋等级直径符号20:表示钢筋直径ﻫ2。
标注钢筋的等级、直径和相邻钢筋中心距ﻫФ8@ 200:Ф:表示钢筋等级直径符号ﻫ8:表示钢筋直径ﻫ@:相等中心距符号200:相邻钢筋的中心距(≤200mm)各类钢筋的表示方法ﻫ1. 梁箍筋ﻫ梁箍筋包括钢筋级别、直径、加密区与非加密区间距及肢数。
一、箍筋表示方法:⑴φ10@100/200(2) 表示箍筋为φ10 ,加密区间距100,非加密区间距200,全为双肢箍。
⑵φ10@100/200(4) 表示箍筋为φ10 ,加密区间距100,非加密区间距200,全为四肢箍。
⑶φ8@200(2) 表示箍筋为φ8,间距为200,双肢箍。
⑷φ8@100(4)/150(2) 表示箍筋为φ8,加密区间距100,四肢箍,非加密区间距150,双肢箍。
一、梁上主筋和梁下主筋同时表示方法:⑴3Φ22,3Φ20 表示上部钢筋为3Φ22, 下部钢筋为3Φ20。
⑵2φ12,3Φ18 表示上部钢筋为2φ12, 下部钢筋为3Φ18。
⑶4Φ25,4Φ25 表示上部钢筋为4Φ25, 下部钢筋为4Φ25。
⑷3Φ25,5Φ25 表示上部钢筋为3Φ25, 下部钢筋为5Φ25。
二、梁上部钢筋表示方法:(标在梁上支座处)⑴2Φ20 表示两根Φ20的钢筋,通长布置,用于双肢箍。
⑵2Φ22+(4Φ12)表示2Φ22 为通长,4φ12架立筋,用于六肢箍。
⑶6Φ25 4/2 表示上部钢筋上排为4Φ25,下排为2Φ25。
⑷2Φ22+ 2Φ22 表示只有一排钢筋,两根在角部,两根在中部,均匀布置。
三、梁腰中钢筋表示方法:⑴G2φ12 表示梁两侧的构造钢筋,每侧一根φ12。
⑵G4Φ14 表示梁两侧的构造钢筋,每侧两根Φ14。
⑶N2Φ22 表示梁两侧的抗扭钢筋,每侧一根Φ22。
⑷N4Φ18 表示梁两侧的抗扭钢筋,每侧两根Φ18。
四、梁下部钢筋表示方法:(标在梁的下部)⑴4Φ25 表示只有一排主筋,4Φ25 全部伸入支座内。
⑵6Φ25 2/4 表示有两排钢筋,上排筋为2Φ25,下排筋4Φ25。
⑶6Φ25 (-2 )/4 表示有两排钢筋,上排筋为2Φ25,不伸入支座,下排筋4Φ25,全部伸入支座。
⑷2Φ25 + 3Φ22(-3)/ 5Φ25 表示有两排筋,上排筋为5根。
2Φ25伸入支座,3Φ22,不伸入支座。