看钢筋图钢筋符号大全
- 格式:doc
- 大小:127.00 KB
- 文档页数:23
如何看钢筋图纸热扎钢筋等级和直径符号钢筋的标注在图样中一般采用引出线的方法,具体有以下两种标注方法:梁上主筋和梁下主筋同时表示方法 :表示上部钢筋为 3Φ22, 表示上部钢筋为 2φ12, 表示上部钢筋为 4Φ25, 表示上部钢筋为 3Φ25,二、 梁上部钢筋表示方法: (标在梁上支座处)⑴ 2Φ20 表示两根Φ 20 的钢筋,通长布置,用于双肢箍。
⑵ 2Φ22+(4Φ12) 表示 2Φ22 为通长, 4φ 12 架立筋,用于六肢箍 ⑶ 6Φ25 4/2 表示上部钢筋上排为 4Φ 25,下排为 2Φ25。
⑷ 2Φ22+ 2Φ 22 表示只有一排钢筋,两根在角部,两根在中部,均匀 布置。
三、 梁腰中钢筋表示方法:⑴ G2φ 12 表示梁两侧的构造钢筋,每侧一根φ 12。
⑵ G4Φ 14 表示梁两侧的构造钢筋,每侧两根Φ 14。
⑶ N2Φ 22 表示梁两侧的抗扭钢筋,每侧一根Φ 22。
⑷ N4Φ 18 表示梁两侧的抗扭钢筋,每侧两根Φ 18。
四、 梁下部钢筋表示方法: (标在梁的下部) ⑴ 4Φ 25 表示只有一排主筋, 4Φ 25 全部伸入支座内。
⑵ 6Φ25 2/4 表示有两排钢筋,上排筋为 2Φ25,下排筋 4Φ 25。
⑶ 6Φ25 ( -2 )/4 表示有两排钢筋,上排筋为 2Φ25,不伸入支座, 下排筋 4Φ 25,全部伸入支座。
⑷ 2Φ25 + 3Φ22(-3)/ 5Φ25 表示有两排筋,上排筋为 5 根。
2Φ25 伸入支座, 3Φ22,不伸入支座。
下排筋 5Φ25,通长布置。
⑴ 3Φ22, 3Φ20 ⑵ 2φ12, 3Φ18 ⑶ 4Φ25, 4Φ25 ⑷ 3Φ25, 5Φ25部钢筋为 3Φ 20 部钢筋为 3Φ 18 部钢筋为 4Φ 25 部钢筋为 5Φ 25一、箍筋表示方法:⑴ φ 10@100/200(2) 表示箍筋为φ 10 ,加密区间距100 ,非加密区间距200,全为双肢箍。
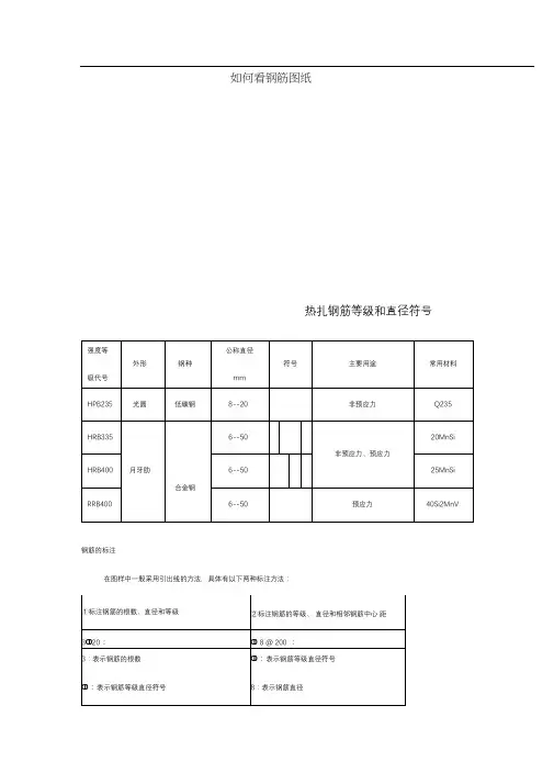
如何看钢筋图纸热扎钢筋等级和直径符号强度等级代号外形钢种公称直径mm符号主要用途常用材料HPB235 光圆低碳钢8--20 非预应力Q235HRB335月牙肋合金钢6--50非预应力、预应力20MnSiHRB400 6--50 25MnSi RRB400 6--50 预应力40Si2MnV 钢筋的标注在图样中一般采用引出线的方法,具体有以下两种标注方法:一般钢筋的表示方法常用构件的代号⑴ 3Φ22,3Φ20 表示上部钢筋为3Φ22, 下部钢筋为3Φ20;⑵ 2φ12,3Φ18 表示上部钢筋为2φ12, 下部钢筋为3Φ18;⑶ 4Φ25,4Φ25 表示上部钢筋为4Φ25, 下部钢筋为4Φ25;⑷ 3Φ25,5Φ25 表示上部钢筋为3Φ25, 下部钢筋为5Φ25;二、梁上部钢筋表示方法:标在梁上支座处⑴ 2Φ20 表示两根Φ20的钢筋,通长布置,用于双肢箍;⑵ 2Φ22+4Φ12 表示2Φ22 为通长,4φ12架立筋,用于六肢箍;⑶ 6Φ25 4/2 表示上部钢筋上排为4Φ25,下排为2Φ25;⑷ 2Φ22+ 2Φ22 表示只有一排钢筋,两根在角部,两根在中部,均匀布置;三、梁腰中钢筋表示方法:⑴ G2φ12 表示梁两侧的构造钢筋,每侧一根φ12;⑵ G4Φ14 表示梁两侧的构造钢筋,每侧两根Φ14;⑶ N2Φ22 表示梁两侧的抗扭钢筋,每侧一根Φ22;⑷ N4Φ18 表示梁两侧的抗扭钢筋,每侧两根Φ18;四、梁下部钢筋表示方法:标在梁的下部⑴ 4Φ25 表示只有一排主筋,4Φ25 全部伸入支座内;⑵ 6Φ25 2/4 表示有两排钢筋,上排筋为2Φ25,下排筋4Φ25;⑶ 6Φ25 -2 /4 表示有两排钢筋,上排筋为2Φ25,不伸入支座,下排筋4Φ25,全部伸入支座;⑷ 2Φ25 + 3Φ22-3/ 5Φ25 表示有两排筋,上排筋为5根;2Φ25伸入支座,3Φ22,不伸入支座;下排筋 5Φ25,通长布置;一、箍筋表示方法:⑴φ10100/2002 表示箍筋为φ10 ,加密区间距100,非加密区间距200,全为双肢箍;⑵φ10100/2004 表示箍筋为φ10 ,加密区间距100,非加密区间距200,全为四肢箍;⑶φ82002 表示箍筋为φ8,间距为200,双肢箍;⑷φ81004/1502 表示箍筋为φ8,加密区间距100,四肢箍,非加密区间距150,双肢箍;一、梁上主筋和梁下主筋同时表示方法:⑴ 3Φ22,3Φ20 表示上部钢筋为3Φ22, 下部钢筋为3Φ20;⑵ 2φ12,3Φ18 表示上部钢筋为2φ12, 下部钢筋为3Φ18;⑶ 4Φ25,4Φ25 表示上部钢筋为4Φ25, 下部钢筋为4Φ25;⑷ 3Φ25,5Φ25 表示上部钢筋为3Φ25, 下部钢筋为5Φ25;二、梁上部钢筋表示方法:标在梁上支座处⑴ 2Φ20 表示两根Φ20的钢筋,通长布置,用于双肢箍;⑵ 2Φ22+4Φ12 表示2Φ22 为通长,4φ12架立筋,用于六肢箍;⑶ 6Φ25 4/2 表示上部钢筋上排为4Φ25,下排为2Φ25;⑷ 2Φ22+ 2Φ22 表示只有一排钢筋,两根在角部,两根在中部,均匀布置;三、梁腰中钢筋表示方法:⑴ G2φ12 表示梁两侧的构造钢筋,每侧一根φ12;⑵ G4Φ14 表示梁两侧的构造钢筋,每侧两根Φ14;⑶ N2Φ22 表示梁两侧的抗扭钢筋,每侧一根Φ22;⑷ N4Φ18 表示梁两侧的抗扭钢筋,每侧两根Φ18;四、梁下部钢筋表示方法:标在梁的下部⑴ 4Φ25 表示只有一排主筋,4Φ25 全部伸入支座内;⑵ 6Φ25 2/4 表示有两排钢筋,上排筋为2Φ25,下排筋4Φ25;⑶ 6Φ25 -2 /4 表示有两排钢筋,上排筋为2Φ25,不伸入支座,下排筋4Φ25,全部伸入支座;⑷ 2Φ25 + 3Φ22-3/ 5Φ25 表示有两排筋,上排筋为5根;2Φ25伸入支座,3Φ22,不伸入支座;下排筋 5Φ25,通长布置;五、标注示例:KL73300×700 Y500×2502Φ25N4Φ184Φ25 6Φ25 4/2 6Φ25 4/2 6Φ25 4/2 4Φ25 □———————————□———————□———————————□4Φ25 2Φ25 4Φ25300×700N4φ10KL73 300×700 表示框架梁7,有三跨,断面宽300,高700;Y500×250 表示梁下加腋,宽500,高 250;N4Φ18 表示梁腰中抗扭钢筋;2Φ25 表示箍筋和架立筋;表示梁上皮标高;钢筋混凝土粘结锚固能力可以由四种途径得到:①钢筋与混凝土接触面上化学吸附作用力,也称胶结力;②混凝土收缩,将钢筋紧紧握固而产生摩擦力;③钢筋表面凹凸不平与混凝土之间产生的机械咬合作用,也称咬合力;④钢筋端部加弯钩、弯折或在锚固区焊短钢筋、焊角钢来提供锚固能力;通长钢筋就是指在所标的区段内通长设置,直径可以不相同,可以采用搭接连接形式,保证梁各个部位的这个部分钢筋都能发挥其抗拉强度,而且两端应按受拉锚固的钢筋贯通筋是指贯穿于构件如梁整个长度的钢筋,中间既不弯起也不中断,当钢筋过长时可以搭接或焊接,但不改变直径;贯通筋既可以是受力钢筋,也可以是架力钢筋;支座有负筋,是相对而言的,一般应该是指梁的支座部位用以抵消负弯矩的钢筋,俗称担担筋;一般结构构件受力弯矩分正弯矩和负弯矩,抵抗负弯矩所配备的钢筋称为负筋,一般指板、梁的上部钢筋,有些上部配置的构造钢筋习惯上也称为负筋;当梁、板的上部钢筋通长时,大家也习惯地称之为上部钢筋;至于端支座负筋,中间支座负筋就是两端的和中间的盖筋又名盖铁、扣筋,通常设置在板的支座端支座,中间支座,位置在板的上皮,其作用是抵抗板的负弯矩,也可以叫板负筋现在板中差不多都有两层,下层筋都是通长的,应该叫主筋,而板负筋是架起来的,板负筋根据设计的不同也不一样,有板上全放的,也有不全放的,不全放的设计一般是长度有梁短跨的1/4吊筋是将作用于混凝土梁式构件底部的集中力传递至顶部,是提高梁承受集中荷载抗剪能力的一种钢筋,形状如元宝,又称为元宝筋;主要作用是:由于梁的某部受到大的集中荷载作用,可能会使梁上引起斜裂缝,特别是力作用在受拉区内,为了使梁体不产生局部严重破坏,同时使梁体的材料发挥各自的作用而设置的,主要布置在剪力有大幅突变部位,防止该部位产生过大的裂缝,引起结构的破坏,就必须配吊筋了,还要加配附加箍筋;“腹筋”作用:梁的抗扭它在设计上属构造配筋,即力学上不用设计计算具体力的大小,按国家设计规范的构造要求查得此数据;当梁高大到一定要求时,就得加设腰筋,按多少、加多大规格按构造要求规范查得;1、什么是负弯矩:在弯矩图上如果你学过结构力学你可以跳过这一部分,向上弯起的弯矩是正弯矩,反之,向下弯起的弯矩就是负弯矩;打个比方,你用手拗一只筷子,向下拗的时候,是筷子下部先断;这是正弯矩,向上拗的时候,是是筷子上部先断,这是负弯矩;明白了正负弯的区别,你就可以往下看了;2、为抵抗负弯矩而设置的钢筋就叫负弯矩筋,在工地上常常简称为“负筋”,一般来说,常碰到的负弯矩筋有两种,一种是楼板与梁交接的地方,也就是楼板“生根”的地方,在这个地方,在楼板受力的影响下,应该是梁面受力,对楼板来说,这就是负弯矩筋,一般长度为跨过梁面1米左右;另一种就是梁的支座处,因为梁支端两端受向下的弯矩,在梁支座处,存在负弯矩,这是一个关键部位,常按锚固要求放一定的负筋3、依据GB50010-2002,在温度,收缩应力较大的现浇板区域内,钢筋间距宜取为150~200MM,并应在板的未配筋表面布置温度收缩钢筋. 温度收缩钢筋可利用原有钢筋贯通布置,也可另行设置构造钢筋网,并与原有钢筋按受拉钢筋的要求搭接或在周边构件中锚固钢筋算量基本方法第一章梁第一节框架梁一、首跨钢筋的计算1、上部贯通筋上部贯通筋上通长筋1长度=通跨净跨长+首尾端支座锚固值2、端支座负筋端支座负筋长度:第一排为Ln/3+端支座锚固值;第二排为Ln/4+端支座锚固值3、下部钢筋下部钢筋长度=净跨长+左右支座锚固值注意:下部钢筋不论分排与否,计算的结果都是一样的,所以我们在标注梁的下部纵筋时可以不输入分排信息;以上三类钢筋中均涉及到支座锚固问题,那么,在软件中是如何实现03G101-1中关于支座锚固的判断呢现在我们来总结一下以上三类钢筋的支座锚固判断问题:支座宽≥Lae且≥+5d,为直锚,取Max{Lae,+5d };钢筋的端支座锚固值=支座宽≤Lae或≤+5d,为弯锚,取Max{Lae,支座宽度-保护层+15d };钢筋的中间支座锚固值=Max{Lae,+5d }4、腰筋构造钢筋:构造钢筋长度=净跨长+2×15d抗扭钢筋:算法同贯通钢筋5、拉筋拉筋长度=梁宽-2×保护层+2×抗震弯钩值+2d拉筋根数:如果我们没有在平法输入中给定拉筋的布筋间距,那么拉筋的根数=箍筋根数/2×构造筋根数/2;如果给定了拉筋的布筋间距,那么拉筋的根数=布筋长度/布筋间距;6、箍筋箍筋长度=梁宽-2×保护层+梁高-2×保护层+2×+8d箍筋根数=加密区长度/加密区间距+1×2+非加密区长度/非加密区间距-1+1注意:因为构件扣减保护层时,都是扣至纵筋的外皮,那么,我们可以发现,拉筋和箍筋在每个保护层处均被多扣掉了直径值;并且我们在预算中计算钢筋长度时,都是按照外皮计算的,所以软件自动会将多扣掉的长度在补充回来,由此,拉筋计算时增加了2d,箍筋计算时增加了8d;如下图所示7、吊筋吊筋长度=2锚固+2斜段长度+次梁宽度+250,其中框梁高度>800mm 夹角=60°≤800mm 夹角=45°二、中间跨钢筋的计算1、中间支座负筋中间支座负筋:第一排为Ln/3+中间支座值+Ln/3;第二排为Ln/4+中间支座值+Ln/4注意:当中间跨两端的支座负筋延伸长度之和≥该跨的净跨长时,其钢筋长度:第一排为该跨净跨长+Ln/3+前中间支座值+Ln/3+后中间支座值;第二排为该跨净跨长+Ln/4+前中间支座值+Ln/4+后中间支座值;其他钢筋计算同首跨钢筋计算;三、尾跨钢筋计算类似首跨钢筋计算四、悬臂跨钢筋计算1、主筋软件配合03G101-1,在软件中主要有六种形式的悬臂钢筋,如下图所示这里,我们以2、5及6钢筋为例进行分析:2钢筋—悬臂上通筋=通跨净跨长+梁高+次梁宽度+钢筋距次梁内侧50mm起弯-4个保护层+钢筋的斜段长+下层钢筋锚固入梁内+支座锚固值5钢筋—上部下排钢筋=Ln/4+支座宽+6钢筋—下部钢筋=Ln--保护层+15d2、箍筋1、如果悬臂跨的截面为变截面,这时我们要同时输入其端部截面尺寸与根部梁高,这主要会影响悬臂梁截面的箍筋的长度计算,上部钢筋存在斜长的时候,斜段的高度及下部钢筋的长度;如果没有发生变截面的情况,我们只需在“截面”输入其端部尺寸即可;2、悬臂梁的箍筋根数计算时应不减去次梁的宽度;根据修定版03G101-1的66页;第二节其他梁一、非框架梁在03G101-1中,对于非框架梁的配筋简单的解释,与框架梁钢筋处理的不同之处在于:1、普通梁箍筋设置时不再区分加密区与非加密区的问题;2、下部纵筋锚入支座只需12d;3、上部纵筋锚入支座,不再考虑+5d的判断值;未尽解释请参考03G101-1说明;二、框支梁1、框支梁的支座负筋的延伸长度为Ln/3;2、下部纵筋端支座锚固值处理同框架梁;3、上部纵筋中第一排主筋端支座锚固长度=支座宽度-保护层+梁高-保护层+Lae,第二排主筋锚固长度≥Lae;4、梁中部筋伸至梁端部水平直锚,再横向弯折15d;5、箍筋的加密范围为≥≥;7、侧面构造钢筋与抗扭钢筋处理与框架梁一致;第二章剪力墙在钢筋工程量计算中剪力墙是最难计算的构件,具体体现在:1、剪力墙包括墙身、墙梁、墙柱、洞口,必须要整考虑它们的关系;2、剪力墙在平面上有直角、丁字角、十字角、斜交角等各种转角形式;3、剪力墙在立面上有各种洞口;4、墙身钢筋可能有单排、双排、多排,且可能每排钢筋不同;5、墙柱有各种箍筋组合;6、连梁要区分顶层与中间层,依据洞口的位置不同还有不同的计算方法;需要计算的工程量第一节剪力墙墙身一、剪力墙墙身水平钢筋1、墙端为暗柱时A、外侧钢筋连续通过外侧钢筋长度=墙长-保护层内侧钢筋=墙长-保护层+弯折B、外侧钢筋不连续通过外侧钢筋长度=墙长-保护层+内侧钢筋长度=墙长-保护层+弯折暗拄与墙身相平水平钢筋根数=层高/间距+1暗梁、连梁墙身水平筋照设2、墙端为端柱时A、外侧钢筋连续通过外侧钢筋长度=墙长-保护层内侧钢筋=墙净长+锚固长度弯锚、直锚B、外侧钢筋不连续通过外侧钢筋长度=墙长-保护层+内侧钢筋长度=墙净长+锚固长度弯锚、直锚水平钢筋根数=层高/间距+1暗梁、连梁墙身水平筋照设注意:如果剪力墙存在多排垂直筋和水平钢筋时,其中间水平钢筋在拐角处的锚固措施同该墙的内侧水平筋的锚固构造;3、剪力墙墙身有洞口时端拄突出墙当剪力墙墙身有洞口时,墙身水平筋在洞口左右两边截断,分别向下弯折15d; 当剪力墙墙身有洞口时,墙身水平筋在洞口左右两边截断,分别向下弯折15d;二、剪力墙墙身竖向钢筋1、首层墙身纵筋长度=基础插筋+首层层高+伸入上层的搭接长度2、中间层墙身纵筋长度=本层层高+伸入上层的搭接长度3、顶层墙身纵筋长度=层净高+顶层锚固长度墙身竖向钢筋根数=墙净长/间距+1墙身竖向钢筋从暗柱、端柱边50mm开始布置中间层无变截面中间层变截面顶层内墙顶层外墙4、剪力墙墙身有洞口时,墙身竖向筋在洞口上下两边截断,分别横向弯折15d;三、墙身拉筋1、长度=墙厚-保护层+弯钩弯钩长度=+2D2、根数=墙净面积/拉筋的布置面积注:墙净面积是指要扣除暗端柱、暗连梁,即墙面积-门洞总面积-暗柱剖面积 - 暗梁面积;拉筋的面筋面积是指其横向间距×竖向间距;例:80003840/600600第二节剪力墙墙柱一、纵筋1、首层墙柱纵筋长度=基础插筋+首层层高+伸入上层的搭接长度2、中间层墙柱纵筋长度=本层层高+伸入上层的搭接长度3、顶层墙柱纵筋长度=层净高+顶层锚固长度注意:如果是端柱,顶层锚固要区分边、中、角柱,要区分外侧钢筋和内侧钢筋;因为端柱可以看作是框架柱,所以其锚固也同框架柱相同;二、箍筋:依据设计图纸自由组合计算;第三节剪力墙墙梁一、连梁1、受力主筋顶层连梁主筋长度=洞口宽度+左右两边锚固值Lae中间层连梁纵筋长度=洞口宽度+左右两边锚固值Lae2、箍筋顶层连梁,纵筋长度范围内均布置箍筋即N=LAE-100/150+12+洞口宽-502/间距+1顶层中间层连梁,洞口范围内布置箍筋,洞口两边再各加一根即N=洞口宽-502/间距+1中间层二、暗梁 1、主筋长度=暗梁净长+锚固 2、箍筋第三章柱 KZ钢筋的构造连接第一章基础层一、柱主筋基础插筋=基础底板厚度-保护层+伸入上层的钢筋长度+Max{10D,200mm} 二、基础内箍筋基础内箍筋的作用仅起一个稳固作用,也可以说是防止钢筋在浇注时受到挠动;一般是按2根进行计算软件中是按三根; 第二章中间层一、柱纵筋 1、 KZ中间层的纵向钢筋=层高-当前层伸出地面的高度+上一层伸出楼地面的高度二、柱箍筋 1、KZ中间层的箍筋根数=N个加密区/加密区间距+N+非加密区/非加密区间距-1 03G101-1中,关于柱箍筋的加密区的规定如下 1首层柱箍筋的加密区有三个,分别为:下部的箍筋加密区长度取Hn/3;上部取Max{500,柱长边尺寸,Hn/6};梁节点范围内加密;如果该柱采用绑扎搭接,那么搭接范围内同时需要加密; 2首层以上柱箍筋分别为:上、下部的箍筋加密区长度均取Max{500,柱长边尺寸,Hn/6};梁节点范围内加密;如果该柱采用绑扎搭接,那么搭接范围内同时需要加密; 第三节顶层顶层KZ因其所处位置不同,分为角柱、边柱和中柱,也因此各种柱纵筋的顶层锚固各不相同;参看03G101-1第37、38页一、角柱角柱顶层纵筋长度=层净高Hn+顶层钢筋锚固值,那么角柱顶层钢筋锚固值是如何考虑的呢弯锚≦Lae:梁高-保护层+12da、内侧钢筋锚固长度为直锚≧Lae:梁高-保护层≧b、外侧钢筋锚固长度为柱顶部第一层:≧梁高-保护层+柱宽-保护层+8d柱顶部第二层:≧梁高-保护层+柱宽-保护层注意:在GGJ 中,内侧钢筋锚固长度为弯锚≦Lae:梁高-保护层+12d直锚≧Lae:梁高-保护层外侧钢筋锚固长度=Max{ ,梁高-保护层+柱宽-保护层}二、边柱边柱顶层纵筋长度=层净高Hn+顶层钢筋锚固值,那么边柱顶层钢筋锚固值是如何考虑的呢边柱顶层纵筋的锚固分为内侧钢筋锚固和外侧钢筋锚固:a、内侧钢筋锚固长度为弯锚≦Lae:梁高-保护层+12d直锚≧Lae:梁高-保护层b、外侧钢筋锚固长度为:≧注意:在GGJ 中,内侧钢筋锚固长度为弯锚≦Lae:梁高-保护层+12d直锚≧Lae:梁高-保护层外侧钢筋锚固长度=Max{ ,梁高-保护层+柱宽-保护层}三、中柱中柱顶层纵筋长度=层净高Hn+顶层钢筋锚固值,那么中柱顶层钢筋锚固值是如何考虑的呢中柱顶层纵筋的锚固长度为弯锚≦Lae:梁高-保护层+12d直锚≧Lae:梁高-保护层注意:在GGJ 中,处理同上;第四章板在实际工程中,我们知道板分为预制板和现浇板,这里主要分析现浇板的布筋情况;板筋主要有:受力筋单向或双向,单层或双层、支座负筋、分布筋、附加钢筋角部附加放射筋、洞口附加钢筋、撑脚钢筋双层钢筋时支撑上下层;一、受力筋软件中,受力筋的长度是依据轴网计算的;受力筋长度=轴线尺寸+左锚固+右锚固+两端弯钩如果是Ⅰ级筋;根数=轴线长度-扣减值/布筋间距+1二、负筋及分布筋负筋长度=负筋长度+左弯折+右弯折负筋根数=布筋范围-扣减值/布筋间距+1分布筋长度=负筋布置范围长度-负筋扣减值负筋分布筋根数=负筋输入界面中负筋的长度/分布筋间距+1三、附加钢筋角部附加放射筋、洞口附加钢筋、支撑钢筋双层钢筋时支撑上下层根据实际情况直接计算钢筋的长度、根数即可,在软件中可以利用直接输入法输入计算;第五章常见问题为什么钢筋计算中,135o弯钩我们在软件中计算为我们软件中箍筋计算时取的实际上是弯钩加上量度差值的结果,我们知道弯钩平直段长度是10D,那么量度差值应该是,下面我们推导一下这个量度差值的来历:按照外皮计算的结果是1000+300;如果按照中心线计算那么是:1000-D/2-d+135/360D/2+d/22+300,这里D取的是规范规定的最小半径,此时用后面的式子减前面的式子的结果是:≈;梁中出现两种吊筋时如何处理在吊筋信息输入框中用“/”将两种不同的吊筋连接起来放到“吊筋输入框中”如2B22/2B25;而后面的次梁宽度按照与吊筋一一对应的输入进去如250/3002B22对应250梁宽;2B25对应300梁宽当梁的中间支座两侧的钢筋不同时,软件是如何处理的当梁的中间支座两侧的钢筋不同时,我们在软件直接输入当前跨右支座负筋和下一跨左支座负筋的钢筋;软件计算的原则是支座两侧的钢筋相同,则通过;不同则进行锚固;判断原则是输入格式相同则通过,不同则锚固;如右支座负筋为5B22,下一跨左支座负筋为5B22+2B20,则5根22的钢筋通过支座,2根20锚固在支座;梁变截面在软件中是如何处理的在软件中,梁的变截面情况分为两种:1、当高差>1/6的梁高时,无论两侧的格式是否相同,两侧的钢筋全部按锚固进行计算;弯折长度为15d+高差;2、当高差<1/6的梁高时,按支座两侧的钢筋不同的判断条件进行处理;如果框架柱的混凝土强度等级发生变化,我们如何处理柱纵筋如果框架柱的混凝土强度等级发生变化,柱纵筋的处理分两种情况:1、若柱纵筋采用电渣压力焊,则按柱顶层的混凝土强度等级设置;2、若柱纵筋采用绑扎搭接,例如1~2层为C45,3~10层为C35,则柱要分开来建立两个构件:一个为C45,为3层,但3层只输入构件截面尺寸及层高,目的是不让2层作为顶层计算锚固;另一个构件建立1~10层,1~2层只输入构件截面尺寸及层高,钢筋信息自3层开始输入,这样就可以解决问题了;每米高圆形柱螺旋钢筋长度计算公式:L=NPP+D-2b+do^2π^2^+两个弯钩长度式中: N=螺旋圈数,N=L/PL为构件长即圆形柱长 P=螺距 D=构件直径 do=螺旋钢筋的直径 b=保护层厚度. 另外:钢筋理论质量=钢筋计算长度该钢筋每米质量钢筋总耗质量=钢筋理论质量1+钢筋铁件损耗率钢筋理论质量计算捷径:钢筋理论质量=钢筋直径的平方以毫米为单位。
钢筋符号大全个人总结以下是我个人总结的钢筋符号大全:
1. 图例符号:
- 直径符号:⌀
- 钢筋直径加号:Ø
- 竖线符号:|
- 横线符号:-
- 叉符号:×
- 牛角符号:∠
- 弧线符号:~
- 圆心符号:o
- 三角符号:△
- 方框符号:[]
- 双线符号:==
- 斜线符号:/
2. 钢筋标记符号:
- 纵向钢筋标记:|
- 横向钢筋标记:-
- 钢筋框标记:[]
- 钢筋双向标记:==
- 钢筋多层标记:||
- 钢筋步距标记:/
- 钢筋交叉标记:X
- 钢筋箭头标记:->
- 钢筋框内标记:{}
- 钢筋钩子标记:J
- 钢筋弯折标记:S
请注意,这只是我个人总结的一些常见钢筋符号,实际使用中可能会有更多的符号和标记方式。
在具体工程中,最好根据所用的设计规范和图纸标准来确定钢筋符号的使用方式。
如何看钢筋图纸热扎钢筋等级和直径符号强度等级代号外形钢种公称直径mm符号主要用途常用材料HPB235 光圆低碳钢8--20 非预应力Q235HRB335月牙肋合金钢6--50非预应力、预应力20MnSiHRB400 6--50 25MnSi RRB400 6--50 预应力40Si2MnV钢筋的标注在图样中一般采用引出线的方法,具体有以下两种标注方法:①标注钢筋的根数、直径和等级②标注钢筋的等级、直径和相邻钢筋中心距3Ф20:Ф8 @ 200:3:表示钢筋的根数Ф:表示钢筋等级直径符号20:表示钢筋直径Ф:表示钢筋等级直径符号8:表示钢筋直径@:相等中心距符号200:相邻钢筋的中心距(≤200mm)一般钢筋的表示方法名称图例名称图例名称图例钢筋断面带直钩的钢筋端部半圆形弯钩的钢筋塔接无弯钩的钢筋端部带丝扣钢筋端部半直钩的钢筋端部半圆形弯钩的钢筋端部无弯钩的钢筋塔接套管接头常用构件的代号序号名称代号序号名称代号序号名称代号1板B15吊车梁DL29基础J 2屋面板WB16圈梁QL30设备基础SJ 3空心板KB17过梁GL31桩ZH 4槽形板CB18连系梁LL32柱间支撑ZC一、梁上主筋和梁下主筋同时表示方法:⑴3Φ22,3Φ20 表示上部钢筋为3Φ22, 下部钢筋为3Φ20。
⑵2φ12,3Φ18 表示上部钢筋为2φ12, 下部钢筋为3Φ18。
⑶4Φ25,4Φ25 表示上部钢筋为4Φ25, 下部钢筋为4Φ25。
⑷3Φ25,5Φ25 表示上部钢筋为3Φ25, 下部钢筋为5Φ25。
二、梁上部钢筋表示方法:(标在梁上支座处)⑴2Φ20 表示两根Φ20的钢筋,通长布置,用于双肢箍。
⑵2Φ22+(4Φ12)表示2Φ22 为通长,4φ12架立筋,用于六肢箍。
⑶6Φ25 4/2 表示上部钢筋上排为4Φ25,下排为2Φ25。
⑷2Φ22+ 2Φ22 表示只有一排钢筋,两根在角部,两根在中部,均匀布置。
三、梁腰中钢筋表示方法:⑴G2φ12 表示梁两侧的构造钢筋,每侧一根φ12。
如何看钢筋图纸常用构件代号(部分)热扎钢筋等级和直径符号强度等级代号外形钢种公称直径mm符号主要用途常用材料HPB235 光圆低碳钢8--20 非预应力Q235HRB335月牙肋合金钢6--50非预应力、预应力20MnSiHRB4006--50 25MnSi RRB4006--50 预应力40Si2MnV 钢筋的标注在图样中一般采用引出线的方法,具体有以下两种标注方法:①标注钢筋的根数、直径和等级②标注钢筋的等级、直径和相邻钢筋中心距3Ф20:Ф8 @ 200:3:表示钢筋的根数Ф:表示钢筋等级直径符号20:表示钢筋直径Ф:表示钢筋等级直径符号8:表示钢筋直径@:相等中心距符号200:相邻钢筋的中心距(≤200mm)一般钢筋的表示方法名称图例名称图例名称图例钢筋断面带直钩的钢筋端部半圆形弯钩的钢筋塔接无弯钩的钢筋端部带丝扣钢筋端部半直钩的钢筋端部半圆形弯钩无弯钩的套管接头常用构件的代号一、梁上主筋和梁下主筋同时表示方法:⑴3Φ22,3Φ20 表示上部钢筋为3Φ22, 下部钢筋为3Φ20。
⑵2φ12,3Φ18 表示上部钢筋为2φ12, 下部钢筋为3Φ18。
⑶4Φ25,4Φ25 表示上部钢筋为4Φ25, 下部钢筋为4Φ25。
⑷3Φ25,5Φ25 表示上部钢筋为3Φ25, 下部钢筋为5Φ25。
二、梁上部钢筋表示方法:(标在梁上支座处)⑴2Φ20 表示两根Φ20的钢筋,通长布置,用于双肢箍。
⑵2Φ22+(4Φ12)表示2Φ22 为通长,4φ12架立筋,用于六肢箍。
⑶6Φ25 4/2 表示上部钢筋上排为4Φ25,下排为2Φ25。
⑷2Φ22+ 2Φ22 表示只有一排钢筋,两根在角部,两根在中部,均匀布置。
三、梁腰中钢筋表示方法:⑴G2φ12 表示梁两侧的构造钢筋,每侧一根φ12。
⑵G4Φ14 表示梁两侧的构造钢筋,每侧两根Φ14。
⑶N2Φ22 表示梁两侧的抗扭钢筋,每侧一根Φ22。
⑷N4Φ18 表示梁两侧的抗扭钢筋,每侧两根Φ18。
如何瞧钢筋图纸热扎钢筋等级与直径符号强度等级代号外形钢种公称直径mm符号主要用途常用材料HPB235 光圆低碳钢8--20 非预应力Q235HRB335月牙肋合金钢6--50非预应力、预应力20MnSiHRB400 6--50 25MnSi RRB400 6--50 预应力40Si2MnV 钢筋的标注在图样中一般采用引出线的方法,具体有以下两种标注方法:①标注钢筋的根数、直径与等级②标注钢筋的等级、直径与相邻钢筋中心距3Ф20: Ф8 @ 200:3:表示钢筋的根数Ф:表示钢筋等级直径符号20:表示钢筋直径Ф:表示钢筋等级直径符号8:表示钢筋直径@:相等中心距符号200:相邻钢筋的中心距(≤200mm)一般钢筋的表示方法名称图例名称图例名称图例钢筋断面带直钩的钢筋端部半圆形弯钩的钢筋塔接无弯钩的钢筋端部带丝扣钢筋端部半直钩的钢筋端部半圆形弯钩的钢筋端部无弯钩的钢筋塔接套管接头常用构件的代号序号名称代号序号名称代号序号名称代号1板B15吊车梁DL29基础J 2屋面板WB16圈梁QL30设备基础SJ 3空心板KB17过梁GL31桩ZH 4槽形板CB18连系梁LL32柱间支撑ZC 5折板ZB19基础梁JL33垂直支撑CC 6密筋板MB20楼梯梁TL34水平支撑SC 7楼梯板TB21懔条LT35梯T 8盖板或沟盖板GB22屋架WJ36雨蓬YP⑴3Φ22,3Φ20 表示上部钢筋为3Φ22, 下部钢筋为3Φ20。
⑵2φ12,3Φ18 表示上部钢筋为2φ12, 下部钢筋为3Φ18。
⑶4Φ25,4Φ25 表示上部钢筋为4Φ25, 下部钢筋为4Φ25。
⑷3Φ25,5Φ25 表示上部钢筋为3Φ25, 下部钢筋为5Φ25。
二、梁上部钢筋表示方法:(标在梁上支座处)⑴2Φ20 表示两根Φ20的钢筋,通长布置,用于双肢箍。
⑵2Φ22+(4Φ12) 表示2Φ22 为通长,4φ12架立筋,用于六肢箍。
⑶6Φ25 4/2 表示上部钢筋上排为4Φ25,下排为2Φ25。
如何看钢筋图纸之袁州冬雪创作热扎钢筋等级和直径符号强度等级代号外形钢种公称直径mm符号主要用途常常使用资料HPB235 光圆低碳钢8--20 非预应力Q235HRB335月牙肋合金钢6--50非预应力、预应力20MnSiHRB400 6--50 25MnSi RRB400 6--50 预应力40Si2MnV在图样中一般采取引出线的方法,详细有以下两种标注方法:①标注钢筋的根数、直径和等级②标注钢筋的等级、直径和相邻钢筋中心距3Ф20:Ф8 @ 200:3:暗示钢筋的根数Ф:暗示钢筋等级直径符号20:暗示钢筋直径Ф:暗示钢筋等级直径符号8:暗示钢筋直径@:相等中心距符号200:相邻钢筋的中心距(≤200mm)一般钢筋的暗示方法称号图例称号图例称号图例钢筋断面带直钩的钢筋端部半圆形弯钩的钢筋塔接无弯钩的钢筋端部带丝扣钢筋端部半直钩的钢筋端部半圆形弯钩的钢筋端部无弯钩的钢筋塔接套管接头序号称号代号序号称号代号序号称号代号1板B15吊车梁DL29基础J 2屋面板WB16圈梁QL30设备基础SJ 3空心板KB17过梁GL31桩ZH 4槽形板CB18连络梁LL32柱间支撑ZC 5折板ZB19基础梁JL33垂直支撑CC 6密筋板MB20楼梯梁TL34水平支撑SC 7楼梯板TB21懔条LT35梯T 8盖板或沟盖板GB22屋架WJ36雨蓬YP一、梁上主筋和梁下主筋同时暗示方法:⑴ 3Φ22,3Φ20 暗示上部钢筋为3Φ22, 下部钢筋为3Φ20.⑵ 2φ12,3Φ18 暗示上部钢筋为2φ12, 下部钢筋为3Φ18.⑶ 4Φ25,4Φ25 暗示上部钢筋为4Φ25, 下部钢筋为4Φ25.⑷ 3Φ25,5Φ25 暗示上部钢筋为3Φ25, 下部钢筋为5Φ25.二、梁上部钢筋暗示方法:(标在梁上支座处)⑴2Φ20 暗示两根Φ20的钢筋,通长安插,用于双肢箍.⑵ 2Φ22+(4Φ12)暗示2Φ22 为通长,4φ12架立筋,用于六肢箍.⑶6Φ254/2 暗示上部钢筋上排为4Φ25,下排为2Φ25.⑷ 2Φ22+ 2Φ22 暗示只有一排钢筋,两根在角部,两根在中部,平均安插. 三、梁腰中钢筋暗示方法:⑴G2φ12 暗示梁两侧的构造钢筋,每侧一根φ12.⑵G4Φ14 暗示梁两侧的构造钢筋,每侧两根Φ14.⑶N2Φ22 暗示梁两侧的抗扭钢筋,每侧一根Φ22.⑷N4Φ18 暗示梁两侧的抗扭钢筋,每侧两根Φ18.四、梁下部钢筋暗示方法:(标在梁的下部)⑴4Φ25 暗示只有一排主筋,4Φ25 全部伸入支座内. ⑵6Φ25 2/4 暗示有两排钢筋,上排筋为2Φ25,下排筋4Φ25. ⑶6Φ25 (-2 )/4 暗示有两排钢筋,上排筋为2Φ25,不伸入支座,下排筋4Φ25,全部伸入支座.⑷ 2Φ25 + 3Φ22(-3)/ 5Φ25 暗示有两排筋,上排筋为5根.2Φ25伸入支座,3Φ22,不伸入支座.下排筋 5Φ25,通长安插.一、箍筋暗示方法:⑴φ10@100/200(2) 暗示箍筋为φ10 ,加密区间距100,非加密区间距200,全为双肢箍. ⑵φ10@100/200(4) 暗示箍筋为φ10 ,加密区间距100,非加密区间距200,全为四肢箍. ⑶φ8@200(2) 暗示箍筋为φ8,间距为200,双肢箍. ⑷φ8@100(4)/150(2) 暗示箍筋为φ8,加密区间距100,四肢箍,非加密区间距150,双肢箍.一、梁上主筋和梁下主筋同时暗示方法:⑴ 3Φ22,3Φ20 暗示上部钢筋为3Φ22, 下部钢筋为3Φ20.⑵ 2φ12,3Φ18 暗示上部钢筋为2φ12, 下部钢筋为3Φ18.⑶ 4Φ25,4Φ25 暗示上部钢筋为4Φ25, 下部钢筋为4Φ25.⑷ 3Φ25,5Φ25 暗示上部钢筋为3Φ25, 下部钢筋为5Φ25.二、梁上部钢筋暗示方法:(标在梁上支座处)⑴2Φ20 暗示两根Φ20的钢筋,通长安插,用于双肢箍.⑵ 2Φ22+(4Φ12)暗示2Φ22 为通长,4φ12架立筋,用于六肢箍.⑶6Φ25 4/2 暗示上部钢筋上排为4Φ25,下排为2Φ25.⑷ 2Φ22+ 2Φ22 暗示只有一排钢筋,两根在角部,两根在中部,平均安插. 三、梁腰中钢筋暗示方法:⑴G2φ12 暗示梁两侧的构造钢筋,每侧一根φ12.⑵G4Φ14 暗示梁两侧的构造钢筋,每侧两根Φ14.⑶N2Φ22 暗示梁两侧的抗扭钢筋,每侧一根Φ22.⑷N4Φ18 暗示梁两侧的抗扭钢筋,每侧两根Φ18. 四、梁下部钢筋暗示方法:(标在梁的下部)⑴4Φ25 暗示只有一排主筋,4Φ25 全部伸入支座内.⑵ 6Φ25 2/4 暗示有两排钢筋,上排筋为2Φ25,下排筋4Φ25. ⑶6Φ25 (-2 )/4 暗示有两排钢筋,上排筋为2Φ25,不伸入支座,下排筋4Φ25,全部伸入支座.⑷ 2Φ25 + 3Φ22(-3)/ 5Φ25 暗示有两排筋,上排筋为5根.2Φ25伸入支座,3Φ22,不伸入支座.下排筋5Φ25,通长安插. 五、标注示例:KL7(3)300×700 Y500×250φ10@100/200(2) 2Φ25N4Φ18(-0.100)4Φ25 6Φ25 4/2 6Φ25 4/2 6Φ25 4/2 4Φ25 □———————————□———————□———————————□4Φ25 2Φ25 4Φ25300×700N4φ10 KL7(3) 300×700 暗示框架梁7,有三跨,断面宽300,高700.Y500×250 暗示梁下加腋,宽500,高250.N4Φ18 暗示梁腰中抗扭钢筋.φ10@100/200(2) 2Φ25 暗示箍筋和架立筋.暗示梁上皮标高.钢筋混凝土粘结锚固才能可以由四种途径得到:①钢筋与混凝土接触面上化学吸附作用力,也称胶结力.②混凝土收缩,将钢筋牢牢握固而发生磨擦力.③钢筋概况凹凸不服与混凝土之间发生的机械咬合作用,也称咬合力.④钢筋端部加弯钩、弯折或在锚固区焊短钢筋、焊角钢来提供锚固才能. 为了呵护钢筋、防腐蚀、防火以及加强钢筋与混凝土的粘结力,在构件中的钢筋外面要留有呵护层(图 3.3.3).根据钢筋混凝土布局设计规范规定,梁、柱的呵护层最小厚度为25mm,板和墙的呵护层厚度为10~15mm. 正筋就是正弯矩筋,简单的说,就是对于受弯构件来讲,如梁板等,下部受拉的部位的钢筋,对于持续梁板,一般就在跨中, 同理,负筋一般在支座处(上部受拉)通长钢筋就是指在所标的区段内通长设置,直径可以不相同,可以采取搭接毗连形式,包管梁各个部位的这个部分钢筋都能发挥其抗拉强度,而且两头应按受拉锚固的钢筋贯通筋是指贯穿于构件(如梁)整个长度的钢筋,中间既不弯起也不中断,当钢筋过长时可以搭接或焊接,但不改变直径.贯通筋既可以是受力钢筋,也可以是架力钢筋.支座有负筋,是相对而言的,一般应该是指梁的支座部位用以抵消负弯矩的钢筋,俗称担担筋.一般布局构件受力弯矩分正弯矩和负弯矩,抵抗负弯矩所配备的钢筋称为负筋,一般指板、梁的上部钢筋,有些上部配置的构造钢筋习惯上也称为负筋.当梁、板的上部钢筋通长时,大家也习惯地称之为上部钢筋. 至于端支座负筋,中间支座负筋就是两头的和中间的盖筋又名盖铁、扣筋,通常设置在板的支座(端支座,中间支座),位置在板的上皮,其作用是抵抗板的负弯矩,也可以叫板负筋现在板中差未几都有两层,下层筋都是通长的,应该叫主筋,而板负筋是架起来的,板负筋根据设计的分歧也纷歧样,有板上全放的,也有不全放的,不全放的设计一般是长度有梁短跨的1/4吊筋是将作用于混凝土梁式构件底部的集中力传递至顶部,是提高梁承受集中荷载抗剪才能的一种钢筋,形状如元宝,又称为元宝筋. 主要作用是:由于梁的某部受到大的集中荷载作用,能够会使梁上引起斜裂痕,特别是力作用在受拉区内,为了使梁体不发生部分严重破坏,同时使梁体的资料发挥各自的作用而设置的,主要安插在剪力有大幅突变部位,防止该部位发生过大的裂痕,引起布局的破坏,就必须配吊筋了,还要加配附加箍筋.“腹筋”作用:梁的抗扭它在设计上属构造配筋,即力学上不必设计计算详细力的大小,按国家设计规范的构造要求查得此数据.当梁高大到一定要求时,就得加设腰筋,按多少、加多大规格按构造要求规范查得.1、什么是负弯矩:在弯矩图上(如果你学过布局力学你可以跳过这一部分),向上弯起的弯矩是正弯矩,反之,向下弯起的弯矩就是负弯矩;打个比方,你用手拗一只筷子,向下拗的时候,是筷子下部先断;这是正弯矩,向上拗的时候,是是筷子上部先断,这是负弯矩;大白了正负弯的区别,你便可以往下看了;2、为抵抗负弯矩而设置的钢筋就叫负弯矩筋,在工地上常常简称为“负筋”,一般来讲,常碰到的负弯矩筋有两种,一种是楼板与梁交接的地方,也就是楼板“生根”的地方,在这个地方,在楼板受力的影响下,应该是梁面受力,对楼板来讲,这就是负弯矩筋,一般长度为跨过梁面1米左右;另外一种就是梁的支座处,因为梁支端两头受向下的弯矩,在梁支座处,存在负弯矩,这是一个关键部位,常按锚固要求放一定的负筋 3、依据GB50010-2002,在温度,收缩应力较大的现浇板区域内,钢筋间距宜取为150~200MM,并应在板的未配筋概况安插温度收缩钢筋. 温度收缩钢筋可操纵原有钢筋贯通安插,也可另行设置构造钢筋网,并与原有钢筋按受拉钢筋的要求搭接或在周边构件中锚固钢筋算量基本方法第一章梁第一节框架梁一、首跨钢筋的计算1、上部贯通筋上部贯通筋(上通长筋1)长度=通跨净跨长+首尾端支座锚固值2、端支座负筋端支座负筋长度:第一排为Ln/3+端支座锚固值;第二排为Ln/4+端支座锚固值3、下部钢筋下部钢筋长度=净跨长+左右支座锚固值注意:下部钢筋不管分排与否,计算的成果都是一样的,所以我们在标注梁的下部纵筋时可以不输入分排信息. 以上三类钢筋中均涉及到支座锚固问题,那末,在软件中是如何实现03G101-1中关于支座锚固的断定呢?现在我们来总结一下以上三类钢筋的支座锚固断定问题:支座宽≥Lae且≥0.5Hc+5d,为直锚,取Max{Lae,0.5Hc+5d }.钢筋的端支座锚固值=支座宽≤Lae或≤0.5Hc+5d,为弯锚,取Max{Lae,支座宽度-呵护层+15d }.钢筋的中间支座锚固值=Max{Lae,0.5Hc+5d }4、腰筋构造钢筋:构造钢筋长度=净跨长+2×15d抗扭钢筋:算法同贯通钢筋5、拉筋拉筋长度=(梁宽-2×呵护层)+2×11.9d(抗震弯钩值)+2d拉筋根数:如果我们没有在平法输入中给定拉筋的布筋间距,那末拉筋的根数=(箍筋根数/2)×(构造筋根数/2);如果给定了拉筋的布筋间距,那末拉筋的根数=布筋长度/布筋间距.6、箍筋箍筋长度=(梁宽-2×呵护层+梁高-2×呵护层)+2×11.9d+8d箍筋根数=(加密区长度/加密区间距+1)×2+(非加密区长度/非加密区间距-1)+1注意:因为构件扣减呵护层时,都是扣至纵筋的外皮,那末,我们可以发现,拉筋和箍筋在每一个呵护层处均被多扣掉了直径值;而且我们在预算中计算钢筋长度时,都是依照外皮计算的,所以软件自动会将多扣掉的长度在补偿回来,由此,拉筋计算时增加了2d,箍筋计算时增加了8d.(如下图所示)7、吊筋吊筋长度=2*锚固+2*斜段长度+次梁宽度+2*50,其中框梁高度>800mm 夹角=60°≤800mm 夹角=45°二、中间跨钢筋的计算1、中间支座负筋中间支座负筋:第一排为Ln/3+中间支座值+Ln/3;第二排为Ln/4+中间支座值+Ln/4注意:当中间跨两头的支座负筋延伸长度之和≥该跨的净跨长时,其钢筋长度:第一排为该跨净跨长+(Ln/3+前中间支座值)+(Ln/3+后中间支座值);第二排为该跨净跨长+(Ln/4+前中间支座值)+(Ln/4+后中间支座值).其他钢筋计算同首跨钢筋计算.三、尾跨钢筋计算近似首跨钢筋计算四、悬臂跨钢筋计算1、主筋软件配合03G101-1,在软件中主要有六种形式的悬臂钢筋,如下图所示这里,我们以2#、5#及6#钢筋为例停止分析:2#钢筋—悬臂上通筋=(通跨)净跨长+梁高+次梁宽度+钢筋距次梁内侧50mm起弯-4个呵护层+钢筋的斜段长+下层钢筋锚固入梁内+支座锚固值5#钢筋—上手下排钢筋=Ln/4+支座宽+0.75L6#钢筋—下部钢筋=Ln--呵护层+15d2、箍筋(1)、如果悬臂跨的截面为变截面,这时我们要同时输入其端部截面尺寸与根部梁高,这主要会影响悬臂梁截面的箍筋的长度计算,上部钢筋存在斜长的时候,斜段的高度及下部钢筋的长度;如果没有发生变截面的情况,我们只需在“截面”输入其端部尺寸即可.(2)、悬臂梁的箍筋根数计算时应不减去次梁的宽度;根据修定版03G101-1的66页.第二节其他梁一、非框架梁在03G101-1中,对于非框架梁的配筋简单的诠释,与框架梁钢筋处理的分歧之处在于:1、普通梁箍筋设置时不再区分加密区与非加密区的问题;2、下部纵筋锚入支座只需12d;3、上部纵筋锚入支座,不再思索0.5Hc+5d的断定值. 未尽诠释请参考03G101-1说明.二、框支梁1、框支梁的支座负筋的延伸长度为Ln/3;2、下部纵筋端支座锚固值处理同框架梁;3、上部纵筋中第一排主筋端支座锚固长度=支座宽度-呵护层+梁高-呵护层+Lae,第二排主筋锚固长度≥Lae;4、梁中部筋伸至梁端部水平直锚,再横向弯折15d;5、箍筋的加密范围为≥≥1.5hb;7、正面构造钢筋与抗扭钢筋处理与框架梁一致.第二章剪力墙在钢筋工程量计算中剪力墙是最难计算的构件,详细体现在:1、剪力墙包含墙身、墙梁、墙柱、洞口,必须要整思索它们的关系;2、剪力墙在平面上有直角、丁字角、十字角、斜交角等各种转角形式;3、剪力墙在立面上有各种洞口;4、墙身钢筋能够有单排、双排、多排,且能够每排钢筋分歧;5、墙柱有各种箍筋组合;6、连梁要区分顶层与中间层,依据洞口的位置分歧还有分歧的计算方法.需要计算的工程量第一节剪力墙墙身一、剪力墙墙身水平钢筋1、墙端为暗柱时A、外侧钢筋持续通过外侧钢筋长度=墙长-呵护层内侧钢筋=墙长-呵护层+弯折B、外侧钢筋不持续通过外侧钢筋长度=墙长-呵护层+0.65Lae内侧钢筋长度=墙长-呵护层+弯折暗拄与墙身相平水平钢筋根数=层高/间距+1(暗梁、连梁墙身水平筋照设)2、墙端为端柱时A、外侧钢筋持续通过外侧钢筋长度=墙长-呵护层内侧钢筋=墙净长+锚固长度(弯锚、直锚)B、外侧钢筋不持续通过外侧钢筋长度=墙长-呵护层+0.65Lae内侧钢筋长度=墙净长+锚固长度(弯锚、直锚)水平钢筋根数=层高/间距+1(暗梁、连梁墙身水平筋照设)注意:如果剪力墙存在多排垂直筋和水平钢筋时,其中间水平钢筋在拐角处的锚固措施同该墙的内侧水平筋的锚固构造.3、剪力墙墙身有洞口时端拄突出墙当剪力墙墙身有洞口时,墙身水平筋在洞口左右双方截断,分别向下弯折15d. 当剪力墙墙身有洞口时,墙身水平筋在洞口左右双方截断,分别向下弯折15d.二、剪力墙墙身竖向钢筋1、首层墙身纵筋长度=基础插筋+首层层高+伸入上层的搭接长度2、中间层墙身纵筋长度=本层层高+伸入上层的搭接长度3、顶层墙身纵筋长度=层净高+顶层锚固长度墙身竖向钢筋根数=墙净长/间距+1(墙身竖向钢筋从暗柱、端柱边50mm开端安插)中间层无变截面中间层变截面顶层内墙顶层外墙4、剪力墙墙身有洞口时,墙身竖向筋在洞口上下双方截断,分别横向弯折15d.三、墙身拉筋1、长度=墙厚-呵护层+弯钩(弯钩长度=11.9+2*D)2、根数=墙净面积/拉筋的安插面积注:墙净面积是指要扣除暗(端)柱、暗(连)梁,即墙面积-门洞总面积-暗柱剖面积 - 暗梁面积;拉筋的面筋面积是指其横向间距×竖向间距.例:(8000*3840)/(600*600)第二节剪力墙墙柱一、纵筋1、首层墙柱纵筋长度=基础插筋+首层层高+伸入上层的搭接长度2、中间层墙柱纵筋长度=本层层高+伸入上层的搭接长度3、顶层墙柱纵筋长度=层净高+顶层锚固长度注意:如果是端柱,顶层锚固要区分边、中、角柱,要区分外侧钢筋和内侧钢筋.因为端柱可以看做是框架柱,所以其锚固也同框架柱相同.二、箍筋:依据设计图纸自由组合计算.第三节剪力墙墙梁一、连梁1、受力主筋顶层连梁主筋长度=洞口宽度+左右双方锚固值Lae中间层连梁纵筋长度=洞口宽度+左右双方锚固值Lae 2、箍筋顶层连梁,纵筋长度范围内均安插箍筋即N=(LAE-100/150+1)*2+(洞口宽-50*2)/间距+1(顶层)中间层连梁,洞口范围内安插箍筋,洞口双方再各加一根即N=(洞口宽-50*2)/间距+1(中间层)二、暗梁1、主筋长度=暗梁净长+锚固2、箍筋第三章柱KZ钢筋的构造毗连第一章基础层一、柱主筋:基础插筋=基础底板厚度-呵护层+伸入上层的钢筋长度+Max{10D,200mm}二、基础内箍筋基础内箍筋的作用仅起一个稳固作用,也可以说是防止钢筋在浇注时受到挠动.一般是按2根停止计算(软件中是按三根).第二章中间层一、柱纵筋1、 KZ中间层的纵向钢筋=层高-当前层伸出地面的高度+上一层伸出楼地面的高度二、柱箍筋1、KZ中间层的箍筋根数=N个加密区/加密区间距+N+非加密区/非加密区间距-103G101-1中,关于柱箍筋的加密区的规定如下1)首层柱箍筋的加密区有三个,分别为:下部的箍筋加密区长度取Hn/3;上部取Max{500,柱长边尺寸,Hn/6};梁节点范围内加密;如果该柱采取绑扎搭接,那末搭接范围内同时需要加密.2)首层以上柱箍筋分别为:上、下部的箍筋加密区长度均取Max{500,柱长边尺寸,Hn/6};梁节点范围内加密;如果该柱采取绑扎搭接,那末搭接范围内同时需要加密. 第三节顶层顶层KZ因其所处位置分歧,分为角柱、边柱和中柱,也因此各种柱纵筋的顶层锚固各不相同.(参看03G101-1第37、38页)一、角柱角柱顶层纵筋长度=层净高Hn+顶层钢筋锚固值,那末角柱顶层钢筋锚固值是如何思索的呢?弯锚(≦Lae):梁高-呵护层+12da、内侧钢筋锚固长度为直锚(≧Lae):梁高-呵护层≧1.5Laeb、外侧钢筋锚固长度为柱顶部第一层:≧梁高-呵护层+柱宽-呵护层+8d柱顶部第二层:≧梁高-呵护层+柱宽-呵护层注意:在GGJ V8.1中,内侧钢筋锚固长度为弯锚(≦Lae):梁高-呵护层+12d 直锚(≧Lae):梁高-呵护层外侧钢筋锚固长度=Max{1.5Lae ,梁高-呵护层+柱宽-呵护层}二、边柱边柱顶层纵筋长度=层净高Hn+顶层钢筋锚固值,那末边柱顶层钢筋锚固值是如何思索的呢?边柱顶层纵筋的锚固分为内侧钢筋锚固和外侧钢筋锚固:a、内侧钢筋锚固长度为弯锚(≦Lae):梁高-呵护层+12d直锚(≧Lae):梁高-呵护层b、外侧钢筋锚固长度为:≧1.5Lae注意:在GGJ V8.1中,内侧钢筋锚固长度为弯锚(≦Lae):梁高-呵护层+12d 直锚(≧Lae):梁高-呵护层外侧钢筋锚固长度=Max{1.5Lae ,梁高-呵护层+柱宽-呵护层}三、中柱中柱顶层纵筋长度=层净高Hn+顶层钢筋锚固值,那末中柱顶层钢筋锚固值是如何思索的呢?中柱顶层纵筋的锚固长度为弯锚(≦Lae):梁高-呵护层+12d直锚(≧Lae):梁高-呵护层注意:在GGJ V8.1中,处理同上.第四章板在实际工程中,我们知道板分为预制板和现浇板,这里主要分析现浇板的布筋情况.板筋主要有:受力筋 (单向或双向,单层或双层)、支座负筋、分布筋、附加钢筋 (角部附加放射筋、洞口附加钢筋)、撑脚钢筋 (双层钢筋时支撑上下层).一、受力筋软件中,受力筋的长度是依据轴网计算的.受力筋长度=轴线尺寸+左锚固+右锚固+两头弯钩(如果是Ⅰ≈1.9d.梁中出现两种吊筋时如何处理?在吊筋信息输入框中用“/”将两种分歧的吊筋毗连起来放到“吊筋输入框中”如2B22/2B25.而后面的次梁宽度依照与吊筋一一对应的输入出来如250/300(2B22对应250梁宽;2B25对应300梁宽)当梁的中间支座两侧的钢筋分歧时,软件是如何处理的?当梁的中间支座两侧的钢筋分歧时,我们在软件直接输入当前跨右支座负筋和下一跨左支座负筋的钢筋.软件计算的原则是支座两侧的钢筋相同,则通过;分歧则停止锚固;断定原则是输入格式相同则通过,分歧则锚固.如右支座负筋为5B22,下一跨左支座负筋为5B22+2B20,则5根22的钢筋通过支座,2根20锚固在支座.梁变截面在软件中是如何处理的?在软件中,梁的变截面情况分为两种:1、当高差>1/6的梁高时,无论两侧的格式是否相同,两侧的钢筋全部按锚固停止计算.弯折长度为15d+高差.2、当高差<1/6的梁高时,按支座两侧的钢筋分歧的断定条件停止处理.如果框架柱的混凝土强度等级发生变更,我们如何处理柱纵筋?如果框架柱的混凝土强度等级发生变更,柱纵筋的处理分两种情况:1、若柱纵筋采取电渣压力焊,则按柱顶层的混凝土强度等级设置;2、若柱纵筋采取绑扎搭接,例如1~2层为C45,3~10层为C35,则柱要分开来建立两个构件:一个为C45,为3层,但3层只输入构件截面尺寸及层高,目标是不让2层作为顶层计算锚固;另外一个构件建立1~10层,1~2层只输入构件截面尺寸及层高,钢筋信息自3层开端输入,这样便可以处理问题了.每米高圆形柱螺旋钢筋长度计算公式:L=N(P*P+(D-2b+do)^2*π。
看钢筋图钢筋符号大全总结————————————————————————————————作者:————————————————————————————————日期:如何看钢筋图纸热扎钢筋等级和直径符号强度等级代号外形钢种公称直径mm符号主要用途常用材料HPB235 光圆低碳钢8--20 非预应力Q235HRB335月牙肋合金钢6--50非预应力、预应力20MnSiHRB400 6--50 25MnSi RRB400 6--50 预应力40Si2MnV钢筋的标注在图样中一般采用引出线的方法,具体有以下两种标注方法:①标注钢筋的根数、直径和等级②标注钢筋的等级、直径和相邻钢筋中心距3Ф20:Ф8 @ 200:3:表示钢筋的根数Ф:表示钢筋等级直径符号20:表示钢筋直径Ф:表示钢筋等级直径符号8:表示钢筋直径@:相等中心距符号200:相邻钢筋的中心距(≤200mm)一般钢筋的表示方法名称图例名称图例名称图例钢筋断面带直钩的钢筋端部半圆形弯钩的钢筋塔接无弯钩的钢筋端部带丝扣钢筋端部半直钩的钢筋端部半圆形弯钩的钢筋端部无弯钩的钢筋塔接套管接头常用构件的代号序号名称代号序号名称代号序号名称代号1板B15吊车梁DL29基础J 2屋面板WB16圈梁QL30设备基础SJ 3空心板KB17过梁GL31桩ZH 4槽形板CB18连系梁LL32柱间支撑ZC5折板ZB19基础梁JL33垂直支撑CC 6密筋板MB20楼梯梁TL34水平支撑SC 7楼梯板TB21懔条LT35梯T 8盖板或沟盖板GB22屋架WJ36雨蓬YP 9挡雨板或口板檐板YB23托架TJ37阳台YT 10吊车安全走道板DB24天窗架CJ38梁垫LD 11墙板QB25框架KJ39预埋件M 12天沟板TGB26钢架GJ40天窗端壁TD 13梁L27支架ZJ41钢筋网W 14屋面梁WL28柱Z42钢筋骨架G一、梁上主筋和梁下主筋同时表示方法:⑴3Φ22,3Φ20 表示上部钢筋为3Φ22, 下部钢筋为3Φ20。
钢筋图纸符号年夜全收藏之迟辟智美创作结构施工图简称“结施”图.钢筋图纸上暗示有几种:1.梁(主、次梁,地梁,圈梁).2.柱(受力柱,构造柱).3.板(单向板,双向板),一般单向板我们很少接触.一、梁的暗示方法:1.梁上主筋和梁下部筋的暗示;(1).3Ф22;3Ф20 暗示上部钢筋为3Ф22,下部钢筋为3Ф20.(2).2Ф12;3Ф18 暗示上部钢筋为2Ф12,下部钢筋为3Ф18.(3).4Ф25;4Ф25 暗示上部钢筋为4Ф25,下部钢筋为4Ф25.(4).3Ф25;5Ф25 暗示上部钢筋为3Ф25,下部钢筋为5Ф25.2.梁上部钢筋暗示方法:标在梁上支座处(1).2Ф20 暗示两根Ф20的钢筋,通长安插,用于双支箍.(2).2Ф22+(4Ф12)暗示2Ф22为通长,4Ф12架立筋,用于四肢箍.(3).6Ф25 4/2 暗示上部钢筋上排为4Ф25,下排为2Ф25.(4).2Ф22+2Ф22 暗示只有一排钢筋,两根在角部,两根在中部,均匀安插.3.梁腰中钢筋暗示方法:(1).G2Ф12 暗示梁两侧的构造钢筋,每侧一根Ф12.(2).G4Ф14 暗示梁两侧的构造钢筋,每侧两根Ф14.(3).N2Ф22 暗示梁两侧的抗扭钢筋,每侧一根Ф22.(4).N4Ф18 暗示梁两侧的抗扭钢筋,每侧两根Ф18.标在梁的下部(1).4Ф25 暗示只有一排主筋(即受力筋),4Ф25全部伸入支座内.(2).6Ф25 2/4 暗示有两排钢筋,上排为2Ф25,下排为4Ф25,全部伸入支座.(3).6Ф25(-2)/4 暗示有两排钢筋,上排为2Ф25,不伸入支座,下排为4Ф25,全部伸入支座.(4).2Ф25+3Ф22(-3)/5Ф25 暗示有两排钢筋,上排为5根,2Ф25,伸入支座,3Ф22,不伸入支座,下排为5Ф25,通长安插,全部伸入支座.二、箍筋的暗示方法:1.Ф10@100/200(2)暗示箍筋为Ф10,加密区间为100,非加密区间为200,全为双支箍.2.Ф10@100/200(4)暗示箍筋为Ф10,加密区间为100,非加密区间为200,全为四支箍.3.Ф8@100(2)暗示箍筋为Ф8,全为双支箍.4.Ф8@100(4)/150(2)暗示箍筋为Ф8,加密区间为100,且全部用于四肢箍,非加密区间为200,且全部用于双支箍.经常使用构件代号(部份)名称代号名称代号板B 屋架WJ屋面板WB 框架KJ楼梯板TB 钢架GJ盖板或沟盖板GB 支架ZJ 墙板QB 柱Z梁L 框架柱KZ框架梁KL 基础J屋面梁WL 桩ZH吊车梁DL 梯T圈梁QL 雨篷YP过梁GL 阳台YT连系梁LL 预埋件M-基础梁JL 钢筋网W楼梯梁TL 钢筋骨架G。
如何看钢筋图纸 常用构件代号(部分)热扎钢筋等级和直径符号强度等级代号 外形钢种公称直径mm 符号主要用途常用材料HPB235光圆低碳钢 8--20非预应力Q235名称 代号 名称 代号 板 B 屋架 WJ 屋面板 W B 框架 KJ 楼梯板 TB 钢架 GJ 盖板或沟盖板GB 支架 ZJ 墙板 QB 柱 Z 梁 L 框架柱 KZ 框架梁 KL 基础 J 屋面梁 WL 桩 Z H 吊车梁 DL 梯 T 圈梁 QL 雨篷 YP 过梁 GL 阳台 YT 连系梁 LL 预埋件 M- 基础梁 JL 钢筋网 W 楼梯梁TL钢筋骨梁GHRB335月牙肋合金钢6--50非预应力、预应力20MnSiHRB4006--50 25MnSiRRB4006--50预应力40Si2MnV 钢筋的标注在图样中一般采用引出线的方法,具体有以下两种标注方法:①标注钢筋的根数、直径和等级②标注钢筋的等级、直径和相邻钢筋中心距3Ф20:Ф8 @ 200:3:表示钢筋的根数Ф:表示钢筋等级直径符号20:表示钢筋直径Ф:表示钢筋等级直径符号8:表示钢筋直径@:相等中心距符号200:相邻钢筋的中心距(≤200mm)一般钢筋的表示方法名称图例名称图例名称图例钢筋断面带直钩的钢筋端部半圆形弯钩的钢筋塔接无弯钩的钢筋端部带丝扣钢筋端部半直钩的钢筋端部半圆形弯钩的钢筋端部无弯钩的钢筋塔接套管接头常用构件的代号序号名称代号序号名称代号序号名称代号1板B15吊车梁DL29基础J 2屋面板WB16圈梁QL30设备基础SJ示上部钢筋为3Φ22, 下部钢筋为3Φ20。
⑵2φ12,3Φ18 表示上部钢筋为2φ12,下部钢筋为3Φ18。
⑶4Φ25,4Φ25表示上部钢筋为4Φ25, 下部钢筋为4Φ25。
ﻫ⑷3Φ25,5Φ25 表示上部钢筋为3Φ25, 下部钢筋为5Φ25。
ﻫ二、梁上部钢筋表示方法:(标在梁上支座处) ﻫ⑴2Φ20表示两根Φ20的钢筋,通长布置,用于双肢箍。
如何看钢筋图纸热扎钢筋等级和直径符号强度等级代号外形钢种公称直径mm符号主要用途常用材料HPB235 光圆低碳钢8--20 非预应力Q235HRB335月牙肋合金钢6--50非预应力、预应力20MnSiHRB400 6--50 25MnSiRRB400 6--50 预应力40Si2MnV 钢筋的标注在图样中一般采用引出线的方法,具体有以下两种标注方法:①标注钢筋的根数、直径和等级②标注钢筋的等级、直径和相邻钢筋中心距3Ф20:Ф8 @ 200:3:表示钢筋的根数Ф:表示钢筋等级直径符号20:表示钢筋直径Ф:表示钢筋等级直径符号8:表示钢筋直径@:相等中心距符号200:相邻钢筋的中心距(≤200mm)一般钢筋的表示方法名称图例名称图例名称图例钢筋断面带直钩的钢筋端部半圆形弯钩的钢筋塔接无弯钩的钢筋端部带丝扣钢筋端部半直钩的钢筋端部半圆形弯钩的钢筋端部无弯钩的钢筋塔接套管接头常用构件的代号一、梁上主筋和梁下主筋同时表示方法:⑴3Φ22,3Φ20 表示上部钢筋为3Φ22, 下部钢筋为3Φ20。
⑵2φ12,3Φ18 表示上部钢筋为2φ12, 下部钢筋为3Φ18。
⑶4Φ25,4Φ25 表示上部钢筋为4Φ25, 下部钢筋为4Φ25。
⑷3Φ25,5Φ25 表示上部钢筋为3Φ25, 下部钢筋为5Φ25。
二、梁上部钢筋表示方法:(标在梁上支座处)⑴2Φ20 表示两根Φ20的钢筋,通长布置,用于双肢箍。
⑵2Φ22+(4Φ12)表示2Φ22 为通长,4φ12架立筋,用于六肢箍。
⑶6Φ25 4/2 表示上部钢筋上排为4Φ25,下排为2Φ25。
⑷2Φ22+ 2Φ22 表示只有一排钢筋,两根在角部,两根在中部,均匀布置。
三、梁腰中钢筋表示方法:⑴G2φ12 表示梁两侧的构造钢筋,每侧一根φ12。
⑵G4Φ14 表示梁两侧的构造钢筋,每侧两根Φ14。
⑶N2Φ22 表示梁两侧的抗扭钢筋,每侧一根Φ22。
⑷N4Φ18 表示梁两侧的抗扭钢筋,每侧两根Φ18。
怎样看钢筋图纸之相礼和热创作热扎钢筋等级和直径符号强度等级代号外形钢种公称直径mm符号次要用处经常运用材料HPB235 光圆低碳钢8--20 非预应力Q235HRB335月牙肋合金钢6--50非预应力、预应力20MnSiHRB400 6--50 25MnSi RRB400 6--50 预应力40Si2MnV在图样中一样平常采取引出线的方法,具体有以下两种标注方法:①标注钢筋的根数、直径和等级②标注钢筋的等级、直径和相邻钢筋中心距3Ф20:Ф8 @ 200:3:暗示钢筋的根数Ф:暗示钢筋等级直径符号20:暗示钢筋直径Ф:暗示钢筋等级直径符号8:暗示钢筋直径@:相称中心距符号200:相邻钢筋的中心距(≤200mm)一样平常钢筋的暗示方法称号图例称号图例称号图例钢筋断面带直钩的钢筋端部半圆形弯钩的钢筋塔接无弯钩的钢筋端部带丝扣钢筋端部半直钩的钢筋端部半圆形弯钩的钢筋端部无弯钩的钢筋塔接套管接头序号称号代号序号称号代号序号称号代号1板B15吊车梁DL29根底J 2屋面板WB16圈梁QL30设备根底SJ 3空心板KB17过梁GL31桩ZH 4槽形板CB18连系梁LL32柱间支撑ZC 5折板ZB19根底梁JL33垂直支撑CC 6密筋板MB20楼梯梁TL34程度支撑SC 7楼梯板TB21懔条LT35梯T 8盖板或沟盖板GB22屋架WJ36雨蓬YP一、梁上主筋和梁下主筋同时暗示方法:⑴3Φ22,3Φ20 暗示上部钢筋为3Φ22, 下部钢筋为3Φ20.⑵2φ12,3Φ18 暗示上部钢筋为2φ12, 下部钢筋为3Φ18.⑶4Φ25,4Φ25 暗示上部钢筋为4Φ25, 下部钢筋为4Φ25.⑷3Φ25,5Φ25 暗示上部钢筋为3Φ25, 下部钢筋为5Φ25.二、梁上部钢筋暗示方法:(标在梁上支座处)⑴2Φ20 暗示两根Φ20的钢筋,通长安插,用于双肢箍.⑵2Φ22+(4Φ12)暗示2Φ22 为通长,4φ12架立筋,用于六肢箍.⑶6Φ25 4/2 暗示上部钢筋上排为4Φ25,下排为2Φ25.⑷ 2Φ22+ 2Φ22 暗示只要一排钢筋,两根在角部,两根在中部,均匀安插. 三、梁腰中钢筋暗示方法:⑴G2φ12 暗示梁两侧的构造钢筋,每侧一根φ12.⑵G4Φ14 暗示梁两侧的构造钢筋,每侧两根Φ14.⑶N2Φ22 暗示梁两侧的抗扭钢筋,每侧一根Φ22.⑷N4Φ18 暗示梁两侧的抗扭钢筋,每侧两根Φ18.四、梁下部钢筋暗示方法:(标在梁的下部)⑴4Φ25 暗示只要一排主筋,4Φ25 全部伸入支座内. ⑵6Φ25 2/4 暗示有两排钢筋,上排筋为2Φ25,下排筋4Φ25. ⑶ 6Φ25 (-2 )/4 暗示有两排钢筋,上排筋为2Φ25,不伸入支座,下排筋4Φ25,全部伸入支座.⑷ 2Φ25 + 3Φ22(-3)/ 5Φ25 暗示有两排筋,上排筋为5根.2Φ25伸入支座,3Φ22,不伸入支座.下排筋5Φ25,通长安插.一、箍筋暗示方法:⑴φ10@100/200(2) 暗示箍筋为φ10 ,加密区间距100,非加密区间距200,全为双肢箍. ⑵φ10@100/200(4) 暗示箍筋为φ10 ,加密区间距100,非加密区间距200,全为四肢箍. ⑶φ8@200(2) 暗示箍筋为φ8,间距为200,双肢箍. ⑷φ8@100(4)/150(2) 暗示箍筋为φ8,加密区间距100,四肢箍,非加密区间距150,双肢箍.一、梁上主筋和梁下主筋同时暗示方法:⑴3Φ22,3Φ20 暗示上部钢筋为3Φ22, 下部钢筋为3Φ20.⑵2φ12,3Φ18 暗示上部钢筋为2φ12, 下部钢筋为3Φ18.⑶4Φ25,4Φ25 暗示上部钢筋为4Φ25, 下部钢筋为4Φ25.⑷3Φ25,5Φ25 暗示上部钢筋为3Φ25, 下部钢筋为5Φ25.二、梁上部钢筋暗示方法:(标在梁上支座处)⑴2Φ20 暗示两根Φ20的钢筋,通长安插,用于双肢箍.⑵2Φ22+(4Φ12)暗示2Φ22 为通长,4φ12架立筋,用于六肢箍.⑶6Φ25 4/2 暗示上部钢筋上排为4Φ25,下排为2Φ25.⑷ 2Φ22+ 2Φ22 暗示只要一排钢筋,两根在角部,两根在中部,均匀安插. 三、梁腰中钢筋暗示方法:⑴G2φ12 暗示梁两侧的构造钢筋,每侧一根φ12.⑵G4Φ14 暗示梁两侧的构造钢筋,每侧两根Φ14.⑶N2Φ22 暗示梁两侧的抗扭钢筋,每侧一根Φ22.⑷N4Φ18 暗示梁两侧的抗扭钢筋,每侧两根Φ18. 四、梁下部钢筋暗示方法:(标在梁的下部)⑴ 4Φ25 暗示只要一排主筋,4Φ25 全部伸入支座内.⑵ 6Φ25 2/4 暗示有两排钢筋,上排筋为2Φ25,下排筋4Φ25. ⑶6Φ25 (-2 )/4 暗示有两排钢筋,上排筋为2Φ25,不伸入支座,下排筋4Φ25,全部伸入支座.⑷ 2Φ25 + 3Φ22(-3)/ 5Φ25 暗示有两排筋,上排筋为5根.2Φ25伸入支座,3Φ22,不伸入支座.下排筋5Φ25,通长安插. 五、标注示例: KL7(3)300×700 Y500×250 φ10@100/200(2) 2Φ25 N4Φ18 (-0.100) 4Φ25 6Φ25 4/2 6Φ25 4/2 6Φ25 4/2 4Φ25 □———————————□———————□———————————□4Φ25 2Φ25 4Φ25 300×700 N4φ10 KL7(3) 300×700 暗示框架梁7,有三跨,断面宽300,高700.Y500×250 暗示梁下加腋,宽500,高250.N4Φ18 暗示梁腰中抗扭钢筋.φ10@100/200(2) 2Φ25 暗示箍筋和架立筋.暗示梁上皮标高.钢筋混凝土粘结锚固才能可以由四种途径得到:①钢筋与混凝土接触面上化学吸附作用力,也称胶结力.②混凝土紧缩,将钢筋紧紧握固而发生摩擦力.③钢筋概况凹凸不服与混凝土之间发生的机械咬合作用,也称咬合力.④钢筋端部加弯钩、弯折或在锚固区焊短钢筋、焊角钢来提供锚固才能. 为了呵护钢筋、防腐蚀、防火以及加强钢筋与混凝土的粘结力,在构件中的钢筋里面要留有呵护层(图3.3.3).根据钢筋混凝土结构计划规范规定,梁、柱的呵护层最小厚度为25mm,板和墙的呵护层厚度为10~15mm.正筋就是正弯矩筋,简单的说,就是对于受弯构件来说,如梁板等,下部受拉的部位的钢筋,对于连续梁板,一样平常就在跨中, 同理,负筋一样平常在支座处(上部受拉)通长钢筋就是指在所标的区段内通长设置,直径可以不相反,可以采取搭接连接方式,包管梁各个部位的这个部分钢筋都能发挥其抗拉强度,而且两端应按受拉锚固的钢筋贯通筋是指贯穿于构件(如梁)整个长度的钢筋,两头既不弯起也不停止,当钢筋过长时可以搭接或焊接,但不改变直径.贯通筋既可以是受力钢筋,也可以是架力钢筋.支座有负筋,是绝对而言的,一样平常应该是指梁的支座部位用以抵消负弯矩的钢筋,俗称担担筋.一样平常结构构件受力弯矩分正弯矩和负弯矩,抵抗负弯矩所装备的钢筋称为负筋,一样平常指板、梁的上部钢筋,有些上部设置的构造钢筋风俗上也称为负筋.当梁、板的上部钢筋通长时,大家也风俗地称之为上部钢筋. 至于端支座负筋,两头支座负筋就是两端的和两头的盖筋又名盖铁、扣筋,通常设置在板的支座(端支座,两头支座),地位在板的上皮,其作用是抵抗板的负弯矩,也可以叫板负筋如今板中差未几都有两层,下层筋都是通长的,应该叫主筋,而板负筋是架起来的,板负筋根据计划的分歧也纷歧样,有板上全放的,也有不全放的,不全放的计划一样平常是长度有梁短跨的1/4 吊筋是将作用于混凝土梁式构件底部的集中力传递至顶部,是进步梁承受集中荷载抗剪才能的一种钢筋,外形如元宝,又称为元宝筋. 次要作用是:由于梁的某部遭到大的集中荷载作用,可能会使梁上惹起斜裂缝,特别是力作用在受拉区内,为了使梁体不发生局部严重毁坏,同时使梁体的材料发挥各自的作用而设置的,次要安插在剪力有大幅渐变部位,防止该部位发生过大的裂缝,惹起结构的毁坏,就必须配吊筋了,还要加配附加箍筋.“腹筋”作用:梁的抗扭它在计划上属构造配筋,即力学上不必计划计算具膂力的大小,按国家计划规范的构造要求查得此数据.当梁高大到肯定要求时,就得加设腰筋,按多少、加多大规格按构造要求规范查得.1、什么是负弯矩:在弯矩图上(假如你学过结构力学你可以跳过这一部分),向上弯起的弯矩是正弯矩,反之,向下弯起的弯矩就是负弯矩;打个比方,你用手拗一只筷子,向下拗的时分,是筷子下部先断;这是正弯矩,向上拗的时分,是是筷子上部先断,这是负弯矩;明白了正负弯的区别,你就可以往下看了;2、为抵抗负弯矩而设置的钢筋就叫负弯矩筋,在工地上经常简称为“负筋”,一样平常来说,常碰到的负弯矩筋有两种,一种是楼板与梁交接的地方,也就是楼板“生根”的地方,在这个地方,在楼板受力的影响下,应该是梁面受力,对楼板来说,这就是负弯矩筋,一样平常长度为跨过梁面1米左右;另一种就是梁的支座处,由于梁支端两端受向下的弯矩,在梁支座处,存在负弯矩,这是一个关键部位,常按锚固要求放肯定的负筋 3、根据GB50010-2002,在温度,紧缩应力较大的现浇板区域内,钢筋间距宜取为150~200MM,并应在板的未配筋概况安插温度紧缩钢筋. 温度紧缩钢筋可利用原有钢筋贯通安插,也可另行设置构造钢筋网,并与原有钢筋按受拉钢筋的要求搭接或在周边构件中锚固钢筋算量基本方法第一章梁第一节框架梁一、首跨钢筋的计算1、上部贯通筋上部贯通筋(上通长筋1)长度=通跨净跨长+首尾端支座锚固值2、端支座负筋端支座负筋长度:第一排为Ln/3+端支座锚固值;第二排为Ln/4+端支座锚固值3、下部钢筋下部钢筋长度=净跨长+左右支座锚固值留意:下部钢筋不管分排与否,计算的结果都是一样的,以是我们在标注梁的下部纵筋时可以不输出分排信息.以上三类钢筋中均触及到支座锚固成绩,那么,在软件中是怎样完成03G101-1中关于支座锚固的判别呢?如今我们来总结一下以上三类钢筋的支座锚固判别成绩:支座宽≥Lae且≥0.5Hc+5d,为直锚,取Max{Lae,0.5Hc+5d }.钢筋的端支座锚固值=支座宽≤Lae或≤0.5Hc+5d,为弯锚,取Max{Lae,支座宽度-呵护层+15d }.钢筋的两头支座锚固值=Max{Lae,0.5Hc+5d }4、腰筋构造钢筋:构造钢筋长度=净跨长+2×15d抗扭钢筋:算法同贯通钢筋5、拉筋拉筋长度=(梁宽-2×呵护层)+2×11.9d(抗震弯钩值)+2d拉筋根数:假如我们没有在平法输出中给定拉筋的布筋间距,那么拉筋的根数=(箍筋根数/2)×(构造筋根数/2);假如给定了拉筋的布筋间距,那么拉筋的根数=布筋长度/布筋间距.6、箍筋箍筋长度=(梁宽-2×呵护层+梁高-2×呵护层)+2×11.9d+8d箍筋根数=(加密区长度/加密区间距+1)×2+(非加密区长度/非加密区间距-1)+1留意:由于构件扣减呵护层时,都是扣至纵筋的外皮,那么,我们可以发现,拉筋和箍筋在每个呵护层处均被多扣掉了直径值;而且我们在预算中计算钢筋长度时,都是按照外皮计算的,以是软件自动会将多扣掉的长度在补偿回来,由此,拉筋计算时添加了2d,箍筋计算时添加了8d.(如下图所示)7、吊筋吊筋长度=2*锚固+2*斜段长度+次梁宽度+2*50,其中框梁高度>800mm 夹角=60°≤800mm 夹角=45°二、两头跨钢筋的计算1、两头支座负筋两头支座负筋:第一排为Ln/3+两头支座值+Ln/3;第二排为Ln/4+两头支座值+Ln/4留意:当两头跨两端的支座负筋延伸长度之和≥该跨的净跨长时,其钢筋长度:第一排为该跨净跨长+(Ln/3+前两头支座值)+(Ln/3+后两头支座值);第二排为该跨净跨长+(Ln/4+前两头支座值)+(Ln/4+后两头支座值).其他钢筋计算同首跨钢筋计算.三、尾跨钢筋计算类似首跨钢筋计算四、悬臂跨钢筋计算1、主筋软件配合03G101-1,在软件中次要有六种方式的悬臂钢筋,如下图所示这里,我们以2#、5#及6#钢筋为例进行分析:2#钢筋—悬臂上通筋=(通跨)净跨长+梁高+次梁宽度+钢筋距次梁内侧50mm起弯-4个呵护层+钢筋的斜段长+下层钢筋锚固入梁内+支座锚固值5#钢筋—上部下排钢筋=Ln/4+支座宽+0.75L6#钢筋—下部钢筋=Ln--呵护层+15d2、箍筋(1)、假如悬臂跨的截面为变截面,这时我们要同时输出其端部截面尺寸与根部梁高,这次要会影响悬臂梁截面的箍筋的长度计算,上部钢筋存在斜长的时分,斜段的高度及下部钢筋的长度;假如没有发生变截面的状况,我们只需在“截面”输出其端部尺寸即可.(2)、悬臂梁的箍筋根数计算时应不减往次梁的宽度;根据修定版03G101-1的66页.第二节其他梁一、非框架梁在03G101-1中,对于非框架梁的配筋简单的解释,与框架梁钢筋处理的分歧之处在于:1、平凡梁箍筋设置时不再区分加密区与非加密区的成绩;2、下部纵筋锚入支座只需12d;3、上部纵筋锚入支座,不再考虑0.5Hc+5d的判别值.未尽解释请参考03G101-1阐明.二、框支梁1、框支梁的支座负筋的延伸长度为Ln/3;2、下部纵筋端支座锚固值处理同框架梁;3、上部纵筋中第一排主筋端支座锚固长度=支座宽度-呵护层+梁高-呵护层+Lae,第二排主筋锚固长度≥Lae;4、梁中部筋伸至梁端部程度直锚,再横向弯折15d;5、箍筋的加密范围为≥≥1.5hb;7、正面构造钢筋与抗扭钢筋处理与框架梁同等.第二章剪力墙在钢筋工程量计算中剪力墙是最难计算的构件,具体体如今:1、剪力墙包含墙身、墙梁、墙柱、洞口,必需要整考虑它们的关系;2、剪力墙在立体上有直角、丁字角、十字角、斜交角等各种转角方式;3、剪力墙在立面上有各种洞口;4、墙身钢筋可能有单排、双排、多排,且可能每排钢筋分歧;5、墙柱有各种箍筋组合;6、连梁要区分顶层与两头层,根据洞口的地位分歧还有分歧的计算方法.必要计算的工程量第一节剪力墙墙身一、剪力墙墙身程度钢筋1、墙端为暗柱时A、外侧钢筋连续经过外侧钢筋长度=墙长-呵护层内侧钢筋=墙长-呵护层+弯折B、外侧钢筋不连续经过外侧钢筋长度=墙长-呵护层+0.65Lae内侧钢筋长度=墙长-呵护层+弯折暗拄与墙身相平程度钢筋根数=层高/间距+1(暗梁、连梁墙身程度筋照设)2、墙端为端柱时A、外侧钢筋连续经过外侧钢筋长度=墙长-呵护层内侧钢筋=墙净长+锚固长度(弯锚、直锚)B、外侧钢筋不连续经过外侧钢筋长度=墙长-呵护层+0.65Lae内侧钢筋长度=墙净长+锚固长度(弯锚、直锚)程度钢筋根数=层高/间距+1(暗梁、连梁墙身程度筋照设)留意:假如剪力墙存在多排垂直筋和程度钢筋时,其两头程度钢筋在拐角处的锚固措施同该墙的内侧程度筋的锚固构造.3、剪力墙墙身有洞口时端拄突出墙当剪力墙墙身有洞口时,墙身程度筋在洞口左右两边截断,分别向下弯折15d. 当剪力墙墙身有洞口时,墙身程度筋在洞口左右两边截断,分别向下弯折15d.二、剪力墙墙身竖向钢筋1、首层墙身纵筋长度=根底插筋+首层层高+伸入下层的搭接长度2、两头层墙身纵筋长度=本层层高+伸入下层的搭接长度3、顶层墙身纵筋长度=层净高+顶层锚固长度墙身竖向钢筋根数=墙净长/间距+1(墙身竖向钢筋从暗柱、端柱边50mm开始安插)两头层无变截面两头层变截面顶层内墙顶层外墙4、剪力墙墙身有洞口时,墙身竖向筋在洞口上下两边截断,分别横向弯折15d.三、墙身拉筋1、长度=墙厚-呵护层+弯钩(弯钩长度=11.9+2*D)2、根数=墙净面积/拉筋的安插面积注:墙净面积是指要扣除暗(端)柱、暗(连)梁,即墙面积-门洞总面积-暗柱剖面积 - 暗梁面积;拉筋的面筋面积是指其横向间距×竖向间距.例:(8000*3840)/(600*600)第二节剪力墙墙柱一、纵筋1、首层墙柱纵筋长度=根底插筋+首层层高+伸入下层的搭接长度2、两头层墙柱纵筋长度=本层层高+伸入下层的搭接长度3、顶层墙柱纵筋长度=层净高+顶层锚固长度留意:假如是端柱,顶层锚固要区分边、中、角柱,要区分外侧钢筋和内侧钢筋.由于端柱可以看作是框架柱,以是其锚固也同框架柱相反.二、箍筋:根据计划图纸自在组合计算.第三节剪力墙墙梁一、连梁1、受力主筋顶层连梁主筋长度=洞口宽度+左右两边锚固值Lae两头层连梁纵筋长度=洞口宽度+左右两边锚固值Lae 2、箍筋顶层连梁,纵筋长度范围内均安插箍筋即N=(LAE-100/150+1)*2+(洞口宽-50*2)/间距+1(顶层)两头层连梁,洞口范围内安插箍筋,洞口两边再各加一根即N=(洞口宽-50*2)/间距+1(两头层)二、暗梁1、主筋长度=暗梁净长+锚固2、箍筋第三章柱KZ钢筋的构造连接第一章根底层一、柱主筋:根底插筋=根底底板厚度-呵护层+伸入下层的钢筋长度+Max{10D,200mm}二、根底内箍筋根底内箍筋的作用仅起一个稳定作用,也可以说是防止钢筋在浇注时遭到挠动.一样平常是按2根进行计算(软件中是按三根).第二章两头层一、柱纵筋1、 KZ两头层的纵向钢筋=层高-当前层伸出地面的高度+上一层伸出楼地面的高度二、柱箍筋1、KZ两头层的箍筋根数=N个加密区/加密区间距+N+非加密区/非加密区间距-103G101-1中,关于柱箍筋的加密区的规定如下1)首层柱箍筋的加密区有三个,分别为:下部的箍筋加密区长度取Hn/3;上部取Max{500,柱长边尺寸,Hn/6};梁节点范围内加密;假如该柱采取绑扎搭接,那么搭接范围内同时必要加密.2)首层以上柱箍筋分别为:上、下部的箍筋加密区长度均取Max{500,柱长边尺寸,Hn/6};梁节点范围内加密;假如该柱采取绑扎搭接,那么搭接范围内同时必要加密.第三节顶层顶层KZ因其所处地位分歧,分为角柱、边柱和中柱,也因而各种柱纵筋的顶层锚固各不相反.(参看03G101-1第37、38页)一、角柱角柱顶层纵筋长度=层净高Hn+顶层钢筋锚固值,那么角柱顶层钢筋锚固值是怎样考虑的呢?弯锚(≦Lae):梁高-呵护层+12da、内侧钢筋锚固长度为直锚(≧Lae):梁高-呵护层≧1.5Laeb、外侧钢筋锚固长度为柱顶部第一层:≧梁高-呵护层+柱宽-呵护层+8d柱顶部第二层:≧梁高-呵护层+柱宽-呵护层留意:在GGJ V8.1中,内侧钢筋锚固长度为弯锚(≦Lae):梁高-呵护层+12d 直锚(≧Lae):梁高-呵护层外侧钢筋锚固长度=Max{1.5Lae ,梁高-呵护层+柱宽-呵护层}二、边柱边柱顶层纵筋长度=层净高Hn+顶层钢筋锚固值,那么边柱顶层钢筋锚固值是怎样考虑的呢?边柱顶层纵筋的锚固分为内侧钢筋锚固和外侧钢筋锚固:a、内侧钢筋锚固长度为弯锚(≦Lae):梁高-呵护层+12d直锚(≧Lae):梁高-呵护层b、外侧钢筋锚固长度为:≧1.5Lae留意:在GGJ V8.1中,内侧钢筋锚固长度为弯锚(≦Lae):梁高-呵护层+12d 直锚(≧Lae):梁高-呵护层外侧钢筋锚固长度=Max{1.5Lae ,梁高-呵护层+柱宽-呵护层}三、中柱中柱顶层纵筋长度=层净高Hn+顶层钢筋锚固值,那么中柱顶层钢筋锚固值是怎样考虑的呢?中柱顶层纵筋的锚固长度为弯锚(≦Lae):梁高-呵护层+12d直锚(≧Lae):梁高-呵护层留意:在GGJ V8.1中,处理同上.第四章板在实践工程中,我们晓得板分为预制板和现浇板,这里次要分析现浇板的布筋状况.板筋次要有:受力筋 (单向或双向,单层或双层)、支座负筋、分布筋、附加钢筋 (角部附加放射筋、洞口附加钢筋)、撑脚钢筋 (双层钢筋时支撑上下层).一、受力筋软件中,受力筋的长度是根据轴网计算的.受力筋长度=轴线尺寸+左锚固+右锚固+两端弯钩(假如是Ⅰ≈1.9d.梁中出现两种吊筋时怎样处理?在吊筋信息输出框中用“/”将两种分歧的吊筋连接起来放到“吊筋输出框中”如2B22/2B25.而后面的次梁宽度按照与吊筋逐个对应的输出进往如250/300(2B22对应250梁宽;2B25对应300梁宽)当梁的两头支座两侧的钢筋分歧时,软件是怎样处理的?当梁的两头支座两侧的钢筋分歧时,我们在软件直接输出当前跨右支座负筋和下一跨左支座负筋的钢筋.软件计算的准绳是支座两侧的钢筋相反,则经过;分歧则进行锚固;判别准绳是输出格式相反则经过,分歧则锚固.如右支座负筋为5B22,下一跨左支座负筋为5B22+2B20,则5根22的钢筋经过支座,2根20锚固在支座.梁变截面在软件中是怎样处理的?在软件中,梁的变截面状况分为两种:1、当高差>1/6的梁高时,无论两侧的格式能否相反,两侧的钢筋全部按锚固进行计算.弯折长度为15d+高差.2、当高差<1/6的梁高时,按支座两侧的钢筋分歧的判别条件进行处理.假如框架柱的混凝土强度等级发生变更,我们怎样处理柱纵筋?假如框架柱的混凝土强度等级发生变更,柱纵筋的处理分两种状况:1、若柱纵筋采取电渣压力焊,则按柱顶层的混凝土强度等级设置;2、若柱纵筋采取绑扎搭接,例如1~2层为C45,3~10层为C35,则柱要分开来建立两个构件:一个为C45,为3层,但3层只输出构件截面尺寸及层高,目的是不让2层作为顶层计算锚固;另一个构件建立1~10层,1~2层只输出构件截面尺寸及层高,钢筋信息自3层开始输出,这样就可以处理成绩了.每米高圆形柱螺旋钢筋长度计算公式:L=N(P*P+(D-2b+do)^2*π。
.. . ...如何看钢筋图纸热扎钢筋等级和直径符号强度等公称直径符号主要用途常用材料外形钢种mm 级代号8--20HPB235光圆低碳钢Q235非预应力HRB3356--5020MnSi非预应力、预应力25MnSiHRB4006--50月牙肋合金钢6--50RRB400预应力40Si2MnV. 学习参.考... . ...钢筋的标注在图样中一般采用引出线的方法,具体有以下两种标注方法:标注钢筋的等直径和相邻钢筋标注钢筋的根直径和等心28 @ 20Ф表示钢筋等级直径符表示钢筋的根表示钢筋直表示钢筋等级直径符Ф相等中心距符号:表示钢筋直径20 200mm)200:相邻钢筋的中心距(≤一般钢筋的表示方法名称图例名称图例名称图例带直钩的半圆形弯钩钢筋的钢筋塔接钢筋端部断面半直钩的带丝扣无弯钩的钢筋端部钢筋端部钢筋端部半圆形弯钩无弯钩的套管接头钢筋塔接的钢筋端部常用构件的代号代号代号序号序号名称名称代号名称序号J29吊车梁1B15板基础DLSJWB圈梁162QL设备基础30屋面板ZH17空心板KB3过梁31GL桩ZC连系梁32槽形板4LL18CB柱间支撑. 学习参.考... . ...CC垂直支撑5折板JLZB1933基础SM水平支楼梯密筋2T32懔TL3楼梯Y屋G盖板或沟盖23W雨Y3托T挡雨板或口板檐阳Y2L13天窗DC2梁吊车安全走道预埋墙框2K1Q3T14TG2天沟G钢天窗端4钢筋支1Z21W钢筋骨屋面242梁上主筋和梁下主筋同时表示方法:一、Φ20。
3Φ22, 下部钢筋为3 ⑴3Φ22,3Φ20 表示上部钢筋为18。
φ12, 下部钢筋为3Φ2φ12,3Φ18 表示上部钢筋为2⑵。
下部钢筋为4Φ25Φ25,425 表示上部钢筋为4Φ25,⑶4Φ。
5Φ25Φ25 表示上部钢筋为3Φ25, 下部钢筋为3⑷Φ25,5学习参..考... . ...二、梁上部钢筋表示方法:(标在梁上支座处)⑴2Φ20 表示两根Φ20的钢筋,通长布置,用于双肢箍。
钢筋混凝土构件图示方法中钢筋的标注一般采用引出线的方法,具体有以下两种方法:1.标注钢筋的根数、直径和等级:3Ф203:表示钢筋的根数Ф:表示钢筋等级直径符号20:表示钢筋直径2.标注钢筋的等级、直径和相邻钢筋中心距:Ф8@200:Ф:表示钢筋等级直径符号8:表示钢筋直径@:相等中心距符号200:相邻钢筋的中心距(≤200mm)各类钢筋的表示方法1.梁箍筋梁箍筋包括钢筋级别、直径、加密区与非加密区间距及肢数。
箍筋加密区与蜚加密区的不同间距及肢数需用斜线"/"分隔;当梁箍筋为同一种间距及肢数时,则不需用斜线;当加密区与非加密区的箍筋肢数相同时,则将肢数注写一次;箍筋肢数应写在括号内。
例:A10-100/200(4),表示箍筋为Ⅰ级钢筋,直径φ10,加密区间距为100,非加密区间距为200,均为四肢箍。
A8-100(4)/150(2),表示箍筋为Ⅰ级钢筋,直径φ8,加密区间距为100,四肢箍,非加密区间距为150,两肢箍。
需要注意的是此处表示间距不是用"@",而是用"-"。
当抗震结构中的非框架梁及非抗震结构中的各类梁采用不同的箍筋间距及肢数时,也用斜线"/"将其分隔开来。
注写时,先注写梁支座端部的箍筋(包括箍筋的箍数、钢筋级别、直径、间距及肢数),在斜线后注写梁跨中部分的箍筋间距及肢数。
例:13A10-150/200(4),表示箍筋为Ⅰ级钢筋,直径φ10;梁的两端各有13个四肢箍,间距为150;梁跨中部分,间距为200,四肢箍。
18A12-120(4)/200(2),表示箍筋为Ⅰ级钢筋,直径φ12;梁的两端各有18个四肢箍,间距为120;梁跨中部分,间距为200,两肢箍。
2.梁上部贯通筋或架立筋梁上部贯通筋或架立筋根数,应根据结构受力要求及箍筋肢数等构造要求而定。
注写时,须将架立筋写入括号内。
例:2B22用于双肢箍;2B22+(4A12)用于六肢箍,其中2B22为贯通筋,4A12为架立筋。
看钢筋图钢筋符号大全如何看钢筋图纸热扎钢筋等级和直径符号强度等级代号外形钢种公称直径mm符号主要用途常用材料HPB235 光圆低碳钢8--20 非预应力Q235HRB335月牙肋合金钢6--50非预应力、预应力20MnSiHRB400 6--50 25MnSi RRB400 6--50 预应力40Si2MnV一、梁上主筋和梁下主筋同时表示方法:⑴3Φ22,3Φ20 表示上部钢筋为3Φ22, 下部钢筋为3Φ20。
⑵2φ12,3Φ18 表示上部钢筋为2φ12, 下部钢筋为3Φ18。
⑶4Φ25,4Φ25 表示上部钢筋为4Φ25, 下部钢筋为4Φ25。
⑷3Φ25,5Φ25 表示上部钢筋为3Φ25, 下部钢筋为5Φ25。
二、梁上部钢筋表示方法:(标在梁上支座处)⑴2Φ20 表示两根Φ20的钢筋,通长布置,用于双肢箍。
⑵2Φ22+(4Φ12)表示2Φ22 为通长,4φ12架立筋,用于六肢箍。
⑶6Φ25 4/2 表示上部钢筋上排为4Φ25,下排为2Φ25。
⑷2Φ22+ 2Φ22 表示只有一排钢筋,两根在角部,两根在中部,均匀布置。
三、梁腰中钢筋表示方法:⑴G2φ12 表示梁两侧的构造钢筋,每侧一根φ12。
⑵G4Φ14 表示梁两侧的构造钢筋,每侧两根Φ14。
⑶N2Φ22 表示梁两侧的抗扭钢筋,每侧一根Φ22。
⑷N4Φ18 表示梁两侧的抗扭钢筋,每侧两根Φ18。
四、梁下部钢筋表示方法:(标在梁的下部)⑴4Φ25 表示只有一排主筋,4Φ25 全部伸入支座内。
⑵6Φ25 2/4 表示有两排钢筋,上排筋为2Φ25,下排筋4Φ25。
⑶6Φ25 (-2 )/4 表示有两排钢筋,上排筋为2Φ25,不伸入支座,下排筋4Φ25,全部伸入支座。
⑷2Φ25 + 3Φ22(-3)/ 5Φ25 表示有两排筋,上排筋为5根。
2Φ25伸入支座,3Φ22,不伸入支座。
下排筋5Φ25,通长布置。
一、箍筋表示方法:⑴φ10@100/200(2) 表示箍筋为φ10 ,加密区间距100,非加密区间距200,全为双肢箍。
如何看钢筋图纸热扎钢筋等级和直径符号钢筋的标注在图样中一般采用引出线的方法,具体有以下两种标注方法:一般钢筋的表示方法常用构件的代号一、梁上主筋和梁下主筋同时表示方法:⑴ 3Φ22,3Φ20表示上部钢筋为3Φ22,下部钢筋为3Φ20。
⑵ 2φ12,3Φ18表示上部钢筋为2φ12,下部钢筋为3Φ18。
⑶ 4Φ25,4Φ25表示上部钢筋为4Φ25,下部钢筋为4Φ25。
⑷ 3Φ25,5Φ25表示上部钢筋为3Φ25,下部钢筋为5Φ25。
二、梁上部钢筋表示方法:(标在梁上支座处)⑴ 2Φ20表示两根Φ20的钢筋,通长布置,用于双肢箍。
⑵ 2Φ22+(4Φ12)表示2Φ22 为通长,4φ12架立筋,用于六肢箍。
⑶ 6Φ25 4/2表示上部钢筋上排为4Φ25,下排为2Φ25。
⑷ 2Φ22+ 2Φ22表示只有一排钢筋,两根在角部,两根在中部,均匀布置。
三、梁腰中钢筋表示方法:⑴ G2φ12表示梁两侧的构造钢筋,每侧一根φ12。
⑵ G4Φ14表示梁两侧的构造钢筋,每侧两根Φ14。
⑶ N2Φ22表示梁两侧的抗扭钢筋,每侧一根Φ22。
⑷ N4Φ18表示梁两侧的抗扭钢筋,每侧两根Φ18。
四、梁下部钢筋表示方法:(标在梁的下部)⑴ 4Φ25表示只有一排主筋,4Φ25 全部伸入支座内。
⑵ 6Φ25 2/4表示有两排钢筋,上排筋为2Φ25,下排筋4Φ25。
⑶ 6Φ25 (-2 )/4表示有两排钢筋,上排筋为2Φ25,不伸入支座,下排筋4Φ25,全部伸入支座。
⑷ 2Φ25 + 3Φ22(-3)/ 5Φ25表示有两排筋,上排筋为5根。
2Φ25伸入支座,3Φ22,不伸入支座。
下排筋 5Φ25,通长布置。
一、箍筋表示方法:⑴φ10@100/200(2)表示箍筋为φ10 ,加密区间距100,非加密区间距200,全为双肢箍。
⑵φ10@100/200(4)表示箍筋为φ10 ,加密区间距100,非加密区间距200,全为四肢箍。
⑶φ8@200(2)表示箍筋为φ8,间距为200,双肢箍。
如何看钢筋图纸热扎钢筋等级和直径符号强度等级代号外形钢种公称直径mm符号主要用途常用材料HPB235 光圆低碳钢8--20 非预应力Q235HRB335月牙肋合金钢6--50非预应力、预应力20MnSiHRB400 6--50 25MnSi RRB400 6--50 预应力40Si2MnV钢筋的标注在图样中一般采用引出线的方法,具体有以下两种标注方法:①标注钢筋的根数、直径和等级②标注钢筋的等级、直径和相邻钢筋中心距3Ф20:Ф8 @ 200:3:表示钢筋的根数Ф:表示钢筋等级直径符号20:表示钢筋直径Ф:表示钢筋等级直径符号8:表示钢筋直径@:相等中心距符号200:相邻钢筋的中心距(≤200mm)一般钢筋的表示方法名称图例名称图例名称图例钢筋断面带直钩的钢筋端部半圆形弯钩的钢筋塔接无弯钩的钢筋端部带丝扣钢筋端部半直钩的钢筋端部半圆形弯钩的钢筋端部无弯钩的钢筋塔接套管接头常用构件的代号序号名称代号序号名称代号序号名称代号1板B15吊车梁DL29基础J 2屋面板WB16圈梁QL30设备基础SJ 3空心板KB17过梁GL31桩ZH 4槽形板CB18连系梁LL32柱间支撑ZC一、梁上主筋和梁下主筋同时表示方法:⑴3Φ22,3Φ20 表示上部钢筋为3Φ22, 下部钢筋为3Φ20。
⑵2φ12,3Φ18 表示上部钢筋为2φ12, 下部钢筋为3Φ18。
⑶4Φ25,4Φ25 表示上部钢筋为4Φ25, 下部钢筋为4Φ25。
⑷3Φ25,5Φ25 表示上部钢筋为3Φ25, 下部钢筋为5Φ25。
二、梁上部钢筋表示方法:(标在梁上支座处)⑴2Φ20 表示两根Φ20的钢筋,通长布置,用于双肢箍。
⑵2Φ22+(4Φ12)表示2Φ22 为通长,4φ12架立筋,用于六肢箍。
⑶6Φ25 4/2 表示上部钢筋上排为4Φ25,下排为2Φ25。
⑷2Φ22+ 2Φ22 表示只有一排钢筋,两根在角部,两根在中部,均匀布置。
三、梁腰中钢筋表示方法:⑴G2φ12 表示梁两侧的构造钢筋,每侧一根φ12。
⑵G4Φ14 表示梁两侧的构造钢筋,每侧两根Φ14。
⑶N2Φ22 表示梁两侧的抗扭钢筋,每侧一根Φ22。
⑷N4Φ18 表示梁两侧的抗扭钢筋,每侧两根Φ18。
四、梁下部钢筋表示方法:(标在梁的下部)⑴4Φ25 表示只有一排主筋,4Φ25 全部伸入支座内。
⑵6Φ25 2/4 表示有两排钢筋,上排筋为2Φ25,下排筋4Φ25。
⑶6Φ25 (-2 )/4 表示有两排钢筋,上排筋为2Φ25,不伸入支座,下排筋4Φ25,全部伸入支座。
⑷2Φ25 + 3Φ22(-3)/ 5Φ25 表示有两排筋,上排筋为5根。
2Φ25伸入支座,3Φ22,不伸入支座。
下排筋5Φ25,通长布置。
一、箍筋表示方法:⑴φ10@100/200(2) 表示箍筋为φ10 ,加密区间距100,非加密区间距200,全为双肢箍。
⑵φ10@100/200(4) 表示箍筋为φ10 ,加密区间距100,非加密区间距200,全为四肢箍。
⑶φ8@200(2) 表示箍筋为φ8,间距为200,双肢箍。
⑷φ8@100(4)/150(2) 表示箍筋为φ8,加密区间距100,四肢箍,非加密区间距150,双肢箍。
一、梁上主筋和梁下主筋同时表示方法:⑴3Φ22,3Φ20 表示上部钢筋为3Φ22, 下部钢筋为3Φ20。
⑵2φ12,3Φ18 表示上部钢筋为2φ12, 下部钢筋为3Φ18。
⑶4Φ25,4Φ25 表示上部钢筋为4Φ25, 下部钢筋为4Φ25。
⑷3Φ25,5Φ25 表示上部钢筋为3Φ25, 下部钢筋为5Φ25。
二、梁上部钢筋表示方法:(标在梁上支座处)⑴2Φ20 表示两根Φ20的钢筋,通长布置,用于双肢箍。
⑵2Φ22+(4Φ12)表示2Φ22 为通长,4φ12架立筋,用于六肢箍。
⑶6Φ25 4/2 表示上部钢筋上排为4Φ25,下排为2Φ25。
⑷2Φ22+ 2Φ22 表示只有一排钢筋,两根在角部,两根在中部,均匀布置。
三、梁腰中钢筋表示方法:⑴G2φ12 表示梁两侧的构造钢筋,每侧一根φ12。
⑵G4Φ14 表示梁两侧的构造钢筋,每侧两根Φ14。
⑶N2Φ22 表示梁两侧的抗扭钢筋,每侧一根Φ22。
⑷N4Φ18 表示梁两侧的抗扭钢筋,每侧两根Φ18。
四、梁下部钢筋表示方法:(标在梁的下部)⑴4Φ25 表示只有一排主筋,4Φ25 全部伸入支座内。
⑵6Φ25 2/4 表示有两排钢筋,上排筋为2Φ25,下排筋4Φ25。
⑶6Φ25 (-2 )/4 表示有两排钢筋,上排筋为2Φ25,不伸入支座,下排筋4Φ25,全部伸入支座。
⑷2Φ25 + 3Φ22(-3)/ 5Φ25 表示有两排筋,上排筋为5根。
2Φ25伸入支座,3Φ22,不伸入支座。
下排筋5Φ25,通长布置。
五、标注示例:KL7(3)300×700 Y500×250φ10@100/200(2) 2Φ25N4Φ18(-0.100)4Φ25 6Φ25 4/2 6Φ25 4/2 6Φ25 4/2 4Φ25□———————————□———————□———————————□4Φ25 2Φ25 4Φ25300×700N4φ10KL7(3) 300×700 表示框架梁7,有三跨,断面宽300,高700。
Y500×250 表示梁下加腋,宽500,高250。
N4Φ18 表示梁腰中抗扭钢筋。
φ10@100/200(2) 2Φ25 表示箍筋和架立筋。
-0.100 表示梁上皮标高。
钢筋混凝土粘结锚固能力可以由四种途径得到:①钢筋与混凝土接触面上化学吸附作用力,也称胶结力。
②混凝土收缩,将钢筋紧紧握固而产生摩擦力。
③钢筋表面凹凸不平与混凝土之间产生的机械咬合作用,也称咬合力。
④钢筋端部加弯钩、弯折或在锚固区焊短钢筋、焊角钢来提供锚固能力。
为了保护钢筋、防腐蚀、防火以及加强钢筋与混凝土的粘结力,在构件中的钢筋外面要留有保护层(图3.3.3)。
根据钢筋混凝土结构设计规范规定,梁、柱的保护层最小厚度为25mm,板和墙的保护层厚度为10~15mm。
正筋就是正弯矩筋,简单的说,就是对于受弯构件来说,如梁板等,下部受拉的部位的钢筋,对于连续梁板,一般就在跨中, 同理,负筋一般在支座处(上部受拉)通长钢筋就是指在所标的区段内通长设置,直径可以不相同,可以采用搭接连接形式,保证梁各个部位的这个部分钢筋都能发挥其抗拉强度,而且两端应按受拉锚固的钢筋贯通筋是指贯穿于构件(如梁)整个长度的钢筋,中间既不弯起也不中断,当钢筋过长时可以搭接或焊接,但不改变直径。
贯通筋既可以是受力钢筋,也可以是架力钢筋。
支座有负筋,是相对而言的,一般应该是指梁的支座部位用以抵消负弯矩的钢筋,俗称担担筋。
一般结构构件受力弯矩分正弯矩和负弯矩,抵抗负弯矩所配备的钢筋称为负筋,一般指板、梁的上部钢筋,有些上部配置的构造钢筋习惯上也称为负筋。
当梁、板的上部钢筋通长时,大家也习惯地称之为上部钢筋。
至于端支座负筋,中间支座负筋就是两端的和中间的盖筋又名盖铁、扣筋,通常设置在板的支座(端支座,中间支座),位置在板的上皮,其作用是抵抗板的负弯矩,也可以叫板负筋现在板中差不多都有两层,下层筋都是通长的,应该叫主筋,而板负筋是架起来的,板负筋根据设计的不同也不一样,有板上全放的,也有不全放的,不全放的设计一般是长度有梁短跨的1/4吊筋是将作用于混凝土梁式构件底部的集中力传递至顶部,是提高梁承受集中荷载抗剪能力的一种钢筋,形状如元宝,又称为元宝筋。
主要作用是:由于梁的某部受到大的集中荷载作用,可能会使梁上引起斜裂缝,特别是力作用在受拉区内,为了使梁体不产生局部严重破坏,同时使梁体的材料发挥各自的作用而设置的,主要布置在剪力有大幅突变部位,防止该部位产生过大的裂缝,引起结构的破坏,就必须配吊筋了,还要加配附加箍筋。
“腹筋”作用:梁的抗扭它在设计上属构造配筋,即力学上不用设计计算具体力的大小,按国家设计规范的构造要求查得此数据。
当梁高大到一定要求时,就得加设腰筋,按多少、加多大规格按构造要求规范查得。
1、什么是负弯矩:在弯矩图上(如果你学过结构力学你可以跳过这一部分),向上弯起的弯矩是正弯矩,反之,向下弯起的弯矩就是负弯矩;打个比方,你用手拗一只筷子,向下拗的时候,是筷子下部先断;这是正弯矩,向上拗的时候,是是筷子上部先断,这是负弯矩;明白了正负弯的区别,你就可以往下看了;2、为抵抗负弯矩而设置的钢筋就叫负弯矩筋,在工地上常常简称为“负筋”,一般来说,常碰到的负弯矩筋有两种,一种是楼板与梁交接的地方,也就是楼板“生根”的地方,在这个地方,在楼板受力的影响下,应该是梁面受力,对楼板来说,这就是负弯矩筋,一般长度为跨过梁面1米左右;另一种就是梁的支座处,因为梁支端两端受向下的弯矩,在梁支座处,存在负弯矩,这是一个关键部位,常按锚固要求放一定的负筋3、依据GB50010-2002,在温度,收缩应力较大的现浇板区域内,钢筋间距宜取为150~200MM,并应在板的未配筋表面布置温度收缩钢筋. 温度收缩钢筋可利用原有钢筋贯通布置,也可另行设置构造钢筋网,并与原有钢筋按受拉钢筋的要求搭接或在周边构件中锚固钢筋算量基本方法第一章梁第一节框架梁一、首跨钢筋的计算1、上部贯通筋上部贯通筋(上通长筋1)长度=通跨净跨长+首尾端支座锚固值2、端支座负筋端支座负筋长度:第一排为Ln/3+端支座锚固值;第二排为Ln/4+端支座锚固值3、下部钢筋下部钢筋长度=净跨长+左右支座锚固值注意:下部钢筋不论分排与否,计算的结果都是一样的,所以我们在标注梁的下部纵筋时可以不输入分排信息。
以上三类钢筋中均涉及到支座锚固问题,那么,在软件中是如何实现03G101-1中关于支座锚固的判断呢?现在我们来总结一下以上三类钢筋的支座锚固判断问题:支座宽≥Lae且≥0.5Hc+5d,为直锚,取Max{Lae,0.5Hc+5d }。
钢筋的端支座锚固值=支座宽≤Lae或≤0.5Hc+5d,为弯锚,取Max{Lae,支座宽度-保护层+15d }。
钢筋的中间支座锚固值=Max{Lae,0.5Hc+5d }4、腰筋构造钢筋:构造钢筋长度=净跨长+2×15d抗扭钢筋:算法同贯通钢筋5、拉筋拉筋长度=(梁宽-2×保护层)+2×11.9d(抗震弯钩值)+2d拉筋根数:如果我们没有在平法输入中给定拉筋的布筋间距,那么拉筋的根数=(箍筋根数/2)×(构造筋根数/2);如果给定了拉筋的布筋间距,那么拉筋的根数=布筋长度/布筋间距。
6、箍筋箍筋长度=(梁宽-2×保护层+梁高-2×保护层)+2×11.9d+8d箍筋根数=(加密区长度/加密区间距+1)×2+(非加密区长度/非加密区间距-1)+1注意:因为构件扣减保护层时,都是扣至纵筋的外皮,那么,我们可以发现,拉筋和箍筋在每个保护层处均被多扣掉了直径值;并且我们在预算中计算钢筋长度时,都是按照外皮计算的,所以软件自动会将多扣掉的长度在补充回来,由此,拉筋计算时增加了2d,箍筋计算时增加了8d。