人员配置及岗位职责
- 格式:doc
- 大小:247.50 KB
- 文档页数:22
物资采购员配置及岗位职责1. 人员配置一般情况下,根据公司规模和物资采购的需求量,物资采购部门应配置一定数量的物资采购员。
典型的人员配置如下:- 公司规模较小,物资采购需求相对较少的情况下,可以配置1-2名物资采购员。
- 公司规模适中,物资采购需求较为频繁的情况下,可以配置3-5名物资采购员。
- 公司规模较大,物资采购需求非常大的情况下,可以配置6名及以上的物资采购员。
2. 岗位职责物资采购员的岗位职责主要包括以下几项:2.1 供应商管理- 寻找潜在的供应商,并进行评估和筛选。
- 与供应商建立和维护合作关系,进行供应商谈判和合同签订。
- 监督供应商的履约情况,确保供应商按时交付物资。
2.2 采购计划制定- 根据公司的需求和预算,制定物资采购计划。
- 分析市场行情和供需情况,合理安排采购时间和数量。
- 协调各部门的需求,确保采购计划的顺利进行。
2.3 采购执行和跟踪- 根据采购计划进行物资采购,获取最优的采购价格和条件。
- 跟踪采购订单的执行情况,确保物资按时到达。
- 处理采购中的问题和纠纷,解决供应商延迟交货等情况。
2.4 库存管理- 定期对库存进行盘点和调整,确保库存数据的准确性。
- 分析库存情况,合理控制库存数量和成本。
- 提出库存优化建议,提高库存周转率和效益。
2.5 协助采购策略制定- 参与制定公司的采购策略和规范,提供专业意见和建议。
- 分析采购数据和市场趋势,为采购决策提供支持。
结束语以上就是物资采购员的配置及岗位职责的内容。
根据公司的需求和规模,合理配置物资采购员,并明确他们的职责,可以有效提高公司的采购效率和物资管理水平。
人员配置及岗位职责人员配置是企业组织中非常重要的一项工作,它涉及到企业内部各个岗位的设立和编制,以及人员的分配和管理。
合理的人员配置是企业正常运转的基础,能够有效地提高工作效率和绩效,实现企业的发展目标。
在进行人员配置时,首先需要明确每个岗位的职责和要求,以便能够更好地为不同职能和工作需要的人员进行合理的匹配。
以下是一个供参考的人员配置及岗位职责的范例。
1.董事会/公司高管层董事会的主要职责是制定公司整体战略和发展方向,决策各项重大事务,并对公司业绩负总责。
高管层主要负责将董事会的决策落地执行,对公司各个部门进行管理和协调。
2.行政部门行政部门负责企业的日常行政管理工作,包括人事管理、办公设施和资源管理、安全管理、行政协调等。
3.财务部门财务部门主要负责企业财务管理和监控,包括会计记账、财务报表编制、预算控制、成本管理等。
4.人力资源部门人力资源部门主要负责员工招聘、培训和发展、绩效考核、薪酬福利管理等,确保企业人力资源的合理配置和管理。
5.营销部门营销部门负责市场开拓和产品销售,包括市场调研、产品推广、客户关系管理等,为企业带来收入和客户资源。
6.技术研发部门技术研发部门主要负责产品研发和创新,包括技术研究、产品设计和改进、技术支持等,为企业保持竞争力和创新能力。
7.生产部门生产部门主要负责产品的生产制造和供应链管理,包括生产计划、生产过程控制、品质管理、库存管理等,确保产品的质量和交货准时。
8.售后服务部门售后服务部门负责解决产品使用过程中的问题和提供技术支持,包括售后服务的受理、问题解决、客户投诉处理等。
以上只是一个典型的人员配置及岗位职责范例,实际的企业可能会根据自身的发展需要和特点进行调整和变化。
在进行人员配置时,需要综合考虑人员的技能、经验和能力,将合适的人才派驻到适合的岗位上,充分发挥其优势和潜力。
此外,注重团队合作和沟通,激励员工发挥创造力和创新精神,能够更好地提高整个团队和企业的绩效。
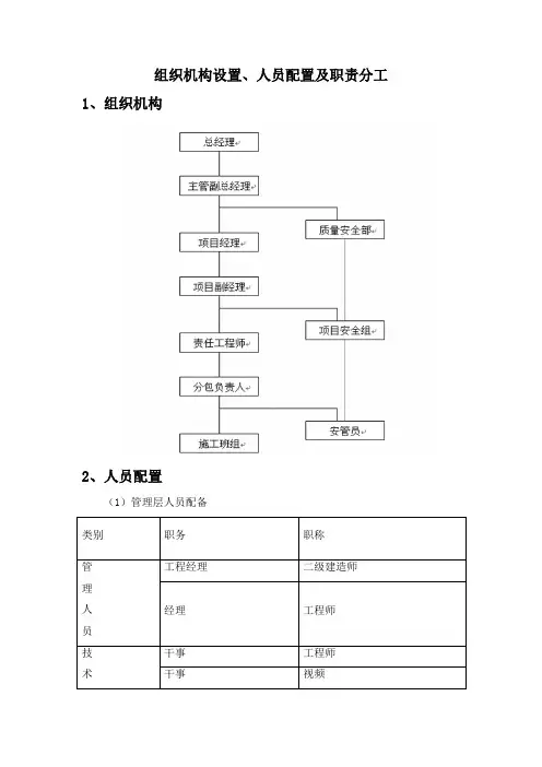
组织机构设置、人员配置及职责分工1、组织机构2、人员配置(1)管理层人员配备3.1质量管理(1)为保障质量方针、目标的实现,在工程部组织机构的基础上,建立建全工程部工程质量管理机构,形成全员、全过程、全方位的三全质量保障措施体系。
采用信息化质量控制手段,使质量控制标准化、质量评价数据化。
(2)工程部成立以工程经理为组长,副经理、总工程师为副组长,相关职能部门负责人参加的工程质量管理小组,负责整个工程的质量监督管理工作。
工程各作业区设专职质检员,明确职责,归口本工程工程质量管理工作,开展质量监督检测、质量信息管理及体系评价,保障其质量体系的有效运行。
(3)工程的质量控制和实施,采取将要素层层分解,使每一个要素都明确落实到相关职能部门和相关责任人。
工程经理是工程质量的第一责任人,对承建工程的质量负主要领导责任;总工程师对工程质量负技术责任;相关管理负责人对工程质量负相应的管理责任;各作业区技术主管对工程质量负直接责任。
(4)本工程的实施过程采取“事前、事中、事后质量监控程序”,并制定“阶段质量控制要点”。
施工过程中,每道工序的质量检测必须遵守“工序质量检测流程”。
建立并完善“工程质量管理制度”和“工程质量缺陷及事故报告与调查处理”等保障措施。
在质量制度措施的运行中须填写对应的管理记录表。
3.2各部门及主要人员的质量职责(1)质量管理领导小组的主要质量职责1)认真贯彻国家、交通部、建设部有关工程质量的法律、法规、条例以及规范、规定、标准等;2)建立健全工程质量保障体系,健全机构,配齐人员,制定规划,建立质量管理的规章制度,完善管理机制和质量责任制;3)定期组织召开质量管理领导小组会议,研究解决存在的问题,确保工程质量保障体系及工程质量处于良性运转和可控状态;4)定期或不定期地组织工程质量检测和评比,促进工程质量水平的不断提高。
形成和建立工程质量监督机制,严格奖惩制度,调动各工程创优质工程的积极性。
(2)工程经理的主要质量职责1)工程经理是工程质量第一责任人,对质量工作负全面责任。
技术部岗位职责及岗位人员配置技术部是一个公司中非常重要的部门,在技术部的人员配置与职责中,需要考虑到公司的需求以及实际情况。
以下是一个典型的技术部岗位职责及岗位人员配置的例子:1.技术总监技术总监是技术部的负责人,主要负责技术部的整体规划与管理。
他需要对公司的技术发展方向有清晰的认识,并能根据公司的需求制定相应的战略规划。
他还需要协调技术部与其他部门之间的合作,确保公司的技术需求得到满足。
2.开发工程师开发工程师负责公司产品的开发与维护工作。
他们需要具备良好的编程技术,能够根据需求进行系统设计与开发。
开发工程师还需要进行代码测试与调试,确保产品的质量与性能稳定。
3.测试工程师测试工程师负责产品的功能测试和性能测试工作。
他们需要通过对产品进行各种测试,发现并修复潜在的问题和bug。
测试工程师还需要与开发团队密切合作,确保产品的质量和用户体验。
4.数据分析师数据分析师负责对公司产品和运营数据进行分析。
他们需要具备较强的数据处理和统计分析能力,能够通过对数据的分析来提供决策支持。
数据分析师还需要与产品和运营团队紧密合作,帮助他们更好地理解用户需求和市场趋势。
5.产品经理产品经理负责对公司产品的规划和管理。
他们需要了解市场需求和竞争对手情况,并在此基础上制定产品策略和路线图。
产品经理还需要与开发团队协作,确保产品的开发与交付按时完成,并能够满足用户需求。
6.项目经理项目经理负责技术部内部的项目管理工作。
他们需要制定项目计划和时间表,并监督项目的进展和完成情况。
项目经理还需要与其他部门紧密合作,协调资源分配和沟通。
7.运维工程师运维工程师负责公司的产品和系统的运行和维护工作。
他们需要具备较强的技术实力,能够快速响应和解决问题。
运维工程师还需要制定和执行系统的监控和维护计划,以确保系统的稳定运行。
运输部门人员配置及各岗位员工职责1. 人员配置1.1 运输经理- 负责制定和执行运输部门的战略计划和目标- 监督和管理运输团队的日常运作- 协调与供应商和外部合作伙伴的关系- 确保运输过程中的合规性和安全性1.2 配送主管- 负责监督和管理配送团队的日常工作- 确保货物按时、按量、按质地准时送达- 协调货物的储存、装载和配送过程- 处理客户的配送投诉和问题1.3 运输调度员- 负责协调和安排运输车辆和司机的调度- 与客户联系,安排货物的运输计划和时间表- 监控车辆的行驶情况,确保安全和效率- 处理运输过程中的紧急情况和调度变动1.4 仓库管理员- 管理和监控仓库的进出货物和库存情况- 组织和安排货物的储存位置和仓库布局- 确保仓库环境的整洁、安全和有序- 协助配送主管和运输调度员的工作2. 员工职责2.1 运输经理- 制定和执行运输部门的战略计划和目标- 监督运输团队的日常运作和绩效表现- 领导和指导员工,提供必要的培训和发展机会- 与供应商和外部合作伙伴建立和维护良好关系2.2 配送主管- 监督和管理配送团队的日常工作和工作质量- 确保货物按时、按量、按质地准时送达- 处理客户的配送投诉和问题,提供解决方案- 协调内部各部门之间的沟通和合作2.3 运输调度员- 安排和调度运输车辆和司机,确保运输计划的顺利执行- 监控车辆的行驶情况,处理运输过程中的紧急情况- 与客户联系,协商和安排货物的运输计划和时间表- 确保运输过程中的合规性和安全性2.4 仓库管理员- 管理和监控仓库的进出货物和库存情况- 组织和安排货物的储存位置和仓库布局- 确保仓库环境的整洁、安全和有序- 协助其他部门的工作,提供必要的支持和帮助以上是运输部门人员配置及各岗位员工职责的简要说明。
每个岗位的员工在具体工作中需要积极配合和协作,以确保运输部门的高效运作和客户满意度的达成。
⼈员配置及岗位职责康飞塑业企业⼈员配置及薪酬体系(讨论稿)⼆0⼀⼀年⼗⽉⽬录⼀、公司组织架构注:因财务主管未到位,暂将仓管划为⽣产部管理,待财务主管到位后由财务部管理。
⼆、⼈员配置明细三、岗位说明书⼀)⾏政⼈事部1、⾏政⼈事部经理所属部门⾏政⼈事部职位使命负责为公司管理层提供决策⽀持,保证公司内部管理体系的完整和平稳运⾏;进⾏公司形象推⼴、公关和公司企业⽂化建设;负责后勤⽀持⼯作;出差管理等。
直属上级总经理直属下级⼈事专员、⾏政专员、前台⽂员、司机等后勤保障⼈员⼯作职责1)协助总经理制定公司⼈⼒资源管理制度和年度计划。
2)负责开展公司的招聘、培训及绩效考核⼯作;3)协助总经理做好公司员⼯的薪酬管理,并完成年度调薪⼯作;4)负责劳动关系管理;5)负责制定公司⾏政管理制度,并督促管理制度的有效执⾏,负责评估和监督公司内部管理的规范性和有效性;6)负责公司⾏政费⽤、物资管理的管控及员⼯出差等费⽤审核⼯作;7)负责公司各种会议的会务⼯作安排,周例会的主持⼯作,年度会议的组织准备⼯作,并跟进会议决议的执⾏及完成情况;8)负责部门内部组织管理⼯作;9)负责公司内部⾏政⼯作的协调沟通;10)完成总经理交办的其他⼯作任务。
2、⼈事专员所属部门⾏政⼈事部职位使命在⾏政⼈事经理的领导下,具体负责⼈员的招聘与配置、培训与开发、绩效管理等⼈事模块⼯作,参与企业管理,协助处理劳动关系。
直属上级⾏政⼈事经理⼯作职责1)负责办理员⼯⼊职、离职、转正、调岗、调薪等⼯作的综合管理;协助领导编写、修改和推⾏实施各类⼈事规章制度;2)建⽴和维护⼈事档案、员⼯花名册,及时更新员⼯的个⼈信息和资料,定期更新员⼯通讯录并上传⾄群共享(或发⾄员⼯邮箱);3)负责应聘简历搜索,⼈员储备,对应聘⼈员进⾏初试、筛选,及新员⼯的培训⼯作;4)负责公司员⼯劳动合同的签订和⽇常管理⼯作,为满⾜条件员⼯办理社保;5)每⽉5⽇前将当⽉满⾜条件的员⼯⽣⽇津贴名单上报⾄财务部,办理相关⼿续;三节福利明细的申请,准确上报相关资料;每⽉5⽇前制作员⼯餐补明细,办理审核⼿续后上交财务部;6)负责考勤、员⼯休假的管理,每⽉3⽇前上交当⽉⼈员异动表及当⽉考勤表,每⽉10⽇前制作完成员⼯⼯资表,并跟进审核,待审核完成后上交财务部;每⽉15⽇跟进⼯资发放情况,并下发⼯资条。
旅游公司的人员配置及岗位职责一、前言旅游公司的人员配置及岗位职责对于公司的运营和发展至关重要。
一个合理的人员配置和明确的岗位职责能够确保公司各部门之间的协作顺畅,提高工作效率,为客户提供优质的服务。
本文将详细介绍旅游公司的人员配置及岗位职责。
二、人员配置1. 总经理2. 副总经理3. 市场营销部市场营销经理市场策划专员销售专员4. 产品运营部产品运营经理旅游线路规划师计调专员5. 客户服务部客户服务经理客户专员售后服务专员6. 财务管理部财务经理会计出纳7. 人力资源部人力资源经理招聘专员培训专员三、岗位职责1. 总经理负责公司的整体战略规划和运营管理。
监督各部门的工作进展,确保公司目标的实现。
决策公司重大事项,签署重要合同。
2. 副总经理协助总经理管理公司日常运营。
负责分管部门的工作指导与监督。
在总经理授权下,处理公司日常事务。
3. 市场营销部市场营销经理制定市场营销策略,提升公司品牌知名度。
监督市场策划和销售团队的工作进展。
分析市场趋势,为公司战略规划提供数据支持。
市场策划专员策划各类营销活动,提升公司产品销量。
撰写营销方案,与相关部门协调实施。
跟踪活动效果,收集客户反馈,优化活动方案。
销售专员负责旅游产品的销售工作,拓展客户渠道。
与客户保持良好沟通,了解客户需求,提供个性化服务。
跟进订单进度,确保客户满意度。
4. 产品运营部产品运营经理负责旅游产品的规划、设计与优化。
监督旅游线路规划师和计调专员的工作进展。
分析旅游产品数据,为产品迭代提供改进建议。
旅游线路规划师根据市场需求,设计并优化旅游线路。
与供应商沟通合作,确保线路资源的充足与优质。
撰写旅游线路介绍和行程安排,为客户提供详细的产品信息。
计调专员负责旅游团队的计划调度工作。
协调各方资源,确保旅游行程的顺利进行。
处理行程中的突发问题,保障客户安全。
5. 客户服务部客户服务经理负责客户服务团队的管理与培训。
监督客户专员和售后服务专员的工作质量。
工程部人员配置及其岗位职责工程部是企业中非常重要的一个部门,负责项目的规划、设计、施工等工作。
在一个完善的工程部中,人员配置合理且岗位职责明确,以便提高工作效率和项目质量。
下面是一个典型的工程部人员配置及其岗位职责的介绍。
1. 部门经理(Chief Engineer)部门经理是工程部的负责人,主要负责整个工程部门的运作和管理,包括项目计划、人员配置、预算控制等。
其职责包括:-制定和实施工程部门的发展战略和目标;-管理和指导工程部门的日常工作,保证项目按时完成并达到质量标准;-确保团队成员的职责清晰,推动团队合作和协调。
2. 设计工程师(Design Engineer)设计工程师是工程部的核心人员,负责项目的设计和技术支持工作。
其职责包括:-进行项目可行性研究和技术方案设计;-编制设计文件、图纸和技术规范,确保设计方案的准确性和可行性;3. 施工经理(Construction Manager)施工经理是负责项目施工阶段的人员,负责组织、协调和管理施工团队,确保施工过程的顺利进行。
其职责包括:-制定和实施施工计划,安排施工人员和资源;-监督施工进度,确保施工质量和安全;-协调处理施工现场的问题和纠纷,解决施工过程中的技术难题。
4. 项目经理(Project Manager)项目经理是负责整个项目的管理和执行的人员,其职责包括:-确定项目目标和范围,制定项目计划和时间表;-协调和管理项目相关的活动,包括设计、采购、施工、验收等;-监督和控制项目进度和成本,确保项目按时完成并达到预期效果。
5. 自动化工程师(Automation Engineer)自动化工程师负责工程部门中的自动化系统设计和管理工作,其职责包括:-设计和实施自动化系统,提高工程部门的效率和生产效益;-维护和管理自动化设备,确保设备的正常运行;-提供自动化系统的技术支持和培训。
6. 质量控制工程师(Quality Control Engineer)质量控制工程师负责项目质量控制和管理工作,其职责包括:-制定和实施质量控制计划和标准,确保项目的质量;-进行质量检测和评估,解决项目中的质量问题;-建立和完善质量管理体系,提高工程部门的质量管理水平。
物业人员配置及岗位职责
1、物业经理
负责物业管理工作的全面规划和实施,协调解决物业管理中的各种问题,负责与业主进行沟通和协调,管理物业管理团队,协助制定和执行物业管理方针政策。
2、物业主管
负责管理物业日常运营,协调物业服务保洁、保安、绿化等工作,管理物业维修维护工作,负责物业费用的收取与管理,协助物业经理处理日常事务。
3、物业管理员
负责物业日常事务的管理和协调,包括接待来访业主,办理业主相关手续,解决小区内的纠纷,监督和检查物业工作落实情况,负责做好相关档案管理。
4、保安人员
负责小区门卫、巡逻和维护小区的治安环境,维护小区内的秩序和安全,协助处理小区内突发事件和事故,维护小区内的设施设备安全。
5、保洁人员
负责小区内的日常清洁工作,包括公共区域的清洁、垃圾处理和环境卫生的保洁工作,保持小区的整洁与卫生环境。
6、维修人员
负责小区内设施设备的维修与保养工作,包括电力设施、给排
水设施、绿化设施等的日常维护和故障处理,保障小区内设施设备的正常运行。
人员配置及岗位职责一、人员配置人员配置是指根据组织的发展需要和工作内容,合理分配和调整组织内部的人力资源,确保每个岗位有合适的人员来担任。
1.工作内容分析首先,需要对组织的工作内容进行分析,明确每个岗位所要承担的任务和工作内容。
这样可以为人员配置提供明确的依据和参考。
2.组织结构设计在进行人员配置时,需要根据组织的规模和性质来设计组织的结构。
合理的组织结构可以提高工作效率,减少决策层级,加强工作流程的畅通性。
3.人力资源招聘和配置在确定了组织的工作内容和结构之后,需要进行人力资源招聘和配置。
通过招聘合适的人才,为每个岗位配备合适的人员,使得组织的各项工作能够顺利进行。
4.人员晋升和调整随着组织的发展和变化,人员配置也需要不断地进行晋升和调整。
对于业绩优秀的员工可以进行晋升,提供更高级的岗位和更多的责任;而对于工作不合格或无法适应的员工,需要进行调整或者解雇。
二、岗位职责岗位职责是指每个岗位在组织中所承担的具体工作内容和责任。
明确的岗位职责可以让员工清楚地知道自己的工作范围和职责,从而更好地完成工作任务。
1.岗位职责的确定在确定岗位职责时,需要结合组织的工作内容和发展需求。
通过明确每个岗位所需承担的工作任务和职责,来规范员工的工作行为和责任。
2.岗位职责的详细描述为了使岗位职责更加具体明确,可以对每个岗位的职责进行详细描述。
包括工作目标、工作内容、工作方法、工作要求等方面内容,使员工能够清楚地理解和执行工作任务。
3.跨部门合作与协调在工作中,往往需要跨部门合作和协调。
因此,岗位职责还需要考虑与其他岗位的配合和协作,明确各个岗位之间的工作关系和责任分工。
4.绩效考核和评估对于每个岗位的工作表现和绩效,需要进行定期的考核和评估。
这样可以及时发现问题,对员工进行奖励和激励,进一步提高整体工作绩效。
总结:。
人员配置及岗位职责一、人员配置根据公司的发展战略和业务需求,合理的人员配置是确保组织高效运转和实现目标的重要因素。
在人员配置中,需要考虑到各个岗位的职责和能力要求,以及团队的协作和配合。
1. 高层管理人员高层管理人员是公司决策层,他们负责制定公司的战略方向和目标,并对公司的整体运营进行监督和管理。
他们需要具备较高的管理能力和领导力,能够带领团队实现公司的长期发展目标。
2. 部门经理部门经理是负责管理具体部门的人员,他们需要负责制定部门的工作计划和目标,并组织团队实施。
他们需要具备较强的组织能力和沟通能力,能够有效地协调各个岗位的工作,确保部门的正常运转。
3. 专业人员专业人员是公司的核心力量,他们在各个领域具有专业的知识和技能。
他们需要根据公司的需求,承担相应的工作任务,并提供专业的建议和支持。
他们需要不断学习和更新知识,以适应市场和技术的变化。
4. 行政人员行政人员是公司的后勤支持人员,他们负责处理公司的行政事务和日常工作。
他们需要具备较强的组织能力和执行能力,能够高效地完成各项任务,并提供必要的支持和协助。
二、岗位职责不同的岗位有不同的职责和要求,在人员配置中需要明确各个岗位的职责,以确保工作的顺利进行。
1. 高层管理人员的岗位职责- 制定公司的战略方向和目标,确保公司的长期发展;- 监督和管理公司的整体运营,包括财务、人力资源、市场营销等方面;- 领导和管理各个部门的工作,确保各项工作的顺利进行;- 与公司的合作火伴和外部机构进行沟通和协调,建立良好的合作关系。
2. 部门经理的岗位职责- 制定部门的工作计划和目标,确保部门的工作与公司的整体目标一致;- 组织和协调部门的工作,包括人员安排、任务分配等;- 监督和评估部门的工作发展,及时解决问题和调整工作计划;- 与其他部门进行沟通和协调,确保各个部门之间的协作和配合。
3. 专业人员的岗位职责- 根据公司的需求,承担相应的工作任务,提供专业的建议和支持;- 不断学习和更新专业知识,提高自身的专业能力;- 参预项目的开辟和实施,确保项目的顺利进行;- 协助部门经理完成相关工作,提供必要的支持和协助。
采购部人员设置及岗位职责一、主任(1名):1.负责全面主持采购部的工作,协调与各部门、各供应商的工作关系。
2.负责根据公司的发展方向以及经营模式,及时调整相关模式及采购计划。
3.负责全面监控部门的采购、供应及日常运作情况。
4.负责完善及修编部门相关管理制度。
5.负责审核部门所需拟定的相关合同。
6.完成上级领导安排的其他工作。
二、统计结算专责(2名):1. 负责每日、每月、每季度的生产经营物料的申购及汇总。
2. 负责复核、汇总相关物料的采购金额,并与各供应商完成对账工作。
3.负责整理供应商开具的发票及相关单据交由付款审核专责做审批前的复核。
4.完成报销流程的纸质审批工作,并扫描、上传发起电子审批流程。
5.负责各项目点库存状况、物料领用台账的监督。
6.完成上级领导安排的其他工作三、付款审核专责(1名)1.负责审核统计结算专责提供的发票,并核对与合同、申购单、验收单等是否相一致,并出具《结算单》。
2.负责登记、整理各类别的发票,并做好统一的发票收发记录表。
3.负责按时提交采购部门应付账款的资金计划表,并呈报各级领导审批。
4.负责根据供应商不同的账期,实时调整安排付款计划。
5.负责付款工作的相关台账的建立以及提交财务付款相关凭证的整理。
6.完成上级领导安排的其他工作。
四、采供(2名):采供专责(1名):1.协助采购部主任完成日常工作。
2.负责物料招标的全盘工作。
3.全盘负责市场询比价工作,出具定价表。
4.负责起草拟定相关买卖合同、维保合同等合同。
5.负责供应商的考核工作。
6.完成上级领导安排的其他工作。
采购文员(1名):1.配合采供专责完成市场询比价的工作,主要是基础资料的采集与汇编。
2.负责各项目点库存状况、物料领用台账的监督。
3.负责相关生产经营物料的零采及相关台账的建立,负责供应商的开发、储备与管理。
4.配合市场部完成相关的招标工作。
5.负责部门档案的管理、会议纪要的撰写、建立合同台账、发起合同审批流程等日常工作。
管理人员配置和岗位管理职责针对本工程的规模和特点,我公司高度重视,经认真研究,选派具有国家一级项目经理资质,曾参与多项大工程施工的高级工程师林辉为项目经理组成项目管理机构。
1、项目施工管理人员配置我司将选派统筹管理能力强、施工管理经验丰富、施工技术精湛的工程师来担任项目施工管理人员,施工管理机构的组合突出高效、精干、科学、全面的原则,各施工员在项目经理的统筹安排下,精诚协作,各司其职。
按本工程的特点,设置施工管理员6名,分别管辖给排水系统、电气系统和空调系统的施工;专业施工员各负其责,统一协调,负责统筹施工安排。
质量监督员和安全监督员选派专业技术知识丰富、熟悉施工验收规范及施工工艺,管理严格,具有丰富的安全管理知识,熟悉国家及省市、公司各项安全及文明施工管理规定,掌握各类安全技术措施等的人员担任,并直属由项目质安总监管理及调配,直接向质安总监负责。
公司实行质量、安全管理的质安总监一票否决权制度。
质安监督员对负责监管的专业施工质量和工地安全及文明施工,有权发出纠正指命并拥有独立处罚权,确保工程施工达到要求。
2、项目经理部各主要岗位管理职责2.1 项目经理(1)项目经理全权负责项目管理和履行项目施工合同工作,全面负责本项目的管理工作。
(2)对项目的质量、进度、成本控制等负全面责任。
(3)项目经理是工程施工指挥和协调的核心,对内协调各施工队(班组)之间的协作关系,对外协调与当地政府、工程管理等部门的各种关系,协调与业主、设计院、监理公司和其它承包商的关系。
(4)全权调动项目资源服务于本项目的实施。
(5)全面负责技术、环境、职业健康安全、消防等管理工作。
2.2 项目技术负责人(1)负责本项目的质量和安全管理的组织工作。
(2)组织施工图纸的会审工作,对提出的问题要组织研究或提交设计院解决。
(3)负责施工技术准备及组织编制施工组织设计。
(4)组织解决施工生产中的技术问题,组织召开项目技术会议,审核重大技术方案,并报公司主任工程师审批。
物业服务人员配置及岗位职责一、物业服务人员配置1.物业经理:负责物业管理中心的整体工作,包括制定管理规章制度、协调各部门工作、处理日常事务等。
2.客户服务主管:负责物业管理中心的客户服务工作,包括接待来访客户、处理客户投诉、组织客户活动等。
3.维修主管:负责物业管理中心的维修工作,包括设备维护、维修申请处理、维修工作调度等。
4.保安主管:负责物业管理中心的安全工作,包括门禁管理、巡逻安保、安全演练等。
5.环境卫生主管:负责物业管理中心的环境卫生工作,包括楼宇清洁、垃圾分类处理、绿化管理等。
6.财务主管:负责物业管理中心的财务管理工作,包括编制预算、管理收支、统计分析等。
9.维修人员:负责设备维护和维修工作,包括日常保养、设备检修、故障排除等。
10.保安人员:负责门禁管理、巡逻安保、应急处理等。
11.环境卫生人员:负责楼宇清洁、垃圾分类处理、绿化养护等。
12.财务人员:负责日常财务工作,包括收入、支出的记账、报表的编制等。
二、各岗位职责1.物业经理-制定物业管理中心的管理制度和业务发展计划。
-组织协调各部门工作,促进协同合作。
-处理日常事务和突发事件,保证物业管理工作的正常运转。
-定期与业主开展交流,听取意见和建议,改进物业服务质量。
2.客户服务主管-处理客户投诉,及时安抚和解决问题,保证客户满意度。
-组织客户活动,增进客户之间的交流和感情。
3.维修主管-负责维修工作的组织和调度,按照优先级处理维修申请。
-协调维修人员的工作,提供技术支持和指导。
-确保设备维护情况得到及时记录和跟进。
4.保安主管-负责门禁管理,确保进出人员的合法性和安全性。
-组织巡逻安保工作,提高物业管理中心的安全防范能力。
-组织安全演练,检验安全应急预案的有效性。
5.环境卫生主管-负责楼宇清洁工作的组织和协调,保持楼宇内外环境整洁。
-管理垃圾分类处理,确保环保要求的落实。
-负责绿化养护工作,保持建筑周边环境的美观。
6.财务主管-编制物业管理中心的预算,监控收入和支出情况。
运输公司人员配置及各岗位人员职责目录一、部门及岗位配置 (1)二、各岗位岗位职责 (1)(一)董事长岗位职责 (1)(二)经理岗位职责 (2)(三)办公室主任岗位职责 (2)(四)运输调度员岗位职责 (4)(五)财务人员岗位职责 (5)(六)安全员岗位职责 (6)(七)车队长岗位职责 (7)(八)驾驶员岗位职责 (8)二、各岗位岗位职责(一)董事长岗位职责(负责全面工作)1、制定下达的经济指标,制定公司的发展规划和本年度的各项工作指标;2、主持物流公司的全面工作,对运输、公司车辆、成本控制、财务状况、安全生产负责;3、建立完善公司完整的各项管理制度;4、组织对物流公司全体员工进行考核工作,对职能负责人及先关责任人的任免、劳动报酬直接进行评定、考核;5、接受员工的各项合理化建议,意见。
形成具有科学决策,民主管理的企业管理模式。
(二)经理岗位职责1、全面负责公司日常事务和管理工作,对公司董事长负责。
2、按公司运输管理的要求协调相关部门的工作。
3、负责公司行政管理和业务管理工作,负责组织公司人员业务学习和安全教育工作。
4、负责组织公司人员会议,传达公司总部的有关文件及规定,并组织实施。
5、负责公司人员的调配、考勤、考核和请销假工作。
6、负责公司行政、生产工作计划的制定和工作总结。
7、负责审核公司经费的支出和差费报销工作。
8、负责组织车辆及驾驶员的审验工作。
9、负责安排车辆的购置税、车辆保险、落户等工作。
10、负责组织、监督车辆安全检查。
11、负责组织、监督公司的资料、档案管理工作12、负责落实贷款车辆的缴费工作,提前告知车主的打款时间,采用电话与短信相结合的方式告知车主。
13、负责挂靠车辆的GPS监控管理工作,对运行不良的车辆进行分析,并书面报告。
14、协助公司总部完成有关工作。
(三)办公室主任岗位职责1、制度。
协助经理对公司内各项规章制度的制定以及监督执行,敦促公司内人员以及各驾驶员遵守公司的相关条例,确保公司正常运营。
项目部人员配置及岗位职责在项目实施过程中,正确的人员配置以及明确的岗位职责分配对于项目的顺利进行至关重要。
本文将从项目部人员配置和岗位职责两个方面进行论述,以确保项目团队的高效合作和项目目标的实现。
一、项目部人员配置项目部人员配置是指根据项目的规模和需求,合理地组建一个能够胜任各项任务的项目团队。
一个合适的人员配置能够充分发挥每个成员的潜力,提高工作效率,保证项目的进展和质量。
以下是一个常见的项目部人员配置的示例,具体配置根据项目的特点可以进行调整:1. 项目经理:负责项目全面管理和监督,协调各个团队成员,把握项目进度和质量,与客户进行沟通和协调。
2. 技术工程师:负责项目的技术实施和技术支持,包括系统设计、程序编写、测试和维护等工作。
3. 项目助理:协助项目经理进行项目管理工作,如编制项目计划、协调资源等。
4. 业务分析师:负责分析项目需求和目标,根据客户的需求确定项目的功能和特性。
5. 测试人员:负责项目的测试工作,并对测试结果进行记录和分析,确保项目的质量。
6. 文档编辑人员:负责整理和编写项目的文档,如需求文档、设计文档、用户手册等。
7. 项目财务:负责项目的财务管理和成本控制,对项目的预算、收入和支出进行统计和分析。
二、岗位职责每个项目部成员都有自己的岗位职责,明确的岗位职责可以有效地分工合作,保证项目的有序进行和有效执行。
以下是一个常见的岗位职责的示例,具体职责根据项目的特点和需求可以进行调整:1. 项目经理:负责项目的整体计划、组织和协调工作,制定项目目标和计划,监督项目进展,解决项目中的问题和风险。
2. 技术工程师:负责项目的技术实施和技术支持,根据项目需求进行系统设计、编码和测试,解决技术问题和优化项目功能。
3. 项目助理:协助项目经理进行项目管理工作,负责项目文件的整理和归档,协调各个团队成员之间的沟通和协作。
4. 业务分析师:负责分析项目需求和目标,与客户进行沟通和需求确认,制定相应的功能和特性。
机构内部人员配置及各岗位职责、要求办公室(媒介公关部)一、行政助理2名岗位职责:1、在秘书处的直接领导下,做好机构的上传下达工作,负责机构的行政管理和日常事务,协助上级搞好各部门之间的综合协调工作。
2、负责组织机构内部各项会议,并做好会前准备、会中记录、会后整理会议内容及做好会议纪要的下发和存档工作。
3、协助秘书处完善人力资源管理,加强对各项工作督促和检查,建立并完善各项规章制度,认真督办各部门的工作任务完成情况.4、负责编制机构人员的需求计划、招聘和调配工作,做好员工的日常考勤及汇总工作,并以此为依据编制薪资发放表。
5、负责机构来往电文的处理及保密工作,安排落实档案资料的保管和归档工作。
6、协助上级做好机构人员的思想工作,搞好机构内的精神文明建设,对违规违纪人员提出处理意见上报秘书处,通过后并组织落实。
7、负责对外接待工作,塑造公司对外形象。
8、做好机构的后勤保障工作,严格车辆、办公用品等机构财产的管理。
9、负责组织机构人员参加各类公益活动,加强机构人员思想道德建设和素质培养.岗位要求:1、大专以上学历,熟练电脑操作及office办公软件,具备基本的网络知识。
具有两年以上的行政助理工作经验者优先。
2、具有良好的文字写作功底与对外协调沟通能力,熟悉公文写作格式,具备基本商务信函写作能力。
3、熟悉办公室行政管理知识及工作流程,能积极配合做好联盟及秘书处交与的各项任务。
4、有较好的沟通表达能力及服务意识。
工作有条理,办事严谨,有责任心。
5、有一定的公关能力,能协调好各部门工作,口才流利,脾气好,气质修养好。
二、媒介公关:3名(兼职)岗位职责:1、负责业务拓展,了解成员及消费者服务需求信息,进行有效跟踪,做好指导和服务工作。
2、与相关部门紧密配合,协调、维护联盟与各方关系.3、熟练联盟产品及各项业务,解答客户提问并落实问题,进行项目洽谈.岗位要求:1、中专(高中)上以学历,有客服工作经验者优先,无工作经验可培训。
康飞塑业企业人员配置及薪酬体系(讨论稿)二0一一年十月目录一、公司组织架构 (3)二、人员配置明细 (3)三、岗位说明书 (5)一)行政人事部 (5)1、行政人事部经理 (5)2、人事专员 (6)3、行政专员 (7)4、前台文员 (7)5、行政司机 (8)6、保洁员 (9)7、门卫兼保安员 (10)8、厨工 (11)二)财务部 (12)1、财务部经理 (12)2、会计 (13)3、出纳 (14)4、仓管 (15)三)采购部 (16)1、采购员 (16)四)外贸部 (17)1、外贸经理 (17)2、外贸业务员 (18)3、外贸跟单员 (18)五)生产部 (19)1、生产部经理 (19)2、生产部主管 (20)3、班组长 (21)一、公司组织架构注:因财务主管未到位,暂将仓管划为生产部管理,待财务主管到位后由财务部管理。
二、人员配置明细序号部门岗位名称人员数量备注1总经理 1副总经理 2 暂不设置2 行政人事部(9人)经理 1人事专员 1行政专员 1前台接待 1司机 1门卫兼保安 2三、岗位说明书一)行政人事部1、行政人事部经理所属部门行政人事部职位使命负责为公司管理层提供决策支持,保证公司内部管理体系的完整和平稳运行;进行公司形象推广、公关和公司企业文化建设;负责后勤支持工作;出差管理等。
直属上级总经理直属下级人事专员、行政专员、前台文员、司机等后勤保障人员工作职责1)协助总经理制定公司人力资源管理制度和年度计划。
2)负责开展公司的招聘、培训及绩效考核工作;3)协助总经理做好公司员工的薪酬管理,并完成年度调薪工作;4)负责劳动关系管理;5)负责制定公司行政管理制度,并督促管理制度的有效执行,负责评估和监督公司内部管理的规范性和有效性;6)负责公司行政费用、物资管理的管控及员工出差等费用审核工作;7)负责公司各种会议的会务工作安排,周例会的主持工作,年度会议的组织准备工作,并跟进会议决议的执行及完成情况;8)负责部门内部组织管理工作;9)负责公司内部行政工作的协调沟通;10)完成总经理交办的其他工作任务。
所属部门行政人事部职位使命在行政人事经理的领导下,具体负责人员的招聘与配置、培训与开发、绩效管理等人事模块工作,参与企业管理,协助处理劳动关系。
直属上级行政人事经理工作职责1)负责办理员工入职、离职、转正、调岗、调薪等工作的综合管理;协助领导编写、修改和推行实施各类人事规章制度;2)建立和维护人事档案、员工花名册,及时更新员工的个人信息和资料,定期更新员工通讯录并上传至群共享(或发至员工邮箱);3)负责应聘简历搜索,人员储备,对应聘人员进行初试、筛选,及新员工的培训工作;4)负责公司员工劳动合同的签订和日常管理工作,为满足条件员工办理社保;5)每月5日前将当月满足条件的员工生日津贴名单上报至财务部,办理相关手续;三节福利明细的申请,准确上报相关资料;每月5日前制作员工餐补明细,办理审核手续后上交财务部;6)负责考勤、员工休假的管理,每月3日前上交当月人员异动表及当月考勤表,每月10日前制作完成员工工资表,并跟进审核,待审核完成后上交财务部;每月15日跟进工资发放情况,并下发工资条。
(考勤表中异常考勤需与当事人沟通,并经其部门经理确认)7)负责员工关系管理,积极与员工进行沟通,收集员工好的建议与意见,及时上报至部门经理处;8)做好公司领导临时交办的事项。
所属部门行政人事部职位使命负责公司行政后勤管理工作直属上级行政人事经理直属下级前台文员、司机、门卫/保安、保洁、厨工工作职责1)在行政经理的领导下,负责公司的行政后勤、安全保卫和消防管理工作,创造舒适、优美、整洁的工作生活环境;2)负责公司的宿舍管理、环境卫生管理、绿化管理、厂房管理、基建工程管理和房屋修缮、装修管理等综合事务工作;3)负责公司资产管理、办公用品的管理工作,避免公司资产流失和浪费;4)全面负责公司守卫管理工作,包括门卫值班、公司治安状况、消防安全及公司重大活动的安全保卫工作,确保公司人员、财产的安全;5)负责公司各项规章制度的推行,执行与追踪,维护公司各项规章制度的权威;6)负责公司印章管理(公章、合同章及部门章),根据审批制度,做好登记。
负责公司资质的年检工作。
7)负责执行公司文件管理有关制度,具体承办文件的编号、统一格式、文印、整理、收发、传递、存档、销毁等工作;参与草拟各种行政办公文件、制度;根据文件签批流程跟踪,签收登记等;负责公司文件档案管理工作;8)负责公司车辆的管理和司机的管理工作,包括车辆调度、使用、维护保养,确保车辆及人身的安全;9)负责公司办公设备的日常维护、简单维修及保养;10)负责会议的组织、管理及会议纪要的整理发放等工作;11)完成上级交办的其它各项工作。
4、前台文员所属部门行政人事部职位使命负责来访接待,总机管理,公司行政事务以及办公用品的管理直属上级行政专员工作职责1)负责日常接待工作,根据来访原因确认处理方式,并做好登记;2)接听转接电话:前台是总机电话,一般电话拨入后都需转接其他分机,根据通讯录的分机号码,准确的进行电话转接;3)办公用品的采购、申请及发放,每月25-30日对库存的办公用品进行全面盘点,制作“办公用品库存统计表”提交行政部审查。
若有用品数量不足或已领用完,即时上报申请,进行补充;每月1-3日统计各部门办公用品需求,结合办公用品库存,统计出“购买清单”后报行政专员审批后交由采购部采购;4)保证行政电子设备的正常使用,包括:扫描仪、传真机、复印机等,若机器出现故障,及时联系供应商解决问题;5)名片的申请与制作:当公司部门有印制名片需求时,需要其填写“名片申请单”,并提供名片相关信息。
确认名片信息后,将信息发送给供应商,通知其排版印刷,电子版确认无误后印刷,后交于名片申请人;6)公司备用钥匙的管理,前台应妥善保管备用钥匙以备公司同仁有紧急情况时使用;7)公司有人员招聘时,协助人事部门电话通知应聘人员各项事宜;(通知应届生、实习生及专业人才到我司面试,并合理安排相关面试时间;)8)收发传真,协助各部门员工收发业务传真;复印资料文件;9)协助行政经理组织协调公司内部活动,如员工生日会、公司集体活动、拓展等业务的联系、通知、协调事宜;10)完成上级交办的其它各项工作。
5、行政司机所属部门行政人事部职位使命提高各部门外出办事效率直属上级行政专员工作职责1)负责对公司车辆的日常维护及保养,制订车辆维修计划,若车辆有异常,按规定上报公司行政部,填写车辆维修申请单后到指定地点维修,并提供详尽的支出明细;2)负责办理公司车辆的年检手续及车辆各种税费的缴纳、车辆季审、年审以及车辆变更业务的办理;3)经常进行车辆保养,保持车辆的良好运行状态,保持车辆内外的卫生整洁,每周至少自行清洁车辆一次,若需要到洗车店洗车,需经行政部允许后再行清洗;4)确保行车安全,做好行车记录;加油前需至行政部登记领取加油卡,并提醒行政部充值油卡,办理充值发票;5)负责每日南昌县员工的接送工作,确定最佳行车路线,确保员工上班时间,如有特殊情况,需提前通知行政部人员;如遇节假日,需在放假前做好车辆清洁保养工作,并将车辆停在指定停车地点;6)自觉做到不违章行车、不私自用车、不酒后开车、不开赌气车;车辆违章视情况,若因公司领导强行要求违章,由公司承担,否则车辆违章一切费用由司机自行承担;7)上班不出车期间,必须按公司作息时间准时到办公室,服从行政主管的统一调度;8)做到严守秘密、不得随意传播领导的讲话内容;9)执行上级交付的其它工作任务。
6、保洁员所属部门行政人事部职位使命确保办公区内干净、整洁,树立良好的公司形象。
直属上级行政专员工作职责1)负责公司一楼大厅、二楼所有办公区域、一二楼卫生间、食堂以及楼梯的卫生清洁工作;2)爱护清洁工具,每次使用后放置在指定地点。
3)打扫卫生时节约用水,发现未关好的水龙头、照明灯,及时关好。
4)负责各办公室的卫生清洁工作,每日清理更换垃圾筒,每日上班首先清理二楼总经理办公室及各办公室卫生,然后再自行安排清理顺序,每月清洁一次公共区域的玻璃,确保窗明几净;5)厕所每天冲洗,(包括一楼二楼)6)保持厂房及办公楼周围的清洁和及时清倒垃圾,每周清理一次厂区周围卫生,主要是拣垃圾,确保厂区卫生。
7)执行上级交付的其它工作任务。
7、门卫兼保安员所属部门行政人事部职位使命做好后勤安全保卫直属上级行政专员工作职责1)严格遵照制度,负责公司的安全保卫工作;日班主要承担门卫职责,晚班每小时按时巡逻,并做好巡逻记录;处理突发事件作并及时上报;2)当值时,严格遵照人员及货物出入门制度,并做好核实、登记事宜;负责复核厨工每日购菜的重量及金额,填写每日购菜清单;3)发现并制止违规行为,记录上报行政部行政专员处;4)维持车辆有序停放,确保安全,禁止乱摆,乱倒垃圾、破坏绿化设施等;5)热诚对待客户,耐心解释有关要求及规章制度;6)车辆因事需进入公司,须于门卫室填写登记表,详细登记事由,车牌号码后方可进入公司;7)其他外来人员因事出入公司,需登记出入时间、事由,并通报前台文员进行安排;8)做好门卫室和清洁卫生段的清洁卫生,确保环境清洁整洁(主要清洁段为公司大门内及门外的道路清洁,确保干净整洁)。
9)正确记录值班日志和交接班记录,妥善保管配发的安保器械,不得丢失和擅自使用。
10)负责每月定期进行消防设备的检测、保养、维修,及时排除消防设备故障,如有异常及时上报行政部11)执行上级交付的其它工作任务。
8、厨工所属部门行政人事部职位使命确保员工按时就餐直属上级行政专员工作职责1)严格遵照制度,负责每日购菜,洗菜、拣菜、炒菜及厨房的卫生清洁工作,确保每餐一荤一素一汤,菜品三日内不得重复;2)负责每餐监督员工打卡后方可分菜,做到公平、公正,确保每位用餐员工都能吃饱吃好;3)确保员工用餐卫生、安全;4)合理安排每餐菜品,做好预算,确保每个季度平均费和不超支;5)每日购菜经门卫确认后填写每日购菜清单,一式两份,一份上交至行政专员处,一份自行留档,作为报销依据;6)入职后至财务部领取备用金捌佰元,每周报销菜金一次,确保报销单据详细、齐全;7)负责员工中餐及晚餐两餐工作餐,约40-80餐每天;8)执行上级交付的其它工作任务。
二)财务部1、财务部经理所属部门财务部职位使命主持公司财务管理及内部控制工作,筹集公司运营所需资金,完成企业财务计划,负责公司的成本核算。
直属上级总经理直属下级会计出纳仓管工作职责1)遵守会计法、企业会计制度、会计准则以及相关法律、法规,对公司财务进行全面具体管理;2)建立公司会计核算体系和制度;3)负责公司财务业绩的核查、考核和监督控制工作;4)负责公司成本控制、成本核算、及经济情况分析工作;5)制订财务工作长远规划,跟踪实施情况;6)督促检查各项预算、结算执行情况,对财务报表、财务报告编制工作严格把关;7)负责公司资金管理调度工作。