产品特殊特性标识分级表
- 格式:xlsx
- 大小:14.02 KB
- 文档页数:1
阶段:12
13
14
15
16
17
18
19
20
21
22
23
24
25
26
27
产 品 及 过 程 特 殊 特 性 明 细 表
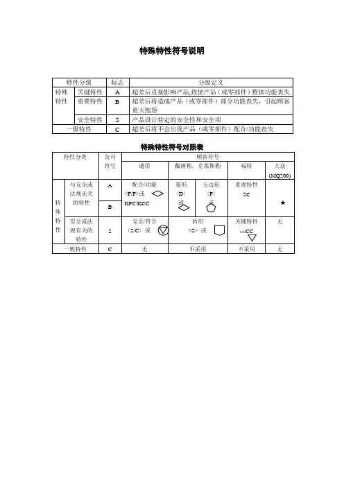
更改文件号更改文件号注:1、 关键特性:与安全和法规有关; 重要特性:与功能、配合和外观有关;2、特性编号中,A代表与产品有关的特性,编号顺序为A-1,A-2,…… ; B代表与过程有关的特性,编号顺序为: B-1;B-2;……;描述/说明
规范/公差图示说明(见附页)后轮毂核心小组处数
签字日期审核/日期处数技术副总批准/日期特性分类签字日期标记精车油封孔进给0.2mm/r 序号特性编号批准/日期标记管代批准/日期油封孔倒角2*30°油封孔直径¢165.5精车油封孔转速400r/min 端面跳动端面粗糙度油封孔粗糙度轴承孔圆柱度精车轴承孔转速400r/min 精车轴承孔进给0.1mm/r 轴承孔底面跳动轴承孔粗糙度轴承孔直径¢165精车齿圈孔进给0.12mm/r 轴承孔位置12±0.05轴承孔深度164零件编号:
其它批准/日期(如需要)零件名称:后轮毂
供方/工厂其它批准/日期(如需要)项目编号:
核心小组:供方/工厂批准日期:项目名称:
顾客批准/日期(如需要) □初始
■正式主要联系人/电话:编制/日期:产品及过程特殊特性明细表编号:
修订/日期:00093.0133.0--063.00+2.00+。
特殊特性管理程序(IATF16949-2016/ISO9001-2015)1.0目的明确特殊特性,以便于控制使产品达到质量要求。
2.0范围适用于公司所有产品/过程特殊特性。
3.0术语3.1.特殊特性:可能影响安全或法规的符合性、产品的配合、功能、性能,或产品后续生产过程的产品特性或制造过程参数。
3.2.安全法规特性(S:Safe:):在可预料的合理范围内变动会显著影响顾客满意程序,对产品使用中的安全、法规的符合性造成影响,或在生产制造、运输过程中对员工造成危险的特性。
3.3.关键特性(K:Key):在可预料的合理范围内变动会显著影响顾客满意程度,造成产品基本功能丧失或降低,或造成生产过程严重、显著中断(如产品报废或生产停线、降速)的特性。
3.4.重要特性(I:Important):在可预料的合理范围内变动可能影响顾客对产品的满意程度,造成产品次要功能丧失或降低,或造成生产过程中等中断(如产品需离线返工)的特性。
3.5.一般特性:在可预料的合理范围内变动可能对产品次要功能造成干扰或没有影响,或只对制造过程造成中等中断(如产品需在线返工或对操作员造成轻微不便)的特性,这种情况下,不需要做任何标识。
4.0管理职责4.1.产品开发部:项目策划小组负责组织建立和确定特殊特性,编制《特殊特性清单》。
4.2.采购部:4.2.1.负责提供涉及安全特性的供应商清单;4.2.2.负责与供方就安全特性签定责任协议,包括采购合同及以上文件的存档工作。
4.3.质保部:在所编制的相关文件上标出特殊特性符号,按要求操作、监控,并记录有关数据;对本厂及涉及安全特性的供方进行审核。
4.4.行政人事部:对相关人员进行特殊特性和产品安全特性培训;对存档的资料、记录按照规定标识及存档管理。
4.4.1.仓储部:对具有安全特性的原辅材料、成品(仓储)进行标识及对故障件的紧急追回;4.5.制造部:按要求操作、监控,并记录有关数据。
5.0工作程序更多免费资料下载请进:好好学习社区更多免费资料下载请进:好好学习社区更多免费资料下载请进:好好学习社区附表1:特殊特性名称与符号、对产品及制造过程影响、严重度等级对照表6.0相关文件特性/D件管理规定7.0相关记录(最少保存期:15年)D特性清单D/TLD人员及培训需求清单安全特性(件)存档文件清单X-R控制图产品和过程特殊性清单(初始)产品和过程特殊特性清单(正式)初始过程能力研究记录认证产品一致性检查记录。
特殊特性确定、标识和控制程序(IATF16949-2016/ISO9001-2015)1.0目的本程序规定了产品和过程特殊特性的识别、确定、标识及控制管理方法。
以确保产品特殊特性在制造过程中得到有效控制。
2.0范围本程序适用于公司内汽车产品的设计、制造及装配过程。
3.0术语和定义3.1产品特性一个零件或零件的一部分、装配或系统(如直径、形状、性能、状态、外观、方向性、粗糙度、材质等),这些特性既能够被改变也可以成为属性。
3.2过程特性一种可变的或作为属性的过程参数(如温度、时间、压力等),该参数影响一个或多个产品特性,为保证关键特性的符合性,过程特性偏差必须控制在一定的目标值范围内。
3.3特殊特性特殊特性是影响产品的安全、法规的符合性、配合、功能、性能及后续加工的产品特性或制造过程参数。
特殊特性包括产品特殊特性和过程特殊特性。
产品特殊特性分类:关键产品特性:指该要素的合理预期偏差一旦偏离可能极大的影响到产品的安全性或该产品是否符合国家法规。
重要产品特性:指该要素的合理预期偏差一旦偏离可能极大地影响到用户对产品的满意程度(除安全性),如干涉、外观、联接及客户特殊要求等。
一般产品特性:除关键产品特性和重要产品特性以外的产品特性。
4.0职责4.1技术部负责识别客户的特殊特性;4.2多功能小组负责对公司内特殊特性进行确定、保证;4.3质量部负责对有关人员和操作人员培训特殊特性;4.4生产部对过程特殊特性和计数型产品特殊特性进行监控;4.5质量部对计量型产品特殊特性和涉及特殊特性的检验和试验进行监控,并保存记录;5.0工作流程5.1客户特殊特性的确定5.1.1客户图纸、产品描述书和技术要求等文件中指定的特殊特性。
5.1.2公司内部指定的特殊特性公司内部指定的特殊特性是以FMEA和以往的经验等为基准来确定,特殊特性是由技术、质量、生产、采购等相关部门组成的多功能小组研讨后确定。
5.2过程特殊特性的确定与特殊特性有直接因果关系的过程特性值称过程特殊特性,如气压值、液压值、电流值等。