班后会议记录
- 格式:docx
- 大小:12.61 KB
- 文档页数:1
班前班后会议记录文档编制序号:[KKIDT-LLE0828-LLETD298-POI08]班前、班后会议记录班前班后会制度一、各部门班组均应建立和完善班前班后会制度,要认真组织,切实解决生产中存在问题,决不做表面文章。
二、班前、班后会安排在两班交接的时候进行,参加会议人员必须提前15分钟到场,会议时间不超过15分钟。
三、班前、班后会应由当班班长或当班临时负责人主持。
四、班前、班后会主要内容应包括:1. 班前会:会议负责人必须清楚和明确工作任务、作业任务和工作方法,并根据工作类型、内容、人员、工具、环境等做好工作安排。
开始工作前,班组长或负责人要向班组成员现场交底,做到安全“六必讲”。
此外,还要解答班组成员对工作的所有疑问。
2. 班后会:班组长要在本班结束后及时针对本班工作完成情况以及设备安全运行的正确评估。
对于工作中违章行为、工作怠慢、组织失误、责任心不强等现象及时提出批评,必要时向上一级领导提出处罚的建议。
对于存在不足要举一反三,制定有效整改措施并限期落实,以提醒本班成员避免以后工作中同类情况发生。
五、参加班前、班后会人员应遵守现场秩序,不得来回走动,不准接打手机,不准大声喧哗,不准迟到早退。
六、班前班后会必须逐项做好记录,填写认真,字迹清晰,参加会议人员必须签到。
七、班前班后会记录必须指定专人妥善保管,以备检查。
班前会“六必讲”班前、班后会主持人应按如下“六必讲”的要求进行准备和宣讲:1. 当班班长对每位职工必讲上一班现场情况和存在的问题;2. 必讲现场主要安全措施;3. 必讲本班具体明确的注意事项和处理方法;4. 必讲本班的主要安全责任和必须把住的安全环节;5. 必讲操作注意事项;6. 必讲有问题、有隐患地点作业人员必须注意的安全事项。
安全誓词安全为了谁为自己!为家人!为公司!为社会!遵章守纪规范操作杜绝“三违”确保安全防微杜渐警钟长鸣。
班前、班后会议记录
班前会议记录
班前会议是每天上班前召开的会议,旨在安排和协调工作,确保工作的顺利进行。
本次班前会议的主要内容如下:
1. 工作安排
在本次会议中,我们讨论了今天的工作安排,并根据各部门的工作重点进行了合
理的分配。
通过明确工作目标和时间节点,我们确保了工作的高效推进。
2. 问题解决
会议上,大家积极提出了工作中遇到的问题,并与会人员共同探讨解决方案。
通
过集思广益,我们找到了解决问题的有效途径,提高了工作效率。
3. 沟通交流
班前会议是各部门之间沟通交流的重要平台。
在会议上,大家积极分享了工作经
验和心得体会,互相学习借鉴,增进了团队合作和凝聚力。
班后会议记录
班后会议是每天下班后召开的会议,旨在总结工作,分享经验,为明天的工作做
好准备。
本次班后会议的主要内容如下:
1. 工作总结
在本次会议中,大家对今天的工作进行了全面总结。
通过分析工作中的亮点和不足,我们找到了进一步提升工作质量的方法和措施。
2. 经验分享
会议上,各部门负责人分享了工作中的经验和教训。
通过借鉴他人的成功经验和
失败教训,我们能够更好地提升自己的工作能力,避免犯同样的错误。
3. 明日计划
班后会议是明天工作准备的重要环节。
在会议上,我们明确了明天的工作计划,并进行了分工和安排。
这样可以确保明天的工作有条不紊地进行。
通过班前、班后会议的召开,我们能够更好地组织和管理工作,提高工作效率和质量。
希望大家能够充分利用这两个会议,共同推动工作的顺利进行。
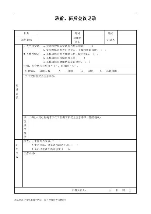
班前、班后会议记录日期时间地点班组负班组名称记录人责人1. 查劳保穿戴: a. 劳动保护装备穿戴是否整洁规范;()b. 安全帽佩带是否符合要求,下颏带松紧适度;()2. 查精神状态: a. 工作班成员是否睡眠充足,精力充沛;()b. 工作班成员情绪是否正常;()c. 工作班成员健康状态是否良好。
()注明:在合格项目后打“√”;有问题“×”。
出勤情况:班组人数:人;出勤:人;请假:人;其他事由:工作安排及安全注意事项:班前会议班班组人员已明确本班次工作要求和安全注意事项,签名确认:组成员签字检查: 1. 工作是否完成;()班 2. 生产现场、设备是否清洁干净;()后 3. 是否出现违纪违章现象()。
会工作小结:议班组负责人:月日时分班前班后会制度一、各部门班组均应建立和完善班前班后会制度,要认真组织,切实解决生产中存在问题,决不做表面文章。
二、班前、班后会安排在两班交接的时候进行,参加会议人员必须提前15 分钟到场,会议时间不超过15 分钟。
三、班前、班后会应由当班班长或当班临时负责人主持。
四、班前、班后会主要内容应包括:1. 班前会:会议负责人必须清楚和明确工作任务、作业任务和工作方法,并根据工作类型、内容、人员、工具、环境等做好工作安排。
开始工作前,班组长或负责人要向班组成员现场交底,做到安全“六必讲”。
此外,还要解答班组成员对工作的所有疑问。
2. 班后会:班组长要在本班结束后及时针对本班工作完成情况以及设备安全运行的正确评估。
对于工作中违章行为、工作怠慢、组织失误、责任心不强等现象及时提出批评,必要时向上一级领导提出处罚的建议。
对于存在不足要举一反三,制定有效整改措施并限期落实,以提醒本班成员避免以后工作中同类情况发生。
五、参加班前、班后会人员应遵守现场秩序,不得来回走动,不准接打手机,不准大声喧哗,不准迟到早退。
六、班前班后会必须逐项做好记录,填写认真,字迹清晰,参加会议人员必须签到。
班前班后会议记录日期:××年×月×日地点:××会议室主持人:××记录人:××与会人员:××、××、××、××、××【班前会议】会议开始时间:××时××分会议结束时间:××时××分会议议程:1.交流昨天的工作情况及遇到的问题2.分享今天的工作计划和重点任务3.提出意见和建议4.其他事项会议内容:1.主持人首先向与会人员问候并希望大家能有一个高效的工作日。
然后按照议程开展会议。
2.交流昨天的工作情况及遇到的问题:-××同事汇报了昨天完成的任务,存在的问题是需求变更频繁,导致工作时间紧迫。
-××同事表示昨天工作顺利,没有遇到什么问题。
3.分享今天的工作计划和重点任务:-××同事分享了今天的工作计划,主要是完成项目A的开发任务。
-××同事提到今天的重点任务是完成项目B的测试工作。
-其他同事也分享了各自的工作计划和重点任务。
4.提出意见和建议:-××同事建议在工作中加强沟通,尽早发现和解决问题。
-××同事建议提前准备,确保项目进度不受影响。
5.其他事项:-主持人提醒大家注意工作效率和团队合作。
主持人总结会议内容,将重要事项再次强调,并宣布会议结束。
【班后会议】会议开始时间:××时××分会议结束时间:××时××分会议议程:1.汇报今天的工作情况和完成情况2.分享遇到的问题和解决方法3.回顾今天的工作,找出改进的空间4.提出意见和建议5.其他事项会议内容:1.主持人向与会人员问好,并希望大家能有一个顺利的工作日。
第1篇一、班前会记录时间:2021年X月X日 8:00地点:纸厂会议室参会人员:班长、组长、全体员工一、会议主题1. 传达公司最新会议精神及工作要求;2. 安排本周工作计划及任务分配;3. 强调安全生产、设备维护、质量把控等方面的重要性;4. 针对员工提出的问题进行解答。
二、会议内容1. 传达公司会议精神及工作要求(1)公司领导强调,全体员工要认真学习领会公司会议精神,提高自身素质,为实现公司年度目标而努力奋斗。
(2)针对当前市场竞争激烈,公司要求全体员工加强团队协作,提高工作效率,确保产品质量。
2. 安排本周工作计划及任务分配(1)生产任务:本周计划生产纸浆300吨,成品纸500吨,确保按时完成订单。
(2)设备维护:加强设备巡检,发现问题及时上报,确保设备正常运行。
(3)质量把控:严格执行生产工艺,加强原材料检验,确保产品质量。
(4)安全生产:加强安全教育培训,提高员工安全意识,严防事故发生。
3. 强调安全生产、设备维护、质量把控等方面的重要性(1)安全生产:员工要严格遵守操作规程,杜绝违章作业,确保自身及他人安全。
(2)设备维护:加强设备保养,定期检查,发现隐患及时处理,确保设备稳定运行。
(3)质量把控:加强生产工艺管理,提高产品质量,提升客户满意度。
4. 针对员工提出的问题进行解答(1)员工A:如何提高工作效率?回答:加强团队协作,合理安排工作,提高自身技能,学会时间管理。
(2)员工B:设备维护费用如何报销?回答:设备维护费用按照公司相关规定报销,员工需提供相关证明材料。
三、会议总结1. 全体员工要认真学习领会公司会议精神,提高自身素质,为实现公司年度目标而努力奋斗。
2. 严格按照本周工作计划执行,确保按时完成生产任务。
3. 加强安全生产、设备维护、质量把控,提高工作效率,提升产品质量。
4. 遇到问题及时沟通,共同解决,为纸厂发展贡献力量。
二、班后会记录时间:2021年X月X日 18:00地点:纸厂会议室参会人员:班长、组长、全体员工一、会议主题1. 总结本周工作完成情况;2. 分析工作中存在的问题及原因;3. 提出改进措施及下周工作计划;4. 强调安全生产、设备维护、质量把控等方面的重要性。
日期时间地点班组负班组名称记录人责人1. 查劳保穿戴: a. 劳动保护装备穿戴是否整洁规范;()b. 安全帽佩带是否符合要求,下颏带松紧适度;()2. 查精神状态: a. 工作班成员是否睡眠充足,精力充沛;()b. 工作班成员情绪是否正常;()c. 工作班成员健康状态是否良好。
()注明:在合格项目后打“√”;有问题“×”。
出勤情况:班组人数:人;出勤:人;请假:人;其他事由:工作安排及安全注意事项:班前会议班班组人员已明确本班次工作要求和安全注意事项,签名确认:组成员签字检查: 1. 工作是否完成;()班2. 生产现场、设备是否清洁干净;()后3. 是否出现违纪违章现象()。
会工作小结:议班组负责人:月日时分班前班后会制度一、各部门班组均应建立和完善班前班后会制度,要认真组织,切实解决生产中存在问题,决不做表面文章。
二、班前、班后会安排在两班交接的时候进行,参加会议人员必须提前 15 分钟到场,会议时间不超过15 分钟。
三、班前、班后会应由当班班长或当班临时负责人主持。
四、班前、班后会主要内容应包括:1.班前会:会议负责人必须清楚和明确工作任务、作业任务和工作方法,并根据工作类型、内容、人员、工具、环境等做好工作安排。
开始工作前,班组长或负责人要向班组成员现场交底,做到安全“六必讲”。
此外,还要解答班组成员对工作的所有疑问。
2.班后会:班组长要在本班结束后及时针对本班工作完成情况以及设备安全运行的正确评估。
对于工作中违章行为、工作怠慢、组织失误、责任心不强等现象及时提出批评,必要时向上一级领导提出处罚的建议。
对于存在不足要举一反三,制定有效整改措施并限期落实,以提醒本班成员避免以后工作中同类情况发生。
五、参加班前、班后会人员应遵守现场秩序,不得来回走动,不准接打手机,不准大声喧哗,不准迟到早退。
六、班前班后会必须逐项做好记录,填写认真,字迹清晰,参加会议人员必须签到。
七、班前班后会记录必须指定专人妥善保管,以备检查。
班前、班后会议记录班前班后会制度一、各部门班组均应建立和完善班前班后会制度,要认真组织,切实解决生产中存在问题,决不做表面文章。
二、班前、班后会安排在两班交接的时候进行,参加会议人员必须提前15分钟到场,会议时间不超过15分钟。
三、班前、班后会应由当班班长或当班临时负责人主持。
四、班前、班后会主要内容应包括:1. 班前会:会议负责人必须清楚和明确工作任务、作业任务和工作方法,并根据工作类型、内容、人员、工具、环境等做好工作安排。
开始工作前,班组长或负责人要向班组成员现场交底,做到安全“六必讲”。
此外,还要解答班组成员对工作的所有疑问。
2. 班后会:班组长要在本班结束后及时针对本班工作完成情况以及设备安全运行的正确评估。
对于工作中违章行为、工作怠慢、组织失误、责任心不强等现象及时提出批评,必要时向上一级领导提出处罚的建议。
对于存在不足要举一反三,制定有效整改措施并限期落实,以提醒本班成员避免以后工作中同类情况发生。
五、参加班前、班后会人员应遵守现场秩序,不得来回走动,不准接打手机,不准大声喧哗,不准迟到早退。
六、班前班后会必须逐项做好记录,填写认真,字迹清晰,参加会议人员必须签到。
七、班前班后会记录必须指定专人妥善保管,以备检查。
班前会“六必讲”班前、班后会主持人应按如下“六必讲”的要求进行准备和宣讲:1. 当班班长对每位职工必讲上一班现场情况和存在的问题;2. 必讲现场主要安全措施;3. 必讲本班具体明确的注意事项和处理方法;4. 必讲本班的主要安全责任和必须把住的安全环节;5. 必讲操作注意事项;6. 必讲有问题、有隐患地点作业人员必须注意的安全事项。
安全誓词安全为了谁?为自己!为家人!为公司!为社会!遵章守纪规范操作杜绝“三违”确保安全防微杜渐警钟长鸣。
班前、班后会议记录班前班后会制度一、各部门班组均应建立和完善班前班后会制度,要认真组织,切实解决生产中存在问题,决不做表面文章。
二、班前、班后会安排在两班交接的时候进行,参加会议人员必须提前15分钟到场,会议时间不超过15分钟。
三、班前、班后会应由当班班长或当班临时负责人主持。
四、班前、班后会主要内容应包括:1. 班前会:会议负责人必须清楚和明确工作任务、作业任务和工作方法,并根据工作类型、内容、人员、工具、环境等做好工作安排。
开始工作前,班组长或负责人要向班组成员现场交底,做到安全“六必讲”。
此外,还要解答班组成员对工作的所有疑问。
2. 班后会:班组长要在本班结束后及时针对本班工作完成情况以及设备安全运行的正确评估。
对于工作中违章行为、工作怠慢、组织失误、责任心不强等现象及时提出批评,必要时向上一级领导提出处罚的建议。
对于存在不足要举一反三,制定有效整改措施并限期落实,以提醒本班成员避免以后工作中同类情况发生。
五、参加班前、班后会人员应遵守现场秩序,不得来回走动,不准接打手机,不准大声喧哗,不准迟到早退。
六、班前班后会必须逐项做好记录,填写认真,字迹清晰,参加会议人员必须签到。
七、班前班后会记录必须指定专人妥善保管,以备检查。
班前会“六必讲”班前、班后会主持人应按如下“六必讲”的要求进行准备和宣讲:1. 当班班长对每位职工必讲上一班现场情况和存在的问题;2. 必讲现场主要安全措施;3. 必讲本班具体明确的注意事项和处理方法;4. 必讲本班的主要安全责任和必须把住的安全环节;5. 必讲操作注意事项;6. 必讲有问题、有隐患地点作业人员必须注意的安全事项。
安全誓词安全为了谁?为自己!为家人!为公司!为社会!遵章守纪规范操作杜绝“三违”确保安全防微杜渐警钟长鸣。
班前、班后会议记录班前班后会制度一、各部门班组均应建立和完善班前班后会制度,要认真组织,切实解决生产中存在问题,决不做表面文章。
二、班前、班后会安排在两班交接的时候进行,参加会议人员必须提前15分钟到场,会议时间不超过15分钟。
三、班前、班后会应由当班班长或当班临时负责人主持。
四、班前、班后会主要内容应包括:1. 班前会:会议负责人必须清楚和明确工作任务、作业任务和工作方法,并根据工作类型、内容、人员、工具、环境等做好工作安排。
开始工作前,班组长或负责人要向班组成员现场交底,做到安全“六必讲”。
此外,还要解答班组成员对工作的所有疑问。
2. 班后会:班组长要在本班结束后及时针对本班工作完成情况以及设备安全运行的正确评估。
对于工作中违章行为、工作怠慢、组织失误、责任心不强等现象及时提出批评,必要时向上一级领导提出处罚的建议。
对于存在不足要举一反三,制定有效整改措施并限期落实,以提醒本班成员避免以后工作中同类情况发生。
五、参加班前、班后会人员应遵守现场秩序,不得来回走动,不准接打手机,不准大声喧哗,不准迟到早退。
六、班前班后会必须逐项做好记录,填写认真,字迹清晰,参加会议人员必须签到。
七、班前班后会记录必须指定专人妥善保管,以备检查。
班前会“六必讲”班前、班后会主持人应按如下“六必讲”的要求进行准备和宣讲:1. 当班班长对每位职工必讲上一班现场情况和存在的问题;2. 必讲现场主要安全措施;3. 必讲本班具体明确的注意事项和处理方法;4. 必讲本班的主要安全责任和必须把住的安全环节;5. 必讲操作注意事项;6. 必讲有问题、有隐患地点作业人员必须注意的安全事项。
安全誓词安全为了谁?为自己!为家人!为公司!为社会!遵章守纪规范操作杜绝“三违”确保安全防微杜渐警钟长鸣【下载本文档,可以自由复制内容或自由编辑修改内容,更多精彩文章,期待你的好评和关注,我将一如既往为您服务】。
班后会议记录怎么写班会会议记录格式班会时间:(将开班会的时间写清楚)班会主题:(班会的主题是什么?在这里写清楚)班会主持:(班会是谁主持的?是班主任、班长,还是其他人?)参会人员:(参加班会的人员都有谁?若是全班同学,就写“XX班全体同学”;若还有其他人,则将姓名或称呼罗列。
)班会纪要:(在下面,先用精炼的语言写一段导语,写清开班会的原因,概括班会是以何种形式进行的,然后逐条记录班会讨论的结果、决议。
不用将每人讲了什么都记录,客观概括即可。
)(此处是导语部分)_____________________________________________ ___________________________________________________________________ ___________________________________________________________________1.______________________________________________________________ ____________________________________________________________________2.______________________________________________________________ ____________________________________________________________________3.______________________________________________________________ ____________________________________________________________________4.______________________________________________________________ ____________________________________________________________________。
班前、班后会议记录(总3页) -CAL-FENGHAI.-(YICAI)-Company One1-CAL-本页仅作为文档封面,使用请直接删除班前、班后会议记录班前班后会制度一、各部门班组均应建立和完善班前班后会制度,要认真组织,切实解决生产中存在问题,决不做表面文章。
二、班前、班后会安排在两班交接的时候进行,参加会议人员必须提前15分钟到场,会议时间不超过15分钟。
三、班前、班后会应由当班班长或当班临时负责人主持。
四、班前、班后会主要内容应包括:1. 班前会:会议负责人必须清楚和明确工作任务、作业任务和工作方法,并根据工作类型、内容、人员、工具、环境等做好工作安排。
开始工作前,班组长或负责人要向班组成员现场交底,做到安全“六必讲”。
此外,还要解答班组成员对工作的所有疑问。
2. 班后会:班组长要在本班结束后及时针对本班工作完成情况以及设备安全运行的正确评估。
对于工作中违章行为、工作怠慢、组织失误、责任心不强等现象及时提出批评,必要时向上一级领导提出处罚的建议。
对于存在不足要举一反三,制定有效整改措施并限期落实,以提醒本班成员避免以后工作中同类情况发生。
五、参加班前、班后会人员应遵守现场秩序,不得来回走动,不准接打手机,不准大声喧哗,不准迟到早退。
六、班前班后会必须逐项做好记录,填写认真,字迹清晰,参加会议人员必须签到。
七、班前班后会记录必须指定专人妥善保管,以备检查。
班前会“六必讲”班前、班后会主持人应按如下“六必讲”的要求进行准备和宣讲:1. 当班班长对每位职工必讲上一班现场情况和存在的问题;2. 必讲现场主要安全措施;3. 必讲本班具体明确的注意事项和处理方法;4. 必讲本班的主要安全责任和必须把住的安全环节;5. 必讲操作注意事项;6. 必讲有问题、有隐患地点作业人员必须注意的安全事项。
安全誓词安全为了谁?为自己!为家人!为公司!为社会!遵章守纪规范操作杜绝“三违”确保安全防微杜渐警钟长鸣。
班后会议内容和要求为切实做好安全生产管理工作,规范班组班后会议,引导班组长有效开展班组工作,改善班组长工作方法,提高班组长工作技能,结合公司实际情况,对班后会议提出如下要求。
一、参会人员:班组全体员工,必要时交班人员或邀请上级领导参加。
二、会议标准:1、会议纪律,严格公司管理制度执行。
2、要有详细会议记录。
(记录人:班组长)。
3、车间负责人对各班组班后会召开情况进行检查。
三、班后会议内容(一)、各班组成员汇报当日工作情况。
(二)、班组长对一日工作情况总结:1、工作完成情况。
传达生产任务,分配生产任务。
2、存在问题,班组长考核员工上班情况,对迟到、旷工的予以通报。
3、总结讲评当班工作和安全情况,表扬好人好事,批评忽视安全、违章作业等不良现象。
4、打扫现场,清洁设备。
5、执行好交接班制度并做好记录。
(三)、班组长对上级学习传达的任务、文件、通报进行汇报。
(四)、组织学习岗位安全技术操作规程、安全知识等。
(五)、班组长根据生产任务合理安排工作要求:1、必须讲述安全注意事项。
2、岗前隐患排查标准,重点对工艺存在问题及时汇报;及时安排人员检查分析存在问题的原因。
3、对重点设备岗前隐患排查由班组长以上人员进行,重点设备抢修报生产调度后进行。
(六)、班组长强调班中相关要求:1、严禁酒后上岗。
2、确认员工的思想状态。
3、劳保穿戴整齐,工具携带齐全,外出必须排队。
4、岗前隐患排查如实进行,确认安全后坚决落实。
5、强调劳动纪律。
(七)、班后会口号:团结拼搏、争创佳绩。
展现自我、争创新高。
顽强拼搏、勇夺第一。
奋发拼搏、勇于开拓。
遵规守纪、团结互敬。
拼搏奋进、永远进步。
四、考核与落实车间负责人负责考核班组长班班后会的执行情况,未按规定主持召开、主持流于形式的班组,车间负责人根据实际情况予以考核。
2014年2月19日。
班前、班后会议记录班前班后会制度一、各部门班组均应建立和完善班前班后会制度,要认真组织,切实解决生产中存在问题,决不做表面文章。
二、班前、班后会安排在两班交接的时候进行,参加会议人员必须提前 15 分钟到场,会议时间不超过 15 分钟。
三、班前、班后会应由当班班长或当班临时负责人主持。
四、班前、班后会主要内容应包括:1.班前会:会议负责人必须清楚和明确工作任务、作业任务和工作方法,并根据工作类型、内容、人员、工具、环境等做好工作安排。
开始工作前,班组长或负责人要向班组成员现场交底,做到安全“六必讲”。
此外,还要解答班组成员对工作的所有疑问。
2.班后会:班组长要在本班结束后及时针对本班工作完成情况以及设备安全运行的正确评估。
对于工作中违章行为、工作怠慢、组织失误、责任心不强等现象及时提出批评,必要时向上一级领导提出处罚的建议。
对于存在不足要举一反三,制定有效整改措施并限期落实,以提醒本班成员避免以后工作中同类情况发生。
五、参加班前、班后会人员应遵守现场秩序,不得来回走动,不准接打手机,不准大声喧哗,不准迟到早退。
六、班前班后会必须逐项做好记录,填写认真,字迹清晰,参加会议人员必须签到。
七、班前班后会记录必须指定专人妥善保管,以备检查。
班前会“六必讲”班前、班后会主持人应按如下“六必讲”的要求进行准备和宣讲:1. 当班班长对每位职工必讲上一班现场情况和存在的问题;2. 必讲现场主要安全措施;3.必讲本班具体明确的注意事项和处理方法;4.必讲本班的主要安全责任和必须把住的安全环节;5.必讲操作注意事项;6.必讲有问题、有隐患地点作业人员必须注意的安全事项。
安全誓词安全为了谁为自己!为家人!为公司!为社会!遵章守纪规范操作杜绝“三违”确保安全防微杜渐警钟长鸣。