压力容器年度检查记录
- 格式:docx
- 大小:14.41 KB
- 文档页数:5
日期:20XX年XX月XX日检查人员:XXX一、检查目的本次年度检查旨在确保压力容器的质量和运行安全,预防事故发生,提高生产效率和工作环境。
二、检查范围本次检查涵盖了公司内所有压力容器,包括储罐、锅炉、换热器等。
三、检查内容1.检查容器的外观通过目视检查,确认容器外部是否存在裂纹、变形、腐蚀等现象,并对发现的问题进行记录和分类。
2.检查容器的附件3.检查容器的泄放装置检查容器的泄放装置是否正常运行,是否存在堵塞或损坏等情况,并且检查泄放装置是否经常维护和保养。
4.检查容器的压力控制系统检查容器的压力控制系统,包括安全阀、减压阀等是否正常运行,是否需要调整或更换,并且查看是否有压力控制系统的运行记录。
5.检查容器的耐压试验对容器进行压力试验,确保容器的耐压性能符合规定标准,并注册相关数据记录。
6.检查容器的保护措施检查容器的保护措施,包括防护网、警示标志等是否完好,并且是否有进行定期检修和维护。
7.检查压力容器操作人员的培训情况检查压力容器操作人员的培训情况,包括是否取得相关操作资格证书、是否进行定期培训和考核,并记录相关信息。
四、检查结果通过本次年度检查,发现以下问题:1.储罐A存在部分腐蚀现象,需及时进行维修和防腐处理。
2.锅炉B的压力控制系统需要进行调整和维护。
3.换热器C的泄放装置存在堵塞情况,需清理并调整。
五、处理措施针对上述问题,制定了以下处理措施:1.储罐A的维修和防腐处理:2.锅炉B的压力控制系统调整和维护:3.换热器C的泄放装置清理和调整:指派专人进行换热器的泄放装置清理和调整,保证装置的正常工作。
六、其他事项1.检查中发现操作人员存在一些操作不规范的情况,并及时进行指导和培训。
2.针对本次检查发现的问题,将建立完善的维修和保养记录,及时追踪和跟踪维修情况。
七、附件1.压力容器年度检查记录表2.压力容器维修和保养记录3.压力容器操作人员的培训记录以上为本次压力容器年度检查记录,将按照处理措施进行维修和保养,完成后继续跟踪和追踪,确保压力容器的质量和安全。
压力容器年度自查报告尊敬的领导:您好!根据公司要求,我部门在今年度对压力容器进行了全面的自查。
现将自查结果向您汇报如下:一、自查目的和范围自查的目的是为了确保压力容器的安全运行,并及时发现和解决潜在的问题。
自查范围包括公司生产部门的所有压力容器,共计50个。
二、自查方法在自查过程中,我们采用了以下方法:1. 调阅相关资料:查阅压力容器的设计文件、制造记录和运行日志,了解压力容器的使用情况和运行参数。
2. 现场检查:实地检查压力容器的外观、支承结构和安全保护装置等,确保其完好无损。
3. 试验检测:对压力容器的耐压试验和泄漏检测进行了必要的测试,确保其耐受能力符合要求。
4. 运行参数分析:分析压力容器的运行参数,如温度、压力、流量等,判断是否存在异常情况。
三、自查结果经过仔细检查和分析,我们得出了以下自查结果:1. 压力容器外观良好,无明显损伤和腐蚀,支承结构均牢固可靠。
2. 安全保护装置完好,并且正常运行。
3. 压力容器的耐压试验和泄漏检测结果均符合相关标准要求。
4. 运行参数分析显示,压力容器的运行状态正常,无异常情况。
四、自查问题和整改措施在自查过程中,我们也发现了一些问题,并已经制定了相应的整改措施:1. 某个压力容器的运行记录不完整。
我们将立即要求运行人员做好运行记录的记录工作,并加强日常管理。
2. 某个压力容器的温度传感器故障。
我们将及时更换新的传感器,并进行相应的维护保养,确保其正常运行。
3. 某个压力容器的压力表读数与实际压力存在一定差异。
我们将进行校准和调整,确保读数的准确性。
五、自查结论通过本次自查,我们发现的问题已经及时得到解决,并制定了相应的整改措施。
公司所有压力容器的安全运行状况良好,各项指标符合要求。
我们将继续加强对压力容器的日常管理和维护,并定期进行自查和评估,确保压力容器的安全运行。
特此报告。
此致礼敬XX部门。
特种设备压力容器年度检查报告(外观检
查)
1. 概述
本报告旨在记录特种设备压力的年度外观检查结果。
通过对外部的视觉检查,评估的整体状况,以及检测可能存在的异常情况,确保在正常使用状态下。
2. 检查内容
2.1. 外观检查
- 表面是否存在腐蚀、磨损或裂纹等异常情况?
- 的涂层是否完好并保持良好的附着力?
- 上的防爆装置是否正常且安全可靠?
- 的弯曲、变形或扭转情况是否超过规定标准?
- 上的标志和铭牌是否清晰可辨,且内容准确完整?
3. 检查结果
经过对特种设备压力的外观检查,得出以下结论:
- 表面未发现明显的腐蚀、磨损或裂纹等异常情况。
- 的涂层保持完好,并具备良好的附着力。
- 上的防爆装置正常且安全可靠。
- 的形状没有超过规定标准的弯曲、变形或扭转。
- 上的标志和铭牌清晰可辨,内容准确完整。
4. 建议与意见
特种设备压力外观检查未发现明显的异常情况。
建议继续定期
进行外观检查,并注意以下事项:
- 定期清洗表面,保持其清洁度。
- 定期检查涂层状况,并及时修复或更换损坏的部分。
- 定期测试防爆装置的可靠性,并根据需要进行维护或更换。
- 定期监测形状,注意是否超过规定标准的弯曲、变形或扭转。
- 定期检查标志和铭牌的清晰度,并确保内容准确完整。
5. 结论
本次特种设备压力容器的年度外观检查结果显示容器处于正常
状态。
以保证容器的安全运行和使用,建议继续定期进行外观检查,并按照建议进行维护和修复工作。
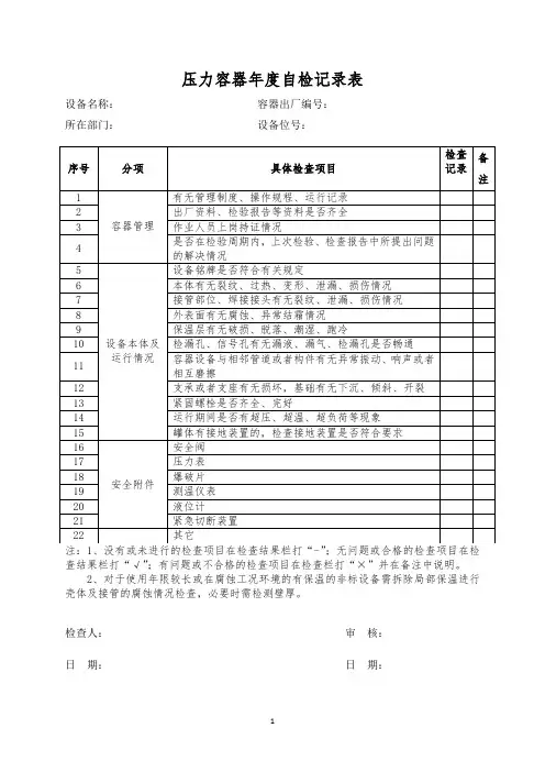
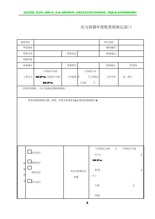
文件编号:YTJJJ-116-2017压力容器年度检查记录记录编号:压力容器年度检查记录附页序号检查项目检查结果备注设备名称容器类别使用登记证编号单位内编号使用单位名称设备使用地点安全管理人员联系电话安全状况等级级出厂编号主要检查依据:《固定式压力容器安全技术监察规程》(TSG 21-2016)问题及其处理检查发现的缺陷位置、性质、程度及处理意见(必要时附图或附页):检查结论符合要求□基本符合要求□不符合要求□注:在上述选择结论的□中打“√”允许(监控)使用参数压力MPa 温度℃介质下次年度检查日期:年月说明(监控运行需要解决的问题及完成期限)对检查过程中的必检项目的环境条件是否满足技术规范要求□是□否现场检查安全措施是否满足技术规范要求□是□否检查人员:年月日1安全管理安全管理制度是否齐全有效2 设计文件、竣工图样、产品合格证、产品质量证明文件、安装及使用维护保养说明、监检证书以及安装、改造、修理资料等是否完整3 《使用登记表》、《使用登记证》是否与实际相符4 日常维护保养、运行、定期安全检查记录是否符合要求5 年度检查、定期检验报告是否齐全及报告提出问题是否得到解决6 安全附件及仪表校验(检定)、修理和更换记录是否齐全真实7 是否有应急专项预案和演练记录8 是否对压力容器事故、故障情况进行记录9容器本体及运行情况产品铭牌及其有关标志是否符合有关要求10 本体、接口(阀门、管路)部位、焊接(粘接)接头有无裂纹、过热、变形、泄露、机械接触损伤等缺陷11 外表面有无腐蚀、结霜、结露等12 隔热层有无破损、脱落、潮湿、跑冷13 检漏孔、信号孔有无漏液、漏气,检漏孔是否畅通14 压力容器与相邻管道或者构件有无异常振动、响声或者相互摩擦15 支承或者支座有无损坏,基础有无下沉、倾斜、开裂,紧固件是否齐全、完好16 排放(疏水、排污)装置是否完好17 运行期间是否有超压、超温、超量等现象18 有接地装置的,接地装置是否符合要求19 监控使用的容器,监控措施是否有效实施序号检查项目检查结果备注20 安全附件安全阀21 爆破片装置22 及仪表检查快开门式压力容器安全连锁装置23 压力表24 液位计25 测温仪表专项要求记事:注:无问题或者合格的检查项目在检查结果栏打“√”;有问题或者不合格的检查项目在检查结果栏打“×”,并且在备注中说明;实际没有的检查项目在检查结果栏填写“无此项”,或者按照实际的检查项目编制;无法检查的项目在检查结果栏中划“—”,并且在备注栏中说明原因。
报告编号:
压力容器年度检查报告
(检查单位盖章)使用单位:
设备品种:
容器名称:
设备代码:
单位内编号:
检查日期:
说明
1、本报告由襄阳市特种设备安全与节能促进会依据《压力容器使用管理规则》的要求编制;
2、压力容器使用单位每年需对所使用的压力容器至少进行1次年度检查,年度检查至少包括压力容器安全管理情况检查、压力容器本体及其运行状况检查和压力容器安全附件检查等。
3、年度检查工作完成后,压力容器使用单位应当进行压力容器使用安全状况分析,并且对年度检查中发现的隐患及时消除。
4、年度检查工作由压力容器使用单位安全管理人员组织经过培训的作业人员进行(也可以委托有资质的特种设备检验机构进行)。
5、本报告中“附加检查项目与要求”由检查单位按照《压力容器使用安全管理规则》附件E、附件F确定。
6、本报告中“检查项目和内容"是压力容器年度检查的基本要求,使用单位可以根据本单位压力容器使用特性增加有关检查项目。
7、没有或未进行的检查项目在检查结果栏打“—”;无问题或合格的检查项目在检查结果栏打“√"有问题或者不合格的检查项目在检查结果栏打“×”,并在备注中说明。
压力容器年度检查结论
压力容器年度检查报告附页。
压力容器年度检查报告目录1. 检查时间和地点1.1 检查时间1.2 检查地点2. 检查人员2.1 检查人员来源2.2 检查人员资质3. 检查内容3.1 外观检查3.2 内部结构检查3.3 管道连接检查3.4 试压检查4. 检查结果4.1 问题发现4.2 检查结论5. 检查建议5.1 问题解决方案建议5.2 下次检查提醒1. 检查时间和地点1.1 检查时间本次压力容器年度检查于2022年5月15日开始,历时3天完成。
1.2 检查地点检查地点位于公司生产车间内指定的压力容器检查区域。
2. 检查人员2.1 检查人员来源检查人员来自公司内部的安全监测部门及外部具有资质的检测机构。
2.2 检查人员资质所有参与检查的人员均具备相关的专业背景和资质证书,确保检查工作的准确性和可靠性。
3. 检查内容3.1 外观检查对压力容器外部表面进行全面检查,确保是否存在漏涂、腐蚀、变形等情况。
3.2 内部结构检查通过拆卸部分设备,对压力容器内部结构进行仔细检查,查找可能存在的损坏或磨损情况。
3.3 管道连接检查对压力容器与管道的连接部位进行检查,确保连接处安全可靠,无渗漏现象。
3.4 试压检查进行压力容器的试压检查,确保容器在设计压力范围内稳定运行。
4. 检查结果4.1 问题发现在检查过程中发现部分压力容器存在涂层磨损和管道连接处渗漏的问题。
4.2 检查结论根据检查结果,部分压力容器需要进行维修和更换部分管道连接件,确保设备安全运行。
5. 检查建议5.1 问题解决方案建议对发现的问题提出解决方案,包括修补涂层、更换损坏管道部件等具体操作建议。
5.2 下次检查提醒提醒压力容器用户注意定期进行年度检查,确保设备安全可靠运行。
特种设备压力容器年度检查报告(密封性检验)该报告旨在记录特种设备压力的年度检查结果,特别是密封性检验的情况。
以下是对压力进行的检验和测试的详细描述:1. 检查对象本次检查报告适用于以下特种设备压力:- 压力1- 压力2- 压力32. 检查过程2.1 清洗和准备在进行密封性检验之前,对压力进行了清洗和准备工作,确保检查结果的准确性和可靠性。
2.2 密封性检验使用专业的检测设备,对压力进行了密封性检验。
此检验旨在验证的密封性能是否满足相关标准要求。
3. 检查结果根据密封性检验的结果,以下是对每个压力的检查结果进行的简要总结:- 压力1:经过密封性检验,未发现任何泄漏或异常情况,满足相关标准要求。
- 压力2:密封性检验期间发现少量渗漏情况,已进行修复并重新进行检验,最终达到标准要求。
- 压力3:经过密封性检验,未发现任何泄漏或异常情况,满足相关标准要求。
4. 建议和结论根据以上检查结果,可以得出以下建议和结论:- 压力1和压力3的密封性检验结果良好,无需额外的维修或处理措施。
- 压力2的密封性检验结果需要特别关注,建议定期检查和维护,以确保其持续良好的密封性能。
5. 结论根据以上检查结果和建议,特种设备压力的年度检查报告(密封性检验)得出以下结论:- 绝大部分压力的密封性能良好,符合相关标准要求。
- 需特别关注压力2的密封性能,建议定期维护和检查。
以上是特种设备压力容器年度检查报告(密封性检验)的内容,供参考。
如有疑问或需要进一步的信息,请随时与我们联系。
谢谢!。
一、自查目的和意义压力容器是一种承受内外压力的容器,常用于工业和民用领域。
由于其特殊的工作环境和功能,压力容器必须经过定期的检查和维护,以确保其安全运行。
本年度自查报告和自查记录的目的是评估和总结压力容器的状况和维护情况,发现存在的问题并采取相应的措施解决,以保证压力容器的安全和可靠性。
二、自查内容和方法在本次自查中,我们对公司内部所有压力容器进行了全面的检查和评估。
具体内容包括:压力容器的设备信息、工作状况、维护记录、保养情况、安全措施等方面。
我们采用了在线监测、设备维护记录和人工检查相结合的方式进行自查。
三、自查结果和问题发现通过对压力容器的自查,我们发现了以下问题:1.部分压力容器的设备信息不完整,包括制造厂家、出厂日期、设计压力等。
这给日后的管理和维护带来了不便。
2.部分压力容器的工作状况记录不清晰,存在漏报、误报等情况。
3.部分压力容器的维修记录不完整,无法准确了解维修情况和工作成果。
4.部分压力容器的保养措施不到位,缺乏定期的保养和维护。
5.部分压力容器的安全措施不完善,存在不规范操作和使用的情况。
四、自查问题的解决措施针对以上发现的问题,我们制定了以下解决措施:1.对压力容器的设备信息进行统一登记和管理,完善设备信息数据库。
2.加强工作状况记录的规范性和准确性,确保数据的真实和完整。
3.完善压力容器的维修记录,包括维修项目、耗材消耗、修复效果等。
4.加强压力容器的保养和维护工作,定期进行检查和维护。
5.加强安全培训和管理,确保操作人员符合规范操作要求。
五、自查总结和展望通过本次自查,我们发现了压力容器管理工作中存在的问题,并采取了相应的措施进行解决。
这对于保障压力容器的安全和可靠运行具有重要意义。
未来,我们将进一步加强对压力容器的管理和维护,提高设备和操作人员的安全意识,做好压力容器年度自查工作,确保压力容器的安全和可靠运行。
六、自查报告和自查记录备份本次自查报告和自查记录将被备份保存,以备查阅和参考。
压力容器检查记录 Ting Bao was revised on January 6, 20021
报告编号:
压力容器年度检查报告
设备品种:
产品名称:
设备代码:
单位内部编号:
使用单位:
检查日期:
检查单位名称:
压力容器年度检查结论报告
压力容器年度检查报告附页
(2)本表是压力容器年度检查的基本要求,使用单位可以根据本单位压力容器使用特性增加和调整有关检查项目。
(3)无问题或者合格的检查项目在检查结果栏打“√”;有问题或者不合格的检查项目在检查结果栏打“×”,并且在备注中说明;实际没有的检查项目在检查结果栏填写“无此项”,或者按照实际的检查项目编制;无法检查的项目在检查结果栏中划“-”,并且在备注栏中说明原因。
共页第页。
记录编号:
固定式压力容器年度检查记录
设备名称:
设备品种:
设备代码:
产品编号:
使用单位:
单位内编号:
检验日期:
滦平县周营子康达液化气站
记录编号:
压力容器年度检查记录填写要求
1、在“使用单位基本情况”和“压力容器基本情况及检查结论”两表中,对使用单位提供的内容或参数,应根据具体内容如实填写,对于使用单位不能提供的内容或参数,就在其对应的表格上打“一”。
对于“检查所发现缺陷位置、程度、性质及处理意见”、“检查结论”及“允许(监控)运行参数”应根据检查结果填写。
2、当使用单位被检查容器在两台以上时,“使用单位基本情况”一表中的内容,第一台容器按具体内容如实填写,其余的容器可在“使用单位基本情况”后填写上“同某一(第一台)记录编号”,表中打“一”即可。
3、在“检查项目及内容”一表中,根据检查情况,符合表中那一项,就在那一项前面的“口”内打“√”。
记录编号:RNJ 固定式压力容器年度检查记录
固定式压力容器年度检查记录续表
固定式压力容器年度检查记录续表
固定式压力容器年度检查记录续表
固定式压力容器年度检查记录续表。
压力容器年度检查报告- 储液罐压力年度检查报告-储液罐---1. 概述本报告旨在对压力-储液罐进行年度检查的结果进行总结和记录。
储液罐是用于存储液体的重要设备,其安全性和可靠性对于保障生产运营具有关键性意义。
2. 检查项目2.1 表面检查进行了对储液罐外观进行全面检查,主要包括涂层状况、腐蚀、锈蚀、变形等方面的评估。
未发现明显的表面损伤或异常情况。
2.2 底部检查对储液罐底部进行检查,主要包括底板和密封系统的评估。
经过细致观察和测试,未发现底板渗漏、破损或密封系统故障的情况。
2.3 压力和泄漏测试进行了压力和泄漏测试,以验证储液罐的密封性和承压能力。
测试结果显示,储液罐在正常工作压力下没有发现泄漏或渗漏问题,并具备良好的承压能力。
2.4 安全装置检查对储液罐的安全装置进行了全面检查,确保其正常工作和可靠性。
经过测试,所有安全装置均工作正常,无需更换或修理。
3. 结果和建议根据以上检查项目,对储液罐的年度检查结果进行总结如下:- 储液罐表面无明显损伤,涂层完好。
- 储液罐底部无渗漏、破损,密封系统正常。
- 储液罐通过了压力和泄漏测试,具备良好的密封性和承压能力。
- 储液罐的安全装置工作正常,无需更换或修理。
建议:- 定期对储液罐进行保养和维护,确保其正常工作。
- 在储液罐表面涂覆防腐涂层,防止腐蚀和锈蚀的发生。
- 当发现任何异常情况时,及时进行修复和更换相应的部件。
4. 总结本报告对压力-储液罐的年度检查结果进行了详细总结和记录。
检查结果表明,储液罐在表面、底部、压力和泄漏以及安全装置等方面均符合安全要求,具备良好的工作状态。
建议继续保持对储液罐的定期维护和保养,确保其长期稳定可靠地运行。
---以上为压力容器年度检查报告-储液罐的内容总结和建议,请查阅。
如有任何问题或进一步需求,请随时与我们联系。
附件H
报告编号:
压力容器年度检查报告
设备品种:
产品名称:
设备代码:
单位内编号:
使用单位:
检查日期:
(检查单位名称)
压力容器年度检查结论报告
共页第页
压力容器年度检查报告附页
报告编号:
共页第页
附件F确定。
(2)本表是压力容器年度检查的基本要求,使用单位可以根据本单位压力容器使用特性增加和调整有关检查项目.
(3)无问题或者合格的检查项目在检查结果栏打“√”;有问题或者不合格的检查项目在检查结果栏打“×”,并且在备注中说明;实际没有的检查项目在检查结果栏填写“无此项”,或者按照实际的检查项目编制;无法检查的项目在检查结果栏划“-",并且在备注栏中说明原因.
[(1)、(2)项注实际不印刷,(3)印制时,可以删除项号(3)]。