光敏电阻参数表
- 格式:pdf
- 大小:153.88 KB
- 文档页数:1
..
一:以下是光敏电阻参数
文字符号:“RL”、“RG”或“R”
结构——通常由光敏层、玻璃基片(或树枝防潮膜)和电极等组成的。
特性——光敏电阻器是利用半导体光电导效应制成的一种特殊电阻器,对光线十分敏感,它的电阻值能随着外界光照强弱(明暗)变化而变化。
它在无光照射时,呈高阻状态;当有光照射时,其电阻值迅速减小。
作用与应用——广泛应用于各种自动控制电路(如自动照明灯控制电路、自动报警电路等)、家用电器(如电视机中的亮度自动调节,照相机的自动曝光控制等)及各种测量仪器中。
光敏电阻器种类:
1)按制作材料分类:多晶和单晶光敏电阻器,还可分为硫化镉(CdS)、硒化镉(CdSe) 、硫化铅(PbS)、硒化铅(PbSe)、锑化铟(InSb) 光敏电阻器等。
光敏电阻器的主要参数
1)亮电阻(kΩ):指光敏电阻器受到光照射时的电阻值。
2)暗电阻(MΩ):指光敏电阻器在无光照射(黑暗环境)时的电阻值。
3)最高工作电压(V):指光敏电阻器在额定功率下所允许承受的最高电压
4)亮电流:指光敏电阻器在规定的外加电压下受到光照射时所通过的电流。
5)暗电流(mA):指在无光照射时,光敏电阻器在规定的外加电压下通过的电流。
6)时间常数(s):指光敏电阻器从光照跃变开始到稳定亮电流的63%时所需的时间。
7)电阻温度系数:指光敏电阻器在环境温度改变1℃时,其电阻值的相对变化。
8)灵敏度:指光敏电阻器在有光照射和无光照射时电阻值的相对变化。
’.。
常用光敏电阻的规格参数超高亮LED/5毫米聚光圆头紫光紫外光光触媒LED灯珠/发光二极管芯片来源:芯片全部由国外进口,封装方式为环氧树脂紫光LED性能参数:1、发光波段:400-405nm2、工作电压:3.2-3.6V3、工作电流:20mA4、光强参数:150-200mcd5、芯片功率:3-4mW高质量进口灯:3528(仪表改装)1210LED蓝光贴片发光二极管·产品型号:1210(3528)·产品体积:3.5*2.8*1.9·产品波长:452-462NM·产品亮度:750-800MCD·电压:3.0-3.4V·电流:20MA·焊接温度:250·发光角度:120超高亮度发光二极管5mm白光草帽LED 5流明白光LED参数:电压:3.0-3.2v电流:20mA发光强度:1500-1800mcd(4-5流明)发光角度:120度(散光)色温:6000-7000K(正白光)蓝色聚光led灯珠/LED/LED灯/led发光二极管,led节能灯专用无光衰0.32元宝贝参数:额定电压:3.0V-3.4V额定电流:20毫安亮度:5000mcd光型:蓝色聚光发光角度:20度波长:465-468光衰:首1000小时内无光衰,千小时光衰3‰。
千小时光衰值:即:在有效使用寿命内,以千小时为单位的平均光衰值。
这一标准更能充分体现灯珠的使用寿命、长效性等综合品质。
宝贝应用参数:工作电压:3.0-3.4V;工作电流:14-16mA ;工作温度:-20℃-+40℃;焊接温控:240-260℃,请在离灯管底部1.5mm以上进行焊接,烙铁头温度不得高于280℃,焊接停留时间不得超过2秒;5mm大草帽白色LED发光二极管 LED灯泡 0.12元主要参数:光管直径 5 mm波长范围 6 2 0 - 6 2 5 nm发光颜色白色外观颜色白色透明发光角度 140 度发光强度 1000-1200 mcd正常工作电压 3.2-3.4 V正常工作电流 20 mA最大反向电压 5 V产地:深圳5MM白发绿草帽灯白发绿发光二极管LED绿色二极管5MM草帽灯珠0.11元[LED管外形]直径4.8mm,即5mm(常说)透明,草帽型[发光颜色]白发绿[发光角度]120度[发光强度]1400-1600 mcd[正常工作电压]3.0-3.4V[正常工作电流]10-20 mA[最大反向电压]5 V[包装]1000只装,可拆包零卖!防静电包装[寿命]20MA工作电流约10万小时.最佳工作电流14ma左右STM - LM324N - 芯片四运算放大器低功率 1.89元IC类型: 放大器IC品牌: STSTMICROELECTRONICS - LM324N - 芯片四运算放大器低功率描述运放类型:低功率放大器数目:4带宽:1MHz针脚数:14工作温度范围:-40°C to +85°CSVHC(高度关注物质):No SVHC封装类型:DIP-3dB带宽增益乘积:1.3MHz变化斜率:0.4V/μs器件标号:324器件标记:LM324N工作温度最低:-40°C工作温度最高:85°C放大器类型:Operational电源电压最大:30V电源电压最小:3V芯片标号:324表面安装器件:通孔安装输入偏移电压最大:7mV逻辑功能号:324额定电源电压, +:5V。
(1)光敏电阻的暗电阻、亮电阻、光电流暗电流:光敏电阻在室温条件下,全暗(无光照射)后经过一定时间测量的电阻值,称为暗电阻。
此时在给定电压下流过的电流。
亮电流:光敏电阻在某一光照下的阻值,称为该光照下的亮电阻。
此时流过的电流。
光电流:亮电流与暗电流之差。
光敏电阻的暗电阻越大,而亮电阻越小则性能越好。
也就是说,暗电流越小,光电流越大,这样的光敏电阻的灵敏度越高。
实用的光敏电阻的暗电阻往往超过1MΩ,甚至高达100MΩ,而亮电阻则在几kΩ以下,暗电阻与亮电阻之比在102~106之间,可见光敏电阻的灵敏度很高。
(2)光敏电阻的光照特性下图表示CdS光敏电阻的光照特性。
在一定外加电压下,光敏电阻的光电流和光通量之间的关系。
不同类型光敏电阻光照特性不同,但光照特性曲线均呈非线性。
因此它不宜作定量检测元件,这是光敏电阻的不足之处。
一般在自动控制系统中用作光电开关。
(3)光敏电阻的光谱特性光谱特性与光敏电阻的材料有关。
从图中可知,硫化铅光敏电阻在较宽的光谱范围内均有较高的灵敏度,峰值在红外区域;硫化镉、硒化镉的峰值在可见光区域。
因此,在选用光敏电阻时,应把光敏电阻的材料和光源的种类结合起来考虑,才能获得满意的效果。
(4)光敏电阻的伏安特性在一定照度下,加在光敏电阻两端的电压与电流之间的关系称为伏安特性。
图中曲线1、2分别表示照度为零及照度为某值时的伏安特性。
由曲线可知,在给定偏压下,光照度较大,光电流也越大。
在一定的光照度下,所加的电压越大,光电流越大,而且无饱和现象。
但是电压不能无限地增大,因为任何光敏电阻都受额定功率、最高工作电压和额定电流的限制。
超过最高工作电压和最大额定电流,可能导致光敏电阻永久性损坏。
(5)光敏电阻的频率特性当光敏电阻受到脉冲光照射时,光电流要经过一段时间才能达到稳定值,而在停止光照后,光电流也不立刻为零,这就是光敏电阻的时延特性。
由于不同材料的光敏,电阻时延特性不同,所以它们的频率特性也不同,如图。
一:以下是光敏电阻参数文字符号:“RL”、“RG”或“R”结构——通常由光敏层、玻璃基片(或树枝防潮膜)和电极等组成的。
特性——光敏电阻器是利用半导体光电导效应制成的一种特殊电阻器,对光线十分敏感,它的电阻值能随着外界光照强弱(明暗)变化而变化。
它在无光照射时,呈高阻状态;当有光照射时,其电阻值迅速减小。
作用与应用——广泛应用于各种自动控制电路(如自动照明灯控制电路、自动报警电路等)、家用电器(如电视机中的亮度自动调节,照相机的自动曝光控制等)及各种测量仪器中。
光敏电阻器种类:1)按制作材料分类:多晶和单晶光敏电阻器,还可分为硫化镉(CdS)、硒化镉(CdSe) 、硫化铅(PbS)、硒化铅(PbSe)、锑化铟(InSb) 光敏电阻器等。
光敏电阻器的主要参数1)亮电阻(kΩ):指光敏电阻器受到光照射时的电阻值。
2)暗电阻(MΩ):指光敏电阻器在无光照射(黑暗环境)时的电阻值。
3)最高工作电压(V):指光敏电阻器在额定功率下所允许承受的最高电压4)亮电流:指光敏电阻器在规定的外加电压下受到光照射时所通过的电流。
5)暗电流(mA):指在无光照射时,光敏电阻器在规定的外加电压下通过的电流。
6)时间常数(s):指光敏电阻器从光照跃变开始到稳定亮电流的63%时所需的时间。
7)电阻温度系数:指光敏电阻器在环境温度改变1℃时,其电阻值的相对变化。
8)灵敏度:指光敏电阻器在有光照射和无光照射时电阻值的相对变化。
勒克司(lux,lx)照度(Illuminance)的单位。
等于1流明(lumen)的光通量(Luminous flux)均匀照在1平方米表面上所产生的照度。
适宜于阅读和缝纫等的照度约为60勒克司。
光照度是表明物体被照明程度的物理量。
光照度与照明光源、被照表面及光源在空间的位置有关,大小与光源的光强和光线的入射角的余玄成正比,而与光源至被照物体表面的距离的平方成反比。
光照度可用照度计直接测量。
光照度的单位是勒克斯,英文lux的音译,也可写为lx 。
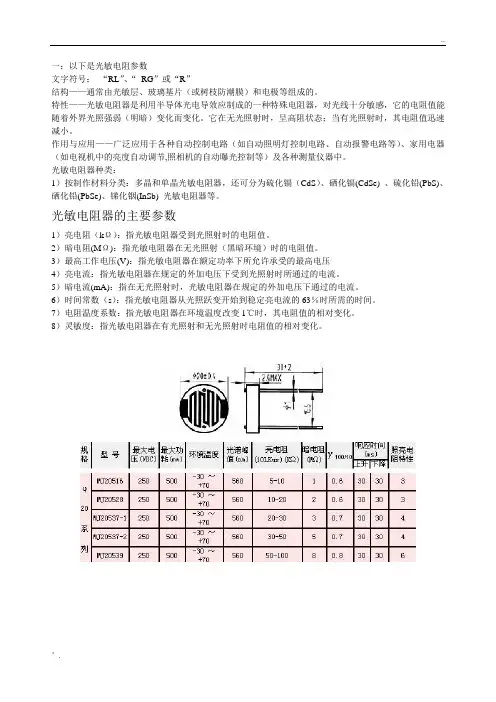
光敏电阻阻值表规格型号耐压(VDC)功耗(mW)光谱(nm)亮阻(KΩ)暗阻(MΩ)响应时间上升下降Φ3 系列3516 150 90540 5-10 0.5 0.5 30 30 3528 150 100 540 10-20 1 0.6 20 30 3537-1 150 100 540 20-30 2 0.6 20 30 3537-2 150 100 540 30-50 3 0.7 20 30 3539 150 100 540 50-100 5 0.8 20 30 3549 150 100 540 100-200 10 0.9 20 30规格型号耐压(VDC)功耗(mW)光谱(nm)亮阻(KΩ)暗阻(MΩ)响应时间上升下降Φ4 系列4516 150 90540 5-10 0.5 0.5 30 30 4528 150 100 540 10-20 1 0.6 20 30 4537-1 150 100 540 20-30 2 0.6 20 30 4537-2 150 100 540 30-50 3 0.7 20 30 4539 150 100 540 50-100 5 0.8 20 30 4549 150 100 540 100-200 10 0.9 20 30规格型号耐压(VDC)功耗(mW)光谱(nm)亮阻(KΩ)暗阻(MΩ)响应时间上升下降Φ5 系列5516 150 90540 5-10 0.5 0.5 30 30 5528 150 100 540 10-20 1 0.6 20 30 5537-1 150 100 540 20-30 2 0.6 20 30 5537-2 150 100 540 30-50 3 0.7 20 30 5539 150 100 540 50-100 5 0.8 20 30 5549 150 100 540 100-200 10 0.9 20 30规格型号耐压(VDC)功耗(mW)光谱(nm)亮阻(KΩ)暗阻(MΩ)响应时间上升下降Φ7 系列7516 150 90540 5-10 0.5 0.5 30 30 7528 150 100 540 10-20 1 0.6 20 30 7537-1 150 100 540 20-30 2 0.6 20 307537-2 150 100 540 30-50 3 0.7 20 30 7539 150 100 540 50-100 5 0.8 20 307549 150 100 540 100-200 10 0.9 20 30规格型号耐压(VDC)功耗(mW)光谱(nm)亮阻(KΩ)暗阻(MΩ)响应时间上升下降Φ11系列11516 150 90540 5-10 0.5 0.5 30 30 11528 150 100 540 10-20 1 0.6 20 30 11537-1 150 100 540 20-30 2 0.6 20 30 11537-2 150 100 540 30-50 3 0.7 20 30 11539 150 100 540 50-100 5 0.8 20 30 11549 150 100 540 100-200 10 0.9 20 30规格型号耐压(VDC)功耗(mW)光谱(nm)亮阻(KΩ)暗阻(MΩ)响应时间上升下降Φ12系列12516 150 90540 5-10 0.5 0.5 30 3012528 150 100 540 10-20 1 0.6 20 30 12537-1 150 100 540 20-30 2 0.6 20 30 12537-2 150 100 540 30-50 3 0.7 20 30 12539 150 100 540 50-100 5 0.8 20 3012549 150 100 540 100-200 10 0.9 20 30规格型号耐压(VDC)功耗(mW)光谱(nm)亮阻(KΩ)暗阻(MΩ)响应时间上升下降Φ20系列20516 150 90540 5-10 0.5 0.5 30 30 20528 150 100 540 10-20 1 0.6 20 30 20537-1 150 100 540 20-30 2 0.6 20 30 20537-2 150 100 540 30-50 3 0.7 20 30 20539 150 100 540 50-100 5 0.8 20 30 20549 150 100 540 100-200 10 0.9 20 30。
MG45光敏电阻参数表及应用电路图MG45光敏电阻参数表及应用电路图自制简易光控开关电路自制简易光控开关电路光控开关电路自制了一款不延时的彩灯光控自动开关(也适用于其他类似场合照明或设备开关)。
该开关元件少、电路简单、运行可靠,电路如附图所示。
工作原理在附图中,变压器次级输出10V电压经整流滤波后,途经7805三端稳压器获得+5V工作电压。
由光敏电阻RH和三极管3DG6及微调电阻RP组成光电开关。
白天RH受光照呈低电阻,3DG6处于截止状态,故固态继电器SSR不工作,夜晚RH无较强光。
自制简易光控开关电路光控开关电路自制了一款不延时的彩灯光控自动开关(也适用于其他类似场合照明或设备开关)。
该开关元件少、电路简单、运行可靠,电路如附图所示。
工作原理在附图中,变压器次级输出10V电压经整流滤波后,途经7805三端稳压器获得+5V工作电压。
由光敏电阻RH和三极管3DG6及微调电阻RP组成光电开关。
白天RH受光照呈低电阻,3DG6处于截止状态,故固态继电器SSR不工作,夜晚RH无较强光线照射呈较高电阻,3DG6获得合适偏流导通,固态继电器工作。
3DG6要求β>100,RH可用MG45型非密封型光敏电阻,RP用微调电阻器。
在室内正常自然光照射RH的条件下,调节RP,使固态继电器处于临界状态即可。
固态继电器内部电路图:MOC3063外形图:IC - MOC3063 管脚排列图:光控开关电路原理图:图中的RH - MG45光敏电阻参数表及应用电路图三极管组成的光控开关电路原理图光控开关在自动控制装置中应用十分广泛,本文介绍几种简单的光控开关电路,它们分别是亮通开关、暗通开关、光控延迟开关、双敏感器光控开关和单敏感器光控开关,希望读者能举一反三将其扩充推广。
图1是一个简单的亮通开关。
RP为光控阈值调节电位器,通过它可调节光控灵敏度(下面几个电路均相同)。
白天光线较强,光敏电阻器RG呈低阻值,三极管VT导通,继电器K吸合,其常开触点闭合,接通被控电器工作。
光敏电阻5528参数
光敏电阻5528是一种常见的光敏电阻,也被称为光敏电阻或光
敏电阻器。
它在光敏电子元件中具有重要作用,常用于光敏传感器、光控开关、光敏电路等方面。
以下是关于光敏电阻5528的一些参数:
1. 光敏特性,光敏电阻5528对光的敏感程度较高,可以感知
可见光范围内的光线强度变化。
2. 光阻范围,光敏电阻5528的光阻范围通常在几百欧姆至几
兆欧姆之间,取决于光照强度。
3. 尺寸,光敏电阻5528的尺寸通常为5mm×2mm×0.8mm左右,具有较小的体积。
4. 工作温度,光敏电阻5528的工作温度一般在-30°C 到
+70°C之间,适用于常见的环境温度范围。
5. 响应时间,光敏电阻5528的响应时间较短,一般在毫秒级别,能够快速响应光线强度的变化。
6. 使用范围,光敏电阻5528广泛应用于光控制领域,如光敏传感器、光敏开关、光控灯等,以及一些光敏电路中起到光敏感应作用。
总的来说,光敏电阻5528是一种性能稳定、响应灵敏的光敏电子元件,适用于各种光控制领域的应用。
希望以上信息能够满足你的需求,如果还有其他问题,欢迎继续提问。
什么是光敏电阻及其参数分类光敏电阻器是一种对光敏感的元件,它的电阻值能随着外界光照强弱(明暗)变化而变化。
光敏电阻器在电路中用字母“R”或“RL”、“RG”表示,图1-25是其电路图形符号。
(一)光敏电阻器的结构、特性及应用1.光敏电阻器的结构与特性光敏电阻器通常由光敏层、玻璃基片(或树脂防潮膜)和电极等组成,如图1-26所示。
光敏电阻器是利用半导体光电导效应制成的一种特殊电阻器,对光线十分敏感。
它在无光照射时,呈高阻状态;当有光照射时,其电阻值迅速减小。
2.光敏电阻器的应用光敏电阻器广泛应用于各种自动控制电路(如自动照明灯控制电路、自动报警电路等)、家用电器(如电视机中的亮度自动调节,照相机中的自动曝光控制等)及各种测量仪器中。
图1-27是光敏电阻器的应用电路。
(二)光敏电阻器的种类光敏电阻器可以根据光敏电阻器的XXX材料和光谱特性来分类。
1.按光敏电阻器的XXX材料分类光敏电阻器按其XXX材料的不同可分为多晶光敏电阻器和单晶光敏电阻器,还可分为硫化镉(CdS)光敏电阻器、硒化镉(CdSe) 光敏电阻器、硫硫化铅(PbS) 光敏电阻器、硒化铅(PbSe) 光敏电阻器、锑化铟(InSb) 光敏电阻器等多种。
2.按光谱特性分类光敏电阻器按其光谱特性可分为可见光光敏电阻器、紫外光光敏电阻器和红外光光敏电阻器。
可见光光敏电阻器主要用于各种光电自动控制系统、电子照相机和光报警器等电子产品中。
紫外光光敏电阻器主要用于紫外线探测仪器。
红外光光敏电阻器主要用于天文、军事等领域的有关自动控制系统中。
(三)光敏电阻器的主要参数光敏电阻器的主要参数有亮电阻(RL)、暗电阻(RD)、最高工作电压(VM)、亮电流(IL)、暗电流(ID)、时间常数、温度系数灵敏度等。
1.亮电阻亮电阻是指光敏电阻器受到光照射时的电阻值。
2.暗电阻暗电阻是指光敏电阻器在无光照射(黑暗环境)时的电阻值。
3.最高工作电压最高工作电压是指光敏电阻器在额定功率下所允许承受的最高电压。
相应曲线:硫化铅:硒化铅:1. 硫化铅光敏电阻系列:电气参数Test Conditions at 25°C - Typical A & AM B & BM C & CM D* (Pk.,600,1) x 1011.5-1.2 .5-1.2 .5-1.2 Wavelength Cut-off - Microns 3.0 3.0 2.7 Peak Wavelength Response - Microns 2.5 2.5 2.2 Time Constant - Microseconds <100 100-300 >300 Resistance - Megohms .2-2.0 .2-2.0 .5-10注:型号中的M为密封封装.活性区参数Code Number Active Area Bias Voltage Typical VW-1ResponsivityPackageSize Inches mm Typical Maximum.25 .010 .25 10 20 1.0x106TO-5 & TO-46.5 .020 .5 20 40 6.0x105TO-5 & TO-461 .040 1 50 100 3.0x105TO-5 & TO-462 .080 2 100 200 1.5x105TO-53 .120 3 150 300 1.0x105TO-5 5 .200 5 250 500 6.0x104TO-8 10 .400 10 500 1000 3.0x104TO-3机械参数TO-46 TO-5TO-8 TO-3 典型应用电路:2. 电子冷却硫化铅光敏电阻系列电气参数Test Condition s at 25° C-TypicalD D2 D21**D* (Pk.,600,1) x 1011 1.5 2.5 2.8Wavelength Cut-off - Microns 3.1 3.2 3.3Peak Wavelength Response -Microns2.5 2.5 2.5Time Constant - Milliseconds 1-2.5 1-2.5 1-2.5Resistance - Megohms .5-10 .5-10 .5- 5Operating Temperature - °C-20 -30 -45Cooler Power - Volts DC/Amps .8V/1.8A .8V/1.4A 2.0V/1.4ANOTE: 3-6 Stage Thermoelectric Coolers and Vacuum LN Dewars also available. Contact us for further details.**TO-8, TO-66 or TO-3 packages only.活性区参数Code Number ActiveAreaBias VoltageTypical VW-1X105Responsivity PackageSizeInches mm Typical Maximum -20 -30 -451 .040 1 50 100 6.0 9.0 13.0 TO-5-37-8-662 .080 2 100 200 3.0 4.5 6.5 TO-5-37-8-663 .120 3 150 300 2.5 3.5 4.5 TO-5-37-8-665 .200 5 250 500 1.2 2.0 3.0 TO-8-66 10 .400 10 500 1000 .6 1.0 1.5 TO-3机械参数3. 硫化铅线阵主要性能:ArrayP bS Array 1-3 micronsP bSe Array 1-5 micronsP bS D* >8 x 1010 NoteP bSe D* >3 x 109 NoteS quare or rectangular geometryP itch down to 59 micronsP ixels 256T hermoelectrically cooledT E Cooler Controller O perating temp. down to 253KO ptical filters L ow cost C ustom designs Multiplexing D C integrating D ark current subtractionS ample rates from 100 Hz to 1.2 MHzI ndependentor slave operationC ustom interfacesavailableI ntegration times from 0.05 msec to 0.66 sec.System Requirements ±12 to ±15VDC T E Cooler 5V @ 2 amps (typical) Amplifier Specifications O utput voltage range up to ±12V O utput current 2-3 mAmp typical and up to 30 mAmp available A djustable output gain available 4. 硒化铅光敏电阻电气参数Test Conditions at 25°C - TypicalF & FM FA & FAM FS & FSM D* (Pk.,1000,1) x 109 1.0 - 3.0 3.0 - 6.0 >6.0 Wavelength Cut-off - Microns 4.5 - 5.0 4.5 - 5.0 4.5 - 5.0 Peak Wavelength Response - Microns3.8 -4.3 3.8 - 4.3 3.8 - 4.3 Time Constant - Microseconds 1 - 31 - 31 - 3Resistance - Megohms .1 - 4 .1 - 4 .1 - 4活性区参数Code Number Active Area Bias Voltage Typical VW -1PackageSizeInches mm Typical Maximum1 .040 1 50 100 6,000 TO-5 &TO-462 .080 2 100 200 3,000 TO-53 .120 3 150 300 2,000 TO-55 .200 5 250 500 1,200 TO-810 .400 10 500 1000 600 TO-3 机械参数TO-46 TO-5TO-8 TO-3 5. 电子冷却硒化铅光敏电阻电气参数NOTE: 3-6 Stage Thermoelectric Coolers and LN2 Dewars available. Please contact us for further details.**TO-8, TO-66 and TO-3 packages only.活性区参数机械参数6. 硒化铅线阵主要性能:ArrayP bS Array 1-3 micronsP bSe Array 1-5 micronsP bS D* >8 x 1010 NoteP bSe D* >3 x 109 NoteS quare or rectangular geometryP itch down to 59 micronsP ixels 256T hermoelectrically cooledT E Cooler ControllerO perating temp. down to 253K O ptical filters L ow cost C ustom designs Multiplexing D C integrating D ark current subtraction S ample rates from 100 Hz to 1.2 MHzI ndependent or slave operationC ustom interfaces availableI ntegration times from 0.05 msec to 0.66 sec.System Requirements ±12 to ±15VDC T E Cooler 5V @ 2 amps (typical) Amplifier Specifications O utput voltage range up to ±12V O utput current 2-3 mAmp typical and up to 30 mAmp available A djustable output gain available Note: These D* values are for unmultiplexed arrays. D* is affected by sample rates, integration times, etc.7. InGaAs PIN 光电二极管探测器InGaAs PIN Photodiode Detectors RT 非致冷型主要性能:低暗电流,低电容,高响应. M esa 结构, 无信号时不导电. 适合于DC - 3GHz, 以及光纤应用.Part # Diameter mm Resp. A/W @1.3μm Resp. A/W @1.55μm Dark Current nA Cutoff Freq. MHz Cap. pf Shunt Res. MΩPeak D* cm*Hz½/W NEPW/Hz½I5-.04-46 .040 .85 .90 .075 3000 .6 9000 >1012 <10-14I5-.08-46 .080 .85 .90 .10 2200 .9 7000 >1012 <10-14 I5-.1-46 .100 .85 .90 .15 2000 1 6000 >1012 <10-14 I5-.3-46 .300 .85 .90 .4 350 5 900 >1012 <10-14 I5-.5-46 .500 .85 .90 .7 200 10 250 >1012 <10-13 I5-1-46 1.00 .85 .90 2 30 100 90 >1012 <10-13 I5-2-5 2.00 .85 .90 8 3 600 20 >1012 <10-13 I5-3-5 3.00 .85 .90 20 1.75 1200 9 >1012 <10-13 I5-5-8 5.00 .85 .90 30 .5 4000 2 >1012 <10-12I5-10-3 10.00 .85 .90 100 .15 14000 .5 >1012<10-12 [文档可能无法思考全面,请浏览后下载,另外祝您生活愉快,工作顺利,万事如意!]11 / 11。
常用光敏电阻的规格参数光敏电阻(也称为光敏电阻器或光敏电阻器件)是一种能够根据周围光照强度变化而改变电阻值的传感器。
它通常用于测量光照强度、控制光敏开关以及在各种光感应应用中使用。
以下是一些常用光敏电阻的规格参数:1.光敏电阻的灵敏度:光敏电阻的灵敏度指的是它对光照变化的响应程度。
灵敏度可以通过光照对电阻变化的比率来衡量。
一般来说,灵敏度越高,光敏电阻对光的变化越敏感。
2.光敏电阻的光照范围:光敏电阻可以适用于不同范围的光照强度。
一些光敏电阻适用于较低的光照强度,如暗室或夜间环境,而一些光敏电阻则适用于较高的光照强度,如户外或强照明环境。
3.光敏电阻的响应时间:光敏电阻的响应时间指的是它从检测到光照变化到产生电阻变化的时间。
响应时间越快,光敏电阻对光照变化的响应就越及时。
4.光敏电阻的光线谱响应:光敏电阻对不同波长光的响应程度不同。
可以通过光线谱响应来描述光敏电阻在不同波长光下的电阻变化。
5.光敏电阻的电阻范围:光敏电阻的电阻范围可以根据具体需求来选择。
一般来说,电阻范围越宽,光敏电阻适用于更广泛的应用。
6.光敏电阻的温度特性:光敏电阻的电阻值可能会受到温度的影响。
因此,在选择光敏电阻时,需要考虑温度特性以及它的工作温度范围。
7.光敏电阻的可靠性和寿命:光敏电阻的可靠性指的是它的稳定性和精准性。
而寿命则指的是光敏电阻的使用寿命,即它能够正常工作的时间。
当然,以上仅列举了一些常见的光敏电阻规格参数。
在选择光敏电阻时,还需要考虑其他因素如价格、尺寸、耐久性以及与其他电子元件的兼容性等。
不同厂商生产的光敏电阻可能存在一些差异,因此在购买时需要仔细查看产品规格表并选取适合自己应用的光敏电阻。