MQA0024-R02-01 中间产品审核放行单
- 格式:doc
- 大小:32.50 KB
- 文档页数:2
1. 制订/日期质保部(QA)/管理员2. 审核/日期质保部(QA)/部长3. 批准/日期质量副总经理分发部门:质保部(QA)、生产车间、物资部修订历史:版本号修订日期修订概述01 2020.06.12 首次制订1.0 目的确认即将投入使用的原辅料、包装材料以及流入下道工序的中间产品是否符合规定的管理标准和质量标准,保证不符合规定的原辅料、包装材料不投入生产,不合格的中间产品不流入下道工序。
2.0 范围本规程适用于原辅料、包装材料、中间产品的审核和放行。
3.0 职责3.1 本规程由质保部负责制定,质保部部长审核,质量副总经理批准;3.2 质保部、生产技术部、生产车间负责本规程的贯彻实施。
4.0 参考文件《药品生产质量管理规范》2010版,《美国联邦法规》21卷第210和211部分,ICH Q7。
5.0 定义5.1 原辅料:除包装材料之外,药品生产中使用的任何物料。
5.2 中间产品:指完成部分加工步骤的产品,尚需进一步加工方可成为待包装产品。
5.3包装材料:药品包装所用的材料,包括与药品直接接触的包装材料和容器、印刷包装材料,但不包括发运用的外包装材料。
5.4 放行:对一批物料或产品进行质量评价,作出批准使用或投放市场或其他决定的操作。
6.0 规程6.1 原辅料、包装材料放行6.1.1 原辅料、包装材料质量评价●物料供货方必须是企业批准的合格供应商。
●供应商检验报告、送货单等随货凭证齐全。
●物料初验合格,“物料接收记录”记录完整、无误。
●物料已取样,按批准的物料标准完成了所有检验。
●检验记录数据完整、准确、可以追溯。
●检验报告内容完整、正确,检验人、复核人签字无误。
●检验报告中检验项目、检验结果符合我公司的内控采购标准。
6.1.2 原辅料、包装材料放行人质保部物料监督员承担原辅料、包装材料的放行。
由QA物料监督员对上述内容逐条进行审核评价,根据审核结果出具“物料审核放行单”,签字确认“准予放行”或者“拒绝放行”,同时根据物料件数开“物料合格证”(绿底黑字)或“物料不合格证”(红底黑字),并在“物料合格证发放登记表”或“物料不合格证发放登记表”上记录使用、发放情况。
22007放行管理规程(07.12)北京百慧生化制药有限责任公司管理标准1目的:建立放行的管理规程,确保使用的物料及生产中间产品、待包装产品、成品符合质量标准要求,符合GMP等法规要求。
2 范围:适用于本公司物料、中间产品、待包装品、成品审核放行。
3 责任:3.1 QA负责本文件起草。
3.2 QA主任负责本文件的审核。
3.3各相关部门负责本文件的实施。
3.4 质量受权人负责本文件的批准。
4.内容:4.1 编订依据:《药品生产质量管理规范》(2010年修订)。
4.2放行原则4.2.1物料放行原则4.2.1.1每一批物料在投入使用前均应经过质量受权人批准放行,没有放行的物料不得使用。
4.2.1.2物料合格证的粘贴原则,经审核放行的、具备外包装的,按照最小的发放包装单元逐个张贴《合格证》(R22007-03),大箱等无外包装的,可以只发一个《合格证》(R22007-03)。
4.2.1.3 质量受权人必须严格按规定的审核内容进行审核,确认放行物料的质量状态符合企业内控标准和GMP要求。
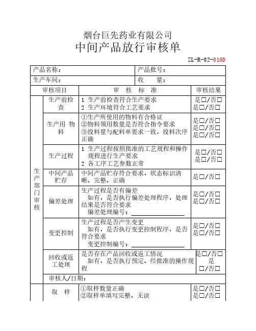
4.2.2 中间产品放行原则4.2.2.1每一批中间产品在投入使用前均应经过QA的确认。
4.2.2.2 QA必须严格按规定的审核内容进行审核,确认放行中间产品的质量状态符合企业内控标准和GMP要求。
4.2.2.3过程控制放行中间产品: 适用于已通过工艺验证的产品,仅限于下列情形:4.2.2.4检验控制的中间产品,需检验合格后转入下一生产环节,具体情形如下:4.2.2.4.1按相应的规程,支持除在线过程控制项目外,还需进行检测并等待其检验结果的中间产品、待包装品等需等待检验结果后方可进行下一步的生产操作。
4.2.2.4.2 中间产品生产结束后直接送检进行检验,检验合格后质量管理部发放检验报告单之后转入后续生产。
4.3.3 成品审核放行原则4.3.3.1 在批准放行前必须由生产管理部进行生产审核,由质量管理部进行质量审核。
审核符合要求后由质量受权人批准后放行。
施瓦茨集团标准管理规程(STANDARD MANAGEMENT PROCEDURE )一、目的建立产品品放行审核制度,确保产品质量。
二、适用范围适用于原辅料、包装材料、中间产品和成品放行审核。
三、责任者质量部主管或经理及质量部审核授权人,生产部车间主任或经理及生产部审核授权人,仓储部主管或经理。
质量部审核授权人:在线质控QA生产部审核授权人:工艺审核员四、审核程序1、每批产品放行前,质量部要收集评价一切与该批成品相关的制造、包装、检测记录,经审核无误后可签名放行,否则不准放行。
2、产品放行前审核工作首先由工艺审核员审核,审核员应熟悉GMP质量体系,且具有相应的食品生产质量知识和实践经验。
3、生产部申请放行的成品首先由生产部车间主任对与该产品相关的制造、包装记录文件进行审核,审核内容包括:3.1 生产过程符合公司GMP质量体系要求,符合工艺主配方要求,操作执行标准的操作程序。
3.2 原辅料有合格报告书或合格说明文件。
3.3 配料记录是否完整,称量表及称量过程是否经过双人复核并签字。
3.4 批生产记录、批包装填写正确、完整无误,各项均符合规定要求。
3.5 物料平衡是否符合规定限度。
3.6 如发生偏差、执行偏差处理程序,处理措施正确、无误。
相关手续、记录是否齐全、符合要求。
4、生产部车间主任审核无误后,将审核结果填写在生产部成品放行审核单上并签名,并将资料交生产部负责人复核。
5、生产部负责人复核并签名,将汇总批生产记录、批包装记录连同放行审核单交质量部,质量部作为质量审核批次依据,审核完毕后存档。
6、质量部授权审核人根据生产部下发的生产部成品放行单及产品批号,进行质量部分的审核。
质量部负责审核的内容包括:6.1 原材料检测记录是否完整,厂家提供的检验报告与国家型检、公司抽检等是否符合标准,相关内容是否符合规定。
6.2 现场监测是否符合生产过程控制程序及规定。
记录是否完整、填写是否规范,数据是否准确无误,现场质量监控记录是否与批生产记录、批包装记录各项一致无误。
依据:《GMP》与药品生产质量管理的要求
目的:确保符合标准规定的中间产品进入下道工序
范围:中间产品的放行流转
1.车间质检员代表质量部,负责中间产品放行流转的审核。
2.车间质检员按生产现场监控标准管理规程对每一岗位进行严格审核、监控。
3.审核内容
3.1 生产条件符合要求。
3.2 生产环境符合规定要求。
3.3 生产操作过程符合工艺、主配方、标准操作规程要求,且无交叉污染。
3.4 生产记录、监控记录填写符合规定要求,与生产过程相符。
3.5 中间产品经检验符合质量标准规定。
3.6 中间产品取样执行批准的规程,取样符合规定。
3.7 中间产品检验执行批准的检验规程。
3.8 中间产品检验原始记录填写完整准确,复核无误。
3.9 中间产品检验合格报告书填写正确,复核无误。
3.10 以上各项如与规定有偏离,应有详细的书面说明。
4.以上内容经公司质检员审核无误后发放“中间产品递交许可证”准许继续加工,操作人员填写中间产品递交单进行中间产品的递交。
5.中间产品递交许可证编码以该批产品批号后加流水号。
文件变更历史。
目录1.目的 (2)2.范围 (2)3.职责 (2)4.内容 (2)5.相关程序、记录、附件 (2)6.参考资料 (3)7.历史和修订记载 (3)1.目的:明确中间产品、待包装产品交接的管理。
2.范围:适用于车间中间产品、待包装产品的交接管理。
3.职责:生产车间技术员、中间站管理员、QA检查员4.内容:4.1中间产品:是指完成部分加工步骤的产品,尚需进一步加工方可成为待包装产品。
待包装产品:尚未进行包装但已完成所有其他加工工序的产品。
4.2中间产品、待包装产品生产结束后填写“中间产品、成品请验单(SOP-SC-008-**)”,依内控质量标准进行检验,不合格中间产品、待包装产品不得流入下一工序。
4.3检验合格的中间产品、待包装产品应及时传递至下生产工序,并填写“产品流转标签(JL-SC-007-**)”。
4.4中间产品、待包装产品进入中间站的管理依《中间站管理规程》(SOP-SC-006-**)。
4.5不合格的中间产品、待包装产品应明确标示不合格状态标志,并由责任人上报质量部及时申请处理意见,在规定时间内及时处理。
4.6可回收的中间产品、待包装产品应明确标示状态标志,填写“中间产品、待包装产品交接单(JL-SC-009-**)”,将物料传递至待包装产品回收间处或相应工序。
5.相关程序、记录、附件:5.1相关程序:《中间站管理规程》SOP-SC-006-**5.2相关记录:无5.3附件:(1)中间产品、成品请验单JL-SC-008-**5.3.1中间产品、成品请验单编号:JL-SC-008-** 源程序编号:SMP-SC-012-** 页码:1/1中间产品、成品请验单注:物料请验单三份,一份仓库留存,一份附检验记录,一份取样人留存。
6.参考资料:《药品生产质量管理规范》(2010年修订)《药品生产质量管理规范》(2010年修订)实施指南7.历史和修订记载:。
浙江天台药业有限公司1. 目的本规程的目的是规范天台药业产品批生产记录审核和原料药中间体、成品放行的管理。
2. 范围本规程适用天台药业化学原料药中间体和成品的管理。
3. 责任1)QA 负责本SOP 的起草、编写、修订和执行监督。
2)各相关部门对相关人员进行本SOP 的培训和执行。
3)与本SOP 相关部门在执行本SOP 是必须配合好QA 并且遵照此执行。
4. 定义1)批生产记录:一个批次的待包装品或成品的所有生产记录。
批生产记录能提供该批产品的生产历史以及与质量有关的信息。
2)物料平衡:产品或物料的理论产量或理论用量与实际产量或用量之间的比较,并适当考虑可允许的正常偏差。
5 规程5.1 产品放行前审核5.1.1 每一批成品/中间体放行或分发前,其批生产记录和检验记录须经QA审核,由QA负责人或授权QA批准后方可放行或分发。
5.1.2 中间体放行前审核5.1.2.1 中间体批检验记录的审核:QC完成检验后,将有关检验记录、检验报告单等交QA审核;QA按以下要求进行审核,审核完毕在《产品批检验记录审核单》(RD-QA-083)相应栏目中签字,并签发检验报告单。
若有异常或偏差,则按《OOS标准操作规程》(QC-00-023)要求进行相应的调查。
批检验记录的具体审核内容如下:A、所用记录是否正确?B、记录的页数是否齐全、填写是否完整、是否有签名?C、分析测试项目是否已完成,并符合要求?D、分析报告是否已正确填写,并符合标准?E、是否有不符合标准的测试结果?F、是否有化验室偏差?5.1.2.2 中间体批生产记录的审核由QA按以下要求对批生产记录进行审核,在《中间体批生产记录审核单》(RD-QA-014)相应栏目中签字,并签发中间体合格证或不合格证。
若有异常或偏差,按《偏差管理规程》要求进行相应的调查。
批生产记录的具体审核内容如下:A、所用记录是否正确?记录的页数是否齐全,填写是否完整、有签名?B、各项中间体和生产过程控制测试是否完成并符合标准?C、生产过程是否按相关SOP执行,现场是否符合GMP要求?D、是否出现生产偏差?E、收率是否符合标准?F、物料平衡是否符合标准?G、中间体检验结果是否符合标准?H、是否有不符合标准的测试结果?I、是否有特殊情况出现或有特殊的物料投入使用,若有,批准手续是否已完成?5.1.2.3 中间体凭检验合格报告单及合格证投入下一工序。
1. 制订/日期质保部(QA)/管理员2. 审核/日期质保部(QA)/部长3. 批准/日期质量副总经理分发部门:质保部(QA)、生产技术部、物资部修订历史:版本号修订日期修订概述01 2020.06.12 首次制订1.0 目的建立原料药标签的管理规程,使药品标签在从设计、批准、保管、使用及销毁的过程中避免出现差错和混淆。
2.0 范围本规程适用于原料药标签的设计、批准及标准样张的管理。
3.0 职责3.1 本文件由质保部(QA)负责起草,质保部(QA)部长负责审核,质量副总经理批准;3.2 质保部(QA)、生产技术部、物资部负责本规程的贯彻实施。
4.0 参考文件《药品生产质量管理规范》2010版,《药品说明书和标签管理规定》(局令第24号),《中华人民共和国药品管理法》,ICH Q7。
5.0 定义药品标签(局令第24号):是指药品包装上印有或者贴有的内容,分为内标签和外标签。
药品内标签指直接接触药品的包装的标签,外标签指内标签以外的其他包装的标签。
6.0 规程6.1 由于订单的不确定性和不同的市场、不同客户要求不同,标签一般不止一种形式。
6.2 标签的设计依据6.2.1在国内市场销售的产品的标签,在原料药注册时有备案,所以设计时标签模板须包含注册标签的内容并遵循《药品说明书和标签管理规定》。
6.2.2在欧美市场销售的产品的标签,标签模板设计应满足销售国法规要求,或根据客户质量协议要求设计。
6.3 标签内容6.3.1 在国内市场销售的产品的标签(桶签、袋签),应当注明药品名称、贮藏、生产日期、产品批号、有效期、执行标准、批准文号、生产企业、包装数量,如是桶签还应有运输注意事项等内容。
6.3.2 在欧美市场销售的产品的标签,标签应和DMF注册文件中的一致,或者和销售客户的质量协议要求一致。
至少包括药品名称、贮藏、生产日期、产品批号、复验期、生产企业等。
6.4 标签设计稿批准、印刷6.4.1在国内市场销售的产品的标签,根据食品药品监督管理局备案的标签模板,物资部负责联系标签的设计单位设计标签。
物料中间产品成品放行管理规定精编版MQS system office room 【MQS16H-TTMS2A-MQSS8Q8-MQSH16898】1目的建立物料、中间产品、成品放行的管理程序,防止不合格的物料投入生产、不合格的中间产品流入下工序、不合格的成品出厂。
2范围适用于本厂进厂物料、车间中间产品及成品的管理。
3责任质监科、生产科、生产车间有关人员。
4内容物料的放行:物料进库后,由仓库管理员填写物料请检单,交质监科化验室取样检验。
不准投入生产。
单上签字放行。
固体制剂中间产品的放行:车间生产的中间产品,应放置于中间站或规定区域,做好待检标识,写明品名、规格、批号、生产日期、数量。
车间及时填写中间产品请检单,交质监科化验室取样检验。
待检验结果出来,经化验室主管复核无误后,签发中间产品报告单。
第2页/共2页入下一工序的操作。
待包装产品还需由总质监(或其工作代理人)签发产品包装通知单,产品才可进入包装工序。
注射剂中间产品的放行行栏签字放行。
进入包装工序。
成品的放行:批生产完成后,由车间填写成品请检单交质监科化验室取样全检。
化验员按照检验操作规程逐一检验,并记录。
检验合格后由化验员填写成品检验报告单,经化验室主管复核无误后,质监科科长在报告书上签字,同时在报告书上盖上检验专用章。
并签发批合格证,产品检验报告单和批合格证作为成品入库的凭证。
查批生产记录、质量监控记录等,在产品放行单上签章放行。
只有收到成品放行单后,成品才可出库销售。
对于经检验后不合格的物料、中间产品、成品按不合格品的管理制度执行。
5记录记录名称保存部门保存时间产品包装通知单质监科三年合格证//成品放行单质监科三年QL-03-003-00产品包装通知单通知日期:签发人:QL-03-005-00成品放行单日期:质监科长:填表人:QL-03-004-00编号:QL-03-004-00编号:。