[GBJ 74-84] 石油库设计规范
- 格式:doc
- 大小:147.50 KB
- 文档页数:21
中华人民共和国国家标准石油库设计规范Code for design of oil depotGB 50074-2002条文说明1 总则1.0.1 本条规定了设计石油库应遵循的原则要求。
石油库属爆炸和火灾危险性设施,所以必须做到安全可靠。
技术先进是安全的有效保证,在保证安全的前提下也要兼顾经济效益。
本条提出的各项要求是对石油库设计提出的原则要求。
设计单位和具体设计人员在设计石油库时,应严格执行本规范的具体规定,采取各种有效措施,达到条文中提出的要求。
1.0.2 本条规定了《石油库设计规范》的适用范围和不适用范围。
1 本次修订对《石油库设计规范》的适用范围做了如下改变:1)增加了“改建石油库”的设计,也应遵循本规范的规定;2)把总容量小于500m 3 的小型石油库纳入到本规范适用范围之中。
2 与1984 年版《石油库设计规范》相比,本规范不适用范围有如下变化:1)取消了使用期限少于 5 年的临时性石油库和生产装置内部的储油设施的设计不适用范围的规定;2)增加了石油化工厂厂区内、长距离输油管道和油气田油品储运设施的设计为不适用范围。
3 上述变化有以下情况或理由。
l )建设部关于本次对《石油库设计规范》、《小型石油库及汽车加油站设计规范》的修订文件中,同意把小型石油库的有关内容并入《石油库设计规范》中,这样既完善了《石油库设计规范》标准的内容,方便使用,也避免了大小油库两个标准的不协调、不一致之处;2)使石油库改建部分工程也有规范可以遵循;3)相关部门或行业的标准逐步健全,使得这些部门和行业的工程建设有了可遵循的国家标准规范。
这样,石油化工厂厂区内、长距离输油管道和油气田的油品储运设施的设计不再使用本规范;4)出于对安全的考虑,使用期限少于 5 年的临时性石油库也应该受标准规范的制约;5)本规范己不再适用于石油化工厂厂区内油品储运设施的设计,生产装置内部储油设施的设计使用规范的问题己不是本规范应该提及的问题了。
石油库设计规范 GBJ 74-841.总则第1.0.1条石油库设计必须贯彻执行国家有关的方针政策做到技术先进经济合理生产安全管理方便确保油品质量减少油品损耗防止污染环境节约用地和节约能源第1.0.2条本规范适用于石油库新建和扩建工程的设计本规范不适用于下列石油库的设计总容量小于500立方米的石油库二地下水封式石油库三自然洞石油库四使用期限少于5年的临时性石油库本规范亦不适用于生产装置内部的储油设施的设计第 1.0.3条石油库设计除执行本规范外尚应符合国家现行的有关标准和规范的要求第1.0.4条石油库等级的划分应符合表1.0.4的规定第1.0.5条石油库储存油品的火灾危险性分类应符合表1.0.5的规定第1.0.6条石油库内生产性建筑物和构筑物的耐火等级不得低于表1.0.6的规定表1.0.4 石油库的等级划分━━━━━━━━━━━━━━┯━━━━━━━━━━━━━━等级│总容量 (米3)──────────────┼──────────────一级│ 50000 及以上二级│ 10000至50000以下三级│ 2500至10000以下四级│ 500至2500以下━━━━━━━━━━━━━━┷━━━━━━━━━━━━━━注: 表中总容量系指石油库储油罐的公称容量和桶装油品设计存放量之总和不包括零位罐高架罐放空牌以及石油库自用油品储罐的容量表1.0.5 石油库储存油品的火灾危险性分类━━━━━━┯━━━━━━━━┯━━━━━━━━━━━━━━━━━类别│油品闪点( ) │举例──────┼────────┼─────────────────甲│ 28以下│原始汽油──────┼────────┼─────────────────乙│28至60以下│喷气燃料灯用煤油一35号轻柴油───┬──┼────────┼─────────────────│ A │ 60至120 │轻柴油重柴油20号重油├──┼────────┼─────────────────丙│ B │ 120以上│润滑油100号重油━━━┷━━┷━━━━━━━━┷━━━━━━━━━━━━━━━━━表1.0.6 石油库内生产性建筑物和构筑物的耐火等级━━━━┯━━━━━━━━━━━━━━━━━━━━━┯━━━━┯━━━━序号│建筑物和构筑物名称│油品类别│耐火等级────┼─────────────────────┼────┼────1 │油泵房(棚)阀室(棚) 灌油间铁路装卸油│甲乙│二级│品暖库│丙│三级────┼─────────────────────┼────┼────2 │桶装油品库房及敞棚│甲│二级││乙丙│三级────┼─────────────────────┼────┼────3 │化验室计量室仪表间变配电间修洗│││桶间汽车油罐车库润滑油再生间柴油发电││二级│机间空气压缩机间铁路装卸油品栈桥高架│││罐支座架││────┼─────────────────────┼────┼────4 │机修间器材库水泵房││三级━━━━┷━━━━━━━━━━━━━━━━━━━━━┷━━━━┷━━━━2.库址选择第2.0.1条石油库的库址应选在交通方便的地方以铁路运输为主的石油库应靠近有条件接轨的地方以水运为主的石油库应靠近有条件建没装卸油品码头的地方第2.0.2条储存原油汽油煤油柴油等大宗油品的石油库的库址选择应考虑产运销的关系和国家有关部门制定的油品运输流向第2.0.3条为城镇服务的商业石油库的库址在符合城镇环境保护与防火安全要求的条件下应靠近城镇第2.0.4条企业附属石油库的库址选择应结合该企业主体工程统一考虑并应符合城镇或工业区规划环境保护与防火安全的要求第2.0.5条石油库的库址应具备良好的地质条件不得选在有土崩断层滑坡沼泽流沙及泥石流的地区和地下矿藏开采后有可能塌陷的地区人工洞石油库的库址应选在地质构造简单岩性均一石质坚硬与不易风化的地区并宜避开断层和密集的破碎带第2.0.6条一二级石油库的库址不得选在地震基本烈度九度及以上的地区第2.0.7条当库址选定在靠近江河湖泊或水库的滨水地段时库区场地的最低设计标高应高于计算最高洪水位0.5米当有防止石油库受淹的可靠措施且技术经济合理时库址亦可选在低于计算最高洪水位的地段计算最高洪水位采用的洪水频率应符合下列规定一. 一二级石油库不应低于1 50(即五十年一遇)二. 二四级石油库不应低于1 25(即二十五年一遇)第2.0.8条石油库的库址应具备满足生产消防生活所需的水源和电源的条件还应具备排水的条件第2.0.9条石油库与周围居住区工矿企业交通线等的安全距离不得小于表2.0.9的规定第2.0.10条石油库与飞机场的距离应符合各级机场对净空的要求表2.0.9 石油库与周围居住区工矿企业交通线等的安全距离(米)━━━┯━━━━━━━━━━━━━━━┯━━━━━━━━━━━━━━━━━序号│名称│石油库等级│├─────┬─────┬─────││一级│二级│三四级───┼───────────────┼─────┼─────┼─────1 │居住区及公共建筑物│ 100 │ 90 │ 802 │工矿企业│ 80 │ 70 │ 603 │国家铁路线│ 80 │ 70 │ 604 │工业企业铁路线│ 35 │ 30 │ 255 │公路│ 25 │ 20 │ 156 │国家一二级架空通信线路│ 40 │ 40 │ 407 │架空电力线路和不属于国家一二│1.5倍杆高│ 1.5倍杆高│ 1.5倍杆高│级的架空通信线路│││8 │爆破作业场地(如采石场) │ 300 │ 300 │ 300━━━┷━━━━━━━━━━━━━━━┷━━━━━┷━━━━━┷━━━━━注序号 1─7的距离应从石油库的油罐区或装卸区算起有防火堤的油罐区应从防火堤中心线算起无防火堤的地下油罐应从油罐壁算起装卸区应从建筑物或构筑物算起序号8的距离应从石油库围墙算起对于三四级石油库当单罐容量不大于1000立方米时序号 1 2的距离可减少25%;当石油库仅储存丙类油品时序号 1 2 5的距离可减少25%居住区包括石油库的生活区四级石油库的生活区可建在石油库行政管理区内并不受本表距离的限制对于电压35干伏以上的电力线路序号7的距离除应满足本表要求外且不应小于30米铁路部门的附属石油库与国家铁路线的距离应按表3.0.3铁路机车走行线的规定执行3.总平面布置第3.0.1条石油库宜分区布置石油库的分区及各区内的主要建筑物和构筑物宜按表3.0.1的规定布置第3.0.2条石油库内的建筑物和构筑物在符合生产使用和安全防火的要求下宜合并建造第3.0.3条石油库内建筑物构筑物之间的防火距离(油罐与油罐之间的距离除外) 不应小于表3.0.3的规定第3.0.4条石油库的地上油罐区宜根据地形条件布置在比装卸区高的地区第3.0.5条人工洞石油库储油区的布置应符合下列要求一油罐室的布置应最大限度地利用岩石覆盖层的厚度油罐室顶部岩石覆盖层的厚度应满足防护要求二每条主巷道的出入口不宜少于两处(尽头式巷道除外) 洞口宜选择在岩石较完整的陡坡上表3.0.1 石油库分区及其主要建筑物和构筑物━━┯━━━━━━━━━┯━━━━━━━━━━━━━━━━━━━━━━━━序号│分区│区内主要建筑物和构筑物──┼─────────┼─────────────────────────1 │储油区│油罐防火堤油泵房变配电间等──┼───┬─────┼─────────────────────────2 │装卸区│铁路装卸区│铁路装卸油品栈桥站台油泵房桶装油品仓库│││零位罐变配电间等│├─────┼─────────────────────────││水运装卸区│装卸油品码头油泵房灌油间桶装油品仓库变│││配电等间等│├─────┼─────────────────────────││公路装卸区│高架罐灌油间变配电间汽车装卸油品设备桶│││装油品仓库等──┼───┴─────┼─────────────────────────3 │辅助生产区│修洗桶间消防泵房消防车库机修间器材库││炉房化验室污水处理设施等──┼─────────┼─────────────────────────4 │行政管理区│办公室传达室汽车库警卫及消防人员宿舍集体││宿舍浴室食堂等━━┷━━━━━━━━━┷━━━━━━━━━━━━━━━━━━━━━━━━━注企业附属石油库的分区尚宜结合该企业的总体布置统一考虑对于三级石油库序号2 3的建筑物和构筑物可合并布置;对于四级石油库序号2 3 4的建筑物构筑物可合并布置汽车库浴室亦可布置在辅助生产区消防车库机修间器材库锅炉房及化验室亦可布置在行政管理区三变配电间空气压缩机间发电间等不应与油罐室布置在同一主巷道内当布置在单独洞室内或布置在洞外时其洞口或建筑物构筑物至油罐室的主巷道洞口油罐室的排风管或油罐的呼吸管出口的距离不应小于15米四油泵房通风机室与油罐室布置在同一主巷道内时与油罐室的距离不应小于15米第3.0.6条铁路装卸区宜布置在石油库的边缘地带石油库的专用铁路线不宜与石油库出入口的道路相交叉第3.0.7条公路装卸区应布置在石油库面向公路的一侧宜设围墙与其它各区隔开并应设单独出入口在出入口处应设业务室出入口外应设停车场表3.0.3 石油库内建筑物构筑━┯━━━━━━━━━━━━━━━┯━━━━━━━━━┯━┯━━━━━序│建筑物和构筑物名称│油罐│高│油泵房│├──┬──┬───┤├───┬──号││5000│1000│1000 │架│甲乙│丙││米^3│米^3│米^3 │罐│类油品│类││以上│以上│及以│││油│││至│下│││品│││5000│││││││米^3│││││├──┼──┼───┼─┼───┼──││ 1 │ 2 │ 3 │ 4│ 5 │6─┼───────────────┼──┼──┼───┼─┾───┼──4│高架罐│ 20 │ 15 │ 10 │││5│油泵房甲乙类油品│ 20 │ 15 │ 12 │12│ 12 │6│丙类油品│ 15 │ 12 │ 10 │10│ 12 │107│罐油间甲乙类油品│ 25 │ 20 │ 15 │10│ 12 │128│丙类油品│ 20 │ 15 │ 12 │ 8│ 12 │109│汽车灌油鹤管甲乙类油品│ 25 │ 20 │ 15 │10│ 15 │1510│丙类油品│ 20 │ 15 │ 12 │ 8│ 15 │1211│铁路作业线甲乙类油品│ 25 │ 20 │ 15 │15│ 8 │812│丙类油品│ 20 │ 15 │ 12 │12│ 8 │ 813│装卸油品码头甲乙类油品│ 50 │ 40 │ 35 │20│ 15 │1514│丙类油品│ 35 │ 30 │ 30 │15│ 15 │1215│桶装油品仓库甲乙类油品│ 25 │ 20 │ 15 │15│ 12 │1216│丙类油品│ 20 │ 15 │ 12 │12│ 12 │1017│隔油池 150米^3以下│ 25 │ 20 │ 15 │15│ 15 │1018│ 150米^3及以上│ 30 │ 25 │ 20 │20│ 20 │1519│消防泵房消防车库│ 35 │ 30 │ 25 │20│ 12 │1020│露天变配电所 10千伏及以下│ 20 │ 20 │ 20 │20│ 15 │1021│变压器 10千伏以上│ 30 │ 30 │ 30 │30│ 20 │1522│独立变配电间│ 15 │ 15 │ 15 │15│ 12 │1023│铁路机车走行线│ 25 │ 25 │ 25 │20│ 15 │1224│有明火及散发火花的建筑物构│ 35 │ 35 │ 35 │20│ 20 │15 │筑物及地点││││││25│其它建筑物构筑物│ 25 │ 20 │ 15 │12│ 12 │1026│围墙│ 15 │ 10 │ 8 │ 8│ 10 │ 5━┷━━━━━━━━━━━━━━━┷━━┷━━┷━━━┷━┷━━━┷━━注序号1 2 3的油罐系指储存甲乙类油品的立式固定顶油罐对于浮顶油罐或内浮顶油罐储存丙类油罐本表距离可减少 50%建在码头上的油泵房消防泵房与装卸油品码头的距离可不受限制灌油间与高架罐邻近的一侧如无门窗和孔洞时两者之间的距离可不受限制密闭式隔油池与建筑物构筑物的距离可减少50% 油罐组内的小型隔油池与油罐的距离可不受限制四级石油库内各建筑物构筑物之间的防火距离除序号1.2 3外可减少50%序号 l 2 3的油罐至河(海)岸边的距离不应小于30米其它各序号的建筑物和构筑物(序号25除外)至河海岸边的距离不应小于10米物之间的防火距离(米)━━━━━┯━━━━━━┯━━━━━┯━━━━━━┯━━━━━━┯━━━━━灌油间│汽车灌油鹤管│铁路作业线│装卸油品码头│桶装油品仓库│隔油池───┬─┼───┬──┼───┬─┼───┬──┼───┬──┼──┬──甲乙│丙│甲乙│丙│甲乙│丙│甲乙│丙│甲乙│丙│ 150│150类油品│类│类油品│类│类油品│类│类油品│类│类油品│类│米3│米3及│油││油││油││油││油│以下│以上│品││品││品││品││品││───┼─┼───┼──┼───┼─┼───┼──┼───┼──┼──┼─── 7 │ 8│ 9 │10 │ 11 │12│ 13 │14 │ 15 │16 │ 17│ 18││││││││││││││││││││││12 │││││││││││12 │10││││││││││15 │15││││││││││15 │12││││││││││15 │15│ 15 │15 ││││││││15 │12│ 15 │12 ││││││││15 │15│ 15 │15 │ 20 │20││││││15 │12│ 15 │12 │ 20 │15││││││12 │12│ 15 │15 │ 8 │ 8│ 15 │15 │ 12 │││12 │10│ 15 │12 │ 8 │ 8│ 15 │12 │ 12 │ 10 ││20 │15│ 20 │15 │ 25 │20│ 25 │20 │ 15 │ 10 ││25 │20│ 25 │20 │ 30 │25│ 30 │25 │ 20 │ 15 ││12 │10│ 15 │12 │ 15 │12│ 25 │20 │ 20 │ 15 │ 20│ 2520 │10│ 20 │10 │ 20 │10│ 20 │10 │ 15 │ 10 │ 15│ 2030 │20│ 30 │20 │ 30 │20│ 30 │20 │ 20 │ 10 │ 20│ 3015 │10│ 15 │10 │ 15 │10│ 15 │10 │ 12 │ 10 │ 15│ 2020 │15│ 20 │15 │ 20 │15│ 20 │15 │ 15 │ 10 │ 15│ 2030 │20│ 30 │20 │ 30 │20│ 40 │30 │ 30 │ 20 │ 30│ 4012 │10│ 12 │10 │ 12 │10│ 15 │12 │ 12 │ 10 │ 15│ 1510 │ 5│ 10 │ 5 │ 10 │5 │ - │ - │ 5 │ 5 │ 10│ 10━━━┷━┷━━━┷━━┷━━━┷━┷━━━┷━━┷━━━┷━━┷━━┷━━**品的立式固定顶油罐容量大于50立方米的卧式油罐本表距离可减少25% 第3.0.8条行政管理区宜设围墙(栅)与其它各区隔开并应设单独对外的出入口第3.0.9条石油库内道路的设计应符合下列要求一油罐区的周围应设环行消防道路油罐组之间宜设宽3.5米的消防道路与环行消防道路相连三四级石油库山区或丘陵地带的石油库亦可设有回车场的尽头式消防道路二油罐区消防道路与防火堤坡脚线之间的距离不应小于3米三铁路装卸区应设消防道路消防道路应与库内道路构成环行道或为设有回车场的尽头式道路第3.0.10条石油库通向公路的车辆出入口(行政管理区和公路装卸区的单独出入口除外) 一二级石油库不宜少于两处三四级石油库可设一处第3.0.11条石油库应设高度不低于2.5米的非燃烧材料的实体围墙山区石油库建实体围墙有困难时可建刺丝网围墙第3.0.12条独立石油库的围墙外应设宽度为1至2米的隔离地带该地带不应植树第3.0.13条石油库内应进行绿化除行政管理区外不应栽植油性大的树种防火堤内不应植树在消防道路两侧植树时株距应满足消防操作的要求4.油罐区1.地上半地下和地下油罐区第 4.1.1条石油库应采用钢油罐当采用钢油罐确有困难时亦可采用非金属油罐储存中类油品的地上油罐宜采用浮顶油罐或内浮顶油罐第4.1.2条石油库的油罐应按下列要求成组布置一在同一个油罐组内宜布置油品火灾危险性相同或相近的油罐二地上油罐不宜与半地下地下油罐布置在同一个油罐组内三一个油罐组内油罐的总容量固定顶油罐不应大于100000立方米浮顶油罐或内浮顶油罐不应大于200000立方米四个油罐组内的油罐不应多于12座但单罐容量小于1000立方米的油罐组和储存丙 B类油品的油罐组内的油罐座数可不受此限第4.1.3条地上油罐组的布置应符合下列规定一地上油罐组内的油罐不应超过两排单罐容量不大于1000立方米的储存丙B类油品的油罐不应超过四排(润滑油储罐的单罐容量可不受此限)二立式油罐的排与排之间的防火距离不应小于5米卧式油罐的排与排之间的防火距离不应小于3米第4.1.4条油罐之间的防火距离不应小于表4.1.4的规定表4.1.4油罐之间的防火距离━━━━━┯━━━━━━━━━━━━━━━━━━━━┯━━━━━┯━━━━油品类别│固定顶油罐│浮顶油罐内│─────┼─────────┬──────┬───┤││地上式│半地下式│地下式│浮顶油罐│卧式油罐├─────────┼──────┼───┼─────┼────甲乙类│1000米3以上的罐│ 0.5D且不宜│0.4D且│ 0.4D且不││0.6D且不宜大于20米│于20米│不宜大│宜大于20│ 0.8米│1000米3及以下的││于15米│米││罐当消防采用固定│││││式时0.6D 采用移│││││动冷却方式时:0.75D││││──┬──┼─────────┼──────┴───┼─────┼────丙类│ A │0.4D 且不宜大于15│││││米│││├──┼─────────┤不限│││ B │大于1000米3的罐│││││5米不大于1000米3│││││的罐2米│││━━┷━━┷━━━━━━━━━┷━━━━━━━━━━┷━━━━━┷━━━注表中D为相邻油罐中较大油罐的直径对于矩形油罐D为长宽两边之和的一半储存不同油品的油罐不同型式的油罐之间的防火距离应采用较大值高架罐的间距不应小于0.6米第4.1.5条对于单罐容量不大于300立方米总容量不大干1500立方米立式罐的油罐组油罐可集中布置其油罐之间的距离可根据施工和操作要求确定第4.1.6条地上油罐与半地下油罐(包括带水平通道无密封门的覆土油罐)的油罐组均应设防火堤防火堤应符合下列要求一防火堤应采用非燃烧材料建造防火堤的实高应比计算高度高出0.2米立式油罐的防火堤实高不应低于1米且不宜高于 1.6米卧式油罐的防火堤实高不应低于0.5米如采用土质防火堤堤顶宽度不应小于0.5米二防火堤应能承受所容纳油品的静压力三油罐组防火堤的人行踏步不应少于两处四严禁在防火堤上开洞第4.1.7条立式油罐至防火堤内坡脚线的距离不应小于罐壁高度的一半卧式油罐至防火堤内坡脚线的距离不应小于3米第4.1.8条防火堤内的有效容量应符合下列规定一对于固定顶油罐不应小于油罐组内一个最大油罐的容量二对于浮顶油罐或内浮顶油罐不应小于油罐组内一个最大油罐容量的一半三当固定顶油罐与浮顶油罐或内浮顶油罐布置在同一油罐组内时应取以上两款规定的较大值四半地下油罐的防火堤内的有效容量规定同上但油罐容量应按其高出地面部分的容量计算第4.1.9条当油罐组内油罐的总容量大于20000立方米且油罐座数多于两个时防火堤内应设隔堤隔堤顶应比防火堤顶低0.2至0.3米三四级石油库的油耀组防火堤内是否设置隔提应根据地形条件油品性质和消防能力进行综合考虑确定第4.1.10条管线穿过防火堤处必须采用非燃烧材料严密填实第4.1.11条油罐的进油管应从油罐下部接入如需要从油罐上部接入时甲乙丙 A类油品的进油管应延伸到油罐的底部第4.1.12条油罐均应装设进出油接合管排污孔放水管人孔采光孔和量油孔等基本附件储存甲乙类油品和轻柴油的固定顶油罐必须装设阻火器和呼吸阀储存丙类油品的固定顶油罐应装设通气管油罐应设梯子和栏杆高度大于5米的立式油罐应采用盘梯或斜梯拱顶油罐罐顶上经常走人的地方应设防滑踏步第4.1.13条地上油罐的基础面宜高出设计地坪0.5米2.人工洞石油库油罐区第4.2.1条同一个贯通式巷道内的油罐总容量不应大于100000立方米油罐不宜多于15座同一个尽头式巷道内的油罐总容量不应大于40000立方米油罐不宜多于6座储存丙B类油品的油罐座数可不受此限第4.2.2条人工洞内油罐室之间的距离不宜小于相邻较大油罐室毛洞的直径第4.2.3条油罐顶与油罐室顶内表面的距离不应小于1.2米油罐壁与油罐室壁内表面的距离不应小于0.8米油罐壁与油罐室防爆墙的距离不应小于1.5米第4.2.4条人工洞石油库主巷道衬砌后的净宽不应小于3米边墙的高度不应小于2.2米主巷道的纵向坡度不宜小于千分之五第4.2.5条人工洞石油库主巷道的口部和油罐室防爆墙上应根据抗爆等级设相应的防护门和密闭门5.油泵房第5.0.1条油泵的类型和规格应根据输送油品的性质设计流量经计算确定并应使油泵经常处于高效区工作第5.0.2条油泵房宜建地上式如采用离心泵泵中心宜低于罐底标高第5.0.3条备用油泵的设置应符合下列要求一连续输送同一种油品的泵当操作油泵不多于三台时备用油泵应设一台当操作油泵多于三台时备用油泵不应多于两台二经常操作但不连续运转的油泵不宜专设备用油泵可与输送性质相近的油品的泵互为备用或共设一台备用油泵三不经常操作的油泵不应设置备用油泵第5.0.4条油泵应选用性能良好的轴封装置第5.0.5条电动往复泵螺杆泵和齿轮泵等容积式泵的出口管线必须设安全阀 (泵本身带有安全阀者除外) 蒸汽往复泵的出口压力如有可能大于管线管件及与泵出口相连的设备所能承受的压力时其出口管线上亦必须设安全阀安全阀的放空管应接至泵的入口管线上第5.0.6条泵机组的布置应符合下列要求一泵机组单排布置时原动机端部至墙(柱)的净距不直小于1.5米二相邻泵矾组机座之间的净距不应小于较大泵机组机座宽度的1.5倍第5.0.7条油泵房应设外开门且不宜少于两个建筑面积小于60平方米的油泵房可设一个外开门第5.0.8条油泵房内的人行过桥管线支架的材料应选用非燃烧材料6.装卸油品设施1.铁路装卸油品设施第6.1.1条铁路装卸油品作业线应符合下列规定一作业线的车位数应按油品运输量计算确定二作业线应为尽头式其终端车位的末端至车挡的安全距离应为20米三作业线应为平直线四装卸油品栈桥只应在作业线的一侧设置第6.1.2条装卸油品作业线中心线至库内非罐车铁路装卸作业线中心线的安中距离应符合下列规定一装卸甲乙类油品的不应小于20米二装卸丙类油品的不应小于10米第6.1.3条装卸油品作业线中心线至库内道路(消防道路除外)的距离不应小于10米第6.1.4条铁路装卸油品栈桥的桥面宜高出轨面3.5米栈桥上应设安全栏杆在栈桥的两端和沿栈桥每隔60至80米处应设上下栈桥的梯子第6.1.5条装卸油鹤管距石油库围墙的铁路大门不应小于20米第6.1.6条汽油煤油轻柴油等油品的装卸作业线与重油润滑油等油品的装卸作业线宜分开设置当合用一条线时其相邻鹤管之间的安全距离不宜小于24米第6.1.7条桶装油品装卸作业线可与散装油品装卸作业线合用作业线上的桶装油品车位至相邻散装油品车位的净距不应小于10米第6.1.8条桶装油品装卸站台的顶面应高于轨面11米站台边缘至铁路作业线中心线的距离不应小于1.75米第6.1.9条卸油设施的零位罐距卸油作业线中心线不应小于6米零位罐的总容量不应大于一次卸车量第6.1.10条从下部接卸铁路油罐车的卸油系统应采用密闭式管道系统第6.1.11条铁路中心线至石油库围墙的铁路大门边缘的距离有附挂调车作业时不应小于3.2米无附挂调车作业时不应小于2.44米第6.1.12条铁路中心线至装卸油品暖库大门边缘的距离不应小于2米暖库大门的净空高度(自轨面算起) 不应小于5米第6.1.13条铁路装卸油作业线的中心线与装卸油栈桥边缘的距离自轨面算起3米以下不应小于2米3米以上不应小于1.75米在无栈桥一测其中心线与其它建筑物或构筑物的B巨离露天场所不应小于3.5米非露天场所不应小于2.44米注非露天场所系指在库房敞棚或山洞内的场所铁路装卸油作业线中心线与其它建筑物或构筑物的距离尚应符合表3.0.3的规定第6.1.14条两条铁路作业线共用一座栈桥或一排鹤管时两条作业线中心线的距离不宜大于6米第6.1.15条相邻两装卸油品栈桥之间两条铁路装卸油作业线中心线的距离应符合下列规定一当二者或其中之一用于甲乙类油品时不应小于10米二当二者都用于装卸丙类油品时不应小于6米第二节装卸油品码头第6.2.1条内河装卸油品码头应建在其它相邻码头或建筑物构筑物的下游如确有困难时在设有可靠的安全设施条件下亦可建在上游第6.2.2条海港 (包括河口港)装卸油品码头不宜与其它码头建在同一港区水域内如确有困难时在设有可靠的安全设施条件下亦可建在同一港区水域内第6.2.3条装卸油品码头至其它相邻码头或建筑物构筑物的安全距离不应小于表6.2.3的规定表6.2.3 装卸油品码头至其它相韶码头或建筑物构筑物的安全距离━━━━━━━━━━━━━━━┯━━━━━━━━┯━━━━━━━装卸油品码头位置│油品类别│安全距离(米)───────────────┼────────┼───────沿海河口│甲乙│ 300│丙│ 200───────────────┼────────┼───────内河其它码头或建筑物│甲乙│ 150构筑物的下游│丙│ 100───────────────┼────────┼───────内河其它码头或建筑物│甲乙│ 300构筑物的上游│丙│ 200───────────────┼────────┼───────内河大型船队锚地固定停泊│甲乙│ 1000场城市水源取水口的上游│丙│━━━━━━━━━━━━━━━┷━━━━━━━━┷━━━━━━━注装卸油品码头与其它相邻码头的距离系指相邻两码头所停靠设计船型首尾间的净距受潮流影响产生往复流的河段属河口范围停靠小于500吨油船的码头距离可减少50%第6.2.4条装卸油品码头相邻两泊位间的安全距离应符合下列规定一长度小于或等于150米的机动船舶不应小了两泊位中较大设计船型总长度的0.2倍二长度大于150米的机动船舶和非机动船舶不应小于两泊位中较大设计船型总长度的0.3倍注船舶在码头内外档停靠时可不受此限第6.2.5条内河或海港的装卸油品调头宜设独立的作业区第6.2.6条码头的装卸油品设施应与设计船型的装卸能力相适应第6.2.7条停靠需要排放压舱水或洗舱水油船的码头应设置接受压舱水或洗舱水的设施第6.2.8条装卸油品码头的建造材料应采用非燃烧材料(护舷设施除外)第6.2.9条码头上输油管线的阀门应采用钢阀输油管线在岸边的适当位置应设紧急关闭阀第七章输油及热力管线第7.0.1条输油及热力管线的管径和壁厚的选择应根据其流量进行计算并经技术经济比较后确定第7.0.2条管线的敷设应符合下列规定一石油库围墙以内的输油管线应地上敷设围墙以外的输油管线宜埋地敷设热力管线宜地上或管沟敷设二地上或管沟内的管线应敷设在管墩或管架上保温管线应设管托三输油管线的管沟在进入油泵房灌油间和油罐组防火堤处必须设隔断墙四埋地输油管线的管顶距地面在耕种地段不应小于0.8米在其它地段不应小于0.5米第7.0.3条地上或管沟内的管线以及埋地管线的出土端(包括局部管沟套管内的管线及非弹性敷设管线的转弯部分等可能产生伸缩的管段) 均应进行热应力计算并应采取补偿和锚固措施第7.0.4条管线穿越跨越库内铁路和道路应符合下列规定一管线穿越铁路和道路时其交角不宜小于60 并应敷设在涵洞或套管内亦可采取其它防护措施套管的两端伸出路基边坡不得小于2米路边有排水沟时仲出水沟边不应小于 1米套管顶距铁路轨面不应小于0.8米距道路路面不应小于0.6米二管线跨越行驶蒸汽机车和内燃机车的铁路时轨面以上的净空高度不应小于5.5米管线路越道路时路面以上的净空高度不应小于4.5米管架立枝边缘距铁路不应小于3米距道路不应小于 l米三管线的穿越跨越段上不得装设阀门波纹管或套筒补偿器法兰螺纹接头等附件第7.0.5条管线与铁路或道路平行布置时其凸出部分距铁路不应小于3.5米(装卸油品栈桥下面的管线除外) 距道路路肩不应小于 1米第7.0.6条管线应采用焊接连接有特殊需要的地方可采用法兰连接但应便于检查和维修第7.0.7条在油罐液位下与油罐连接的各种管线上靠近油罐的第个阀门应采用钢阀第7.0.8条管线的防护应附合下列规定一钢管及其附件的外表面必须涂刷防腐涂层埋地钢管尚应采取防腐绝缘或其它防护措施二输送易凝油品的管线应采取防凝措施管线的保温层外应设良好的防水层三不放空不保温的地上输油管线应在适当位置采取泄压措施第八童油品灌装及桶装油品库房第一节油品灌装第8.1.1条油品灌装可采用储油罐直接自流灌装泵送灌装或高架罐灌装等方式有地形高差可利用时宜采用储油罐直接自流灌装方式油品灌装应采用流量计(表)计量润滑油也可采用秤计量第8.1.2条汽油煤油和轻柴油等油品的灌装流速不宜大于4.5米秒第8.1.3条油品灌装时间应符合下列规定一灌装200升油桶时汽油煤油和轻柴油等油风宜为1分钟润滑油宜为3分钟二灌装4000升汽车油罐车汽油煤油和轻柴油等油品不应大于8分钟第8.1.4条油品灌装场所的设计应符合下列要求。
石油库设计规范(修订本)中华人民共和国国家标准GBJ74一84主编部门:中国石油化工总公司中华人民共和国石油工业部批准部门:中华人民共和国国家计划委员会施行日期:1995年10月1日第一章总则第1.0.1条石油库设计必须贯彻执行国家有关的方针政策,做到技术先进,经济合理,生产安全,管理方便,确保油品质量,减少油品损耗,防止污染环境,节约用地和节约能源。
第1.0.2条本规范适用于石油库新建和扩建工程的设计。
本规范不适用于下列石油库的设计:一、总容量小于500立方米的石油库;二、地下水封式石油库;三、自然洞石油库;四、使用期限少于5年的临时性石油库。
本规范亦不适用于生产装置内部的储油设施的设计。
第1.0.3条石油库设计除执行本规范外,尚应符合国家现行的有关标准和规范的要求。
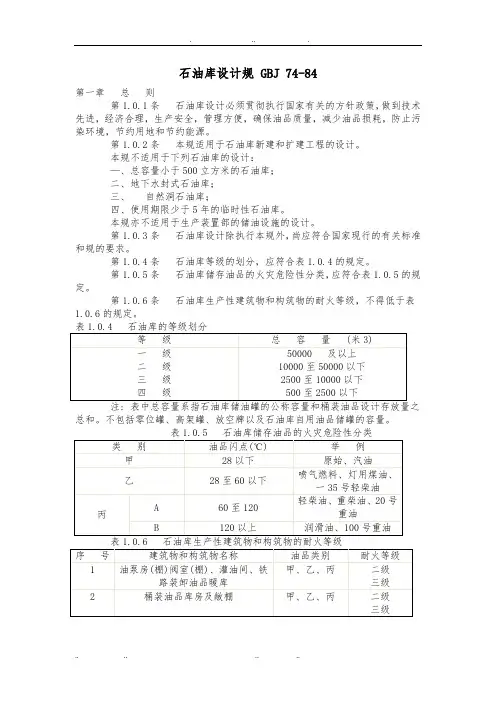
第1.0.4条石油库等级的划分,应符合表l.0.4的规定。
石油库等级划分表l.0.4第1.0.5条石油库储存油品的火灾危险性分类,应符合表1.0.5的规定。
石油库储存油品的火灾危险性分类表1.0.5第1.0.6条石油库内生产性建筑物和构筑物的耐火等级,不得低于表1.0.6的规定。
石油库内生产性建筑物和构筑物的耐火等级表1.0.6第二章库址选择第2.0.1条石油库的库址,应选在交通方便的地方。
以铁路运输为主的石油库,应靠近有条件接轨的地方;以水运为主的石油库,应靠近有条件建设装卸油品码头的地方。
第2.0.2条储存原油、汽油、煤油、柴油等大宗油品的石油库的库址选择,应考虑产、运、销的关系和国家有关部门制定的油品运输流向。
第2.0.3条为城镇服务的商业石油库的库址,在符合城镇环境保护与防火安全要求的条件下,应靠近城镇。
第2.0.4条企业附属石油库的库址选择,应结合该企业主体工程统一考虑,并应符合城镇或工业区规划、环境保护与防火安全的要求。
第2.0.5条石油库的库址应具备良好的地质条件,不得选在有土崩、断层、滑坡、沼泽、流沙及泥石流的地区和地下矿藏开采后有可能塌陷的地区。
标准名称:石油库设计规范GBJ 74-84标准编号:GBJ 74-84标准正文:第一章总则第条石油库设计必须贯彻执行国家有关的方针政策,做到技术先进,经济合理,生产安全,管理方便,确保油品质量,减少油品损耗,防止污染环境,节约用地和节约能源。
第条本规范适用于石油库新建和扩建工程的设计。
本规范不适用于下列石油库的设计:—、总容量小于500立方米的石油库;二、地下水封式石油库;三、自然洞石油库;四、使用期限少于5年的临时性石油库。
本规范亦不适用于生产装置内部的储油设施的设计。
第条石油库设计除执行本规范外,尚应符合国家现行的有关标准和规范的要求。
第条石油库等级的划分,应符合表的规定。
第条石油库储存油品的火灾危险性分类,应符合表的规定。
第条石油库内生产性建筑物和构筑物的耐火等级,不得低于表的规定。
表石油库的等级划分━━━━━━━━━━━━━━┯━━━━━━━━━━━━━━等级│总容量 (米^3)──────────────┼──────────────一级│ 50000 及以上二级│ 10000至50000以下三级│ 2500至10000以下四级│ 500至2500以下━━━━━━━━━━━━━━┷━━━━━━━━━━━━━━注: 表中总容量系指石油库储油罐的公称容量和桶装油品设计存放量之总和。
不包括零位罐、高架罐、放空牌以及石油库自用油品储罐的容量。
表石油库储存油品的火灾危险性分类━━━━━━┯━━━━━━━━┯━━━━━━━━━━━━━━━━━类别│油品闪点(℃) │举例──────┼────────┼─────────────────甲│ 28以下│原始、汽油──────┼────────┼─────────────────乙│28至60以下│喷气燃料、灯用煤油、一35号轻柴油───┬──┼────────┼─────────────────│ A │ 60至120 │轻柴油、重柴油、20号重油├──┼────────┼─────────────────丙│ B │ 120以上│润滑油、100号重油━━━┷━━┷━━━━━━━━┷━━━━━━━━━━━━━━━━━表石油库内生产性建筑物和构筑物的耐火等级━━━━┯━━━━━━━━━━━━━━━━━━━━━┯━━━━┯━━━━序号│建筑物和构筑物名称│油品类别│耐火等级────┼─────────────────────┼────┼──── 1 │油泵房(棚)阀室(棚)、灌油间、铁路装卸油│甲、乙│二级│品暖库│丙│三级────┼─────────────────────┼────┼────2 │桶装油品库房及敞棚│甲│二级││乙、丙│三级────┼─────────────────────┼────┼──── 3 │化验室、计量室、仪表间、变配电间、修洗│││桶间、汽车油罐车库、润滑油再生间、柴油发电││二级│机间、空气压缩机间、铁路装卸油品栈桥、高架│││罐支座(架)││────┼─────────────────────┼────┼──── 4 │机修间、器材库、水泵房││三级━━━━┷━━━━━━━━━━━━━━━━━━━━━┷━━━━┷━━━━第二章库址选择第条石油库的库址,应选在交通方便的地方。
油库安全一:油库安全的主要内容油库安全主要是防止油库发生油库安全事故,主要内容有:防火防爆、防静电、防雷、防中毒、防跑油冒油、防设备损坏等。
防火防爆是重点,防静电、防雷、防跑油冒油都是为防火防爆做技术保障。
防火防爆就是阻止发生油料火灾事故、有料及油蒸气爆炸事故。
火灾爆炸事故是油库最易发生而且是最具威胁的事故,也是其他事故最容易引发的次生灾害,它不仅造成严重的有料损失和重大的设备损坏,而且更严重威胁到人民的生命安全。
从大的方面讲,它不仅造成严重的经济损失,更会造成难以挽回的政治影响。
因此,油库安全必须把防止火灾爆炸事故作为重点工作来抓。
防静电就是减少静电的积聚,加快静电的流失,杜绝发生由于静电火花引燃、引爆油料及油蒸气而引发的火灾爆炸事故。
防静电的最终目的还是防火防爆。
防雷就是防止雷击造成人员的各种伤害,防止雷电对油库设备造成雷击而发生类似黄岛油库的火灾爆炸事故。
防中毒主要是避免工作人员因吸入有毒的油蒸气而发生油料中毒事故。
防跑油冒油就是防止由于人员操作不当、设备故障而造成的油料从油料管线跑出或油料从油罐等容器的出口冒出,进而发生油料损失、污染环境等事故。
防跑油冒油更重要的是防止油料失控而造成的油料火灾爆炸事故。
防设备损坏主要是防止人员操作失误或油库安全设备故障而造成油罐吸瘪或胀裂。
二、油料的燃烧特性油料是一种挥发性强、易燃烧的有毒液体,它的着火和爆炸的危险性与油料的闪点、燃点、自燃点和爆炸极限有关。
下面我们就一起探讨一下这几个概念。
(1)闪点在实验条件下,油品表面的蒸气和空气混合后,当达到一定浓度时遇到火源就会发生一闪即灭的燃烧,这种一闪即灭的燃烧现象就叫闪燃,而发生闪燃的最低温度就是油品的闪点。
下面表格内容就是几种常见油品的闪点:几种常见油品的闪点从安全角度看,闪燃就是火险的警告,是着火的前奏,所以闪点是表示油品燃烧难易程度的重要标志,闪点越低,油品就越容易燃烧,油品着火的危险性越大。
因此,对闪点越低的油品,在油品的储运、保管中必须采取更为严格的安全措施。
消防技术标准规范目录汽车库设计防火规范(GBJ67一84)石油库设计规范(GBJ74一84)自动喷水灭火系统施工及验收规范自动喷淋灭火系统施工及验收规范条文解释建筑设计防火规范(GBJ16一87)人民防空工程设计防火规范(GBJ98一87)气体自动灭火系统施工及验收规范气体自动灭火系统施工及验收规范条文解释火灾自动报警系统设计规范(GBJ 116一88)火灾自动报警系统设计规范条文解释建筑灭火器配置设计规范(GBJ140一90)氧气站设计规范(GB 50030一91)乙炔站设计规范(GB 50031一91)爆炸和火灾危险环境电力装置设计规范(GB 50058一92)低倍数泡沫灭火系统设计规范(GB 50151一92)地下及覆土火药炸药仓库设计安全规范(GB 50154一92)小型石油库及汽车加油站设计规范(GB 50156一92)地下铁道设计规范(GB 50157一92)石油化工企业设计防火规范(GB 50160一92)烟花爆竹工厂设计安全规范(GB 50161一92)卤代烷1301灭火系统设计规范(GB 50163一92)火灾自动报警系统施工及验收规范火灾自动报警系统施工及验收规范条文解释高倍数、中倍数泡沫灭火系统设计规范(GB 50196一93)小型火力发电厂设计规范(GB 50049一94)建筑物防雷设计规范(GB 50057一94)二氧化碳灭火系统设计规范(GB 50193一93)发生炉煤气站设计规范(GB 50195一94)输气管道工程设计规范(GB 50251一94)输油管道工程设计规范(GB 50253一94)高层民用建筑设计防火规范(GB 50045-95)水喷雾灭火系统设计规范(GB 50219一95)建筑内部装修设计防火规范(GB 50222一95)水利水电工程设计防火规范(SDJ 278一90)城镇燃气设计规范电子计算机房设计规范玻璃幕墙工程技术规范火力发电厂与变电所设计防火规范消防技术标准目录GB 3265一s82 内扣式消防接口型式和基本参数GB 3266一82 内扣式消防接口通用技术条件GB 3445一82 室内消火栓GB 3446一82 消防水泵接合器GB4065一83 二氟一氯一溴甲烷灭火剂GB 4066一83 碳酸氢钠干粉灭火剂GB 4327一84 消防设施图形符号GB 4351一84 手提式灭火器通用技术条件GB 4395一84 化学泡沫灭火器用灭火剂GB 4396一84 二氧化碳灭火剂GB 4397一84 手提式1211灭火器GB 4398一84 手提式清水灭火器GB 4399一84 手提式二氧化碳灭火器GB 4400一84 手提式化学泡沫灭火器GB 4401一84 手提式酸碱灭火器GB 4402一84 手提式干粉灭火器GB 4452.1一84 地上消火栓GB 4452.2一84 地下消火栓GB 4452.3一84 地上地下消火栓通用技术条件GB 4453一84 消火栓连接器GB 4580一84 无衬里消防水带GB 4715一84 点型感烟火灾探测器技术要求及试验方法GB 4716一84 点型感温火灾探测器技术要求及试验方法GB 4717一84 火灾报警控制器通用技术条件GB 4718一84 火灾报警设备专业名词术语GB 4968一85 火灾分类GB 5135一85 自动喷水灭火系统洒水喷头的性能要求和试验方法GB 5136一85 自动喷水灭火系统产品系列型谱和型号编制方法GB 5332一85 可燃液体和气体引燃温度试验方法GB 5464一85 建筑材料不燃性试验方沦GB 6051一85 三氟一溴甲烷灭火剂(1301灭火剂)ZB C 8100-84 火灾报警设备图形符号ZB C 81001一84 火灾探测器产品型号编制方法ZB C 81002一84 火灾报警控制器产品型号编制方法ZB C 84001一84 高倍数泡沫灭火剂技术条件ZB C 84002一84 高倍数泡沫灭火剂试验方法ZB C 84003一84 消防腰斧ZB G 51001一85 防火涂料防火性能试验方法大板燃烧法ZB G 5l002一85 防火涂料防火性能试验方法隧道燃烧法ZB G 51003-85 防火涂料防火性能试验方法小室燃烧法ZB G 5l004一85 防火涂料防火性能分级标准GN 11一82 消防产品型号编制方法GN 13一82 蛋白泡沫灭火剂和氟蛋白泡沫灭火剂技术条件GN 14一82 蛋白泡沫灭火剂和氟蛋白泡沫灭火剂试验方法GN 15-82 梁、板和非承重建筑构件耐火试验方法GN 29一81 消防用小型汽油机台架试验方法GB 5907一86 消防基本术语第一部分GB 5908一86 石油储罐阻火器阻火性能和试验方法GB 6244一86 消防车通用底盘系列、型式、基本参数和技术要求GB 6245一86 车用消防泵性能要求和试验方法GB 6246一86 有衬里消防防水带性能要求和试验方法GB 6969一86 消防吸水胶管性能要求和试验方法GB 7633一87 门和卷帘的耐火试验方法GB 7634一87 石油及有关产品低闪点的测定快速平衡法GB 7956一87 消防车消防性能要求和试验方法GB 8108一87 车用电子警报器性能要求及试验方法GB 8l99一87 推车式灭火器性能要求和试验方法GB 8l8l一87 消防水枪性能要求和试验方法GB 8624一88 建筑材料燃烧性能分级方法GB 8625一88 建筑材料难燃性试验方法GB 8626一88 建筑材料可燃性试验方法GB 8627一88 建筑材料燃烧或分解的烟密度试验方法GB 9978一88 建筑构件耐火试验方法ZB c 84004一86 消防梯ZB c 84005一87 举高消防车型式基本参数ZB C 84006一87 磷酸铵盐干粉灭火剂ZB C 84007一88 蛋白泡沫灭火剂和氟蛋白泡沫灭火剂GB 795一89 卤代烷灭火系统容器阀性能要求和试验方法GB 796一89 卤代烷灭火系统喷嘴性能要求和试验方法GB 797一89 自动喷水灭火系统湿式报警阀的性能要求和试验方法GB 803一89 空气中可燃气体爆炸指数的测定GB 4395一92 化学泡沫灭火器用灭火剂GB I244l一90 饰面型防火涂料通用技术条件GB/T 12474一90 空气中可燃气体爆炸极限测定方法GB 12513一90 镶玻璃构件耐火试验方法GB 12514一90消防接口性能要求和试验方法GB 12515一90 手提贮压式干粉灭火器GB 12553一90 消防船消防性能要求和试验方法GB 12791一91 点型紫外火焰探测器性能要求及试验方法GB 12955一91 钢质防火门通用技术条件GB I2978一91 火灾报警设备检验规则GB 13347一92 石油气体管道阻火器阻火性能和试验方法GB 13365一92 机动车排气火花熄灭器性能要求和试验方法GB 13463一92抗溶性泡沫灭火剂GB/T 13464一92 物质热稳定性的热分析试验方法GB 13495一92 消防安全标志GA 5一91 手动火灾报警按钮技术要求及试验方法GA 6一91 消防胶靴GA 7一9l 消防手套GA 10一91 消防员普通防护服性能要求及试验方法GA 11一91 分水器性能要求和试验方法GA 12一9l 集水器性能要求和试验方法GA 13一91 悬挂式卤代烷灭火装置性能要求与试验方法GA 14一91 消防用无线电话机技术要求和试验方法GA 15一91 手提式灭火器生产企业计量检测器具配备规范GA 29一92 消防用压力开关性能要求和试验方法GA 30一92 消防气压给水设备的性能要求和试验方法GA 3l一92 高倍数泡沫灭火剂GA 32一92 自动喷水灭火系统水流指示器的性能要求和试验方法GA 33一92 自动喷水灭火系统水雾喷头的性能要求和试验方法GA 34一92 消防湿水带技术条件GA 39.1一92 干粉消防车通用技术条件GA 39.2一92 泵浦消防车通用技术条件GB 3445一93 室内消火栓GB 3446一93 消防水泵接合器GB 4066一94 碳酸氢钠干粉灭火剂GB/T 4327一93 消防技术文件用消防设备图形符号GB 47l5一93 点型感烟火灾探测器技术要求及试验方法GB 4716一93 点型感温火灾探测器技术要求及试验方法GB 47l7一93 火灾报警控制器通用技术条件GB 5135一93 自动喷水灭火系统洒水喷头的技术要求和试验方法GB 14003一92 线型光束感烟火灾探测器技术要求及试验方法GB 14l0l一93 木质防火门通用技术条件GB 14102一93 钢质防火卷帘通用技术条件GB 14103一93 卤代烷灭火系统选择阀性能要求和试验方法GB 14104一93 卤代烷灭火系统单向阀的性能要求和试验方法GB 14105一93 卤代烷灭火系统阀驱动器性能要求和试验方法GB 14106一93 卤代烷灭火系统压力表性能要求和试验方法GB/T 14l07一93 消防基本术语第二部分GB 14287一93 防火漏电电流动作报警器GB/T 14288一93 可燃气体与易燃液体蒸气最小静电点火能测定方法GB 14402一93 建筑材料燃烧热值试验方法GB 14403一93 建筑材料燃烧释放热量试验方法GB 14523一93 建筑材料着火性试验方法GB 1456l一93 消火栓箱GB/T 14656一93 阻燃纸和纸板燃烧性能试验方法GB 14907一94 钢结构防火涂料通用技术条件GB 15060一94 磷酸铵盐干粉灭火剂GB 15090一94 消防软管卷盘GA 39.7一94 供水消防车通用技术条件GA/T 42.1一94 阻燃木材燃烧性能试验方法木垛法GA/T 42.2一94 阻燃木材燃烧性能试验方法火管法GA/T 43一92 碳酸氢钠干粉灭火剂质量分等GA 44一93 消防头盔GA 5l一93 灭火剂基本术语GA/T 52一93 蛋白泡沫灭火剂和氟蛋白泡沫灭火剂质量分等GA 54一93 消防应急照明灯具通用技术条件GA 6l一93 固定灭火系统驱动、控制装置通用技术条件GA/T 62一93 消火栓、消火栓连接器、消防水泵接合器、消防接口生产企业计量检测器具配备规范GA/T 65一94 消火栓产品质量分等GA/T 66一94 内扣式消防接口产品质量分等GA/T 67一94 消防水带生产企业计量检测器具配备规范GA/T 76一94 物质恒温稳定性的热分析试验方法GA 77.1一94 推车式1211灭火器GA 77.2一94 推车式化学泡沫灭火器GA 77.3一94 推车式干粉灭火器GA 78一94 悬挂式自动干粉灭火装置性能要求和试验方法GA 79一94 消防球阀性能要求和试验方法GA 80一94 自动喷水灭火系统加速器的性能要求和试验方法GA/T 81一94 消防枪型式和基本参数GB 3265-1995 内扣式消防接口GB 15308-94 泡沫灭火剂通用技术条件GB 15322-94 可燃气体探测器技术要求和试验方法GB 15368-94 手提式机械泡沫灭火器GB 15442.1-1995 饰面型防火涂料防火性能分级及试验方法防火性能分级GB/T 15442.2-1995 饰面型防火涂料防火性能分级及试验方法大板燃烧法GB/T 15442.3-1995 饰面型防火涂料防火性能分级及试验方法隧道燃烧法GB/T 15442.4-1995 饰面型防火涂料防火性能分级及试验方法小室燃烧法GB 15630-1995 消防安全标志设置要求GB 15631-1995 点型红外火焰探测器性能要求及试验方法GB/T 15662-1995 导电、防静电塑料体积电阻率测试方法GB/T 15929-1995 粉尘云最小点火能测试方法双层振动筛落法(积分计算能量)GB 15930-1995 防火阀试验方法GB 15931-1995 排烟防火阀试验方法GA 86-94 简易式灭火器GA 87-94 防火刨花板通用技术条件GA 88-94 消防隔热服性能要求及试验方法GA 89-94 消防安全带GA 90-94 手提式灭火器检验规则GA 91-1995 阻燃篷布通用技术条件GA 92-1995 灭火器压力指示器通用技术条件GA 93-1995 防火门用闭门器试验方法GA 95-1995 灭火器的维修和报废GA 96-1995 铺地纺织品静电性能参数及测量方法GA 97-1995 防火玻璃非承重隔墙通用技术条件GA 98-1995 预应力混凝土楼板防火涂料通用技术条件GA 107-1995 推车式二氧化碳灭火器GA 108-1995 手抬机动消防泵GA 109-1995 电梯层门耐火试验方法GA 110-1995 建筑构件防火喷涂材料性能试验方法GA 111-1995 表面材料的实体房间火试验方法GA 112-1995 建筑防火产品用电磁铁通用技术条件GA 113-1995 消火栓扳手GA 114-1995 消防车产品型号编制方法GB 4452-1996 室外消火栓通用技术条件GB/T 4718-1996 火灾报警设备专业术语GB/T 16172-1996 建筑材料热释放速率试验方法GB/T 16173-1996 建筑材料燃烧或热解发烟量的测定方法(双室法)GB 16279-1996 消防车定型试验规程GB 16280-1996 线型感温火灾探测器技术要求及试验方法GB 16281-1996 有线火警调度台技术要求和试验方法GB 16282-1996 119火灾报警系统通用技术条件GB/T 16283-1996 固定式灭火系统基本术语GB 16668-1996 干粉灭火系统部件通用技术条件GB 16669-1996 二氧化碳灭火系统及部件通用技术条件GB 16670-1996 柜式气体灭火装置性能要求和试验方法GA 124-1996 正压式消防空气呼吸器GA 125-1996 自动喷水灭火系统雨淋报警阀的性能和试验方法GA 126-1996 轻质薄型非透明防火隔墙技术条件GA 127-1996 家用可燃气体报警器技术要求及试验方法GA 128-1996 低压电气火灾模拟试验技术规程GA 131-1996 消防车产品质量定期检查试验规程GA 133-1996 金库门耐火等级及试验方法GA 136-1996 软垫家具易燃性的试验和分级方法GA 137-1996 消防梯通用技术条件GA 138-1996 消防斧GA 139-1996 灭火器箱GA 140-1996 消防指挥服。
石油库设计规范标准石油库设计规范(修订本)中华人民共和国国家标准GBJ74一84主编部门:中国石油化工总公司中华人民共和国石油工业部批准部门:中华人民共和国国家计划委员会施行日期:1995年10月1日第一章总则第1.0.1条石油库设计必须贯彻执行国家有关的方针政策, 做到技术先进,经济合理,生产安全,管理方便,确保油品质量,减少油品损耗,防止污染环境,节约用地和节约能源。
第1.0.2条本规范适用于石油库新建和扩建工程的设计。
本规范不适用于下列石油库的设计:一、总容量小于500立方米的石油库;二、地下水封式石油库;三、自然洞石油库;四、使用期限少于5年的临时性石油库。
本规范亦不适用于生产装置内部的储油设施的设计。
第1.0.3条石油库设计除执行本规范外, 尚应符合国家现行的有关标准和规范的要求。
第1.0.4条石油库等级的划分,应符合表l.0.4的规定。
石油库等级划分表l.0.4第1.0.5条石油库储存油品的火灾危险性分类,应符合表1.0.5的规定。
石油库储存油品的火灾危险性分类表1.0.5第1.0.6条石油库内生产性建筑物和构筑物的耐火等级,不得低于表1.0.6的规定。
石油库内生产性建筑物和构筑物的耐火等级表1.0.6第二章库址选择第2.0.1条石油库的库址,应选在交通方便的地方。
以铁路运输为主的石油库,应靠近有条件接轨的地方;以水运为主的石油库,应靠近有条件建设装卸油品码头的地方。
第2.0.2条储存原油、汽油、煤油、柴油等大宗油品的石油库的库址选择,应考虑产、运、销的关系和国家有关部门制定的油品运输流向。
第2.0.3条为城镇服务的商业石油库的库址, 在符合城镇环境保护与防火安全要求的条件下,应靠近城镇。
第2.0.4条企业附属石油库的库址选择, 应结合该企业主体工程统一考虑,并应符合城镇或工业区规划、环境保护与防火安全的要求。
第2.0.5条石油库的库址应具备良好的地质条件,不得选在有土崩、断层、滑坡、沼泽、流沙及泥石流的地区和地下矿藏开采后有可能塌陷的地区。
专业的论文在线写作平台储罐区防火堤设计——防火堤的基本要求(3)
防火堤的根本目的是临时存放围堤内储罐的事故漏油,防止漏油到处流淌,因此,它的基本要求有两个:其一是防火堤有效容积应能容纳事故漏油;其二是防火堤的设计强度应能承受所纳油品的静压力。
简单地说,就是要满足“装得下”和“装得稳”的要求。
防火堤的有效容积在《建筑设计防火规范》(GBJ16-87,1997年版,以下简称《建规》)和《石油库设计规范》(GBJ74-84,以下简称《石规》都有明确规定:1.对于固定顶罐,不应小于最大罐容量;2.对于内、外浮顶罐,不应小于最大罐容量的一半;3.当固定顶罐与内、外浮顶罐布置在同一组时,取上述两款最大值;4.对于半地下油罐,规定同上,但油罐容量按其高出地面那部分与容量计算。
另外,《建规》和《石规》都规定,防火堤的实际高度(H)应比计算高度(Hj)高出0.2m,也就是说,防火堤的有效容积是指防火堤0.2m以下的实际容积,即H=Hj+0.2(m)。
四、严禁在防火堤上开洞。
第4.1.7条立式油罐至防火堤坡脚线的距离,不应小于罐壁高度的一半。
卧式油罐至防火堤坡脚线的距离,不应小于3米。
第4.1.8条防火堤的有效容量,应符合下列规定:一、对于固定顶油罐,不应小于油罐组一个最大油罐的容量。
二、对于浮顶油罐或浮顶油罐,不应小于油罐组一个最大油罐容量的一半。
三、当固定顶油罐与浮顶油罐或浮顶油罐布置在同一油罐组时,应取以上两款规定的较大值。
四、半地下油罐的防火堤的有效容量规定同上,但油罐容量应按其高出地面部分的容量计算。
第4.1.9条当油罐组油罐的总容量大于20000立方米,且油罐座数多于两个时,防火堤应设隔堤。
隔堤顶应比防火堤顶低0.2至0.3米。
三、四级石油库的油耀组防火堤是否设置隔提,应根据地形条件、油品性质和消防能力进行综合考虑确定。
第4.1.10条管线穿过防火堤处,必须采用非燃烧材料严密填实。
第4.1.11条油罐的进油管,应从油罐下部接入;如需要从油罐上部接入时,甲、乙、丙 A类油品的进油管应延伸到油罐的底部。
第4.1.12条油罐均应装设进出油接合管、排污孔、放水管、人孔、采光孔和量油孔等基本附件。
储存甲、乙类油品和轻柴油的固定顶油罐,必须装设阻火器和呼吸阀;储存丙类油品的固定顶油罐,应装设通气管。
油罐应设梯子和栏杆。
高度大于5米的立式油罐,应采用盘梯或斜梯。
拱顶油罐罐顶上经常走人的地方,应设防滑踏步。
第4.1.13条地上油罐的基础面,宜高出设计地坪0.5米。
第二节人工洞石油库油罐区第4.2.1条同一个贯通式巷道的油罐总容量,不应大于100000立方米;油罐不宜多于15座。
同一个尽头式巷道的油罐总容量,不应大于40000立方米;油罐不宜多于6座。
储存丙B类油品的油罐座数,可不受此限。
第4.2.2条人工洞油罐室之间的距离,不宜小于相邻较大油罐室毛洞的直径。
第4.2.3条油罐顶与油罐室顶表面的距离,不应小于1.2米;油罐壁与油罐室壁表面的距离,不应小于0.8米。
J石油库设计规范 The latest revision on November 22, 2020标准名称:石油库设计规范 GBJ 74-84标准编号: GBJ 74-84标准正文:第一章总则第条石油库设计必须贯彻执行国家有关的方针政策,做到技术先进,经济合理,生产安全,管理方便,确保油品质量,减少油品损耗,防止污染环境,节约用地和节约能源。
第条本规范适用于石油库新建和扩建工程的设计。
本规范不适用于下列石油库的设计:—、总容量小于500立方米的石油库;二、地下水封式石油库;三、自然洞石油库;四、使用期限少于5年的临时性石油库。
本规范亦不适用于生产装置内部的储油设施的设计。
第条石油库设计除执行本规范外,尚应符合国家现行的有关标准和规范的要求。
第条石油库等级的划分,应符合表的规定。
第条石油库储存油品的火灾危险性分类,应符合表的规定。
第条石油库内生产性建筑物和构筑物的耐火等级,不得低于表的规定。
表石油库的等级划分━━━━━━━━━━━━━━┯━━━━━━━━━━━━━━等级│总容量 (米^3)──────────────┼──────────────一级│ 50000 及以上二级│ 10000至50000以下三级│ 2500至10000以下四级│ 500至2500以下━━━━━━━━━━━━━━┷━━━━━━━━━━━━━━注: 表中总容量系指石油库储油罐的公称容量和桶装油品设计存放量之总和。
不包括零位罐、高架罐、放空牌以及石油库自用油品储罐的容量。
表石油库储存油品的火灾危险性分类━━━━━━┯━━━━━━━━┯━━━━━━━━━━━━━━━━━类别│油品闪点(℃) │举例──────┼────────┼─────────────────甲│ 28以下│原始、汽油──────┼────────┼─────────────────乙│28至60以下│喷气燃料、灯用煤油、一35号轻柴油───┬──┼────────┼─────────────────│ A │ 60至120 │轻柴油、重柴油、20号重油├──┼────────┼─────────────────丙│ B │ 120以上│润滑油、100号重油━━━┷━━┷━━━━━━━━┷━━━━━━━━━━━━━━━━━表石油库内生产性建筑物和构筑物的耐火等级━━━━┯━━━━━━━━━━━━━━━━━━━━━┯━━━━┯━━━━序号│建筑物和构筑物名称│油品类别│耐火等级────┼─────────────────────┼────┼──── 1 │油泵房(棚)阀室(棚)、灌油间、铁路装卸油│甲、乙│二级│品暖库│丙│三级────┼─────────────────────┼────┼──── 2 │桶装油品库房及敞棚│甲│二级││乙、丙│三级────┼─────────────────────┼────┼──── 3 │化验室、计量室、仪表间、变配电间、修洗│││桶间、汽车油罐车库、润滑油再生间、柴油发电││二级│机间、空气压缩机间、铁路装卸油品栈桥、高架│││罐支座(架)││────┼─────────────────────┼────┼────4 │机修间、器材库、水泵房││三级━━━━┷━━━━━━━━━━━━━━━━━━━━━┷━━━━┷━━━━第二章库址选择第条石油库的库址,应选在交通方便的地方。
油库设计与管理习题(石油大学)第一章概述1.油库的定义及其任务是什么?2.从管理体制,储油方式,运输方式三个方面将油库分为哪几种类型?它们各自的特点和业务性质有什么不同?3.油库为什么要分级和分区?具体是怎样划分的?4.油库容量是怎样确定的?选用油罐时应该注意些什么?5.什么叫周转系效?6.什么叫油罐的利用系数,名义容量,储存容量,作业容量?第二章油品储运系统工艺设计与管理1. 轻油装卸系统由哪几部分组成?各部分的功能是什么、有哪些设备?2.粘油装卸系统与轻油装卸系统有什么不同?3.铁路油罐车装卸方法有哪几种?各有什么特点?适用于什么情况下?4. 布置铁路装卸作业线有哪些要求?5.铁路作业线长度如何计算?6.铁路装卸油系统中,鹤管与集油管的连接方式有哪几种?输油管与集油管怎样连接?真空管与鹤管、输油管怎样连接?7.铁路车位数怎样确定?8.铁路装卸油鹤管数的确定,除了与车位数有关外,是否还与鹤管布置方式有关?9.公路发油设施有哪些?发油台有哪几种型式?10.简述汽车油罐车灌装的方法及流程.11. 公路发油鹤管数如何确定?12.什么叫油轮,油驳?13.油码头的种类有哪些?14.简述建造油码头的港湾或河域必须满足哪些条件?15.什么叫油库的工艺流程及工艺流程图?16.对于油库的工艺流程应满足什么样的要求?17.库区管网有哪几种布置方式? 各有何特点?其中最常用的布置方式是什么?18.油品为什么要进行分组? 分组的主要原则是什么?19.油库中经常用什么方法确定输油管线的直径?20.油库中常用的泵有哪几种? 各自的特点是什么?21.离心泵的选用一般要经过哪几个步骤?22.什么是离心泵的汽蚀?23.离心泵不发生汽蚀的条件是什么?24.如何根据泵样本上提供的泵的允许汽蚀余量或允许吸上真空度来确定油库泵房中泵的安装高度?泵性能参数的换算问题应怎样考虑?25.怎样为泵选配原动机?26.怎样用图解法确定管路系统的工作点?27.图解法中如何碗定泵的流量、扬程?如何确定泵的排出口处的压力、泵的吸入口处的吸上真空度?如何确定各管段的流量?28.上卸系统中,吸入管路上某点的剩余压力的物理意义是什么?29.简述铁路上卸系统中汽阻的概念。
摘要近现代石油工业的快速进步和石油战略地位的不断提高,油库的建设也越来越重要。
油库是协调原油生产、原油加工、成品油供应及运输的纽带,是国家石油储备和供应的基地,也是我国现代化建设和军队后勤建设的重要组成部分。
在本次课程设计中我将对以下内容进行确定即设计:(5)装卸油泵及机组的型号及台数,输油管道的规格及泵房布置和桶装间布置;(6)油库的装卸能力;(10)计量系统设计;(16)装卸油泵房工艺流程图一张(2#图纸)。
本设计阐述了设计的相关理论,介绍了主要运用到的计算公式、计算过程和计算结果;设计内容主要包括了泵的工艺计算、泵的选型和泵的校核,管道规格计算以及选型等等,确保工艺设计的合理、且完全满足任务书规定的收发油及储存作业要求。
关键词:泵房工艺管道规格装卸能力计量系统目录摘要 (Ⅰ)1绪论 (1)1.1 设计原则 (1)1.2 设计规范 (1)2设计参数 (2)2.1 基本参数 (2)2.2 设计要求 (2)3输油管道的规格 (3)3.1 油品流速的确定 (3)3.2 输油管道设计 (4)3.2.1输油管径 (4)3.2.2管道材质 (5)4 装卸油泵及机组的型号及台数 (6)4.1管线计算长度的确定 (6)4.1.1鹤管的计算长度 (6)4.1.2集油管的计算长度 (6)4.1.3吸入管的计算长度 (7)4.1.4排出管的计算长度 (7)4.2阻力损失计算 (7)4.2.1鹤管的阻力损失计算 (8)4.2.2集油管阻力损失计算 (8)4.2.3吸入管阻力损失计算 (8)4.2.4排出管阻力损失计算 (9)4.2.5管路总程摩阻损失 (9)4.3泵的扬程 (9)4.4泵型的选择 (9)5桶装间布置 (12)6油库的装卸能力 (13)6.1 装卸方式 (13)6.2 装卸能力 (13)7计量系统设计 (14)7.1油品计量方法 (14)7.2油品温度测量 (14)7.2.1温度计选型 (14)7.2.2测温位置 (15)7.3油品液面高度测定 (15)7.3.1自动测量仪表选定 (15) (15)7.4油品的密度t7.5流量计选型 (16)7.5.1质量流量计 (16)7.5.2椭圆齿轮流量计 (16)7.5.3腰轮流量计 (17)8结论 (18)9参考文献 (19)10附录 (20)1 绪论1.1 设计原则根据《油库设计与管理》等参考资料和课程设计任务书对油库的装卸油泵及机组的型号及台数、输油管道的规格及泵房布置和桶装间布置、油库的装卸能力以及计量系统进行合理的设计,对相关工艺设备进行了设计与选型计算。
石油产品库房的防火防爆设施的安全规定范文1、用于贮存桶装油品的库房应符合《石油库设计规范》(GBJ74—84)和《建筑设计防火规范》(GBJ16--87)的要求,不准随意使用不符合条件的空房贮存。
2、库房主要依靠自然通风,屋顶设拔风筒和风帽。
寒区的拔风筒应加防寒挡板。
库房的油气浓度不应大于300毫克/平方米。
3、库房宜采用半固定消防设施,库房靠一侧____米内,装有不冻消火栓,供水量按15升/秒(l/s)计算配置。
4、根据规范确定配备灭火器材的类型、规格、数量以及设置的位置。
5、按____平方米建筑面积,在适宜的位置设____平方米沙箱____个、铁锹____把、石棉毡5块,面积增加时数量相应增加。
6、大型和重要的桶装库,应配置自动报警、通讯和事故照明等设施。
7、桶装库分间保管时,应根据闪点高低分类保管,分类范围是28℃以下、29-45℃、46-59℃、60-120℃、120℃。
对45℃以下的易燃油品应存放在建筑物耐火等级高、通风条件、安全距离、扑救与疏散等条件较好的库房,禁止混存。
石油产品库房的防火防爆设施的安全规定范文(2)第一章总则第一条根据国家相关法律法规和行业规范,制定本规定,以确保石油产品库房的防火防爆设施的安全运行,保障库房人员和财产的安全。
第二条石油产品库房的防火防爆设施应当按照国家有关标准和规范进行设计、建设和使用。
第三条石油产品库房的防火防爆设施的安全负责人应当具备相应的资质和经验,负责设施的管理和维护。
第四条石油产品库房的防火防爆设施的使用和管理应当按照本规定进行,相关人员应当接受相应的培训。
第二章设施建设和验收第五条石油产品库房的防火防爆设施的建设应当按照国家有关标准和规范进行,包括但不限于防火墙、防火门、防火隔离、防爆电气设备等。
第六条石油产品库房的防火防爆设施建设完工后,应当进行验收。
验收应当由相关部门或专业机构进行,并出具相应的验收合格证明。
第七条石油产品库房的防火防爆设施建设完工后,应当进行设施投入运行前的试运行。
标准名称:石油库设计规范GBJ 74-84标准编号:GBJ 74-84标准正文:第一章总则第条石油库设计必须贯彻执行国家有关的方针政策,做到技术先进,经济合理,生产安全,管理方便,确保油品质量,减少油品损耗,防止污染环境,节约用地和节约能源。
第条本规范适用于石油库新建和扩建工程的设计。
本规范不适用于下列石油库的设计:—、总容量小于500立方米的石油库;二、地下水封式石油库;三、自然洞石油库;四、使用期限少于5年的临时性石油库。
本规范亦不适用于生产装置内部的储油设施的设计。
第条石油库设计除执行本规范外,尚应符合国家现行的有关标准和规范的要求。
第条石油库等级的划分,应符合表的规定。
第条石油库储存油品的火灾危险性分类,应符合表的规定。
第条石油库内生产性建筑物和构筑物的耐火等级,不得低于表的规定。
表石油库的等级划分━━━━━━━━━━━━━━┯━━━━━━━━━━━━━━等级│总容量 (米^3)──────────────┼──────────────一级│ 50000 及以上二级│ 10000至50000以下三级│ 2500至10000以下四级│ 500至2500以下━━━━━━━━━━━━━━┷━━━━━━━━━━━━━━注: 表中总容量系指石油库储油罐的公称容量和桶装油品设计存放量之总和。
不包括零位罐、高架罐、放空牌以及石油库自用油品储罐的容量。
表石油库储存油品的火灾危险性分类━━━━━━┯━━━━━━━━┯━━━━━━━━━━━━━━━━━类别│油品闪点(℃) │举例──────┼────────┼─────────────────甲│ 28以下│原始、汽油──────┼────────┼─────────────────乙│28至60以下│喷气燃料、灯用煤油、一35号轻柴油───┬──┼────────┼─────────────────│ A │ 60至120 │轻柴油、重柴油、20号重油├──┼────────┼─────────────────丙│ B │ 120以上│润滑油、100号重油━━━┷━━┷━━━━━━━━┷━━━━━━━━━━━━━━━━━表石油库内生产性建筑物和构筑物的耐火等级━━━━┯━━━━━━━━━━━━━━━━━━━━━┯━━━━┯━━━━序号│建筑物和构筑物名称│油品类别│耐火等级────┼─────────────────────┼────┼──── 1 │油泵房(棚)阀室(棚)、灌油间、铁路装卸油│甲、乙│二级│品暖库│丙│三级────┼─────────────────────┼────┼──── 2 │桶装油品库房及敞棚│甲│二级││乙、丙│三级────┼─────────────────────┼────┼──── 3 │化验室、计量室、仪表间、变配电间、修洗│││桶间、汽车油罐车库、润滑油再生间、柴油发电││二级│机间、空气压缩机间、铁路装卸油品栈桥、高架│││罐支座(架)││────┼─────────────────────┼────┼──── 4 │机修间、器材库、水泵房││三级━━━━┷━━━━━━━━━━━━━━━━━━━━━┷━━━━┷━━━━第二章库址选择第条石油库的库址,应选在交通方便的地方。
中华人民共和国国家标准石油库设计规范CodefordesignofoildepotGB50074-2002条文说明1.0.11.0.21122与1)23l)建设部关于本次对《石油库设计规范》、《小型石油库及汽车加油站设计规范》的修订文件中,同意把小型石油库的有关内容并入《石油库设计规范》中,这样既完善了《石油库设计规范》标准的内容,方便使用,也避免了大小油库两个标准的不协调、不一致之处;2)使石油库改建部分工程也有规范可以遵循;3)相关部门或行业的标准逐步健全,使得这些部门和行业的工程建设有了可遵循的国家标准规范。
这样,石油化工厂厂区内、长距离输油管道和油气田的油品储运设施的设计不再使用本规范;4)出于对安全的考虑,使用期限少于5年的临时性石油库也应该受标准规范的制约;5)本规范己不再适用于石油化工厂厂区内油品储运设施的设计,生产装置内部储油设施的设计使用规范的问题己不是本规范应该提及的问题了。
1.0.3这一条规定有两方面的含义:其一,《石油库设计规范》是专业性技术规范,其适用范围和它规定的技术内容,就是针对石油库设计而制定的,因此设计石油库应该执行《石油库设计规范》的规定。
在设计石油库时,如遇到其他标准与本规范在同一问题上作出的规定不一致的情况,执行本规范的规定。
2.0.1变。
3以下;年代2502.0.2B类,类油品2.0.3石油库内生产性建筑物和构筑物的耐火等级部分作了调整。
如铁路油品装卸栈桥和汽车油品装卸站台可以采用三级耐火等级,主要是针对铁路油品装卸栈桥和汽车油品装卸站台目前有相当多采用钢质结构的现状而提出的。
钢栈桥轻便美观,易于制作,但达不到二级耐火等级的要求;另一方面油品装卸栈桥(或站台)发生火灾造成严重损失的情况很少,故允许铁路油品装卸栈桥和汽车油品装卸站台耐火等级为三级是合理的。
2.0.4考虑到现在一些石油库有经营少量民用和车用液化石油气的需求,本规范在修订时增加了允许石油库储存少量液化石油气的条文。
标准名称:石油库设计规范GBJ 74-84标准编号:GBJ 74-84标准正文:第一章总则第1.0.1条石油库设计必须贯彻执行国家有关的方针政策,做到技术先进,经济合理,生产安全,管理方便,确保油品质量,减少油品损耗,防止污染环境,节约用地和节约能源。
第1.0.2条本规范适用于石油库新建和扩建工程的设计。
本规范不适用于下列石油库的设计:—、总容量小于500立方米的石油库;二、地下水封式石油库;三、自然洞石油库;四、使用期限少于5年的临时性石油库。
本规范亦不适用于生产装置内部的储油设施的设计。
第1.0.3条石油库设计除执行本规范外,尚应符合国家现行的有关标准和规范的要求。
第1.0.4条石油库等级的划分,应符合表1.0.4的规定。
第1.0.5条石油库储存油品的火灾危险性分类,应符合表1.0.5的规定。
第1.0.6条石油库内生产性建筑物和构筑物的耐火等级,不得低于表1.0.6的规定。
表1.0.4 石油库的等级划分━━━━━━━━━━━━━━┯━━━━━━━━━━━━━━等级│总容量(米^3)──────────────┼──────────────一级│50000 及以上二级│10000至50000以下三级│2500至10000以下四级│500至2500以下━━━━━━━━━━━━━━┷━━━━━━━━━━━━━━注: 表中总容量系指石油库储油罐的公称容量和桶装油品设计存放量之总和。
不包括零位罐、高架罐、放空牌以及石油库自用油品储罐的容量。
表1.0.5 石油库储存油品的火灾危险性分类━━━━━━┯━━━━━━━━┯━━━━━━━━━━━━━━━━━类别│油品闪点(℃) │举例──────┼────────┼─────────────────甲│28以下│原始、汽油──────┼────────┼─────────────────乙│28至60以下│喷气燃料、灯用煤油、一35号轻柴油───┬──┼────────┼─────────────────│A │60至120 │轻柴油、重柴油、20号重油├──┼────────┼─────────────────丙│B │120以上│润滑油、100号重油━━━┷━━┷━━━━━━━━┷━━━━━━━━━━━━━━━━━表1.0.6 石油库内生产性建筑物和构筑物的耐火等级━━━━┯━━━━━━━━━━━━━━━━━━━━━┯━━━━┯━━━━序号│建筑物和构筑物名称│油品类别│耐火等级────┼─────────────────────┼────┼────1 │油泵房(棚)阀室(棚)、灌油间、铁路装卸油│甲、乙│二级│品暖库│丙│三级────┼─────────────────────┼────┼────2 │桶装油品库房及敞棚│甲│二级││乙、丙│三级────┼─────────────────────┼────┼────3 │化验室、计量室、仪表间、变配电间、修洗│││桶间、汽车油罐车库、润滑油再生间、柴油发电││二级│机间、空气压缩机间、铁路装卸油品栈桥、高架│││罐支座(架)││────┼─────────────────────┼────┼────4 │机修间、器材库、水泵房││三级━━━━┷━━━━━━━━━━━━━━━━━━━━━┷━━━━┷━━━━第二章库址选择第2.0.1条石油库的库址,应选在交通方便的地方。
以铁路运输为主的石油库,应靠近有条件接轨的地方;以水运为主的石油库,应靠近有条件建没装卸油品码头的地方。
第2.0.2条储存原油、汽油、煤油、柴油等大宗油品的石油库的库址选择,应考虑产、运、销的关系和国家有关部门制定的油品运输流向。
第2.0.3条为城镇服务的商业石油库的库址,在符合城镇环境保护与防火安全要求的条件下,应靠近城镇。
第2.0.4条企业附属石油库的库址选择,应结合该企业主体工程统一考虑,并应符合城镇或工业区规划、环境保护与防火安全的要求。
第2.0.5条石油库的库址应具备良好的地质条件,不得选在有土崩、断层、滑坡、沼泽、流沙及泥石流的地区和地下矿藏开采后有可能塌陷的地区。
人工洞石油库的库址,应选在地质构造简单、岩性均一、石质坚硬与不易风化的地区,并宜避开断层和密集的破碎带。
第2.0.6条一、二级石油库的库址,不得选在地震基本烈度九度及以上的地区。
第2.0.7条当库址选定在靠近江河、湖泊或水库的滨水地段时,库区场地的最低设计标高,应高于计算最高洪水位0.5米。
当有防止石油库受淹的可靠措施,且技术经济合理时库址亦可选在低于计算最高洪水位的地段。
计算最高洪水位采用的洪水频率,应符合下列规定:一. 一、二级石油库不应低于1/50(即五十年一遇);二. 二、四级石油库不应低于1/25(即二十五年一遇)。
第2.0.8条石油库的库址,应具备满足生产、消防、生活所需的水源和电源的条件,还应具备排水的条件。
第2.0.9条石油库与周围居住区、工矿企业、交通线等的安全距离,不得小于表2.0.9的规定。
第2.0.10条石油库与飞机场的距离,应符合各级机场对净空的要求。
表2.0.9 石油库与周围居住区、工矿企业、交通线等的安全距离(米)━━━┯━━━━━━━━━━━━━━━┯━━━━━━━━━━━━━━━━━序号│名称│石油库等级│├─────┬─────┬─────││一级│二级│三、四级───┼───────────────┼─────┼─────┼─────1 │居住区及公共建筑物│100 │90 │802 │工矿企业│80 │70 │603 │国家铁路线│80 │70 │604 │工业企业铁路线│35 │30 │255 │公路│25 │20 │156 │国家一、二级架空通信线路│40 │40 │407 │架空电力线路和不属于国家一、二│1.5倍杆高│1.5倍杆高│1.5倍杆高│级的架空通信线路│││8 │爆破作业场地(如采石场) │300 │300 │300━━━┷━━━━━━━━━━━━━━━┷━━━━━┷━━━━━┷━━━━━注①序号1─7的距离,应从石油库的油罐区或装卸区算起,有防火堤的油罐区应从防火堤中心线算起,无防火堤的地下油罐应从油罐壁算起。
装卸区应从建筑物或构筑物算起。
序号8的距离应从石油库围墙算起。
②对于三、四级石油库,当单罐容量不大于1000立方米时,序号1、2的距离可减少25%;当石油库仅储存丙类油品时,序号1、2、5的距离可减少25%。
③居住区包括石油库的生活区。
四级石油库的生活区可建在石油库行政管理区内,并不受本表距离的限制。
④对于电压35干伏以上的电力线路,序号7的距离除应满足本表要求外,且不应小于30米。
⑤铁路部门的附属石油库与国家铁路线的距离,应按表3.0.3铁路机车走行线的规定执行。
第三章总平面布置第3.0.1条石油库宜分区布置。
石油库的分区及各区内的主要建筑物和构筑物,宜接表3.0.1的规定布置。
第3.0.2条石油库内的建筑物和构筑物,在符合生产使用和安全防火的要求下,宜合并建造。
第3.0.3条石油库内建筑物、构筑物之间的防火距离(油罐与油罐之间的距离除外),不应小于表3.0.3的规定。
第3.0.4条石油库的地上油罐区,宜根据地形条件布置在比装卸区高的地区。
第3.0.5条人工洞石油库储油区的布置,应符合下列要求:一、油罐室的布置,应最大限度地利用岩石覆盖层的厚度。
油罐室顶部岩石覆盖层的厚度,应满足防护要求。
二、每条主巷道的出入口,不宜少于两处(尽头式巷道除外);洞口宜选择在岩石较完整的陡坡上。
表3.0.1 石油库分区及其主要建筑物和构筑物━━┯━━━━━━━━━┯━━━━━━━━━━━━━━━━━━━━━━━━序号│分区│区内主要建筑物和构筑物──┼─────────┼─────────────────────────1 │储油区│油罐防火堤、油泵房变配电间等──┼───┬─────┼─────────────────────────2 │装卸区│铁路装卸区│铁路装卸油品栈桥、站台、油泵房、桶装油品仓库、│││零位罐、变配电间等│├─────┼─────────────────────────││水运装卸区│装卸油品码头、油泵房、灌油间、桶装油品仓库、变│││配电等间等。
│├─────┼─────────────────────────││公路装卸区│高架罐、灌油间、变配电间、汽车装卸油品设备、桶│││装油品仓库等。
──┼───┴─────┼─────────────────────────3 │辅助生产区│修洗桶间、消防泵房、消防车库、机修间、器材库、││炉房、化验室、污水处理设施等──┼─────────┼─────────────────────────4 │行政管理区│办公室、传达室汽车库、警卫及消防人员宿舍、集体││宿舍、浴室、食堂等。
━━┷━━━━━━━━━┷━━━━━━━━━━━━━━━━━━━━━━━━━注①企业附属石油库的分区,尚宜结合该企业的总体布置统一考虑。
②对于三级石油库,序号2、3的建筑物和构筑物可合并布置;对于四级石油库,序号2、3、4的建筑物构筑物可合并布置。
③汽车库、浴室亦可布置在辅助生产区。
④消防车库、机修间、器材库、锅炉房及化验室亦可布置在行政管理区。
三、变配电间、空气压缩机间、发电间等,不应与油罐室布置在同一主巷道内;当布置在单独洞室内或布置在洞外时,其洞口或建筑物、构筑物至油罐室的主巷道洞口、油罐室的排风管或油罐的呼吸管出口的距离,不应小于15米。
四、油泵房、通风机室与油罐室布置在同一主巷道内时,与油罐室的距离不应小于15米。
第3.0.6条铁路装卸区,宜布置在石油库的边缘地带。
石油库的专用铁路线,不宜与石油库出入口的道路相交叉。
第3.0.7条公路装卸区,应布置在石油库面向公路的一侧,宜设围墙与其它各区隔开,并应设单独出入口,在出入口处应设业务室,出入口外应设停车场。
表3.0.3 石油库内建筑物、构筑━┯━━━━━━━━━━━━━━━┯━━━━━━━━━┯━┯━━━━━序│建筑物和构筑物名称│油罐│高│油泵房│├──┬──┬───┤├───┬──号││5000│1000│1000 │架│甲、乙│丙││米^3│米^3│米^3 │罐│类油品│类││以上│以上│及以│││油│││至│下│││品│││5000│││││││米^3│││││├──┼──┼───┼─┼───┼──││ 1 │ 2 │ 3 │4│ 5 │6─┼───────────────┼──┼──┼───┼─┾───┼──4│高架罐│20 │15 │10 │││5│油泵房甲、乙类油品│20 │15 │12 │12│12 │6│丙类油品│15 │12 │10 │10│12 │107│罐油间甲、乙类油品│25 │20 │15 │10│12 │128│丙类油品│20 │15 │12 │8│12 │109│汽车灌油鹤管甲、乙类油品│25 │20 │15 │10│15 │1510│丙类油品│20 │15 │12 │8│15 │1211│铁路作业线甲、乙类油品│25 │20 │15 │15│8 │812│丙类油品│20 │15 │12 │12│8 │813│装卸油品码头甲、乙类油品│50 │40 │35 │20│15 │1514│丙类油品│35 │30 │30 │15│15 │1215│桶装油品仓库甲、乙类油品│25 │20 │15 │15│12 │1216│丙类油品│20 │15 │12 │12│12 │1017│隔油池150米^3以下│25 │20 │15 │15│15 │10 18│150米^3及以上│30 │25 │20 │20│20 │15 19│消防泵房、消防车库│35 │30 │25 │20│12 │1020│露天变配电所、10千伏及以下│20 │20 │20 │20│15 │1021│变压器10千伏以上│30 │30 │30 │30│20 │1522│独立变配电间│15 │15 │15 │15│12 │1023│铁路机车走行线│25 │25 │25 │20│15 │1224│有明火及散发火花的建筑物、构│35 │35 │35 │20│20 │15│筑物及地点││││││25│其它建筑物、构筑物│25 │20 │15 │12│12 │1026│围墙│15 │10 │8 │8│10 │5━┷━━━━━━━━━━━━━━━┷━━┷━━┷━━━┷━┷━━━┷━━注①序号1、2、3的油罐,系指储存甲、乙类油品的立式固定顶油罐。