防错验证管理程序(含表格)
- 格式:doc
- 大小:344.00 KB
- 文档页数:3
××××××有限公司过程防错管理规定文件编号:MC-WI-015版本:C3编制:审核:批准:××××××有限公司发布过程防错管理规定1.目的本业务程序规范产品生产过程中,过程防错方法的构建、实施、验证的方法,以确保制造过程中的缺陷能够得到有效的预防和降低,提升产品质量、使顾客满意。
2.范围本管理办法涵盖过程防错方法的整个生命周期,规定了对产品工艺开发过程中防错方法的纳入、活用、管理形式,以确保防错方法在制程中有效的运用。
本管理办法适用于本公司新产品产品设计阶段、新产品过程设计阶段、设计更改阶段、过程更改阶段以及应用或环境产生变化的阶段。
3.规范性引用文件下列文件对于本文件的应用是必不可少的,凡是注日期的引用文件,仅注日期的版本适用于本文件。
凡是不注日期的引用文件,其最新版本(包括所有的修改单)使用于本文件。
FMEA管理办法4.定义4.1防错法(Fool Proof):又名防呆法POKA-YOKE,即如何去防止错误发生的方法4.2狭义防错:通过设计,杜绝错误发生的可能。
4.3广义防错:通过设计,而使错误发生的机会/损失减至最低的程度。
5.职责5.1技术中心1)设计方案、DFMEA、生产注意事项、设计防错计划书等资料的输出。
2)防错方案FMEA分析的参与评估。
5.2工程部1)组织CFT小组在PFMEA活动时对失效模式发生原因的防错措施设定。
2)防错清单编制。
3)新防错措施做成及防错库的维护。
5.3质量管理部1)参与过程开发,参与对失效模式发生原因的防错措施设定。
2)将市场质量问题、客户审核问题反馈给工程部。
3)市场品情异常的反馈5.4制造中心1)参与过程开发,参与对失效模式发生原因的防错措施设定。
2)负责防错验证,并将没有实施的防错措施反馈给相关部门整改。
5.5其他过程防错新设/修改需求的提出(其他需要通过过程防错方法进行失效杜绝的防错需求)。
防错验证管理程序(IATF16949-2016)1.0目的本程序的目的是确保防差错/检测装置按设计目标正常运转,以防止不合格品的制造或流转。
2.0范围该程序涉及公司所有生产线的防错装置和防差错检测装置。
3.0术语和定义防错装置:用于防止不合格品制造或装配的装置(不允许制造)差错检测装置:用于防止不合格品流转的装置(不允许通过或接收例:线上100%全检设备)防错的种类:差异化防错:反放或放错误的件都不能放置;同质化防错:正反方向一样或者不同产品上可以使用相同的零部件;过程前防错:防止发生,探测过程输入;过程中防错:防止加工,监测加工过程中的一些参数;过程后防错:防止流出,检测输出也即检测产品特性和功能;4.0职责4.1 工艺装备部:负责防错装置的策划和二级维护及验证4.2 制造部:负责防差错装置的日常验证4.3 质量部:负责以结果为导向结合LPA对防错有效性的监视5.0管理内容与办法5.1.2防错装置的设置要考虑及时性原则,主要综合考虑对产品的影响程度、质量成本、设备改造成本,主要分为3层级。
6.0引用文件《防错验证作业指导书》《快响响应管理程序》《LPA管理程序》《记录控制程序》7.0记录表单《防错验证清单》防错清单及定期验证计划范例.xl s《分层审核检查表》分层审核检查表.xlsGRR报告G R R分析报告.xl s《防错验证检查表》防错验证检查记录表.xl s《防错验证有效性统计表》8.0过程指标防错验证计划执行率≥100% 防错验证问题关闭率≥100%。
防错管理程序(IATF16949-2016/ISO9001-2015)1.0目的本文件规定了防错装置设计和使用的关键要求。
2.0范围适用于本公司所有的工厂和项目。
3.0定义防错定义:错误是不可避免的;所谓防错是指一种传感器或者装置,它能在缺陷产生前发现错误;防错的目的在于使操作者从错误中解脱出来, 集中精力于增值的操作;最好的防错是简单,便宜和可靠的, 同时不给操作者增加额外的工作负担。
4.0作业内容4.1 开发过程1)在项目获取阶段:应根据类似产品的经验和本标准,在初始BP 中考虑到防错装置的预算。
2)在设计和设计验证阶段:防错是DFMEA 和PFMEA 的关键输出(防错的设计原则请参考附件)。
所有在设计和设计验证阶段输出的防错应整合到控制计划中;并在批量生产阶段被严格执行同时对其可靠性进行确认。
应不断审视和更新PFMEA,以使得检验工作的负荷降低到最合理的水平。
例如:尽量避免人工检验,最好的做法是每个工位人工检验项目为3 个。
防错也可能是在批量生产阶段开发的!为预防问题重复发生,防错是最好的解决方法,在应用防错后我们需要更新控制计划和PFMEA,并将其经验进行总结和横向展开。
3)每个防错装置都应制定详细和清晰的作业指导书;作业指导书应包括:1) 防错装置的编号(与控制计划对应);2) 工作原理;3) 检查方法;4) 检查频次;以及5) 出现失效情况下的备用方案。
4)S 特性对于S 特性:仅允许采用控制系统的防错方法,而不允许采用报警系统的防错方法(参见附件)。
备用方案应包括:(i) 100% 人工检验,和(ii) 视觉标识(最好的方法是在下个工位上有视觉标识的证据);同时(iii) 应保持应用备用方案时的相关记录。
5)线末测试用于在线末探测缺陷的装置不属于防错(例如:排气系统的漏气检测装置),因为此时错误已经转变产生为缺陷。
尽管如此,本文件后面规定的强制性规则对于这些装置仍然是必须的。
4.2 批量生产阶段:检查防错和备用方案1)检查防错装置的通用做法是使用标准样件(或者红兔子)来证明不符合的操作或者不合格的产品能够被探测到。
防错法开发程序(IATF16949-2016/ISO9001-2015)1.0目的降低技术层次,防止人为疏忽与人工疲劳,达到理想的“零缺陷”。
2.0适用范围适用于制造过程的各环节。
3.0名词解释防错法:又称愚法、防呆法。
4.0职责(1)技术部负责防错法的开发、推广、修正,防错的安定和标准化。
(2)其它部门负责防法的应用。
5.0作业内容5.1作业流程图 作业流程权责部门 相关文件 使用表格技术部 相关部门 技术部 技术部 相关部门技术部5.2内容5.2.1防错内容(1)防止加工不良(组装失误、加工失误)(2)防止不同类品的混入(M6螺母、M8螺母混装等)(3)防止欠品(防止遗漏零件及少工序)5.2.2防错方法(1)颜色的防错法评估 采纳 修正FMEA 修正控制计划 防错法归档 申报合理化建议 防错法开发 申报专利 OK(2)标线防错法(3)看板(4)警示声音(5)警示灯号(6)治具、夹具(7)限制失误(8)半自动化、自动化(9)定数防错法5.2.3防错步骤(1)结合日常管理,发掘问题项目(2)分析问题项目所具备的机能(3)找出现状缺点(4)问题点要点分析(5)提出改善问题点的防错构想(6)防错的开发、试行、修正(7)防错的安定与标准化(8)防错的试用与教育5.2.4防错要领(1)实施公司人员防止疏忽法的教育(2)纳入公司的标准制度(3)实施自主管理,推行提案改善制度、品管圈活动、5S活动等(4)从管理上提升员工工作士气,促进提出防错的意愿5.2.5防错技巧(1)防错装置技术(2)物料防错(3)人工防错(4)安全防错 销、阻焊板 工装 计数器 工位器具 计时器 压力表 温度计 电流表 电压表 光电开关举例 形状差异 左、右不对称 ○○ 长度 ○○ 后纵梁长、短不同 凹凸、沟、孔 ○○ 座椅补强板、后地板 作业特性 作业位置○ 加工规格 ○○ ○ M6点焊、M8点焊定位销不一样大 作业数量 ○ ○ ○ 凸焊螺母计数工位工具材料 加工次数(点焊、点数) ○加工时间 ○消耗品 ○ ○设备 消耗品 ○ ○作业条件(温度、压力) ○ ○ ○ ○作业必要条件○ ○ ○ ○ 5.2.6防错基本构想(1)使其具有一旦发生错误,物品无法在治具、设备上进行组装的功能。
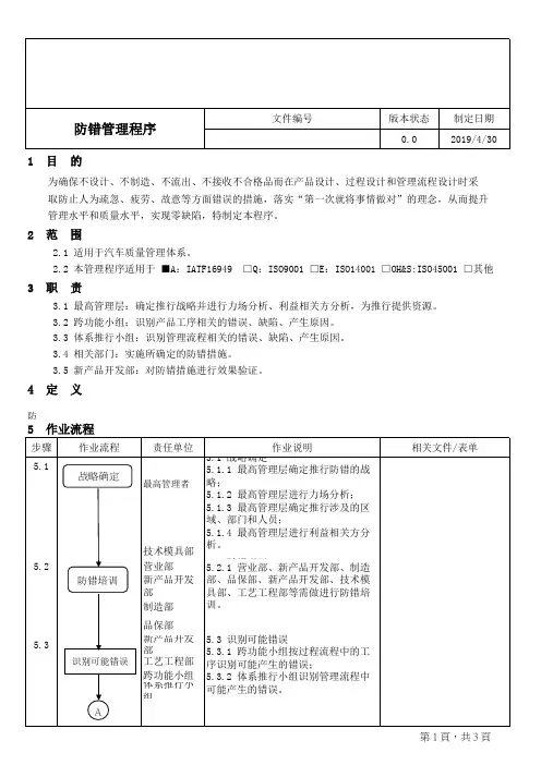
1 目 的
为确保不设计、不制造、不流出、不接收不合格品而在产品设计、过程设计和管理流程设计时采
取防止人为疏忽、疲劳、故意等方面错误的措施,落实“第一次就将事情做对”的理念,从而提升 管理水平和质量水平,实现零缺陷,特制定本程序。
2 范 围
2.1 适用于汽车质量管理体系。
2.2 本管理程序适用于 ■A:IATF16949 □Q:ISO9001 □E:ISO14001 □OH&S:ISO45001 □其他
3 职 责
3.1 最高管理层:确定推行战略并进行力场分析、利益相关方分析,为推行提供资源。
3.2 跨功能小组:识别产品工序相关的错误、缺陷、产生原因。
3.3 体系推行小组:识别管理流程相关的错误、缺陷、产生原因。
3.4 相关部门:实施所确定的防错措施。
3.5 新产品开发部:对防错措施进行效果验证。
4 定 义
防
5 作业流程
7 记 录。
纠正与预防措施管理程序(含表格)纠正与预防措施管理程序(ISO9001-2015/IATF16949-2016)1.0目的与范围1.1确保对已出现的和潜在的不合格原因进行分析,采取必要的措施,防止不合格的发生和再发生,特制定本程序。
1.2本程序适用于产品实现过程中不合格或不符合的纠正和预防措施的控制。
2.0职责2.1管理者代表负责组织制定管理体系运行过程中重大不符合的纠正和预防措施,审批的组织实施,并对措施的有效性进行确认.2.2/技工程师质部经理负责组织制定产品实现过程中重大不合格的纠正和预防措施,审批和组织实施,并对措施的有效性进行确认.2.3 技质部负责对管理体系运行中、产品实现过程中和供应商管理中的纠正和预防措施实施进行监控、管理,验证纠正和预防措施的有效性.2.4生产部或技质部(不涉及工艺技术问题的)负责组织制订产品实现过程中较大不合格的纠正和预防措施,经总工批准后组织实施。
2.5物控部负责组织制定供应商管理中不符合或不合格的纠正和预防措施,并进行监控、管理.2.6 责任部门负责本部门已存在的或潜在的一般不合格或不符合的纠正和预防措施的制定和组织实施,部门领导负有督促、检查、确认的责任。
3.0管理程序3.1纠正措施的实施时机:3.1.1顾客抱怨、投诉或退货;3.1.2工装验收中发现较大不合格;3.1.3生产过程中监视和测量发现的较大不合格;3.1.4体系、过程、产品审核中发现的不符合项或较大不合格;3.1.5顾客满意度评价中的不满意;3.1.6材料、半成品或成品由于贮存而损坏或变质;3.1.7供应商不能准时交货或产品存在较大质量问题;3.1.8安全事故;3.1.9与法律法规不符合。
3.2预防措施的时机:3.2.1顾客意见及顾客访问报告中潜在的较大不合格;3.2.2影响产品质量的制造过程质量信息中潜在的较大不合格;3.2.3质量记录中反映出的趋势性潜在影响因素;3.2.4管理体系审核、过程审核和产品审核结果中潜在的较大不符合或不合格。
纠正及预防措施程序(ISO9001-2015/ISO14001-2015)1.0目的为确保质量/环境管理体系、生产过程及产品所产生的不合格能得到及时的纠正,并预防质量/环境管理体系、生产过程及产品产生潜在的不合格,特制定本程序。
2.0适用范围对本公司质量/环境管理体系、生产过程及产品所产生的已有不合格或潜在不合格的纠正和预防均适用本程序。
3.0职责各部门主管级以上干部负责本部门的纠正和预防措施的有效实行和持续改善。
4.0定义:无5.0作业内容5.1纠正措施5.1.1原材料不合格纠正措施5.1.2生产过程中不合格(品)纠正措施5.1.3最终检验不合格纠正措施5.1.4客户投诉的纠正措施5.1.5环境管理体系运行及监测不符合的纠正措施5.1.5内(外)部审核纠正措施5.1.6管理评审的纠正措施5.2预防措施:5.2.1相关部门应根据本部门生产工作特点,市场或客户传递的信息,同行业生产工作经验和技术信息等发现或分析本部门生产工作过程中可能存在的潜在的不合格因素,并针对此类不合格因素拟定本部门的预防措施课题。
5.2.2预防措施课题拟定后,各部门须制定《预防措施计划》。
5.2.3《预防措施计划》应包括选题原因、预防措施实施步骤、执行时间、执行人、检查等内容。
5.2.4各部门的《预防措施计划》制定完毕后,应将计划表上交管理者代表处进行可行性评估。
若原课题选择不当,或因措施内容不具操作性,或因各方面条件所限难以实施所计划的措施内容,则由管理者代表将《预防措施计划》退回给原部门,令其重新拟定《预防措施计划》。
5.2.5《预防措施计划》经评估获得通过后,相关部门须严格按照计划要求逐步予以实施。
实施过程中,管理者代表应对执行部门提出的相关需求予以满足,以保证预防措施顺利进行。
5.2.6管理者代表须指定具有一定能力和资格的人员对各部门施行的预防措施按计划表中所列的相关要求实施跟进,并对跟进中所发现的问题及时告之执行部门主任级以上干部,以便其做出相应的调整和改善。
纠正和预防措施控制程序(IATF16949-2016/ISO9001-2015)1.0目的为消除公司在质量管理活动中已经产生和潜在的不合格的原因,防止不合格的再发生,制订本程序。
2.0范围本程序适用于公司质量管理活动中不合格的纠正和预防措施的制定和实施控制。
3.0术语和定义纠正:为消除已发现的不合格所采取的措施(包括返工、返修、降级、报废等)。
纠正措施:为了防止已出现的不合格、缺陷或其他不希望的情况的再次发生,消除其原因所采取的措施。
预防措施:为了防止潜在的不合格、缺陷或其它不希望情况的发生,消除其原因所采取的措施。
4.0职责4.1本程序文件由公司管理者代表审核和实施监控;4.2技术质量部负责本程序文件的编制和修改,组织有关部门对生产过程中产品检验和试验出现的不合格品制定纠正措施,组织制定预防措施;跟踪检查纠正和预防措施完成情况。
4.3销售部向相关部门提供回访、调查中发现的问题及顾客的投诉和反馈信息情况;对在回访、调查中发现的问题及顾客的投诉和反馈信息,实施纠正措施;监督检查责任部门的预防措施,并进行指导和帮助。
4.4责任部门负责制定本部门的纠正与预防措施,并有效实施,由相应的职能部门进行和验证。
5.0工作程序5.1纠正措施5.1.1下列情况应采取纠正措施:a.内部、外部审核所发现的不合格情况,上级主管部门或政府部门检查时提出不符合项时;b.管理评审中发现的管理体系问题和缺陷;c.当公司职能部门检查在质量管理活动中出现严重不合格时,或一般不合格多次重复出现时;d.公司各部门在日常管理中认为必要采取纠正措施时;e.发生重大质量事故时或接收到顾客退货、投诉时;f.分析顾客投诉,认为有必要时;g.出现其他问题须采取纠正措施时。
5.1.2管理体系审核发现的不合格项5.1.2.1对顾客进行的第二方审核所发现的不合格情况,由责任部门制订纠正措施由其主管领导批准后实施,并跟踪验证,保存纠正措施记录。
5.1.2.2对认证机构进行的第三方审核审核所发现的不合格情况,当其要求采取纠正措施时,由责任部门制订纠正措施并报公司管理者代表批准后组织实施,由技术质量部验证,并按要求做好相关记录。
本作业指导书规定了防错装置设计和使用的关键要求,使操作者从错误中解脱出来,消灭失误,实现零缺陷生产,集中精力增值的操作。
5、程序内容:2、范围:
2.1新产品设计阶段考虑防错。
2.2现有制造过程的防错控制(生产制造的工装、设施、设备) 2.3纠正/预防措施的策划和实施过程。
3、定义:
3.1防错:又叫防呆,顾名思义就是防止呆笨的人做错事的一种方法,是一种一经采用,错误就不会发生,可以消灭错误,或错误发生的几率减至最低程度的科学方法,它能在缺陷产生前发现错误或缺陷产生时能及时发现与分离出错误。
3.2防错标准样件:又叫边界样件,是指通过防错装置时能证明不符合操作或者能被探测出的不合格产品,专门用于检测生产线的防错装置。
3.3备份模式:也称备用方案,是指防错装置失效后,在保证质量的前提下,为保证正常生产而采取的临时措施,如100%的人工检测;使用其他替代性的检验工具等。
4、职责:
4.1项目经理 - 产品先期策划时,负责组织包括研发、工程、生产、采购、品保、业务、供应商和客户代表组成的项目小组进行防错设计。
4.2研发部 - 产品设计(包括设计变更)时,研发工程师负责组织包括工程、生产、业务、品保及可靠性等方面的专家小组及与设计有关的上游和下游部门组成的小组进行防错设计。
4.3工程部 - 过程设计(包括设计变更)时,PE工程师负责组织包括生产、业务、品保、供应商等人员组成的小组进行防错设计;ME工程师负责设备及治工具安全防错装置设计。
4.4生产部 - 负责与工程ME工程师共同进行设备及治工具安全防错装置设计。
4.5品保部 - 负责对防错应用的确认和审核。
6.相关文件:
7.相关记录:。
纠正与预防措施管理程序
(IATF16949/ISO9001-2015)
1、目的
为及时有效地采取纠正措施或预防措施,防止和消除实际的或潜在的不合格,实现本公司质量管理体系的持续改进,特制定本程序。
2、适用范围
适用于本公司产品、过程、质量管理体系有关的实际的或潜在的不合格所应采取的纠正或预防措施。
3、定义:
3.1纠正:为消除已发现的不合格所采取的措施,使其满足规定的要求。
3.2纠正措施:为消除已发生的不合格原因所采取的措施,防止不合格的再发生。
3.3预防措施:为消除潜在的不合格原因所采取的措施,防止不合格的发生。
4、纠正与预防措施管理过程乌龟图
5、作业内容
6、附加说明
(无)
7、参考文件
《客户抱怨处理管理程序》《内部审核管理程序》《文件管理程序》
《不合格品管理程序》
8、使用表单
《不合格品处置单》
不合格品通知处置
单.xl s
《供应商整改通知单》
供应商质量问题整
改通知单.d oc。
纠正与预防措施管理程序※※※※※※※※※此文件未经批准﹐不准复印※※※※※※※※※※1 目的采取有效的改进、纠正和预防措施,实现质量管理体系的持续改进。
2 适用范围适用于改进、纠正和预防措施的制定、实施与验证。
3 职责3.1品质部负责组织对体系、产品持续改进的策划,当出现存在和潜在的质量问题时发出相应的(纠正和预防措施处理单),并跟踪验证实施效果。
3.2行政部负责在出现环境问题时发出相应的(纠正和预防措施处理单),并跟踪验证实施效果。
3.3各部门负责实施相应的改进、纠正和预防措施。
3.4管理者代表负责监督、协调改进、纠正和预防措施的实施。
3.5 业务部负责有效地处理顾客意见。
4 程序4.1持续改进的策划4.1.1公司要达到持续改进的目的,就必须不断提高质量管理的有效性和效率,在实现质量方针和目标的活动过程中,持续追求对质量管理体系各过程的改进。
4.1.2日常的改进活动对日常改进活动的策划和管理参见4.2、4.3条款执行。
4.1.3较重大的改进项目涉及对现有过程和产品的的更改及资源需求变化,在策划和管理时应考虑:a)改进项目的目标和总体要求;b)分析现有过程的状况确定改进方案;c)实施改进并评价改进的结果。
4.1.4品质部通过质量方针和目标的贯彻过程、审核结果、数据分析、纠正和预防措施的实施、管理评审的结果,积极寻找体系持续改进的机会,确定需要改进的方面(如技术改造、工艺优化、资源配置及环境质量的改善等),组织各部门进行策划,制定《品质规划管理程序》执行。
4.2纠正措施4.2.1对于存在的不合格应采取纠正措施,以消除不合格原因,防止不合格再发生,纠正措施应与所遇到问题的影响程序相适应。
4.2.2识别不合格对质量管理体系各过程输出的信息进行识别;a)过程、产品质量出现重大问题,或超过公司规定值时;b)管理评审发现不合格时;c)顾客对产品质量投诉时;d)内审发现不合格时;e)出现重大环境污染或环境事故;f)供方产品或服务出现严重不合格;g)其他不符合质量方针、目标,或质量管理体系文件要求的情况。
纠正和预防措施控制程序(IATF16949:2016)1、范围1.1 为了消除实际和潜在的不合格原因,以防止不合格的重复发生或避免不合格品的发生,特制定本程序。
1.2 本程序规定了纠正和预防措施的职责、内容和实施方法。
1.3 本程序适用于产品全过程和质量体系中对不合格的纠正和预防措施的管理。
2、术语本程序引用IATF16949:2016标准中的有关定义。
3、职责3.1 质管科负责纠正和预防措施实施过程中的协调和验证。
3.2 管理者代表负责企业内重大的纠正和预防措施制定的组织工作。
3.3 各相关部门负责有关纠正和预防措施的制定和实施。
3.4工作流程4.1纠正措施4.1.1对产品生产和使用中出现的不合格,应按以下规定处理。
●对产品质量反馈信息,由质管科对其进行分类整理、汇总、处理。
具体按《服务控制程序》进行。
●产品生产过程中的不合格,由检验员按《不合格品的控制程序》的要求,以“不合格评审单”的形式报质管科。
●对质量体系中出现的不合格,应由质管科按《内部体系审核程序》的要求,以审核报告和不合格报告的形式通知各责任部门。
4.1.2原因调查分析●对于产品质量内部和外部反馈信息应由质管科组织生产科、技术科对出现的不合格品进行调查分析,调查中应以数据和事实为依据,采用适当的统计技术与经验判断相结合的方法进行,除了查明不合格的性质,还应查明不合格原因并做好记录。
●通常情况下对于常规产品,一般的质量问题或影响较小的质量问题,质管科应根据“质量问题反馈处理单”的记录情况,分析其产生原因,并制定出相应的纠正措施,质管科作好监督、跟踪、验证工作,同时作好记录。
●对常规产品生产中出现成批的不合格品,质管科负责根据“不合格评审单”记载的产品质量的不同情况,组织生产科及责任部门进行专题调查分析,并记录调查结果。
4.1.3纠正措施的实施4.1.3.1对一般的不合格品,根据调查和分析结果,责任部门应针对本部门出现的不合格品制定纠正措施并对纠正措施的有效性负责,同时做好实施情况记录。
纠正和预防措施控制程序(IATF16949-2016/ISO9001-2015)1.0目的为消除实际和潜在的不合格,进行分析原因,采取措施,实施控制,确保产品质量体系的有效实施和改进,特制定本程序。
2.0适用范围适用于纠正/预防措施的制定、分析、实施及验证的控制。
3.0职责3.1各相关部门根据要求进行原因分析,制定改进、纠正和预防措施,并组织实施。
3.2管理者代表负责质量管理体系纠正和预防措施的批准、协调和监督。
4术语4.1纠正措施:是通过对已存在的不合格进行原因分析,采取相应的措施,以消除不合格原因从而防止其再发生。
4.2预防措施:是对潜在的不合格进行原因分析,采取相应的措施,以消除不合格原因从而防止不合格的发生。
5.0工作程序5.1纠正措施责任输入过程活动过程描述输出相关部门设计开发过程涉及的不符合;顾客反馈(投诉、抱怨、售后退回品);生产过程发生的不合格;内部审核和外部审核发生不合格;过程绩效监控发现的不符合;5.1纠正措施5.1.1收集纠正措施信息a)纠正措施信息来源—设计开发过程的不符合或改进的输出;—顾客反馈;—内、外审不符合报告;—管理评审的输出;—数据分析的输出;—满意度测量的输出;—过程监视和测量的输出;—产品监视和测量的输出;b)识别分类—设计开发过程的不符合或改进的输出由研发中心负责组织收集;—顾客反馈、与产品相关的内、外部不合格信息、制造过程监视和测量的不合格信息由质管部负责收集;—内、外审、过程监视和测量、管理评审涉及的不符合由体系办负责收集;—满意度测量的输出信息由销售部负责收集;c)信息登记、信息传递各部门对收集不合格信息进行登记并将收集不合格信息,传递到相关部门和相关人员。
接收记录相关部门不合格信息退回品检验记录5.1.2不合格原因调查和分析a)分析方法在分析原因时应重点从人、机、料、法、环、测等方面进行原因分析。
b)统计技术应用对不合格原因进行调查时,可应用因果图、排列图、能力调查、直方图、相关图、FMEA分析等统计技术,确定主要问题以及与问题有关的因素。
纠正与预防措施程序(QC080000-2017)1.0目的:为使现有或潜在不合格事项能够采取有效对策,经处理异常再发生及纠正确认,以杜绝或防止问题再发现,达到持续改善之目的。
2.0适用范围:质量环境管理体系运行过程中出现的质量、环境不合格/不符合、事故、事件的处理;3.0定义:3.1异常:超出与原始所设定、期望或预知的程序、规范或规格要求范围之外的现象。
3.2纠正措施:仅指已发生问题之后而提出有效之改善方案。
3.3预防措施:将潜在尚未发生问题之目标与作业的管理时,即提出有效之对策,预做先前作业进行改善,使关联性的问题不至于发生。
3.4 持续改善:针对质量与环境政策及内/外审核的结果、数据分析与项目改善之纠正措施及管理评审决议,持续追踪确认,以确保管理系统的有效性。
4.0权责4.1相关部门:负责本部门质量、环境管理体系运行中纠正与预防措施的制定、实施并记录,不合格/不符合发出部门负责对其实施结果验证评价,并记录。
4.2品管部:负责质量问题中发生事件进行的调查、问题归属确认、对策协调、追踪。
4.3综合管理部:负责环境问题中发生事件进行的调查、问题归属确认、对策协调、追踪。
4.4部门主管或管理者代表:负责专案改善计划与立案。
5.0内容5.1流程图5.2内容:5.2.1不合格/不符合事实:当出现以下不合格/不符合事实的时机时,发生部门发出[纠正和预防措施处理单]:A.顾客需求、期望和相关方的投诉、抱怨;B.生产过程出现严重不合格;C.出现重大质量或环境事故;D.管理评审输出;E.内/外审发现不合格时;F.统计数据分析的输出;G.顾客或相关方满意度的测量;H.制程测量及自我评价结果。
5.2.2评审、确定影响程度或范围相关部门根据不合格或不符合事实情情况,依据《不合格品控制程序》、《环境不符合控制程序》及数据分析等方式进行确定所影响的程度或范围。
5.2.3调查分析产生的原因由责任部门针对异常依为何未发现及为何发生进行原因分析。
防错验证管理程序
(ISO9001-2015/IATF16949-2016)
1.0目的
规范防错验证在发动工厂的应用。
2.0范围
适用于工厂所应用防错装置的验证。
3.0术语
3.1防错装置:预防加工或装配不合格产品的装置。
包括防止传递不合格产品的装置,如在线全检测设备。
3.2防错样件:用来验证防错装置的零件或工艺装备。
4.0职责
4.1制造工程科负责编制和维护防错计划。
4.2生产车间负责根据防错计划编制防错计划验证表,并进行防错装置的验证。
5.0规定
5.1需验证的防错装置和其具体地址应在防错计划中明确。
5.2根据防错计划规定的检验频率,生产车间进行验证,并记录验证结果记录。
5.3所有在用的防错样件都必须经过制造工程科主任工程师审批合格后才能使用,所有防错样件统一喷上红色。
如果车间发现防错样件不能满足验证的要求,必须及时通知制造工程科。
5.4生产车间验证时发现不合格的验证装置,应记录反应计划。
5.5制造工程科工程师需定期跟踪生产车间审核验证结果,发现不合格的验证
结果及时记录。
6.0附件
防错验证流程
7.0记录表格
放错标识
防错标识牌.doc
防错功能检查表
防错功能检查表.xl
s
防错功能失效整改计划表 编制和评审“防错计划” 制造工程科 编制“防错计划验证表” 验证防错装置 记录防错装置验证结果 反馈验证结果 生产车间 生产车间 生产车间 生产车间 生产车间,制造工程科
审核验证结果
防错功能失效整改计划表.xls。
防错验证管理程序
(ISO9001-2015/IATF16949-2016)
1.0目的
规范防错验证在发动工厂的应用。
2.0范围
适用于工厂所应用防错装置的验证。
3.0术语
3.1防错装置:预防加工或装配不合格产品的装置。
包括防止传递不合格产品的装置,如在线全检测设备。
3.2防错样件:用来验证防错装置的零件或工艺装备。
4.0职责
4.1制造工程科负责编制和维护防错计划。
4.2生产车间负责根据防错计划编制防错计划验证表,并进行防错装置的验证。
5.0规定
5.1需验证的防错装置和其具体地址应在防错计划中明确。
5.2根据防错计划规定的检验频率,生产车间进行验证,并记录验证结果记录。
5.3所有在用的防错样件都必须经过制造工程科主任工程师审批合格后才能使用,所有防错样件统一喷上红色。
如果车间发现防错样件不能满足验证的要求,必须及时通知制造工程科。
5.4生产车间验证时发现不合格的验证装置,应记录反应计划。
5.5制造工程科工程师需定期跟踪生产车间审核验证结果,发现不合格的验证
结果及时记录。
6.0附件
防错验证流程
7.0记录表格
放错标识
防错标识牌.doc
防错功能检查表
防错功能检查表.xl
s
防错功能失效整改计划表 编制和评审“防错计划” 制造工程科 编制“防错计划验证表” 验证防错装置 记录防错装置验证结果 反馈验证结果 生产车间 生产车间 生产车间 生产车间 生产车间,制造工程科
审核验证结果
防错功能失效整改计划表.xls。