高压旋喷防渗墙工程施工组织设计
- 格式:doc
- 大小:84.00 KB
- 文档页数:17
高压喷旋施工方案高压喷旋施工方案一、工程概况:本工程是对某建筑物外墙进行喷涂装饰的施工工程。
建筑物总共有5层,高度约为20米,立面面积约为2000平方米。
二、施工方案:1. 设备准备:(1)高压喷漆机:选择功率大、喷漆效果好的高压喷漆机,以确保喷涂效果。
(2)涂料:选择质量好、环保性能良好的喷涂涂料,以保证施工质量和施工环境。
(3)安全防护设备:喷涂施工过程中需要佩戴安全帽、防尘口罩、护目镜、工作手套,确保工人的人身安全。
2. 施工准备:(1)清理工作:清理建筑物外墙表面的灰尘、油污等杂物,以便喷涂能够贴合表面。
(2)防护措施:设置喷涂区域的安全隔离带,确保施工期间不会有旁观人员进入施工区域。
3. 施工流程:(1)底漆涂料的喷涂:选择高压喷漆机将底漆涂料均匀喷涂在建筑物外墙上,确保底漆可以更好地附着在墙面上,防止涂料的脱落现象。
(2)中涂涂料的喷涂:在底漆涂料干燥后,选择高压喷漆机将中涂涂料均匀喷涂在建筑物外墙上,保证涂料的厚度均匀,颜色一致。
(3)面涂涂料的喷涂:在中涂涂料干燥后,选择高压喷漆机将面涂涂料喷涂在建筑物外墙上,使外墙表面具有光滑、均匀、亮丽的效果。
4. 安全措施:(1)施工人员需进行岗前安全培训,了解高压喷漆机的使用方法和注意事项。
(2)在施工现场设置警示标识,提醒施工人员和旁观人员注意安全。
(3)施工人员要佩戴好安全防护设备,并注意施工现场的危险因素,如高空作业等。
5. 环保措施:(1)选择环保性能良好的喷涂涂料,减少对环境的影响。
(2)施工现场要进行垃圾分类,并做好垃圾的及时清理和处理工作,保持施工现场的整洁。
三、施工效果:通过高压喷涂施工,可以使建筑物外墙具有光滑、均匀、亮丽的效果,提升建筑物的整体形象和美观度。
四、注意事项:1. 在施工过程中,注意人员和设备的安全,避免发生意外事故。
2. 施工现场要做好垃圾分类和清理工作,保持环境整洁。
3. 施工完成后,对喷涂设备进行清洗和维护,以保证下次使用时的正常工作。
高压旋喷桩施工组织设计一、编制原则及依据1、编制原则:科学组织、合理安排,优化施工方案是工程施工管理的行动指南,在施工组织设计编制中,避开冬雨季施工,在保证安全、确保质量、满足工期、有利环保的原则下对施工方案进一步优化。
2、编制依据:施工组织设计、类似施工经验、相关设计规范、设计图纸二、施工工期及质量、安全施工目标1、工期目标:计划于10月1日开工,于11月29日完成,施工时以业主批准的实际开工日期为准。
2、质量目标:业主要求本工程质量等级为符合质量验收标准,在确保工程质量达到要求的基础上,努力将本工程建成各方都能满意的优质工程。
3、安全目标:(1)安全生产,无伤亡事故;(2)杜绝重大机械设备事故;(3)杜绝交通事故。
三、工程质量保证措施1、在项目部经理、总工程师领导下,由专职工程师组成质检部负责质量管理工作。
2、项目经理部设质检科对本项目部施工项目实施全过程进行质量控制;施工作业队设专职质检员负责全队施工质量检查,班组设专人做好自检。
3、开工前项目部组织有关人员编制《项目质量计划》,建立健全质量保证体系,落实各类人员的职责,确保项目质量目标的实现。
4、每月由质量管理委员会进行月检查考核,对项目部工程质量情况进行考核评分,根据考核评比得分,决定质量流动红旗的优胜单位并和经理部工资总额挂钩。
5、坚持实行质量月报和质量事故报告制度,各作业队质检员每月26日~28日将质量月报送至质检科,一旦出现质量事故,24小时内必须将事故报告(写明事故原因)送质检科。
6、施工班组坚持"三检制",即自检、专检、交接检。
7、在整个施工操作过程中,贯穿工前有交底、工中有检查、工后有验收的"一条龙"操作管理方法。
做到施工操作程序化、标准化、规范化,确保施工质量。
8、确保施工过程、成品、半成品的质量检验等级为优良,并在其接受、使用、安装、交付的各个阶段进行标识,防止混用,在需要时能够实现其可追溯性。
目录附件:1.工程概况1.1拟建建筑物概况成都益联投资有限公司拟建的益联·逸景苑项目位于彭州市致和镇青林村,紧邻成彭快铁。
益联·逸景苑项目总规划用地面积约140958m2,规划总建筑面积约558479 m2.拟建物由高层、多层商业附属建筑物和纯地下室组成,多层和地下室为框架结构,高层住宅为剪力墙结构.该工程由北京中建建筑设计院有限公司设计。
各建筑物性质详细情况见表1-1。
拟建筑物性质一览表表1-11.2拟建场地工程地质条件根据西北有色勘测工程公司提交的《成都益联投资有限公司益联·逸景苑项目岩土工程勘察报告》、《益联·逸景苑1、2和5号楼施工勘察报告》揭示,拟建场地地面相对平坦,场地地层结构简单,主要由第四系全新统人工填土(Q4ml)、第四系全新统冲洪积(Q4al+pl)成因的粉质粘土、砂土及卵石组成.现自上而下分述各岩土层如下:1.2。
1素填土(Q4ml)①:褐灰色,松散~稍密,稍湿。
以粉质粘土为主,局部含植物根系、卵石和建筑垃圾等物。
全场地分布。
厚度0.40m~1.10m.1.2.2粉质粘土(Q4al+pl)②:褐黄色,稍湿;可塑状为主;成份以粉、粘粒为主,含少量铁锰质氧化物及其结核,局部地段夹薄层粉土团块;切面稍具光泽,无摇振反应,干强度中等,韧性中等.最大层厚2。
20m。
分布广泛,局部缺失。
1。
2.3细砂(Q4al+pl)③:褐黄、灰色;稍密;稍湿。
以长石、石英为主,含少量云母、暗色矿物。
多呈薄层状、透镜状分布于卵石层顶板之上或夹于卵石土中,混少量卵石。
场地内局部地段分布,揭露最大层厚1。
80m。
1。
2。
4卵石(Q4al+pl)④:褐黄、褐灰色,稍湿~饱和.卵石成份以花岗岩、玄武岩为主。
亚圆形~圆形。
磨圆度中等.粒径一般2~10cm,混漂石量较大,最大粒径达30cm以上。
填隙物以细砂、砾石为主.卵石呈中等风化~微风化。
卵石土埋藏于自然地面以下0.40~3.40m.1.3水文地质条件1.3.1地下水类型及赋存条件场地内地下水主要为赋存于第四系砂卵石中的孔隙潜水。
变角速高压旋喷防渗墙技术规程变角速高压旋喷防渗墙技术规程引言:变角速高压旋喷防渗墙技术是一种先进的地下工程施工技术,可以有效防止地下水或渗漏物质对建筑物或土壤的渗透。
本文将从深度和广度两个维度来探讨这一技术的原理、应用和发展趋势,以帮助读者全面、深刻、灵活地理解这一主题。
一、原理探讨:从变角速高压旋喷的基本原理到防渗墙的构建方法在探讨变角速高压旋喷防渗墙技术之前,有必要了解变角速高压旋喷技术的基本原理。
变角速高压旋喷技术是一种通过喷射高压旋流将材料喷洒在目标表面上的施工方法,其中旋流的角速度会随着距喷装置的距离增加而逐渐减小。
基于这一原理,变角速高压旋喷防渗墙技术利用高压旋流将防渗材料均匀地喷洒在建筑物或土壤表面,形成一道致密、均匀的防渗层。
通过控制喷射参数和施工工艺,可以实现防渗层的厚度、坚固性和抗渗能力的要求。
二、应用案例分析:从地铁隧道到地下水工程的变角速高压旋喷防渗墙技术应用变角速高压旋喷防渗墙技术在地下工程领域有着广泛的应用。
以地铁隧道为例,地铁隧道建设中常常需要应对来自地下水的渗透问题。
通过采用变角速高压旋喷防渗墙技术,可以在地铁隧道周围形成一道防渗屏障,有效阻止地下水的渗透和河流水的侵蚀。
在水利工程、水库建设等领域,该技术也被广泛应用于解决地下水渗透问题。
多个应用案例证明了变角速高压旋喷防渗墙技术在地下工程中的可行性和效果。
三、发展趋势展望:向智能化、高效化的变角速高压旋喷防渗墙技术迈进随着科学技术的不断进步,变角速高压旋喷防渗墙技术也在不断发展。
未来的变角速高压旋喷防渗墙技术将向更智能化、高效化的方向发展。
通过引入传感器和自动化控制系统,可以实现对施工参数的实时监测和调节,提高施工过程的精度和效率。
与其他材料和技术的发展结合,也可以进一步提高防渗墙的防水效果和使用寿命。
未来的变角速高压旋喷防渗墙技术将更好地满足不同工程项目对防渗墙的需求。
总结与回顾:本文通过对变角速高压旋喷防渗墙技术的原理、应用和发展趋势的全面探讨,希望读者能够深入地了解该技术的工作原理、应用范围和发展前景。
第七节高压喷射灌浆防渗墙施工工艺一、高压旋喷灌浆施工1、施工设备机具选型针对地层条件和设计要求,选择的主要施工设备机具及材料见附表。
2、灌浆材料灌浆主要材料包括水泥、水、掺和料及外加剂等,每批采购的水泥、掺和料、外加剂等材料,均应符合有关的材料质量标准,并附有生产厂家的质量证明书。
入库前按规定进行检验验收,及时把检验成果报送监理人。
(1)水泥根据施工图纸或监理人指示,选用灌浆用的水泥品种。
水泥标号不低于32.5M;水泥细度要求通过80um方孔筛,其筛余量不大于5%。
水泥不得存放过久,出厂期超过3个月的水泥不得使用。
(2)水灌浆用水符合JGJ63-89的规定,拌浆的水温低于40°C。
3、制浆(1)制浆材料必须称重,称重误差小于5%,水采用水尺量取,水泥按袋计量,其它材料用称称重。
回填灌浆和固结灌浆一般均采用集中制浆站来制浆,输送浆液流速为1.4-2.0m/s,各灌浆站根据浆液所需配比进行配浆。
(2)各类浆液必须搅拌均匀,测定浆液密度等参数;纯水泥浆的搅拌时间,使用普通搅拌机时,不少于3min;使用高速搅拌机时,不少于30s。
浆液在使用前应过筛,从开始制备到用完的时间小于4h。
拌制细水泥浆液和稳定浆液,搅拌时间通过试验确定;细水泥浆液的搅拌,从制备到用完的时间小于2h。
4、高压旋喷灌浆施工旋喷灌浆施工采用三管旋喷施工工艺,设计桩径1000mm采用自下而上的灌浆方式,分两序组织高喷施工。
旋喷造孔按一序孔和二序孔分部进行,旋喷灌浆先喷一序孔,再喷二序孔。
(1)钻孔施工工艺钻孔沿坝轴线布孔,分序钻孔,采用XY-2型工程钻机进行钻孔施工,首先把钻杆(注浆管)对准孔位中心,偏差不超过50mm,钻机座要平稳,立轴或转盘要与孔位对正,倾角与设计误差一般不得大于0.5°,钻孔护壁材料为黄泥浆,比重初定为1:1,孔深达设计孔深后再加深0.5m。
钻孔过程记录完整。
(2)钻孔方法钻进方法采用硬质合金回转钻进、金刚石钻进、合金牙轮钻进等方法成孔。
高压摆喷防渗墙试桩施工专项方案一、工程概况萧山区浦阳江治理工程是以防洪为主,兼顾排涝,结合两岸的滩地治理及水环境整治。
其中一期工程左岸起点为兔石头,终点为南河口,岸线长度9868.9m;右岸包括浦阳江干堤上游段(起点为小山头,终点为新江岭电排站出口,岸线长度9166.2m)及进化溪出口左岸堤段(堤长608.3m)。
本标段高压摆喷桩的位置在右岸下湖K3+000~K3+505、K3+536~3+660,总长629m。
设计墙顶高程11.2m,设计墙底高程1.0m。
二、试桩具体情况本试桩范围:下湖K3+450.6-下湖K3+467.4,本试桩总个数:15个本试桩分三组进行:第一组:试桩数5个,气压0.7MPa,浆压0.3MPa,水灰比1.0,提升速度15cm\min 水压30MPa,第二组:试桩数5个,气压0.7MPa,浆压0.3MPa,水灰比1.0,提升速度15cm\min 水压32MPa,第三组:试桩数5个,气压0.7MPa,浆压0.3MPa,水灰比1.0,提升速度15cm\min 水压33MPa,三、施工要点1、采用距离堤轴线2.5m布置单排高压摆喷防渗墙试桩方案,摆喷桩直径80mm,喷射孔径大于150cm,折角250,摆角300,搭接长度大于20cm,桩距120cm。
2、高压摆喷灌浆采用二序孔施工,一序孔先施工,二序孔后施工,三介质喷射法施工。
采用间隔跳打法施工,高压摆喷桩试桩施工时需严格控制喷浆压力和施工顺序。
3、注浆材料采用42.5R 浦阳江水泥有限公司生产的普通硅酸盐水泥,水泥用量不少于350KG/m ,桩身28天无侧限抗压强度不小于2.5Mpa ,水泥浆的水灰比为1.0,灌浆压力采用30~33Mpa 。
4、高压摆喷防渗墙试桩进入相对不透水层长度不小于2.0m 。
5、成桩施工中,必须随时检查水泥浆液比重,应注意储浆桶内浆液的均匀性和连续性,喷浆搅拌时不允许出现管道堵塞或爆裂。
6、其他技术要求符合五、操作工艺1、准备工作施工前做到施工场地平整、稳定、作业面低洼、松散和紧邻边坡处采用回填、夯实的方法加固处理,检查作业机具是否正常运转。
高压旋喷防渗墙施工设计1、施工围堰设计围堰设计:围堰采用草袋土围堰,堰体中间建粘土心墙(1.0m宽)防渗,围堰顶宽2m,边坡1:1.5,围堰上、下游横向围堰长约83m,左侧纵向围堰长度约77m。
2、高压旋喷防渗墙施工设计2.1高压旋喷的原理高压旋喷就是利用钻机把带有特制喷嘴的注浆管钻进至地层的预定深度后,以高压设备(压力25~40Mpa)使浆液成为高压流从喷嘴中喷射出来,强力冲击破坏地层。
钻杆一边以一定速度旋转,一边以一定的速度渐渐向上提升,使浆液与土体搅拌混合,形成均匀圆柱体。
2.2施工准备施工前应作好准备工作,包括施工机械的检查与检修,平整场地、搭建临时工棚、备好料场。
一套高喷设备在现场上以集中布置和居高布置为好。
设备所放位置以距喷射孔不超过50m为宜。
2.3高压旋喷施工范围及设计要求高压旋喷防渗墙拟在施工好的围堰上进行,底部深入基岩以下0.5m,高压旋喷灌浆钻孔间距0.5m,成墙最小厚度0.3m,高压旋喷灌浆拟顺围堰方向进行,形成完整的防渗圈体系,灌浆钻孔总进尺8176m (据钻探资料,基岩埋深为7.0~7.5m,防渗墙平均深度8.0m,双排孔)。
高压旋喷灌浆施工时应先选取部分高喷孔作先导孔实验,采取芯样,确定高压旋喷造孔孔距以满足最小有效搭结厚度不小于30cm,初定孔距0.5m(双管),钻孔有效深度应进入基岩0.5m,钻孔偏斜率不超过1%。
高喷灌浆浆液密度为1.4g/cm2~1.6g/cm2,压力25~40MPa,提升速度不大于10cm/min,应全孔自下而上连续作业,需中途拆卸喷射管时搭接段应进行复喷,复喷长度不小于0.5m。
高喷灌浆结束后,应利用回浆或水泥浆及时回灌,直至孔口浆液不降为止。
高喷防渗墙墙体单轴抗压强度R28应大于7.5MPa,渗透系数k应小于1×10-6cm/s。
2.4施工程序施工程序大体分为钻孔、下置浆管、喷射提升、成墙等。
钻孔时先使钻机对准孔位,用水平尺使机身水平,衬垫稳牢,垫平机架。
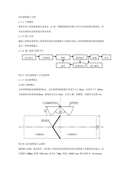
高压旋喷施工方案1.4.1 工程概况避免在地下连续墙的接头处渗水,在48 个槽段接缝处外侧土层中以及地连墙内侧壁处,采用高压旋喷水泥浆桩进行密水处理。
1.4.2 施工方法根据工程地质条件和工程需要采用钻孔机械集中力量进行钻孔,采用旋喷机械对地连墙接缝进行三重管摆喷施工。
1.4.3 施工流程(见图4-7)图4-7 高压旋喷施工工艺流程图1.4.4 高压旋喷施工(1)施工参数确定 为有效阻隔地连墙接缝的渗水,高压旋喷成墙的最小厚度不小于60cm ,长度不小于100cm 。
为此旋喷孔距连续墙60cm ,旋喷钻孔直径13cm ,并实行60°的摆喷,布置形式见图4-8。
图4-8 高压旋喷施工示意图根据施工机械、地质条件、以往施工类似地层的类似经验进行旋喷施工参数的初步拟定:高压灌浆≥38Mpa ;浆量≥80L/min ;风压0.7 Mpa ;风量≥1000L/min ;提升速度8~10 cm/min;定位钻孔 下喷射装喷射 摆动提升 成墙 冲洗制浆浆液回收 静压灌浆摆动速度8~10 次/min;进浆比重1.4~1.5g/cm3。
在施工现场进行地面试喷、定向摆喷试验,最终确定能满足在不同地层的施工参数。
(2)旋喷钻孔1)钻孔准备将地下连续墙接缝处的施工场地平整夯实,放样定位、安装钻机和泥浆的制备。
2)钻孔采用泥浆护导管跟进冲击回转钻孔施工。
在钻进之初,应缓进尺多量测,确保开钻的孔位正确,成孔铅垂。
并根据不同的地层采用合理的钻进工艺和钻进参数。
钻进的过程中应用自动测斜仪检测孔的倾斜率,并将倾斜率控制在5‰内。
如发现倾斜率超限,应及时采取措施纠斜。
3)旋喷准备①首先对高压喷射台车的提升、制动、管路、换向等系统进行检查。
②在下注浆管以前,把各种压力、流量加到喷射工艺要求的标准,进行送水、送气试喷。
通过试喷可以检测管路是否顺畅,水嘴、风嘴是否满足要求。
水射流过早离散、雾化和过小的水嘴不宜使用,待各种参数符合要求后才能下管准备喷射。
崇明岛东风西沙水库及取输水泵闸工程取水泵闸围堰高压摆喷防渗墙专项施工方案(二工区)编希H : __________审核:_____________批准:_____________葛洲坝集团第五工程有限公司崇明岛东风西沙水库工程施工项目部2012年4月29日第一章编制依据 ........................ -2 -第二章工程概况 ........................ -2 -第三章施工部署 ........................ -4 -第四章高压摆喷桩施工流程和施工方法................. -6 -第五章高压摆喷桩施工质量保证措施................. -10 -第六章主要机具设备、材料和劳动力使用计划............. -12 -第七章施工进度计划........................ -12 -第八章文明、安全施工保障措施................... -13 -第一章编制依据1.1由上海勘测设计研究院,长江勘测规划设计研究有限责任公司设计《新建西堤、东堤施工图设计总说明》,《取水泵闸工程施工围堰断面图》,《取水泵闸工程施工围堰平面布置图》。
1.2《建筑地基处理技术规范》(JGJ79-2002)1.3《水利工程施工质量检验评定标准(试行)》(DGJ08-90-2000 J10053-2000 )第二章工程概况2.1工程概况为保证东风西沙水库施工期内及完工后的蓄水防渗,本工程在东堤、南堤、西堤、北堤四堤及取水泵闸施工围堰上设计采取施打0.3m厚高压摆喷防渗墙进行堤堰防渗。
本工程长江侧围堰长387.37m,摆喷桩长24.00 m (顶高程7.00m,底高程-17.00m),加固体积2789.06m3;水库侧围堰长185.07 m摆喷桩长21.10 m (顶高程4.10m,底高程-17.00m),加固体积1171.49朋;平台防渗墙长136.87 m摆喷桩长24.00 m (顶高程4.10m,底高程-17.00m),加固体积985.45m3;施工围堰及施工平台高压摆喷防渗墙总加固体积4946 m3。
围堰高压摆喷防渗墙施工工艺方案一、工程概况本工程围堰高喷防渗墙全长1340米,采用三重管高压摆喷,共961孔(数量根据实际情况调整不超过5%),分两序施工,防渗墙孔深22.5m,孔距 1.5m,墙体厚度要求大于200mm,渗透系数K≤1.0×10-5cm/s。
二、高喷防渗墙试验结果小结2.1、试验地点、时间经指挥部、监理、设计、现场共同勘察后,高喷防渗工艺试验桩号定在围堰K1+040处,该块空地能真实反映围堰的基本地地质情况,地势与实际高喷防渗墙处地层相似,满足试验工艺的需要。
我部于2011年12月7日进场试验,7天内完成试验桩体,12月14日完成试验数据整理,报批本次试验结果。
2.2、试验过程采用三重管高压摆喷防渗墙,分两序施工,防渗墙孔深22.5m,孔距1.5m,喷管采用双喷嘴,喷嘴直径1.8~3.0mm。
墙体厚度要求大于200mm。
采用"围井法"试验,围井上部不封顶,下部不封底,围井成墙7天后在围井中间布置深度等于防渗墙的注水孔,并在围井外布置同样注水对比孔,具体布置图如下:2.3、检测方法按照试验方案布置高喷防渗墙围井,成墙7天后,委托监理及有资质检测单位开展注水试验,试验方法为:2.4、试验结果我方会同监理人按有关规程或规范和本技术条款规定,进行以上内容的质量检验和验收,各项实验结果均合格,渗透系数K≤1.0×10-5cm/s,符合设计要求。
2.5、小结通过本次试验,验证高喷防渗墙施工参数符合要求,可以开始高喷防渗墙施工,具体施工技术参数如下表:三、施工方法3.1、施工程序三重管高压摆喷施工程序如下:3.2、施工方法1、钻孔按设计要求放样布孔,孔位偏差必须小于5cm,采用XY-100型地质钻机成孔,孔径110mm。
将钻机移动到放样的孔位上,使钻头对准孔位中心,钻机就位后进行水平校正,使钻杆垂直对准孔位中心,成孔后的孔斜率必须小于1%(孔深大于30m时,必须小于0.5%)。
高压旋喷截渗墙工程专项施工方案一、工程概况1、地基岩土情况根据勘探报告,场地上覆第四系地层主要有填石、人工填土,冲积粗砂、卵石,下伏基岩为白垩系砂岩和砂砾岩(2K)。
场地岩土分层详细情况见表3.2-1。
因为本次勘测新揭露了粗砂层和卵石层,地层编号也相应增加,所以编号不与前期报告中的地层编号保持一致。
各岩土层的特征自上而下描述如下:1)人工填土(岩土层编号①):黄褐色,稍湿,主要成分为粉质粘土和粗砂,含少量的砂岩碎石,为新近堆填,人工成因。
该层局部分布于场地的大部分区域,层厚为1.00m~2.10m,层底标高61.90m~63.00m。
该层含有填石(岩土层编号①1)亚层,描述如下:填石(岩土层编号①1):黄褐色,以砂岩、砂砾岩碎石为主,粒径大小不均,约2~10cm,充填粗砂和少量粉质粘土,密实度均匀性差,为新近堆填,人工成因。
该层分布于场地的部分区域,层厚为1.00m~3.10m,层底标高61.50m~64.00m。
2)粗砂(岩土层编号②):黄褐色,灰白色,稍湿,松散,较纯,主要成分为石英和长石,级配不良,含少量的砾石,冲积成因。
该层在各个钻孔均有揭露,层厚为3.90m~7.90m,层顶标高61.50m~63.70m,标准贯入击数约为4击~7击。
3)卵石(岩土层编号③):灰白色,灰色,稍密,主要成分为砂岩,少量砂砾岩,次棱状,次圆状,磨圆度较好,粒径4~6cm,充填少量的粗砂。
该层在各个钻孔均有揭露,层厚为1.00m~4.30m,层顶标高54.00m~58.40m。
4)强风化砂砾岩(岩土层编号④2):灰褐色,褐色,半岩半土状,风化强烈,遇水软化,手可捏碎,含较多的中等风化状碎石。
除HK07钻孔外,该层仅在其他钻孔均有揭露,层厚为1.00m~1.60m,层顶标高52.20m~55.20m。
5)微风化砂砾岩(岩土层编号④4):灰褐、灰白杂色,粗粒结构,层状构造,钙质胶结,主要胶结物为石英、长石和粉砂质砾石,岩芯多长柱状,节长10~40cm,局部短柱状,裂隙稍发育,岩质坚硬,击声清脆。
高喷防渗墙施工组织设计编制依据本施工组织编制依据:1、工程设计文件和图纸2、工程地质和水文地质资料3、施工技术要求4、质量标准和检验方法5、《水电水利工程高压喷射灌浆技术规范》(DL-T5002-2004)6、《水工建筑物水泥灌浆施工技术规范》(DL/T5148-2001)7、《水工混凝土施工规范》(DL/T5144-2001)一、工程概况及技术要求二、工程量及临建工程设施三、施工进度计划见《施工进度计划横道图》四、组织机构及劳动力、设备投入31、组织机构配置:项目经理:1名总工程师:1名技术员:2名安全员:1名材料员:1名2、劳动力配置:3、拟投入设备五、施工工艺1、施工流程2、风、水、电施工用风:配备21m3空压机3台。
施工用水:直接采用河水。
施工用电:用电接口在施工范围一百米以内(总功率约1000KW)。
2、防渗墙布置见图纸3、高喷材料高喷灌浆采用325#普通硅酸盐纯水泥浆,水河水。
水泥浆由WJ-80双桶搅搅拌机搅拌,根据设计和规范要求进行浆液配合比试验,测试浆液性能,确定高喷使用配合比,确定是否需要掺入外加剂或速凝剂。
4、高喷工艺参数确定根据场区的地形、地貌与工程地质条件,初定围堰高喷工艺参数见下表高压旋喷灌浆参数5、高喷施工方法三管法、旋摆结合6、工艺流程施工程序为放孔、钻孔、下喷射管、喷射提升、成墙等。
(1)钻孔施工前,由测量人员沿高喷轴线按设计孔位放样,同时测定孔口高程。
钻机就位时,应使钻杆轴线垂直对准钻孔中心位置,以确保钻孔达到设计垂直度。
开孔时采用低速钻进,跟进三根套管以后可采取正常速度钻进。
终孔后,先取出钻杆,然后下PVC管,起拔套管。
接头套接用塑料带密封,确保不脱节及接头处不漏浆。
钻孔结束,由质检人员进行孔斜、孔深、孔位等质量检查,验孔合格后即可进行喷射作业,不符合要求的孔重钻。
(2)喷射准备高喷灌浆分II序施工,先施工I序孔(旋喷孔),再施工II序孔(摆喷孔)。
相邻次序孔施工时间间隔不少于48h。
1.1三管高压旋喷桩防渗墙施工方案1.1.1概述三管高压旋喷桩施工要求为:(1)三管高压旋喷桩旋喷桩径Φ1200,桩距1000,桩身偏斜率不大于0.5%。
(2)高压旋喷桩材料采用32.5普通硅酸盐水泥,水灰比1:1。
(3)高压旋喷桩灌浆压力20~30MPa,具体压力需现场试验确定。
旋喷灌浆时提速8~10cm/min,高压水流量80L/min,压气流量1200L/min,喷浆浆液流量80~120L/min。
喷射管分段提升搭接长度不得小于100mm。
(4)喷射孔与高压注浆泵的距离不大于50m,钻孔的位置与设计的位置偏差不得大于50mm。
(5)检测点的数量为施工孔数的1%,并不小于3点,质量检验在高压喷射注浆结束28d后进行。
1.1.2施工安排根据施工总进度要求,拟安排1套旋喷桩施工机械设备进行三管高压旋喷桩施工。
1.1.3三管高压旋喷防渗墙工艺1.1.3.1三管高喷灌浆施工工艺流程1)准备工作:“三通一平”后,在大坝三管高压旋喷防渗墙施工轴线一侧布置二个水泥平台及灌浆平台,沿防渗墙轴线布设宽度不小于8.0m的工作面,按《高压旋喷防渗墙孔位平面布置图》在防渗墙轴线上测定出高喷孔位,并做好标记。
孔位定出后,即可进行钻机、高喷台车就位和安装调试设备,为正式施工做准备。
2) 泥浆制备:由于地层主要为大坝填筑土,将采用泥浆护壁造孔,泥浆制备采用优质粘土造浆,泥浆比重控制在1.08~1.2,粘度17~20s ,胶体率>90%,含砂量<4%。
3) 钻孔:采用PH-5B 型深层搅拌桩机钻进,孔径φ150mm ,采用泥浆护壁正循环钻进,孔深按设计要求控制,施工时分二序孔进行,钻孔过程中应注意控制泥浆的比重,避免出现塌孔及埋钻现象,控制孔斜率<1.0%。
4) 高压旋喷:根据设计要求,采用三重管并列式喷射管,喷射管长度大于孔深,一次提升喷射完毕,保证防渗墙的连续性与完整性。
图 错误!文档中没有指定样式的文字。
-3 三管高压旋喷法施工工艺流程(a)钻机就位钻孔;(b)钻孔至设计标高;(c)旋喷开始;(d)边旋喷边提升;(e)旋喷结束成桩;(a) (b) (c) (d)(e)1—钻孔机械;2—高压泥浆泵;3—高压胶管1.1.3.2 高压喷射灌浆施工流程图施工程序为钻孔、下置喷射管、喷射提升、成桩成板或成墙等。
某项目湖堤高压旋喷止水设计方案及施工组织设计二〇一三年四月O1、工程概况 (1)1.1 高喷墙设计 (1)1.2检测 (3)1.3工期 (3)2、施工组织 (3)2.1 人员组成 (3)2.2 主要施工机具设备配置 (3)2.3 施工进度计划及工期 (4)3、高喷施工 (4)3.1 工艺流程 (4)3.2 高压旋喷 (5)3.3 施工过程中特殊情况的处理 (6)4、质量保证体系及措施 (7)4.1 工程质量目标 (7)4.2 质量管理体系 (7)4.3 质量职责 (7)4.4 质量保证措施 (8)5、安全保证体系及措施 (9)5.1 安全体系 (9)5.2 安全生产保证措施 (10)6、环境保护措施 (11)6.1 环境保护措施 (11)6.2 环境卫生管理措施 (12)7、文明施工 (12)7.1 文明施工管理标准 (12)7.2 文明施工保证措施 (13)T1、工程概况某项目人工湖湖堤采用泥岩岩块填筑,填土层下部为粉质粘土,现湖边基坑开挖后,基础修建过程中,由于湖水水位高于基底开挖标高,湖水沿湖土堤渗漏到基槽中,导致基础施工无法顺利开展,根据现场各方商议,现拟采用高压旋喷对湖堤进行止水处理。
1.1 高喷墙设计考虑到场区内湖堤上部主要采用泥岩岩块回填,下部主要为粉质粘土,下伏基岩为相对隔水的泥岩。
现表层泥岩岩块部分已风化成土,但泥岩回填层与原土层界面渗水严重。
结合防渗堵漏布孔设计要求,按现行的规程,考虑场地实际地层情况,取设计桩径0.5±0.1m,布两排孔,孔距L应为0.866R0(R0-旋喷设计桩径),最经济旋喷桩的交圈厚度e按下式计算e=,防渗轴线沿基坑边线布置,深入基岩0.5~1.0m,或深入最大开挖面下一倍水头高度,防渗连续墙(板墙)最小厚度0.4m,钻孔间距0.3m,排距0.25m,采用双排布置。
1.1.1 高压喷射止水段长根据现场开挖,主要渗水段长约50m,考虑两端延长,止水段长取60m。
高喷防渗墙施工组织设计1、施工规划总讲明书编制依据本施工组织设计编制依据:〔1〕业主提供的招标文件、设计图纸、参考资料及现场勘察资料;〔2〕与工程建设有关的法律、法规;〔3〕与工程有关的国家、行业、地点技术规程、标准和标准;〔4〕与工程有关?工程建设标准强制条文?〔水利工程局部〕建标[2000]234号规定;〔5〕本公司内部相关的治理方法、技术标准和ISO9001质量保证体系文件;〔6〕本公司长期积存的施工经验。
1.2编制原那么本施工组织设计编制的原那么是:〔1〕满足招标文件中对工程质量、工期、投资、平安生产、文明施工等要求;〔2〕满足与业主、监理、设计及其它相关单位协调施工;〔3〕充分利用工作面,调动一切能够利用的人员、机械设备、资金等所需资源,保证均衡生产;〔4〕充分发扬我公司的治理水平和技术优势,采纳先进的施工工艺和施工方法,确保工程质量到达优良。
1.3施工治理总目标我公司将全面响应招标文件的要求,按照“精心组织、科学治理、文明施工、质量一流〞的指导方针,实现以下总目标:〔1〕工程质量目标:讲科学,重质量,确保单元工程质量到达一次交验合格率100%,分部工程优良率到达85%以上,单位工程质量优良。
〔2〕工期目标:按照均衡生产的原那么组织施工,确保防渗墙工程元月10日前完工。
〔3〕平安生产、文明施工目标:不出现重大伤亡事故和机械责任事故,创平安、文明施工标准化工地。
1.4工程概述×××闸位于东荆河堤右岸桩号×××处,为排灌两用闸,兼顾防洪效益。
闸孔尺寸为3×,2孔,设计浇灌流量27m3/s ,设计排水流量35m3/s 。
该闸建成于1963年,为钢筋砼拱涵结构。
闸身总长,闸室段长,四节涵洞长均为。
消力池段分两段,分不长。
闸底板高程〔以下除特殊讲明外,均为黄海高程〕,底板厚,检修平台高程,原启闭平台高程与堤顶同高,为。
涵洞净宽,直墙高,墙厚0.8~1.2m ,洞顶内半径,顶部厚度,洞顶高程。
镇海区懈浦大闸外移工程高压摆喷施工专项方案浙江泰阳建设有限公司2016年1月5日目录第一章编制依据.................................................... 第二章工程概况.................................................... 第三章施工部署.................................................... 第四章高压摆喷施工流程和施工方法.................................. 第五章高压摆喷施工质量保证措施.................................... 第六章高压摆喷施工安全检查要点.................................... 第七章主要机具设备、材料和劳动力使用计划.......................... 第八章施工进度计划................................................第一章编制依据1.1《水电水利工程高压喷射灌浆技术规范》(DL/T 5200-2004)1.2 设计院提供地质情况第二章工程概况2.1工程概况本工程地下连续墙厚0.6m,长5m,地质情况分布有淤泥,淤泥质粉土、粉土、细砂等,经过对各种防渗方案的详细比较和类似工程经验,我方建议采用高压摆喷对接形成防渗墙来进行截渗,高压摆喷桩长为6m,约762枚。
高压喷射防渗墙工程总量为4572m。
2.2摆喷作业概况(1)材料①高喷注浆用的浆液的主要材料-水泥,在使用前应作质量检侧,水泥应新鲜无结块。
②搅拌水泥浆所用的水应符合混凝土拌和用水标准。
③高喷用的水泥浆液要严格按照预定的配合比配置,在注浆前10分钟必须搅拌好浆料,搅拌时间不得少于5分钟,拌制好的浆液不得离析。
④高喷用的水泥浆液应符合以下规定:采用不低于强度等级为42.5级的硅酸盐水泥,喷入浆液的水灰比1:1,水泥掺量为35%。
东源县柳城电站土建工程高压旋喷防渗墙工程施工组织设计编制:审核:编制日期:惠州市水电建筑工程有限公司东源县柳城电站土建工程项目经理部目录一、概述--------------------------1二、施工部署----------------------1三、工程施工目标------------------5四、施工方法及技术措施------------6五、施工进度计划------------------7六、工程质量检查和验收定----------8七、安全施工----------------------8一、概述(一)、编制依据1、《旋喷注浆加固地基技术》铁道部旋喷注浆科协组;2、中华人民共和国行业标准《建筑地基处理技术规程》(JGJ79-2002);3、《水电水利工程高压喷射灌浆技术规范》(DL/T5200-2004);4、施工现场的实际情况、周边环境和设计的相关要求;5、我公司自身的施工能力、经验及有关规定。
(二)、工程概况及场地周边环境柳城水电站是由深圳市富源能源有限公司投资兴建的,为河床式开发水电站。
本次施工为二期闸坝施工做纵向防渗墙及一期防淘墙。
施工工作面总长度约300m,根据地质钻探资料,东江流域的地理条件及上游其他同类工程经验,拟设计高压旋喷桩桩间距为0.8m,总桩数约为380根,桩长嵌入强风化基岩1.0m,总工程量约为800m.(三)、场地工程地质条件柳城水电站位于东江干流上,河道涸水期水位平均约2.50m。
河道地层自上而下为:①冲洪积砂卵石层,呈松散状态;②残积粘性土层;③基岩为灰岩。
(四)、施工条件施工现场已完成“三通已平”,施工运输车辆可直接入进现场,现场地大致平整。
基本具备施工条件。
二、施工部署(一)、施工准备1、现场准备1)、根据现场条件、及时接通施工所需的水、电线路,准备平整好材料堆放场地;2)、将防渗墙起始、终止电确定好,打好轴线,施放旋喷桩桩位点,每个桩位点必须打入木桩或竹片,作好标记;3)、组织施工机具进场,根据施工机具需要量机进场时间计划,组织施工机械、设备和工具进场,设备进场后,布置好各台套旋喷机、引孔钻机施工布置,设置好各台套旋喷机施工后台及施工材料的堆放场地,机械、设备安装好并应进行相应的保养和试运行;4)、组织建筑材料进场。
根据材料供应计划分批组织进场,按规定的地点和方式储存或堆放,并做好遮盖保护,同时对各种进场材料进行抽检试验,对不合格的材料坚决退货;5)、拟定有关检验项目计划,建筑材料进场后,应进行各项材料的检验;6)、做好场地施工废水、泥浆排放计划,保持场区干爽。
2、技术准备1)、在进人现场后,立即会砼建设单位、监理单位对场地工程地质、水文地质原始资料的调查分析;2)、做好测量工作,与有关部门联系,现场测放初施工轴线;3)、会同建设单位、监理单位熟悉和审查图纸,了解高压旋喷桩施工设计技术参数,编制施工组织设计,并向施工人员进行技术交底。
施工现场各级人员必须认真学习图纸、会审记录、施工方案及施工规范等技术文件,减少和避免施工误差;4)、编制施工进度计划,编制各项材料进场计划;5)做好三级安全技术交底工作,做好职工进场教育工作,提高职工安全防火及文明施工意识。
为落实施工计划和技术责任制,应按管理系统等级进行交底。
交底内容包括:工程施工计划;各项安全技术措施、质量保证措施,质量标准和验收规范要求,同时健全各项规章制度,加强遵纪守法教育。
(二)、施工顺序本项高压旋喷桩施工顺序、工艺流程如下(三)、施工组织管理机构及其职能由于高喷防渗墙围堰的防渗效果,直接影响到闸坝施工的进度、质量及安全,我公司将组织专业的高喷施工队伍进行施工,配备专业的施工员、质检员进行质量监控,本工程的工程量大、工期较紧。
施工工序方法和质量及相应的管理直接影响防渗围堰的防渗效果及施工进度,要求组织严密,管理严谨,工序紧凑及人员数量、质量可靠。
1、本工程项目经理部组织架构如下:(四)、施工人员、机械设备的投入1、计划投入机械设备(附2、施工期间计划投入人员计划投入高喷机2台:每台套配备操作工6人,共16人;计划投入地质钻机8台:每台地质钻机配备操作工人2人,机长1人,工24人:转运泥粉等材料(含上、下车):8人;管理人员:4人,电工:1人,电焊工1人,工6人;计划总投入劳动力:54人。
三、工程施工目标本工程将作为我司基础施工工程重点项目来施工,实施全面质量管理体系,配备较强的管理和技术力量,以高素质的施工队伍,投入先进的施工机械设备,科学组织、严格管理、精心施工。
我司将按“严格管理、保证质量、文明施工、真诚服务”要求自己,以“质量第一、安全第一、信誉为重”为宗旨,保证优质高效文成本工程的施工任务。
(一)、质量目标本工程施工质量符合设计要求和国家规范规定,确保达到合同要求的质量标准,并确保一次成优。
(二)、安全目标在施工过程中,我司将强化安全生产管理与安全教育,采用各项有效措施,杜绝重大和大事故发生,确保现场施工安全生产达标。
安全生产目标:杜绝重大伤亡事故的发生,轻伤率控制在1‰以内。
(三)、工期目标本工程施工目标事按业主要求,在40各日历天完成合同范围内所有施工内容,并通过竣工验收。
我司将采取各种有效措施,在保证工程质量和施工安全的前提嵌,保证按期完成全部工程,使其能按期投入使用,充分发挥其经济效益。
(四)、文明施工目标文明施工是体现一个施工企业形象的窗口,并可以从一个侧面反应施工企业的施工管理水平,它对提高工程质量和生产效益均能起到重要作用。
本公司将把文明施工作为现场管理工作中的一个重要组成部分紧抓不放。
四、施工方法及技术措施旋喷桩采用三重管符合喷射高压水流和压缩空气、水泥浆液的工艺,其施工工艺流程如下:测方孔位→冲洗器具→回灌浆液→移机至下一孔位。
(一)、确定桩位测放孔位:按设计要求进行,在确定孔位时,应由甲乙双方技术人员共同参与确定,为保证孔位的准确性,桩位必须打入木桩或竹片尖做标记。
(二)、钻机引孔先使钻机安置在标定的孔位上,使钻头中心对准孔中心,桩位偏差部应大于±5cm;调整钻机水平度及钻杆垂直度,施工时保证钻孔的垂直偏差部超过1%;成孔直径为110mm,深度进入强风化岩1.00m;终孔后较量钻具,孔深精度控制在±10cm以内;以满足设计要求方可终孔。
、(三)、三重管发高压旋喷桩高喷灌浆注浆材料为32.5R普通硅酸盐水泥,水灰比1.0~1.2,要求水泥用量≥550Kg/m(11包/m),可根据需要在水泥浆液中加掺和料和速凝剂、减水剂等外加剂,水泥浆的搅拌时间:使用高速搅拌机应不小于30s,使用普通搅拌机应不小于90s,水泥浆自制备至用完的时间不应超过4h.高压注浆泵的性能应与所注浆液的类型、密度相适应,各种压力表应定期进行检查。
高喷灌浆自上而下连续作业,喷射注浆管提升速度每分钟不超过7cm,中途接、卸喷射管时,注意保证搭接段应复喷,复喷长度不得小于0.2m。
高喷灌浆因故终端后恢复施工时应对中断孔进行复喷,搭接长度不得小于0.5m。
高喷灌浆过程中,出现压力突降或骤增,孔口回浆密度或回浆量异常等情况时,必须查明原因,及时处理。
若孔内发生严重漏浆,可采取以下措施处理:(1)降低喷射压力、流量,进行原位灌浆;(2)在浆液中加入速凝剂;(3)加大浆液密度或灌注水泥砂浆,水泥粘土浆等;(4)向孔内注入砂、土等堵漏材料。
孔口不返浆时,应立即停止提升,孔口少量返浆时,应降低提升速度,在进口浆正常的情况下,若孔口回浆密度变小,回浆量增大,应降低气压并联加大进浆浆液密度或进浆量。
高喷灌浆过程中发生串浆时,用填堵串浆孔,待灌浆孔高喷灌浆结束,尽快对串浆孔扫孔,进行高喷灌浆,或继续钻进。
高喷浆过程中应采取必要措施保证孔呢你浆液上返畅通,避免造成地面劈裂或地面抬动。
当局部需要扩大高喷射范围或提高凝结体的密度时,可采取复喷措施。
在旋喷注浆完成后,浆液与砂卵石搅拌混合后的凝固过程中,由于浆液析水作用产生收缩,必须在施工下一根桩时,用旋喷桩流出的浆液补上一根做好的桩充满为止。
各类地层施工三重管高压旋喷桩经验参数值五、施工进度计划现场施测施工工作面总长约300m,总桩数约为380(包括防淘墙),计划投入2台套旋喷机,4台钻机为1台套旋喷机引孔,防渗墙部分;每台套旋喷机每天完成4条桩,每天工完成8条桩;防渗墙部分;每台套旋喷机每天完成8条桩,每天共完成16条桩,总工期约40天完成。
六、工程质量检查和验收施工过程中应对高喷灌浆材料,浆液和各道工序的质量进行控制和检查,并作好记录;高喷墙的防渗性能应根据墙体结构形式和深度选用围井、钻孔或其他方法进行检查;围堰堰体和堰基中的高喷墙,可在基坑开挖时测定其渗水量,并检查有无集中渗水点,据此分析整体防渗效果;高喷墙防渗工程的质量应结合分析施工资料和检查测试成果,综合评定。
七、安全施工(一)、安全有效措施建立安全管理机制;安全教育、班前教育;安全检查;安全管理资料;(二)、用电安全措施1、在施工现场专用的中性电直接接地的低压电力线路中,必须采用TN-S接零保护系统(即三相五线制);2、施工现场的配电箱和开关箱至少配置两级漏电保护器,漏电保护器应选用电流动作型,一般场合漏电保护器的额定漏电动作电流不大于30mA,额定动作时间应部大于0.1S,额定漏电动作电流和额定动作时间乘积的极限为(不大于)30mA.s;3、配电箱、开关箱的设置应遵守“三级配电两极保护的原则,三级配电即总电箱-分配电箱-开关箱-用电设备;两级保护即保护零线和漏电保护器。
开关箱距离机具不能超过3米,开关箱实行“一机、一闸、一漏、一箱”保护。
4、所有电线架设都必须使用专用电杆、绝缘纸、横担等,按规范要求架设,带电导线与导线之间的接头必须绝缘包扎,带电导线必须绝缘良好;带电导线严禁搭、挂、压在脚手架或其它物体上。
5、教育、培训为提高施工老同志的用电人员的综合素质和基本技能。
应定期组织各类用电人员进行安全基本知识培训,经过专利证书合格者持证上岗,禁止无证或随意串岗。
(三)、安全生产保证措施坚持贯彻执行国家颁发的有关安全规定,严格按照施工安全操作规程及施工安全操作条例要求施工。
健全机构,建立施工安全小组,经常展开安全活动来断检查施工安全情况,消除安全隐患。
除认真教育工人严格执行国家及企业有关施工安全操作堆积和施工安全条例外,并采取以下措施以保证安全施工:安全宣传、安全教育、安全交底要落实到每个班组、个人,严格做到安全交底在前,施工操作在后。
工人进场前必须先进行安全教育交底。
1、工地建立以项目经理为首的安全生产责任小组和安全检查轮值小组,负责日常的安全生产工作;2、安全宣传、安全教育安全交底要落实到每个班组、个人,工人进场前必须先进行安全教育交底;3、凡进入施工现场必须戴安全帽,一切生产人员、工作人员必须穿劳保鞋,严禁穿高跟鞋、拖鞋或赤足操作;4、交叉作业时,施工人员应注意操作范围内的他人的安全,夜间作业应有足够的照明。