家装水电施工验收单(通用)
- 格式:doc
- 大小:45.00 KB
- 文档页数:3
家居装饰水电施工验收单
项目信息
- 项目名称:[项目名称]
- 业主姓名:[业主姓名]
- 施工单位:[施工单位]
- 施工负责人:[施工负责人]
- 施工日期:[施工日期]
水电施工验收内容
1. 电路布置
- 检查电线的敷设情况,确保合理布线。
- 检查插座和开关的数量和位置,符合设计要求。
- 检查电线和插座的接线是否牢固可靠。
2. 水管连接
- 检查水电管道的连接是否紧固,没有漏水现象。
- 检查水龙头、淋浴头等水管设备是否安装正确,使用正常。
3. 照明设施
- 检查照明设施的安装位置和数量是否符合设计要求。
- 检查灯具的开关操作是否正常,无故障。
4. 强弱电设备
- 检查网络、电视、电话等弱电设备的连接情况。
- 检查报警、监控等安全设备的安装和运行情况。
5. 验收标准
- 水电施工符合相关法规和标准要求。
- 无水电设备故障和漏水现象。
- 电路布置合理,操作正常。
验收结果
经过验收,本次水电施工符合要求,可进行下一步装饰工程。
验收人员签字:____________________
日期:____________________。
家
装
工
程
验
收
单
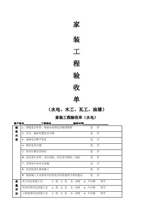
(水电、木工、瓦工、油漆)
家装工程验收单(水电)
客户姓名工程地址验收时间
水电质量确认单
业主认可签字工程部经理签字
家装工程验收单(水电)
客户姓名工程地址验收时间
家装工程验收单(木工)
客户姓名:________________ 工程地址: __________________ 联系电话:___________________ 验收时间:___________
业主认可签字_______________________ 项目经理签字: ____________________
业主认可签字工程部经理签字
家装工程验收单(油漆)
客户姓名:工程地址:联系电话:
验收时间:_ _
业主认可签字: __________________ 项目经理签字:________________________ 业主认可签字:项目经理签字:
家装工程验收单(瓦工)
客户姓名:工程地址:联系电话:
验收时间:_ —
备注: __________________________________________________________________。
家装合同工程水电验收单一、工程概况1. 工程名称:XXXXXXXXXXXXXXXXXXXX2. 工程地点:XXXXXXXXXXXXXXXXXXXX3. 工程日期:XXXX年XX月XX日至XXXX年XX月XX日4. 工程金额:人民币XXXXXXXX元整5. 工程承包方:XXXXXXXXXXXXXXXXXXXX6. 工程发包方:XXXXXXXXXXXXXXXXXXXX二、验收依据1. 合同约定的工程质量标准和要求;2. 水电工程设计方案和施工图纸;3. 国家和地方相关法规、规范、标准和质量评定标准;4. 施工过程中的相关签证、变更和验收记录。
三、验收内容1. 给水管道(1)给水管道安装应符合设计要求,管材、管件应符合国家相关标准;(2)给水管道应布局合理,走向清晰,固定牢固;(3)给水管道与排水管道、电源线、燃气管道等应保持足够距离,交叉处应采取防护措施;(4)给水管道试压、冲洗、消毒应符合相关规定。
2. 排水管道(1)排水管道安装应符合设计要求,管材、管件应符合国家相关标准;(2)排水管道应布局合理,走向清晰,固定牢固;(3)排水管道与给水管道、电源线、燃气管道等应保持足够距离,交叉处应采取防护措施;(4)排水管道试压、通球试验应符合相关规定。
3. 电路工程(1)电路设计应符合国家相关标准和家庭用电需求;(2)电线、电缆应符合国家相关标准,绝缘性能应良好;(3)电路敷设应布局合理,走向清晰,固定牢固;(4)电路保护措施应到位,防火、防漏电措施应符合相关规定;(5)开关、插座、配电箱等安装应符合设计要求,功能应正常。
4. 燃气工程(1)燃气管道安装应符合设计要求,管材、管件应符合国家相关标准;(2)燃气管道应布局合理,走向清晰,固定牢固;(3)燃气管道与给水管道、电源线、排水管道等应保持足够距离,交叉处应采取防护措施;(4)燃气管道试压、吹扫、点火试验应符合相关规定。
四、验收程序1. 工程竣工后,承包方应向发包方提供完整的工程资料,包括设计方案、施工图纸、签证、变更、验收记录等;2. 发包方应组织相关单位对工程进行验收,验收组成员应具备相关专业知识;3. 验收组应按照本验收单依据进行验收,填写验收记录,对工程质量、安全、进度等方面进行评估;4. 验收组对工程验收合格后,应出具验收合格证书,发包方支付合同剩余款项;5. 验收组对工程验收不合格的,应要求承包方按照验收意见进行整改,直至达到验收标准。
家装工程验收单XXX家装工程验收单(水电)客户姓名:_________________工程地址:___________________验收时间:_______________验收内容:1、排线是否穿管,线接头处理是否圆滑紧密。
您是否满意?2、开关、插座位置是否合理。
您是否满意?3、线路是否横平竖直。
您是否满意?4、线径是否正确。
您是否满意?5、供水位置是否到位。
您是否满意?6、是否进行水管、水压试验,试压是否规范、达标。
您是否满意?7、水管接头处有无渗漏。
您是否满意?8、是否按设计要求施工。
您是否满意?9、现场施工人员和项目经理是否向您提供合理化建议。
您是否满意?质量评定:业主评定质量工艺:1、优 2、良 3、合格 4、不合格。
请签字:________项目经理评定质量工艺:1、优 2、良 3、合格 4、不合格。
请签字:________工程监理评定质量工艺:1、优 2、良 3、合格 4、不合格。
请签字:________水电质量确认单工程施工项目:1、电路改造工程(强弱电)暗装铺设、(强弱电)明装铺设、开槽(墙顶)2、水路改造工程:6分PPR热水管、开槽(墙)、50PVC下水管改造、50PVC下水管改造单位:m、单价:见预算、数量合计业主认可签字:______________工程部经理签字:__________________XXX家装工程验收单(木工)客户姓名:_________________工程地址:___________________联系_________________验收时间:__________年__________月________日____________时验收内容:1、材料是否按预算材料使用。
您是否满意?2、门窗、衣柜门、房间门、抽屉开关是否灵活。
您是否满意?3、门边亮缝是否达标。
您是否满意?4、实木收边是否光滑、顺真、严密。
您是否满意?5、是否按图纸和设计要求施工。
您是否满意?4、您是否满意房门和家具门上下端头的油漆处理?5、您是否满意门、窗、套、线条四周的填实情况?6、乳胶漆接头处是否明显?您对此是否满意?7、您是否满意阴阳角的顺直情况?8、使用的材料是否符合规定?您对此是否满意?9、在做色漆时,是否向您提供了色卡和做样板?您对此是否满意?业主评定质量工艺:请在下面选择一个选项并签字。
装修工程验收单(精选3篇)装修工程验收单篇1甲方:________________乙方(施工方):________________工程名称:________________ 工程总造价:________________工程地址:________________ 竣工时间:________________工程内容:________________ 验收时间:________________验收结果合格( ) 不合格( ) 局部修理( )施工单位:________________自检意见:________________项目经理:________________建设单位:________________验收结论:________________注:此表一式二份,甲方、乙方归档各一份。
甲方参验人员签名:________________ 乙方签字:________________ 日期:________年________月________日装修工程验收单篇2一、装修工程合同模板甲方:_________________________________________乙方:_________________________________________根据《中华人民共和国民法典》、《建筑工程承包合同条例》及相关法律法规,甲乙双方在平等自愿的基础上协商一致,签订本合同,以资共同遵守。
第一条工程项目概况1、工程地点:_____________________________2、工程范围:_________________________附《工程预算表》。
3、质量标准:质量验收标准按国家颁布的《建筑装饰装修工程质量验收规范》等相关法律法规执行。
4、承包方式:由乙方采用包工包料的方式承包。
第二条合同价款及调整1、工程造价:总承包价为____________元,大写人民币__________,装修工程包含的项目详见《工程预(结)算表》。
住宅装修水电施工验收单
项目信息
- 业主姓名: [填写业主姓名]
- 项目地址: [填写项目地址]
- 施工单位: [填写施工单位]
施工内容
- 水电线路敷设:已完成
- 水电插座安装:已完成
- 照明设备安装:已完成
- 电气开关安装:已完成
验收内容
1. 水电线路敷设:检查已完成的水电线路敷设是否符合相关规范,并确认没有电线漏露或损坏。
水电线路敷设:检查已完成的水电线路敷设是否符合相关规范,并确认没有电线漏露或损坏。
2. 水电插座安装:检查已安装的插座是否紧固稳固、导线无缺陷,并测试插座的使用正常。
水电插座安装:检查已安装的插座是否紧固稳固、导线无缺陷,并测试插座的使用正常。
3. 照明设备安装:检查已安装的照明设备是否牢固、灯泡正常,并测试灯具的使用正常。
照明设备安装:检查已安装的照明设备是
否牢固、灯泡正常,并测试灯具的使用正常。
4. 电气开关安装:检查已安装的开关是否灵活、导线无松动,
并测试开关的使用正常。
电气开关安装:检查已安装的开关是否灵活、导线无松动,并测试开关的使用正常。
验收结果
经过检查,施工单位对上述施工内容已经完成,并符合相关规
范要求。
附注
- 若发现任何施工问题或存在质量隐患,请及时联系施工单位
进行处理。
- 验收人员: [填写验收人员姓名]
- 日期: [填写验收日期]
以上为住宅装修水电施工验收单,请仔细核对确认后签字。
室内装修水电验收单
编辑整理:
尊敬的读者朋友们:
这里是精品文档编辑中心,本文档内容是由我和我的同事精心编辑整理后发布的,发布之前我们对文中内容进行仔细校对,但是难免会有疏漏的地方,但是任然希望(室内装修水电验收单)的内容能够给您的工作和学习带来便利。
同时也真诚的希望收到您的建议和反馈,这将是我们进步的源泉,前进的动力。
本文可编辑可修改,如果觉得对您有帮助请收藏以便随时查阅,最后祝您生活愉快业绩进步,以下为室内装修水电验收单的全部内容。
室内装修水电验收单。