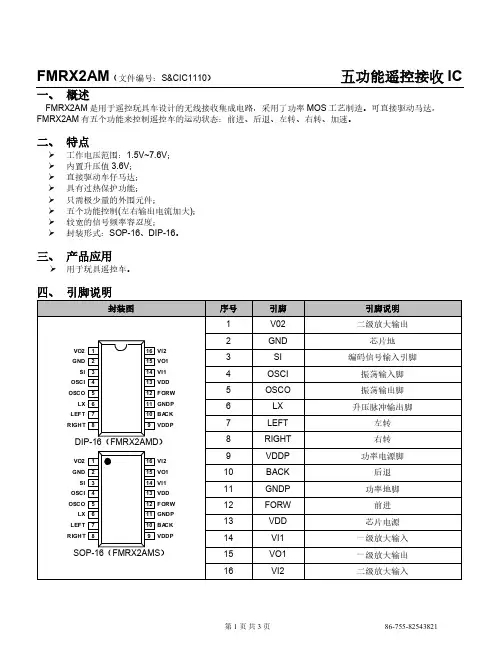
fmr532技术资料
- 格式:pdf
- 大小:3.85 MB
- 文档页数:44
固定式二维条码读取器RC532-4.0使用说明书版权所有1郑重声明RC532读取器已在中国专利局和商标局注册。
本说明使用的商标、商号及图标均属于北京意锐新创科技有限公司或其授权人,并受中华人民共和国法律及国际条约保护。
本说明书仅适用于书中所介绍的RC532读取器产品的使用和使用条件及环境要求的说明。
本说明书的资料的正确性已经被认真审核,但北京意锐新创科技有限公司对内容的解释有保留权。
本说明书的所有权属于北京意锐新创科技有限公司。
本说明书未经北京意锐新创科技有限公司明确的书面许可,任何人不得作为任何其它的目的、以任何的形式或手段使用、复制或传播本说明书的其他部分。
本说明书的内容,如有变动,恕不另行通知。
如果您对本说明书未提出书面异议,则表明您接受了上述的条件。
2安全警告使用读取器时:•请勿把设备窗口对准在直射日光及高温物体的附近。
•请勿设置在高温多湿的地方,及冷藏库等温度过低的地方,以避免读取器的电路、光学元件发生故障。
•请勿设置在会碰到水的地方,以避免出现故障。
•请勿在会产生电磁辐射的区域附近进行操作,避免影响读取器的正确识读。
•请勿将读取器跌落或振动•请勿随意拆卸。
•请勿连接不适当的配件。
3专有名词定义专业术语提醒:•RC532------条码读取器•CV-Star RC532------条码读取器的应用程序•LED------照明灯•LCD------液晶屏幕•QR码识别模式------指识读器读取QR码•汉信码识别模式------指识读器读取汉信码注意:主要是提示操作者的使用方式,节约设备学习时间,提高工作效率。
警告:主要告诉使用的正确操作,以免发生设备损坏和人员的身体伤害。
注意•本手册版权属于北京意锐新创科技有限公司所有•随机所附赠软件之版权均属于本公司所有•本手册所涉及的其它商标均属于本公司之注册商标•本公司保留对产品和手册之修改权利,恕不另行通知4目录目录 (5)1引言 (6)2 RC532介绍 (7)2.1 RC532读取器 (7)2.2 RC532读取器特点 (8)2.3 RC532参数 (9)3RC532的安装与卸载 (9)3.1 RC532程序安装 (10)3.2 程序的启动 (13)3.3 程序的卸载 (14)4RC532产品使用说明 (16)5 售后服务 (18)附件: (19)FAQ (19)设备工作环境 (19)51引言RC532产品是由北京意锐新创科技有限公司自主研发的固定式二维条码读取器,突破以往读取器的工作模式,合理的使数据采集和识别工作分离,有利的降低了应用成本,为第三方集成商提供极大的便利,为更多的应用提供了解决方案。
雷达液位计的调校规程E+H 雷达液位计内置参数示意图在E+H雷达液位计的现场调试过程中需注意以下参数的设置,参数设置的合理性将直接影响到介质测量的准确性1)罐体形状:在“00”基本设定菜单中“002”设置,包括拱顶罐、卧式柱形罐、旁通管、导波管(也适用于导波天线应用)、平顶罐、球罐等。
2)介质条件:在“00”基本设定菜单中“003”设置,包括介电常数未知、于1.4 至1.9 之间、于1.9至4 之间、于4 至10 之间、大于10 这几种类型。
3)过程条件:在“00”基本设定菜单中“004”设置,包括标准状态、平静表面、波动表面、搅拌器、快速变化等状态。
4)空罐高度:在“00”基本设定菜单中“005”设置。
输入从法兰(测量的参考点)到最低液位(=零点)的距离。
5)满罐高度:在“00”基本设定菜单中“006”设置,输入从最低液位到最高液位(=量程)的距离,理论上测量达到天线尖端的位置是可能的,但是考虑到腐蚀及粘附的影响,测量范围的终值应距离天线的尖端至少50 mm,但使用FMR532 型带平面天线时这一距离至少不得低于1 m。
6)盲区:在“05”扩展标定菜单中“059”设置,是指能够测量的最高物位与测量参考点之间的最小距离,当物位处于盲区时,无法保证物位的可靠测量。
FMR530 型设定数值为喇叭天线的长度,FMR532 型设定数值为1m。
7)安全距离:在“01”安全设定菜单中“015”设置,设定数值参照“满罐高度”设置说明,现场调试中注意区分FMR530 型和FMR532 型。
8)做固定目标抑制:目的是消除液位回波以外的杂波(例如边角,焊缝等)对雷达测量的影响,使测量更精确,可在“05”扩展标定菜单中“051”“052”“053”使用干扰抑制功能对内部的干扰回波进行抑制,使其不被当作真实物位回波进行计算。
首先对液位“L”和距离“D”与实际人工检尺数值进行比较,若存在误差,选择菜单“051”中“手动”选项,然后在菜单“052”中输入抑制范围,抑制范围必须在实际液位前0.5 米结束,根据已知的空罐值E,则抑制范围为:E-L(实际液位)-0.5 m,最后在菜单“053”中启动干扰回波抑制,在抑制过程中,可在菜单“0E2”中记录抑制曲线(包络线),对固定目标抑制进行检查分析。
Products Solutions Services Micropilot FMR5x雷达产品介绍型号FMR50FMR51FMR52FMR53FMR54FMR56FMR57应用经济简单液体标准型防腐/卫生型低频/杆式天线低频/导波管应用固体简单型固体标准型过程压力bar1...31...1601...161...401...1601...31 (16)过程温度℃40...130196...45040...20040...150196...40040...8040 (400)测量范围m max.40max.70max.60max.20max.38max.30max.70精度mm±2±2±2±6±6±3±3输出420mA/HART,PROFIBUS PA,FF基金会现场总线,开关量输出Micropilot FMR5x雷达产品线Micropilot 组成(2012)塑料铝不锈钢420mA 420mA 表壳420mA PFS 420mA DC 420mA AC防爆认证电子模块ATEX2wire 4wireHistoROM显示远程显示FHX50420mA–+ 1Q.FMR50FMR51FMR56FMR57FMR54FMR52FMR53+ 100mm horn up to 250°Cor 450°C (Feb. 2013)up to 400°C固体(简单工况)固体液体(简单工况)液体卫生/防腐绝缘HT/HP + 100mm horn+ planar (Feb. 2013)316L in prep.塑料机械按键或者不需要开盖即可操作的光敏按键(2013/2)传感器类型液体FMR50 (基础型)FMR244升级版新100mm 喇叭FMR51 (标准型)FMR240升级版新250°C/450°C FMR52 (卫生/防腐PTFE)FMR245升级版FMR53 (绝缘杆PTFE)FMR231升级版白色PTFE 杆FMR54 (HT/HP)FMR230升级版平板天线FMR532固体FMR56 (basic)*FMR244升级版新100mm 喇叭FMR57 (standard)*FMR250升级版新400°CK B a n dC B a n dK B a n dP V D F 喇叭喇叭喇叭带填充平板天线杆式抛物面对准最大距离*(液体w .高级动态模块.)最高精度±2mm,*(±3mm)±2mm,*(±3mm)±2mm,*(±3mm)±6mm±6mm±3mm±3mm30m/98ft,*(40m/131ft)40m/131ft,*(70m/229ft)40m/131ft,*(60m/197ft)20m/65ft20m/65ft30m/98ft70m/229ft sealing Align.unit +air purge✓✓✓390/540mm✓150/200/250/300mm✓50/80mm✓80/100/150/200mm ✓plastic 80/100mm✓✓plastic 80/100mm✓40mm ✓* advanced dynamics最优的性价比温度40…+130°C/40…+266°F 压力1…+3bar/14.5…+43.5psi 过程连接: 1½“ 螺纹装配架或者松套法兰最大检测范围可达40m/131ft 最高检测精度±2mm/0.078inch K Band 26GHzFMR50 –基本型FMR50WHGF M R 51WHGFMR51 –通用型过程连接1½“ 螺纹, tri clamp 或者法兰最高安全防护标准,带气密连接的双层防护温度196…+450°C /321…+842°F 压力1…+160bar /14.5…+2,320psi 最大检测距离70m/230ft最高检测精度±2mm/0.078inch K Band 26GHzWHGFMR52 –卫生型齐平安装无缝设计,依据ASME BPE (CoC )标准所有接液部分材质符合FDA 卫生标准,满足USP Class VI 要求卫生型过程连接不会破坏检测介质生物特性FMR52FMR52 –抗腐蚀型喇叭天线口PTFE 全填充齐平安装温度40…+200°C/40…+392°F 压力1…+16bar/14.5…+232psi 最大检测距离60m/197ft 气密防护(可选)最高精度±2mm/0.078inch K Band 26GHzFMR52FMR52 –卫生型齐平安装无缝设计,依据ASME BPE(CoC)标准所有接液部分材质符合FDA卫生标准,满足USP Class VI要求卫生型过程连接不会破坏检测介质生物特性过程温度40…+200°C/40…+392°F过程压力1…+16bar/14.5…+232psi最大检测距离60m/19ft最高精度±2mm/0.078inchK Band 26GHzWHGFMR53WHG FMR53 –液体检测通用型最优的性价比带PTFE镀层(包含法兰镀层)的杆式天线过程温度40…+150°C/40…+302°F过程压力1…+40bar/14.5…+580psi过程连接: 1½“ 螺纹或法兰最大检测距离20m/66ft最高检测精度±6mm/0.23inchC Band 6GHzFMR54WHG FMR54 –液体极端工况——高温型喇叭口或者导波管(平板)天线可供选择过程温度196…+400°C/321…+752°F过程压力1…+160bar/14.5…+2,320psi过程连接法兰最大检测距离: 20m/66ft最高检测精度±6mm/0.23inchC Band 6GHzMicropilot FMR51/54 高温型产品FMR54WHG FMR51 –针对复杂检测工况-高温型最高安全防护标准,带气密保护的双层防护安全一致性等级最高可达SIL3 (冗余设计)过程连接法兰过程温度196…+450°C/321…+842°F 过程压力1…+160bar/14.5…+2,320psi最高检测距离: 70m/66ft最高检测精度±2mm/0.078inchK Band 26GHzFMR51FMR54 –针对复杂检测工况-高温型喇叭口天线和平板天线可供选择过程温度196…+400°C/321…+752°F过程压力1…+160bar/14.5…+2,320psi过程连接法兰最大检测距离20m/66ft最高检测精度±6mm/0.23inchC Band 6GHzFMR56 –固体料位检测-基本型最优的性价比过程连接装配架或者松套法兰过程温度40…+80°C/40…+176°F过程压力1…+3bar/14.5…+43.5psi FMR56最大检测距离30m/98ftK Band: 26GHzFMR57FMR57 –固体料位检测-通用型带自对准设计,能够调整仪表电磁波发射至料位表面的对准角度空气吹扫接口过程连接: 1½“ 螺纹或法兰过程温度40…+400°C/ 40…+752°F过程压力1…+16bar/14.5…+232psi最大检测距离: 70m/230ftK Band: 26GHz特点1:动态算法专利技术罐体跟踪历史信息用户维护人员/ 专家/ 服务人员静态算法软件参数动态算法软件参数计算模式:无历史信息短期历史长期历史静态算法的缺陷:强度大的回波优先没有动态跟踪——随机干扰,测量失准没有历史轨迹记录——降低效率动态算法:使用HistoROM 的历史数据参与运算动态跟踪回波轨迹回波识别和定位动态算法视频解析多路回波矢量跟踪算法(动态算法)专利号:US 7 819 002 B2让数据说话:检测精度:±2mm市面上精度最高的过程级雷达!多路回波矢量跟踪技术与FMR2xx的对比特点2:HistoROM⏹功能⏹用于动态算法⏹设备参数存储/事件记录存储⏹结合现场显示模块,提高维护操作效率⏹便利⏹电子插件更换更方便⏹只需要一把螺丝刀就可以了,不需要软件工具或者重置来启动测量⏹通过查询历史信息对设备进行诊断⏹保证了设置数据的安全数据恢复和备份也节省了时间HistoROM 和外壳一体(不会丢失和遗忘)HistoROM 记忆模块方便更换电子插件一分钟更换电子插件!!!HistoROM 和外壳一体,可以直接对更换的电子插件导入数据。
拉曼532nm激光参数
拉曼532nm激光器的参数主要包括中心波长、光谱线宽、输出功率、工作温度等。
1. 中心波长:532nm,波长公差为±。
2. 光谱线宽:<。
3. 输出功率:>100mW,功率可调,最高可达300mW。
4. 工作温度:10\~35℃,波长稳定范围为10\~35℃。
5. 物理规格:光纤芯径为105um,多模光纤,NA为。
6. 连接器类型:提供FC/PC或SMA。
7. 模块尺寸:英寸。
8. 外壳材料:阳极氧化铝。
9. 工作湿度:0\~80%,非冷凝。
10. 储存温度:-10\~+55℃。
11. 电气要求:输入电源为100\~240VAC,50\~60Hz,;保险丝为250V,1A,5mmx20mm,2个。
此外,拉曼532nm激光器还具有高光束质量、高波长稳定性、高功率稳定性等特点,适用于全息、拉曼光谱、荧光激发、生物工程等领域。
如需了解更多信息,建议阅读相关资料或咨询专业技术工程师。
技术规格TSFLUXUS_F532WDV6-0ZH_Leu2024-04-01 Flexim FLUXUS F532WD超声波流量测量仪FLUXUS F532WD 技术规格2024-04-01, TSFLUXUS_F532WDV6-0ZH_Leu2功能. . . . . . . . . . . . . . . . . . . . . . . . . . . . . . . . . . . . . . . . . . . . . . . . . . .3测量原理. . . . . . . . . . . . . . . . . . . . . . . . . . . . . . . . . . . . . . . . . . . . . . . . .3计算体积流量. . . . . . . . . . . . . . . . . . . . . . . . . . . . . . . . . . . . . . . . . . . . . . .3计算声速和流体温度. . . . . . . . . . . . . . . . . . . . . . . . . . . . . . . . . . . . . . . . . . . .4声程数. . . . . . . . . . . . . . . . . . . . . . . . . . . . . . . . . . . . . . . . . . . . . . . . . .4测量变送器. . . . . . . . . . . . . . . . . . . . . . . . . . . . . . . . . . . . . . . . . . . . . . . .5技术参数. . . . . . . . . . . . . . . . . . . . . . . . . . . . . . . . . . . . . . . . . . . . . . . . .5尺寸. . . . . . . . . . . . . . . . . . . . . . . . . . . . . . . . . . . . . . . . . . . . . . . . . . .72"管道安装组件 (可选). . . . . . . . . . . . . . . . . . . . . . . . . . . . . . . . . . . . . . . . . .7存储. . . . . . . . . . . . . . . . . . . . . . . . . . . . . . . . . . . . . . . . . . . . . . . . . . .7端子分配. . . . . . . . . . . . . . . . . . . . . . . . . . . . . . . . . . . . . . . . . . . . . . . . .8传感器. . . . . . . . . . . . . . . . . . . . . . . . . . . . . . . . . . . . . . . . . . . . . . . . . .9传感器选项. . . . . . . . . . . . . . . . . . . . . . . . . . . . . . . . . . . . . . . . . . . . . . . .9技术参数. . . . . . . . . . . . . . . . . . . . . . . . . . . . . . . . . . . . . . . . . . . . . . . . .9传感器固定件. . . . . . . . . . . . . . . . . . . . . . . . . . . . . . . . . . . . . . . . . . . . . . 11传感器的耦合材料. . . . . . . . . . . . . . . . . . . . . . . . . . . . . . . . . . . . . . . . . . . . 11连接系统. . . . . . . . . . . . . . . . . . . . . . . . . . . . . . . . . . . . . . . . . . . . . . . . 12接线盒. . . . . . . . . . . . . . . . . . . . . . . . . . . . . . . . . . . . . . . . . . . . . . . . . 13技术参数. . . . . . . . . . . . . . . . . . . . . . . . . . . . . . . . . . . . . . . . . . . . . . . . 13尺寸. . . . . . . . . . . . . . . . . . . . . . . . . . . . . . . . . . . . . . . . . . . . . . . . . . 132"管道安装组件. . . . . . . . . . . . . . . . . . . . . . . . . . . . . . . . . . . . . . . . . . . . .14技术规格 FLUXUS F532WD3TSFLUXUS_F532WDV6-0ZH_Leu, 2024-04-01功能测量原理超声波传感器安装在管道上,该管道完全充满流体。
第一章简介PR532A是用于驱动 M-T500系列热敏机芯的。
同时带有并行接口和串行接口,自动切纸,具备黑标检测和纸将尽检测功能,用户如有特殊要求,可以专门解决。
用户使用时特别注意事项:一:电源要求:A:建议用户采用控制器生产商提供的开关电源。
B:如果用户使用自己的开关电源应满足下列要求:(1):输出电压+24V±2.4V:平均电流不得小于2A,峰值电流不得小于15A (2):当电源无法满足上述要求时,可能产生无法打印,严重时可能损坏打印机和控制器,由此产生的后果应由用户自行承担。
C:电源输出插头类型及输出电压与地线的排列顺序应严格与控制器的电源输入插座类型及电压排列顺序保持一致,否则将导致损坏热敏打印头和控制器。
控制器电源输入插座类型及电压与地线的排列顺序见下图:地 +24V +24V 地E:上电操作规程1:将热敏机头与控制板连接好。
2:将PC机的联机线与控制板连接好。
3:关闭开关电源220V输入端:使开关处于关闭状态4:将开关电源输出插头接入控制板电源插座中。
5:打开开关电源开关,给控制板加电。
6:自检或联机测试打印。
F:维修保养操作规程1:关闭开关电源输出2:将控制板与PC机间的联机线脱开。
3:将控制板与热敏机头脱开。
4:将控制板和热敏机头分别包装好。
5:将有问题的部件送厂家维修。
特别注意事项:禁止一切带电操作,操作前请确信已经关闭电源。
检测打印机1:自检打印按住进纸键的同时打开打印机电源,当联机灯开始闪烁时,放开进纸键打印机开始自检测试打印一页,自检完后打印机自动进入联机状态。
按键,灯的操作通过板上的操作键可以控制打印机的功能。
板上的指示灯显示打印机的当前状态。
指示灯电源灯当打开电源开关并接通电源时,指示灯亮。
状态灯当打印机上无纸时,指示灯闪亮。
当打印机出现故障时,指示灯闪亮。
当控制板出现故障时,指示灯闪亮操作键进纸键按此键使打印机走纸一行,或按住此键使打印机连续走纸。
娱乐设备专用打印命令1: ESC p m n1 n2 设置开门锁格式: ASCII: ESC p m n1 n2十进制:27 112 m n1 n2十六进制:1B 70 m n1 n2说明:m=30H或00H,选择门锁1m=31H或01H,选择门锁2m=32H或02H,选择门锁3(打印板上丝印分别为:OPEN1,OPEN2,OPEN3)N1为开门锁时间,1~128,单位为0.5sN2为关闭的时间,1~128,单位为0.5s.建议:1b 70 00 06 03则开锁时间为:6*0.5=3秒;闭锁时间为:3*0.5=1.5秒2: DLE EOT N 实时传送门状态格式:十进制: 16 4 N十六进制: 10 04 N说明:根据n的值实时返回打印机的各种状态。
舟山世纪太平洋化工工程创亚太一流自动化控制基地舟山世纪太平洋化工有限公司舟山世纪太平洋化工工程创亚太一流自动化控制基地舟山世纪太平洋化工库区由南京扬子设计院设计,并对库区所有罐区、码头输配系统的自动控制系统采用以计算机为核心的数据采集和监控系统,油库的计算机控制系统采用分散式的数据采集、控制,集中监视和管理的方式。
控制中心完成对油库的数据采集、数据处理及存储归档、控制、故障处理、安全保护、报警等任务,同时完成罐区管理、罐区液位计量、流量计贸易交接计量、装船油泵运行状态、仪表故障诊断及分析等功能。
控制中心的调度和操作人员通过操作员工作站提供的油库储罐和库内管道的压力、温度、流量、密度、设备运行状态等信息对全库区进行监控及运行管理。
先进、高度集成的储罐自控系统,结合其他安全监控系统和信息管理系统,形成高精度的贸易交接、先进的控制水平、可靠的安全保障、全面、迅速、便捷的信息反应体系。
一:SCADA系统(组态自控系统):我们一期工程选用施耐德电气公司Modicon TSX Quantum大型PLC,分别在中央控制机房、现场机柜间、1#码头机柜间、2#码头机柜间设置1#、2#、3#、4#控制站。
为充分保证设备安全可靠,本系统采用冗余光纤双环网充分保证系统的安全平稳运行,热备系统采用双底板双CPU的热备系统,提供包括CPU、电源和通讯的热备方案,在故障时实现主站到后备站的自动无扰切换,主站和后备站之间采用光纤连接交换数据,保证系统稳定、可靠、高速。
本项目在系统结构设计上,采用符合工业设计规范要求的设备层、控制层和信息层的分层结构模式,在系统设备层中,主要监测和控制的设备参数为:储油罐液位、温度、压力的变化;油泵运行状态;气动蝶阀开关状态、电动消防阀门状态、可燃气体浓度检测和油料计量设备。
与英格索兰空压机采用标准Modbus RS485协议通讯;与氮压机采用PROFIBUS-DP协议通讯。
在软硬件系统的配置和设计上,为将来系统工程扩建以及今后的技术改造预留接口。
E+H流量计说明书E+H压力变送器|E+H流量计|德国E+H一、供应E+H物位仪表:1、E+H雷达物位仪表:非接触式测量。
适用于各种恶劣工况(例如有毒高侵蚀性),且不受被测介质物理特性变化影响的外部测量。
型号有:FMR230,FMR231,FMR240,FMR244,FMR245,FMR250,FMR530,FMR531,FMR532,FMR533。
2、E+H导波雷达物位仪表:接触式测量。
与被测介质的物理特性变化无关。
耐温达150度,耐压达40bar。
型号有:FMP40,FMP41C,FMP45。
3、E+H超声波物位计:非接触式测量。
适合各种液体和固体,同样包括侵蚀性介质及变介电常数介质。
耐温达150度,耐压达3bar。
型号有:FMU230/231,FDU91,FDU92,FDU93,FDU95,FDU96,FMU40/41,FM U42,FMU43。
FMU860/FMU861/FMU862,FDU80/FDU81/FDU82***。
4、E+H液体音叉开关:无需标定和维护。
适用于所有液体,亦适用于粘结、搅拌及含气泡的介质,与被测介质的介电常数无关。
耐温达150度,耐压达64bar.型号有:FTL50,FTL51,FTL51C,FTL50H,FTL51H,FTL70,FTL71.FTL20,FTL26 0。
5、E+H固体音叉开关:无需标定和维护。
适用于颗粒直径小于10mm的颗粒及粉尘,耐温高达150度,耐压达16bar。
型号有:FTM50,FTM51,FTM52,FTM30/31/32(D/S),FTM20/21,FTM2606、E+H静压式物位计:智能化压力传感,适用于液体、浆料、泥浆,与泡沫及介电常数无关。
耐温高达100度,耐压达4bar。
型号有:DB50,DB50L,DB51,DB52,DB53,FMX167,FMX165,FTC51,FTC52,FTC53。
7、E+H电容式物位计及开关:适合于各种液体,同样适用于侵蚀性介质和粘结介质。
pn532工作原理
PN532是一种高度集成的近场通信(NFC)控制器,它能够支持多种无线通信协议,包括ISO/IEC 14443 Type A/B、FeliCa和ISO/IEC 18092等。
它的工作原理涉及到无线通信和数据交换。
首先,PN532通过天线与外部设备进行无线通信。
当PN532与另一个NFC设备(比如智能手机或另一个PN532)靠近时,它们之间会建立无线通信连接。
其次,在通信建立之后,PN532可以执行多种功能,比如读取NFC标签上的数据、向NFC标签写入数据、模拟NFC卡片等。
这些功能都是通过在NFC通信协议上进行数据交换来实现的。
PN532的工作原理可以简单总结为,通过天线与外部设备建立无线通信连接,然后在通信连接上进行数据交换,实现NFC标签读写、卡片模拟等功能。
从技术角度来看,PN532内部集成了RFID前端和高度集成的模拟模块,能够实现13.56MHz的无线通信。
它还包括了嵌入式微控制器,用于处理NFC协议栈和其他应用。
此外,PN532还支持SPI、I2C和UART等多种接口,可以方便地与各种微控制器和主机进行连接和通信。
总的来说,PN532的工作原理涉及到无线通信的建立和数据交换,通过这些过程实现NFC标签读写、卡片模拟等功能。
它的高度集成和灵活的接口设计使得它在各种NFC应用中具有广泛的应用前景。
第32卷第4期2005年4月中国激光C H IN ESE J OU RNAL O F L ASERSVol. 32, No. 4April , 2005文章编号:025827025(2005 0420461205激光二极管抽运声光调Q 高重复频率532nm 激光器冯立春, 霍玉晶, 何淑芳, 杨成伟(清华大学电子工程系, 北京100084摘要实现了重复频率高达105kHz 的紧凑的全固态声光(A -O 调Q 532nm 腔内倍频激光器。
激光器使用Nd ∶Y VO 4作为激光晶体, Ⅱ类匹配的KTP 为倍频晶体, 声光器件材料为熔融石英, 由自制的声光驱动器驱动, 其最大射频输出功率为7. 5W , 重复频率1Hz ~105k Hz 可调。
使用1W 的激光二极管(LD 抽运,50k Hz 重复频率下, 得到平均功率达224mW 的532nm 脉冲激光稳定平均输出, 总光光转换效率高达22. 4%。
低重复频率下, 可以实现脉宽为17. 2ns , 峰值功率为470W , 单脉冲能量为8. 1μJ 的稳定运转。
给出了平均功率与重复频率关系的一般公式, 并提出即使是在四能级系统中, 有效储能时间也并不等于上能级寿命, 关键词激光技术; 固体激光器; 激光二极管抽运; 储能时间; Q; 中图分类号TN248. 1文献标识码 AQ 2switched 532nmLaser with High R epetition R ateFEN G Li -chun , HUO Yu -jing , H E Shu -fang , YAN G Cheng -wei(Department of Elect ronic Engineering , Tsinghua Universit y , B ei j ing 100084, ChinaAbstract A compact , all solid -state and high repetition rate as up to 105k Hz acousto 2optic (A 2O Q 2switched intracavity frequency 2doubled 532nm laser is demonstrated. A Nd ∶YVO 4crystal is used as active media and a type 2ⅡKTP (KTiPO 4 as f requency doubler , The Q switcher is made by f used silica and driven by a driver whose maximal rf output power is 7. 5W and repetition rate is variable f rom 1Hz to 105k Hz , which is made by our own. 224mW of 532nm average power at a repetition rate of 50k Hz was generated with a 1W laser diode (LD as pump source , and a high optical -to -optical conversion efficiency of 22. 4%was obtained. Under low repetition rate , steady operation is achieved with pulse width of 17. 2ns , peak power of 470W and single pulse energy of 8. 1μJ. A general formula of average 2power as a function of pulse repetition rate is presented which has good agreement with the experiment results. Analysis and experimental verification showed that , even in four 2level system , the effective storage time is not equal to the upper state lifetime.K ey w ords laser technique ; solid 2state laser ; laser diode pumped ; storage time ; acousto 2optics Q 2switched ; intracavity second harmonic generation ; high repetition 2rate1引言声光(A -O 调Q 脉冲激光器已被广泛应用于激光测距、大气监测、激光雷达、光电对抗、激光加工和医疗等领域。
雷达物位仪培训雷达物位仪(液位计)属于通用型液位计,现在油品罐区所选用的是EndreSS+Hauser(简称E+H)通用型号:FMR532-I1AC4RA,罐旁指示仪型号:NRF590主要用于液体的连续、非接触式物位测量测量原理:它基于时间行程原理的测量仪表,雷达波以光速运行,运行时间可以通过电子部件被转换成物位信号,探头发出高频脉冲在空间以光速传播,当脉冲遇到物料表面时反射回来被仪表内的接收器接收,并将距离信号转化为物位信号,雷达液位计的测量距离实际上是测量发射脉冲和回波之间的时间差雷达液位计的外壳下部有一螺丝固定,旋松后外壳可以350°旋转。
旁指示仪分为上下两部分,底部为对雷达(罐旁+灌顶)总体供电和对DCS的信号反馈部分接线端子接线:供电电源01:1+02:N-信号(HART)12:+13:-上部为对罐顶的供电和接收皤顶信号罐顶电源30:+31:-罐顶信号28:+29:-显示面板按键:+:在选择列表中上移动在功能参数中编辑数值在选择列表中下移动在功能参数中编辑数值E:在功能组中右移(数值编辑)确认输入+ 在功能组中左移(数值编辑)+和E或-和E:1CD显示屏的对比度设置+-E:锁定/解锁硬件锁定后,无法通过显示或通信操作仪表!紧允许通过显示单元进行硬件解锁,且必须输入解锁密码。
罐旁显示屏显示及操作:主菜单:1储^数值一一主值一一液位2显TK显不设置---语s显示值 --- 主值3配置--基本配置--相对液位4系统--系统复位一重新启动恢复调试设置恢复工厂设置5报警6数字量7模拟量-―-Ao--无效有效模拟AO#28:HART设备 --- FMR52(1)——Hart设置数值--PV数值基本设置--储罐外型--导波管介质条件过程条件空标满标螺直径安全--- 报警输出扩展标定--- 通用抑制曲线一检查距离曲线范围开始抑制扩展抑制曲线诊断补充参数删除设备9:罐旁指示仪输出--HART输出--从站值--PV数值罐顶:2根电源线2根信号线常用参数调节为(8)空标,主要目的是根据工艺车间用检尺测量出来的液位来对罐内液位的校准,如果液位波动较大,可试用扩展标定。