谐波治理各方案比较分析
- 格式:doc
- 大小:111.50 KB
- 文档页数:5
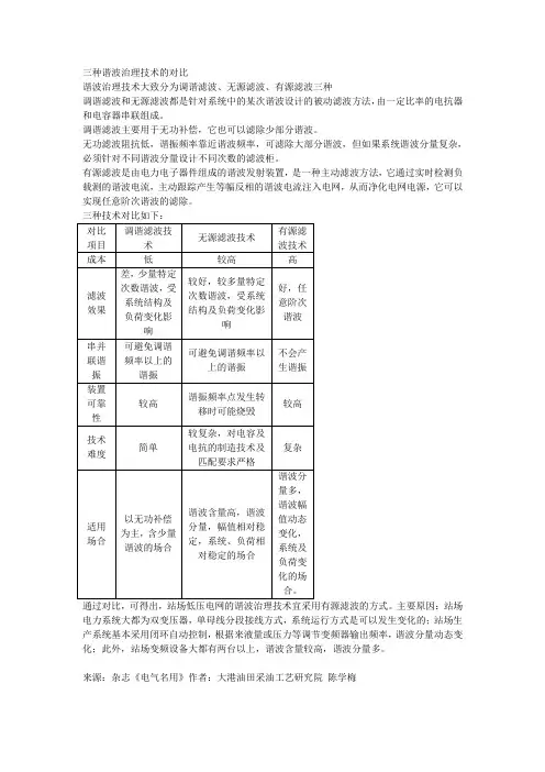
三种谐波治理技术的对比
谐波治理技术大致分为调谐滤波、无源滤波、有源滤波三种
调谐滤波和无源滤波都是针对系统中的某次谐波设计的被动滤波方法,由一定比率的电抗器和电容器串联组成。
调谐滤波主要用于无功补偿,它也可以滤除少部分谐波。
无功滤波阻抗低,谐振频率靠近谐波频率,可滤除大部分谐波,但如果系统谐波分量复杂,必须针对不同谐波分量设计不同次数的滤波柜。
有源滤波是由电力电子器件组成的谐波发射装置,是一种主动滤波方法,它通过实时检测负载测的谐波电流,主动跟踪产生等幅反相的谐波电流注入电网,从而净化电网电源,它可以实现任意阶次谐波的滤除。
三种技术对比如下:
主要原因:站场电力系统大都为双变压器,单母线分段接线方式,系统运行方式是可以发生变化的;站场生产系统基本采用闭环自动控制,根据来液量或压力等调节变频器输出频率,谐波分量动态变化;此外,站场变频设备大都有两台以上,谐波含量较高,谐波分量多。
来源:杂志《电气名用》作者:大港油田采油工艺研究院陈学梅。
电力系统中谐波分析与治理在当今高度依赖电力的社会中,电力系统的稳定和高效运行至关重要。
然而,谐波问题却成为了影响电力系统质量的一个不容忽视的因素。
谐波不仅会导致电力设备的损坏,还会增加电能损耗,降低电力系统的可靠性。
因此,对电力系统中的谐波进行深入分析,并采取有效的治理措施,具有十分重要的意义。
一、谐波的产生要理解谐波,首先需要了解它的产生原因。
谐波主要来源于电力系统中的非线性负载。
常见的非线性负载包括各种电力电子设备,如变频器、整流器、逆变器等,以及电弧炉、荧光灯等。
以变频器为例,它通过对电源进行快速的通断控制来实现对电机转速的调节。
在这个过程中,电流和电压的波形不再是标准的正弦波,而是包含了各种频率的谐波成分。
整流器在将交流电转换为直流电的过程中,由于其工作特性,也会产生谐波。
同样,电弧炉在工作时,电弧的不稳定燃烧会导致电流的剧烈变化,从而产生谐波。
二、谐波的危害谐波的存在给电力系统带来了诸多危害。
对电力设备而言,谐波会使变压器、电动机等设备产生额外的损耗,导致设备发热增加,缩短使用寿命。
对于电容器来说,谐波电流可能会使其过载甚至损坏。
在电能质量方面,谐波会导致电压和电流波形的畸变,使电能质量下降,影响用电设备的正常运行。
例如,对于计算机等精密电子设备,谐波可能会引起数据丢失、误操作等问题。
此外,谐波还会增加电力系统的无功功率,降低功率因数,从而增加线路损耗和电能浪费。
三、谐波的分析方法为了有效地治理谐波,首先需要对其进行准确的分析。
目前,常用的谐波分析方法主要有傅里叶变换、小波变换和瞬时无功功率理论等。
傅里叶变换是谐波分析中最常用的方法之一。
它可以将一个复杂的周期性信号分解为不同频率的正弦波分量,从而得到各次谐波的幅值和相位信息。
然而,傅里叶变换在处理非平稳信号时存在一定的局限性。
小波变换则能够很好地处理非平稳信号,它通过对信号进行多尺度分析,可以更准确地捕捉到信号在不同时间和频率上的特征。
APF谐波治理措施解析-安科瑞有源电力滤波器安科瑞王志彬2019.03为了减少与限制谐波的影响可以从管理和技术措施,加强谐波控制。
APF的使用可以特别有效的治理谐波。
(1)建立客户作为重要力量参与和谐良好的客户关系管理是谐波控制的基础。
用户可以访问,举行会谈,电能质量的形式,提高了用户对电力系统电能质量问题的理解,建立双赢关系的电力。
(2)建立设备接入的系统逆变器,整流器的结构,各种型号,制造商有好有坏,有必要建立获取系统电源供应系统,后面的产品,设计不符合标准的设备谐波抑制排斥外系统。
(3)加强施工的管理作为复杂多样,专业,技术,因此必须建立专业的管理团队来完成客户端的谐波谐波的监测,分析和治理谐波谐波产生。
对于没有条件谐波处理施工专业队伍,你可以选择拥有雄厚的技术力量沟通机构与专业人士来完成谐波管理的技术支持。
加强标准化谐波电力部门的管理必须纳入日常生产管理调与管理,通过“客户谐波管理措施的发展,”一的管理,经营,管理标准及其他主要方向明确的谐波谐波管理制度,加强监督和管理。
安科瑞ANAPF有源电力滤波器1、概述1.1谐波的产生电力系统中理想的电压、电流波形都是频率为50Hz的正弦波,但是非线性电力设备(大功率可控硅、变频器、UPS、开关电源、中频炉等)的广泛应用产生了大量畸变的谐波电流,谐波电流耦合在线路上产生谐波电压。
对非正弦的畸变电流作傅立叶级数分解,其中频率与工频相同的分量为基波,频率是基波频率整数倍的分量为谐波。
谐波是电能质量的重要指标。
1.2谐波的危害●谐波使公用电网中的元件产生附加的损耗,降低了发电、输电及用电设备的效率。
大量三次谐波流过中线会使线路过热,甚至引起火灾。
●谐波会影响电气设备的正常工作,使电机产生机械振动和噪声等;使变压器局部严重过热;使电容器、电缆等设备过热、绝缘老化、寿命缩短,以致损坏。
●引起电网谐振,使得谐波电流放大几倍甚至数十倍,会对系统,特别是对电容器和与之串联的电抗器形成很大的威胁,经常使电容器和电抗器烧毁。
配电系统的谐波治理方案配电系统的谐波治理方案随着现代电子设备的广泛应用,谐波问题在配电系统中变得越来越突出。
谐波是指频率是原电源频率的整数倍的电流或电压成分。
谐波会引起各种问题,如电网设备的过载、损坏和功率因数下降等。
因此,为了确保配电系统的正常运行,谐波治理显得尤为重要。
谐波治理方案的核心目标是减少谐波的发生和传播。
下面,我将介绍几种常用的谐波治理方案。
第一种方案是使用谐波滤波器。
谐波滤波器是一种能够从电网中消除谐波的设备。
它通过选择性地吸收或衰减特定频率的谐波,从而将谐波限制在可接受的范围内。
谐波滤波器通常由电容器、电感器和电阻器组成,可以根据谐波频率的不同来选择不同的滤波器。
第二种方案是使用谐波抑制器。
谐波抑制器是一种能够主动抑制谐波的设备。
它通过产生与谐波相位相反的电流或电压来抵消谐波。
谐波抑制器通常由晶闸管组成,可以根据谐波的类型和频率进行调节和控制。
第三种方案是通过改变设备的结构和设计来减少谐波的产生和传播。
例如,在配电变压器的设计中添加谐波抑制装置,可以有效地降低谐波的水平。
此外,还可以采用各种特殊的变压器和电容器等设备来减少谐波。
第四种方案是通过提高配电系统的功率因数来减少谐波。
功率因数是指有功功率与视在功率之比。
当功率因数接近于1时,谐波的水平通常较低。
因此,通过使用功率因数校正装置来提高功率因数,可以有效地降低谐波的水平。
综上所述,谐波治理是保证配电系统正常运行的重要环节。
通过使用谐波滤波器、谐波抑制器、改变设备结构和提高功率因数等方案,可以减少谐波的发生和传播。
这些方案的选择和应用应根据具体的配电系统需求和实际情况来确定。
通过有效的谐波治理方案,我们可以提高配电系统的可靠性和稳定性,确保电力供应的质量和效率。
分析谐波治理的优点及经济效益说明波治理带来的好处:1、安装谐波治理装置后,有效的降低了谐波电流,增加了变压器的有效容量,可增加相应的带载能力,减少扩容所需的投资。
2、安装谐波治理装置后,可有效的降低变压器的损耗,提高变压器的安全运行系数,起到节能降耗的目的。
3、安装谐波治理装置后,可有效的降低拉出的单晶的质量,提高单晶的无位错率。
谐波治理的方法目前常用的谐波治理的方法无外乎有二种,无源滤波和有源滤波。
下面就谈谈这二种方法的优缺点以及市场前景及其经济效益的分析。
1、无源谐波滤除装置国内低压侧高水平的谐波滤除装置是采用光纤触发系统,大幅度降低因谐波干扰致使电缆触发所产生的误动。
无源滤波的主要结构是用电抗器与电容器串联起来,组成LC 串联回路,并联于系统中,LC回路的谐振频率设定在需要滤除的谐波频率上,例如5次、7次、11次谐振点上,达到滤除这3次谐波的目的。
其成本低,但滤波效果不太好,如果谐振频率设定得不好,会与系统产生谐振。
现在,市场上流通较多的采取的滤波方法就是这一种,主要是因为低成本,用户容易接受。
虽滤波的效果较差,只要满足国家对谐波的限制标准和电力部门对无功的要求就行了。
由于其低成本,市场的需求也就大,一般而言,低压0.4KV系统大多数采用无源滤波方式,高压10KV几乎都是采用这种方式对谐波进行治理。
由于我国的中小企业大多数是私有的,业主对谐波的危害认识不足,一般不愿意拿出大量的经费来治理谐波,而有的企业由于谐波的含量太大,常规的无功补偿不能凑效,供电部门对无功的要求又是十分严格的,达不到就要罚款。
因此,业主不得不要求滤波。
因而,其市场的前景可观,经济效益也就可观了。
2、有源谐波滤除装置有源谐波滤除装置是在无源滤波的基础上发展起来的,它的滤波效果好,在其额定的无功功率范围内,滤波效果是百分之百的。
其主要的应用范围是计算机控制系统的供电系统,尤其是写字楼的供电系统,工厂的计算机控制供电系统。
对单台的装置而言,其利润是可观的,但用户一般不愿意用有源滤波,对于谐波的含量,不必滤得太干净,只要不危害其他用电器也就可以了。
电网谐波的分析与治理∙时间:2010-8-13 13:12:01∙随着科学技术的不断进步、电子技术的飞速发展,现代化的工业设备和民用电器装置的应用越来越普及,尤其是先进电子设备,诸如电力电子变频、调压设备、调速控制设备、可控硅整流设备、数字通讯设备、电气铁路设备、各类UPS、充放电设备、大功率半导体开关器件、开关电源、变频器、信息技术设备、数控机床、节能灯、可控硅负载、变频电机、变频空调、中频炉、节能灯、调光器等,还有电熔炼设备、电化学设备、矿井起重设备、露天采掘设备、电气机车等与日俱增,都属于非线性电源负荷。
这些设备数量大、分布广,使得谐波电流由少聚多地不断注入电网,使得电力系统波形严重畸变。
因此谐波电流对公用电网造成的谐波问题越来越突出,这不但会使接入该电网的设备无法正常工作,甚至造成故障,而且还会使供电系统中性线承受超载电流,影响供电系统的电力输送。
因此谐波问题得到各有关方面的高度重视。
1谐波的危害谐波增加了输配电系统和用电设备的附加损耗——铁损(包括磁滞损耗和涡流损耗)和铜损,使设备过热,降低设备的效率和利用率。
由于谐波电流的频率为基波频率的整数倍,高频电流流过导体时,因集肤效应的作用,导致导体对谐波电流的有效电抗增加,从而增加了设备的功率损耗、电能损耗,使导体的发热严重。
供电系统中的谐波危害主要表现在以下几个方面:1.1 .对旋转电机的影响在工程供电系统中,电动机负荷约占整个负荷的85%左右。
因此,谐波使电动机总的附加损耗影响较为显著。
由于集肤效应、磁滞、涡流等现象将随着谐波次数增高而使得各类旋转电机的铁芯和绕组中产生的附加损耗增加。
谐波电流和电压对感应及同步电动机所造成的主要效应为在谐波频率下铁损和铜损的增加所引起之额外温升。
这些额外损失将导致电动机效率降低,并影响转矩。
当设备负荷对电动机转矩的变动较敏感时,其扭动转矩的输出将影响所生产产品的质量。
谐波还使电动机噪音增大甚至可导致扭矩震动,而扭矩的震动则是由谐波电流和基波频率磁场所造成的,如果机械谐振频率与电气励磁重合,会发生共振进而产生很高的机械应力,导致机械损坏的危险。
电力谐波治理的几种方法目前常用的电力谐波治理的方法无外乎有三种,无源滤波、有源滤波、无功补偿。
下面就谈谈这二种方法的优缺点以及市场前景及其经济效益的分析。
6.1、无源谐波滤除装置无源滤波器的主要是用电抗器与电容器构成,无源滤波装置的成本较低,经济,简便,因此获得广泛应用。
无源滤波器可以分为并联滤波器与串联滤波器。
6.1.1、无源并联滤波器现有的谐波滤除装置大都使用无源并联滤波器,对每一种频率的谐波需要使用一组滤波器,通常需要使用多组滤波器用以滤除不同频率的谐波。
多组滤波器的使用造成结构复杂,成本增高,并且由于通常的系统中含有无限多种频率的谐波成分,因此无法将谐波全部滤除。
不仅如此,由于并联滤波器对谐波的阻抗很低,通常会使谐波源产生更大的谐波电流,谐振在不同频率的滤波器还会互相干扰,例如7次谐波滤波器就可能会放大5次谐波。
因此,如果有人将并联滤波器安装前后的谐波情况做过对比,就会发现:虽然滤波器安装以后影响系统的谐波电流减小,但是各滤波器中以及进入系统的谐波电流之和远远超过未安装滤波器之前,谐波源产生的谐波电流也超过未安装滤波器之前。
从广义的角度来讲,频率不等于工频频率的成分统统都是谐波。
因此,工频是单一频率,而谐波有无限多种频率,可见谐波具有无限的复杂性,使用并联滤波器的方法显然无法对付无限频率成分的谐波。
6.1.2、无源串联滤波器由电感与电容串联构成的LC串联滤波器,具有一个阻抗很低的串联谐振点,如果我们构造一个串联谐振点为工频频率的串联滤波器,并将其串联在线路中,就可以滤掉所有的谐波。
这就是本文介绍的串联滤波器,串联滤波器由电感和电容串联而成,并且串联连接在电源与负荷之间,因此串联滤波器的“串联”二字具有双重意思:一个意思表示电感与电容串联,另一个意思表示串联在电路中使用。
在三相电路中均接入串联滤波器,由于串联带通滤波器对基波电流的阻抗很小,而对谐波电流的阻抗很大,于是只用一组滤波器就可以滤除所有频率的谐波。
谐波治理方案7篇(经典版)编制人:__________________审核人:__________________审批人:__________________编制单位:__________________编制时间:____年____月____日序言下载提示:该文档是本店铺精心编制而成的,希望大家下载后,能够帮助大家解决实际问题。
文档下载后可定制修改,请根据实际需要进行调整和使用,谢谢!并且,本店铺为大家提供各种类型的经典范文,如工作计划、工作总结、实施方案、应急预案、活动方案、规章制度、条据文书、教学资料、作文大全、其他范文等等,想了解不同范文格式和写法,敬请关注!Download tips: This document is carefully compiled by this editor. I hope that after you download it, it can help you solve practical problems. The document can be customized and modified after downloading, please adjust and use it according to actual needs, thank you!Moreover, our store provides various types of classic sample essays, such as work plans, work summaries, implementation plans, emergency plans, activity plans, rules and regulations, document documents, teaching materials, essay compilations, and other sample essays. If you want to learn about different sample formats and writing methods, please pay attention!谐波治理方案7篇谐波治理方案篇1谐波治理方案是指在城市建设和社会发展过程中,为了实现生态环境保护和可持续发展的目标,通过一系列的管理控制措施来减少谐波和噪音对环境和人民健康的负面影响。
谐波治理需求分析与治理方案设计一、谐波治理需求分析广东某陶瓷有限公司是一家研发、生产和销售于一体的现代大型民营建陶企业,位于资源丰富、风景秀丽的广东省清远市。
公司占地面积约1000余亩,主要生产瓷质哑光砖、瓷质波光砖、瓷质抛光砖、内墙瓷片及产品配件,拥有7200吨压机、进口布料及先进的造料设备,整合国内优质陶土资源,形成功能强大、齐全的智能化生产线。
运用高新技术,在真实还原天然石自然纹理上,采用电脑全控的多头喷点随机布料新工艺,MTP多元自由供料系统,让每块产品的纹理呈现不同的自然神韵和色彩,使整体铺设体现天然的大气磅礴之感。
超强高压成型和高温烧炼,造就金刚石般的硬度,使之达到莫氏硬度7级,坚硬耐磨;吸水率低于0.1%,具有极强的抗污和耐酸碱能力。
广东某陶瓷有限公司清远工厂一号配电房装设有五台容量为2500Kvar变比10/0.4KV的动力变压器,负载多条包含众多变频设备的陶瓷生产线,因为变频设备为典型的谐波源负载,正常生产运行时产生大量的谐波汇入所在配电系统,经过叠加后进一步馈入10KV高压母线,上级供电部门进行测评后要求企业对超标的谐波进行治理,保证配电系统免受谐波的危害,能够长期稳定安全运行。
某陶瓷公司配电管理部门非常重视,也想借此谐波治理机会为切入点,不仅满足供电部门对高压计量点谐波指标考核的要求,也想能同时消减抑制400V低压负载侧的谐波指标,消除谐波对生产线负载的干扰危害和额外的电能损耗,因此不予考虑仅满足10KV高压计量点谐波考核要求的10KV高压集中治理方式,明确采用400V低压侧谐波治理方式,从源头上消减治理负载运行产生的谐波,全面提升一号电房整个配电系统高低压侧的电能质量,实现消除谐波危害、净化电能质量、补偿无功功率、促进节能降耗的综合目标,因此谐波治理方案也需围绕这个目标需求来设计。
鉴于用户仅提供了一号配电房1#和3#变压器低压母线的谐波测试数据,而五台变压器的容量、变比和负载类型也很相近,因此本次谐波治理方案就选择1#变压器系统来分析、规划和设计,其他变压器系统的治理方案可以依据此设计进行类推。
变频器谐波治理方案对比在实际应用中,变频器有时会产生一些谐波问题,这对电网和其他设备的正常运行造成了一些不良影响。
因此,为了解决这些谐波问题,需要采取一些谐波治理方案。
本文将分析和比较几种常见的谐波治理方案,包括滤波器、变压器和有源滤波器。
首先,滤波器是一种常见的谐波治理方案。
滤波器可以通过滤波作用将谐波电流从变频器中滤除,从而减少谐波对电网和设备的影响。
滤波器有两种类型,一种是谐波电流滤波器,另一种是谐波电压滤波器。
谐波电流滤波器广泛应用于各种设备,可以有效地滤除谐波电流,但其本身也会产生一些损耗。
谐波电压滤波器主要用于工厂和办公楼等大型建筑,可以减少谐波对电网的影响。
滤波器的优点是结构简单、成本较低,但其滤波效果相对较弱,只能对谐波电流进行滤除,无法对谐波电压进行处理。
其次,变压器也是一种常见的谐波治理方案。
变压器可以通过改变电压比例来滤除谐波电流,减少谐波对电网的影响。
变压器主要有两种类型,一种是谐波电流变压器,另一种是谐波电压变压器。
谐波电流变压器可以有效地滤除谐波电流,但其成本较高,适用于一些对电网和设备影响较大的场合。
谐波电压变压器主要用于工业和商业领域,可以减少谐波对电网和设备的影响。
变压器的优点是结构简单、成本适中,但其谐波滤波能力有限,无法对所有谐波进行处理。
最后,有源滤波器是一种新型的谐波治理方案。
有源滤波器通过控制电流和电压的相位和幅值来滤除谐波电流和电压,从而减少谐波对电网和设备的影响。
有源滤波器主要有两种类型,一种是电流型有源滤波器,另一种是电压型有源滤波器。
电流型有源滤波器可以根据谐波电流的幅值和相位来生成与之相反的电流,从而相互抵消,实现谐波滤波的效果。
电压型有源滤波器可以根据谐波电压的幅值和相位来生成与之相反的电压,从而相互抵消,实现谐波滤波的效果。
有源滤波器的优点是能够对各种谐波进行有效滤除,滤波效果好,但其成本较高,适用于一些对电网和设备影响较大的场合。
综上所述,滤波器、变压器和有源滤波器都是常见的谐波治理方案。
目前常用的谐波治理的方法
首先,振动源消除法是通过改变设备的电气参数或结构参数,来抑制
或消除设备产生的谐波。
例如,通过改变幅值或相位,或者通过增加阻尼
来减少振动源产生的谐波。
其次,谐波滤波法是通过在电网中增加谐波滤波器来消除谐波。
谐波
滤波器通常由串联的电感和并联的电容组成,可以选择性地过滤掉特定频
率的谐波。
再次,变压器抗谐波处理法是通过在变压器的次级侧或高压侧增加谐
波处理设备,例如谐波滤波器或谐波消除器,来抑制或消除谐波。
另外,有源谐波抑制法是通过在电网中增加有源谐波抑制装置来消除
谐波。
有源谐波抑制装置可以根据实时的谐波电流信息,发出与谐波电流
相反相位的电流,从而相消谐波。
此外,谐波电流注入法是通过在电网中注入一个与谐波相同频率但反
相的电流,从而抵消谐波电流。
还有一种方法是谐波发生器消除法,即通过在电网上增加一个与谐波
相同频率但反相的谐波发生器,来抵消谐波。
最后,无功滤波器抑制法是通过在电网中增加无功滤波器来抑制谐波。
无功滤波器可以通过控制电流的幅值和相位来抑制谐波。
总结起来,目前常用的谐波治理方法包括振动源消除法、谐波滤波法、变压器抗谐波处理法、有源谐波抑制法、谐波电流注入法、谐波发生器消
除法以及无功滤波器抑制法等。
这些方法可以根据具体情况选择合适的方
法来抑制或消除谐波,以确保电网的稳定运行。
医疗建筑谐波分析及治理措施医疗建筑谐波分析及治理措施随着城市化的不断推进和人口老龄化的加剧,医疗建筑的需求量越来越大。
同时,随着科技的不断发展,医疗建筑内部的设备也越来越先进,这些设备的运转也带来了不可忽视的噪声问题。
谐波噪声是医疗建筑中最主要的噪声问题之一,对医护人员和患者的身心健康造成了严重的威胁。
本文将探讨医疗建筑谐波分析及治理措施。
首先,我们需要了解什么是谐波。
谐波是指具有一定整数倍关系的震荡波之间的频率关系。
在医疗建筑中,主要存在的谐波有三种,分别是电压谐波、电流谐波和功率谐波。
这些谐波会导致电压降低、电能损耗、电机温升、设备故障等问题,对医疗建筑的安全和稳定造成影响。
其次,我们需要了解谐波的来源。
谐波主要来源于医疗建筑内的电气设备,如空调、照明、手术灯、监护仪等。
这些设备在工作过程中会产生电压和电流的谐波,对医疗建筑的电网和设备质量造成不良影响。
此外,医疗建筑还存在着谐波扩散和谐波共振等问题,这些问题也会使谐波的危害更加显著。
接着,我们需要明确谐波对人体的危害。
谐波的危害主要表现在两个方面,一个是听力的损伤,另一个是对神经、内分泌、循环等系统的影响。
对于医护人员来说,长期受到谐波噪声的影响会引起听力损伤、头痛、疲劳等问题,影响工作效率和人身安全;而对于患者来说,谐波噪声会影响其睡眠和恢复,加重疾病,造成不良心理影响。
最后,我们需要探讨治理措施。
治理谐波问题的关键在于减少谐波的产生和传播。
首先,可以采用低谐波的设备和灯具,减少谐波的产生;其次,不同设备之间应采用隔离变压器等电力隔离设备,减少谐波的传播;此外,还可以采用谐波滤波器、谐波抑制器等专业设备来对谐波进行滤波和补偿,保证电气设备的质量和耐久性。
此外,医疗建筑应加强空气调节和隔音等工程设计,避免谐波共振和扩散。
综上所述,医疗建筑谐波问题的解决需要从源头入手,采取一系列有效的治理措施来降低谐波的危害和影响。
这些治理措施不仅可以保证医疗建筑的稳定和安全,更可以保护医护人员和患者的身心健康,为医疗事业的发展提供有力保障。
电网谐波的分析与治理
电网谐波的分析与治理
摘要:近年来,随着我国经济的快速发展,电网中非线性负荷用户的比例不断提高,由此而产生的供电电能质量严重下降。
特别是冶金工业、化学工业及电气化铁路的发展,电力系统中的非线性负荷及冲击性负荷日趋增加,对电网电能质量的污染加剧,使电网的非线性(谐波)、非对称性(•负序)和波动性日趋严重。
已引发电网不少异常和事故,治理好谐波,不仅能降低电能损耗,而且能延长设备使用寿命,改善电磁环境,提高产品的品质。
关键词:电能质量,非线性,谐波治理
一、谐波的基本特性和测量分析
(一)谐波基本特性。
谐波是一个周期电气量的正弦波分量,其频率是基波频率的整数倍数。
理论上看,非线性负荷是电网谐波的主要产生因素。
非线性负荷吸收电流和外加端电压为非线性关系,这类负荷的电流不是正弦波,且引起电压波形畸变。
周期性的畸变波形经过傅立叶级数分解后,那些大于基频的分量被称作谐波。
非线性负荷除了产生基频整次谐波外,还可能产生低于基频的次谐波,或高于基波的非整数倍谐波。
电力系统中出现系统短路、开路等事故,而导致系统进入暂态过程引起的谐波,将不归属谐波治理的范畴。
要治理谐波改善供电品质,需要了解谐波类型。
谐波按其性质和波动的快慢可分成四类:准稳态谐波、波动谐波、快速变化的谐波和间谐。
谐波治理方法(精选合集)第一篇:谐波治理方法谐波治理方法1、谐波治理原则。
通过分析,对通信、信号设备造成干扰的谐波主要来自牵引负荷,而铁路10kv电力供电设计多采用27.5/10kv供电方式,选择谐波干扰小的电源作为主供电源会降低安全风险。
但当地方电力系统检修时,或地方电源因居民用电导致谐波上升时,仍会干扰信号、通信供电电源的质量,所以改变设计方法,并不能解决此问题。
从供电的电源集中整治,然后供给相应的负荷,也不经济,固需要解决的容量太大,且即便是集中解决,从供电的角度讲,电源也并非单独供给通信、信号,目前的生产、生活设备大量采用了变频设备,如地热井水泵恒转矩变频供电装置,变频空调,电磁炉,炊事机械等等,也会产生大量的谐波,进而干扰通信、信号电源的质量,所以,大的方案就是通信信号根据设备的重要程度和对谐波要求的高低,来选择小容量的谐波治理设备,才能达到既经济又安全的效果。
各车站的通信、信号设备,其总功率一般不超过40kvA,治理相对容易。
2、谐波治理方法。
采用交—直—交系统进行隔离,此方法在国外早有使用,我也曾在朔黄线三汲、段庄两个分区所进行试验。
采用进口交—直—交,通过改变蓄电池的容量,还可满足因利用下雨导致10kv电源线供电中断而引起的行车干扰。
如2013年8月4日,朔黄线肃北至太师庄间大面积树木倒伏,导致贯通、自闭全部中断,影响行车近2小时,如果采用交—直—交逆变电源,在电池容量允许的情况下,就不会影响通信、信号的供电,不仅解决了谐波问题,还解决了供电中断对行车的影响,是一个一举双得的好事。
3、谐波治理措施。
3.1采用无源滤波器滤波。
日常采用的滤波治理方法,其中一种方法就是采用无源滤波装置,即所谓LC滤波器,主要由滤波电容器、电抗器和电阻器组成。
其与谐波源关联,除了起滤波作用外,还兼顾无功补偿的需要。
这种滤波器最早出现,具有结构简单,投资少的特点,运行可靠性高,所以运行费用较低,应用较为广泛。
谐波治理方案比较分析发表时间:2020-05-18T13:44:00.743Z 来源:《基层建设》2019年第35期作者:唐明淑[导读] 摘要:基于谐波的危害,对谐波进行有效治理,对保证电力系统安全稳定运行至关重要。
云南电网有限责任公司文山供电局 663000摘要:基于谐波的危害,对谐波进行有效治理,对保证电力系统安全稳定运行至关重要。
从目前谐波治理方案来看,主要分为三个方面,在谐波的具体治理中可以采取,高压母线上治理、变压器下端治理和设备电源入口处治理的方式。
这几种治理方式所取得的效果各不相同,虽然都能够实现对谐波的有效治理,但是在取得的效果方面存在差异。
因此,对谐波治理方案进行比较分析,能够得出谐波治理方案的可靠性,对谐波的治理提供有力支持,使谐波在治理过程中能够采取有效方法提高治理效果。
关键词:谐波;治理方案;比较引言谐波在治理中采取不同的治理方案,取得的效果存在差异。
从目前谐波治理过程来看,谐波治理的方式较多,主要可以概括为三个方面,高压母线上治理、变压器下端治理和设备电源入口处治理的方式,这三种处理方式在结果方面,第一种只能满足电力公司的要求,第二种可以在满足电力公司要求的基础上减少变压器的损耗,而第三种方式能够在第一种和第二种方式的基础上,实现内部电网的稳定运行和企业内部设备的保护,并提高内部电能的质量,为电力系统添加生产设备提供有力支持。
因此,对谐波治理策略的有效分析,能够为谐波治理提供更多的方法支持。
一、谐波治理的主要策略(一)高压母线上治理从谐波的产生原因来看,谐波产生原因复杂,对整个电力系统产生了不利的影响,对谐波进行有效治理,对于削弱谐波的危害和实现谐波的有效治理至关重要。
在谐波的治理过程中,高压母线上治理是一种重要的治理方式。
由于谐波主要产生于高压母线上,在高压母线上进行治理,能够对谐波实现源头上的治理,对提高谐波的治理效果和解决谐波治理过程中存在的问题具有重要作用。
在高压母线上治理,主要是在谐波产生之后就迅速对其进行干预和消除,使斜波在高压母线上出现之后立即得到有针对性的处理,能够提高谐波的治理效果,使谐波的治理周期缩短,降低谐波对整个电力系统的影响[1]。
谐波治理各方案比较分析
谐波治理的目的包括:
1. 满足电力公司对谐波电流发射的限制要求
2. 释放变压器的有效容量,提高变压器的效率
3. 提高配电系统(包括无功补偿装置、继电保护器、电缆等)的可靠性
4. 为企业内的各类设备提供质量优良的电能,保证制造系统的稳定运行
人们对谐波的危害已经十分熟悉,很多企业也开始重视谐波的治理。
谐波治理的目的不同,所采取的方案也是不同的。
因此,在确定谐波治理的方案之前,要明确谐波治理的目的。
企业在谐波治理方面投资,要达到的目的如图所示。
满足电力公司的要求是企业进行谐波治理的首要动机。
为电力用户提供合格的电能,是电力公司的责任。
因此,电力公司要对那些可能污染电网的用户的提出谐波治理的要求。
随着越来越多的企业对电能质量的要求提高,电力公司将对电力用户进行更严格的要求。
在目前阶段,出于后面几个目的而进行谐波治理的企业较少。
企业仅在出现了故障现象后,才开始考虑谐波治理的问题。
其中,谐波导致无功补偿装置烧毁的情况最为常见。
无论谐波治理的最终目的是什么,其本质就是减小负载(可能是一组负载)向电网注入的谐波电流,因为谐波电流是谐波问题的根源。
只不过,针对不同的目的,控制谐波电流的位置不同,也就是采用的谐波治理方案不同。
谐波治理的策略
按照谐波治理的位置,可以有三个策略。
第一:在高压母线上治理,采用的设备是SVC、SVG等。
第二:在变压器的下端,低压母线上治理谐波。
采用无援滤波器、有源滤波器等。
无源滤波器往往会发出额外的容性无功,这在有些场合是不允许的。
第三:在设备的电源入口处治理谐波。
这称为就地治理。
就地治理是最理想的谐波治理策略。
因为,这样相当于将非线性负载转变成了线性负载,谐波导致的一切问题都迎刃而解。
大部分发达国家按照这个策略开展谐波治理。
达到这个目的的管理措施就是,要求电气电子设备满足相应的电磁兼容标准(例如,GB17625)要求,电磁兼容标准对谐波电流发射进行了明确的规定。
传统的谐波治理策略
传统的谐波治理项目大多采用策略1和策略2。
这是因为,企业进行谐波治理的初衷仅是满足电力公司的要求,因此,在用策略1和策略2已经足够了。
随着企业内部的自动控制设备增加,对电能质量的要求提高,仅采用策略1和策略2就不能满足要求了。
企业要理解谐波治理的深层意义。
如果理解了谐波治理是为了获得良好的电能质量,而良好的电能质量正是企业所需要的,就会改变传统的做法。
治理谐波最理想的位置是在谐波源处。
也就是将谐波电流封杀在起源处,根本不允许流入电网。
这相当于将非线性负载变成了线性负载。
设想,如果电网上的负荷全部是线性负荷,那里还有谐波问题。
保持内部电网质量的最有效方法就是在谐波源负载的电源入线处安装谐波滤波器。
在谐波源处进行谐波治理,就能够消除谐波带来的各种隐患。
因此,在进行系统设计时,要尽量考虑就地谐波治理的方法。
顺便提一下。
对于无功补偿,也是主张尽量在负载处进行补偿,以获得最大的节能效益。
不同策略的比较
不同的谐波治理策略获得的好处是不同的。
由于一般的谐波治理方法仅能够保证治理点的上游具有良好的电能质量,因此,治理谐波的位置越靠近下游,通过谐波治理获得好处越多。
这一点是我们需要明确的。
传统上,企业仅在变压器的入口处进行谐波治理。
这时,从谐波治理中获得利益的是电网公司和电网上的其他电力用户。
因为,电力公司的责任就是为电力用户提供合格的电能。
通过电力公司的努力,电网上的所有用电户能够获得合格的电能。
显然,这种做法不符合人们的正常思维。
企业投资改善电能质量,仅仅是为了其他企业的利益吗?难道投资进行谐波治理的企业自身就不需要合格的电能吗?
人们犯这个错误,是因为缺少有关谐波的知识。
本文的目的就是帮助读者认识谐波治理的内涵,通过谐波治理,不仅满足电力公司的要求,同时企业自身的利益也有所体现。
不同策略的好处
从上图,三种谐波治理策略的优劣一目了然。
通过策略3,可以获得最大的好处。
不仅企业内部电网的质量得到保证,而且能够满足电力公司的要求。
策略3的本质就是对谐波源要就近治理,不让谐波电流流入内部电网。
因此,通过实施这种谐波策略,企业能够获得最大利益。
图示的最后一行中所列出的要求也是企业不能忽视的。
企业内部的设备需要持续更新、增加,如果一次性在母线上安装了固定的谐波治理设备,当负载的状态发生变化时,需要重新设计安装谐波治理设备,这对于企业来讲,是不经济的。
因此,企业在制定谐波治理方案时,要着重考虑谐波源的就地治理。
航天科工集团706所正是基于这样一种观念,开发了各种适合于在谐波源治理谐波的设备。
为企业下一步积极的开展内部谐波治理提供了技术保障。
谐波治理综合方案
虽然,策略3为我们提供了一个最有效的谐波治理方案,但是这个方案并不是最优的。
所谓最优的方案,要求达到最高的性价比,也就是:“以最低的谐波治理成本,获得最大的节能效益和电磁兼容效益”。
基于这个理念,我们推荐一个先进的谐波治理解决方案。
这个方案并没有机械地采取那个谐波治理策略,而是本着方案最优的原则进行综合治理。
这个方案的主要内容是:
1. 在较大功率(例如50kW以上)的谐波源负载处,安装设备级的谐波滤波器,消除谐波电流在内部电网上造成的风险;
2. 较小功率的谐波源负载,暂且不进行治理,节省成本;
3. 处理完谐波源负载的问题后,根据需要,决定是否需要在低压母线上进行谐波治理;
4. 最后考虑,是否需要在高压母线上进行治理。
航天绿电谐波治理设备
读者通过前面的讨论,应该努力实现一个最优的谐波治理方案,使企业从谐波治理的投资中获得最大的效益。
图中所示的四种谐波治理产品就是为了实现最优谐波治理方案而开发的。
这四种产品的主要功能如下:
1. HTHF设备级谐波滤波器:这是一种无源滤波器,特别适合于安装在谐波源设备的电源入口处,抑制设备发射的谐波电流。
3相谐波源设备安装HTHF后,可以使总谐波电流畸变率THID<8%。
2. PSW有源滤波器:有源滤波器既可以安装在谐波源设备的电源入口处,也可以安装在低压母线上,但是安装在谐波源负载的电源入口处往往性价比较低。
有源滤波器能够保证谐波电流畸变率小于5%。
3. MSVC高压谐波滤波器:采用磁控电抗器(MCR)技术,与TCR技术相比,具有可靠性高、价格低、维护简单的优点。
不仅滤除高压母线上的谐波电流,而且动态调整无功功率,使功率因数达到0.95以上。
4. NBF零线谐波电流阻断器:串联安装在零线上,对线路中的三次谐波产生很高的阻抗,减小三次谐波电流。