塑钢门窗执行标准和承诺技术指标
- 格式:doc
- 大小:43.00 KB
- 文档页数:3
塑钢窗的执行标准
塑钢窗的执行标准主要包括以下几种:
1. GB/T 《塑料钢门窗》:该标准规定了塑料钢门窗的分类、术语与定义、材料、生产要求、性能要求、试验方法、检验规则、标志、包装、运输和贮存等方面的内容,涵盖了塑钢窗的整个生产过程。
2. GB/T 《建筑用塑钢门窗》:针对产品的尺寸、形状、开启方式等方面制定的标准。
该标准规定了窗型的分类、尺寸、结构等方面的要求,以确保塑钢窗的使用功能和质量。
3. GB/T 《建筑用塑料钢型材》:针对塑料钢型材的品种、质量、尺寸等方面制定的标准。
该标准规定了塑料钢型材的原材料、化学成分、物理性能、表面质量等方面的要求,确保塑料钢型材具有良好的物理和化学性能,以满足塑钢窗的生产需要。
4. GB/T 《建筑用塑钢门窗制作工艺规程》:针对塑钢窗制作过程中的各环节制定的标准。
该标准规定了塑钢窗的加工制造过程、工艺及其要求、检验方法、质量保证等方面的内容,以确保塑钢窗制作的规范化和工艺化。
5. GB/T 《塑料钢门窗和幕墙》:针对塑钢窗产品的性能、规格、技术要求等方面制定的标准。
该标准规定了塑钢窗的结构、使用要求、物理性能、表面质量、安装等方面的内容,以确保塑钢窗的质量符合国家标准。
请注意,不同类型塑钢窗所执行的检测标准可能不同,具体可参考各类型塑钢窗的检测报告。
塑钢窗技术标准1.执行标准:《建筑门窗空气声隔声性能分级及检测方法》GB/T8485-2008 《建筑外窗气密、水密、抗风压性能分级及检测方法》GB/T7016-2008 《建筑玻璃应用技术规程》JGJ113-2009 《建筑外门窗保温性能分级及检测方法》GB/T8484-2008 施工图纸2.设计要求2.1、抗风压性能抗风压性能等级为5级。
以安全检测压力值(P3)进行分级,其分级指标值P3分级指标值3.0≤P3<3.5 单位为千帕2.2、气密性能门窗气密性等级为6级。
单位缝长空气渗透量q1和单位面积空气渗透量q2分级指标值为1.5≧q1>1.0 4.5≧q2>3.02.3、水密性能门窗水密性为3级。
分级指标值为250≤ΔP<3502.4、保温性能分级保温性等级为5级。
分级指标值3.0>K≧2.5 w/(㎡.K) 2.5、空气隔声性能隔声性能等级为3级。
分级指标值外门外窗的分级指标值30≤RW +Cw<35 和内门内窗的分级指标值30≤RW+C<353、材料要求3.1、一般规定3.1.1.除非下面另有规定,工程所有的PVC型材、五金配件、玻璃、密封材料、硅酮结构密封胶为下述采用的国家或行业标准中规定的一等品及以上的品质。
所有型材、配件、密封材料均需要建设单位审批封样后方可使用。
3.2.PVC门窗型材3.2.1.PVC门窗用型材的物理机械性能及尺寸精度应符合现行国家标准 GB/T8814-2004《门、窗框用硬聚氯乙烯(PVC)型材》规定。
3.2.2.PVC门窗型材可视面(非可视面)的最小实测壁厚在平开门窗时应不小于2.5mm(2.0mm)。
3.2.3.PVC型材断面构造要求:型材厚度为60mm(即60系列);为多腔构造,有独立的排水腔。
3.2.4.PVC型材应与增强型钢和五金配件相适应。
3.3玻璃3.3.1.PVC门窗玻璃应采用国家标准《浮法玻璃》(GB11614)规定的建筑级浮法玻璃或以其为原片的各种加工玻璃。
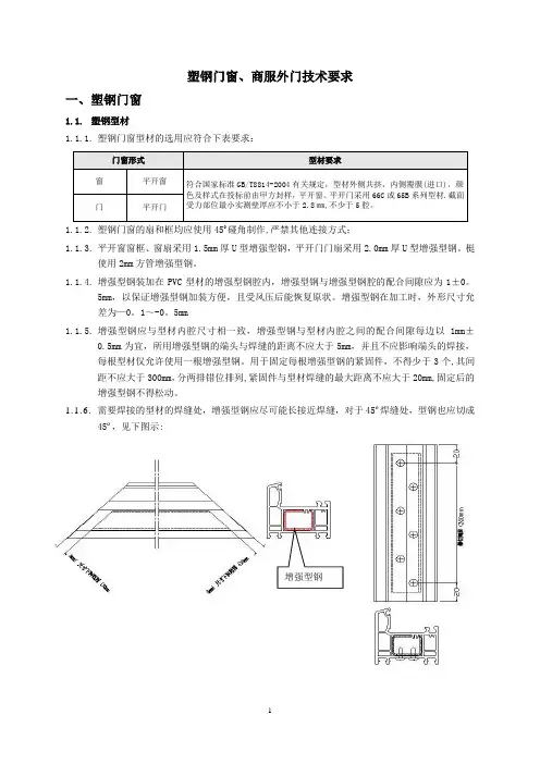
塑钢门窗、商服外门技术要求一、塑钢门窗1.1.塑钢型材1.1.1.塑钢门窗型材的选用应符合下表要求:1.1.2.塑钢门窗的扇和框均应使用450碰角制作,严禁其他连接方式;1.1.3.平开窗窗框、窗扇采用1.5mm厚U型增强型钢,平开门门扇采用2.0mm厚U 型增强型钢。
梃使用2mm方管增强型钢。
1.1.4.增强型钢装加在PVC型材的增强型钢腔内,增强型钢与增强型钢腔的配合间隙应为1±0.5mm,以保证增强型钢加装方便,且受风压后能恢复原状。
增强型钢在加工时,外形尺寸允差为-0.1~-0.5mm1.1.5.增强型钢应与型材内腔尺寸相一致,增强型钢与型材内腔之间的配合间隙每边以1mm±0.5mm为宜,所用增强型钢的端头与焊缝的距离不应大于5mm,并且不应影响端头的焊接,每根型材仅允许使用一根增强型钢。
用于固定每根增强型钢的紧固件,不得少于3个,其间距不应大于300mm,分两排错位排列,紧固件与型材焊缝的最大距离不应大于20mm,固定后的增强型钢不得松动。
1.1.6.需要焊接的型材的焊缝处,增强型钢应尽可能长接近焊缝,对于45º焊缝处,型钢也应切成45º,见下图示:增强型钢1.1.6中标单位在厂内制作完毕后至工程通过竣工验收期间内,型材室内、室外所有外露面均应有保护膜或纸胶带保护;该保护膜或纸胶带在竣工验收前由中标单位接招标单位通知后自行清除;1.1.7塑钢门窗型材的基材应满足:GB/T8814-2004《门、窗未增塑聚氯乙稀(PVC-U)型材》、JG/T140-2005《未增塑聚氯乙稀(PVC-U)塑料窗》、JG/T180-2005《未增塑聚氯乙稀(PVC-U)塑料门》等;型材壁厚检查只允许符合规范A类要求,否则按不合格论;1.1.8型材指定厂家:中大、中财、皇家。
1.2.玻璃1.2.1.玻璃的选用应符合下表:门窗部位种类厚度规格颜色备注卧室及客厅等4+9+4+9+4≥4mm中空玻璃浮法白玻璃玻璃为浮法白玻(汽车级),选用必须满足《建筑玻璃应用技术规程》(JGJ113-2009)及其他相关规范要求。
塑钢窗技术标准一.执行标准:GB/T 5823 建筑门窗属于GB/T 5824 建筑门窗洞口尺寸系列GB /T 7106 建筑外窗抗风雅性能分级及其检测方法GB/T 7107 建筑外窗空气渗透性能分级及其检测方法GB/T 7108 建筑外窗雨水渗漏性能分级及其检测方法GB/T 8484 建筑外窗保湿性能分级及其检测方法GB/T 8485 建筑外窗空气声隔声性能分级及其检测方法GB/T 8814-2004 门、窗用未曾塑聚氧乙烯(PVC-U)型材GB/T 9286 色漆和清漆清膜的规格试验GB/T 11793.3-1989 PVC塑料窗力学性能、耐候性实验方法GB/T 11976 建筑外窗采光性能分级及检测方法GB/T 14436 工业产品保证文件总则JGJ 103 塑料门窗安装及验收规程JGJ 113 建筑玻璃应用技术规程二.设计要求1、抗风压性能以安全检测压力值(P3)进行分级,其分级指标值P3按表1规定表1 抗风压性能分级2.气密性能单位缝长空气渗透量q1和单位面积空气渗透量q2分级指标值按表2规定。
表2 气密性能分级3.水密性能分级分级指标值ΔP按表3规定表3 水密性能分级4.保温性能分级分级指标值K按表4规定表4 保温性能分级5.空气隔声性能分级指标值R W按表5规定表5 空气隔声性能分级6.采光性能分级分级指标T r按表6规定表6 采光性能分级三.材料要求1.塑钢窗的规格、型号应符合设计要求,窗的质量及力学性能符合国家现行标准要求,并具有出厂合格证。
2.窗的抗风压、空气渗透、雨水渗透三项基本物理性能应符合国家现行标准中对此三项性能分级的规定及设计要求,并附有该等级的质量检测报告。
塑钢窗滑轮于与滑道,该工程设计对保温及隔声性能无具体要求。
3.窗采用的五金件、紧固件、增强型钢及金属衬板等符合下列要求;型号、规格、性能及要求均应符合国家现行标准的有关规定。
(1)紧固件、五金件、增强型钢及金属衬板等,应进行表面防腐处理;(2)紧固件的镀层金属及其厚度宜符合现行国家标准《螺纹紧固件电镀层》(GB5269)的有关规定,紧固件的尺寸、螺纹、公差、十字槽及机械性能等技术条件应符合现行国家标准《十字槽盘头自攻螺钉》(GB845)《十字槽沉头自攻螺钉》(GB846)的有关规定;(3)五金件型号、规格和性能均应符合国家现行标准的有关规定;滑撑铰链不得使用铝合金材料。
塑钢窗技术标准1.执行标准:2.设计要求2.1、抗风压性能抗风压性能等级为5级。
以安全检测压力值(P3)进行分级,其分级指标值P3分级指标值3.0≤P3<3.5 单位为千帕2.2、气密性能门窗气密性等级为6级。
单位缝长空气渗透量q1和单位面积空气渗透量q2分级指标值为1.5≧q1>1.0 4.5≧q2>3.02.3、水密性能门窗水密性为3级。
分级指标值为250≤ΔP<3502.4、保温性能分级保温性等级为5级。
分级指标值3.0>K≧2.5 w/(㎡.K) 2.5、空气隔声性能隔声性能等级为3级。
分级指标值外门外窗的分级指标值30≤RW +Cw<35 和内门内窗的分级指标值30≤RW+C<353、材料要求3.1、一般规定3.1.1.除非下面另有规定,工程所有的PVC型材、五金配件、玻璃、密封材料、硅酮结构密封胶为下述采用的国家或行业标准中规定的一等品及以上的品质。
所有型材、配件、密封材料均需要建设单位审批封样后方可使用。
3.2.PVC门窗型材3.2.1.PVC门窗用型材的物理机械性能及尺寸精度应符合现行国家标准GB/T8814-2004《门、窗框用硬聚氯乙烯(PVC)型材》规定。
3.2.2.PVC门窗型材可视面(非可视面)的最小实测壁厚在平开门窗时应不小于2.5mm(2.0mm)。
3.2.3.PVC型材断面构造要求:型材厚度为60mm(即60系列);为多腔构造,有独立的排水腔。
3.2.4.PVC型材应与增强型钢和五金配件相适应。
3.3玻璃3.3.1.PVC门窗玻璃应采用国家标准《浮法玻璃》(GB11614)规定的建筑级浮法玻璃或以其为原片的各种加工玻璃。
3.3.2.玻璃为无色透明中空玻璃,厕所的窗户为磨砂玻璃。
3.3.3.所有玻璃厚度结合华庭及缔景施工图纸和变更要求。
3.3.4.中空玻璃为设置分子筛(干燥剂)、铝条及丁基胶和聚硫胶的双层胶封边的中空玻璃。
3.3.5.玻璃的尺寸偏差、外观质量及性能应符合下列现行标准规定:《钢化玻璃》(GB/T9963)《浮法玻璃》(GB11614)《中空玻璃》(GB11944)3.4.五金配件3.4.1.PVC门窗用五金配件应符合下列现行标准的规定:《建筑门窗五金件通用要求》JG/T 212-2007《建筑门窗五金件传动机构用执手》JG/T124-2007《建筑门窗五金件旋压执手》JG/T213-2007《建筑门窗五金件合页(铰链)》JG/T125-2007《建筑门窗五金件传动锁闭器》JG/T126-2007《建筑门窗五金件滑撑》JG/T 127-2007《建筑门窗五金件撑挡》JG/T 128-2007《建筑门窗五金件插销》JG/T214-2007《建筑门窗五金件多点锁闭器》JG/T 215-2007《建筑门窗五金件滑轮》JG/T129-2007《建筑门窗五金件单点锁闭器》JG/T130-2007《外装门锁》(GB/T2473)《弹子插芯门锁》(GB/T2474)3.4.2根据门窗扇的重量自行设计选配五金配件(标称承载能力应大于实际荷载的1.5培),活动五金应能满足使用3万次以上的B级产品,投标时上报实物样品及厂家资料。
塑钢门窗国家执行标准(塑钢节能门窗质量验收要求) [范本一]【塑钢门窗国家执行标准】塑钢节能门窗质量验收要求1. 引言1.1 目的1.2 适用范围1.3 术语和定义2. 材料要求2.1 塑钢型材2.1.1 型材外观质量2.1.2 型材尺寸和偏差2.1.3 型材物理性能2.2 塞红胶条2.2.1 胶条材料2.2.2 胶条性能2.3 五金配件2.3.1 五金配件材料2.3.2 五金配件性能3. 结构要求3.1 设计要求3.1.1 强度和刚度要求 3.1.2 气密性要求3.1.3 防水性能要求 3.2 安装要求3.2.1 安装平整度要求 3.2.2 安装间隙要求3.2.3 安装固定性要求4. 功能要求4.1 开启、关闭和固定功能 4.2 通风和排湿功能4.3 隔音和保温功能5. 规范要求5.1 施工及验收5.1.1 施工前准备5.1.2 施工工艺要求5.1.3 竣工验收及报告5.2 质量控制5.2.1 塑钢门窗质量控制点 5.2.2 强度和穿刺测试5.2.3 合理施工措施6. 检测方法6.1 型材外观检测方法6.2 型材尺寸检测方法6.3 型材物理性能检测方法6.4 胶条检测方法6.5 五金配件检测方法7. 附件附件1:型材外观质量检验记录表附件2:型材尺寸检验记录表附件3:塑钢门窗强度和刚度测试报告【法律名词及注释】1. 塑钢门窗质量验收要求:根据国家相关法律法规制定的对塑钢节能门窗质量进行验收的标准。
2. 塑钢型材:由塑料和钢材进行复合制造的门窗型材。
3. 胶条材料:用于填充型材间隙、密封门窗的材料。
4. 五金配件:用于门窗的开启、关闭和固定功能的金属零部件。
[范本二]【塑钢门窗国家执行标准】塑钢节能门窗质量验收要求1. 引言1.1 目的1.2 适用范围1.3 术语和定义2. 原材料要求2.1 塑钢型材2.1.1 型材外观质量2.1.2 型材尺寸和偏差 2.1.3 型材物理性能 2.2 塞红胶条2.2.1 胶条材料2.2.2 胶条性能2.3 五金配件2.3.1 五金配件材料2.3.2 五金配件性能3. 结构要求3.1 设计要求3.1.1 强度和刚度要求 3.1.2 气密性能要求 3.1.3 防水性能要求 3.2 安装要求3.2.1 安装平整度要求 3.2.2 安装间隙要求 3.2.3 安装固定性要求4. 功能要求4.1 开启、关闭和固定功能4.2 通风和排湿功能4.3 隔音和保温功能5. 规范要求5.1 施工及验收5.1.1 施工前准备5.1.2 施工工艺要求5.1.3 竣工验收及报告5.2 质量控制5.2.1 塑钢门窗质量控制点 5.2.2 强度和穿刺测试5.2.3 合理施工措施6. 检测方法6.1 型材外观检测方法6.2 型材尺寸检测方法6.3 型材物理性能检测方法6.4 胶条检测方法6.5 五金配件检测方法7. 附件附件1:型材外观质量检验记录表附件2:型材尺寸检验记录表附件3:塑钢门窗强度和刚度测试报告【法律名词及注释】1. 塑钢门窗质量验收要求:根据国家相关法律法规制定的对塑钢节能门窗质量进行验收的标准。
1.1设计过程1.1.1.设计样板1.提供样板,与深化图纸成果同时递交。
2.过程中需密切与发包方及设计方沟通。
3.样板规格、材质、制作方式按照招标文件要求。
4.封样须经发包方会签认可。
1.1.2.设计成果提交时间1.1.1.3.设计成果要求1.图幅A3,如图幅装加大,可按规定折叠装订。
2.文字说明、标注要清楚。
3.正式深化图6套,电子文件光盘1套。
1.1.4.图纸深度:1.发包方将提供分包方电子版建筑设计图纸及相关补充资料。
分包方须按招标图纸、规范及地方政府要求编制门窗构件图、施工详图、节点详图及为满足有关政府部门审批的其它图纸。
2.图纸包括如下内容:1)总说明;2)各方向立面图;3)各细部节点大样图;4)构造示意图;5)规格、尺寸、标准明细表。
3.其他资料:1)本分包工程所需的一切土建工程配合之要求;2)技术性资料;3)及其它一切所需之资料。
1.1.5.主要技术指标及设计要点1、发包方提供建筑施工图(电子版),承包方应根据发包方提供的图纸进行深化设计,深化设计后的图纸(文本)经甲方有关人员审核、签字确认后实施。
如发生窗型缺项或不明确的情况,乙方应及时向甲方交底咨询,确认后方可施工(一般按同类窗型套用)。
2、施工图的修改变更,以甲方发出的变更通知为准。
因乙方施工技术问题或施工安排不当导致设计变更而发生的费用,均由乙方承担,工期不予顺延。
3、乙方生产安装的门窗必须保证有足够的抗风压、抗变形强度,并符合建筑施工图-建筑设计总说明中门窗工程的具体要求及相关规范要求。
门窗生产安装应符合下列国家标准并提供质保书、厂家证明、检验报告、准用证,安装质量必须达到国家质量验收标准。
塑钢型材窗(GB/T8479-2003);五金附件符合04J631相关要求;浮法玻璃(GB11614-89);中空玻璃(GB11944-89);门窗用密封条(GB12002-89);塑钢门窗成品质量应符合JG/T3017-94《PVC塑料门》和JG/T3018-94《PVC塑料窗》的要求。
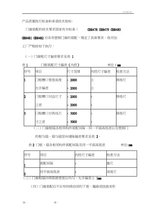
产品质量执行标准和承诺技术指标:门窗装配的技术要求国家有关标准(GB8478 GB8479 GB8480GB8481 GB8482对各类塑钢门窗的装配,规定了具体要求。
我司加工厂严格按如下执行:(一)门窗框尺寸偏差要求见表1表1 门框装配尺寸偏差(内控)单位:mm(二)门窗框扇各相邻构件装配间隙、同一平面高低差以及塑钢门的框与扇、扇与扇竖向缝隙偏差要求见表2。
表2 门框、扇各相邻构件装配间隙及同一平面高低差单位:mm(三)门窗框扇四周搭接宽度应均匀,允许偏差士1mm(四)门窗装配后不应有妨碍启闭的下垂、翘曲或扭曲变形(五)门窗附件安装位置正确、齐全、牢固,应起到各自的作用,并保证足够的强度,启闭灵活,无噪声。
承受反复运动的附件, 在结构上应便于更换。
(六)门窗用玻璃、五金、密封等附件,其质量应与门窗的质量等级相适应。
(七)门窗装配后应保证玻璃与镶嵌槽间隙,并在主要部位装有减震垫块,使其能缓冲启闭等力的冲击。
(八)门窗装饰表面不应有明显的损伤,每樘门窗局部擦伤、戈U伤的规定见表3。
表3 每樘门局部擦伤、划伤内控质量标准单位:mm(九)门窗相邻构件着色表面不应有明显的色差(十)门窗表面不应有粉尘、油斑或其他污迹,装配连接处不应有外溢的胶粘剂。
(十一)门窗的启闭力不大于50N。
型材的所有PA66穿条端部孔口应用适用材料封堵严实,边面涂抹密封胶严实、牢固;扇的上下冒头(横料)与立料型材穿条端部的孔口,450应用适用材料封堵严,防止空腔内空气透出和流动。
我司承诺本工程所有门窗均按以上标准严格执行,以优质门窗工程为目标。
保证产品出厂合格率达到100%为配合入住后或施工过程中损坏维修,对型材、五金件等材料作出的备料安排,包括塑钢窗构件在运输、堆放、吊装过程中有可能变形损坏等。
所以我公司根据具体情况,对易损坏和丢失的构件、配件、玻璃、密封材料、胶垫等备有以定的更换储备数量,工厂专门存放。
塑钢门窗执行标准和承诺技术指标work Information Technology Company.2020YEAR产品质量执行标准和承诺技术指标:门窗装配的技术要求国家有关标准(GB8478、GB8479、GB8480、GB8481、GB8482)对各类塑钢门窗的装配,规定了具体要求。
我司加工厂严格按如下执行:(一)门窗框尺寸偏差要求见表1表1 门框装配尺寸偏差(内控) 单位: mm(二)门窗框扇各相邻构件装配间隙、同一平面高低差以及塑钢门的框与扇、扇与扇竖向缝隙偏差要求见表2。
表2 门框、扇各相邻构件装配间隙及同一平面高低差单位:mm(三)门窗框扇四周搭接宽度应均匀,允许偏差±1mm。
(四)门窗装配后不应有妨碍启闭的下垂、翘曲或扭曲变形。
(五)门窗附件安装位置正确、齐全、牢固,应起到各自的作用,并保证足够的强度,启闭灵活,无噪声。
承受反复运动的附件,在结构上应便于更换。
(六)门窗用玻璃、五金、密封等附件,其质量应与门窗的质量等级相适应。
(七)门窗装配后应保证玻璃与镶嵌槽间隙,并在主要部位装有减震垫块,使其能缓冲启闭等力的冲击。
(八)门窗装饰表面不应有明显的损伤,每樘门窗局部擦伤、划伤的规定见表3。
表3 每樘门局部擦伤、划伤内控质量标准单位: mm(九)门窗相邻构件着色表面不应有明显的色差。
(十)门窗表面不应有粉尘、油斑或其他污迹,装配连接处不应有外溢的胶粘剂。
(十一)门窗的启闭力不大于50N。
型材的所有PA66穿条端部孔口应用适用材料封堵严实,边面涂抹密封胶严实、牢固;扇的上下冒头(横料)与立料型材穿条端部的450孔口,应用适用材料封堵严,防止空腔内空气透出和流动。
我司承诺本工程所有门窗均按以上标准严格执行,以优质门窗工程为目标。
保证产品出厂合格率达到100%。
为配合入住后或施工过程中损坏维修,对型材、五金件等材料作出的备料安排,包括塑钢窗构件在运输、堆放、吊装过程中有可能变形损坏等。
塑钢门窗、商服外门技术要求一、塑钢门窗1.1.塑钢型材1.1.1.塑钢门窗型材的选用应符合下表要求:1.1.2.塑钢门窗的扇和框均应使用450碰角制作,严禁其他连接方式;1.1.3.平开窗窗框、窗扇采用1.5mm厚U型增强型钢,平开门门扇采用2.0mm厚U型增强型钢。
梃使用2mm方管增强型钢。
1.1.4.增强型钢装加在PVC型材的增强型钢腔内,增强型钢与增强型钢腔的配合间隙应为1±0。
5mm,以保证增强型钢加装方便,且受风压后能恢复原状。
增强型钢在加工时,外形尺寸允差为—0。
1~-0。
5mm1.1.5.增强型钢应与型材内腔尺寸相一致,增强型钢与型材内腔之间的配合间隙每边以1mm±0.5mm为宜,所用增强型钢的端头与焊缝的距离不应大于5mm,并且不应影响端头的焊接,每根型材仅允许使用一根增强型钢。
用于固定每根增强型钢的紧固件,不得少于3个,其间距不应大于300mm,分两排错位排列,紧固件与型材焊缝的最大距离不应大于20mm,固定后的增强型钢不得松动。
1.1.6.需要焊接的型材的焊缝处,增强型钢应尽可能长接近焊缝,对于45º焊缝处,型钢也应切成45º,见下图示:增强型钢1.1。
6中标单位在厂内制作完毕后至工程通过竣工验收期间内,型材室内、室外所有外露面均应有保护膜或纸胶带保护;该保护膜或纸胶带在竣工验收前由中标单位接招标单位通知后自行清除;1.1。
7塑钢门窗型材的基材应满足:➢GB/T8814-2004《门、窗未增塑聚氯乙稀(PVC—U)型材》、JG/T140-2005《未增塑聚氯乙稀(PVC-U)塑料窗》、JG/T180-2005《未增塑聚氯乙稀(PVC—U)塑料门》等;➢型材壁厚检查只允许符合规范A类要求,否则按不合格论;1。
1.8型材指定厂家:中大、中财、皇家。
1.2.玻璃1.2.1.玻璃的选用应符合下表:1.2.2.应按《建筑玻璃应用技术规程》(JGJ113-2009)进行设计。
附件3塑钢窗工程质量标准及技术要求一、塑钢门窗技术要求1.住宅采用节能型单框三玻塑钢窗,其中塑钢门双玻玻璃。
2.门窗玻璃的选用应遵照《建筑玻璃应用技术规程》和《建筑安全玻璃管理制度》发改运行〔2003〕2116号及地方主管部门的规定。
3.下亮玻璃底边距本层室内装饰地面高度小于900mm高或单块玻璃大于1.5㎡窗玻璃,均为安全玻璃,门玻璃为双片钢化玻璃。
应符合国家标准GB9962的安全玻璃要求。
4.五金要求:A 执手在外观、操作力和力矩、反复启闭、抗扭矩、抗拉性能必须达到JG/T124-2007《建筑门窗五金件传动机构用执手》的检验标准。
B 传动锁闭器在外观、驱动部件强度、锁闭部件强度、反复启闭性能必须达到JG/T126-2007《建筑门窗五金件传动锁闭器》的检验标准。
C 铰链在外观、上部合页(铰链)承受静态载荷、承载力矩、转动力、反复闭合、悬端吊重、撞击洞口、撞击阻碍物性能必须达到JG/T125-2007《建筑门窗五金件合页(铰链)》的检验标准。
二、塑钢门窗材料品牌要求1.型材:品牌:忠旺65双色共挤系列塑钢窗型材,忠旺60双色共挤系列塑钢门型材。
颜色:外侧深咖啡色(程威201),内侧白色;2.钢衬:塑钢窗部分选用≥1.5mm厚热镀锌钢衬;塑钢门部分选用2.0mm厚热镀锌钢衬。
3.五金配件:品牌:德国丝吉利娅或德国格屋内平开(窗)及外开(门)五金件。
包括执手、传动锁闭器、铰链、风撑(仅窗);门五金配置:首层和二层塑钢门五金配置为双面执手带锁芯。
三层含三层以上塑钢门五金配件要求为双面执手室外为非操作性执手,不带锁芯;风撑:塑钢门不安装风撑,所有窗均适配风撑;执手颜色:室外执手同型材颜色,室内白色;如开启扇高度超过1.2m,需要用三点锁五金件。
4.玻璃:品牌为沈阳耀华、秦皇岛耀华。
三玻中空玻璃规格为4+6A+4+9A+4,双玻中空规格为4+12A+4 玻璃原片采用建筑级透明浮法玻璃。
采用丁基胶、聚硫胶槽铝式双道密封。
塑钢窗技术质量要求一、执行JG/T3018-94、JG/T3017-94标准二、执行京建材[1999]148号文,关于发布《北京市“九五”住宅建设标准》建筑外窗部分补充规定。
三、执行京环保福字[1999]564《关于我市道路两侧新建建筑采用隔声窗通知》。
四、塑料外门窗的力学性能执行JG/T3017-94表6、表7,JG/T3018-94表6、表7规定。
五、执行GB50210-2001建筑装饰装修工程质量验收规范。
六、材料要求:1、型材符合GB8814的要求;2、窗用密封条符合GB12002要求;3、钢衬及紧固件应做防锈处理,钢衬壁厚≥1.2,五金件应能满足窗的机械力学性能要求,窗用钢衬,紧固件及五金的金属材料的规格与质量要求执行JG/T3017-94附录A。
4、中空玻璃执行GB11944-89、窗纱执行GB8379-87。
5、执行京建法[2001]2号文件“关于北京市建筑工程安全玻璃使用规定”。
6、门窗框扇对角线差≤3mm,门板拼装允许缝隙≤0.6,框扇相邻构件装配间隙尺寸≤0.5,相邻构件焊接处的同一平面度≤0.8。
7、五金配件安装位置应正确,数量齐全、安装牢固,五金配件开关灵活,满足门窗扇的机械力学性能要求,承受往复运动的配件,在结构上应便于更换,全套配件按开启型式及要求由厂家全部配齐。
8、玻璃安装的尺寸,从门窗构件的采光边缘算起,每边搭接量≥8,玻璃四周必须配防震垫块。
9、成品外表应贴保护膜,运输装卸应保证产品不变形、不损坏,表面完好。
七、执行JGJ103-96《塑料门窗安装及验收规程》。
八、厂家应提供的物理性能报告;1、门窗抗风压性能报告;2、门窗雨水渗透性能报告;3、门窗空气渗透性能报告;九、厂家应提供的合格证及检测报告1、成品出厂合格证;2、玻璃合格证及检测报告;3、密封胶合格证及检测报告;4、执手、滑轮、滑轨、橡胶条、防震垫块等五金配件合格证及检测报告;。
塑钢门窗国家标准作业指导书一、执行标准:1、《PVC塑料窗》JG/T3018-942、《建筑外窗承受机械力的检测方法》GB9158-883、《建筑外窗抗风压性能分级及检测方法》GB/T7106-20024、《建筑外窗气密性能分级及检测方法》GB/T7107-20025、《建筑外窗水密性能分级及检测方法》GB/T7108-2002二、检测内容:1、尺寸偏差2、开启力3、抗风压性能4、气密性5、水密性三、检测设备:XMCY-C型门窗检测仪、卷尺、测力计四、检测细则:4.1:外观质量:窗的表面应平滑,颜色应基本均匀一致,无裂纹、无气泡、焊缝平整,不得有影响使用的伤痕,杂质等缺陷。
4.2:尺寸偏差:4.2.1:窗框、窗扇外形尺寸的允许偏差见表4.3开启力:4.3.1试样数量及取样方法:同一种窗的试件数量为三件。
试样选取方式为随机抽样或选送。
4.3.2试件的要求:试件应为生产厂的合格产品,不可附加多余的零配件或采用特殊的组装工艺。
a、试件的镶嵌应符合设计要求,或按有关规范进行。
(如因玻璃质量问题或镶嵌质量不符合有关规范要求而在检测过程中发生不正常的玻璃破碎现象时,应重新测定。
)b、玻璃厚度、型号和镶嵌方式应符合生产厂的规定。
4.3.3试件的安装:试件的安装应可能接近实际使用时的受力情况,安装好的试件应符合设计时的标准状态,如,窗面要竖直,下框要水平,不允许由于安装而产生变形。
4.3.4检测方法:窗扇开启力:4.3.4.1静力:松开窗扇的锁,但不打开窗扇,在执手或操纵装置上沿开启方向施加静力,测量能使窗开启的最小静力。
4.3.4.2动力:如静力超过了规定值,需用猛拉窗扇的方式使窗扇开启时,应作下述动力试验。
用由50N重物自由下落时产生的力猛拉窗扇,确定能使窗扇开启的重物下落高度(以mm计)。
该重物系在长度为1m,直径为2-3mm的七股钢丝合成的钢绳上,钢绳的另一端和执手或操纵装置相连接,测定时先将窗扇的锁松开,然后在开启方向施加动力。
塑钢门窗技术要求塑钢窗技术要求一、材料要求1.塑钢窗的规格、型号应符合设计要求,窗的质量及力学性能符合国家现行标准要求,并具有出厂合格证。
2.窗户的三个基本物理性能,包括抗风压性、透气性和雨水渗透性,应符合现行国家标准中三个性能等级的规定和设计要求,并附上该等级的质量检验报告。
3.窗采用的五金件、紧固件、增强型钢及金属衬板等符合下列要求;型号、规格、性能及要求均应符合国家现行标准的有关规定。
(1)紧固件、五金件、加强型钢和金属衬板应进行表面防腐处理;(2)紧固件的电镀金属和厚度应符合现行国家标准《螺纹紧固件电镀层》(gb5269)的有关规定。
紧固件的尺寸、螺纹、公差、十字槽、机械性能等技术条件应符合现行国家标准《十字槽盘头自攻螺钉》(gb845)和《十字槽沉头自攻螺钉》(gb846)的有关规定;(3)五金件型号、规格和性能均应符合国家现行标准的有关规定;滑撑铰链不得使用铝合金材料。
4.所有耐腐蚀门窗应采用相应的耐腐蚀五金件和紧固件。
安装五金配件时,应在型材相应位置加3mm厚的金属衬板。
5固定片厚度应大于或等于1.5mm最小宽度应大于或等于15mm,其材质应采用q235-a;冷轧钢板,其表面应进行镀锌处理。
6.组合床的框架和门窗应内衬与内腔紧密柔和的加强型钢,型钢的两端应比框架长10~15mm。
外窗拼接材料的横截面尺寸、形状和壁厚应能使组合窗承受该区域的瞬时风压。
7、玻璃:采用耀皮在线low―e(单面)玻璃原片加工成的中空玻璃,厚度6+12+6,充氩气,其余技术数据见图纸要求。
7.1中空玻璃必须符合国家标准、相应行业标准、相关技术规范和施工质量验收规范。
需要玻璃作为建筑材料的建筑物的以下部分必须使用安全玻璃:a、建筑物的公共出入口、门厅等部位;b、面积大于1.5m2的窗玻璃或底边距最终装饰面小于500mm的落地窗;c、幕墙(全玻璃幕墙除外);d、倾斜装配窗、各类天棚(含天窗、采光顶)、吊顶;e、观光电梯及其外围护;f、室内隔断、浴室围护和屏风;g、楼梯、阳台、平台和走廊的栏杆以及中庭的内栏杆;h、支撑行人行走的楼板;i、易受撞击,冲击而造成人体伤害的其它部位。
塑钢窗材料技术要求一材料要求:塑钢型材:选用白色60系列型材,壁厚不小于2.5mm。
钢衬:选用1.5mm热镀锌钢衬。
玻璃:5+12A+5中空白色浮法玻璃,单块面积大于 1.5㎡高度低于0.9m的玻璃采用安全玻璃或钢化玻璃。
五金件:选用春光或同等级品牌的平开五金件。
胶条、毛条:胶条(三元乙丙EPDN),窗友毛条(硅化6*6)塑钢窗厂应按设计院提供的建筑立面图、窗立面图及大样图进行深化设计。
塑钢窗的设计方案,经甲方单位审核(或委托设计院)批准后,方可进行施工图设计。
二执行标准:《塑钢窗》GB11793.1-89;GB11793.2-89;GB∕T3018-94;《建筑玻璃应用技术规范》JCJT13-2009;《建筑安全玻璃管理规定》发改运行《2003》2116号文。
三技术要求1 窗构件可视面应平滑,颜色一致,无裂纹,气泡,不得有严重影响外观的划伤缺陷,焊缝清理后,刀痕应均匀、平滑、平整。
2 增强型钢端头距型材端头内角距离不宜大于15mm,且以不影响端头焊接为宜,增强型钢与型材承载方向内腔配合间距不应大于1mm,用于固定每根增强型材的紧固件不得少于3个,其间距不应大于300mm,距型材端头内角距离不应大于100mm,固定后的增强型钢不得松动。
3 外窗窗框、窗扇应有排水通道,使浸入框、扇内的水及时排至室外,排水通道不得与放臵增强型的室连通。
装配式结构的中梃连接部位应加衬连接件,该连接件与增强型钢应采用紧固件固定,连接处的四周缝隙应有可靠地密封措施。
4 窗框、窗扇对角线尺寸之差不应大于3mm;5 窗框窗扇相邻构件装配间隙应大于0.5mm,相邻两构件焊接处的同一平面度不应大于0.6mm;6 五金配件安装位臵准确,数量齐全,承受往复运动的配件在结构上应便于更换。
摩擦铰接的联接螺钉应全部与窗框增强型可靠联接。
7 密封条、毛条等装配后应均匀,牢固,接口严密,无脱槽、收缩、虚压等现象。
8 压条装配后应牢固,压条角部对接处的间隙不应大于1mm,不得在一边使用两根(含两根)以上压条。
塑钢门窗技术标准推拉门窗采用88系列(PVC)塑料门窗;平开门窗采用60系列内开塑料门窗。
二、提供塑钢截断样品、材料样板及五金件样品;及门窗物理性能及力学性能检测报告。
三、材料标准:1.门窗采用的异型材采用保定德玛斯“宝硕.海豚”、北新“龙牌”、LG、大连实德、“鹏翔”、山东“鲁宏”等UPVC系列产品,异型材应符合现行的国家标准《门窗框用硬聚氯乙烯型材》(GB8814),其颜色由甲方考察后最终确定。
2.主要增强型钢为闭口型式,应使用不低于GB/T 11253规定中Q235钢带材料轧制,内外表面应进行热镀锌处理;增强型钢材料厚度不应小于1.5mm,要求做防腐处理。
3.密封条均采用三元乙丙密封条,密封材料采用硅酮耐候密封胶,应符合《塑料门窗用密封条》(GB12002)的有关规定,填充发泡材料采用比利时速得牌。
4.门窗用五金件采用北新建材系列。
门窗采用的紧固件、五金件、增强型钢及金属衬板等,应符合下列要求:(1)紧固件、五金件、增强型钢及金属衬板等,应进行表面防腐处理;(2)五金件型号、规格和性能均应符合国家现行标准的有关规定;滑撑铰链不得使用铝合金材料。
5.固定片厚度应大于或等于1.5mm,最小宽度应大于或等于15mm,其材质应采用Q235-A 冷轧钢板,其表面应进行镀锌处理。
6.组合窗及连窗门的拼樘料应采用与其内腔紧密吻合的增强型钢作为内衬,型钢两端应比拼樘料长出10~15mm。
外窗的拼樘料截面尺寸及型钢形状、壁厚,应能使组合窗承受该地区的瞬时风压值。
7.玻璃及玻璃垫块、窗纱的质量应符合下列要求:(1)玻璃须采用洛玻、秦皇岛耀华净白色浮法玻璃等同档次产品,中空玻璃采用的规格为5mm+9A+5mm;单层玻璃采用的规格为5mm,其品种、规格及质量应符合国家现行产品标准的规定,并应有产品出厂合格证及检测报告;单块面积大于1.5平方米的窗玻璃和落地玻璃须采用安全玻璃;(2)中空玻璃的安装尺寸应比相应的框、扇(梃)内口尺寸小4mm~6mm;(3)玻璃垫块应选用邵氏硬度为70~90(A)的硬橡胶或塑料,不得使用硫化再生橡胶、木片或其他吸水性材料。
产品质量执行标准和承诺技术指标:
门窗装配的技术要求国家有关标准(GB8478、GB8479、GB8480、GB8481、GB8482)对各类塑钢门窗的装配,规定了具体要求。
我司加工厂严格按如下执行:
(一)门窗框尺寸偏差要求见表1
表1 门框装配尺寸偏差(内控) 单位: mm
(二)门窗框扇各相邻构件装配间隙、同一平面高低差以及塑钢门的框与扇、扇与扇竖向缝隙偏差要求见表2。
表2 门框、扇各相邻构件装配间隙及同一平面高低差单位:mm
(三)门窗框扇四周搭接宽度应均匀,允许偏差±1mm。
(四)门窗装配后不应有妨碍启闭的下垂、翘曲或扭曲变形。
(五)门窗附件安装位置正确、齐全、牢固,应起到各自的作用,并保证足够的强度,启闭灵活,无噪声。
承受反复运动的附件,在结构上应便于更换。
(六)门窗用玻璃、五金、密封等附件,其质量应与门窗的质量等级相适应。
(七)门窗装配后应保证玻璃与镶嵌槽间隙,并在主要部位装有减震垫块,使其能缓冲启闭等力的冲击。
(八)门窗装饰表面不应有明显的损伤,每樘门窗局部擦伤、划伤的规定见表3。
表3 每樘门局部擦伤、划伤内控质量标准单位: mm
(九)门窗相邻构件着色表面不应有明显的色差。
(十)门窗表面不应有粉尘、油斑或其他污迹,装配连接处不应有外溢的胶粘剂。
(十一)门窗的启闭力不大于50N。
型材的所有PA66穿条端部孔口应用适用材料封堵严实,边面涂抹密封胶严实、牢固;扇的上下冒头(横料)与立料型材穿条端部的450孔口,应用适用材料封堵严,防止空腔内空气透出和流动。
我司承诺本工程所有门窗均按以上标准严格执行,以优质门窗工程为目标。
保证产品出厂合格率达到100%。
为配合入住后或施工过程中损坏维修,对型材、五金件等材料作出的备料安排,包括塑钢窗构件在运输、堆放、吊装过程中有可能变形损坏等。
所以我公司根据具体情况,对易损坏和丢失的构件、配件、玻璃、密封材料、胶垫等备有以定的更换储备数量,工厂专门存放。