齿轮滚刀变模数设计
- 格式:doc
- 大小:26.00 KB
- 文档页数:3
塑料齿轮是慢丝切割的螺纹可以对半分模,也可以旋转抽芯张学孟先生提出过两种噪音指标:一、控制最大滑动比的噪音指标Bcg。
原理是:在齿轮基圆的附近的渐开线的曲率变化大,敏感性高,齿面在啮合时的接触滑动比也大,所以在基圆附近的齿高传递力时,力的变化比较剧烈,齿面的粗糙度对力的影响也大,因此容易引起齿的振动,产生较大的噪音。
所以,应该使啮合起始圆尽可能的远离基圆。
二、摩擦噪音指标。
原理是:先说两个定义:1、主动齿轮的节园到啮合起始圆的这段弧形称为进弧区;2、从节园到其齿顶称为退弧区。
当齿面接触由进弧区移动到退弧区时,摩擦力的方向在节园处发生突变。
在进弧区内,主动齿轮的齿腹先于从动齿轮的齿顶接触,齿面滑动的方向是朝着主动齿轮的齿顶,摩擦力与之相反。
摩擦力产生的力矩的方向正好和主动齿轮加载的方向相同,因此摩擦力增大了齿面的法向压力。
刚超过节园时,摩擦力随着滑动方向的改变而改变。
齿面受力发生突变,导致牙齿发生振动而产生噪音。
减小从动齿轮的外径和增大主动齿轮的外径和改善摩擦噪音指标。
2.关于塑齿双啮测试压力的规定①目前未查到国内相关标准是如何规定的;②日本的齿轮标准:JISB1702-3_2008和JISB1752_1989都对测试压力进行了规定。
这两个标准对于塑齿测试压力的规定是一致的,如附图所示。
但是问题是:这两个标准中对于塑齿测试压力的数值规定明显的偏大。
以1个模数,齿宽b=20mm的齿轮为例,标准规定的测试压力是5.4*2=8.4N=856.56161890146gf=0.85656161890146kgf,这对于一般的双啮仪提供的测试力范围是不相符合的。
而且这个力明显的偏大。
从实际的情况是,对于塑齿的双啮测试一般是在100gf~200gf,一般取200gf=1.96133N≈2N。
对于塑胶斜齿轮一般都是用滚齿加工铜公,然后再用铜公加工模具。
对于斜齿设计推荐用标准的,但是如果斜齿轮的齿厚很小的情况下,在精度要求不是很苛刻的条件下也可以考虑用线割的方式直接割除斜齿齿廓,其出差在um (丝)级的。
标准齿轮模数齿数计算公式找对应表太不现实了!告诉你一简单的:齿轮的直径计算方法:齿顶圆直径=(齿数+2)*模数分度圆直径=齿数*模数齿根圆直径=齿顶圆直径-(4.5×模数)比如:M4 32齿34*3.5齿顶圆直径=(32+2)*4=136mm分度圆直径=32*4=128mm齿根圆直径=136-4.5*4=118mm7M 12齿中心距D=(分度圆直径1+分度圆直径2)/2就是(12+2)*7=98mm这种计算方法针对所有的模数齿轮(不包括变位齿轮)。
模数表示齿轮牙的大小。
齿轮模数=分度圆直径÷齿数=齿轮外径÷(齿数-2)齿轮模数是有国家标准的(GB1357-78)模数标准系列(优先选用)1、1.25、1.5、2、2.5、3、4、5、6、8、10、12、14、16、20、25、32、40、50 模数标准系列(可以选用)1.75,2.25,2.75,3.5,4.5,5.5,7,9,14,18,22,28,36,45模数标准系列(尽可能不用)3.25,3.75,6.5,11,30上面数值以外为非标准齿轮,不要采用!塑胶齿轮注塑后要不要入水除应力精确测定斜齿轮螺旋角的新方法Circular Pitch (CP)周节齿轮分度圆直径d的大小可以用模数(m)、径节(DP)或周节(CP)与齿数(z)表示径节P(DP)是指按齿轮分度圆直径(以英寸计算)每英寸上所占有的齿数而言径节与模数有这样的关系: m=25.4/DPCP1/8模=25.4/DP8=3.175 3.175/3.1416(π)=1.0106模1) 什么是「模数」?模数表示轮齿的大小。
R模数是分度圆齿距与圆周率(π)之比,单位为毫米(mm)。
除模数外,表示轮齿大小的还有CP(周节:Circular pitch)与DP(径节:Diametral pitch)。
【参考】齿距是相邻两齿上相当点间的分度圆弧长。
2) 什么是「分度圆直径」?分度圆直径是齿轮的基准直径。
1.选定类型,精度等级,材料及齿数 (1)直齿圆柱硬齿面齿轮传动 (2)精度等级初定为8级 (3)选择材料及确定需用应力小齿轮选用45号钢,调质处理,(217-255)HBS 大齿轮选用45号钢,正火处理,(162-217)HBS (4)选小齿轮齿数为Z1=24,Z2=3.2x24=76.8.取Z2=772. 按齿面接触强度设计计算(1)初选载荷系数K t电动机;载荷状态选择:中等冲击;载荷系数K t 的推荐范围为(1.2-2.5),初选载荷系数K t :1.3, (2)小齿轮转矩)(29540/97039550000/9550111mm N n P T ⋅=⨯==(3)选取齿宽系数1=d φ.⑷取弹性影响系数218.189MPa Z E =⑸按齿面硬度查得小齿轮的接触疲劳强度极限为MPa 5801lim =σ。
大齿轮的接触疲劳强度极限为MPa 5202lim =σ ⑹计算应力循环次数N 1=60n 1jl h =60X970X1X(16X300X15)=4.470X109N 99210397.12.310470.4⨯=⨯=⑺取接触疲劳寿命系数K .89.0,88.021==HN HN K⑻计算接触疲劳许用应力 取失效概率为1%,安全系数S=1[]a HN H MP MPa SK 4.5105709.01lim 11=⨯==σσ[]a HN H MP MPa SK 8.46253095.02lim 22=⨯==σσ⑼按齿面接触强度设计计算 ①试算小齿轮分度圆直径mm Z u u T K d H E d t t 248.56)8.4628.189(2.32.4110954.28.132.2)][(132.23243211=⨯⨯⨯=+〉σφ②计算齿轮圆周转速v 并选择齿轮精度 s m n d V t /48.2100060970248.5610006011=⨯⨯⨯=⨯=ππ③计算齿轮宽度bmm d b t d 248.56248.5611=⨯=⨯=φ④计算齿轮宽度b 与齿高h 之比 模数 mm mm Z d m t 033.22272.44111===齿高 mm mm m h 574.4033.225.225.21=⨯==67.10=hb⑤计算载荷系数根据v=2.27m/s 。
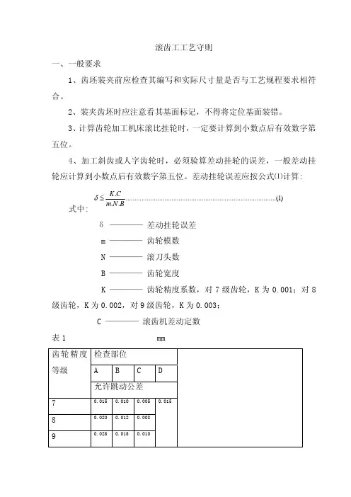
)1.....(...................................................................................BN m CK ≤δ滚齿工工艺守则一、一般要求1、齿坯装夹前应检查其编写和实际尺寸量是否与工艺规程要求相符合。
2、装夹齿坯时应注意看其基面标记,不得将定位基面装错。
3、计算齿轮加工机床滚比挂轮时,一定要计算到小数点后有效数字第五位。
4、加工斜齿或人字齿轮时,必须验算差动挂轮的误差,一般差动挂轮应计算到小数点后有效数字第五位。
差动挂轮误差应按公式⑴计算:式中:δ ———— 差动挂轮误差 m ———— 齿轮模数 N ———— 滚刀头数B ———— 齿轮宽度K ———— 齿轮精度系数,对7级齿轮,K 为0.001;对8级齿轮,K 为0.002,对9级齿轮,K 为0.003;C ———— 滚齿机差动定数表1 mm 检查部位 ABCD齿轮精度等级允许跳动公差7 0.0150.010 0.0058 0.0200.012 0.00890.0250.0150.0100.0155、加工有偏重的齿轮时,应在相对应处安置适当的配重。
二、齿坯的装夹1、在滚齿机上安装滚齿夹具时,应按表1的要求调整。
2、在滚齿机上装夹齿坯时,应将有标记的基面向下,使其与支承面贴合,不得垫纸或铜皮等物。
压紧前用千分表检查齿坯外圆径向跳动和基准端面跳动,其跳动公差不得不于表2所规定数值。
压紧后需再次检查,以防压紧时产生变形。
表2 mm齿轮分度圆直经≤125>125~400 >400~800>800~1600>1600~2500>2500~4000齿轮精度等级齿坯外圆径向跳动和基准端面跳动公差点儿7 8 0.0180.0220.0320.0450.0630.1009 0.0280.0360.0500.0710.1000.160注:①当三个公差组的精度等级不同时,按最高的精度等级确定公差值。
滚刀设计中常用英语一、 齿轮部分 1. 齿轮 Gear 33鼓形齿 Crowned teeth 2 配对齿轮 Mating gear 34 鼓形修整 Crowning 3 外齿轮 External gear 35 修缘 Tip relief 4 内齿轮 Internal gear 36 修根 Root relief 5 中心距 Centre distance 37 挖根 Undercut 6 基本齿廓 Basic tooth profile 38 啮合线 Path of contact 7 基本齿条 Basic rock 39 标准齿轮 Standard gear 8 产形齿条 Counterpart rock 40 变位齿轮 X-gear 9 基准线 Datum line 41 非变位齿轮 X-zero gear 10 齿(轮齿) Tooth (gear teeth) 42 变位系数 Modification coefficients 11 齿槽 Tooth space 43 变位量(外齿)Addendnm modification 12 右旋RH (right hand)44径向变位系数 Addendnm modification coefficient 13 左旋 LH (left hand) 45 直齿轮 Spur gear 14 齿面Tooth flank 46 斜齿轮 Helical gear 15 齿廓(齿形) Tooth profile 47人字齿轮Double-helical gear16 法向齿形 Normal profile 48 渐开线齿轮 Involute gear 17 轴向齿形 Axial profile49 摆线齿轮 Cycloidal gear 18 端面齿形 Transverse profile 50 圆弧齿轮 Circular-arc gear 19 模数 m module51 节线 Pitch line20 法向模数 Normal module 52 分度圆 Reference circle 21 端面模数 Transverse module 53 节圆 Pitch circle 22 轴向模数 Axial module 54 基圆 Base circle 23 径节 DP Diametral pitch 55 齿顶圆 Tip circle 24 齿数 Number of teeth 56 齿根圆 Root circle 25 头数Number of threads Number of starts57 齿根圆角半径 Fillet radius 26 螺旋线 Helix 58 齿距 Pitch27 螺旋角 Helix angle 59 端面齿距 Transverse pitch 28 导程 Lead 60 法向齿距 Normal pitch 29 导程角(螺纹升角) Lead angle 61 轴向齿距 Axial pitch30 压力角 Pressure angle 62 法向基节 Normal base pitch 31 齿廓修形 Profile modificationProfile correction63 端面基节Transverse base pitch32齿向修形 Axial modificationLongitudinal correction64双圆弧齿轮 Double-circular-arc gearUn Re gi st er ed65 公法线长度 Base tangent length 94 基圆螺旋角 Base helix angle66 分度圆直径 Reference diameter 95 基圆导程角 Base lead angle 67 节圆直径 Pitch diameter 96 顶隙 Bottom clearance 68 基圆直径 Base diameter 97 圆周侧隙 Circumferential backlash69 顶圆直径 Tip diameter 98 法向侧隙 Normal backlash 70 根圆直径 Root diameter 99径向侧隙 Radial backlash 71 全齿高 Tooth depth 100 渐开线 Involute 72 工作高度 Working depth 101 蜗杆 worm 73 齿顶高 Addendum 102 蜗轮 Worm wheel 74 齿根高 Dedendum 103 圆柱蜗杆 Cylindrical worm 75弦齿高Chordal height104阿基米德蜗杆(ZA)Straight sided axial worm ,ZA- worm 76 固定齿高 Constant chordal height 105 渐开线蜗杆 (ZI)Involute helicoid worm ,ZI - worm 77 齿宽 facewidth 106 法向直廓蜗杆(ZN) Straight sided norma worm ,ZN 78 齿厚 Tooth thickness107锥面包络圆柱蜗杆(ZK) Milled helicoid worm ,ZK - worm , 79 法向齿厚Normal tooth thickness 108圆弧圆柱蜗杆(ZC) Arc-contact worm , Hollow flank worm ,ZC - worm 80 端面齿厚Transverse tooth thickness81 端面基圆齿厚 Transverse base thickness成品公法线长Final WK 82 法向基圆齿厚Normal base thickness成品渐开线起始圆直径 Form Diameter 83 弦齿厚(端面弦齿厚) Transverse chordal tooth thickness不,超出 Out of 84 法向弦齿厚 Normal chordal tooth thickness渐开线起始圆直径 TIF 85 固定弦齿厚 Constant chord 86 槽宽(端面齿槽宽)Transverse spacewidth87 法向齿槽宽 Normal spacewidth 88 压力角 Pressure angle 89 齿形角 Normal pressure angle 90 法向压力角 Normal pressure angle 91 任意点 At a point 92 端面压力角 Transverse pressure angle93 啮合角 Working pressure angleUn Re gi st er ed二、滚刀部分 1 滚刀 Hob 35 倒棱滚刀 Chamfering hob 2 齿轮滚刀 Gear hob36 铲齿滚刀 Form-relieved hob 3 小模数齿轮滚刀Fine pitch gear hob 37 圆弧齿轮滚刀Circular-arc gear hob4 单头滚刀 Single thread hob , Single start hob38 硬质合金滚刀Carbide hob5 多头滚刀 Multiple thread hob , Multiple start hob 39 尖齿滚刀Profile relieved hob6 右旋滚刀 Right hand hob 40 双头滚刀 Double thread hob 7、 左旋滚刀 Left hand hob 41 摆线滚刀 Cycloidal gear hob 8 直槽滚刀 Straight gash hob 42 定装滚刀 Single position hob 9 斜槽滚刀 Helical gash hob 43 标准滚刀 Standard hob 10 整体滚刀 Solid hob44 定装滚刀 Single position hob 11镶片滚刀Inserted blade hob , Clamped blade hob 45 滚柱链轮滚刀 Roller chain sprocket hob 12 孔式滚刀 Arbor type hob , Shell type hob 46 无声链轮滚刀 Silent chain sprocket hob 13 杆式滚刀 Shank type hob 47 齿顶 Top 14 圆磨法滚刀 Built-up hob 48 齿根 Root 15 铲磨法滚刀 Ground hob 49 齿面 Tooth flank 16 不铲磨滚刀 Unground hob 50 顶刃 Top cutting edge 17 组合式滚刀 Multi-section hob 51 右齿面 R. tooth flank 18 前角滚刀 Raked hob 52 左齿面 L. tooth flank 19 切顶滚刀 Topping hob53 齿顶圆弧 Tip radius 20 半切顶滚刀 Semi- topping hob 54 齿顶全圆弧 Full top radius 21 不切顶滚刀 No-topping hob55 切入齿高 Cutting drpth 22 凸角滚刀 Protuberance type hob 56 基本齿廓 Basic tooth profile 23 修缘滚刀Modified tooth profile hob57 凸角 Protuberance 24 特形滚刀Hob for special profile 58 触角 Lug25 粗切滚刀 Roughing hob 59 前面偏位 Rake offset 26 精切滚刀 Finishing hob 60 铲背量 Cam rise27 剃前滚刀 Pre-shaving hob 61 螺纹升角 Tooth lead angle 28 磨前滚刀 Pre-grinding hob 62 槽数 Number of gashes 29 花键滚刀 Spline hob63 齿根圆弧 Fillet radius30 蜗轮滚刀 Worm wheel hob 64 产形螺旋面 generating helicoid 31 链轮滚刀 Sprocket hob65 铲齿 Relief 32 带轮滚刀 Timing pulley hob 66 前角 Rake angle33渐开线花键滚刀Involute spline hob67切削锥 Starting protion of a hob34 矩形花键滚刀 Straight sided spline hob68头数Number of threads Number of startsUn Re gi st er ed69 齿高Tooth depth 70 全齿高 Whole depth 71 上齿高 Addendum depth 72 下齿高 Dedendum depth73 工作齿高 Working depth of tooth 74 法向齿形 Normal profile 75 轴向齿形 Axial profile 76 节线 Pitch line 77 法向齿距 Normal pitch 78 轴向齿距Axial pitch80 材料、硬度 Material 、 Hardness81 孔径Bore diameter 82轴台径向跳动Radial run-out on hub dia.83 轴台端面跳动Axial run-out on hub face84 刀齿径向跳动Radial run-out on teeth tips85 刀齿前面径向性Radial alignment of gashover cutting depth 86 容屑槽等分误差Adjacent gashspacing error 87 容屑槽等分累积误差Accumulativegash spacing error 88 齿前面与内孔轴线平行度Gash lead erroe (Straightgash hob only )89 齿形误差Tooth profile error 90 齿厚偏差Tooth thickness error 91 全齿高偏差 whole depth error92 齿距偏差Single pitch error 93 三亇齿距的累积误差 Three pitches errorUn Re gi st er ed。
产品名称:齿轮滚刀,齿轮滚刀(国标),齿轮滚刀(企标),齿轮滚刀JB(部标),DP滚刀,小模数齿轮滚刀
模数范围:1~40mm
内径:22~32mm
材料:6542,M35,M42。
熔炼高速钢、粉末高速钢、硬质合金精度等级:AA级,A级,B级,C级,在一定的工艺条件下,分别用于加工7,8,9,10级精度的齿轮。
镀层种类:TiN、TiCN、TiAlN、TiAlN+WCC
按结构分: 整体滚刀和镶齿滚刀。
特别注意:接收非标定制,特种定制。
图片仅供参考。
可根据客户的需要定做所需外径、内孔、厚度、齿数及外表的不同处理。
1.用途:齿轮滚刀用于加工齿形符合GB1356—78《渐开线圆柱齿轮基准齿形》的齿轮。
2.特点及精度:滚刀结构为单头、右旋,轴向直沟,零度前角。
滚刀分为AA、A、
B、C四种精度等级。
与按GB/T6084制造的滚刀相比,工厂标准滚刀AA级接近GB/T6084的A级;A级基本相当于GB/T6084的B级;B、C级接近GB/T 6084的C级.
3.刀具标记及示例
订货时注明:名称、产品编号、模数、精度等级。
例:齿轮滚刀GW1-B1—190 m2 A
注:(如需特殊规格内孔、外径、加长刀可予以订做!)
我公司齿轮刀具生产种类表
注:1、以上种类规格基本均有现货。
2、刀具材料分为和W6Mo5Cr4V2(M2,6542)和W9Mo3Cr4V(9341),也可根据客户要求订做M35或M42材质刀具;和各类非标齿轮类刀具。
诚信声明本人郑重声明:本论文及其研究工作是本人在指导教师的指导下独立完成的,在完成论文时所利用的一切资料均已在参考文献中列出。
本人签名:2015年06月1日毕业设计任务书设计题目:齿轮滚刀的设计与加工工艺系部:机械工程系专业:机械设计制造及其自动化学号:学生:指导教师(含职称):(高工)1.课题意义及目标学生应通过本次毕业设计,综合运用所学过的基础理论知识,深入了解齿轮滚刀的设计及工艺设计掌握设计思路及思想,为以后的工作需要打好基础。
2.主要任务(1)根据参考文献资料,了解齿轮滚刀的研究目的意义,完成开题报告。
(2)广泛阅读相关文献,制定滚刀设计方案(包括滚刀的参数确定、尺寸计算、强度校核、加工工艺设计等。
)(3)对齿轮滚刀进行设计计算及加工工艺设计。
(4)绘制图纸及工艺卡片以及设计说明书。
(5)撰写毕业论文。
3.主要参考资料【1】四川省机械工业局编,复杂刀具设计手册,机械工业出版社,,1979【2】杨黎民等编,刀具设计手册,兵器工业出版社,1999【3】孟少农主编,机械加工工艺手册,机械工业出版社,19924.进度安排设计各阶段名称起止日期1查阅文献,了解研究目的意义,完成开题报告2014.12.01至2014.12.31 2广泛阅读相关文献,制定滚刀设计方案2015.01.01至2015.03.10 3对齿轮滚刀参数的确定和尺寸及工艺等设计2015.03.11至2015.04.30 4齿轮滚刀的图纸绘制及工艺卡片2015.05.01至2015.05.15 5撰写毕业论文,准备答辩2015.05.16至2015.06.10齿轮滚刀的设计与加工工艺摘要:齿轮滚刀是常用的加工外啮合直齿和斜齿圆柱齿轮的刀具。
加工时,齿轮滚刀相当于一个有很大螺旋角的螺旋齿轮,其齿数就是滚刀的头数,工件相当于另一个螺旋齿轮,互相按照一对螺旋齿轮做空间啮合,以固定的速比旋转,由依次切削的各相邻位置的刀齿齿形包络成齿轮的齿形。
硬齿面滚齿工艺及滚刀的设计与使用随着生产力的不断发展,齿轮传动正朝着高速、重载、高精度的方向发展, 越来越多的齿轮传动采用承载能力大、抗点蚀性能好的硬齿面齿轮。
国外发 达国家的工业齿轮,经表面淬火和整体淬火硬度在 350HBS 以上的硬齿面几乎 已完全取代硬度低于 350HBS 的软齿面。
我国自 80 年代以来,开始推广硬齿 面齿轮的应用。
1 硬齿面滚齿工艺 采用硬质合金滚刀对硬齿面进行加工,革新了传统的硬齿面精加工工艺。
首 先,对于高精度的磨齿齿轮来说,硬齿面滚齿能用很高的效率代替粗磨工序, 切除轮齿的热处理变形,留下小而均匀的余量进行精磨,从而大大地提高了 磨齿效率。
其次,对于珩齿齿轮来说,在珩齿前安排硬齿面滚齿,可以切除 热处理变形,达到必要的精度,再进行珩齿加工,以充分发挥珩齿工艺光整 加工的特长,弥补滚齿加工的不足。
再次,对于普通精度的淬硬齿轮来说, 可以用硬质合金滚刀直接进行精滚加工,以最低的成本保证齿轮加工精度, 这一点对于大、中型齿轮更有其技术经济意义。
硬齿面滚齿加工的工艺路线大致如下: 1. 磨齿齿轮(3~6 级):滚齿→淬火→硬齿面半精滚→磨齿; 2. 珩齿齿轮(6~7 级):滚齿→淬火→硬齿面半精滚→珩齿; 3. 普通精度齿轮(7~9 级):滚齿→淬火→硬齿面精滚 硬齿面滚齿工艺的加工精度除了齿形精度外, 其它项目均可达到 3~5 级精度。
造成齿形精度难以进一步提高的原因主要有两个方面,一是滚齿机的稳定性 和传动刚度差,二是制造高精度硬质合金滚刀存在一定的困难,特别是大负前角的滚刀在重磨后齿形变化很大。
为此,需要对滚刀的结构和参数进行精心 设计和计算,对重磨后的齿形精度进行分析,并提出改进措施。
2 硬质合金滚刀设计 1. 滚刀材料 硬齿面滚齿加工的特点是:工件硬度高、切削过程断续和切削层很薄,在切 削过程中,刀具承受着较大的冲击载荷、较高的切削温度和强烈的摩擦,因 此,对刀具切削部分材料的冲击韧性、耐磨性和耐热性的要求就很高。
重庆工商大学毕业设计说明书课题名称:齿轮滚刀的设计院(系)应用技术学院专业年级2005级机电(高专)班学生姓名:刘青山学号: 2004405217 指导教师:唐全波 (职称:副教授 )刘胜军(职称:工程师)日期 2008年5月目录一.前言 (2)二. 齿轮滚刀设计 (3)1. 齿轮滚刀的特点及其发展趋势 (3)2. 齿轮滚刀的计算及其验证 (3)3.滚刀心轴设计计算及验证 (8)4. 齿轮滚刀心轴轴套设计 (9)5. 拉紧螺栓设计 (10)6. 齿轮滚刀心轴右端螺纹相配螺母设计 (11)7. 齿轮滚刀与心轴配合键的设计 (12)8.结论 (12)三. 滚刀加工工艺1.滚刀的加工工艺 (14)2.滚刀心轴的加工工艺 (16)3.滚刀轴套的加工工艺 (17)四.致谢 (18)五.参考文献 (19)六附录(图纸)前言毕业设计是在我学完整个大学课程,。
三年的机电一体化专业知识的学习,使我主要学习了工程制图、机械设计、机械制造、工程力学等基础知识,还进行了一定的实训课程,包括金工实训,齿轮减速箱的零件图,装配图的绘制,以及齿轮设计、工件夹具设计和AotoCAD/CAM实训。
这是对我们之前所学各课程的一次深入的综合性的复习,也是一次理论联系实际的训练,因此,它在我们大学的学习任务中占有非常重要的地位。
毕业设计在于,培养我们调查研究,熟悉有关技术的改革,运用国家标准、规范、手册、图册等工具书进行设计计算、数据处理、编写技术文件及软件运用的独立工作能力。
通过毕业设计,使我们能够建立正确的设计思想,充分理解理论设计与现场加工的差距,使理论上的理解转化为加工中的实际操作,初步解决专业工程技术问题的方式和手段。
就我个人而言,通过本次的毕业设计,能对我将来从事的工作进行一次适应性的训练,从中锻炼自己分析解决问题的能力。
齿轮滚刀的设计1.齿轮滚刀的特点及其发展趋势。
齿轮滚刀是按展成法加工齿轮的刀具。
它可以用来切斜齿齿轮;可加工非变位齿轮和变位齿轮。
塑料齿轮是慢丝切割的螺纹可以对半分模,也可以旋转抽芯张学孟先生提出过两种噪音指标:一、控制最大滑动比的噪音指标Bcg。
原理是:在齿轮基圆的附近的渐开线的曲率变化大,敏感性高,齿面在啮合时的接触滑动比也大,所以在基圆附近的齿高传递力时,力的变化比较剧烈,齿面的粗糙度对力的影响也大,因此容易引起齿的振动,产生较大的噪音。
所以,应该使啮合起始圆尽可能的远离基圆。
二、摩擦噪音指标。
原理是:先说两个定义:1、主动齿轮的节园到啮合起始圆的这段弧形称为进弧区;2、从节园到其齿顶称为退弧区。
当齿面接触由进弧区移动到退弧区时,摩擦力的方向在节园处发生突变。
在进弧区内,主动齿轮的齿腹先于从动齿轮的齿顶接触,齿面滑动的方向是朝着主动齿轮的齿顶,摩擦力与之相反。
摩擦力产生的力矩的方向正好和主动齿轮加载的方向相同,因此摩擦力增大了齿面的法向压力。
刚超过节园时,摩擦力随着滑动方向的改变而改变。
齿面受力发生突变,导致牙齿发生振动而产生噪音。
减小从动齿轮的外径和增大主动齿轮的外径和改善摩擦噪音指标。
2.关于塑齿双啮测试压力的规定①目前未查到国内相关标准是如何规定的;②日本的齿轮标准:JISB1702-3_2008和JISB1752_1989都对测试压力进行了规定。
这两个标准对于塑齿测试压力的规定是一致的,如附图所示。
但是问题是:这两个标准中对于塑齿测试压力的数值规定明显的偏大。
以1个模数,齿宽b=20mm的齿轮为例,标准规定的测试压力是5.4*2=8.4N=856.56161890146gf=0.85656161890146kgf,这对于一般的双啮仪提供的测试力范围是不相符合的。
而且这个力明显的偏大。
从实际的情况是,对于塑齿的双啮测试一般是在100gf~200gf,一般取200gf=1.96133N≈2N。
对于塑胶斜齿轮一般都是用滚齿加工铜公,然后再用铜公加工模具。
对于斜齿设计推荐用标准的,但是如果斜齿轮的齿厚很小的情况下,在精度要求不是很苛刻的条件下也可以考虑用线割的方式直接割除斜齿齿廓,其出差在um (丝)级的。
齿轮滚刀设计计算滚刀图号D51-0408按《齿轮刀具设计》范被加工齿轮图号中间轴二档设计日期A、被加工齿轮原始参数序号名称符号数值1法向模数mn 2.5或法向径节Dp2.52齿数Z1223分圆法向压力角αn202020αn0.34906585Invαn0.0149043844分圆螺旋角β131.5436旋向左旋55283310.90.0131.910.5569345645分圆直径d164.7916分圆法向弧齿厚s1 4.021或公法线尺寸W40.490跨齿数n6法向变位系数x1s1 4.021端面变位系数xt10.0447齿顶圆直径da170.6齿根圆直径df158.400或齿全高h 5.0008全齿高h 6.1009齿根圆直径df158.4齿轮中心距A69.5B、共轭齿轮参数10齿轮齿数z22511齿轮分圆直径d273.62612齿轮顶圆直径da279齿轮法向变位系数x20齿轮端面变位系数xt20C、齿轮的辅助参数13端面模数mt 2.945 14分圆端面压力角αt0.405055746Invαt0.023709771 15基圆直径db159.548 16共轭齿轮基圆直径db267.669齿轮副啮合角Invαt120.023709771αt120.40504650.40505570.4050557αt120.405055746共轭齿轮的啮合角αt'0.414716282 17齿轮副的中心距a69.500 18齿轮副的端面有效啮合线长度l11.958 19齿轮端面齿形的最小曲率半径ρ1min7.620最小曲率半径处的直径df161.46820齿轮基圆螺旋角βb10.519802615 21齿轮径向间隙c'0.320齿轮的法向基节tn17.380齿顶圆端面压力角αtda10.567100794Invαtda10.069785015齿顶圆螺旋角βa10.678512853分圆端面弧齿厚st1 4.737齿顶圆端面弧齿厚stda1 1.90858956齿轮齿顶圆法向弧齿厚snda1 1.486 D、滚刀基本尺寸滚刀精度等级A滚刀外径da080孔径di32全长L80容屑槽型式直槽54961圆周齿数zk14螺旋头数z01螺旋旋向左旋前角γ0后角αe12铲背量K 3.82K 4.0K1 6.0K0.0K10.0铲背量(取标准值)K 4.0第二铲背量K1 6.0验算侧后角αc0.0749829874.29620867940.1777252080.0046351254.1746齿顶高ha0 3.196齿根高hf0 3.529齿全高h0 6.725容屑槽深度H12.7槽低半径r 1.2容屑槽角θ25节圆直径d072.809节圆螺旋升角λ00.0343433051.96772643710.5806358620.0003815171.5803容屑槽螺旋角βk0容屑槽导程Pk∞法向齿距p0n7.854轴向齿距p0x7.859法向齿厚s0n 3.833轴向齿厚s0x 3.835齿顶圆角半径rc0.75齿根圆角半径rc'0.5齿顶宽(无留剃凸角) 1.508齿顶全圆弧时圆角半径(无凸角)rc 1.077轴向齿形角α00.34925546620.0108642200.0065185210.00391111320.0039修缘刃轴向齿形角αc00.39028857922.36188837220.2171330220.00427981322.2142E、留剃齿顶凸角尺寸齿厚留剃量△0滚刀节线到留剃凸角起点的高度△h' 2.028滚刀齿顶到留剃凸角起点的高度△h 1.168凸角高度(目标值)△1'0有凸角时滚刀齿顶宽度 1.507628873双圆角计算倒角圆角半径(有凸角、双圆角)rc0.754圆弧起点到齿顶的高度0.495860404中间计算数据A0.414中间计算数据B0.952997691中间计算数据C 1.039013315中间计算数据0.409765863中间计算数据0.811774997凸角斜线齿形角0.34925546620.0108642200.0065185210.003911113凸角斜线齿形角20.0039全圆角齿顶全圆弧时圆角半径(有凸角)rc 1.077圆弧起点到齿顶的高度0.708304964中间计算数据A0.090975867中间计算数据B 1.179092077中间计算数据C 1.182596607中间计算数据0.077004991中间计算数据 1.14453587凸角斜线齿形角0.34925546620.0108642200.0065185210.003911113凸角斜线齿形角20.0039 F、齿顶修缘计算齿轮的修缘高度(剃后)C1 1.43齿轮的(法向)修缘量(剃后要求)C20.2修缘渐开线的分圆法向压力角αn222.350.390081088修缘渐开线的分圆端面压力角αt20.451044586Invαt20.033299463修缘渐开线的基圆直径dbc58.31166507修缘起点处的直径dc67.74基本渐开线在修缘起点的端面压力角αtc10.496882055Invαtc10.045378821修缘起点处的螺旋角βc0.577096397修缘起点处的端面弧齿厚stc 3.485修缘起点处的法向弧齿厚snc 2.920修缘渐开线顶圆的端面压力角αtda20.598921211Invαtda20.083633056修缘渐开线在起点处的端面压力角αtc20.533925728Invαtc20.057276895修缘渐开线顶圆的端面弧齿厚stda2 1.771修缘渐开线顶圆的端面弧齿厚snda2 1.379齿轮的(法向)周向修缘量(实际)C2'0.054滚刀修缘起点到节线的高度hc' 1.346滚刀齿根槽宽Sfco 1.25轮刀具设计》范例格式2013-4-12 15:03输入:度.分秒格式输入:度.分秒格式输入:直齿、左旋、右旋输入:直槽、螺旋槽OK输出:度分秒格式输出:度分秒格式输出:度分秒格式输出:度分秒格式输出:度分秒格式注:基本渐开线表示1,修缘渐开线表示2验算:与要求的是否相符,如不符合,调整αn2尽量大于0.5,如不符,可减小修缘角。
齿轮滚刀基本型式和尺寸1 范围本标准规定了模数0.5mm~40mm带端键或轴键的单头和多头整体齿轮滚刀的基本型式和尺寸。
本标准适用于加工模数按GB/T 1357、基本齿廓按GB/T 1356,20°压力角齿轮的滚刀。
2 型式和尺寸2.1 齿轮滚刀的基本型式和尺寸按图1和表1、表2的规定,附录A给出了多头滚刀的尺寸。
2.2 滚刀做成右旋(按用户要求可做成左旋)。
2.3 键槽的尺寸和偏差按GB/T 6132的规定,刀座的尺寸和偏差按GB/T 20329的规定。
2.4 滚刀可以做成锥形,此时的外径尺寸为大端尺寸。
a)带轴键的滚刀b)带端键的滚刀 图1 齿轮滚刀的尺寸类型b模数m轴台直径D 1mm外 径D amm孔 径d bmm参 考系列总长L a mm总长L 0a mm最小轴台长度cmm常用容屑槽数量Ⅰ Ⅱ 10.5 — 由制造商自行定制24810—112— 0.55 0.6— — 0.7 — 0.75 120.8 — — 0.9 1.0 — 20.5 — 32102030— 0.55 0.6 — —0.7 — 0.75 0.8 — — 0.9 1.0 — —1.125表 2 单头齿轮滚刀的尺寸3 标记示例模数m=2的小孔径齿轮滚刀标记为小孔径齿轮滚刀 m2 GB/T 6083—xxxx 模数m=2的带端键齿轮滚刀标记为端键齿轮滚刀 m2 GB/T 6083—xxxx 模数m=2的带轴键齿轮滚刀标记为轴键齿轮滚刀 m2 GB/T 6083—xxxx 对于附录A中的多头滚刀,制造商自行作标记。
附录A(资料性附录)多头齿轮滚刀A.1 小孔径多头齿轮滚刀见表A1。
A.2多头齿轮滚刀见表A2。
齿轮滚刀变模数设计
前言
** 看到论坛上有人问起,再想想自己好久没有总结经验了。
于是发帖。
** 这些东西可是在书上找不到的。
** 因为该经验为个人经验,不涉及公司机密,且无专利限制,可以拿来和同仁共享。
** 版权所有。
转载注明出处。
1, 原理
1.1 变模数设计在原理上的可行性上非常简单。
齿轮配对啮合和齿轮齿条啮合的基本条件之一,就是基节相等,即m1*cos(a1)=m2*cos(a2),所以从理论上来说,对于被加工齿轮参数(m1, a1),有无数个滚刀参数(m2, a2)与之配合。
1.2 滚刀在滚切过程中可近似看作齿条。
齿轮齿形为滚刀刀刃包络线。
1.3 TIF为滚齿工序所要求有效渐开线起始点。
如果后续工序有剃齿或磨齿需要留余量,则TIF指去除余量后有效渐开线的起始点。
滚刀的设计基本要求之一,就是能够得到TIF。
2, 设计的好处
2.1 TIF
得到所要求的TIF是变模数设计的主要目的。
很多情况下,客户图纸要求的TIF非常低,而滚刀干涉所得到的过渡曲线部分非常大,你已经采取了所有其他的办法,都不行。
于是,减小压力角吧。
小压力角的齿条,在啮合中啮合系数更大,得到的起始点能够大幅下移。
形象地说,能够往齿底方向更伸得下去。
如果你有齿轮齿条模拟软件,能够看得很清楚,对比很鲜明。
汉江以前没有模拟软件,现在可能已经有了。
如果通过变模数,已经把压力角压到不能接受的地步,还是离TIF很远,OK, 联系客户吧。
有时候客户希望能用一把刀切削几个规格的齿轮。
往往同时满足所有的TIF要求是很困难的。
这种情况下变模数无疑是你最好的帮手。
2.2 优化齿形参数
既然减小压力角能够将TIF的压力大幅降低,那么齿形参数的设计就不用捉襟见肘,那就尽情发挥你的设计才能吧。
2.3 使用原有设计
汽车变速器齿轮和所用齿轮刀具,绝大部分是非标。
但是接到一份齿轮图纸,请不要急着设计新刀。
你可以找你以前模数相近的设计,然后通过变模数设计,来校核是否能够使用原有设计。
2.4 部分标准化
甚至,对大客户或者系统解决方案,你可以进行一些部份的标准化。
将能够滚刀规格的数量大幅下降。
2.5 优化侧后角和顶后角的组合
设计时可以通过改变压力角,变大或者变小,来调节侧后角,从而达到优化其与顶刃后角的组合。
3, 应用的好处
3.1 成本
减少滚刀规格,意味着滚刀制造成本降低。
滚刀供应商会报给你更低的价格。
减少滚刀规格,也意味着降低了在滚刀采购上的资金运转量,降低了库存,降低了管理成本。
齿轮经常有试验项目或者不正常中断项目。
这时会有一批滚刀成为闲置。
2.3中所述能够帮上一部分忙。
如果是客户愿意,还可以将旧滚刀重新磨齿形,投入使用。
这时候变模数设计就能够提供更多的可能性。
3.2 切削性能
优化的参数,如2.2和2.5中所述,能够改善切削条件,提高滚刀的切削性能。
还有一个容易被忽略的好处是,模数变小(虽然幅度很小),能够增加每排牙齿的数量,从而增加窜刀次数,提高滚刀寿命。
这个好处不是很明显。
4, 生产的好处
4.1 成本
滚刀的生产成本对批量非常敏感,特别是3件以内(含)。
而汽车齿轮滚刀的批量,大部分是这个范围。
所以降
低滚刀规格数对生产成本有着非常重要的意义。
4.2 工装系列化(须压力角系列化)
主要作用体现在铲磨砂轮的系列化。
高性能滚刀的铲磨,所使用的砂轮无论是陶瓷还是CBN都很昂贵。
而砂轮的消耗,有很大一部分是在变换齿形的时候,被打砂轮打掉的。
将砂轮的压力角系列化,从而让设计者选择压力角,能够大幅降低砂轮成本和库存压力。
另外,部分螺纹车刀和铲刀的准备也可以能够从中受益。
这和容屑槽角度与槽底圆弧组合的系列化是一个道理。
齿轮
齿轮是依靠齿的啮合传递扭矩的轮状机械零件。
齿轮通过与其它齿状机械零件(如另一齿轮、齿条、蜗杆)传动,可实现改变转速与扭矩、改变运动方向和改变运动形式等功能。
由于传动效率高、传动比准确、功率范围大等优点,齿轮机构在工业产品中广泛应用,其设计与制造水平直接影响到工业产品的质量。
齿轮的发展史
人类对齿轮的使用源远流长,有史料记载,公元前400至前200年间的中国古代就开始使用齿轮,中国山西省出土的青铜齿轮是迄今发现的最古老齿轮。
张衡的候风地动仪、古印度的棉核剔除机构(现收藏于柏林博物馆)都含有齿轮机构。
齿轮的发明人无史可考,而亚里士多德可认为是第一个系统论述这一机构的人。
而阿基米德不仅对齿轮和蜗轮有详尽的论述,Pappus更记载了阿基米德通过一个蜗轮和九个齿轮的机构,使少数几个奴隶就将大船Syrakusia推下海中。
早期齿轮并没有齿形和齿距的规格要求,因此连续转动的主动轮往往不能使被动轮连续转动。
为了解决这一问题,齿形发展为弧形,并通过减小齿距使被动轮获得连续转动,这使得齿轮机构的汲水装置十分普及。
由于钟表的出现和普及,人们产生了对齿轮定速传动的需求。
由齿廓啮合基本定律:
一对齿廓的瞬时速比,等于该瞬时接触点的公法线截连心线为两段线段的反比。
和传动比恒定的条件:
过接触点所作两齿廓的公法线均须与连心线交于一固定的点。
所决定的齿形理论上是无穷多的,Olaf Roemer在1674年曾论述外摆线齿形,而1694年Philipp de la Hire提出了渐开线齿形。
在1733年,Camus提出了著名的Camus定理:
轮齿接触点的公法线必须通过中心连绕上的节点。
一条辅助瞬心线分别沿大轮和小轮的瞬心线(节圆)纯滚动时,与辅助瞬心线固联的辅助齿形在大轮和小轮上所包络形成的两齿廓曲线是彼此共轭的。
1765年,Euler阐明了相啮合的齿轮,其齿形曲线的曲率半径和曲率中心位置的关系。
其后Savary完善了这一关系,形成了现在使用的Euler-Savary方程。
1873年,Hoppe指出了不同齿数的齿轮在压力角改变时的渐开线齿形,从而奠定了变位齿轮的基础。
19世纪末,范成切齿法原理的提出使渐开线齿形最终战胜摆线齿形走上了大规模生产的道路。
1907年,Frank Humphris提出了圆弧齿形。
圆弧齿形在使用寿命和减小尺寸方面有一定优势,因此在现代工业中也逐渐发挥作用。
齿轮齿条
齿轮机构的类型
以传动比分类
定传动比——圆形齿轮机构(圆柱、圆锥)
变传动比——非圆齿轮机构(椭圆齿轮)
以轮轴相对位置分类
平面齿轮机构
直齿圆柱齿轮传动
外啮合齿轮传动
内啮合齿轮传动
齿轮齿条传动
斜齿圆柱齿轮传动
人字齿轮传动
空间齿轮机构
圆锥齿轮传动
交错轴斜齿轮传动
蜗轮蜗杆传动
[编辑] 斜齿圆柱齿轮主要参数
螺旋角:β > 0为左旋,反之为右旋
齿距:pn = ptcosβ,下标n和t分别表示法向和端面模数:mn = mtcosβ
齿宽:
分度圆直径:d = mtz
中心距:
正确啮合条件:m1 = m2,α1 = α2,β1 = − β2
重合度:
当量齿数:。