施工现场临时用电专项检查表
- 格式:doc
- 大小:30.50 KB
- 文档页数:2
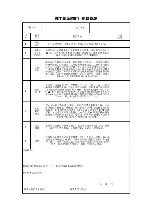
施工现场临时用电定期检查表工程名称施工单位检查单位检查人员检查部位检查日期序号检查项目检查内容及隐患类型检查结果1 外电防护安全距离及防护(包括局面措施及现场措施)是否符合要求、封闭是否严密(侧面用密目网等)是否设置警示标志、在高压线下是否搭宿舍、堆料、施工等2 接地与接零保护系统工作接地与重复接地是否符合要求(材质、组数及阻值)是否采用TN-S系统(或TN-C-S系统即局部三相五线系统)专用保护零线设置是否符合要求、是否有零线接线端子板(按J46-2005规范第5章相关要求)保护零线与工作零线是否混接(在总漏保后必须严格分开3 配电箱开关箱是否符合“三级配电两级保护”要求(在总箱设总漏保)总箱是否装设电压表、电流表等需要的仪表开关箱(末级)有无漏电保护或保护器失灵漏电保护装置参数是否匹配(总漏保也n >30mA、t >0.1S、且 1 △ n.t w 30mA.S、末级漏保也n <30mA、t<0.1S;电箱每回路有无隔离开关(具有明显可见分断点的开关电器)是否违反“一机、一闸、一漏、一箱”安装位置是否得当、周围是否堆杂物等不便操作(标高及周围环境)闸具是否符合要求配电箱内多路配电有无标记电箱下引线是否混乱(应穿管保护、横平竖直、固定牢固)电箱门、锁、防雨措施是否完好、箱内有无杂物序号检查项目检查内容及隐患类型检查结果4 现场照明照明专用回路有无漏电保护灯具金属外壳是否作接零保护室内线路及灯具安装高度低于 2.5m是否使用安全电压供电室内线路及灯具是否用绝缘子固定或穿墙有无保护管室外照明线路是否用护套线或电缆线潮湿作业是否使用 24V及以下安全电压使用36V安全电压照明线路混乱和接头是否用绝缘包扎手持照明灯是否使用 36V及以下电源供电5 配电线路电线老化、破皮是否包扎线路过道有无保护(穿钢管、买入地下0.7M以下)电杆、横担是否符合要求(按JGJ462005第7.1节要求)架空线路是否符合要求(按JGJ462005第7.1节要求)是否使用五芯线(电缆)(配电干线及需要五芯线的回路)是否使用四芯电缆外加一根替代五芯电缆电缆架设或埋设是否符合要求按(按JGJ462005第7.2节要求)6 电器装置闸具、熔断器、漏电保护器参数与设备容量是否匹配、安装是否符合要求7 变配电装置是否符合安全规定(按 JGJ462005第6章要求)8用电档案有无专项用电组织设计(按JGJ462005第3.1节要求)用电总之设计内容是否齐全、有无针对性或审批手续是否齐全有无接地电阻或绝缘电阻遥测记录有无电工巡检维修记录或填写是否真实(应每天一次)档案有无专人管理、内容是否齐全(应8项内容)9 其他复查接地电阻和绝缘电阻值是否符合要求或其他电气安全隐患。
施工现场临时用电检查记录表格
一、检查日期
•2021年10月1日
二、检查人员
•检查人员1:XXX
•检查人员2:XXX
•检查人员3:XXX
三、检查地点
•地址:XXX路XXX号XXX楼XXX层
四、检查情况
序号设备名称类型用电容量(kW)是否存在故障处理情况
1 施工电箱A型3
2 否/
2 施工配电箱B型6
3 是已维修
3 施工开关箱C型16 否/
4 单相发电机–
5 否/
五、检查记录
1.对施工电箱进行检查,发现原本应该点亮的指示灯未点亮,检查发现
是电源线接触不牢,经过紧固后问题得到解决。
2.对施工配电箱进行检查,发现其中一个断路器无法正常跳闸,导致设
备无法正常工作,经过维修后问题得到解决。
3.对施工开关箱进行检查,发现不存在异常情况。
4.对单相发电机进行检查,发现不存在异常情况。
六、检查
•经检查,施工现场的临时用电设备存在一些故障,但已经得到妥善处理。
•进一步做好施工现场的用电设备的巡检和维护工作,确保用电设备的正常运转,并且合理使用电源,保障施工现场的用电安全。
施工用电专项检查表一、工程概况本工程为XX项目施工用电专项检查表,主要包括施工用电的规划、安装、使用及维护等方面。
工程地点位于XX地区,占地面积约XX平方米,工程内容包括主体建筑工程、装修工程、机电安装工程等。
施工周期为XX个月,预计用电负荷约为XX千瓦。
二、用电管理1. 用电管理制度(1)建立健全用电管理制度,明确各级用电管理人员职责。
(2)制定临时用电设备、线路的检查、维修、保养制度。
(3)严格执行国家及地方相关用电安全规定。
2. 用电负荷管理(1)根据工程实际情况,合理配置用电设备,确保用电负荷均衡。
(2)定期对用电负荷进行监测,及时调整,防止过载。
(3)制定高峰时段用电措施,确保施工顺利进行。
3. 用电设备管理(1)用电设备必须符合国家相关标准,办理验收手续后方可使用。
(2)定期对用电设备进行检查、维修、保养,确保设备安全可靠。
(3)严禁私自改动用电设备,确需改动时,需报请相关部门审批。
三、电工1. 电工人员要求(1)电工人员应具备相应的电工操作证,持证上岗。
(2)熟悉施工用电相关法律法规、标准规范。
(3)掌握施工现场用电设备、线路的安装、维修、保养技能。
2. 电工职责(1)负责施工现场用电设备的安装、维修、保养工作。
(2)定期检查施工现场用电设备、线路,发现问题及时整改。
(3)做好施工现场用电安全培训,提高施工人员安全意识。
四、安全距离与外电防护1. 安全距离(1)根据国家相关标准,确定施工现场各类设备、线路的安全距离。
(2)在安全距离范围内,设置明显的安全警示标志。
(3)施工过程中,严禁擅自缩短安全距离。
2. 外电防护(1)施工现场周边应设置防护措施,防止外电侵入。
(2)定期检查外电防护设施,发现问题及时整改。
(3)遇有外电线路故障,应立即报请相关部门处理,严禁私自处理。
五、电缆线路1. 电缆线路规划(1)根据用电负荷及现场实际情况,合理规划电缆线路走向。
(2)确保电缆线路短捷、安全、可靠,避免交叉和重叠。
临时用电安全检查表1(精)为了保障临时用电的安全,特制作此检查表,供使用人员在使用、安装、检查临时用电时参考。
安装和布线•[ ] 安装人员持证上岗,按照操作规程进行操作。
•[ ] 在使用临时电源之前,应检查所有设备和电器是否完好无损。
在发现损坏或故障的设备时,请及时更换。
•[ ] 在临时用电安装过程中,要求正确、牢固的安装线路。
避免电缆散乱,电缆悬挂时,应该有足够的支撑和防滑措施。
•[ ] 使用电缆盒时,应按照规定的电缆容量进行负荷分配,并检查每条电缆的供电状况。
电缆必须符合规定的电缆颜色,以便区分各种电缆。
•[ ] 安装过程中需注意放置电源开关、保险丝和控制设备的位置。
管理人员应根据不同的工程项目,调整电源开关,以方便员工使用。
•[ ] 遵循现场用电规定,第一步是进行安全检查,检查每个设备相互之间的距离,有无、遗漏连接,线缆老化,松动,接线处和连接点有无短路、漏电、虚焊等现象。
使用和维护•[ ] 在使用过程中,应定期检查电器设备是否正常运转,电线电缆是否覆盖破损,有无呈现劣化现象或其他故障。
•[ ] 在设备出现故障之前,应该及时更换电气元器件和退役设备。
断开电源后更换和修理线路和设备时,必须使用绝缘手套和其它必要的安全保护装备。
•[ ] 定期对临时用电线路和设备进行维护保养。
在保养、维修过程中,应制定完整的安全措施,避免容易出现的安全事故。
•[ ] 使用现场电源,如发电机、蓄电池等,需定期进行维护和保养。
用完临时电源后,需按规定的程序进行清理,并将设备妥善存放。
•[ ] 维护保养主要包括一下几个方面:保持电缆干燥清洁。
定期检查设备,消除电气设备潜在的“漏电”状态。
规范使用电器开关、插座,使用加装保护器,并按照规定及时排除故障。
严格按照现场用电规定操作,以防止意外事故发生。
记录和报告•[ ] 遵循相关上级文件要求,制定《临时用电安全管理制度》、《安全生产责任书》、《操作规程》等相关文件。
•[ ] 对临时用电进行全面检查,即时整改并记录。
施工现场临时用电安全检查记录表施工现场临时用电安全检查要点为了确保施工现场的电力安全,需要进行定期检查。
以下是施工现场临时用电安全检查要点:1.机具电焊机及一二次线应防护齐全,焊把线应双线到位,无破损。
安全员应在检查后签字并注明日期。
2.线路施工区和生活区的配电线路必须符合有关规定。
照明设备也必须按照规定设置。
照明灯具应符合规定。
特殊部位的内外电线路也应按规定采取安全保护。
3.配电箱施工区应实行分级配电,总配电箱、分配电箱、开关箱等设备应符合规定。
箱内电气应完好,选型合理。
箱体应固定牢固、防雨、内无杂物、整洁、编号,并在停电后断电加锁。
配电系统应按规范采用接零和接地保护系统。
4.保护电气施工机具必须做可靠接零和接地。
现场的高大设施应按规范要求装设避雨装置。
配电箱、开关箱应设两级漏电保护,选型符合规定。
值班电工应穿戴齐全的人防保护用品,并持证上岗。
5.其他施工机具电源线应压接牢固整齐,无乱拉、扯、压砸现象。
手持电动工具绝缘应完好,电源线无接头损坏。
施工现场临时用电安全检查记录表以下是施工现场临时用电安全检查记录表,对现场用电情况进行检查。
如果没有问题,直接在相应项目后打√即可。
每月需检查两次。
工程名称:序号检查项目检查情况备注安全员签字 1 线路施工区、生活区架设配电线路符合有关规定√ 2 线路施工区、生活区按规定设照明设备√ 3 线路照明灯具应符合规定√ 4 线路特殊部位的内外电线路按规定采取安全保护√ 5 配电箱施工区实行分级配电,总配电箱、分配电箱、开关箱等设备符合规定√ 6 配电箱箱内电气完好,选型合理√ 7 配电箱箱体固定牢固、防雨、内无杂物、整洁、编号,停电后断电加锁√ 8 配电箱配电系统按规范采用接零和接地保护系统√ 9 保护电气施工机具做可靠接零和接地√ 10 保护现场的高大设施按规范要求装设避雨装置√ 11 保护配电箱、开关箱设两级漏电保护,选型符合规定√ 12 保护值班电工人防保护用品穿戴齐全,持证上岗√ 13 其他施工机具电源线压接牢固整齐,无乱拉、扯、压砸现象√ 14 其他手持电动工具绝缘完好,电源线无接头损坏√现场负责人签字:。
施工现场临时用电安全检查表检查时间检查单位/人检查地点受检单位/负责人资料检查方案5台及以上设备或总容量在50k W及以上有设计并符合规范要求□5台以下设备或总容量在50k W以下有措施□经过审批□验收单人员签字□内容量化□测试报告接地电阻至少每月测试一次。
工作接地≤4Ω,重复接地≤10Ω,防雷接地□≤30Ω。
人员电工人,持证上岗人。
其它问题现场检查外电防护最小安全操作距离大于:1kV以下4m;1~10kV6m;35~110kV8m□达不到最小安全操作距离时,采取有效防护措施并悬挂警告牌。
□防护设施与外电线路之间的最小安全距离大于:10kV以下1.7m;35kV,2m。
□接零与接地在施工现场专用的中性点直接接地的电力线路中,采用TN-S接零保护系统。
□PE线由工作接地线、配电室或总漏电保护器电源侧零线引出。
□电气设备不带电的金属外壳和配电箱体与PE线做电气连接。
□PE线为绿/黄双色绝缘多股铜芯线。
与电气设备连接线截面≥2.5mm2□PE线与N线不混接□PE线不少于3次重复接地□做防雷接地的设备,PE线应同时做重复接地,接地电阻□值≤10Ω。
三级配电二级保护使用总配电箱、分配电箱、开关箱三级配电。
□总配电箱和开关箱装设漏电保护器,且参数匹配。
□漏电保护器安装在配电箱、开关箱隔离开关的负荷侧。
□开关箱内的漏电保护器额定漏电动作电流≤30mA,额定漏电动作时间<0.1S。
□电箱设置开关箱实行“一机一闸一漏一箱”制。
动力、照明开关箱分设。
□分配电箱与开关箱水平距离≤30m,开关箱与固定式用电设备水平距离≤3m。
□配电箱内的电器安装在金属或非木质阻燃绝缘板上□箱体用钢板或阻燃绝缘材料制作并防雨。
箱内分别设置N线和PE线端子板。
□熔断器的熔体符合规格,不用铝、铜等其它金属丝代替。
□照明隧道、高温、潮湿等特殊场所使用规范规定的安全电压照明。
□电器、灯具的相线经过开关控制□架空线路架空线路设在专用电杆上。
线路设有短路保护和过载保□护。
临时用电专项检查表(可以直接使用,可编辑实用优秀文档,欢迎下载)
临时用电专项检查表
施工现场临时用电检查表
施工现场临时用电验收表(续表)
施工现场临时用电定期检(复)查表
编号:001
续表
说明:定期检查执行周期最长可为:施工现场每星期一次,施工企业每月一次
施工现场临时用电定期检(复)查表
编号:002
续表
说明:定期检查执行周期最长可为:施工现场每星期一次,施工企业每月一次
施工现场临时用电定期检(复)查表
编号:003
说明:定期检查执行周期最长可为:施工现场每星期一次,施工企业每月一次
编号:004
说明:定期检查执行周期最长可为:施工现场每星期一次,施工企业每月一次。
编号:005
说明:定期检查执行周期最长可为:施工现场每星期一次,施工企业每月一次。
编号:006
说明:定期检查执行周期最长可为:施工现场每星期一次,施工企业每月一次。
编号:007
说明:定期检查执行周期最长可为:施工现场每星期一次,施工企业每月一次。
编号:008
续表
说明:定期检查执行周期最长可为:施工现场每星期一次,施工企业每月一次。
施工现场临时用电定期检(复)查表
编号:009
续表
说明:定期检查执行周期最长可为:施工现场每星期一次,施工企业每月一次。
施工现场临时用电定期检查表概述施工现场临时用电设施是工程建设中安全生产和电力供应的重要组成部分,为保障工作人员和设备的安全,需要定期进行检查和维护。
本文旨在介绍施工现场临时用电定期检查的步骤和内容。
检查标准根据《施工用电安全施工规范》(GB/T 50382-2006)的规定,施工现场临时用电设施应该符合下列标准:1.施工现场临时用电设施应符合安全生产要求和国家有关标准的规定。
2.施工现场临时用电设施应按照工程需要和电力负荷的大小设置,并保证供电质量和稳定性。
3.施工现场临时用电设施应采取隔离保护措施,防止触电和漏电事故的发生。
4.施工现场临时用电设施应设置开关、熔断器、接地保护等电气保护设备,保证电气安全。
5.施工现场临时用电设施应设置电气安全警示标志。
检查步骤第一步:检查临时用电设施的配置首先要检查施工现场临时用电设施是否完备,包括是否有专业电工排布临时用电线路;是否按规定使用专业用电设备;是否按负荷使用电缆、插头、插座等电器设备;是否配备使用用电设施必备的接地装置。
如未能带齐配置,应及时整理。
第二步:临时用电设施线路检查1.应检查电缆是否有裸露的电线鼓包情况,如发现需要维修或更换。
2.应检查电缆的长度和规格是否符合需要,标志是否清晰、规范。
3.应检查插头是否符合规定,插头是否损坏、烧坏。
检查插孔是否松动。
第三步:电气保护设备检查1.应检查开关、熔断器是否都有用,是否处于正常开关状态。
2.应检查表箱、仪表的配电盘上的相关仪表及安全设施是否符合规定。
检查验电表是否合格。
3.应检查使用电气设施的连接处、引线、接地线等是否牢固、完整,是否安装接地装置。
第四步:安全着装和操作规范检查1.应检查使用人员是否穿戴全套的工作服装和手套。
2.应检查操作规程是否遵守。
检查表格检查项目检查内容检查结果整改措施临时用电设施配置是否完备是/否整理临时用电设施线路电缆鼓包、长度和规格、插针连接状态是/否维修或更换电气保护设备开关、熔断器、设置情况是/否维修或更换使用电气设施接线处和接地线是否牢固、完整是/否安装接地装置安全着装和操作规范穿戴工作服装和手套、遵守操作规程是/否整改结束语施工现场临时用电设施意味着着电源,一旦出现问题将会十分严重。
施工现场临时用电专项检查表
报监编号:
工程名称
施工单位 项目经理
检查项目 内容和要求 检查结果
行
为
管
理
1、施工现场有无编制《临时用电组织设计》;《设计》内容是否齐全(内容含:现场勘测;确定电源进线、变电所或配电室、配电装置、用电设备位置及线路走向;负荷计算;选择变压器;配电系统设计——设计配电线路,选择导线或电缆、设计配电装置,选择电器、设计接地装置、绘制临时用电工程图纸,主要包括用电工程总平面图,配电装置布置图,配电系统接线图,接地装置设计图;防雷装置设计;防护措施确定;安全用电措施和电气防火措施制定);
2、《临时用电组织设计》是否电气技术人员编制,“编制、审核、批准”程序是否符合要求(电气工程技术人员编制,相关部门审核,企业技术负责人批准),编制人员应有电气技术人员的职称证明复印件存于方案中备查;编制人员是否参与了施工现场用电的验收;
3、施工现场临时用电安全技术档案是否齐全(用电组织设计的全部资料;修改用电组织设计的资料;用电技术交底资料;用电工程检查验收表;电气设备的试、检验凭单和调试记录;接地电阻、绝缘电阻和漏电保护器动作参数测定记录表;定期检[复]查表;电工安装、巡检、维修、拆除工作记录);
4、建筑电工是否取得省级建设行政主管部门颁发的操作资格证;
5、监理是否按要求对《临时用电组织设计》进行审核及批准;并组织验收;在未完成相关工作前而施工单位已使用,监理单位未及时发出暂停使用通知书的(一经发现不符合要求立即实施动态管理扣分)
6、监理是否审查建筑电工操作资格证;(一经发现监理单位对不符合要求的证件同意报审的,立即实施动态管理扣分)
7、对施工用电的安全隐患是否及时发出整改通知书并跟踪整改落实情况;
8、
现
场
情
况
1、外电防护是否符合规范要求(与外电线路的最小安全距离;外电防护设施架设和警告标志;外电架空线路下的状况:施工、临时设施、材料堆放等);(一经发现未按外电防护方案实施的立即实施动态管理扣分)
2、电力系统是否三级配电,是否采用TN-S接零保护系统及漏电保护是否符合要求;(一经发现不符合要求立即实施动态管理扣分)
3、接地与防雷是否符合要求(保护接零;保护接地;PE线;接地装置;防雷装置;接地电阻等)
4、配电线路是否符合规范及《临时用电组织设计》要求(线径选择,电线分色,架空线路保护,埋地敷设、室内配线等);
5、配电箱及开关箱、电器装置的选择是否符合规范要求(电箱材质;装设高度和位置;电器安装板;PE线和N线端子板;连接线分色;出入线;电器选择:隔离开关、漏电保护器、断路器或熔断器、接触器、控制器等);
6、现场照明是否符合安全要求(照明器选择;照明供电;照明装置);;动力、照明、应急用电是否分开;
其他未详事项按相关的规范、规定执行。
其它
其他未详事项按相关的规范、规定执行。
注:
备注 专项检查完后,应及时对检查中发现的问题,发出整改通知书。 对施工现场未及时按要求整改的,应进行动态扣分和实施挂牌处理。
注:检查完毕后,该表应存放在安全监督档案中,如有发出整改通知书和实施动态扣分,在复检合格
后将其附在该表后面存档。
监督
要求
日期:
监督
小组