施工图自审、会审记录
- 格式:doc
- 大小:33.50 KB
- 文档页数:2
图纸会审纪要内容今天,小编给大家介绍的是图纸会审纪要内容,供大家阅读参考。
图纸会审纪要内容11、施工图会审的定义:图纸会审是指承担施工阶段监理的监理单位组织施工单位以及建设单位、材料、设备供货等相关单位,在收到审查合格的施工图设计文件后,在设计交底前进行的全面细致熟悉和审查施工图纸的活动。
2、图纸会审的目的:一是使施工单位和各参建单位熟悉设计图纸,了解工程特点和设计意图,找出需要解决的技术难题,并制定解决方案;二是为了解决图纸中存在的问题,减少图纸的差错,将图纸中的质量隐患消灭在萌芽之中。
3、图纸会审的内容:(1)是否无证设计或越级设计;图纸是否经设计单位正式签署。
(2)地质勘探资料是否齐全。
(3)设计图纸与说明是否符合当地要求。
(4)设计地震烈度是否符合当地要求。
(5)几个设计单位共同设计的图纸相互间有无矛盾;专业图纸之间、平立剖面图之间有无矛盾;标注有无遗漏。
(6)总平面与施工图的几何尺寸、平面位置、标高等是否一致。
(7)防火、消防是否满足。
(8)建筑结构与各专业图纸本身是否有差错及矛盾;结构图与建筑图的平面尺寸及标高是否一致;建筑图与结构图的表示方法是否清楚;是否符合制图标准;预埋件是否表示清楚;有无钢筋明细表或钢筋的构造要求在图中是否表示清楚。
(9)施工图中所列各种标准图册施工单位是否具备。
(10)材料来源有无保证,能否代换;图中所要求的条件能否满足;新材料、新技术的应用是否有问题。
(11)地基处理方法是否合理,建筑与结构构造是否存在不能施工、不便于施工的技术问题,或容易导致质量、安全、工程费用增加等方面的问题。
(12)工艺管道、电气线路、设备装置、运输道路与建筑物之间或相互间有无矛盾,布置是否合理。
(13)施工安全、环境卫生有无保证。
(14)图纸是否符合监理大纲所提出的要求。
4、会审的程序:图纸会审应开工前进行。
如施工图纸在开工前未全部到齐,可先进行分部工程图纸会审。
4.1图纸会审的一般程序:业主或监理方主持人发言→设计方图纸交底→施工方、监理方代表提问题→逐条研究→形成会审记录文件→签字、盖章后生效。
施工图纸自审提疑表一、引言在工程建设过程中,施工图纸的审查是至关重要的一环。
它决定了项目的规划、设计、施工以及最后的完成效果。
为了确保施工图纸的准确性和完整性,本文将详细介绍施工图纸自审提疑表及其重要性。
二、施工图纸自审提疑表概述施工图纸自审提疑表是一种用于审查施工图纸的工具,它帮助设计师、工程师和管理员等项目相关人员对图纸进行全面、细致的审查,以确保图纸的准确性和完整性。
该表格包含了各种需要检查的项目,包括设计理念、结构安全、建筑规范、施工工艺等。
三、施工图纸自审提疑表的重要性1、提高图纸准确性:通过使用施工图纸自审提疑表,可以确保图纸中的所有细节都被仔细审查,从而减少错误和疏漏,提高图纸的准确性。
2、提升施工效率:通过提前发现和解决问题,可以避免在施工过程中出现不必要的停工和返工,从而提高施工效率。
3、保障工程质量:施工图纸自审提疑表的使用,可以确保图纸满足所有相关标准和规范,从而保障了工程质量。
四、施工图纸自审提疑表的实施步骤1、组织专业团队:组织由设计师、工程师、技术专家等组成的专业团队,进行图纸审查。
2、制定审查计划:根据项目的实际情况,制定详细的审查计划,包括审查内容、时间、人员等。
3、填写自审提疑表:按照审查计划,使用施工图纸自审提疑表对图纸进行审查,并记录发现的问题和建议。
4、问题反馈与处理:将审查中发现的问题反馈给设计团队,并协商解决方案。
5、完成审查报告:根据审查结果,编写详细的审查报告,包括问题的描述、解决方案和建议等。
五、结论施工图纸自审提疑表是工程建设过程中不可或缺的一部分。
通过使用该工具,我们可以确保施工图纸的准确性和完整性,从而提高施工效率和质量。
因此,我们应该充分认识到施工图纸自审提疑表的重要性,并在实际工作中认真执行。
在任何建筑工程项目中,施工图纸的审查都是至关重要的环节。
这不仅涉及到工程的施工质量,也直接影响到工程的安全与效益。
本文将探讨施工图纸的自审与会审记录的重要性。
设计交底与图纸会审会议纪要会议时间:X年月日时会议地点:X参会人员:1、设计单位代表:、2、施工单位代表:、3、监理单位代表:、4、建设单位代表:、会议议程:一、设计单位代表介绍设计意图和设计特点设计单位代表就本次设计交底进行了详细的介绍,包括工程概况、设计范围、图纸内容、施工要求以及与其他单位的协调事项。
重点强调了施工过程中需要注意的设计细节和可能出现的问题,并就相关问题提出了解决方案。
二、施工单位代表提出施工中的难点和需要解决的问题施工单位代表就施工中的难点和需要解决的问题进行了详细的阐述。
主要包括施工图纸中存在的问题、施工安全问题、材料和设备的选择以及与其他单位的协调问题。
同时,他还就如何保证施工质量提出了具体的建议。
三、监理单位代表提出监理意见和要求监理单位代表就本次图纸会审提出了具体的监理意见和要求。
主要包括加强施工现场的安全管理、确保施工质量符合规范要求、加强与其他单位的协调合作以及做好验收工作等方面。
同时,他还就如何保证工程进度提出了具体的建议。
四、建设单位代表提出建设单位意见和要求建设单位代表就本次图纸会审提出了具体的建设单位意见和要求。
主要包括加强工程进度的监控、确保施工质量的符合要求、加强与其他单位的协调合作以及做好验收工作等方面。
同时,他还就如何控制工程造价提出了具体的建议。
五、会议总结经过本次会议的讨论,各方代表就设计交底与图纸会审中存在的问题达成了一致意见。
为确保工程的顺利进行,各方代表一致同意以下几点:1、加强施工现场的安全管理,确保施工人员的安全和设备的正常运行。
2、加强与其他单位的协调合作,确保工程进度和质量符合要求。
3、加强工程进度的监控,确保按时完成工程任务。
4、做好验收工作,确保工程质量符合规范要求。
施工图图纸会审及设计技术交底会议纪要会议时间:X年月日会议地点:公司会议室参会人员:设计单位、施工单位、监理单位、建设单位等相关负责人会议纪要:一、设计单位介绍施工图设计情况设计单位对施工图设计进行了详细介绍,包括各专业施工图的平面布置、立面设计、材料选用、构造做法等。
工程施工图管理制度第一条建设单位必须将设计施工图纸委托具备规定资质的单位进行施工图设计审查合格后,方可交由施工单位施工,未经审查合格的设计图纸施工单位有权拒绝施工。
第二条施工图会审管理:(一)工程施工前必须严格执行施工图会审制度。
在施工图会审前,企业内部必须先进行自审,形成书面资料后交建设、设计、监理等有关单位先行审查。
(二)施工图会审依据:设计图纸、预算书、规范(特别是强制性条文)、施工工艺标准及类似工程经验等。
(三)图纸会审内容:1工程设计是否符合国家有关方针、政策和规定。
2 .设计规模、内容是否符合上级主管部门批准的文件。
3 .建筑平面布置是否符合核准的按建筑红线划定的详图和现场实际情况;有否提供符合要求的永久水准点或临时水准点位置。
4 .图纸及说明是否齐全、清楚、明确。
5 .结构、建筑、设备等图纸本身及相互之间有否错误和矛盾;图纸与说明之间有无矛盾。
重点要对施工图中与国家强制性条文(包括设计规范的强制性条文)、相关规范、规程等抵触的内容提出意见;对易出工程质量通病的做法、不适合当地施工的设计(如基础桩基类型)等提出合理的要求与建议。
6 .有无特殊材料(含新材料)要求,其品种、规格、施工工艺能否满足要求。
7 .设计是否符合施工技术装备条件。
如需采取特殊技术措施时,技术上有无困难,能否保证安全施工。
8 .地基处理及基础设计有无问题;建筑物与地下构筑物、管线之间有无矛盾。
9 .建筑物设备各部位尺寸、轴线位置、标高预留洞及预埋件,大样图及作法说明有无错误和矛盾。
第三条对图纸会审中提出的问题,应由施工单位负责整理出详细的会审记录并签署整理人姓名,土建工程与安装工程应分别整理。
其格式内容主要包括单位工程名称、参加单位名称、会审时间、会审地点、会审参加人员、设计单位关于设计意图交底要点、会审决定事项、遗留问题负责解决的单位和时间,以及记录整理人的姓名。
会审记录上建设、监理、勘察、设计和施工单位代表必须签名并加盖单位公章。
图纸的自审与会审图纸会审是指工程各参建单位(建设单位、监理单位、施工单位)在收到设计院施工图设计文件后,对图纸进行全面细致的熟悉,审查出施工图中存在的问题及不合理情况并提交设计院进行处理的一项重要活动。
通过图纸会审可以使各参建单位特别是施工单位熟悉设计图纸、领会设计意图、掌握工程特点及难点,找出需要解决的技术难题并拟定解决方案,从而将因设计缺陷而存在的问题消灭在施工之前。
因此,图纸会审的深度和全面性将在一定程度上影响工程施工的质量、进度、成本、安全和工程施工的难易程度。
只要认真做好了此项工作,图纸中存在的问题一般都可以在图纸会审时被发现并尽早得到处理,从而可以提高施工质量、节约施工成本、缩短施工工期,提高效益。
因此,图纸会审是工程施工前的一项必不可少的重要工作。
打开《建筑工程施工质量验收统一标准》GB50300-2001附录G,从表G.0.1.2《单位(子单位)工程质量控制资料核查记录》得知,图纸会审记录资料放在质量控制资料当中的第一项,由此可见,图纸会审是多么重要的一项施工活动!1)图纸会审由建设(监理)单位组织,设计单位交底,勘察、施工等单位参加(含分包)。
2)图纸会审前各单位应做好图纸自审,形成自审记录,报建设(监理)单位并由其转交设计单位进行设计交底准备。
3)图纸会审记录由施工单位按建筑、结构、安装等顺序整理、汇总,各单位技术负责人会签并加盖公章形成正式文件。
4)图纸会审记录是正式文件,不得在纪要上涂改或变更。
5)对图纸会审提出的问题,凡涉及设计变更的均应由设计单位按规定程序发出设计变更单(图),重要设计变更应由原施工图审查机构审核后方可实施。
依据《福建省建筑工程文件管理规程(施工分册)》第4.1.1条的第2款“图纸会审前各单位应做好图纸自审,形成自审记录,报建设(监理)单位并由其转交设计单位进行设计交底准备。
”的要求,在图纸会审之前应先进行图纸的自审,并形成记录。
一、图纸自审(一)图纸自审的要求1、图纸自审由单位技术负责人主持。
图纸审查制度图纸审查制度包括送审施工图审查、施工图自审、施工图会审等三个阶段。
一、送审施工图审查1、施工图送审稿审查由项目总工师负责组织。
2、接到送审图后,项目总工应及时组织工程技术部、质量管理部、经营合同部、测量队、物资设备部、试验室等相关部室对送审图进行审查,并提出各自的审查记录。
3、送审施工图审查的主要内容:(1)主要设计方案和初步设计图纸是否相符。
(2)主要工程量与初步设计图纸及合同工程量清单是否相符。
(3)结合实际,是否有优化的可能。
(4)图纸本身是否存在矛盾、能否满足施工需要。
4、送审施工图必须在接到送审图之日5天内完成,要求填写送审图审核意见,经项目总工和商务负责人签字盖章后报到相应的主管部门。
二、施工图自审1、图纸自审由项目经理部总工程师负责组织。
2、接到图纸后,项目经理部总工程师应及时安排或组织技术部门有关人员及有经验的老工人进行自审,并提出各专业自审记录。
3、及时召集有关人员,组织内部会审,针对各专业自审发现的问题及建议进行讨论,弄清设计意图和工程的特点及要求。
4、图纸自审的主要内容:(1)各专业施工图的张数、编号、与图纸目录是否相符。
(2)施工图纸、施工图说明、设计总说明是否齐全,规定是否明确,三者有无矛盾。
(3)平面图所标注坐标、绝对标高与总图是否相符。
(4)图面上的尺寸、标高、预留孔及预埋件的位置以及构件平、立面配筋与剖面有无错误。
(5)建筑施工图与结构施工图,结构施工图与设备基础、水、电、暖、卫、通等专业施工图的轴线、位置(坐标)、标高及交叉点是否矛盾。
平面图、大样图之间有无矛盾。
(6)图纸上构配件的编号、规格型号及数量与构配件一览表是否相符。
5、图纸经自审后,应将发现的问题以及有关建议,做好记录,待图纸会审时提交讨论解决。
三、图纸会审制度1、图纸会审目的了解设计意图,明确质量要求,将图纸上存在的问题和错误,专业之间的矛盾等,尽最大可能解决在工程开工之前。
2、会审参加人员项目经理、项目总工师、技术负责人、专业技术人员、内业技术人员、质检员及其它相关人员。
工作流程规定---施工图纸自审和会审1、施工图纸自审:(1)、根据合同约定、国家规程规范、行业标准,承包商进场前或单项工程施工前,承包商应自行主持施工图纸自审,写出施工图纸自审记录;(2)、承包商的施工图纸自审记录,报送监理工程师、现场项目主管、工程管理部、造价合约部、工程总监;(3)、监理工程师对承包商的施工图纸自审记录提出审核意见;(4)、项目主管、工程管理部、造价合约部对承包商的施工图纸自审记录提出审核意见;(5)、工程总监根据监理工程师、项目主管、工程管理部、造价合约部的审核意见,决定施工图纸会审的时间计划安排;2、施工图纸会审:(1)、施工图纸会审由业主组织,设计单位、监理工程师、承包商共同参加;(2)、施工图纸会审由监理工程师负责进行现场记录汇总整理工作;(3)、施工图纸会审记录经工程总监审定同意,报公司领导批准;(4)、形成施工图纸会审纪要,由公司正式行文,四方共同会签并加盖公章,作为指导工程施工和工程结算的依据;3、施工图纸会审参加人员:项目主管、各专业工程师、工程管理部主管、造价合约部主管、工程总监;4、施工图纸自审与会审内容:(1)、施工图纸是否完整和齐全,施工图纸是否符合国家有关工程设计和施工的规程规范;(2)、施工图纸是否与其说明书在内容上是否一致,施工图纸及其各组成部分间有无矛盾和错误;(3)、建筑图与其相关的结构图,在尺寸、坐标、标高和说明书方面是否是一致,技术要求是否明确;(4)、熟悉建设、施工、安装目的施工生产工艺流程和技术要求,掌握配套施工的先后次序和相互关系,审查设备安装图纸与其相配合的土建图纸,在坐标和标高尺寸上是否一致,土建施工的质量标准能否满足设备安装的工艺要求;(5)、基础设计或地基处理方案同建造地点的工程地质和水文地质条件是否一致,弄清建筑物与地下构筑物、管线间的相互关系;(6)、掌握拟建工程的建筑和结构的形成和特点,需要采取那些新技术;(7)、复核主要承重结构或构件的强度、刚度和稳定性能否满足施工和使用要求;(8)、对于工程复杂、施工难度大和技术要求高的分部分项工程,要审查现有施工技术和管理水平能否满足工程质量和工期要求;(9)、建筑设备和加工定货有何特殊要求;(10)、防火、消防是否满足;(11)、材料的来源有无保证,能否代换;(12)、新材料、新技术的应用有无问题;(13)、施工安全、环境卫生有无保证;(14)、地质地勘资料是否齐全;(15)、有无分期供图的时间表;(16)、设计地震烈度是否符合要求;(17)、图纸是否符合业主要求;5、由监理工程师将批准的施工图纸会审意见送达承包商实施执行;6、其中单项施工图纸自审和会审意见,必须严格遵循国家规程规范、行业标准,并与工程项目的总体施工图纸会审要求衔接,其审查核批准程序与施工图纸自审和会审相同;7、施工图纸会审意见原件应一式八份:设计单位、承包商、监理工程师、项目主管、工程管理部、造价合约部、工程总监、综合管理部存档;。
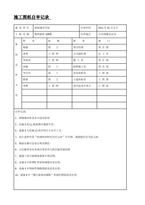
施工图纸自审记录注:表格内容要求用碳素墨水填写。
施工图纸会审记录注:表格内容要求用碳素墨水填写。
.单位工程主要施工人员登记表工程名称:注:表格内容要求用碳素墨水填写。
开工报告表建设单位:施工单位:工程名称:填表日期:年月日项目经理:部门审核人:批准人:地基钎探记录工程名称:施工单位:钎探日期:年月日锤重:落距:直径:工程技术负责人:质量检查员:钎探人:地基验槽记录表工程名称:工程编号:注:表格内容要求用碳素墨水填写。
施工现场质量管理检查记录注:表格内容要求用碳素墨水填写。
结构工程验收记录表工程名称:工程编号:注:表格内容要求用碳素墨水填写。
结构工程验收记录表工程名称:工程编号:注:表格内容要求用碳素墨水填写。
分部工程验收汇总表工程名称:工程编号:注:表格内容要求用碳素墨水填写。
单位(子单位)工程质量控制资料核查记录表第页第2页注:表格内容要求用碳素墨水填写。
单位(子单位)工程安全和功能检验资料核查及主要功能抽查记录单位(子单位)工程观感质量检查记录注:①质量评价差的项目,应进行返修。
施工单位竣工自检记录表施工单位:重庆集才建筑工程有限公司验收日期:注:表格内容要求用碳素墨水填写。
单位(子单位)工程质量竣工验收记录表注:表格内容要求用碳素墨水填写。
沉降观测记录工程名称:水准点(BM)相对标高:注:附观测点、水准点布置图和S、P、T三者关系及沉降量曲线图。
建设单位代表:工程技术负责人:填表人:观测点、水准点布置图工程名称:施工单位:期:日制图人:工程负责人:S、P、T三者关系及沉降量曲线图工程名称:施工单位:工程负责人:制图人:日期:混凝土工程施工记录施工单位:重庆集才建筑工程有限公司项目经理:项目技术负责人:施工员: 混凝土工程施工记录项目经理:项目技术负责人:施工员:混凝土工程施工记录施工单位:重庆集才建筑工程有限公司项目经理:项目技术负责人:施工员:混凝土工程施工记录施工单位:重庆集才建筑工程有限公司项目经理:项目技术负责人:施工员:混凝土工程施工记录施工单位:重庆集才建筑工程有限公司项目经理:项目技术负责人:施工员:混凝土工程施工记录施工单位:重庆集才建筑工程有限公司施工员:项目技术负责人:项目经理:砂浆施工记录施工单位名称:重庆集才建筑工程有限公司年月日注:表格内容要求用碳素墨水填写,字迹端正,签章完整。
图纸会审记录1. 会审背景在项目开展过程中,为了确保施工图纸的准确性和规范性,以及协调各参与方的设计意见,进行图纸会审是必不可少的环节。
本文档记录了图纸会审的过程、讨论的问题以及最终达成的共识。
2. 参与人员•项目经理:张三•结构设计师:李四•建筑设计师:王五•电气工程师:赵六•给排水工程师:钱七•HVAC工程师:孙八3. 会审内容3.1 结构设计图纸•讨论了楼层承重架构的设计方案,结构设计师李四提供了各种方案的比较及优缺点分析。
•张三提出了关于柱和梁连接方式的疑问,李四提供了详细的连接方式,并得到了其他人的认同。
•讨论了地下室的钢筋配筋和梁板连接的细节,达成了一致意见。
3.2 建筑设计图纸•评审了建筑物外观设计方案。
•讨论了大厅的进出口通道设置及安全疏散通道的规划。
•确定了建筑物的主要材料、颜色等。
3.3 电气设计图纸•讨论了照明布置方案,并对每个区域的照明要求进行了梳理。
•确定了配电箱的安装位置及接线方式。
•讨论了紧急照明系统的布置,提出了改进建议,并得到了一致认可。
3.4 给排水设计图纸•讨论了建筑物的供水管道和排水管道的走向及布置。
•确定了疏水排水系统的设计方案,并提出了改善建议。
•讨论了给水设备和排水设备的选择。
3.5 HVAC设计图纸•讨论了供暖和制冷系统的设计方案。
-确定了主要设备的选型,并对送风口和回风口的布置进行了讨论。
•确定了通风系统的设计指标。
4. 问题和解决方案4.1 结构设计问题及解决方案•问题:柱和梁连接方式是否满足强度要求?–解决方案:李四提供了详细的连接方式,并经过计算验证,满足强度要求。
•问题:地下室的钢筋配筋和梁板连接是否符合规范要求?–解决方案:经过讨论,确定了地下室的钢筋配筋方式,并对梁板连接的细节进行了调整。
4.2 建筑设计问题及解决方案•问题:大厅的进出口通道是否满足安全疏散要求?–解决方案:经过讨论,对进出口通道进行了调整,确保符合安全疏散要求。
•问题:建筑物的外观设计是否满足项目要求?–解决方案:经过评审,确定了外观设计方案,并对细节进行了优化。
图纸会审、设计变更、工程洽商记录Ⅰ基本要求和内容(1)图纸会审1)图纸会审由建设(监理)单位组织,设计单位交底,勘察、施工等单位参加(含分包)。
2)图纸会审前各单位应做好图纸自审,形成自审记录,报建设(监理)单位并由其转交设计单位开展设计交底准备。
3)图纸会审纪要由施工单位按建筑、构造、安装等顺序整理、汇总,各单位技术负责人会签并加盖公章形成正式文件。
4)图纸会审纪要是正式文件,不得在纪要上涂改或变更。
5)对图纸会审提出的问题,凡涉及设计变更的均应由设计单位按规定程序发出设计变更单(图),重要设计变更应由原施工图审查机构审核后方可实施。
6)图纸会审的主要内容:设计是否符合国家现行规范标准和施工技术装备条件;特殊技术措施在技术上是否有困难、能否保证施工安全;特殊材料的品种、规格、数量等是否满足需要;建筑、构造、水卫、电气、设备等之间有无矛盾;图纸尺寸、座标、标高及管线、道路交叉连接是否正确;图纸及说明是否齐全、清楚、明确;施工图审查机构的意见是否已反应并通过其认可。
(2)设计变更1)施工单位必须按照工程设计图纸和施工技术标准施工,不得擅自修改工程设计;施工过程中如发现设计文件和图纸有差错、不合理,或因施工条件、材料规格、品种、质量不能够完全符合设计要求需开展施工图修改时,应由设计单位修改设计并由建设(监理)单位签认。
2)建设(监理)单位对建筑工程提出的修改意见,须设计单位同意并由其修改设计。
3)涉及工程规模、规划、环境、消防、人防等政府监管內容的修改,须相关行政主管部门同意后,方可开展设计变更。
4)设计变更应及时办理,內容必须明确具体,变更应注明原图号,必要时应附图。
5)设计变更应严格执行变更签证制度,重要设计变更应由原施工图审查机构审核后方可实施。
6)分包工程的设计变更应通过工程总包单位确认后,方可办理设计变更。
7)所有设计变更应汇总于设计变更汇总记录。
(3)工程洽商记录1)工程洽商是有关单位就技术或其他事务交换意见的记录文件,其内容涉及设计变更的,应由建设(监理)单位、设计单位、施工单位各方签认并满足设计变更记录的有关规定。