2011上海大众新波罗全车电路图
- 格式:pdf
- 大小:16.63 MB
- 文档页数:128
J217自动变速箱控制单元,在蓄电池后面E1F189F319J519N376T10d T2d T17车灯开关,在仪表板左侧中部BCM 车身控制单元,在仪表板左侧下方
17 针插头,黑色,车灯开关插头
10 Tiptronic 针插头,黑色,开关插头2 针插头,棕色,点火钥匙防拔出锁电磁阀插头52 针插头,黑色,自动变速箱控制单元插头Tiptronic 开关,在选档操纵杆旁
选档杆档位锁止开关,在选档操纵杆旁 P 连接线,在主导线束中
( 58d )接地连接线,在主导线束中自动变速箱控制单元、开关、选档杆档位锁止开关、点火钥匙防拔出锁电磁阀
Tiptronic P E 1
点火钥匙防拔出锁电磁阀,在转向柱上部右侧连接线,在主导线束中 ( 58d )
BCM 车身控制单元换档杆锁指示灯
、组合仪表中带显示单元的控制单元、多功能显示器、选档杆位置显示屏、
J285J519T73b 组合仪表中带显示单元的控制单元,在仪表板左侧BCM 车身控制单元,在仪表板左侧下方73 针插头,白色,在BCM B 车身控制单元上号位连接线动力传动系统总线,高位,在主导线束中
( CAN )连接线动力传动系统总线,低位,在主导线束中
( CAN )T32a 32 针插头,蓝色,组合仪表中带显示单元的控制单元插头
选档杆位置显示屏,在组合仪表控制单元内J119K169多功能显示器
换档杆锁指示灯。
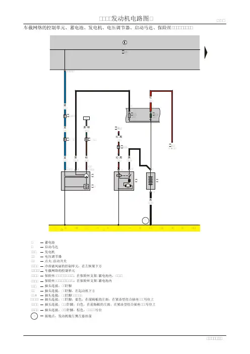
5/1车载网络的控制单元、蓄电池、发电机、电压调节器、启动马达、保险丝 ( 1-14 ) T6n 插头连接6 针脚蓝色在前隔板的左面 B 号位上,,,,在紧凑型组合插座T11a插头连接11 针脚白色在前隔板的左面 D 号位上,,,,在紧凑型组合插座BCC 发动机电路图 A蓄电池B启动马达C 发电机C1电压调节器D 点火/启动开关J519 车载网络的控制单元S162保险丝 -1- ( 30 )在保险丝支架/蓄电池内,175A,S180保险丝 -8- ( 30 )在保险丝支架/蓄电池内,T2v插头连接2 针脚,插头连接18 针脚棕色XS 4 ,,,号位接地点发动机舱左侧左悬挂前,T2a插头连接2 针脚,,在起动机下方J293冷却液风扇的控制单元,在左纵梁下方T4π插头连接,4 针脚 5/2车载网络的控制单元、喷嘴发动机转速传感器进气管压力进气管温度与冷却液温度、、、、G28发动机转速传感器G62 冷却液温度传感器G71 进气压力传感器G72 进气管温度传感器G163 2霍尔脉冲发生器J519 车载网络的控制单元J5374MV ( )的控制单元喷油装置N30 喷嘴,气缸 1N31 2喷嘴,气缸 N32 喷嘴,气缸 3N33 喷嘴,气缸 4T3m 3 插头连接针脚,,黑色,在曲轴箱通风口上方T3j 3 插头连接针脚,T4g 4 插头连接针脚, 2插头连接针脚,T2y T121插头连接针脚121 ,连接喷嘴在发动机舱预敷设的线束内 ( ),连接在发动机前电缆接头的线束内 ( 5V ) , ( )接地连接传感器接地在发动机预敷设的线束内,T14插头连接,针脚,黑色,在发动机舱的左面,左悬挂前14 BCC发动机电路图车载网络的控制单元、4MV 的控制单元 ( 喷油装置 )、带有次级输出的点火线圈 1-3、火花塞的插头、J519车载网络的控制单元J5374MV的控制单元 ( 喷油装置 )N70带有功率终放级的点火线圈 1N127 带有功率终放级的点火线圈 2N291带有功率终放级的点火线圈 3P 火花塞的插头Q 火花塞T4b 插头连接,4 针脚T4L插头连接,4 针脚T4m插头连接, 4 针脚T14插头连接,14 针脚,黑色,在发动机舱的左面,左悬挂前T121插头连接,121 针脚N79 加热电阻 ( 曲轴箱通风 ) 连接正极 ( 15 ),在全电子化点火系统的线束内接地连接 -1-,在发动机舱预敷设的线束内接地连接点,在全电子化点火系统的线束内车载网络的控制单元、4MV 的控制单元 ( 喷油装置 )、节气门的控制单元、油门踏板位置传感器、G79 油门踏板位置传感器G185 油门踏板位置传感器 2G186节气门驱动装置 ( 电子节气门 )G187节气门驱动装置的角度传感器-1( 电子节气门 )G188节气门驱动装置的角度传感器-2( 电子节气门 )J338节气门的控制单元J519 车载网络的控制单元J5374MV 的控制单元 ( 喷油装置 )N292带有次级输出的点火线圈 4P Q 火花塞的插头 火花塞T4 g插头连接,4 针脚,在点火线圈 4 处T6t 插头连接,6 针脚T6u插头连接,6 针脚T11c插头连接,11 针脚,蓝色,在前隔板的左面T121 插头连接,121 针脚连接正极 ( 15 ) 在全电子化点火系统的线束内接地点,在气缸盖上接地连接 -1-,在发动机舱预敷设的线束内接地连接点,在全电子化点火系统的线束内cab车载网络的控制单元、4MV 的控制单元 ( 喷油装置 )、λ传感器、活性炭罐装置的电磁阀 1、G130λ传感器J519车载网络的控制单元J5374MV 的控制单元 ( 喷油装置 )N80活性炭罐装置的电磁阀 1T2z插头连接,2 针脚,在电磁阀旁T4b 插头连接,4 针脚,黑色,在起动机下方T11a插头连接,11 针脚,白色,在前隔板的左面, D 号位上在紧凑型组合插座插头连接,11 针脚,红色,在前隔板的左面, K 号位上在紧凑型组合插座T11b T14插头连接,14 针脚,在发动机舱的左面T16a 插头连接,16 针脚,黑色,XS 6 号位 T121插头连接,121 针脚 Z29λ传感器的加热器 连接 ( High-Bus ),在仪表板线束中连接 ( Low-Bus ),在仪表板线束中连接 ( High-Bus ),在发动机舱的线束内连接 ( 87a ),在发动机的线束内连接 ( Low-Bus ),在发动机舱的线束内车载网络的控制单元、4MV 的控制单元 ( 喷油装置 )、爆震传感器、制动灯开关、离合器踏板开关 ( 71-84 )F制动灯开关F36 离合器踏板开关 G61 爆震传感器J519 车载网络的控制单元J5374MV 的控制单元 ( 喷油装置 )SB26 保险丝 -26-,在保险丝支架内,10A T2e 插头连接,2 针脚T4d 插头连接,4 针脚T4h插头连接,4 针脚T6n T11a插头连接,6 针脚,蓝色,在前隔板的左面, B 在紧凑型组合插座号位上插头连接,11 针脚,白色,在前隔板的左面, D 在紧凑型组合插座号位上T11c插头连接,11 针脚,蓝色,在前隔板的左面, I 在紧凑型组合插座号位上插头连接,121 针脚 连接 -1-,在发动机舱的线束内连接正极 ( 54 ),在发动机舱的线束内 连接 -2- ( 87 ),在仪表板线束中连接 -2- ( 54 ),在仪表板线束中接地点,在发动机舱的左面,在蓄电池的后面,在前悬挂里侧车身上接地连接 -2-,在发动机舱的线束内接地连接 ( 屏蔽 ),在发动机舱预装敷设的线束内8586878889909192939495969798J519J533车载网络的控制单元、数据总线的诊断接口、4MV 的控制单元 ( 喷油装置 )、燃料预供应的继电器、燃料泵的继电器、保险丝、诊断接口 ( 85-98 )连接正极 ( 30a ), 在仪表板线束中连接正极 ( 15 ), 在仪表板线束中连接正极 ( 15 ),在仪表板线束内连接正极 ( 30 ),在仪表板线束内连接正极 -1- ( 30 ),仪表板线束内连接正极 -2- ( 30 ),在仪表板线束中连接 ( K-诊断接口 ),在仪表板线束中连接正极 -3- ( 15 ),在仪表板线束中A15A32A76A139A1A2A52A40T121/43KT18a/1T6n/6T16b/7T11b/1T6r/2T6r/3T6n/5T121/445a45b7bT121/35a5b7a37a37bdD1530J173/865/85T121/65T6r/12/871/30T16a/93/11/35/22/5J643J537SB7SB37SB45SB55A15A15A5A29320.50.50.51.52.50.52.51.51.01.5蓝/黄红0.5红0.5红黑/绿黑/蓝黑/蓝红/黄黑黑0.5黑黑黑2.5黑0.5红A76A139A15125950.351.50.52.5灰/白黑/黄红/黑黑/紫0.5黑1.5红0.5红6.0红2.5红4.0红10.0红A40A1A52A3213124.0红0.5蓝/黄4.02.50.5白/红白/红蓝/黄109110850.35蓝/黄TV2/3TV2/2D点火/启动开关J17燃料泵的继电器 ( 167 继电器 ) J519车载网络的控制单元J533数据总线的诊断接口J537 4MV 的控制单元 ( 喷油装置 )J643燃料预供应继电器 ( 404 继电器 ) SB5 保险丝 -5-,在保险丝支架的上面SB7 保险丝 -7-,在保险丝支架的上面SB37 保险丝 -37-,在保险丝支架的上面SB45保险丝 -45-,在保险丝支架的上面T6n 插头连接,6 针脚,蓝色,在前隔板的左面, B 号位上在紧凑型组合插座T6r 插头连接,6 针脚,棕色,在前隔板的左面, C 号位上在紧凑型组合插座T11b插头连接,11 针脚,红色,在前隔板的左面, K 号位上在紧凑型组合插座T16b插头连接,16 针脚,诊断接口T18a插头连接,18 针脚,棕色,XS 4 号位T121插头连接,121 针脚TV2 接线柱 30 的导线连接T16a 插头连接,16 针脚,黑色,XS 6 号位 0.5黑/绿1.0黑/黄302.5黑A26/150.5红KJ537车载网络的控制单元、仪表板中带显示单元的控制单元、油压开关、油压控制灯、车速表、保险丝 ( 99-112 )F1油压开关G21 车速表J285仪表板中带显示单元的控制单元J519车载网络的控制单元K3 油压控制灯SB4保险丝 -4- 在保险丝支架的上面SB9保险丝 -9- 在保险丝支架的上面SB14保险丝 -14- 在保险丝支架的上面SB25保险丝 -25- 在保险丝支架的上面SB41保险丝 -41- 在保险丝支架的上面 T6r 插头连接,6 针脚,棕色,在前隔板的左面, C 在紧凑型组合插座号位上T11b插头连接,11 针脚,红色,在前隔板的左面, K 在紧凑型组合插座号位上T14 插头连接,14 针脚,在发动机舱的左面插头连接,32 针脚连接正极 ( 15 ),仪表板线束内连接 ( 车速信号 ),在仪表板线束中连接 -1- ( 87 ),在仪表板线束中df车载网络控制单元、燃油剩余量传感器、燃油剩余量指示器、燃油泵 ( 预供油泵 )、车速表的传感器、指示灯G 燃油剩余量传感器G1 燃油剩余量指示器G6 燃料泵 ( 预供油泵 )G22车速传感器,在变速箱上,右侧传动法兰上方J285 仪表板中带显示单元的控制单元J519车载网络的控制单元K83K105 排气警告灯 燃油不足警告灯K132电子加速踏板故障灯T3L插头连接,3 针脚T4a插头连接,4 针脚T11a插头连接,11 针脚,白色,在前隔板的左面, D 在紧凑型组合插座号位上T11b插头连接,11 针脚,红色,在前隔板的左面, K 在紧凑型组合插座号位上T14插头连接,14 针脚,在发动机舱的左面T32a插头连接,32 针脚接地连接 -1-,在仪表板线束中接地连接,在仪表板线束中连接正极 ( 15 ),在仪表板线束中接地点,在中间控制台的下面,在换档杆的前面 ( Km7 ) 接地点,在中间控制台的下面,在变速操纵杆的旁边。
第三章POLO全车线路图一、基本装置电路图车载网络的控制单元、蓄电池、点火/启动开关、在保险丝支架/蓄电池内的保险丝(1-14)车载网络的控制单元、后风窗除霜器开关、X-接触的卸载继电器、点烟器(15-28)间隔自动洗涤刮水器的继电器、后窗刮水器的开关、间隔驱动器的刮水器开关、刮水器间隔开关的调节器、刮水器的马达(29-42)车载网络的控制单元、后窗刮水器的马达、前后刮水器的泵、后风窗除霜器(43-56)空调的控制单元、新鲜空气鼓风机的开关、新鲜空气和换气活板的开关/伺服机电动机、新鲜空气鼓风机、新鲜空气鼓风机的串联电阻(57-70)车载网络的控制单元、保险丝支架(71-84)车载网络的控制单元、保险丝支架、12V-插座(85-98)车载网络的控制单元、数据总线的诊断接口、自诊断接口、信号喇叭的继电器、保险丝支架、盘形弹簧、信号喇叭的操作装置、信号喇叭/双音喇叭(99-112)车载网络的控制单元、仪表板中带显示单元的控制单元、防盗器阅读线圈、驾驶员安全带开关、防盗器控制单元、指示灯(113-126)车载网络的控制单元、手制动控制的开关、制动液液面报警开关、冷却液不足指示器的传感器、风窗玻璃洗涤液液面传感器、指示灯(127-140)二、照明设置电路图车载网络的控制单元、照明开关(1-14)车载网络的控制单元、大灯、保险丝支架、转向灯(15-28)车载网络的控制单元、转向灯开关、停车信号灯、警告灯开关(29-42)侧转向灯、前雾灯、照明——开关和仪表的调节装置、大灯照射距离调节装置、大灯照射距离调节装置的伺服电动机、保险丝(43-56)车载网络的控制单元、制动灯开关、左尾灯、右尾灯、高位制动灯(57-70)三、照明设置电路图(Polo轿车)车载网络的控制单元、仪表板中带显示单元的控制单元、转向灯的指示灯、版照灯(71-84)仪表板中带显示单元的控制单元、远光大灯的指示灯、后雾灯的指示灯、倒车灯的开关、变光灯与尾灯的指示灯(85-98)四、内部照明灯、踏步灯电路图(豪华型)车载网络的控制单元、供电——接线柱30的继电器、内部照明灯、阅读灯、行李箱照明灯、行李箱照明开关、中央集控开关(1-14)车载网络的控制单元、阅读灯、化妆镜的照明灯、化妆镜的接触开关(15-28)车载网络的控制单元、中央集控的锁止单元(驾驶员侧)(29-42)车载网络的控制单元、中央集控的锁止单元(副驾驶员侧)(43-56)车载网络的控制单元、中央集控的锁止单元(左后/右后)(57-70)车载网络的控制单元、车内踏步灯、踏步灯继电器(71-84)五、内部照明灯/踏步灯电路图(舒适型)车载网络的控制单元、供电——接线柱30的继电器、内部照明灯、阅读灯、行李箱照明开关、行李箱照明灯(1-14)车载网络的控制单元、化妆镜的接触开关(15-28)车载网络的控制单元、车门接触开关(29-42)车载网络的控制单元、车门踏步灯、踏步灯继电器、保险丝(43-56)。
PO LO 1. 6电路图例解21716 1514�I 180/2 I 180/19r w 棕/红灰/白2. 5 0. 5 13一I i '•* 叶归"红/蓝1. 0 12 11 10 3015x 31-` 匿3073 OI N r 紫1L 七如1v _吁P 18 Iii o l8031 I N r ?山中4l 82 53 I N r i 荨41竺@. I . . T ,51i _可,51.0 59 60 @ D13 芍乍尺180/4丙红O 1l 3015x 31c 5 i @ I 5l l i l I 2 3/ 4 TS0/3� 7 89d / 61 62 63 64 65 66 61 68 69 70 71 1—三角箭头表示下接下一页电路图。
2—保险丝代号图中S 5表示该保险丝位千保险丝座第5号位,10安培。
3—继电器板上插头连接代号表示多针或单针插头连接和导线的位置,例如D13表示多针插头连接,D位置触点134—接线端子代号表示电器元件上接线端子数/多针插头连接触点号码。
5—元件代号在电路图下方可以查到元件的名称。
6—元件的符号可参见电路图符号说明。
7—内部接线(细实践)该接线井不是作为导线设置的,而是表示元件或导线束内部的电路。
8—指示内部接线的去向字母表示内部接线在下一页电路图中与标有相同字母的内部接线相连。
9—接地点的代号在电路图下方可查到该代号接地点在汽车上的位置。
10—线束内连接线的代号在电路图下方可查到该不可拆式连接位千哪个导线束内。
11—插头连接例如T Ba/6表示8针a插头触点612—附加保险丝符号例如S123表示在中央电器附加继电器板上第23号位保险丝,10安培。
13—导线的颜色和截面积(单位:平方毫米)14—三角箭头指示元件接续上一页电路图。
15—指示导线的去向框内的数字指示导线连接到哪个接点编号。
16—继电器位置编号表示继电器板上的继电器位置编号。
17—继电器板上的继电器或控制器接线代号该代号表示继电器多针插头的各个触点。
PO LO 1. 6电路图例解21716 1514�I 180/2 I 180/19r w 棕/红灰/白2. 5 0. 5 13一I i '•* 叶归"红/蓝1. 0 12 11 10 3015x 31-` 匿3073 OI N r 紫1L 七如1v _吁P 18 Iii o l8031 I N r ?山中4l 82 53 I N r i 荨41竺@. I . . T ,51i _可,51.0 59 60 @ D13 芍乍尺180/4丙红O 1l 3015x 31c 5 i @ I 5l l i l I 2 3/ 4 TS0/3� 7 89d / 61 62 63 64 65 66 61 68 69 70 71 1—三角箭头表示下接下一页电路图。
2—保险丝代号图中S 5表示该保险丝位千保险丝座第5号位,10安培。
3—继电器板上插头连接代号表示多针或单针插头连接和导线的位置,例如D13表示多针插头连接,D位置触点134—接线端子代号表示电器元件上接线端子数/多针插头连接触点号码。
5—元件代号在电路图下方可以查到元件的名称。
6—元件的符号可参见电路图符号说明。
7—内部接线(细实践)该接线井不是作为导线设置的,而是表示元件或导线束内部的电路。
8—指示内部接线的去向字母表示内部接线在下一页电路图中与标有相同字母的内部接线相连。
9—接地点的代号在电路图下方可查到该代号接地点在汽车上的位置。
10—线束内连接线的代号在电路图下方可查到该不可拆式连接位千哪个导线束内。
11—插头连接例如T Ba/6表示8针a插头触点612—附加保险丝符号例如S123表示在中央电器附加继电器板上第23号位保险丝,10安培。
13—导线的颜色和截面积(单位:平方毫米)14—三角箭头指示元件接续上一页电路图。
15—指示导线的去向框内的数字指示导线连接到哪个接点编号。
16—继电器位置编号表示继电器板上的继电器位置编号。
17—继电器板上的继电器或控制器接线代号该代号表示继电器多针插头的各个触点。
J217自动变速箱控制单元,在蓄电池后面E1F189F319J519N376T10d T2d T17车灯开关,在仪表板左侧中部BCM 车身控制单元,在仪表板左侧下方17 针插头,黑色,车灯开关插头10 Tiptronic 针插头,黑色,开关插头2 针插头,棕色,点火钥匙防拔出锁电磁阀插头52 针插头,黑色,自动变速箱控制单元插头Tiptronic 开关,在选档操纵杆旁选档杆档位锁止开关,在选档操纵杆旁 P 连接线,在主导线束中( 58d )接地连接线,在主导线束中自动变速箱控制单元、开关、选档杆档位锁止开关、点火钥匙防拔出锁电磁阀Tiptronic P E 1点火钥匙防拔出锁电磁阀,在转向柱上部右侧连接线,在主导线束中 ( 58d )BCM 车身控制单元换档杆锁指示灯、组合仪表中带显示单元的控制单元、多功能显示器、选档杆位置显示屏、J285J519T73b 组合仪表中带显示单元的控制单元,在仪表板左侧BCM 车身控制单元,在仪表板左侧下方73 针插头,白色,在BCM B 车身控制单元上号位连接线动力传动系统总线,高位,在主导线束中( CAN )连接线动力传动系统总线,低位,在主导线束中( CAN )T32a 32 针插头,蓝色,组合仪表中带显示单元的控制单元插头选档杆位置显示屏,在组合仪表控制单元内J119K169多功能显示器换档杆锁指示灯保险丝,安培,转向辅助控制单元保险丝,在蓄电池盖保险丝支架上号位350 3转向助力控制单元、蓄电池、电动机械式转向助力器马达、转向角传感器D /15 D A B 点火起动开关,在转向柱上部右侧蓄电池起动马达G85转向角传感器,在转向柱上J500转向辅助控制单元,在仪表板内转向柱右侧J519BCM 车身控制单元,在仪表板左侧下方SC26SA3T2ba 2 针插头,黑色,转向助力控制单元插头T6d T3d T6 6 针插头,黑色,转向角传感器插头V187电动机械式转向助力器马达正极连接线,在主导线束中 ( 15 ) 正极连接线,在主导线束中( 15a ) 3 针插头,黑色,转向助力控制单元插头6 针插头,黑色,点火起动开关插头接地点,在左纵梁前部左侧接地点,蓄电池车身,在左前悬挂处的车身上-保险丝,安培,收音机、停车灯继电器、转向辅助控制单元、空调器继电器保险丝,在仪表板左侧下方保险丝支架上267.5BCM 车身控制单元、转向助力控制单元、组合仪表中带显示单元的控制单元、转向扭矩传感器、电动机械式转向助力器指示灯G269转向扭矩传感器,在转向柱右侧助力器马达上J285组合仪表中带显示单元的控制单元,在仪表板左侧J500J519BCM 车身控制单元,在仪表板左侧下方K161电动机械式转向助力器指示灯T3d T6c T32a 32 针插头,蓝色,组合仪表中带显示单元的控制单元插头73 针插头,白色,在BCM B 车身控制单元上号位连接线动力传动系统总线,高位,在主导线束中( CAN )连接线动力传动系统总线,低位,在主导线束中( CAN ) 3 针插头,黑色,转向助力控制单元插头6 针插头,棕色,转向扭矩传感器插头269转向辅助控制单元,在仪表板内转向柱右侧接地点,蓄电池车身,在左前悬挂处的车身上-蓄电池蓄电池起动马达交流发电机变光开关,在组合开关左侧拨杆上滑动天窗控制单元,在车顶前部中间A B C J519BCM 车身控制单元,在仪表板左侧下方SA2SA1保险丝,安培,交流发电机保险丝,在蓄电池盖保险丝支架上号位1150 1 S83J245T6aa T41正极连接线,在主导线束中 ( 30a )正极连接线,在主导线束中 ( 30a )正极连接线,在主导线束中 ( 30a )正极连接线,在主导线束中 ( 30a )E4*用于装备天窗的车型滑动天窗热敏保险丝,安培,在仪表板左侧下方继电器支架上号位30 C 6 针插头,黑色,滑动天窗控制单元插头41 针插头,灰色,组合开关插头保险丝,安培,车灯开关、点火起动开关、近光灯继电器、变光开关、滑动天窗热敏保险丝、总线端供电继电器、主继电器、仪表板左侧下方保险丝盒内号总线保险丝,在蓄电池盖保险丝支架上号位 2110 75 30 2**2B D J519T1c T6起动马达点火起动开关73 BCM B 针插头,白色,在车身控制单元上号位BCM 车身控制单元、点火起动开关正极连接线,在主导线束中( 50 )BCM 车身控制单元,在仪表板左侧下方1 针插头,黑色,起动马达插头6 针插头,黑色,插头点火起动开关用于装备手动变速箱标识字母的车型MAH / LNJ 用于装备自动变速箱标识字母的车型 MHD / MFZJ519保险丝,安培,控制单元保险丝,在仪表板左侧下方保险丝支架上9 5 ABS 保险丝,安培,大灯照明距离调节伺服马达、大灯照明距离调节器、车身控制单元保险丝,在仪表板左侧下方保险丝支架上11 5 BCM ABS 控制单元,在发动机舱内右纵梁后部SC9SC11*T38J104T17E1B278B273T10b T10a T6j V49V48E102正极连接线,在主导线束中 ( 15 )正极连接线,在主导线束中( 15a )BCM 车身控制单元,在仪表板左侧下方大灯照明距离调节器,在仪表板左侧车灯开关,在仪表板左侧右大灯光线调节电机,在右大灯内38 ABS 针插头,黑色,控制单元插头17 针插头,黑色,车灯开关插头10 针插头,黑色,右大灯插头10 针插头,黑色,左大灯插头6 针插头,黑色,大灯照明距离调节器插头保险丝 SC用于装备自动变速箱标识字母的车型MHD / MFZ 左大灯光线调节电机,在左大灯内SC12SC14SC13SC16J446J519保险丝,安培,车窗升降器继电器、后视镜调节开关保险丝,在仪表板左侧下方保险丝支架上12 5保险丝,安培,开关保险丝,在仪表板左侧下方保险丝支架上13 5 Tiptronic保险丝,安培,安全气囊控制单元保险丝,在仪表板左侧下方保险丝支架上14 5保险丝,安培,驻车辅助控制单元保险丝,在仪表板左侧下方保险丝支架上16 5保险丝,安培,后雾灯保险丝,在仪表板左侧下方保险丝支架上18 5驻车辅助控制单元,在行李箱右侧后部T16L/14461894351T10d/9T10r/5T12b/3234T50/1234T50/2T6bx/14613T32a/13E18T16LF189E43T10dT10rT12bJ234K13T50T6bxL46T32aT28aT17E18T73aSC18B448B280B279R82J51正极连接线,在主导线束中( 15a )正极连接线,在主导线束中( 15a )连接线后雾灯,在主导线束中( )正极连接线,在驾驶员侧车门导线束中( 15a )*用于装备驻车辅助的车型BCM 车身控制单元,在仪表板左侧下方后雾灯开关,在仪表板左侧后视镜调节开关,在驾驶员车门上车窗升降器继电器,在驾驶员车门上安全气囊控制单元,在换档杆前方的中央通道上后雾灯指示灯左侧后雾灯灯泡,在左尾灯内6 针插头,黑色,左尾灯插头10 针插头,黑色,开关插头Tiptronic73 BCM A针插头,黑色,在车身控制单元上号位50 针插头,黄色,安全气囊控制单元插头32 针插头,蓝色,组合仪表中带显示单元的控制单元插头17 针插头,黑色,车灯开关插头16 针插头,棕色,驻车辅助控制单元插头12 针插头,色,车窗升降器开关插头黑10 针插头,黑色,后视镜调节开关插头28 A针插头,黑色,在左柱中部Tiptronic 开关,在选档操纵杆旁BCM 车身控制单元*BCM 车身控制单元、停车灯继电器J519R BCM 车身控制单元,在仪表板左侧下方SC19SC20SC21保险丝,安培,供电保险丝,在仪表板左侧下方保险丝支架上19 5 86s 保险丝,安培,主继电器、组合仪表中带显示单元的控制单元、燃油供应继电器保险丝,在仪表板左侧下方保险丝支架上20 5 保险丝,安培,车内照明灯保险丝,在仪表板左侧下方保险丝支架上2110 保险丝,安培,驻车灯开关、点火钥匙防拔出锁电磁阀、控制单元、空调器控制单元、自诊断接口保险丝,在仪表板左侧下方保险丝支架上22 5 Climatronic T2d T8T73a T73b73 BCM A 针插头,黑色,在车身控制单元上号位T4141 针插头,灰色,组合开关插头T16a T16b T16e 16 针插头,黑色,自诊断接口,在仪表板左侧下方E19驻车灯开关,在组合开关左侧拨杆上**2T8/4T41/36T2d/1T16a/12T16e/16SC22J255N376J301J3B323B518正极连接线,在主导线束中 ( 30a ) 连接线,在主导线束中( 86s ) 停车灯继电器,在仪表板左侧下方继电器支架上Ⅱ号位继电器 15() ( 404 )*3*4用于装备手动空调的车型用于装备收音机的车型RCN 110 用于装备自动空调的车型空调器控制单元,在仪表板中部Climatronic 控制单元,在仪表板中部点火钥匙防拔出锁电磁阀,在转向柱上部右侧2 针插头,棕色,插头点火钥匙防拔出锁电磁阀8 针插头,黑色,收音机插头16 Climatronic C 针插头,黑色,在控制单元上号位16 针插头,黑色,插头空调器控制单元73 BCM B 针插头,白色,在车身控制单元上号位收音机,在仪表板中部出风口下方用于装备自动变速箱标识字母的车型 MHD / MFZJ301空调器控制单元,在仪表板中部SC23SC24SC25SC26保险丝,安培,发动机控制单元、自动变速箱控制单元、开关、车身控制单元保险丝,在仪表板左侧下方保险丝支架上23 5 MotronicTiptronic BCM保险丝,安培,后视镜加热保险丝,在仪表板左侧下方保险丝支架上2410保险丝,安培,空调器控制单元、高压传感器、冷却液风扇控制单元、自诊断接口保险丝,在仪表板左侧下方保险丝支架上25 5保险丝,安培,收音机、停车灯继电器、转向辅助控制单元、空调器继电器保险丝,在仪表板左侧下方保险丝支架上267.5J519G65高压传感器,在发动机舱内右侧空调管上RT73a73 BCM A针插头,黑色,在车身控制单元上号位*F189T80J220T52J217T10dT16eT3tT6cLJ293T16bT3dJ500T8B282B281B319正极连接线,在主导线束中( 15a )正极连接线,在主导线束中( 15a )正极连接线,在主导线束中( 30a )*2用于装备手动空调的车型BCM 车身控制单元,在仪表板左侧下方Tiptronic 开关,在选档操纵杆旁自动变速箱控制单元,在蓄电池后面冷却液风扇控制单元,在左纵梁前部下方转向辅助控制单元,在仪表板内转向柱右侧3 针插头,黑色,转向辅助控制单元插头3 针插头,黑色,高压传感器插头6 针插头,黑色,冷却液风扇控制单元插头8 针插头,黑色,收音机插头16 针插头,黑色,自诊断接口,在仪表板左侧下方16 针插头,黑色,插头空调器控制单元10 针插头,黑色,开关插头Tiptronic52 针插头,黑色,自动变速箱控制单元插头80 Motronic针插头,黑色,发动机控制单元插头收音机,在仪表板中部出风口下方Motronic 发动机控制单元,在发动机舱内横隔板左侧用于装备自动变速箱标识字母的车型MHD / MFZF4倒车灯开关,在变速箱前部保险丝,安培,倒车灯开关保险丝,在仪表板左侧下方保险丝支架上277.5 J519SC27T73b73 BCM B 针插头,白色,在车身控制单元上号位**24T2co/130T2ct/131T2cu/132T2cv 1/33T2cw/1F F 47T4d/4F 36T4h/2F F 47T4d/4D205B315SC31SC33T14T2co N30T2ct N31T2cu N32T2cv N33T2cw F T4d F36F47T4h 正极连接线,在发动机导线束中( 87a )正极连接线,在主导线束中 ( 30a )保险丝,安培,喷嘴保险丝,在仪表板左侧下方保险丝支架上3110 保险丝,安培,制动信号灯开关、离合器踏板开关、制动踏板开关保险丝,在仪表板左侧下方保险丝支架上33 5 BCM 车身控制单元,在仪表板左侧下方制动踏板开关,在制动总泵上制动信号灯开关,在制动总泵上离合器踏板开关,在离合器踏板上方4 针插头,蓝色,离合器踏板开关插头2 针插头,黑色,倒车灯开关插头14 针插头,黑色,在发动机舱内左前悬挂前2 1 针插头,黑色,第缸喷嘴插头2 2 针插头,黑色,第缸喷嘴插头23 针插头,黑色,第缸喷嘴插头24 针插头,黑色,第缸喷嘴插头4 针插头,黑色,制动信号灯开关插头喷嘴,第缸 1 喷嘴,第缸 2 喷嘴,第缸 3 喷嘴,第缸4 用于装备手动变速箱标识字母的车型MAH / LNJ 用于装备自动变速箱标识字母的车型 MHD / MFZ。