合规义务过程内审检查表
- 格式:doc
- 大小:45.50 KB
- 文档页数:1
内部审核检查记录表表单编号:SHFZY/QR0106-03B下述有关支持过程 (风险评价 ) 的问题是否已经明确?使用什么?(材料、设备)有谁进行?(技能、培训) 使用哪些主要标准?(测量、评估)如何进行?(方法、技术)活动过程 输入 输出 资源 绩效指标 记录1.顾客订货合同 /要货计划 /协议2. 口头订单/传真/电话3.顾客合作意向4.顾客协议 顾客导向过程(COP)过程特性:是否已明确执行者?是否已经定义过程?过程是否已经被文件化?是否已经明确了过程的相关接口?过程是否已经被监控?1.合同评审记录2.合同更改记录3. 己接受的产品价格 4.可开发的产品目录1.财务部/销售部/技术部2.设备/计算机/必备的办公设施C1:顾客要求评 审 1.合同评审率100%2.合同变更率≤5%是 否是否5. 产品图纸/技术要求6. 价格要求 /同类产品价格7. 适应的法律法规受审核部门:部门负责人:审核员:审核日期:相关条款:第1页共25页内部审核检查记录表表单编号:SHFZY/QR0106-03B 顾客导向过程(COP)活动过程1.顾客对产品的要求、技术规范、质量协议、材料规范、包装规范2.顾客提供的图纸或合同评审的要求3.顾客提供的特殊特性及相应的特殊要求4.有关的法律法规1.过程流程图2.现场平面布臵图3.PFMEA4.试生产控制计划、初始能力研究计划5.测量系统分析计划 6.全尺寸检查计划7.过程批准的接收准则8.工作现场的操作指导书1.开发产品进度按计划时间完成≥85%2.开发产品成本达产率≥95%3.试生产合格率1.技术人员/财务人员及项目开发小组成员2.顾客提供的图纸C2:产品过程开发绩效指标输入输出记录资源要求受审核部门:部门负责人:审核员:审核日期:相关条款:第2页共25页内部审核检查记录表表单编号:SHFZY/QR0106-03B 顾客导向过程(COP)活动过程1.过程流程图2.过程失效模式及后果分析3.试生产控制计划4.场地平面布臵图5.测量系统分析计划6.初始过程能力研究计划7.包装规范8.过程指导书(工艺卡) 1.试生产首批样品报告2.生产件批准PPAP3. 批生产控制计划4. 初始能力研究5. 测量系统评价6. 生产确认试验1.具有设计和开发能力的人员/顾客代表/检查人员/生产人员 2.电脑系/MSA/SPC3.与批产相同的设备 4.检测装臵C3:产品过程设计与验证/确认1.PPK≥1.672.CMK≥1.67绩效指标输入输出记录资源9.包装标准受审核部门:部门负责人:审核员:审核日期:相关条款:第3页共25页内部审核检查记录表表单编号:SHFZY/QR0106-03B顾客导向过程(COP)活动过程1.作业准备验1. 顾客的更改规范 证记录2. 技术更改通知单 3. 更改的图纸、作业文件4.相应的生产 和检查记录或技术通知2. 生产现场技术要 求3. 材料//设备/工1.技术人员2.更改的技术资料 C4:工程更改绩效指标 输入 输出 记录资源受审核部门:部门负责人:审核员:审核日期:相关条款:第4页共25页内部审核检查记录表表单编号:SHFZY/QR0106-03B顾客导向过程(COP)活动过程1.销售计划1.各相关人员2.设备/检测装 臵3.生产计划和 仓库库存标准4.各库房最高、最低储备定额 5.5S 管理规定6. 车间定臵管理图2. 生产计划或生产 通知单3.工艺、检验、设1.合格入库的产品2.产品按时入库1.生产计划达成 率100%C5:制造过程 备的指导文件绩效指标 输入 输出 记录资源受审核部门:部门负责人:审核员:审核日期:相关条款:第5页共25页内部审核检查记录表表单编号:SHFZY/QR0106-03B 顾客导向过程(COP)活动过程输入输出资源绩效指标记录C6:过程控制1.工艺作业指导文件(包括特殊过程作业指导书)2.检验指导性文件3.设备操作指导书、维护保养计划等4.控制计划5.标识和可追溯性规定1.过程首巡检记录,最终产品检查记录2.产品、过程审核报告3.作业准备验证4.操作现场的SPC统计控制图1.各相关人员2.设备/检测装臵/场地/工装3.生产计划和应急计划4.SPC统计技术1.产品一次交检合格率98.6%2.关键工序过程能力指数CPK≥1.33受审核部门:部门负责人:审核员:审核日期:相关条款:第6页共25页内部审核检查记录表表单编号:SHFZY/QR0106-03B顾客导向过程(COP)活动过程1.产品收发清单/发货记录统 计2.运输协议/外 包工作质量评 价4.额外运费记录 1.保管员/销售员/外包货运公 司 交付及时率100% 2.运输车辆/存1.顾客的订单要求2. 口头、电话、传 真订单 C7:产品的交付 绩效指标 输入 输出 记录资源审核员: 审核日期:第7页 共25页受审核部门:相关条款: 部门负责人:内部审核检查记录表表单编号:SHFZY/QR0106-03B顾客导向过程(COP)活动过程1.技术人员/制造人员/销售人 员/检查人员/ 顾客代表 2.检测设备/通讯工具1.顾客信息反 馈处理记录2.信息反馈表3.顾客走访记 录1.顾客满意度≥ 88%2.交付产品的退 货率PPM ≤290 1.顾客投诉意见、 建议 2. 应急计划 C8:顾客满意/ 顾客投诉 绩效指标 输入 输出 记录资源受审核部门:部门负责人:审核员:审核日期:相关条款:第8页共25页内部审核检查记录表表单编号:SHFZY/QR0106-03B 支持过程(SP)活动过程输入输出资源绩效指标记录1.培训计划2.培训试卷3.员工培训档S1:人力资源管理1.人员培训需求2.业务计划要求3.顾客要求4.转岗和新入厂的员工5.岗位人员素质要求案本4.培训有效性评价记录5.员工名单人员素质矩阵图6.己培训并己考核合格的具有能力并且数量满足要求的员工1.综合部/外部培训机构/合格的教师(兼或专) 培训有效率100%2.培训场所/培训设备/培训教材受审核部门:部门负责人:审核员:审核日期:相关条款:第9页共25页内部审核检查记录表表单编号:SHFZY/QR0106-03B 支持过程(SP)活动过程输入输出资源绩效指标记录1.文件受控清单2.文件的发放S2:文件与资料的控制受审核部门:相关条款:1.ISO/TS16949:200 9文件管理要求 2.组织的管理要求 3.顾客的特殊要求 4.图纸、技术资料管理办法、回收、作废等记录3.可提交的PPAP文件4.己填写的记录5. 己评审的外来文件6. 文件更改通知1.档案员/规定记录填写2.文件柜/贮存条件/电脑系统部门文件有效版本100%部门负责人:第10页共25页审核日期:审核员:内部审核检查记录表表单编号:SHFZY/QR0106-03B支持过程(SP)活动过程1.设备验收、 点检、维护、 保养等记录2.设备故障停机统计 3.设备事故报 告 4.关键设备备 件储存定额 /设备档案 5.设备安装、 验收记录 6.工装卡片 7.工装、模具 台帐1.设备清单2.顾客要求3.生产能力要求4.设备作业指导书5.设备维护保养计 划6.工装设备图纸7.工装台帐.8.模具送修单1.设备保养计划 达成率≥90%2.设备总效率≥90%3. 模具维修计划完成率≥95%4.模具验收合格 率≥95%1.设备管理员/ 操作者/合格的 维修工2.备件和工具 S3:设备、工装 、模具的维护管 理过程 绩效指标 输入 输出 记录资源8.工装、模具维修记录9.工装、模具验证记录受审核部门:部门负责人:审核员:审核日期:相关条款:第11页共25页内部审核检查记录表表单编号:SHFZY/QR0106-03B 支持过程(SP)活动过程输入输出资源绩效指标记录S4:采购管理1.采购材料清单2.采购计划3.质量保证协议 /有关法律法规4.供应商质量能力调查表5.供方手册6.原材料、外协件最高、最低贮备定额7. 仓库管理制度/化学危险品管理规定8.材料分类规定1.采购合同/供货质量协议2.合格供应商名录3.合格入库的材料和其他物资/物资台帐4.供货检验结果通知5.供应商供货统计1.采购员/保管员/检查员/财务人员2.检测设备/运输车辆/网络系统1.进料产品质量合格率≥99.2%2.按时交付率100%受审核部门:部门负责人:审核员:审核日期:相关条款:第12页共25页内部审核检查记录表表单编号:SHFZY/QR0106-03B 支持过程(SP)活动过程输入输出资源绩效指标记录S5:生产管理1.订单的交期要求;2.生产计划的安排;3.人员的安全管理;1.订单的执行;2.各部门的生产计划,生产计划的完成率;3.人员的安全宣导与管理;1.各部门相关人员2.机台设备和物料齐全;计划达成率率=100%重伤=0,轻伤≤1件/年第13页共25页受审核部门:部门负责人:审核员:审核日期:相关条款:第13页共25页内部审核检查记录表表单编号:SHFZY/QR0106-03B记录表单编号:SHFZY/QR0106-03B记录1.返工或挑选 后合格的产品2.不合格拒收\报废\让步接收 的产品 3.不合格品通 知单/评审处臵 单/废品单 4.不合格品统 计台帐 5.产品质量分1.原材料、生产制 造过程中、交付的 不合格品2.搬运、贮存、包装、交付过程的不合格品 3.检验文件/返工、 返修作业指导书进料产品的合格率≥99.2%产品一次合格率 1.各部门相关 人员 2. 检测设备和电脑 支持过程(SP)活动过程支持过程(SP)活动过程S6:不合格品控制内部审核检查记录表绩效指标绩效指标输入输出输入输出资源资源析报告受审核部门:部门负责人:审核员:审核日期:相关条款:第14页共25页内部审核检查记录表表单编号:SHFZY/QR0106-03B 支持过程(SP)活动过程输入输出资源绩效指标记录S7:测量装臵1.工艺监视和测量需求/测量系统分析计划 2.计量或实验设备台帐3.内校规程4.计量器具检定计划 5.计量器具的购制计划1.计量器具的验收记录2.计量器具检定计划/记录/检定证书/内校记录3.实验计划及实验记录4.重复性再现性数据表/测量系统分析报告1.计量管理员/检查员量2.检测装臵和SPC1.周期检定率100%2.MSA计划执行率≥96%受审核部门:部门负责人:审核员:审核日期:相关条款:第15页共25页内部审核检查记录表表单编号:SHFZY/QR0106-03B 支持过程(SP)活动过程输入输出资源绩效指标记录S8:产品防护与可追溯性1.被搬运\贮存\包装防护的产品2. 最高、最低储备定额3.仓库管理制度4.产品的唯一性标识1.完好无损的原材料\半成品\成品2.成品入库单3.库存品抽检一览表4. 物料台帐5.产品标识卡1.司机/包装工/保管员/操作者2.工位器具/运输车辆/包装箱(袋)1.产品一次合格率≥98.6%2.产品标识100%受审核部门:部门负责人:审核员:审核日期:相关条款:第16页共25页内部审核检查记录表表单编号:SHFZY/QR0106-03B 支持过程(SP)活动过程1.内部质量问题2.废品数据3.外协件质量4.质量审核5.供方/相关方的需 1.数据分析报求及信息反馈6.纠正与预防措施实施情况7.质量成本8.质量方针和质量目标完成情况告2.整改记录及完成目标3.过程绩效趋势分析表1.具备相应技能的人员2.计算机和相应的统计软件S9:数据统计与分析见过程指标绩效指标输入输出记录资源9生产任务及完成情况10.设备维修及停工台时受审核部门:部门负责人:审核员:审核日期:相关条款:第17页共25页内部审核检查记录表表单编号:SHFZY/QR0106-03B 管理过程(MP)活动过程输入输出资源绩效指标记录M1:经营战略1.本公司的发展状况及以往的业绩2.市场需求水平3.同行业的发展水平 4.公司的目标和方针1.短期(1年)和长期(三至五年)的经营计划2.经营计划完成情况统计3.会议记录1.公司管理层及各部门负责人\多方认证小组人员2.会议室及电脑业务计划目标完成率≥90%受审核部门:部门负责人:审核员:审核日期:相关条款:第18页共25页内部审核检查记录表表单编号:SHFZY/QR0106-03B 管理过程(MP)活动过程输入输出资源绩效指标记录1. ■ 业务计划(包括方针、目标完成情况 2.审核结果(体系、过程、产品)3.内、外顾客满意程度 4.纠正预防、改进实施情况M2:管理评审5.产品质量分析报告 6.以往管理评审的跟踪措施7.实际的和潜在的市场失效的分析及其对安全环境的影8.质量体系所有要求绩效趋势9.内外部环境影响情况 10.质量成本指标11.产品开发状况12.过程效率13.改进和建议1.管理评审报告2.管理评审整改措施报告3.管理评审会议记录1.公司管理层及各部门负责人2.管理评审所需的设施和材料1.整改措施按计划完成率100%2.管理评审输出改进措施完成率100%受审核部门:部门负责人:审核员:审核日期:相关条款:第19页共25页内部审核检查记录表表单编号:SHFZY/QR0106-03B 管理过程(MP)活动过程输入输出资源绩效指标记录1. 《ISO/TS16949:2009技术规范》质量管理体系审核要求2.内部审核计划3.顾客的要求4.发生重大质量问题或顾客严重投诉5.公司现有的过程发生重大的改变6.审核员要求1.内部审核实施计划 2.内部审核检查记录表 3.不合格项报告/改进报告4.审核报告5.过程审核计划与报告6.产品审核计划与实施1.具有审核资格并有能力的审核员2.管理者代表3.必备的办公设施1.不符合项纠正措施整改完工率100%2.计划达产率100%M3:内部审核受审核部门:部门负责人:审核员:审核日期:相关条款:第20页共25页内部审核检查记录表表单编号:SHFZY/QR0106-03B 管理过程(MP)活动过程输入输出资源绩效指标记录M5:质量成本1.外部和内部损失报告 2.财务发生的有关费用数据3.质量成本统计资料1.质量成本统计汇总表2.纠正与预防措施情况执行表3.质量成本分析报告4.5.1.成本核算的财务人员2.相关的办公软件3.相应的财务数据质量成本占销售额成本率≤4.70%受审核部门:部门负责人:审核员:审核日期:相关条款:第21页共25页内部审核检查记录表表单编号:SHFZY/QR0106-03B 管理过程(MP)活动过程输入输出资源绩效指标记录M7:员工激励1.公司经营计划要求2.公司提高员工质量认识及积极性的需求3.员工表现4.员工满意度评价计划1.员工意见调查表2.员工满意度调查报告整改方案1.公司管理层 2.综合部 3.办公设施和员工满意度≥ 82%适当的SPC软件受审核部门:部门负责人:审核员:审核日期:相关条款:第22页共25页内部审核检查记录表表单编号:SHFZY/QR0106-03B管理过程(MP)活动过程M8:纠正预防受审核部门:相关条款:输入1.内部、外部(第二方、第三方)质量体系不合格报告2.过程审核、产品审核不合格报告3.管理评审报告4.制造、贮存、搬运、交付过程发现的产品不合格如:质量统计分析报告5.顾客抱怨、投诉、退货如;顾客信息反馈单6.统计分析中发现的不符合,如:过部门负责人:告程能力测算结果7.顾客满意度结果8.员工满意度报告9.供方评审结果10.各运行过程的测量结果11. 潜在质量问题1. 纠正预防措施计划2.8D报告3.更换合格产品输出资源1.各相关部门2.适当的SPC和检测设备\交通工具\财务支持及办公设施审核员:绩效指标纠正和预防措施有效率100%审核日期:记录第23页共25页内部审核检查记录表表单编号:SHFZY/QR0106-03B 管理过程(MP)活动过程输入输出资源绩效指标记录1.无计划的机器停工时间2.机器安装和机器的改造时间3.过多的循环时间4.报废、返工、返修5.无价值的使用地面空间6.产品特性和制造过程参数的变差的控制和减少7.工序的平均值不集中在目标值上(双向要求)M9:持续改进8.人力和物力的浪费9.非质量方面的过多成本消耗10.过多的搬运和贮存11.使顾客满意达到新的目标值的工序12.顾客不满意,例1.持续改进项目计划2.持续改进项目评估表 3.持续改进汇总表1.公司管理层和持续改进小组2.适当的SPC软件和检测设备\交通工具\财务支持及办公设施持续改进项目计划达产率≥80%如抱怨、修理、退货、错送、订单不新的目标值的工序12.顾客不满意,例如抱怨、修理、退货、错送、订单不全,交付不及时,顾客对产品的关心、担保等等13.不影响质量的情况下降低成本受审核部门:部门负责人:审核员:审核日期:相关条款:第24页共25页。
JL49
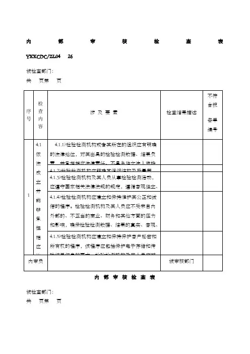
内部质量管理体系审核检查表(过程检查表)
序号:
JL49
内部质量管理体系审核检查表(过程检查表)
序号:
内部质量管理体系审核检查表(过程检查表)
序号:
编制:审批:
内部质量管理体系审核检查表(过程检查表)
序号:
内部质量管理体系审核检查表(过程检查表)
序号:
内部质量管理体系审核检查表(过程检查表)
序号:
内部质量管理体系审核检查表(过程检查表)
序号:
内部质量管理体系审核检查表(过程检查表)
序号:
编制:审批:
JL49
内部质量管理体系审核检查表(过程检查表)
序号:
JL49
内部质量管理体系审核检查表(过程检查表)
序号:
内部质量管理体系审核检查表(过程检查表)
序号:
编制:王秀君审批:
内部质量管理体系审核检查表(过程检查表)
序号:
编制:审批:
内部质量管理体系审核检查表(过程检查表)
序号:
编制:审批:。