大小中型矿山的划分,矿山生产建设规模分类一览表
- 格式:doc
- 大小:121.50 KB
- 文档页数:4
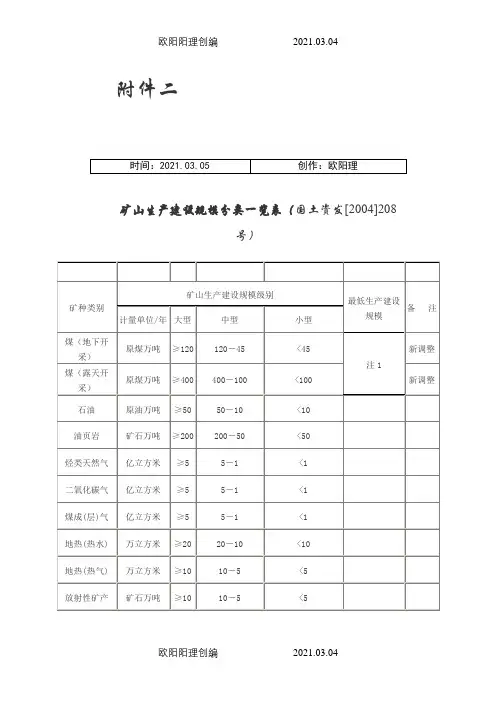
附件二矿山生产建设规模分类一览表(国土资发[2004]208号)其他贵金属矿石万吨≥10 10-5 <5新调整铁(地下开采)矿石万吨-30 3万吨/年≥100 <30 100铁(露天开采)-20060 矿石万吨新调整5万吨/<60 年≥200锰矿石万吨<5 /年10-5 ≥10 2万5<510铬、钛、矿石万1矿石万100万1030<30矿石万1030<30万100矿石万<30万3010100矿石万<30万1001030矿石万1030<30100万矿石万1030万<30100矿石万3010万铝土<30100矿石万万1030100<30矿石万万<303010100矿石万<301003010矿石万1003010<30矿石万1030<30100矿石万3010<30100稀土稀有金矿石万<301003010万新调石灰矿石万<50100501020矿石万硅<101020.白云岩矿石万吨≥50 50-30 <3020-10 耐火粘土矿石万吨<10 ≥2010-≥10 5 <5 矿石万吨萤石/年≥50 矿石万吨硫铁矿 50-20 <20 5万自然矿石万31030<10新调矿石万万磷10011030<30矿石万310蛇纹<103051矿石万<510硼20矿石万210岩盐、井<1020湖210矿石万<10新调<530钾35矿石万<10矿石万50105芒按小型矿山归矿石万雄黄砷雌黄按小型矿山归矿石万毒1103<3万克金刚发证权限按中型划分矿山生产建设规模按矿石宝型矿山归按小型矿山归云工业云1石棉万石2新调<1<5矿石万1105重晶矿石万<1030310石<55110矿石万滑石.长石矿石万吨≥20 20-10 <10新调整高岭土、瓷土等≥10 <5 -105 矿石万吨膨润土 <5 -5 矿石万吨≥10 10矿石万吨<5 10-5 叶蜡石≥10矿石万<10310沸新调30石墨万石<0.310.3玻璃用砂30砂新调矿石万<10103水泥用砂60新调20<20矿石万6万立方<510建筑石51砖建筑用砂矿石万30<636新调粘矿石万303<66页新万1015矿泉<5:富煤地区山西、内蒙古、陕西1万年;北京、河北、辽宁、吉林、黑龙江、山东、安徽甘肃、青海、宁夏、新疆万年;云南、贵州、四川万年;湖北、湖南、浙江、广东广西、福建、江西等南方缺煤地区万年根据矿井生产能力的大小,我国把矿井(地下开采)划分为大、中、小三类。
附件二矿山生产建设规模分类一览表(国土资发[2004]208号)其他贵金属矿石万吨≥10 10-5 <5新调整铁(地下开采)矿石万吨-30 3万吨/年≥100 <30 100铁(露天开采)-20060 矿石万吨新调整5万吨/<60 年≥200锰矿石万吨<5 /年10-5 ≥10 2万5<510铬、钛、矿石万1矿石万100万1030<30矿石万1030<30万100矿石万<30万3010100矿石万<30万1001030矿石万1030<30100万矿石万1030万<30100矿石万3010万铝土<30100矿石万万1030100<30矿石万万<303010100矿石万<301003010矿石万1003010<30矿石万1030<30100矿石万3010<30100稀土稀有金矿石万<301003010万新调石灰矿石万<50100501020矿石万硅<101020.白云岩矿石万吨≥50 50-30 <3020-10 耐火粘土矿石万吨<10 ≥2010-≥10 5 <5 矿石万吨萤石/年≥50 矿石万吨硫铁矿 50-20 <20 5万自然矿石万31030<10新调矿石万万磷10011030<30矿石万310蛇纹<103051矿石万<510硼20矿石万210岩盐、井<1020湖210矿石万<10新调<530钾35矿石万<10矿石万50105芒按小型矿山归矿石万雄黄砷雌黄按小型矿山归矿石万毒1103<3万克金刚发证权限按中型划分矿山生产建设规模按矿石宝型矿山归按小型矿山归云工业云1石棉万石2新调<1<5矿石万1105重晶矿石万<1030310石<55110矿石万滑石.长石矿石万吨≥20 20-10 <10新调整高岭土、瓷土等≥10 <5 -105 矿石万吨膨润土 <5 -5 矿石万吨≥10 10矿石万吨<5 10-5 叶蜡石≥10矿石万<10310沸新调30石墨万石<0.310.3玻璃用砂30砂新调矿石万<10103水泥用砂60新调20<20矿石万6万立方<510建筑石51砖建筑用砂矿石万30<636新调粘矿石万303<66页新万1015矿泉<5:富煤地区山西、内蒙古、陕西1万年;北京、河北、辽宁、吉林、黑龙江、山东、安徽甘肃、青海、宁夏、新疆万年;云南、贵州、四川万年;湖北、湖南、浙江、广东广西、福建、江西等南方缺煤地区万年根据矿井生产能力的大小,我国把矿井(地下开采)划分为大、中、小三类。