NE20E路由器日常维护培训-设备分解
- 格式:ppt
- 大小:986.00 KB
- 文档页数:39
路由器维护技巧路由器是网络连接设备中至关重要的一环,它负责将外部网络与本地网络连接起来。
为了确保路由器的正常运行和网络的稳定性,我们需要定期进行路由器维护。
本文将介绍一些实用的路由器维护技巧,帮助您保持网络的顺畅运行。
一、保持路由器位置合适路由器的位置对于网络信号的传输范围和穿透能力有着重要影响。
为了获得更好的信号覆盖范围,建议将路由器放置在离电脑和其他设备较近的位置,避免障碍物遮挡信号。
同时,避免将路由器放置在湿气过大、温度过高的环境中,以防止设备受损。
二、定期更新路由器固件路由器固件是路由器操作系统的核心,它决定了路由器的功能和性能。
定期检查是否有更新的固件版本,并及时进行升级,可以提高路由器的运行效果和安全性。
在升级固件之前,确保备份路由器的配置文件,以免升级过程中数据丢失。
三、设置安全密码和网络加密为了防止他人未经授权使用您的网络,强烈建议设置强密码来保护您的路由器。
密码应包含字母、数字和特殊字符,并且长度不少于8位。
此外,启用网络加密功能,如WPA2,可以进一步提高网络的安全性。
四、限制无线网络访问权限路由器通常具有无线网络功能,为了避免网络被其他无关人员滥用,我们可以设置访问控制列表(ACL)限制连接到网络的设备。
通过限制设备的MAC地址或IP地址,我们可以有效地控制网络访问权限。
五、清理路由器内存和缓存随着时间的推移,路由器的内存和缓存中可能会积累大量无用的数据。
清理内存和缓存可以提高路由器的运行速度和性能。
一种简单的方法是定期重新启动路由器,以清除内存中的临时数据。
六、检查网络速度和连接状态定期检查网络速度和连接状态可以帮助您及时发现和解决网络问题。
通过使用网络速度测试工具,如Speedtest,您可以评估您的网络连接速度是否符合预期。
如果发现速度较慢或连接不稳定,您可以考虑采取适当的措施,如更换路由器、优化网络设置等。
七、定期备份路由器配置文件路由器配置文件包含路由器的所有设置和参数,是恢复路由器功能的重要文件。
NE20 基本维护与配置
●设备端口流量信息的统计方式主要通过两个手段:
☯通过网管系统监控
☯按时对设备的端口数据包收发进行监控、统计
●如果通过网管系统监控,我们可以比较容易的得到设备的端口流量信息。
大部分的
网管系统都提供流量监测功能,可以输出端口流量曲线。
结合流量分析软件,我们还可以知道数据流量的组成,如果发现过多的非法报文,我们可以根据报文的“源IP”、“目的IP”、“协议类型”等特征设置限速或者访问控制。
●如果无法借助网管系统,只能通过在设备上应用“display interface”命令,记录5分钟
平均流量统计(回显信息中包括这个信息)的方式来监控端口流量。
宽带安装维护培训教程(带目录)宽带安装维护培训教程一、引言随着信息技术的飞速发展,互联网已经深入到人们生活的方方面面。
宽带网络作为互联网接入的主要方式,其安装和维护工作显得尤为重要。
为了提高宽带安装维护人员的专业技能,本教程将详细介绍宽带安装维护的基本知识和操作步骤,帮助学员掌握宽带网络的安装、调试和维护技巧。
二、宽带网络基础知识2.宽带接入技术:目前主流的宽带接入技术有DSL、光纤、无线等。
3.宽带网络结构:宽带网络主要包括接入网、传输网和核心网三部分。
4.宽带网络设备:常见的宽带网络设备有调制解调器、路由器、交换机等。
三、宽带安装步骤1.环境勘查:了解用户需求,检查现场环境,确定设备安装位置。
2.设备安装:按照施工图纸,将设备安装在指定位置。
3.线路布放:根据设计要求,布放室内外线路。
4.线路连接:将用户设备与宽带网络设备连接。
5.设备调试:对安装的设备进行调试,确保正常运行。
6.系统测试:测试宽带网络的接入速度、稳定性等指标。
7.用户培训:向用户介绍宽带网络的使用方法,解答用户疑问。
8.工程验收:提交验收资料,配合验收部门完成工程验收。
四、宽带维护与故障处理1.宽带维护内容:定期检查设备运行状况,确保网络稳定;及时更新软件,提高网络安全性;优化网络结构,提升网络性能。
2.宽带故障分类:根据故障原因,可分为硬件故障、软件故障、线路故障等。
3.故障处理方法:了解故障现象,分析故障原因,采取相应措施进行修复。
4.故障处理流程:接到用户报修后,及时响应,现场排查,解决问题,确保用户网络恢复正常。
五、宽带安装维护注意事项1.严格遵守施工规范,确保工程质量。
2.注重安全施工,防止意外事故发生。
3.提高服务意识,为用户提供优质服务。
4.加强业务学习,不断提升自身技能。
六、总结本教程从宽带网络基础知识、宽带安装步骤、宽带维护与故障处理等方面进行了详细讲解,旨在帮助学员掌握宽带安装维护的基本技能。
通过学习本教程,学员应能够独立完成宽带网络的安装、调试和维护工作,为用户提供稳定、高速的宽带网络服务。
网络设备维护要求及常见网络故障的处理培训1. 概述网络设备维护是保持网络正常运行的重要环节。
在日常运维工作中,我们经常会遇到各种网络故障,例如网络连接失败、路由器故障等。
为了提高网络设备的可用性,本文将介绍网络设备维护的要求,并提供一些常见网络故障的处理方法。
2. 网络设备维护要求2.1 更新设备固件设备厂商会定期发布新的固件版本,其中包括修复了一些已知问题和安全漏洞。
为了保持设备的稳定性和安全性,我们需要定期更新设备的固件。
以下是一些更新设备固件的要求:•确保固件版本与设备兼容。
•备份设备配置文件,以防意外发生。
•更新前先阅读固件发布说明。
2.2 定期备份设备配置为了应对设备故障、安全事件和设备更换等情况,我们需要定期备份设备的配置文件。
以下是一些备份设备配置的要求:•确保备份文件的完整性。
•存储备份文件在安全的位置。
•测试备份文件的恢复功能。
2.3 监控设备状态监控设备状态对于及时发现设备故障和性能问题至关重要。
以下是一些监控设备状态的要求:•配置邮件或短信通知,及时收到设备异常报警。
•定期检查设备日志进行故障排查。
•设置监控阈值,例如CPU利用率、内存使用率等。
2.4 定期检查设备物理连接设备的物理连接是网络正常运行的基础。
以下是一些检查设备物理连接的要求:•定期检查设备的电源连接。
•检查设备之间的网络线缆连接是否松动。
•检查设备的接口是否正常工作。
3. 常见网络故障的处理方法3.1 网络连接失败网络连接失败是我们经常遇到的一个问题,可能由于路由器配置错误、网络线缆断开等原因引起。
以下是一些处理网络连接失败的方法:•检查路由器配置是否正确。
•检查电缆连接是否松动或断开。
•使用网络测试工具进行网络连通性测试。
3.2 路由器故障路由器故障可能导致网络无法正常通信。
以下是一些处理路由器故障的方法:•重启路由器,确保电源正常连接。
•检查路由器的硬件状态,如指示灯是否正常。
•检查路由器配置是否正确。
07-第7章NE系列路由器硬件维护第7章硬件维护目录第7章硬件维护。
7-17。
1硬件维护概述。
7-17。
2电源模块的更换。
7-17。
2、1NE05路由器电源模块的更换。
7-17。
2、2NE08E路由器电源模块的更换。
7-37。
2、3NE16E路由器电源模块的更换。
7-57。
3路由器散热风扇的更换。
7-77。
3、1NE05路由器散热风扇的更换。
7-77。
3、2NE16E路由器散热风扇的更换。
7-87。
3、3NE08E路由器散热风扇的更换。
7-97。
4单元单板更换通用方法。
7-107。
5路由交换单元的更换。
7-117。
6路由交换扩展单元的更换。
7-127。
7路由交换热插拔控制单元的更换。
7-127。
8通用接口单元的更换。
7-137。
9通用接口扩展单元的更换。
7-137。
10高可靠控制单元的更换。
7-137。
11告警单元的更换。
7-14第7章硬件维护第7章硬件维护7。
1硬件维护概述硬件维护,相对来说是一个比较直观而且容易理解的概念。
路由器的硬件维护主要包括各种单板以及电源模块等设备部件的更换,本章主要描述设备部件如何进行拆卸和安装。
注意:为了避免因静电引起器件损坏,进行部件更换时,必须佩带防静电手腕。
另7。
27。
2、1NE05路由器电源模块的更换警告:NE05路由器交流电源模块实现1+1备份。
通电情况下安装与更换备份电源模块时,请注意操作方法及用电安全。
不要接触露出的任何导线、端子和在产品中标出的危险电压标志部分,否则,可能对人体造成伤害。
NE05路由器的电源模块在机箱后面左侧。
第7章硬件维护1、交流电源模块的拆卸第一步:关掉与待拆卸模块连接的输入电源开关,拔掉电源连接线;第五步:均匀用力,左手托住电源模块下部,缓慢取出需要更换的电源模块,电源模块如图7-4所示。
第7章硬件维护图7-4NE05电源模块示意图2、直流电源模块的拆卸注意:直流电源模块的拆卸步骤,可以参考上述交流模块的拆卸步骤,但需要提醒您注意的是:在拆卸NE05直流电源模块时,请您先关闭直流电源模块上的电源开关,然后拔掉相应的直流电源连接线,再进行电源模块的更换。
网络设备日常维护指南介绍本文档提供了网络设备的日常维护指南,旨在帮助用户有效管理和维护网络设备,确保其正常运行和长期稳定性。
更新设备操作系统定期检查并升级设备操作系统以确保安全性和性能。
遵循制造商的指南和最佳实践来完成此操作。
定期检查设备硬件定期检查网络设备的硬件状况。
检查电源、风扇、电缆等,并确保一切正常运行。
如发现故障或异常情况,及时采取修复措施。
备份配置文件定期备份网络设备的配置文件。
这样,在设备出现故障或需要重置时,可以快速恢复配置并减少停机时间。
将备份文件存储在安全的位置并确保可靠性。
定期更换设备密码为了增加设备的安全性,定期更换设备的密码。
避免使用弱密码,并确保密码的复杂性。
建议采用定期更换密码的策略。
更新设备防病毒软件及时更新所使用的设备上的防病毒软件。
这将帮助保护网络设备免受恶意软件和病毒的攻击。
监控设备性能使用合适的监控工具来监控网络设备的性能。
监控设备的利用率、带宽使用情况等指标,以及检测任何异常或潜在问题的迹象。
定期清理设备定期清理设备,包括清除设备上的灰尘和杂物。
确保设备散热良好,避免过热引起故障。
网络设备日志分析定期分析和审查网络设备的日志记录。
这将帮助识别潜在问题和异常,并采取适当的措施来解决它们。
建立灾难恢复计划制定并实施网络设备的灾难恢复计划。
这包括备份设备配置、存储备份数据的位置,并指定备用设备等,以确保在灾难情况下快速恢复和减少业务中断。
以上是网络设备日常维护的一些基本指南,但请根据具体设备和环境的要求进行调整和扩展。
记住,保持设备的良好状态和安全性对于网络的正常运行至关重要。
NE20/NE20E配置及维护宝典V1.0本文档涵盖了NE20/NE20E产品的常见问题,问题大类包括:系统管理部分、链路层部分、路由部分、vpn部分以其他(QOS NAT等)。
本文档主要是常见问题的FAQ,设备操作及基本命令类介绍较少,相关的资料可以参考对应产品的操作手册可以到下载.更新说明更新时间更新说明2007/03/28 ●初稿●目录系统管理部分 (5)1、NE20为何只有1、2、4三个槽位支持高速接口卡? (5)2、NE20、NE20E路由器如何用命令控制显示屏显示信息量 (5)3、为什么NE20刷新FIB表项会产生超时告警 (5)4、NE20-2和NE20-8使用的主控板是否相同 (6)5、NE20-2,NE20-4,NE20-8各产品的整机处理能力、吞吐量各是多少 (6)6、NE20的哪些槽位是高速槽哪些是低端槽? (6)7、NE20的整机最大功率是多少? (6)8、通过display diagnostic-information命令一次收集多个模块运行信息 (7)9、NE20产品高速和低速插槽的分辨方法 (7)10、NE20 Ping延时的说明 (8)11、NE20/20E产品删除文件的典型配置 (8)12、如何正确的配置NE20的防病毒访问控制列表? (8)13、NE20/20E在V5版本上ACL对分片报文的支持说明 (10)14、NE20如何查询光模块的光功率参数? (10)15、NE20硬件告警灯说明 (11)链路层部分 (12)1、E1接口三种帧格式有什么区别? (12)2、NE20一个4FE接口板中,三个接口正常配置,但是其中E4/0/2的接口视图下没有IP地址和双工模式等配置命令。
设备使用VRP5.30软件版本。
(12)3、NE20的高速卡支持哪几种链路协议? (13)4、NE20的以太网口是否支持VLAN透传和VLAN终结? (13)5、NE20E是否支持E1接口的跨板绑定以及最多支持绑定多少个E1接口 (13)6、NE20POS接口J1开销字节默认值是什么 (13)7、NE20在使用X.21电缆时钟配置不一致导致链路无法up的解决方法 (13)8、NE20的CPOS接口的开销字节说明 (14)路由部分 (14)1、如何配置OSPF的virtual link上MD5验证。
网络设备维护要求及常见网络故障的处理培训一、网络设备维护要求1. 定期检查网络设备,包括路由器、交换机、防火墙等,确保其正常运行。
2. 定期更新网络设备的固件和软件,以确保其安全性和稳定性。
3. 定期清理网络设备,防止灰尘和其他污垢影响设备的散热性能。
4. 调整网络设备的配置,确保其适应网络的扩展和变化。
5. 建立网络设备的备份,以便在出现故障时快速恢复。
二、常见网络故障的处理培训1. 网络连接故障:检查网线是否插紧、网口是否正常工作,重启设备尝试解决问题。
2. IP地址冲突:通过查看网络设备的IP地址分配情况,更改或释放冲突的IP地址。
3. DNS解析故障:检查DNS服务器的设置和运行状态,更换其他可用的DNS服务器进行测试。
4. 路由故障:检查路由器的连接和配置,重启路由器尝试解决问题,必要时恢复默认设置。
5. 防火墙设置错误:检查防火墙的规则设置,对需要通行的端口和协议进行放行。
在进行常见网络故障的处理时,需要有一定的网络知识和实际操作经验,建议定期组织网络设备维护和故障处理的培训,提高员工的技能和应对能力。
通过培训,员工将能够更好地理解网络设备的维护要求和常见故障处理方法,提高网络运维效率和稳定性。
网络设备维护要求及常见网络故障的处理培训恭喜您已经完成了上面提到的网络设备维护要求及常见网络故障的处理培训。
接下来,我们将进一步深入研究这些主题,以便更全面地了解网络设备维护和故障处理。
网络设备维护要求绝不仅仅是对设备进行简单的检查和更新,这只是其中的一部分。
另外一部分包括对设备的安全性和稳定性进行全面的考虑和保障。
在进行对网络设备的固件和软件的更新时,保证设备安全是非常重要的。
由于网络设备在更新过程中可能会变得不稳定,甚至会出现故障,并且在更新后设备可能会对部署在网络环境中的应用程序和服务造成影响。
因此,在进行设备的固件和软件更新前,需要对更新前的备份进行彻底的测试,以确保能够在需要时快速恢复设备。
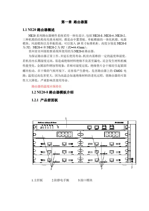
第一章路由器篇1.1 NE20路由器概述NE20系列路由器硬件系统采用一体化设计,包括NE20-8、NE20-4、NE20-2。
三种机箱的结构布局基本相同,都是由中置背板、单板横插的一体化机箱、电源模块、风扇模块以及单板组成,可以装入19英寸标准机柜。
高度分别是NE20-8为5U,NE20-4和NE20-2为3U(1U=44.45mm)。
贵州省市州级检察系统所使用的为NE20-8路由器。
为保证路由器正常工作,并延长使用寿命,机房内需维持一定的温度和湿度。
若机房内长期湿度过高,易造成绝缘材料绝缘不良甚至漏电,还会发生材料机械性能变化、金属部件锈蚀等现象;若相对湿度过低,绝缘垫片会干缩而引起紧固螺丝松动,在干燥的气候环境下,还容易产生静电,危害路由器上的CMOS电路;温度过高危害更大,因为高温会加速绝缘材料的老化过程,使路由器的可靠性大大降低,严重影响其使用寿命。
路由器的温度应保持在1.2 NE20-8路由器模板介绍1.2.1 产品前面板1.主控板2.防静电手腕3.接口模块1.2.2 产品后面板1.风扇板2.网络处理板3.接地端子4.交流电源接口5.电源开关6.电源模块1(PWR1)7.电源模块2(PWR2)8. 防静电手腕插孔1.2.3 主控板(RPU)主控板功能介绍:主控板主要完成协议处理、低速数据包转发、接口控制、故障检测等功能,是产品的核心部分。
系统中的状态监控,如风扇运转、电源工作以及系统的工作状态也都直接通过主控板指示灯来指示,并能够将风扇、电源等故障告警、系统温度告警等汇报到后台。
另外,主控板还提供硬件复位按钮RESET。
主控板指示灯及按钮:主控板指示灯和按钮的含义:表1-1Console配置口表1-21.2.4电源模块(PWR)功能介绍NE20系列路由器的电源系统由2个电源模块构成,正常情况下两个电源模块(交流输入或直流输入)工作于冗余备份方式(负载分担方式),当一路电源输入中断时或一块电源模块故障时,另一块电源模块不受影响,并且能够提供系统全部所需功率。
第一章例行维护项介绍每个维护周期需要的维护项目、操作指导以及参考标准。
1.1例行维护项目简介按照维护周期,介绍例行维护中所涉及的维护项目。
注意:NE20E-X6不附带安装工具、仪表及相关设备。
仪表必须经过计量校验,证明合格后方能使用。
NE20E-X6的稳定运行一方面依赖于完备的网络规划,另一方面平时的维护、监测、发现设备运行隐患也是非常必要的。
例行维护项目提供了对NE20E-X6运行环境和设备本身软、硬件进行日常维护、周、月和年度维护工作的基本参考和建议,其中包括机房环境、机柜内部环境、设备单板运行状态、端口状态、路由协议等。
用户在设备的日常运行中,可以结合维护项目的操作指导完成设备的维护管理。
同时,也可以根据实际的组网情况和机房环境要求,对本章提供的维护项目和指导进行增加或者删除,以满足实际维护的需要。
本手册例行维护过程中涉及的所有的项目如表所示。
表例行维护项目列表1.2日常维护项目及操作表:日常维护项目操作1.3 设备除尘维护介绍如何对设备进行除尘。
警告:所有的操作过程都必须严格执行防静电措施,如在防静电工作台上操作,维护人员穿防静电服装、戴防静电腕套等。
为了保证系统散热和通风状况良好,避免防尘网被灰尘堵住,必须定期清洗防尘网。
建议至少一季度清洗一次,机房防尘环境较差的清洗频率应更高。
1.3.1 风扇框除尘1.3.1.1 背景信息风扇框是设备的一部分,风扇框的主要作用是为业务机框的散热进风提供动力。
在设备的运行过程中,风扇框中的风扇叶片、控制电路板等部位会吸附其周围空气中的尘埃而形成积累,当这种尘埃积累达到一定的程度时,它不仅影响风扇框的稳定运行,其积累的尘埃还会成为业务机框的污染源,从而对设备的稳定运行产生潜在的威胁。
为确保设备能够长期稳定运行,维护人员应定期(建议每年一次)对每个风扇框进行除尘维护,其操作方法是:1.3.1.2操作步骤对备用风扇框进行除尘处理用干净的棉纱布、防静电软毛刷、吸尘器等工具对备用风扇框的风扇叶片、控制电路板等部位进行除尘处理,处理后的风扇框应无尘埃附着。
维护路由器的方法维护路由器的方法很多的企业路由器故障的隐性都很高,不留心的话很难察觉到,很让人头痛,要是等到企业路由器的性能下降、网络中断等现象出现,才急急忙忙地动用大量的人力物力来补救,那就很费劲了。
另外要是遇上雷电等突发的情况,但却没有预先为企业路由器做好足够的防备措施,说不定就为用户创造了一个更换新设备的好机会。
所以,对于企业路由器的种种问题应当防范于未然,及时做好日常管理和维护工作,力求做到有备无患。
切实地做好企业路由器的管理与维护工作应从以下几个方面入手。
1.做好标记,方便维护由于企业局域网内部的计算机相对比较多,网线繁多,如果发生故障了也不知道是那条线搭哪条线,所以对于连接计算机与路由器的网线要做好标记,在路由器端要标示连接哪台主机,在计算机端要标示是连接到路由器的哪个端口,以方便维护工作。
2.为企业路由器提供一个良好工作环境在企业路由器的说明书中厂商已经明确了路由器正常运转的环境指标,所以企业在使用的过程中应尽量为企业路由器提供一个符合厂商规定的环境指标的工作环境,不然的话将影响路由器的正常工作,甚至还有可能会损坏路由器。
一般需注意的是电源的电压、工作温度、存贮温度、工作的相湿度、存贮的相对湿度等方面。
尤其要注意防潮防发热,由于企业路由器是由许多紧密的电子元件组成的,这些电子元件会因潮湿而引起电路短路,因此务必要将它放置在干燥的地方。
特别是在梅雨时节,更要注意保持企业路由器工作环境的干爽。
另外,由于企业路由器在运行过程中设备的芯片会散发出大量的热,如果不及时将其散发,则有可能导致芯片的热度超出指标范围,而导致企业路由器工作异常。
因此,最好将路由器放置在通风干爽的位置,千万不要用装饰布之类盖住路由器,也不要在路由器周围堆放书籍、杂物之类的,要让路由好好透透气才行。
3.防电磁干扰数据在传输过程中,会受到多方面因素的影响,电磁干扰就是其中主要的一个方面,例如音箱、无线电收发装置等设备若与企业路由器靠得太近的话,网络信号将可能会受到外界辐射的影响,因而尽量把企业路由器放在一个独立的地方,离那些会产生电磁干扰的设备远一些。
网络设备基本运维培训网络设备基本运维是保障网络系统正常运行的重要工作之一,它不仅涉及到设备的维护和修复,还牵扯到网络运行的性能优化和故障排除。
为了帮助新员工快速掌握网络设备基本运维技能,以下是一些基本运维培训内容:1. 网络设备的基本概念:了解常见的网络设备类型及其作用,如路由器、交换机、防火墙等,理解其工作原理和基本结构。
2. 网络设备的基本维护:学习如何对网络设备进行日常维护,包括清洁设备、更换零部件、检查设备运行状态等。
3. 网络设备的故障诊断:学习如何对网络设备进行故障诊断,发现和解决常见故障,如网络连接不稳定、设备无法开机等。
4. 网络设备的配置管理:学习如何进行网络设备的基本配置管理,包括设备初始化、升级和备份等操作。
5. 网络设备的性能优化:学习如何对网络设备进行性能优化,包括设置网络流量控制、优化网络拓扑结构等方法。
6. 网络设备的安全管理:学习如何对网络设备进行安全管理,包括设置访问控制、加固设备安全性等操作。
以上是网络设备基本运维培训的一些基本内容,通过学习这些知识和技能,新员工可以快速适应网络设备基本运维工作,并为网络系统的稳定运行提供有力支持。
网络设备基本运维培训还涉及到一些重要的内容,以下是继续培训的一些相关内容:7. 网络设备监控与管理:学习如何使用网络设备监控工具来监视网络设备的运行状态和性能表现,理解如何使用管理界面进行配置和管理网络设备。
8. 网络故障排除与恢复:学习如何根据故障现象进行网络故障的快速排除,并且掌握一些常见的故障处理手法,比如重启、切换备用链路等。
9. 网络设备日志管理:学习如何查看网络设备的日志记录,理解日志信息的含义,能够根据日志信息快速定位问题并进行处理。
10. 网络设备性能调优:学习如何对网络设备的性能进行调优,比如如何对路由器进行带宽管理、如何对交换机进行端口优化等。
11. 网络设备备份与恢复:学习如何对网络设备进行备份配置文件和系统镜像,以及在网络设备发生故障的情况下如何进行快速的系统恢复。
宽带网维护培训教程一、教学内容本教程共分为八个章节,详细介绍了宽带网的维护和管理方法。
第一章:宽带网基础知识1.1 宽带网的定义与分类1.2 宽带网的组成与工作原理第二章:宽带网接入设备2.1 调制解调器(Modem)2.2 路由器(Router)2.3 交换机(Switch)第三章:宽带网布线与连接3.1 网络布线基础知识3.2 双绞线制作与接头3.3 宽带网的连接方法第四章:宽带网信号优化4.1 信号干扰与优化方法4.2 信号放大与中继器4.3 无线信号优化与路由器设置第五章:宽带网安全与管理5.1 网络安全基础知识5.2 防火墙与入侵检测5.3 宽带网用户管理与权限设置第六章:宽带网故障排查与维修6.1 常见故障现象与原因6.2 故障排查方法与步骤6.3 网络设备维修与更换第七章:宽带网业务与维护7.1 宽带网业务种类与办理7.2 宽带网维护与升级7.3 客户服务与投诉处理第八章:实践操作与案例分析8.1 宽带网接入设备安装与调试8.2 网络布线与连接实践8.3 宽带网故障案例分析与解决二、教学目标1. 了解宽带网的基本知识与组成原理,掌握宽带网接入设备的安装与使用方法。
2. 学会宽带网布线与连接技巧,提高网络传输效率。
3. 掌握宽带网信号优化与安全管理的策略,确保网络稳定与信息安全。
4. 具备宽带网故障排查与维修能力,能够独立解决常见的网络问题。
5. 熟悉宽带网业务与维护流程,提高客户服务与投诉处理能力。
三、教学难点与重点1. 教学难点:宽带网信号优化、安全与管理技术,故障排查与维修方法。
2. 教学重点:宽带网接入设备的安装与使用,网络布线与连接技巧,实践操作与案例分析。
四、教具与学具准备1. 教具:电脑、投影仪、黑板、粉笔、教学课件。
2. 学具:笔记本、教材、实践操作手册、网络连接设备。
五、教学过程1. 引入:通过实际案例,介绍宽带网在日常生活中的应用,引发学生对宽带网维护的兴趣。
2. 讲解:讲解宽带网的基本知识、组成原理、接入设备、布线连接、信号优化、安全管理、故障排查与维修、业务与维护等内容。
Quidway NetEngine20E安装手册目录目录7 维护硬件.......................................................................................................................................7-17.1 防尘网的维护..............................................................................................................................................7-27.1.1 拆卸防尘网........................................................................................................................................7-27.1.2 安装防尘网........................................................................................................................................7-37.1.3 防尘网的清洗.....................................................................................................................................7-37.2 主控板/NPU板的维护................................................................................................................................7-37.2.1 拆卸主控板/NPU板模块...................................................................................................................7-37.2.2 安装主控板/NPU板模块...................................................................................................................7-47.2.3 安装后检查........................................................................................................................................7-47.3 风扇模块的维护..........................................................................................................................................7-47.3.1 拆卸风扇模块.....................................................................................................................................7-57.3.2 安装风扇模块.....................................................................................................................................7-67.3.3 安装后检查........................................................................................................................................7-67.4 电源模块的维护..........................................................................................................................................7-67.4.1 拆卸电源模块.....................................................................................................................................7-77.4.2 安装电源模块.....................................................................................................................................7-87.4.3 安装后检查........................................................................................................................................7-8插图目录Quidway NetEngine20E安装手册插图目录图7-1 防尘网位置示意图.................................................................................................................................7-2图7-2 防尘网拆卸示意图.................................................................................................................................7-3图7-3 主控板拆卸示意图.................................................................................................................................7-4图7-4 风扇模块位置示意图.............................................................................................................................7-5图7-5 风扇模块拆卸示意图.............................................................................................................................7-6图7-6 电源模块位置示意图.............................................................................................................................7-7图7-7 电源模块拆卸示意图.............................................................................................................................7-7Quidway NetEngine20E安装手册7 维护硬件7 维护硬件关于本章本章描述内容如下表所示。