干香菇检验规程
- 格式:doc
- 大小:26.00 KB
- 文档页数:1
1目的规范干香菇进料的检验流程,明确干香菇进料的抽样方法、质量标准、检验方法和结果判定,确保干香菇检验结果的准确。
2适用范围适用于干香菇进料检验和在储存、使用过程中抽查检验。
3定义:干香菇:新鲜香菇经过干燥加工处理。
4职责4.1品保部:负责对干香菇的进料进行抽样检验和判定;参与物料评审。
4.2生产部:负责对干香菇进料通知取样和进行检验状态标识和储存。
负责干香菇使用过程进行抽查;参与物料评审。
4.3采购部:负责干香菇进料检验异常时与供应商进行反馈;主导进行物料评审。
4.4技术研发部:负责制定干香菇质量标准;参与物料评审。
5内容5.1抽样方法5.1.1干香菇进料到厂后,生产部仓管员开《进料请验单》发品保部,品保部进料检验员按每一次交货的干香菇为一个检验批,根据来货数量进行选择性抽样,每5箱抽取一箱。
5.1.2每箱取样量在200g左右,整批来料共取样500g左右,取样完成后对干香菇包装袋进行封合和标识。
5.2检验方法5.2.1感官检验5.2.1.1包装:外包装采用破裂强度18.9MPa以上的纸材制作的纸箱,纸箱上下都用5cm宽的胶带封口,无污染,无潮湿,干净整洁。
5.2.1.2杂质:打开包装袋,将手插入打开的每个样品里仔细翻看、观察样品的形态、色泽以及杂质情况。
5.2.1.3感官:菌盖呈褐色或淡褐色,菌褶淡黄色或黄色,菌盖直径要求3-5cm。
5.2.2限度检查在抽取得样品中称取500g,逐个将不符合质量要求的香菇挑选出来,计算各自的不合格率。
5.2.3干燥失重检验取约2-3个香菇样品,用粉碎机将干香菇打成粉状,再称取5g左右的干香菇粉,用红外水分快速测定仪测定干香菇的干燥失重率。
5.3检验结果判定5.3.1将检验结果记录在《原辅料及包材验收报告》中,并对照《干香菇质量标准》对每一项检验结果进行检验结果判定。
5.3.2如检验结果合格,品保部进料检验员则回复生产部仓管员在《进料请验单》上签批检验合格,仓管员办理正常入库。
学校食堂的经营食用菌类验收标准一.香菇1.香菇的分类要求:根据需求制定所采购的香菇的种类。
2.香菇的质量标准要求:(1)本公司要求所采购的香菇应具有香菇特有的香味、无异味;菌盖表面光滑,无萌生菌丝,菌褶无倒伏。
(2)本公司所采购的干香菇其水分应达到10%以内,鲜香菇水分不超过40%,略严格于国家标准。
以便生产储藏使用。
并将水分验收为香菇采购的重点监控项目。
不合格拒绝收货。
(3)本公司对香菇原料的验收,要求不允许混入霉变菇、活虫体、动物毛发、动物排泄物和金属等有害杂质。
(4)本公司要求所采购香菇原料的杂质率应在0.5%以内。
(5)本公司要求所采购的香菇原料的残缺菇应在1%以内。
(6)本公司要求所采购的香菇原料的碎菇率应在1%以内。
(7)所采购的香菇原料其虫蛀率要求目测不能检出,本项目作为产品是否接受重点检查的项目。
不合格拒绝收货。
(8)其它标准要求,本公司组织进行供应商审核时进行第三方检验。
不合格的应对本公司之前所采购的并已经生产销售的无法退货的产品做出赔偿。
具体赔偿额度视产品采购数量和造成的损失决定。
二.灰树花1.灰树花的分类要求:根据需求制定所采购的灰树花的种类(鲜灰树花、干灰树花、盐渍灰树花)。
2.灰树花的质量标准要求:(1)标准要求的灰树花质量等级分为三个等级,分别是一级、二级、三级。
(2)本公司要求所采购的灰树花质量等级在二级以上方可采购并生产使用。
(3)本公司要求所采购的灰树花水分应在11%以内,略严格于农业标准,以便储藏生产使用。
(4)本公司要求所采购的产品原料应具有灰树花特有的色泽气味。
不允许有酸味、霉味、和其它异味。
(5)本公司对灰树花原料的验收,要求虫蛀菇、霉斑菇、畸形菇、褐变菇目测不能检出。
不合格拒绝收货。
(6)所采购得灰树花其杂质率为0,不合格拒绝收货。
(7)所采购的原料其残缺菇要求在3%以内,不合格拒绝收货。
(8)本公司要求所采购的原料的碎菇率应在1%以内。
(9)其它标准要求,本公司组织进行供应商审核时进行第三方检验。
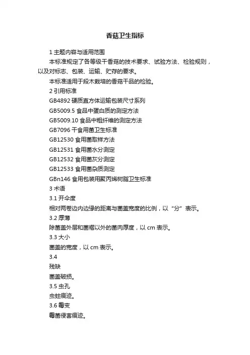
香菇卫生指标1主题内容与适用范围本标准规定了各等级干香菇的技术要求、试验方法、检验规则,以及对标志、包装、运输、贮存的要求。
本标准适用于段木栽培的香菇干品的检验。
2引用标准GB4892硬质直方体运输包装尺寸系列GB5009.5食品中蛋白质的测定方法GB5009.10食品中粗纤维的测定方法GB7096干食用菌卫生标准GB12530食用菌取样方法GB12531食用菌水分测定GB12532食用菌灰分测定GB12533食用菌杂质测定GBn146食用包装用聚丙烯树脂卫生标准3术语3.1开伞度相对两卷边内边缘的距离与菌盖宽度的比例,以“分”表示。
3.2厚薄除菌盖外层和菌褶以外的菌肉厚度,以cm表示。
3.3大小菌盖的宽度,以cm表示。
3.4残缺菌盖破损。
3.5虫孔虫蛀痕迹。
3.6霉变霉菌侵害痕迹。
3.7杂质除香菇外的一切有机物和无机物。
4产品分类4.1花菇菌盖有天然裂纹的香菇。
4.2厚菇厚肉香菇。
4.3薄菇薄肉香菇。
5技术要求5.1花菇见表1:表1项目一级二级三级颜色花纹色淡、明显、菌褶淡黄色花纹色较深、菌褶黄色花纹棕褐色、菌褶深黄色厚薄,cm≥0.5≥0.5≥0.3形状近半球形或伞形、规整扁半球或伞形、不规整扁半球形或伞形、不规整开伞度,分678大小,cm≥4均匀2.5-4≥2菌柄长≤菌盖直径≤菌盖直径菌盖直径气味香菇香味、无异味香菇香味、无异味香菇香味、无异味残缺,%重量≤1重量≤1重量≤5褐色菌褶、虫重量≤重量≤1重量≤5孔、霉变菇,%杂质,%重量≤0.2重量≤0.2重量≤1不允许混入物毒菇、异种菇、活虫体、动物毛发和排泄物、金属物5.1.2厚菇见表2表2项目一级二级三级颜色菌盖淡褐色、菌褶淡黄色菌盖淡褐至褐色、菌褶黄色菌盖淡至褐色、菌褶黄色厚薄,cm≥0.5≥0.5≥0.3形状近半球形或伞形、规整扁半球形或伞形、不规整扁半球形或伞形,不规整开伞度,分678大小,cm3-5,均匀≥3≥2.5菌柄长≤菌盖直径≤菌盖直径≤菌盖直径气味香菇香味、无异味香菇香味、无异味香菇香味、无异味残缺菇,%重量≤1重量≤1重量≤5褐色菌褶、虫重量≤1重量≤1重量≤5孔、霉变菇,%杂质,%重量≤0.2重量≤0.2重量≤1不允许混入物毒菇、异种菇、活虫体、动物毛发和排泄物、金属物5.1.3薄菇见表3:表3项目一级二级三级颜色菌盖淡褐至褐色、菌褶黄色菌盖淡褐至褐色、菌褶黄色菌盖淡褐色、菌褶深黄色厚薄,cm≥0.2≥0.2≥0.1形状扁平形、规整扁平形、不规整扁平形、不规整开伞度,分789大小,cm≥4、均匀≥4≥3菌柄长≤菌盖直径≤菌盖直径≤菌盖直径气味香菇香味、无异味香菇香味、无异味香菇香味、无异味残缺菇,%重量≤1重量≤3重量≤5褐色菌褶、虫孔、霉变菇,%重量≤1重量≤1重量≤5杂质,%重量≤1重量≤1重量≤1不允许混入物毒菇、异种菇、活虫体、动物毛发和排汇物、金属物5.2理化指标见表4:表4项目指标水分,%≤13粗蛋白,%≥10粗纤维,%≤15灰分,%≤76试验方法6.1肉眼观察颜色、厚薄、形状、开伞度、大小、菌柄、残缺、褐色菌褶、虫孔、霉变菇和杂质的情况,按分级标准检验。
干制食用菌生产批检表
一、产品信息
1. 产品名称: 干制食用菌
2. 生产日期:
3. 批次号:
4. 生产厂家:
二、外观检查
1. 外观特征:
2. 颜色:
3. 气味:
4. 杂质:
三、质量检测
1. 湿度:
2. 蛋白质含量:
3. 脂肪含量:
4. 碳水化合物含量:
5. 矿物质含量:
6. 维生素含量:
四、微生物检测
1. 大肠菌群检测:
2. 沙门氏菌检测:
3. 霉菌检测:
4. 酵母菌检测:
五、农药残留检测
1. 农药种类:
2. 农药残留量:
六、重金属检测
1. 铅含量:
2. 镉含量:
3. 汞含量:
4. 铬含量:
七、放射性检测
1. 放射性元素:
2. 放射性含量:
八、生产记录
1. 原材料采购记录:
2. 生产工艺记录:
3. 加工过程记录:
4. 质量控制记录:
九、检验结果
1. 合格/不合格:
2. 不合格项目:
3. 处理措施:
以上为干制食用菌生产批检表,用于检测干制食用菌的质量和安全性。
通过对外观、质量、微生物、农药残留、重金属、放射性以及生产记录的检测,确保产品符合相关标准和规定。
如有不合格项目,需要采取相应的处理措施,以保证产品的质量和安全。
我们始终把消费者的健康和满意放在首位,秉承严谨认真的态度,为您提供优质的食用菌产品。
闽东地区干香菇中总砷及无机砷含量的检测及分析作者:***来源:《食品安全导刊·下》2024年第07期摘要:本文用电感耦合等离子体质谱法和液相色谱-原子荧光光谱法分别测定干香菇及对应的培养基中总砷和无机砷[As(Ⅲ)、As(Ⅴ)两种不同形态的砷]的含量。
结果表明,干香菇中总砷含量为0.22~1.02 mg·kg-1,无机砷含量为0.11~0.44 mg·kg-1,其对应培养基中总砷含量为0.30~0.98 mg·kg-1,无机砷含量为0.18~0.58 mg·kg-1。
对比发现,干香菇中无机砷含量较高的,总砷含量也较高,其对应的培养基中无机砷和总砷的含量也较高。
香菇中无机砷与总砷之间存在一定的正相关关系。
所选闽东古田地区干香菇中无机砷的含量较低,符合食品安全国家标准要求,食用安全性较高。
关键词:干香菇;总砷;无机砷;电感耦合等离子体质谱法;液相色谱-原子荧光光谱法Abstract: The contents of total arsenic and inorganic arsenic in dried Lentinula edodes and corresponding medium were determined by inductively coupled plasma mass spectrometry and liquid chromatography-atomic fluorescence spectrometry. The results showed that the total arsenic content in dried Lentinula edodes was 0.22~1.02 mg·kg-1, the inorganic arsenic content was 0.11~0.44 mg·kg-1, and the total arsenic content in corresponding medium was 0.30~0.98 mg·kg-1, and the inorganic arsenic content was 0.18~0.58 mg·kg-1. It was found that the content of inorganic arsenic in dried Lentinula edodes was higher, the content of total arsenic was higher, and the content of inorganic arsenic and total arsenic in the corresponding medium was also higher. There was a positive correlation between inorganic arsenic and total arsenic in Lentinula edodes. The content of inorganic arsenic in dried Lentinula edodes in Gutian area of east Fujian province is low, which meets the requirements of national food safety standards and has high edible safety.Keywords: dried Lentinula edodes; total arsenic; inorganic arsenic; inductively coupled plasma mass spectrometry; liquid chromatography-atomic fluorescence spectroscopy香菇,又称冬菇,属口蘑科香菇属[1]。
第21卷第5期㊀㊀㊀㊀㊀㊀㊀㊀㊀重庆科技学院学报(自然科学版)2019年10月干制香菇和黑木耳的重金属含量检测李萍1㊀刘冬1㊀余碧霞1㊀谭伟2(1.安庆职业技术学院ꎬ安徽安庆246003ꎻ2.安徽省食品药品检验所ꎬ合肥230051)收稿日期:2019-04-30基金项目:安徽省高校优秀青年人才支持计划重点项目(gxyqZD2016516㊁gxyqZD2018120)ꎻ安徽省高校省级自然科学研究项目(KJ2015A368㊁KJ2018A0896)ꎻ安徽省小宗特色作物(瓜蒌)农药使用情况调查及主要有害生物防治药剂筛选项目作者简介:李萍(1985 )ꎬ女ꎬ博士ꎬ副教授ꎬ研究方向为作物及农产品安全ꎮ摘㊀要:从合肥市区的大型超市和农贸市场ꎬ采集安徽7家企业生产的干制香菇和黑木耳样品ꎬ运用石墨炉原子吸收光谱法㊁原子荧光光谱分析法等ꎬ检测了样品中的铅㊁镉㊁汞㊁砷4种重金属的含量ꎮ检测结果显示ꎬ每种重金属的平均含量从高到低的排序ꎬ在香菇中为砷㊁镉㊁铅㊁汞ꎬ在黑木耳中为铅㊁镉㊁砷㊁汞ꎮ干制香菇和黑木耳样品的重金属含量都处于安全水平ꎬ综合因子污染指数较低ꎬ归属非污染等级ꎮ关键词:食用菌ꎻ香菇ꎻ黑木耳ꎻ重金属ꎻ检测中图分类号:R155.5文献标识码:A文章编号:1673-1980(2019)05-0112-03㊀㊀食用菌富含人体必需的氨基酸㊁蛋白质㊁脂肪㊁碳水化合物㊁维生素和矿物质元素ꎬ但不利于人体健康的重金属元素如铅(Pb)㊁镉(Cd)㊁汞(Hg)㊁砷(As)等也会在食用菌中富集[1-2]ꎮ土壤和水体如果遭受重金属污染则将增加植物体内的重金属含量ꎬ从而也会导致食用菌中重金属含量的提高ꎮ食用菌美味可口ꎬ深受人们喜爱ꎮ为了防止食用菌给人们的身体健康造成不良影响ꎬ需要对食用菌的重金属含量进行科学检测和分析ꎮ近些年ꎬ安徽省的食用菌产业发展迅速ꎬ需高度重视食用菌安全问题ꎮ我们对安徽本地企业生产的干制香菇和黑木耳的重金属含量进行了抽样检测ꎮ1㊀材料与方法1.1㊀样品采集与检测方法根据食用菌供应情况和居民消费习惯ꎬ以合肥市区人口密集区的大型超市和农贸市场为样品采集点ꎮ采集了安徽的7家企业生产加工的干制香菇和黑木耳ꎬ每个样品各500gꎬ装入食品包装袋ꎬ及时送回实验室ꎮ将干制香菇和黑木耳样品除去杂质ꎬ均匀磨碎ꎬ过40目筛ꎬ然后放入洁净的塑料瓶内保存ꎮ样品处理方法㊁检测项目和检测方法如表1所示ꎮ其中ꎬPb㊁Cd㊁Hg和As的检出限分别为0.02㊁0.001㊁0 003㊁0.01mg∕kgꎮ对于未检出数据的ꎬ参照文献[3]的方法计算ꎮ1.2㊀重金属污染评价方法依据«食品中污染物限量»(GB2762-2017)的要求ꎬ对香菇和黑木耳的重金属含量作出评价和判定ꎮ其中ꎬ重金属Pb㊁Cd㊁Hg和As的限量指标分别为1.0㊁0.5㊁0.1㊁0.5mg∕kgꎮ采用单因子污染指数法和综合因子污染指数法对食用菌的污染程度进行评价[4]ꎬ计算公式如下ꎮPi=Ci∕Si表1 样品处理及检测方法检测项目依据标准编号检测方法㊀㊀样品处理方法PbGB5009.12-2017石墨炉原子吸收光谱法硝酸 高氯酸湿式消解法CdGB5009.15-2014石墨炉原子吸收光谱法硝酸 高氯酸湿式消解法HgGB5009.17-2014原子荧光光谱分析法硝酸 硫酸回流消解法AsGB5009.11-2014氢化物发生原子荧光光谱法硝酸 高氯酸 硫酸湿法211㊀㊀P综合=P2ave+P2max2式中:Pi为单因子污染指数ꎻCi为某一重金属的实测值ꎻSi为该指标限量标准值ꎻP综合为综合因子污染指数ꎻPave为平均单项重金属污染指数ꎻPmax为最大单项重金属污染指数ꎮ2㊀检测结果与分析2.1㊀同种食用菌对不同重金属的富集能力从7家企业生产的干制香菇和黑木耳中都检测出了重金属Pb㊁Cd㊁Hg和Asꎬ但其含量均未超标(见表2)ꎮ检测结果显示ꎬ同一种食用菌对不同重金属的富集能力有差异ꎮ在干制香菇样品中4种重金属的平均含量ꎬAs最高ꎬHg最低ꎬAs的平均含量是Hg的67.5倍ꎮ在干制黑木耳样品中ꎬPb的平均含量最高ꎬHg的平均含量最低ꎬPb的平均含量是Hg的19.5倍ꎮ在4种重金属中Hg的限量指标最低ꎬPb的限量指标最高ꎬ在香菇和黑木耳中检出的Hg的含量也是最小的ꎻ而香菇中As的含量明显高于Pbꎬ有的香菇样品中As的含量达0.4mg∕kgꎬ接近于限量指标值ꎮ2.2㊀不同食用菌对相同重金属的富集能力从表2可以看出ꎬ香菇和黑木耳对同一重金属的富集能力存在差异ꎮ在干制黑木耳样品中ꎬPb和Hg的平均含量分别是香菇的9.75倍和5倍ꎻ在香菇样品中Cd和As的平均含量略高于木耳ꎮ这可能与不同菌种对重金属的富集能力和生长环境条件有关ꎮ在香菇和黑木耳中汞的含量都是最低ꎬ这可能是由于其生长基质的Hg含量低ꎬ或者与香菇和黑木耳对Hg的富集能力较弱有关ꎮ2.3㊀香菇和黑木耳的重金属污染程度依据«农㊁畜㊁水产品污染监测技术规范»(NY∕T398-2000)ꎬ参照农㊁畜㊁水产品质量分级标准ꎬ通过计算单因子污染指数ꎬ得出检测的食用菌的分级ꎮ干制香菇和黑木耳样品的重金属单因子污染指数范围为0.02~0.27ꎬ综合污染指数为0.207ꎬ表明其中有污染物残留ꎬ污染物含量接近背景值或略高于背景值ꎬ但它们均为一级产品ꎬ综合评级为非污染ꎮ表2㊀干制香菇和黑木耳的重金属含量重金属干制香菇干制黑木耳含量范围∕(mg kg-1)平均含量∕(mg kg-1)超标率∕%含量范围∕(mg kg-1)平均含量∕(mg kg-1)超标率∕%PbND~0.0400.020000.130~0.2600.19500CdND~0.0800.04030ND~0.0400.02510HgND~0.0040.00200ND~0.0200.01000AsND~0.4000.135000.020~0.1400.09000㊀㊀㊀㊀㊀说明:ND表示未检出ꎬ计算时按照检出限值的一半进行统计ꎮ表3㊀香菇和黑木耳样品的重金属污染程度样品PbCdHgAsPi等级Pi等级Pi等级Pi等级P综合等级香菇0.020一级0.081一级0.020一级0.270一级黑木耳0.195一级0.050一级0.100一级0.180一级0.207非污染㊀㊀说明:P综合ɤ1ꎬ为非污染ꎻ1<P综合ɤ2ꎬ为轻污染ꎻ2<P综合ɤ3ꎬ为中污染ꎻ3<P综合ɤ5ꎬ为重污染ꎻP综合>5ꎬ为严重污染ꎮ3㊀结㊀语从合肥市区的超市和农贸市场采集样品ꎬ检测了安徽本地7家企业生产的干制香菇和黑木耳的重金属含量ꎮ检测结果显示ꎬ干制香菇样品中重金属的含量由高到低依次为As㊁Cd㊁Pb㊁Hgꎻ干制黑木耳样品中重金属含量由高到低的排序为Pb㊁Cd㊁As㊁Hgꎮ在香菇和黑木耳中Hg的平均含量均最低ꎬ分别为0.002mg∕kg和0.010mg∕kgꎮ这可能与其生长环境中Hg的含量和它们对Hg的富集能力有关ꎮ不同地区的不同食用菌的重金属含量存在差异ꎬ如福建省干制食用菌中As的平均含量最高为0.666mg∕kg[5]ꎬ攀枝花市干制食用菌中Cd的平均含量最高为0.949mg∕kg[6]ꎮ比较而言ꎬ这次检测的干制香菇和黑木耳样品ꎬ它们的重金属含量要低得多ꎮ食用菌中的重金属含量与其生长环境关系密切ꎮ在食用菌的栽培管理过程中ꎬ须注意控制其生长环境和基质中的重金属含量ꎮ311参考文献[1]黎勇ꎬ黄建国ꎬ袁玲.重庆市主要食用菌的重金属含量及评价[J].西南农业大学学报(自然科学版)ꎬ2006ꎬ28(2):231-235.[2]卢垣宇.2017年贵州省食用菌中铅㊁砷㊁镉㊁汞的检测与分析[J].山东化工ꎬ2018ꎬ47(7):74-75.[3]王绪卿ꎬ吴永宁ꎬ陈君石.食品污染监测低水平数据处理问题[J].中华预防医学杂志ꎬ2002ꎬ36(4):278-279.[4]杨国义ꎬ罗薇ꎬ高家俊ꎬ等.广东省典型区域蔬菜重金属含量特征与污染评价[J].土壤通报ꎬ2008ꎬ39(1):133-136.[5]蔡一新ꎬ华永有ꎬ吴晶文.福建省食用菌铅㊁砷㊁镉污染状况研究[J].卫生研究ꎬ2003ꎬ32(6):588-589. [6]朱琼仙ꎬ郭元ꎬ陶红霞ꎬ等.攀枝花市蔬菜中重金属污染状况及健康风险评价[J].中国热带医学ꎬ2018ꎬ18(5):473-476.DetectiontheContentofHeavyMetalinDriedLentinusEdodesandAuriculariaAuriculaLIPing1㊀LIUDong1㊀YUBixia1㊀TANWei2(1.AnqingVocationalandTechnicalCollegeꎬAnqingAnhui246003ꎬChinaꎻ2.AnhuiInstituteforFoodandDrugControlꎬHefei230051ꎬChina)Abstract:Theconcentrationsof4heavymetalelementsPbꎬCdꎬHgandAsintwokindsofdriedediblefungiofLentinusedodesandAuriculariaauriculainHefeisupermarketandfarmersᶄmarketproducedby7enterprisesaredetectedbymethodsofgraphitefurnaceatomicabsorptionspectrometryandatomicfluorescencespectrometry.TheresultsshowthattheaverageheavymetalcontentinLentinusedodesisAs>Cd>Pb>HgandinAuriculariaauriculaisPb>Cd>As>Hg.ThecontentsofheavymetalsindriedLentinusedodesandAuriculariaauriculasamplesareatasafelevelandthecomprehensivefactorpollutionindexislowꎬwhichmeanstheybelongtonon-pollutiongrade.Keywords:ediblefungiꎻLentinusedodesꎻAuriculariaauricularꎻheavymetalꎻdetection(上接第95页)StudyonEvaluationofRegionalStructureStabilityofConstructionSiteBasedonClusterAnalysisCHENWenjun1ꎬ2㊀LIDameng3ꎬ4㊀CHENXiaobing1㊀WANGZhiyi2(1.SichuanInstituteofCoalFieldGeologicalEngineeringExplorationandDesigningꎬChengdu610072ꎬChinaꎻ2.ChinaInstituteofGeo-EnvironmentMonitoringꎬBeijing100081ꎬChinaꎻ3.ChengduCenterofHydrogeologyandEngineeringGeologyꎬSichuanBureauofGeologyandMineralExplorationandDevelopmentꎬChengdu610081ꎬChinaꎻ4.SichuanEngineeringandTechnologyCenterofGroundwaterPollutionControlforEnvironmentalProtectionꎬChengdu610081ꎬChina)Abstract:Inordertoevaluateregionalstructuralstabilityofpowertransmissionandsubstationconstructionsitesꎬtheevaluationindexsystemforregionalstructuralstabilityisestablishedbasedonthedetermined14influencingfactorssuchasgeologicalstructureꎬfractureactivityꎬgeo-stresscharacteristicsandseismicconditions.FactorweightisdeterminedbyExpertScoringMethodꎬandthequalitativeindicatorsarequantitativelyvaluedꎻthebasicvalueofindexevaluationisdeterminedbynormalizingthevalueofindexevaluation.Assessmentdataofregionaltectonicstabilityinexistingfieldareasarecollectedandfinaldeterminationofthestabilitystateofregionalstructureinthefieldisevaluatedbyclusteranalysis.Inthispaperꎬtheregionaltectonicstabilityevaluationofpowertrans ̄missionandtransformationprojectsiteꎬGangusiteistakenasanexample.Theevaluationconclusionis relativelystable ꎬwhichisconsistentwiththeactualsiteoperation.Keywords:powertransmissionengineeringꎻconstructionsiteꎻregionalstructurestabilityꎻevaluationsystemꎻclus ̄teringanalysis411。
蔬果鉴定师速成班其他类蔬菜本期“蔬果鉴定师”速成班将传授最后一堂课,介绍菌类等其他蔬菜的鉴定方法。
其他类蔬菜的鉴定方法香菇香菇一般可分为鲜香菇和干香菇两种。
品质不佳的鲜香菇用水润湿后发黑或过干,用手一按就破碎。
袋装的鲜香菇在运输流通过程中因干燥等原因,实际重量常在标示重量之下,请各位购买时注意。
品质佳的干香菇:①同一袋的干香菇大小基本一致。
②具有香菇特有的香气。
③水分含量在13%以下。
④菌柄较短,根小。
⑤菌褶(菌盖内侧的皱褶部分)整齐、无缺陷,颜色为淡黄色至乳白色。
⑥肉厚、整齐,不全开启,呈半圆形或圆形。
⑦色泽鲜明。
⑧菌帽厚实,烹煮后有一定的汁液且咬劲好。
⑨无霉菌。
松菇品质佳的松菇:①肥而短。
②香气大。
③菌帽不开启,中等大小。
品质不佳的松菇:①菌帽过大、坚硬。
②缺乏香味。
③过干或过湿。
④菌柄弯曲、不佳,或有虫眼,用手指按时感觉松软。
海带品质佳的干海带:①一批海带中每条海带叶的宽度、厚度和重量较一致。
②颜色为黑中带绿褐色。
③无沙子附着。
品质不佳的干海带:①海带叶中有枯干叶(呈黄白色或更浅一些的颜色)、红叶(红褐色至红黄色)、粗糙叶(呈斑点状,一部分变成红黄色至红褐色)、虫蚀叶(受海螺等损害所致)、受伤叶(采收时被镰刀等割伤)等。
②颜色过黑,或呈绿褐色。
③有霉菌、异臭。
裙带菜品质佳的裙带菜:①手握时较硬。
②叶质较软,没有突起感。
③没有红叶、枯萎叶。
③颜色呈深绿色、绿色或黑褐色。
④切取干裙带菜的一部分,投入有水的杯中,很快泡发且叶较宽。
⑤无杂质等附着。
⑥一般冬天采取的裙带菜品质较好。
品质不佳的裙带菜:①颜色夹杂黄色。
②生虫。
紫菜品质佳的紫菜:①漆黑,稍发绿,有光泽。
②分量重。
③有紫菜特有的香气,且香气浓。
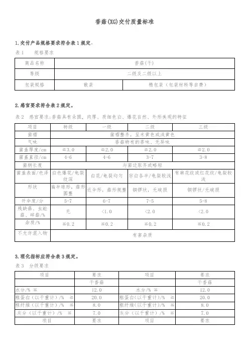
NY 5095—2002 无公害食品香菇1 范围本标准规定了无公害香菇的质量要求、试验方法、检验规则、标志、包装、运输和贮存。
本标准适用于代料栽培和段木栽培的香菇(Lentinus edodes),其中包括鲜香菇和干香菇。
2 规范性引用文件下列文件中的条款通过本标准的引用而成为本标准的条款。
凡是注日期的引用文件,其随后所有的修改单(不包括勘误的内容)或修订版均不适用于本标准,然而,鼓励根据本标准达成协议的各方研究是否可使用这些文件的最新版本。
凡是不注日期的引用文件,其最新版本适用于本标准。
GB/T 5009.11 食品中总砷的测定方法GB/T 5009.12 食品中铅的测定方法GB/T 5009.15 食品中镉的测定方法GB/T 5009.17 食品中总汞的测定方法GB/T 5009.20 食品中有机磷农药残留量的测定方法GB/T 5009.34 食品中亚硫酸盐的测定方法GB/T 5009.38—1996 蔬菜、水果卫生标准的分析方法GB 9687 食品包装用聚乙烯成型品卫生标准GB 9688 食品包装用聚丙烯成型品卫生标准GB/T 12530 食品菌取样方法GB/T 12531 食品菌水分测定GB/T 12533 食用菌杂质测定3 术语和定义下列术语和定义适用于本标准。
3.1杂质3.1.1一般杂质香菇成品以外的植物性物质(如:稻草、秸秆、木屑等)。
3.1.2有害杂质有毒、有害及其他有碍安全卫生的物质(如毒菇、霉菌、虫体、动物毛发和排泄物、金属、玻璃、砂石等。
)4 要求4.1 感官指标应符合表1规定。
4.2 卫生指标应符合表2规定。
表1 无公害香菇的感官指标表2 无公害香菇的卫生指标5 试验方法5.1 感官指标的检验5.1.1 肉眼观察外观、霉烂菇、虫蛀菇、一般杂质和有害杂质的情况。
5.1.2 鼻嗅气味。
5.1.3 杂质按GB/T 12533规定执行。
5.1.4 水分按GB/T 12531规定执行。
香菇验收方案
一、目的
明确检验标准,快速准确地对香菇进行检验,特制定本检验方案。
二、抽样方法
按照兼前顾后的原则,随机多点取样。
五、拒收条件
1. 品种不符,整批拒收;
2. 在抽检时发现有明显霉味,整批拒收;
3. 如在抽检时未发现有明显发霉、变质的而在生产使用时发现有明显发霉、
变质的现象,挑选使用,挑出有明显发霉、变质的经品控确认品质问题原因后处理;
4. 抽检时杂质比例超标, 按照抽样表的接收或拒收限值进行处理;
5. 水分≥18%,整批拒收,13-18%之间按超标率×到货数量扣重处理;
6. 干湿比不达标,按缺少比例×到货数量扣重处理;
7. 抽检过程中发现活虫体、动物排泄物,整批拒收;
8. 抽检时发现包装被污染,或包装物盛装过有毒有害物品的,整批拒收;
9. 运输车辆运输过有毒有害物品的,整批拒收。
食用菌(蘑菇)的食品检测标准食用菌(蘑菇)的食品检测标准食用菌包含有香菇、蘑菇、平菇、金针菇、黑木耳、银耳、金耳、猴头菇、灵芝、天麻、白灵菇、杏鲍菇、冬虫夏草等食(药)用菌等等。
以下为各种菌类测试的项目标准:香菇(GB/T1013-1998),灰树花(NY/T446-2001), 黑木耳(GB 6192-2008), 双孢蘑菇(NY/T224-2006),草菇(SB/T10038-1992,NY/T833-2004),无公害食品质茶树菇(NY/T5247-2004),银耳(NY/T834-2004), 口蘑(NY/T445-2001,),绿色食品食用菌(NY/T749-2003)。
从理化指标上来看:新鲜的食用菌:水分应该≦86.0,灰分≦8.0(野生菌≦12.0)干的食用菌:水分应该≦12.0(冷冻干燥≦6.0)香菇,黑木耳≦13.0. 灰分≦8.0(野生菌≦12.0)。
干湿比例在1:7~1:10(黑木耳≥1:12)。
食用菌粉:水分应该≦9.0从污染物,农药残留,食品添加剂限量上看,应符合以下指标:项目指标检测方法食用菌鲜品食用菌干品食用菌粉镉(以Cd计)≦0.2 ≦1.0(香菇≦2.0)GB/T5009.15六六六(BHC)≦0.05 NY/T761滴滴涕(DDT)≦0.05 NY/T761毒死蝉≦0.05 NY/T761乐果≦0.02 NY/T761溴氰菊酯≦0.05 NY/T761氯氰菊酯≦0.05 NY/T761多菌灵≦1 NY/T1680敌敌畏≦0.5 NY/T761百菌清≦2 NY/Y761亚硫酸盐(以≦10 ≦50 GB/T5009.34 SO2计)各农残检测项目除采用表中所列检测方法外,如有其他国家标准,行业标准以及部文公告的检测方法,且其检出限和定量限能满足限量值要求时,在检测时可采用。
微生物指标:大肠菌群,MPN/g <3.0 GB4789.3霉菌和酵母,CFU/g ≦50 GB4789.15致病菌(沙门氏菌,志贺氏菌,金黄色葡萄球菌)不得检出GB4789.4,GB/T4789.5.GB 4789.10。
越干越香、越轻越佳?干香菇用这4招挑出好质量!干香菇是平日厨房中不可或缺的重要食材,更是逢年过节时,主妇们运用最广泛的干货之一。
干香菇的决胜重点在于烘干技术,够干燥,香味才能留得住,建议民众选购的时候可以用手摸摸看,如果已经受潮的香菇摸起来是软软的,并且闻闻是否有股清香味,没有怪味只有菇类原本的香气,才是好质量的香菇,也可请教店家能不能试吃,取小片含在口中确认是否鲜香。
氯化钙价格各种菇菇有什么差异 ?花菇:特征是表面有白色裂痕,目前多为韩国进口,花菇特性耐煮,适合与栗子、白萝卜等食材一起卤,或用来煲汤。
香菇:香菇多会把菇蒂去除,留下底部和蕈伞交接处较为工整的切面。
因质量优劣差异较大,民众可依需求评估是否购买,在选购时也应多看多比较。
外观VS.口感香菇的种类繁多,没有所谓好与不好的问题;香菇的挑选端看民众喜欢的口感与用途决定,不同品种都有不同特性。
蕈伞较圆的香菇,烹煮之后的口感软脆,蕈伞较尖的香菇,口感则较为弹牙有嚼劲。
还有另外一种面积较小、厚度较薄的小香菇,肉质薄脆,花费省一点,鲜甜程度却不输大朵香菇。
左边的蕈伞较圆,口感软脆;右边蕈伞较尖,较有嚼劲。
辨别栽培方式养殖菇的切头较平整,柴菇(天然香菇)会自然于木材上脱落,蒂头部会呈现扭曲状。
两者之间,材菇的气味较养殖菇清新,但是因为比较稀少,价钱相对较高。
一般来说,柴菇的平均售价会较养殖菇贵。
买菇 4 重点蕈伞白中带黄较佳:蕈伞部分呈现自然的「白带黄」的颜色是没有问题的,如果发现蕈伞变黑或是黄带黑色,应避免挑选。
越干越香,越轻越佳:香菇够干才会够香,挑选时可用手摸摸看确认是否够干燥,再来就是用手捧捧看,越轻表示烘得越干,最后将捧在手上的香菇放掉,听听看掉落的声音,越清脆表示越干燥。
外型要完整:香菇大小朵主要是关系到咬起来的口感,所以通常越大朵口感较佳但价格越贵,但就香味而言,达人建议中型尺寸的香菇就可以了。
好的香菇外型要完整,香菇内壁颜色呈均匀黄色、菇冠呈现暗黑色以及菇体外观稍有扭曲型如钮釦为最佳。
干香菇验收标准
一一、目的
本标准旨在规定干香菇的验收要求,确保其质量符合市场需求。
通过明确各项指标,提高采购的效率和满意度。
二、外观完整
干香菇应呈完整的伞形,边缘平滑,无明显破损或裂纹。
菌伞表面应具有明显的纹理,呈现自然的色泽。
菌柄应粗细均匀,无弯曲或畸形现象。
三、颜色均匀
干香菇的颜色应均匀一致,呈现自然的光泽。
菌伞和菌柄的颜色应与新鲜香菇相近,不应有过大的色差。
四、气味香浓
干香菇应具有浓郁的香菇香味,无异味或杂味。
嗅觉体验应舒适,无刺激性的气味。
五、水分适度
干香菇的水分含量应适中,确保香菇的干燥程度和口感。
过度干燥的香菇会影响口感和食用价值,因此水分含量应合理控制。
六、菌伞完整
菌伞表面应完整,能看出其生产过程非常讲究;这样的
干香菇才会好看。
破伞不要太多,因为破伞不仅影响美观度,而且还会影响食用价值。
七、菌柄均匀
菌柄粗细均匀,长度适中,呈现出自然的状态。
过粗或过细的菌柄都不利于香菇的采收和食用。
八、无虫蛀痕迹
干香菇应无虫蛀痕迹,确保其无虫害和药残等问题。
若发现虫蛀痕迹,则应采取相应的处理措施,避免进一步的质量问题。
九、无化学残留
干香菇应无化学残留,如农药、添加剂等。
化学残留会对人体健康造成潜在威胁,因此必须确保干香菇的质量安全。
生产日期清晰:日期应该清晰可见,不易模糊或被擦掉。
这样可以确保产品的新鲜度和可追溯性。
干制食用菌作业指导书一、实验目的了解干制食用菌的生产过程和贮藏方法。
二、实验原理干制食用菌是将新鲜的食用菌通过晾晒、烘干等方法处理后的干燥产品,可以有效地延长食用菌的保质期,并方便运输和贮藏。
干制食用菌的生产过程主要包括采摘、清洗、处理、烘干、包装等步骤。
合理地控制这些步骤,可以获得高品质的干制食用菌。
三、实验内容1.采购新鲜食用菌,选择质量好、品种全、口感佳的食用菌进行加工;2.将采摘来的食用菌进行清洗,去掉表面污垢和芯;3.采用高温烘干的方法对蘑菇、金针菇等食用菌进行处理,以保持干制食用菌的质量;4.将处理后的食用菌进行包装,储存在阴凉、通风、干燥处,以延长保质期;5.对制作出来的干制食用菌进行质量检测。
四、实验步骤1.准备工作:①采购新鲜食用菌,选择质量好、品种全、口感佳的食用菌进行加工;②准备清洗工具和器材,包括清洗盆、清洗刷、清水等;③准备烘干设备,包括烘干箱、烘干网等;④准备包装材料,包括塑料袋、夹层纸、热封机等;⑤准备质量检测器材,包括检测工具、检测指标等。
2.食用菌清洗:将采摘来的食用菌进行清洗,去掉表面污垢和芯。
清洗方法:将食用菌放入清洗盆中,加入清水进行清洗,用清洗刷轻轻刷洗食用菌表面,将表面的污垢和芯去掉。
3.食用菌处理:采用高温烘干的方法对蘑菇、金针菇等食用菌进行处理,以保持干制食用菌的质量。
处理方法:将清洗后的食用菌,放在烘干网上,放入烘干箱中进行高温烘干。
烘干温度控制在70℃左右,时间根据食用菌品种和烘干设备不同,一般在1~3小时。
4.包装与贮藏:将处理后的食用菌进行包装,储存在阴凉、通风、干燥处,以延长保质期。
包装方法:将烘干好的食用菌装入塑料袋中,每袋不要装过多,尽量保持食用菌的形状。
将塑料袋放入夹层纸袋中,封口后用热封机加热粘合。
储存方法:将包装好的食用菌储存在阴凉、通风、干燥处,避免阳光直射和潮湿环境。
5.质量检测:对制作出来的干制食用菌进行质量检测,主要包括外观、色泽、气味、口感、含水率等指标的测试。
出口干香菇检验规程(二)4.1 检验批以不超过1000件(箱)为一检验批,同一检验批的商品应具有相同的特征:如包装、标志、产地、规格和等级。
4.2 抽样条件抽样应在清洁干燥、光芒良好的室内仓库举行。
4.3 抽样器具乳胶手套;无毒塑料袋(样品袋要求清洁、干燥、无异味);约1m,的无毒塑料布一块。
4.4 抽样数量抽祥数量按式(1)计算:式中:s—抽样件(箱)数; N—全批总件(箱)数。
4.5 抽样办法和数量 4.5.1从每批商品的堆垛上、下、内、外各部位随机抽取样件(箱),然后将样件(箱)打开后,戴上手套,从件(箱)内上、中、下部位抽取样品,每件约50~100g,准时装入盛样袋内,每批原始样品不少于1000 g。
4.5.2 倒包检查:在抽样过程中,按抽样数10%的件(箱)数(不得少于3件),逐件(箱)将干香菇所有倾出,反复翻动检查,确定无异样状况或品质无显著差异,然后才抽取样品。
4.6 样品制备与保存 4.6.1 样品制备:将已取得的全批原始样品倒于分样台或分样用塑料布上,充分混合,用四分法缩分成二份不少于500 g的样品,一份供检验,一份备查。
备查样品,袋外注明品名、等级、输往国别、抽样人姓名和抽样日期等。
4.6.2 样品保存:取得的存查样品,应存放在阴凉、干燥的样品间内,保存期四个月。
5 检验按检验批,对出口产品包装用法性能及标记检验、分量检验、感官检验、规格检验、理化检验等。
5.1 检验场所条件检验场所应清洁、干燥、自然光芒充沛、无异味。
5.2 检验器具 a)磅秤感量:0.1 kg,称重最大值应在被称物分量的5倍以内,特别状况不得超过10倍; b)托盘天平感量:0.1 g ; c)天平感量:0.01 g ; d)电热烘箱控制温度在±2℃范围内; e)铝质烘皿有盖,高约20 mm,内径约80 mm; f)干燥器内盛有效干燥剂(硅胶); g)游标卡尺 0~125 mm; h)不锈钢直尺 0~15 cm; i)搪瓷盘、乳胶手套、剪刀。
出口脱水蘑菇检验规程(二)5 检验按检验批对脱水蘑菇举行包装标记检验、分量检验、感官检验、理化检验、蛆螨检验、徽生物检验。
5.1 检验场所条件及设备 5.1.1 检验场所应光芒光明、严厉全都、通风良好、温度相宜、清洁卫生、无异味。
5.1.2 器具: 5.1.2.1 白色搪瓷盘(30 cm×40 cm)。
5.1.2.2 镊子。
5.1.2.310倍放大镜。
5.1.2.4 检验台:易于清洗消毒,清洁卫生无异味。
5.1.2.5 衡器称量最大值应在被称物分量的5倍之内,特别状况可适当放宽,但不得超过10倍。
0.1g感量天平;0.01g感量天平,0.2kg台秤。
5.2 包装标记检验 5.2.1 外包装检验检查包装用法性能.即检查外包装是否结实、完整,是否清洁卫生,有无污染、破损、湿润、发霉现象,封口是否牢固.适合于长途运送。
5.2.2 内包装检验检查内包装塑料袋有无破损、污染。
扎口或封口是否牢固,符合规定。
5.2.3 标记检验检查包装上的品名、唛头、批号、分量等标记是否精确、清楚并与内容物相符。
5.3 分量检验 5.3.1 毛重:按检验批总数的5%抽取.经校正的衡器过重,核算平均毛重。
5.3.2 皮重:按检验批总数的1%比例抽取皮重,核算平均皮重,但最少不少于10件。
5.3.3 净重:按照毛重与皮重核算出抽查毛重部分的总净重,并按式(2)计算: W=W1-W2······(2) 式中:W —每件净重,kg; W1—每件毛重,kg; W2—每件皮重,kg。
5.4 感官检验。
5.4.1 外观品质检验按照本品种的外观质量要求,并严格根据出口合同、等级标样或成交小样的质量,检验其色泽、气味、外形、片形,逐项举行对比,并评定产品质量的优劣,分批分项对本标准定义中所规定的缺陷片(焦片、虫蛀片、污染片等)用0.1g感量天平称重并作好记录,按式(3)计算不合格百分比。
一、实验目的1. 学习香菇干提取的基本原理和方法。
2. 掌握香菇多糖的提取与纯化技术。
3. 分析超声波辅助酶法对香菇多糖提取率的影响。
二、实验原理香菇(Lentinula edodes)是一种高营养、高价值的食用菌,含有丰富的蛋白质、氨基酸、矿物质、维生素和香菇多糖等活性成分。
香菇多糖具有抗肿瘤、免疫调节、抗病毒、降血糖等多种生物活性。
本实验采用超声波辅助酶法提取香菇多糖,并对其提取率进行考察。
三、实验材料与仪器1. 实验材料:- 香菇:新鲜香菇- 纤维素酶:Sigma公司- 3,5-二硝基水杨酸(DNS):Sigma公司- 硫酸铵:分析纯- 乙醇:分析纯- 乙酸乙酯:分析纯- 无水硫酸钠:分析纯2. 实验仪器:- 超声波清洗器:北京科汇仪器有限公司- 电子天平:上海精密科学仪器有限公司- 高速离心机:德国Eppendorf公司- 紫外-可见分光光度计:美国Thermo Fisher公司- 恒温水浴锅:上海申博仪器有限公司- 烘箱:上海申博仪器有限公司四、实验方法1. 香菇预处理:将新鲜香菇洗净、去杂、切片,在60℃下烘干至恒重。
2. 香菇多糖提取:a. 将烘干后的香菇粉末与适量的纤维素酶混合,加入一定量的蒸馏水,超声处理一定时间。
b. 将混合液在室温下搅拌一定时间,使酶充分作用于香菇粉末。
c. 将混合液在高速离心机中以4000r/min离心10min,取上清液。
3. 香菇多糖纯化:a. 将上清液加入适量的硫酸铵,使蛋白质盐析。
b. 将混合液在高速离心机中以4000r/min离心10min,取沉淀。
c. 将沉淀用蒸馏水溶解,加入适量的乙酸乙酯,振荡、静置,取上层溶液。
d. 将上层溶液加入适量的无水硫酸钠,静置过夜,取沉淀。
e. 将沉淀用乙醇洗涤、干燥,得到香菇多糖。
4. 香菇多糖含量测定:a. 配制一定浓度的DNS溶液,备用。
b. 将提取的香菇多糖溶液加入DNS溶液,沸水浴一定时间。
c. 在540nm波长下测定吸光度。