施2015-66基坑支护变形监测记录
- 格式:xls
- 大小:20.00 KB
- 文档页数:1
基坑安全维护监测记录(样表)1. 项目信息- 项目名称:- 施工单位:- 监理单位:- 监测日期:2. 基坑信息- 基坑位置:- 基坑尺寸:- 基坑深度:- 基坑支护形式:- 基坑支护材料:3. 监测内容- 地下水位监测:- 监测点1:- 监测日期:- 水位:- 监测点2:- 监测日期:- 水位:- 监测点3:- 监测日期:- 水位:- 周边建筑物变位监测:- 监测点1:- 监测日期:- 变位情况:- 监测点2:- 监测日期:- 变位情况:- 监测点3:- 监测日期:- 变位情况:- 地表沉降监测:- 监测点1:- 监测日期:- 沉降情况:- 监测点2:- 监测日期:- 沉降情况:- 监测点3:- 监测日期:- 沉降情况:4. 监测结果分析- 地下水位监测分析:- 监测点1:- 变化趋势:- 影响因素分析:- 监测点2:- 变化趋势:- 影响因素分析:- 监测点3:- 变化趋势:- 影响因素分析:- 周边建筑物变位监测分析:- 监测点1:- 变化趋势:- 影响因素分析:- 监测点2:- 变化趋势:- 影响因素分析:- 监测点3:- 变化趋势:- 影响因素分析:- 地表沉降监测分析:- 监测点1:- 变化趋势:- 影响因素分析:- 监测点2:- 变化趋势:- 影响因素分析:- 监测点3:- 变化趋势:- 影响因素分析:5. 处理措施- 地下水位处理措施:- 监测点1:- 处理日期:- 处理方法:- 监测点2:- 处理日期:- 处理方法:- 监测点3:- 处理日期:- 处理方法:- 周边建筑物变位处理措施:- 监测点1:- 处理日期:- 处理方法:- 监测点2:- 处理日期:- 处理方法:- 监测点3:- 处理日期:- 处理方法:- 地表沉降处理措施:- 监测点1:- 处理日期:- 处理方法:- 监测点2:- 处理日期:- 处理方法:- 监测点3:- 处理日期:- 处理方法:6. 备注- 其他需要记录的信息可以在此处备注。
基坑支护基坑支护水平移位和竖向移位检测记录表工程名称:略阳县玉河家园移民安置楼报表编号:001工程负责人:监测单位:陕西鸿兴建设有限责任公司基坑支护水平移位和竖向移位检测日报表工程名称:略阳县玉河家园移民安置楼报表编号:002基坑支护水平移位和竖向移位检测日报表工程名称:略阳县玉河家园移民安置楼报表编号:003观测者:刘禹计算者:刘禹校核者:测试时间:2014年8月26日9 时工程负责人:监测单位:陕西鸿兴建设有限责任公司基坑支护水平移位和竖向移位检测日报表工程名称:略阳县玉河家园移民安置楼报表编号:004工程负责人:监测单位:陕西鸿兴建设有限责任公司基坑支护水平移位和竖向移位检测日报表工程名称:略阳县玉河家园移民安置楼报表编号:005观测者:刘禹计算者:刘禹校核者:测试时间:2014年8月28日9 时工程负责人:监测单位:陕西鸿兴建设有限责任公司基坑支护水平移位和竖向移位检测日报表工程名称:略阳县玉河家园移民安置楼报表编号:006工程负责人:监测单位:陕西鸿兴建设有限责任公司基坑支护水平移位和竖向移位检测日报表工程名称:略阳县玉河家园移民安置楼报表编号:007工程负责人:监测单位:陕西鸿兴建设有限责任公司基坑支护水平移位和竖向移位检测日报表工程名称:略阳县玉河家园移民安置楼报表编号:008观测者:刘禹计算者:刘禹校核者:测试时间:2014年8月31日9 时工程负责人:监测单位:陕西鸿兴建设有限责任公司基坑支护水平移位和竖向移位检测日报表工程名称:略阳县玉河家园移民安置楼报表编号:009观测者:刘禹计算者:刘禹校核者:测试时间:2014年8月1日9 时基坑支护水平移位和竖向移位检测日报表工程名称:略阳县玉河家园移民安置楼报表编号:010工程负责人:监测单位:陕西鸿兴建设有限责任公司基坑支护水平移位和竖向移位检测日报表工程名称:略阳县玉河家园移民安置楼报表编号:011基坑支护水平移位和竖向移位检测日报表工程名称:略阳县玉河家园移民安置楼报表编号:012观测者:刘禹计算者:刘禹校核者:测试时间:2014年8月7日9 时工程负责人:监测单位:陕西鸿兴建设有限责任公司基坑支护水平移位和竖向移位检测日报表工程名称:略阳县玉河家园移民安置楼报表编号:013工程负责人:监测单位:陕西鸿兴建设有限责任公司基坑支护水平移位和竖向移位检测日报表工程名称:略阳县玉河家园移民安置楼报表编号:014工程负责人:监测单位:陕西鸿兴建设有限责任公司基坑支护水平移位和竖向移位检测日报表工程名称:略阳县玉河家园移民安置楼报表编号:015观测者:刘禹计算者:刘禹校核者:测试时间:2014年8月13日9 时工程负责人:监测单位:陕西鸿兴建设有限责任公司基坑支护水平移位和竖向移位检测日报表工程名称:略阳县玉河家园移民安置楼报表编号:016观测者:刘禹计算者:刘禹校核者:测试时间:2014年8月15日9 时基坑支护水平移位和竖向移位检测日报表工程名称:略阳县玉河家园移民安置楼报表编号:017工程负责人:监测单位:陕西鸿兴建设有限责任公司基坑支护水平移位和竖向移位检测日报表工程名称:略阳县玉河家园移民安置楼报表编号:018观测者:刘禹计算者:刘禹校核者:测试时间:2014年8月19日9 时工程负责人:监测单位:陕西鸿兴建设有限责任公司基坑支护水平移位和竖向移位检测日报表工程名称:略阳县玉河家园移民安置楼报表编号:019观测者:刘禹计算者:刘禹校核者:测试时间:2014年8月21日9 时基坑支护水平移位和竖向移位检测日报表工程名称:略阳县玉河家园移民安置楼报表编号:020工程负责人:监测单位:陕西鸿兴建设有限责任公司基坑支护水平移位和竖向移位检测日报表工程名称:略阳县玉河家园移民安置楼报表编号:021工程负责人:监测单位:陕西鸿兴建设有限责任公司基坑支护水平移位和竖向移位检测日报表工程名称:略阳县玉河家园移民安置楼报表编号:022基坑支护水平移位和竖向移位检测日报表工程名称:略阳县玉河家园移民安置楼报表编号:023观测者:刘禹计算者:刘禹校核者:测试时间:2014年3月1日9 时基坑支护水平移位和竖向移位检测日报表工程名称:略阳县玉河家园移民安置楼报表编号:024工程负责人:监测单位:陕西鸿兴建设有限责任公司基坑支护水平移位和竖向移位检测日报表工程名称:略阳县玉河家园移民安置楼报表编号:025工程负责人:监测单位:陕西鸿兴建设有限责任公司基坑支护水平移位和竖向移位检测日报表工程名称:略阳县玉河家园移民安置楼报表编号:026观测者:刘禹计算者:刘禹校核者:测试时间:2014年3月7日9 时基坑支护水平移位和竖向移位检测日报表工程名称:略阳县玉河家园移民安置楼报表编号:027观测者:刘禹计算者:刘禹校核者:测试时间:2014年3月9日9 时工程负责人:监测单位:陕西鸿兴建设有限责任公司基坑支护水平移位和竖向移位检测日报表工程名称:略阳县玉河家园移民安置楼报表编号:028工程负责人:监测单位:陕西鸿兴建设有限责任公司基坑支护水平移位和竖向移位检测日报表工程名称:略阳县玉河家园移民安置楼报表编号:029基坑支护水平移位和竖向移位检测日报表工程名称:略阳县玉河家园移民安置楼报表编号:030观测者:刘禹计算者:刘禹校核者:测试时间:2014年3月15日9 时基坑支护水平移位和竖向移位检测日报表工程名称:略阳县玉河家园移民安置楼报表编号:031观测者:刘禹计算者:刘禹校核者:测试时间:2014年3月17日9 时工程负责人:监测单位:陕西鸿兴建设有限责任公司基坑支护水平移位和竖向移位检测日报表工程名称:略阳县玉河家园移民安置楼报表编号:032基坑支护水平移位和竖向移位检测日报表工程名称:略阳县玉河家园移民安置楼报表编号:033工程负责人:监测单位:陕西鸿兴建设有限责任公司基坑支护水平移位和竖向移位检测日报表工程名称:略阳县玉河家园移民安置楼报表编号:034观测者:刘禹计算者:刘禹校核者:测试时间:2014年3月23日9 时工程负责人:监测单位:陕西鸿兴建设有限责任公司基坑支护水平移位和竖向移位检测日报表工程名称:略阳县玉河家园移民安置楼报表编号:035工程名称:略阳县玉河家园移民安置楼报表编号:036工程名称:略阳县玉河家园移民安置楼报表编号:037工程名称:略阳县玉河家园移民安置楼报表编号:038工程名称:略阳县玉河家园移民安置楼报表编号:039工程名称:略阳县玉河家园移民安置楼报表编号:040工程名称:略阳县玉河家园移民安置楼报表编号:041工程名称:略阳县玉河家园移民安置楼报表编号:042工程名称:略阳县玉河家园移民安置楼报表编号:043工程名称:略阳县玉河家园移民安置楼报表编号:044工程名称:略阳县玉河家园移民安置楼报表编号:045工程名称:略阳县玉河家园移民安置楼报表编号:046工程名称:略阳县玉河家园移民安置楼报表编号:047工程名称:略阳县玉河家园移民安置楼报表编号:048工程名称:略阳县玉河家园移民安置楼报表编号:049。
湘质监统编表目录工程材料/构配件/设备供应单位资格报审表工程名称:编号:001工程材料/构配件/设备报审表工程名称:编号:001建筑安装材料、设备及配件产品进场验收记录工程名称:年月日共1页第1页注:质量证明书系指该批产品出厂前的质量检验报告;外观质量系指国家标准规定该产品的外观质量;是否抽样送检是指按国家规定,需进行物理力学等安全、功能性检(试)验的产品是否抽样送检。
文案大全文案大全5分部(子分部)工程质量验收记录注:1、分部工程验收前,质量控制资料、安全和功能检验结果、观感质量检验结果等资料需检查合格;湘质监统编 施2015-052、勘察单位只参加地基和基础分部工程的验收。
31施工组织设计方案报审表工程名称:中建·梅西湖壹号3期C 区消防工程 编号:001 致: (项目监理机构)我方已完成 工程施工组织设计/(专项)施工方案的编制和审批,请予以审查。
附: 施工组织设计专项施工方案 施工方案单位工程分部分项工程划分方案 工程试验检测方案施工项目经理部(盖章)项目经理(签字)月 日审查意见:专业监理工程师(签字):月 日 审查意见:项目监理机构(盖章)总监理工程师(签字加盖执业印章):月 日审查意见:建设单位(盖章)建设单位代表(签字):月 日湘质监统编 施2015-31施工技术交底记录工程名称:施工单位:编号:001图纸会审记录工程名称:年月日编号:001注:施工单位整理汇总图纸会审记录应一式六份,并应由建设单位、勘察单位、设计单位、监理单位、施工单位、城建档案馆各保存一份,表中勘察、设计单位签字栏应为项目专业设计负责人的签字,建设单位、施工单位签字栏为项目技术负责人或相关专业负责人签字,监理单位应为总监理工程师签字。
工程开工报审表工程名称:编号:00139单位工程开工报告实用文档文案大全。
基坑支护安全检查记录表(最新版)编制人:__________________审核人:__________________审批人:__________________编制单位:__________________编制时间:____年____月____日序言下载提示:该文档是本店铺精心编制而成的,希望大家下载后,能够帮助大家解决实际问题。
文档下载后可定制修改,请根据实际需要进行调整和使用,谢谢!并且,本店铺为大家提供各种类型的安全管理制度,如通用安全、交通运输、矿山安全、石油化工、建筑安全、机械安全、电力安全、其他安全等等制度,想了解不同制度格式和写法,敬请关注!Download tips: This document is carefully compiled by this editor. I hope that after you download it, it can help you solve practical problems. The document can be customized and modified after downloading, please adjust and use it according to actual needs, thank you!In addition, this shop provides you with various types of safety management systems, such as general safety, transportation, mine safety, petrochemical, construction safety, machinery safety, electrical safety, other safety, etc. systems, I want to know the format and writing of different systems ,stay tuned!基坑支护安全检查记录表被检查单位(全称):检查部位:编号:此表一式二份,工程结束后一份交业主,一份施工单位存档。
湘质监统编表目录
工程材料/构配件/设备供应单位资格报审表
工程名称:编号:001
工程材料/构配件/设备报审表
工程名称:编号:001
..下载可编辑.. 建筑安装材料、设备及配件产品进场验收记录
工程名称:年月日共1页第1页
注:质量证明书系指该批产品出厂前的质量检验报告;外观质量系指国家标准规定该产品的外观质量;是否抽样送检是指按国家规定,需进行物理力学等安全、功能性检(试)验的产品是否抽样送检。
..下载可编辑..
分部(子分部)工程质量验收记录
注:1、分部工程验收前,质量控制资料、安全和功能检验结果、观感质量检验结果等资料需检查合格;
2、勘察单位只参加地基和基础分部工程的验收。
施工组织设计方案报审表
工程名称:中建·梅西湖壹号3期C区消防工程编号:001
施工技术交底记录
工程名称:施工单位:编号:001
图纸会审记录
工程名称:年月日编号:001
注:施工单位整理汇总图纸会审记录应一式六份,并应由建设单位、勘察单位、设计单位、监理单位、施工单位、城建档案馆各保存一份,表中勘察、设计单位签字栏应为项目专业设计
负责人的签字,建设单位、施工单位签字栏为项目技术负责人或相关专业负责人签字,监理单位应为总监理工程师签字。
工程开工报审表
工程名称:编号:001
39
单位工程开工报告。
湘质监统编表目录工程材料/构配件/设备供应单位资格报审表工程名称:编号:001工程材料/构配件/设备报审表工程名称:编号:001湘质监统编2015 Array 104建筑安装材料、设备及配件产品进场验收记录工程名称:年月日共1页第1页月日注:质量证明书系指该批产品出厂前的质量检验报告;外观质量系指国家标准规定该产品的外观质量;是否抽样送检是指按国家规定,需进行物理力学等安全、功能性检(试)验的产品是否抽样送检。
5分部(子分部)工程质量验收记录湘质监统编 施2015-052、勘察单位只参加地基和基础分部工程的验收。
31施工组织设计方案报审表工程名称:中建·梅西湖壹号3期C 区消防工程 编号:001 致: (项目监理机构)我方已完成 工程施工组织设计/(专项)施工方案的编制和审批,请予以审查。
附: 施工组织设计专项施工方案 施工方案单位工程分部分项工程划分方案 工程试验检测方案施工项目经理部(盖章)项目经理(签字)月 日审查意见:专业监理工程师(签字):月 日 审查意见:项目监理机构(盖章)总监理工程师(签字加盖执业印章):月 日审查意见:建设单位(盖章)建设单位代表(签字):月 日湘质监统编 施2015-31施工技术交底记录工程名称:施工单位:编号:001图纸会审记录工程名称:年月日编号:001负责人的签字,建设单位、施工单位签字栏为项目技术负责人或相关专业负责人签字,监理单位应为总监理工程师签字。
工程开工报审表工程名称:编号:00139单位工程开工报告。
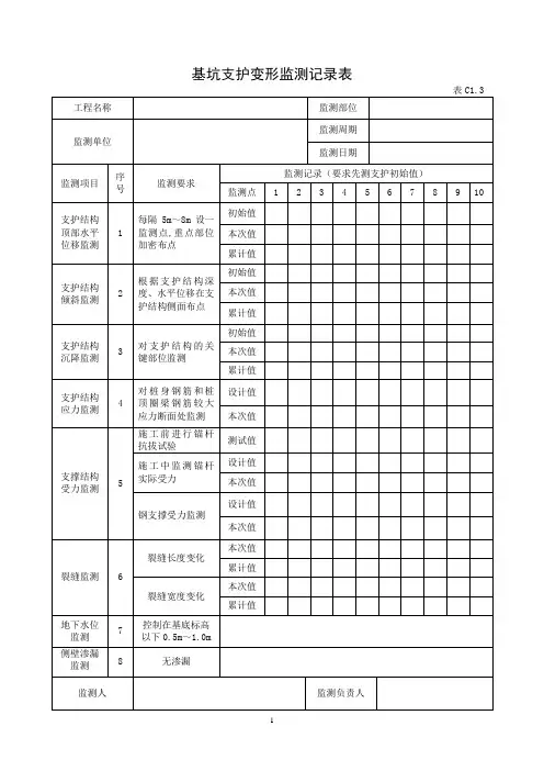
基坑支护变形监测记录基坑支护变形监测是指在土木工程施工中对基坑支护体进行变形监测的过程。
基坑支护是为了保证土方开挖过程中土体的稳定性而进行的一系列工程措施。
基坑支护体变形监测是对这些措施的有效性进行评估的重要手段,有助于保障施工的安全和质量。
1.监测目的:需要明确该次监测的目的以及所要达到的效果。
例如,是否为了评估施工前后地下水位变化对支护体的影响,或者评估施工过程中支护体的变形情况等。
2.监测方法:记录使用的监测方法,包括监测设备、监测点布置和监测周期等。
常用的监测方法有测量孔法、全站仪法、倾斜仪法等。
3.监测过程:详细记录监测过程中的操作步骤、监测点的选择和布置情况、监测设备的使用情况等。
同时,还需记录监测过程中发现的问题和解决措施,如监测点测不出数据、设备故障等。
4.监测数据:将监测得到的原始数据进行整理和汇总,包括监测点的测量数据和变形量计算结果等。
对于监测点,需要记录测量时间、测量参数、测量值、测量精度等。
5.数据处理与分析:对监测数据进行处理与分析,包括数据的平滑处理、趋势分析、变形特征分析等。
根据分析结果,评估支护体的变形情况以及是否符合设计要求,进一步指导施工工艺的调整和优化。
6.结论与建议:根据监测数据的分析结果,给出本次监测的结论和建议。
结论应明确地评估支护体的安全性和稳定性,是否需要调整支护体结构或施工工艺等。
建议可以包括加强支护措施、改进施工方法或者增加监测频率等。
7.监测报告:将监测记录整理成监测报告,报告中应包含本次监测的目的、方法、过程、数据、分析结果、结论和建议等。
监测报告是对监测工作的总结和总结,并提供给相关人员进行参考。
基坑支护变形监测记录的重要性不可忽视。
通过监测记录,可以实时了解基坑支护体的变形情况,及时发现问题并采取措施,确保施工的安全性和质量。
基坑支护变形监测记录是施工单位与监理单位交流的重要依据之一,同时也为后续类似工程提供参考和经验。
因此,对基坑支护变形监测记录的编写和整理要严谨,尽量详细和准确,以便后续的分析和研究。
湘质监统编表目录工程材料/构配件/设备供应单位资格报审表工程名称:编号:001工程材料/构配件/设备报审表工程名称:编号:001建筑安装材料、设备及配件产品进场验收记录工程名称:年月日共1页第1页施工单位项目技术负责人:总监理工程师(建设单位项目技术负责人):监理(建设)项目部(章)年月日注:质量证明书系指该批产品出厂前的质量检验报告;外观质量系指国家标准规定该产品的外观质量;是否抽样送检是指按国家规定,需进行物理力学等安全、功能性检(试)验的产品是否抽样送检。
分部(子分部)工程质量验收记录注:1、分部工程验收前,质量控制资料、安全和功能检验结果、观感质量检验结果等资料需检查合格;2、勘察单位只参加地基和基础分部工程的验收。
施工组织设计方案报审表工程名称:中建·梅西湖壹号3期C区消防工程编号:001 致:(项目监理机构)我方已完成工程施工组织设计/(专项)施工方案的编制和审批,请予以审查。
附:施工组织设计专项施工方案施工方案单位工程分部分项工程划分方案工程试验检测方案施工项目经理部(盖章)项目经理(签字)月日审查意见:专业监理工程师(签字):月日审查意见:项目监理机构(盖章)总监理工程师(签字加盖执业印章):月日审查意见:建设单位(盖章)建设单位代表(签字):月日施工技术交底记录工程名称:施工单位:编号:001图纸会审记录工程名称:年月日编号:001注:施工单位整理汇总图纸会审记录应一式六份,并应由建设单位、勘察单位、设计单位、监理单位、施工单位、城建档案馆各保存一份,表中勘察、设计单位签字栏应为项目专业设计负责人的签字,建设单位、施工单位签字栏为项目技术负责人或相关专业负责人签字,监理单位应为总监理工程师签字。
工程开工报审表工程名称:编号:001单位工程开工报告。
基坑支护变形监控记录1. 简介基坑支护是土木工程中的重要环节,用于保护基坑周围的土壤和结构物,在施工过程中起到稳定和支撑的作用。
监控基坑支护的变形情况是确保施工安全和提高工程质量的关键步骤。
本文档记录了基坑支护变形监控过程中的关键数据和观测结果。
2. 监测设备监测基坑支护变形采用了以下设备:•基准点测量仪:用于测量基坑支护变形的水平位移和竖直位移。
•倾斜计:用于测量基坑支护结构的倾斜情况。
•钢筋应变计:用于测量基坑支护结构的应变和受力情况。
•压力传感器:用于测量基坑支护结构所受的地下水和土压力。
3. 监测方案基坑支护变形监测方案包括以下几个方面:3.1 基准点测量基准点测量仪安装在基坑周围的固定点上,定期进行测量,记录基坑支护的水平位移和竖直位移。
测量数据包括坐标变化和位移趋势,通过对比前后测量数据可以分析基坑支护的变形情况。
3.2 倾斜计监测倾斜计安装在基坑支护结构上的关键位置,用于监测支护结构的倾斜情况。
倾斜计记录的数据可以提供基坑支护结构的整体稳定性评估,若发现倾斜超过正常范围,及时采取补救措施。
3.3 钢筋应变计监测钢筋应变计安装在基坑支护结构的钢筋上,用于测量钢筋所受的应变和受力情况。
通过分析钢筋应变计的数据,可以评估基坑支护结构的受力情况,并判断是否需要进行补强或调整支护结构的设计方案。
3.4 压力传感器监测压力传感器安装在基坑支护结构的地下水位和土压力的关键位置,用于监测地下水位和土压力对基坑支护结构的影响。
压力传感器记录的数据可以帮助工程师判断基坑支护结构的安全性,并进行相应的调整和改进。
4. 监测记录4.1 基准点测量记录以下是基准点测量记录的样例表格:测点编号水平位移(mm)竖直位移(mm)1002-213-1-34305-124.2 倾斜计监测记录以下是倾斜计监测记录的样例表格:测点编号倾斜角度(度)10.220.130.340.550.24.3 钢筋应变计监测记录以下是钢筋应变计监测记录的样例表格:测点编号应变(με)110021203804605904.4 压力传感器监测记录以下是压力传感器监测记录的样例表格:测点编号地下水压力(kPa)土压力(kPa)1102021222311204131959215. 数据分析与评估基于以上监测记录的数据,进行数据分析和评估,主要包括以下几个方面:•基准点测量数据分析:对基准点测量数据进行对比和趋势分析,判断基坑支护的变形情况。
基坑支护变形监测方案设计基坑支护是指在建筑工程中为了保障基坑的稳定和安全,采取各种措施进行支护和加固的工作。
支护变形监测方案设计是基坑支护工程中的一个重要环节,它能够通过对支护变形的监测和控制,及时发现问题,并采取相应的措施,保障基坑施工的安全性和有效性。
支护变形监测方案设计的主要内容包括:目标及要求、监测指标、监测位置、监测方法、监测频率、数据采集及处理、监测结果分析、报告编制等。
首先,制定支护变形监测的目标和要求,明确监测的目的是为了掌握基坑支护状况,及时发现问题并采取措施。
要求监测结果准确可靠,监测过程和监测数据要有追溯性和可比性。
其次,确定监测指标,根据基坑支护的设计方案和工程特点,确定需要监测的变形指标,如土体位移、支撑结构内力等。
同时,要根据监测指标的变化范围和安全要求,确定相应的限值,以便及时判断支护状况是否符合要求。
然后,确定监测位置,根据基坑支护工程的结构特点和支撑位置,选择监测点位。
监测点位应覆盖整个基坑,并合理布置,可以反映整个基坑支护的变形情况。
接下来,确定监测方法,根据监测指标的不同,选择相应的监测方法。
常见的监测方法包括全站仪监测、测斜仪监测、应变计监测、压力传感器监测等。
根据实际情况选择合适的监测方法,并设计监测仪器的安装和固定方式。
然后,确定监测频率,根据工程的施工周期、支护结构的变形速度和变形范围等因素,确定监测的频率。
一般来说,监测频率要根据实际情况灵活调整,保证监测结果的准确性和可靠性。
接着,确定数据采集及处理的方法,选择合适的数据采集设备,并设计数据处理的算法和流程,确保监测数据的准确性和可比性。
同时,要做好数据的备份和存档工作,以备查验和分析。
然后,进行监测结果分析,根据监测数据和监测指标的限值,对监测结果进行分析和评价。
及时发现异常情况,判断支护状况是否符合要求,并根据情况采取相应的措施,保障基坑施工的安全和顺利进行。
最后,编制监测报告,将监测结果整理、分析和汇总,编制监测报告,提出相应的建议和措施,供施工单位和监理单位参考和执行。
基坑支护水平位移观测记录表AQ2.6.4 工程名称:监测项目:工程地点:监测仪器及编号:批准:审核:编写:校对:试验:美文欣赏1、走过春的田野,趟过夏的激流,来到秋天就是安静祥和的世界。
秋天,虽没有玫瑰的芳香,却有秋菊的淡雅,没有繁花似锦,却有硕果累累。
秋天,没有夏日的激情,却有浪漫的温情,没有春的奔放,却有收获的喜悦。
清风落叶舞秋韵,枝头硕果醉秋容。
秋天是甘美的酒,秋天是壮丽的诗,秋天是动人的歌。
2、人的一生就是一个储蓄的过程,在奋斗的时候储存了希望;在耕耘的时候储存了一粒种子;在旅行的时候储存了风景;在微笑的时候储存了快乐。
聪明的人善于储蓄,在漫长而短暂的人生旅途中,学会储蓄每一个闪光的瞬间,然后用它们酿成一杯美好的回忆,在四季的变幻与交替之间,散发浓香,珍藏一生!3、春天来了,我要把心灵放回萦绕柔肠的远方。
让心灵长出北归大雁的翅膀,乘着吹动彩云的熏风,捧着湿润江南的霡霂,唱着荡漾晨舟的渔歌,沾着充盈夜窗的芬芳,回到久别的家乡。
我翻开解冻的泥土,挖出埋藏在这里的梦,让她沐浴灿烂的阳光,期待她慢慢长出枝蔓,结下向往已久的真爱的果实。
4、好好享受生活吧,每个人都是幸福的。
人生山一程,水一程,轻握一份懂得,将牵挂折叠,将幸福尽收,带着明媚,温暖前行,只要心是温润的,再遥远的路也会走的安然,回眸处,愿阳光时时明媚,愿生活处处晴好。
5、漂然月色,时光随风远逝,悄然又到雨季,花,依旧美;心,依旧静。
月的柔情,夜懂;心的清澈,雨懂;你的深情,我懂。
人生没有绝美,曾经习惯漂浮的你我,曾几何时,向往一种平实的安定,风雨共度,淡然在心,凡尘远路,彼此守护着心的旅程。
沧桑不是自然,而是经历;幸福不是状态,而是感受。
6、疏疏篱落,酒意消,惆怅多。
阑珊灯火,映照旧阁。
红粉朱唇,腔板欲与谁歌?画脸粉色,凝眸着世间因果;未央歌舞,轮回着缘起缘落。
舞袖舒广青衣薄,何似院落寂寞。
风起,谁人轻叩我柴扉小门,执我之手,听我戏说?7、经年,未染流殇漠漠清殇。
湘质监统编2015湘质监统编表目录备案验收文件1 工程竣工验收备案表备2015-12 工程竣工验收报告备2015-23 工程质量评估报告备2015-34 工程施工质量验收申请报告备2015-45 工程竣工验收申请报告备2015-56 设计单位工程质量检查报告备2015-67 勘察单位工程质量检查报告备2015-78 房屋建筑工程质量保修书备2015-89 商品房屋住宅工程质量保证书备2015-910 商品房屋住宅工程使用说明书备2015-1011 质量常见问题专项治理检查表备2015-1112 建设工程五方责任主体项目负责人质量终身责任信息登记表备2015-12a13 法定代表人授权书备2015-12b14 建设工程五方责任主体项目负责人工程质量终身责任信息变更表备2015-12c15 建设单位项目负责人工程质量终身责任承诺书(五方责任主体承诺书)备2015-12d-h 城建档案文件1 建设工程档案报送责任书城档2015-12 建筑工程文件归档范围城档2015-23 建设工程档案预验收意见书城档2015-34 建设工程档案接收和移交证明书城档2015-45 移交档案目录城档2015-56 卷内目录城档2015-67 卷内备考表城档2015-78 案卷目录城档2015-8监理文件1 总监理工程师任命书监理2015-12 监理报告监理2015-23 监理通知单监理2015-34 监理通知回复单监理2015-45 监理工作联系单监理2015-56 旁站记录监理2015-6施工文件分户验收文件1 住宅工程质量分户验收汇总表分户2015-12 住宅工程质量分户验收表分户2015-23 地面墙面顶棚工程质量分户验收记录分户2015-34 门窗工程质量分户验收记录分户2015-45 护栏和扶手工程质量分户验收记录分户2015-56 防水工程质量分户验收记录分户2015-67 室内净距、净高尺寸检验记录分户2015-78 给排水及采暖工程质量分户验收记录分户2015-89 电气安装工程质量分户验收记录分户2015-910 节能工程质量分户验收记录分户2015-1011 智能化工程质量分户验收记录分户2015-1112 燃气烟道通风道邮政信报箱工程质量分户验收记录分户2015-12施工验收文件1 单位(子单位)工程质量竣工验收记录施2015-012 单位(子单位)工程质量控制资料核查记录施2015-023 单位(子单位)工程安全和功能检验资料核査及主要功能抽查记录施2015-034 单位(子单位)工程观感质量检查记录施2015-04a5 单位(子单位)工程观感质量现场检查原始记录施2015-04b6 分部(子分部)工程质量验收记录施2015-057 分项工程质量验收记录施2015-068 检验批质量验收记录施2015-079 现场验收检验批检查原始记录施2015-0810 工程竣工预验收质量问题整改通知单施2015-0911 工程竣工预验收质量问题整改回复单施2015-1012 工程竣工验收质量问题整改通知单施2015-1113 工程竣工验收质量问题整改回复单施2015-1214 报审、报验表施2015-1315 分部工程报验表施2015-1416 单位工程竣工预验收报审表施2015-15施工技术及施工管理文件1 工程概况表施2015-162 施工现场质量管理检查记录施2015-173 分包单位资质报审表施2015-184 工程质量事故报告施2015-195 原材料、试块、试件见证取样送检委托书施2015-206 钢筋焊接试验报告汇总表施2015-217 钢筋机械连接试验报告汇总表施2015-228 钢筋材质试验报告汇总表施2015-239 水泥材质试验报告汇总表施2015-2410 预拌混凝土进场情况汇总表施2015-2511 砖材质试验报告汇总表施2015-2612 原材料使用部位及数量登记表施2015-2713 混凝土、砂浆试块(同养、标养)试验报告汇总表施2015-2814 施工试验报告汇总表(通用)施2015-2915 施工日志施2015-3016 施工组织设计或(专项)施工方案报审表施2015-3117 施工技术交底记录施2015-3218 图纸会审记录施2015-3319 工程洽商记录(技术核定单)施2015-3420 工程变更单施2015-3521 设计变更通知单变更内容上竣工图责任登记表施2015-36a22 工程变更洽商记录内容上竣工图责任登记表施2015-36b23 工程竣工图编制质量责任登记表施2015-37进度造价文件1 工程开工报审表施2015-382 单位工程开工报告施2015-393 工程复工报审表施2015-404 工程开工令施2015-415 工程暂停令施2015-426 工程复工令施2015-437 工程临时最终延期报审表施2015-448 施工进度计划报审表施2015-459 工程款支付报审表施2015-4610 工程变更、洽商费用报审表施2015-4711 费用索赔报审表录施2015-4812 工程款支付证书施2015-4913 索赔意向通知书施2015-50施工记录文件1 建筑结构隐蔽工程验收记录施2015-512 隐蔽验收记录(通用)施2015-523 建设工程现场隐蔽和变更情况照片帖页施2015-534 工程预检记录施2015-545 施工检查记录施2015-556 交接检查记录施2015-567 现场交桩记录施2015-578 工程定位测量记录施2015-589 基槽验线记录施2015-5910 楼层平面放线记录施2015-6011 楼层标高抄测记录施2015-6112 建筑物沉降变形观测测量记录施2015-6213 建筑物垂直度标高观测测量记录施2015-6314 桩成孔验收记录施2015-64a15 单桩垂直度及桩位偏差记录施2015-64b16 施工控制测量成果报验表施2015-6517 基坑支护变形监测记录施2015-6618 桩基、支护测量放线记录施2015-6719 锚杆、土钉施工记录施2015-6820 锚索施工记录施2015-6921 地基验槽检查记录施2015-7022 地基钎探记录施2015-7123 预拌混凝土施工记录施2015-7224 现拌混凝土施工记录施2015-7325 混凝土浇灌令施2015-7426 混凝土开盘鉴定施2015-7527 混凝土拆模申请表施2015-7628 混凝土养护测温记录施2015-7729 大体积混凝土测温记录施2015-7830 结构实体强度用同条件养护试件测温记录施2015-7931 结构用砼试块强度评定验收记录施2015-8032 砌体砂浆试块强度评定验收记录施2015-8133 预制构件吊装记录施2015-8234 焊接材料烘焙记录施2015-8335 钢筋闪光对焊接头施工质量检查验收记录施2015-8436 钢筋电弧焊接头施工质量检查验收记录施2015-8537 钢筋电渣压力焊接头施工质量检查验收记录施2015-8638 钢筋直螺纹连接接头施工质量检查验收记录施2015-8739 焊接施工外观检查记录施2015-8840 屋面蓄水(淋水)试验及地下室防水效果检查记录施2015-8941 地漏安装、卫生间、阳台、厨房地面泼水检查记录施2015-9042 浴间、卫生间、厨房等有防水要求的地面蓄水试验记录施2015-9143 室内净高、室内与阳台、走廊、卫生间、厨房地面高差检查记录施2015-9244 防水工程试水检查记录施2015-9345 外窗外墙淋水检查记录施2015-9446 通风(烟)道、垃圾道检查记录施2015-9547 建筑物临空处防护栏杆及踏步功能检查记录施2015-9648 预应力空心板预制构件验收记录施2015-9749 施工现场预制构件验收记录施2015-9850 钢筋保护层厚度检验记录施2015-9951 预应力筋张拉记录施2015-10052 有粘结预应力结构灌浆记录施2015-10153 工程材料/构配件/设备供应单位资格报审表施2015-10254 工程材料、构配件、设备报审表施2015-10355 建筑安装材料、设备及配件产品进场验收记录施2015-10456 钢材质量证明抄件施2015-10557 地基处理记录施2015-10658 天然地基(土方开挖)工程质量验收记录施2015-10759 强夯施工记录表施2015-10860 钻孔施工记录表施2015-10961 基坑支护水平位移沉降变形施工监测记录施2015-11062 试打桩记录施2015-11163 锤击沉管灌注桩施工记录施2015-11264 锤击沉管夯扩灌注桩施工记录施2015-11365 人工挖孔灌注桩单桩施工记录施2015-11466 振动沉管灌注桩施工记录施2015-11567 钻孔(含洛阳铲)取土混凝土灌注桩施工记录施2015-11668 旋挖桩施工记录施2015-11769 锤击钢筋混凝土预制桩施工记录施2015-11870 静压预应力管桩(预制桩)施工记录施2015-11971 扩头灌注桩施工记录表施2015-12072 高压喷射注浆地基施工记录施2015-12173 灌注桩施工记录表施2015-12274 桩基工程质量验收记录施2015-12375 钢结构构件进场检查记录施2015-12476 钢结构钢柱基础坐标复核记录表施2015-12577 垂直度和侧向弯曲检查记录施2015-12678 钢结构整体垂直度和平面弯曲检查记录施2015-12779 钢柱安装检查记录施2015-12880 钢结构安装施工记录施2015-12981 网架(索膜)施工记录施2015-13082 扭剪型高强螺栓施工检查记录施2015-13183 大六角头高强度螺栓施工检查记录施2015-13284 幕墙构件、组件加工制作记录施2015-13385 幕墙安装施工记录(一)施2015-13486 幕墙安装施工记录(二)施2015-13587 幕墙打胶养护环境的温度、温度记录施2015-13688 幕墙防雷接地电阻测试记录施2015-13789 幕墙注胶检查记录施2015-13890 幕墙淋水检查记录施2015-13991 木结构施工纪录施2015-14092 装饰材料防火处理施工记录施2015-14193 工艺设备开箱检查记录施2015-14294 建筑设备安装工程隐蔽验收记录施2015-143给水排水及供暖工程文件1 排水管道通球检验记录施2015-1442 排(雨)水管道灌水静压试验记录施2015-1453 室内给(冷热)、排水管道安装及附件检查记录施2015-1464 给水(采暖)管道系统清洗记录施2015-1475 给水(采暖、冷冻)管道系统压力试验记录施2015-1486 卫生器具盛水试验检查记录施2015-1497 补偿器预拉伸(预压缩)记录施2015-1508 消火栓系统试射试验记录施2015-1519 自动喷水灭火系统联动试验记录施2015-15210 锅炉烘炉、煮炉和试运行记录施2015-15311 锅炉报警及联锁保护装置试验记录施2015-154通风与空调工程文件1 风管漏光检测记录施2015-1552 风管漏风检测记录施2015-1563 现场组装除尘器、空调机漏风检测记录施2015-1574 房间室内风量温度测量记录施2015-1585 管网风量平衡调试记录施2015-1596 空调系统试验调整报告施2015-1607 空调水系统试运转调试记录施2015-1618 制冷系统气密性试验记录施2015-162 7 空气净化系统检测记录施2015-16310 洁净室洁净度测试记录施2015-16411 防排烟系统联合试运行记录施2015-16512 设备单机试车记录施2015-16613 系统联合试运转记录施2015-16714 氨制冷剂系统、燃气管道焊缝检查记录施2015-16815 管道(设备)吹污冲洗试验记录施2015-16916 水泵试运转记录施2015-17017 管道(设备)真空试验记录施2015-17118 通风道、烟道、垃圾道检查记录施2015-172建筑电气工程文件1 电气照明器具通电安全检查记录施2015-1732 低压电气动力设备试运行记录施2015-1743 电气照明试运行记录施2015-1754 大型照明灯具吊环承载力试验记录施2015-1765 漏电开关模拟试验记录施2015-1776 大容量电器线路结点温度测量记录施2015-1787 高压电气设备及布线系统交接试验记录施2015-1798 电气接地装置隐蔽验收记录施2015-1809 普通电气设备安装动态检查记录施2015-18110 防雷及电器设备接地电阻测试验收记录施2015-18211 漏电保护器模拟动作试验记录施2015-18312 线路、插座、开关接线检查记录施2015-18413 双电源自动切换试验记录施2015-18514 接地装置安装试验记录施2015-18615 电气设备绝缘电阻测试记录施2015-18716 低压配电电源质量检查记录施2015-18817 建筑物照明全负荷通电试运行记录施2015-189智能建筑工程文件1 智能分项工程检测记录施2015-1902 智能化集成系统子分部工程检测记录施2015-1913 用户电话交换系统子分部工程检测记录施2015-1924 信息网络系统子分部工程检测记录施2015-1935 综合布线系统子分部工程检测记录施2015-1946 有线电视及卫星电视接收系统子分部工程检测记录施2015-1957 公共广播系统子分部工程检测记录施2015-1968 会议系统子分部工程检测记录施2015-1979 信息导引及发布系统子分部工程检测记录施2015-19810 时钟系统子分部工程检测记录施2015-19911 信息化应用系统子分部工程检测记录施2015-20012 建筑设备监控系统子分部工程检测记录施2015-20113 安全技术防范系统子分部工程检测记录施2015-20214 应急响应系统子分部工程检测记录施2015-20315 机房工程子分部工程检测记录施2015-20416 防雷与接地子分部工程检测记录施2015-20517 智能分部工程检测汇总记录施2015-20618 火灾自动报警系统调试记录表施2015-20719 火灾自动报警系统竣工验收记录表施2015-20820 火灾自动报警系统运行日登记表施2015-20921 智能建筑工程系统工序交接检查记录表施2015-21022 安装质量及观感质量验收记录施2015-21123 智能建筑工程验收结论汇总记录施2015-212建筑节能工程文件1 建筑节能保温材料试验报告汇总表施2015-2132 建筑节能工程进场材料、设备和构件验收记录表施2015-2143 建筑节能分部工程质量验收记录施2015-2154 建筑节能工程施工条件审查表施2015-2165 建筑节能检测情况核查表施2015-2176 建筑节能施工与设计符合性情况核查表施2015-2187 建筑节能施工及验收应提交的主要资料施2015-2198 民用建筑节能信息公示牌(式样)施2015-220电梯工程文件1 电梯承重梁、起重吊环埋设检查记录施2015-2212 电梯机房、井道建筑、安装交接检记录施2015-2223 轿厢平层准确度测量记录施2015-2234 电梯层门安全装置检验记录施2015-2245 电梯电气装置安装检查记录施2015-2256 电梯噪声测试记录施2015-2267 电梯验收整体功能检验记录施2015-2278 自动扶梯、自动人行道建筑安装交接检记录施2015-2289 自动扶梯、自动人行道验收整体功能检验记录施2015-22910 自动扶梯、自动人行道整机运行试验记录施2015-23011 电力驱动的曳引式或强制式电梯安全装置检测报告施2015-23112 电力驱动的曳引式或强制式电梯安全、功能试验报告施2015-23213 电力驱动的曳引式或强制式电梯运行检验报告施2015-233室内燃气工程文件1 燃气焊工资格备案施2015-2342 燃气阀门试验记录施2015-2353 燃气管道安装工程检查记录施2015-2364 燃气工程隐蔽工程(封闭)记录施2015-2375 室内燃气系统压力试验记录施2015-2386 管道强度试验检验验收记录施2015-2397 管道严密性试验检验验收记录施2015-240湘质102工程材料/构配件/设备供应单位资格报审表工程名称:编号:001 致:监理(建设)机构根据工程需要和合同有关规定,经我方考察生产厂家/供应单位,可提供工程材料/构配件/设备,用于本工程(部位),请予以审查和批准。