002-物料编码管理规程
- 格式:doc
- 大小:217.00 KB
- 文档页数:8
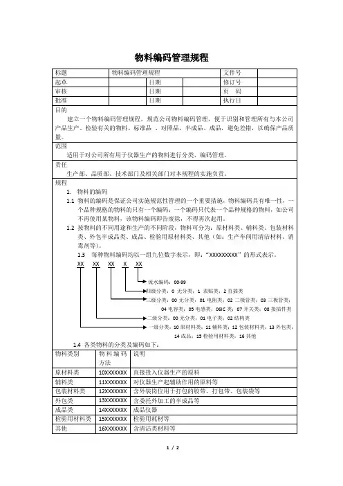
*****公司企业标准*****A正文:1目的:规范物料、成品编号的管理,防止混淆。
2 范围:适用于本公司初检合格、仓库同意收货的物料及成品。
3 职责:物流部仓库保管员负责本规程的执行。
物流部负责人及QA人员负责本规程执行情况的监督检查。
4 内容:4.1凡进厂后,按《物料验收入库规程》初检合格,仓库已同意收货的原辅料、包装材料,应由仓库保管员按本规程统一分类编号。
4.2 成品入库后,由仓库保管员负责按本规程编号。
4.3 物料代号4.3.1每一种物料(成品)应对应一个代号,不应出现一物多号或多物一号的现象。
(物料代号明细见附表)4.3.2 代号格式:X X X X X数字,同类同态的物料的排号(001、002……)数字,物料的物质状态(1、2、3、4)数字,物料的类别(1、2、3、4)4.3.3 物料分类及代号:4.3.4 物料的物质状态及代号:4.3.5 物料编号格式:XX X X X ----- X X X X X X X X数字,当月此种物料入库流水号数字,本次入库所在月份数字,本次入库所在年份物料代号举例:11023 — 20010803表示:2001年8月份第3次入库的23号固体原料。
4.4 成品入库编号4.4.1成品代号X X X X X X X X X数字,是否双层包装(否0、是2)数字,内部管理编码(01、02、03)数字,规格(1000、0500……)数字,品种(01、02……)4.4.2 (成品)品种代号、内部管理编码(见附表)4.5一车间条形码XXXXXXXXX XXXXXXXX XX X X XXXX喷码流水号包装线码班次代码柜号码产品批号成品代号4.6附:物料代号明细(成品)品种代号内部管理编码物料代号明细01含义文件名称:物料、成品编号管理规程编码:Q/HR GL02020 A 修订原因修订内容受控章增加替硝唑氯化钠注射液、甲硝唑氯化钠注射液的编号增加如下内容:替硝唑氯化钠注射液成品品种代号:290.2%甲硝唑氯化钠注射液成品品种代号:320.5%甲硝唑氯化钠注射液成品品种代号:33替硝唑氯化钠注射液说明书编码:31553甲硝唑氯化钠注射液说明书编码:31552替硝唑氯化钠注射液(100ml)产品编码:290100020替硝唑氯化钠注射液(200ml)产品编码:2902000200.5%甲硝唑氯化钠注射液(100ml)产品编码:3301000200.5%甲硝唑氯化钠注射液(250ml)产品编码:3302500200.2%甲硝唑氯化钠注射液(250ml)产品编码:320250020修订人修订日期审核人审核日期批准人批准日期执行日期备注:1.修订内容盖红色受控章有效。
公司物料编号管理制度第一章总则为规范公司物料编号管理工作,提高物料管理效率,确保物料信息的准确性和及时性,特制定本制度。
第二章责任部门1. 公司物料编号管理工作由财务部门负责统一管理,具体执行由物料管理部门负责。
2. 财务部门负责审核、审批公司物料编号的设置和变更,并进行维护管理。
3. 物料管理部门负责具体执行物料编号的填写、修改和查询工作,并协助财务部门进行审核。
第三章物料编号的设置和命名规则1. 公司物料编号采用数字代号组成,每一个物料拥有唯一的物料编号。
2. 物料编号由财务部门统一设置和审核,符合以下命名规则:(1)首位数字代表所属类别,如1代表原材料,2代表半成品,3代表成品,4代表辅助耗材等;(2)接下来的数字代表物料的具体种类和规格;(3)最后一位数字为校验位,用于防止物料编号重复或错误。
3. 物料编号设置后不得随意更改,如需修改,需经财务部门审批并进行相应修改记录。
第四章物料编号的管理流程1. 新物料的申请与设置:(1)物料管理部门收到新物料的申请后,填写新物料编号申请表,提交给财务部门审核;(2)财务部门审核通过后,将新物料编号录入系统,并通知物料管理部门进行填写;(3)物料管理部门将新物料编号填写在相应的物料清单中,并通知相关部门关于新物料编号的信息。
2. 物料编号的修改与删除:(1)物料管理部门如需修改或删除物料编号,需填写修改或删除申请表,提交给财务部门审批;(2)财务部门审核通过后,根据实际情况进行相应的修改或删除操作,并通知相关部门进行调整。
3. 物料编号的查询与监控:(1)物料管理部门负责对物料编号进行定期检查和监控,确保物料编号的准确性和完整性;(2)对于异常情况或错误物料编号,需及时进行纠正和处理,并通知相关部门注意。
第五章物料编号的使用要求1. 严格按照物料编号管理制度执行,不得私自设置、修改或删除物料编号。
2. 物料管理部门负责对相关人员进行物料编号管理培训,确保他们理解并遵守公司的物料编号管理制度。
目的:建立一个成品与进厂物料编码的程序。
以利于物料流通的控制,便于物料的追踪及核对,防止差错。
范围:适用于成品与进厂物料的编码管理。
责任者:物流部部长、采购员、质量管理部部长、生产部部长对本标准的实施负责。
内容:1. 物料编码规程1.1 仓库管理员担任编码工作。
1.2 该仓库管理员经过编码培训,了解编码原则、含义、掌握编码方法,可对物料进行正确编码。
1.3 根据GMP 的要求,结合本企业的实际情况,确立本企业的成品与物料进厂编码的编写规定。
1.4 物料进厂编码原则:1.4.1 进厂编码应表示物料进厂的时间(批号)、次数,每一批次一个编码。
1.4.2 编码应表示进厂物料的类别,并能表示物料本身的形态。
1.4.3 根据编码能控制先进先出。
1.5 编码格式按如下顺序: -1.5.1 分类代号“1”表示物料的类别:1.5.2 分类代号“2”表示物料的形态,分原辅料和成品不同表示法,分别如下:注:缺位的用“0”补齐。
成品分类划分:包装材料可直接写物料的代号。
1.5.3 分类代号“3-5”表示物料名称的代号。
1.5.4 分类代号“6-9”表示物料进厂(仓)的年份、月份。
1.5.5 顺序“10-11”表示物料进厂(仓)顺序号。
同一批成品只有一个编码,第二次入库时与第一次编码相同。
1.6 举例:例一:FG-002-0609-01是辅料硬酯酸镁的进厂编码。
F-表示辅料;G-表示固体;002-代表硬酯酸镁的代号;06-代表年份2006年;09-代表9月份;01-代表本月份第1批。
例二:CP-002-0609-08是成品黄杨宁分散片的进仓编码。
C-表示成品;P-表示片剂;001-表示黄杨宁分散片的代号;06-代表年份2006年;09-代表9月份;08-代表本月份的第8批。
例三:YZ-008-0605-08是原料中药材甘草的进厂编码。
Y-表示原料;Z-表示中药材;008-表示甘草代号;06-代表年份2006年;05-表示5月份;08-代表本月份第8批。
北京九州泰康生物科技有限责任公司物料编码制度
文件编号:WL-SMP-002
版次:第1版
修改状态:
编制:日期:
审核:日期:
批准:日期:
受控编号:
2009年月日发布 2009年月日实施
1.目的:为方便管理仓库物料,保证物料存放顺序及位置,方便出入库管理。
2.范围:适应于本公司存放于库房的所有物料。
3.责任:本公司仓储保管员对此制度负责。
4.物料编码规定:
4.1 一级编码为物料,包括仓库中所有物料
4.2 二级编码为品分类,根据《物料分类清单》A类、B类、C类。
4.3 三级编码为物料名称。
4.4 四级编码为物料序号。
WL – A – CEA - 0001。
物料编码管理规程1. 目的:建立物料的编码管理规程,规范物料管理。
2. 范围:进厂原料、辅料、包装材料的编码。
3. 责任:仓库管理员、质量部QA、QC人员、物流部门负责人。
4. 内容:4.1 由授权仓库保管员担任编码工作。
4.2 该保管员经过编码培训,了解编码原则、含义,掌握编码方法,可对物料进行正确编码。
4.3 所有进厂的原料、辅料、包装材料均应给出一个编号,此编号独一无二、一经确立,绝不重现。
4.4物料分类码编码原则:按物料的种类分为:原料(原药材)、辅料、包装材料。
4.5 物料识别码编码原则:识别码按物料的使用频率编码。
每种物料有一个特别的识别码,不能因为物料的有无而随意更改变换。
4.6 进厂编号原则4.6.1 进厂编号应该表示出物料的进厂时间、次数。
4.6.2 进厂编号应该表示出物料的类别。
4.6.3根据进厂编号应能控制物料的先进先出。
4.6.4每种物料有一特定的识别码,此码一经确立,不再改变。
4.7 编号方法4.7.1 识别码编号公式物料识别码,可根据该类物料的使用频率排序号。
(如:0017表示频率排序为17的物料。
)4.7.2 进厂编号方法4.7.2.1 编码分四部分:物料分类码、物料识别码、物料进厂日期、流水号。
4.7.2.1.1 物料分类码------指物料的分类类别,如原料(原药材)、辅料、包材、特殊材料等。
4.7.2.1.2 物料识别码------每种物料均有一定固定的识别码,此码一经确立不再改变。
4.7.2.1.3 物料进厂日期------为各种物料接收日期,编码以到月为止。
一个月内同时接收多种物料时,均为同一日期,此码可重复使用。
4.7.2.1.4 月流水号----------此码为企业接收物料的先后次序号;从每月中的首批进料顺序编至最后一批;在同一月度内,各种物料或同种物料,既使在同一时刻接收必须顺序编码,不准重复;每月首批进料均编为1号,余者下推。
4.7.2.2 举例说明:物料分类码----物料识别码---物料进厂日期---月流水号例1:Y------0001--------0106---------168原料---淀粉--------2001年6月----2001年6月进厂的第168次物料。
为配合企业资源规划(后续 ERP)系统操作,结合公司现在使用的物料情况,统一制定物料分类、编码规则及维护文件,用于规范物料的领发、验收,采购、跟催、盘点、生产、储存、核算、统计报表等一切物料活动。
避免浮现一物多名、一物多码或者物名错乱之现象。
本公司成品、在制品(半成品) 、原材料、辅助物资、客供物料、外协产品之编码均悉依本管理规范执行。
研发中心负责本规范的制定、修改、废止之起草工作。
总经理负责本本规范的制定、修改、废止之核准。
物料编码的惟一性,一个物料编码只能对应一个物料,同样一个物料也只能对应一个物料编码。
物料编码按其在整个生产过程中所处的位置、物料的材质与用途进行分类编码,同类物品每次编写格式应一致相同,比如小类材料长、宽、高度、直径或者厚度,别乱序。
在制(半成品)原则上每经过一道加工工序都要有一个物料编码,但不需要入库或者有必要时入库。
物料编码全部采用“阿拉伯数字”进行编写,不可使用其它符号(包括中英文)编码,以方便后续实行电脑条码作业。
物料编码按物品环保性质区分,办公耗材、非 ROHS 产品涉及的物品编码开头为“0”,ROHS 产品涉及的物品编码开头为“9”;物料编码按类别分六大类为一级编码。
原材料、辅助物资与客供物料的编码按类别由一级编码(大类)2 位、二级编码(中类) 2 位、三级编码(供应商或者客户代码) 3 位及四级编码(小类) 2 位及物料识别码 7 位组成,物料编码长度共 16 位数字。
、物料编码之代码由于物料过多无法全部编写在册,产品新增或者不断升级导致物料编码也在不断增加,只需在其归属一级编码(大类) 2 位、二级编码(中类) 2 位、三级编码(供应商或者客户代码) 3 位、四级编码(小类) 2 位及物料识别码 7 位组成;列表中增加即可,编码以其归属栏位末位递增进行增加。
一级编码大类规定代码明细表一级编码原材料辅助物资客供物料外协产品半成品成品未定义非 ROHS 01 02 03 04 05 06 00 ROHS91 /93 94 95 96 90 原材料、辅助物资与客供物料的二级、三级、四级编码明细表0102030405060708 塑胶件硅胶软胶五金件机电类电子类包材附件辅料010203010203010203040506070809101112010203010203040506010201010203外观塑胶件注塑后无加工塑胶件原料硅胶仿真外形按钮按键其他轴类轴承铜套弹簧法兰类弹介平垫螺母梅花介铜柱螺丝散热器外壳磁铁矽钢片机电马达(外购)模块接插件电池导线电子元气件充电器外箱、彩盒、胶袋说明书、保修卡、标贴无需组装的完整配件装机辅料擦机辅料注塑辅料手柄外壳润滑剂手套USB 充电线扎带热缩管生产胶水封箱胶带双面胶焊锡热熔胶绝缘油酒精抹布天那水防锈剂个个克个个个根个个个个个块组个块个个米个套个瓶包根条cm克cmcm克克克克克克克09 3D 打印10 办公用品类10 办公用品类11 劳保卫生类12 外发加工 /二次加工13 工具类14 工装夹具模具类15 量具类16 设备设施类04010102030405060708091101020304050601020301020301020304050607080101周转辅料办公用具办公低值易耗品贴片喷涂加工手动工具刀具手持电动工具工具附件工装夹具注塑模具五金模具外发模具周转用具模具配件工装、模具修理创造原材料工装、模具修理创造辅料生产设备脱模剂泡泡袋塑料袋计算器钉书机文件夹打孔机墙纸刀笔类纸类档案袋钉书针请柬贺卡手套口罩工衣洗手液碎布肥皂定位夹具定形夹具周转箱周转小车卡尺万用表钢尺卷尺湿度计噪声仪超声波机砂轮机测试机仪器套套套套套套套克个个套绕线机电脑 办公桌 文件柜 风扇 椅子 开关插座电线电工胶布 机油 油漆电子元器件物料识别码定义明细表代码 规格 代码10V 25V 50V 63V 100V 250V 400V 1000V 50ma 100ma 500ma 1a 5a 10a 20a 30a 50a1% 5% 10% 15%代码 误差值1 %2 1%3 5%4 10%5 15%6 20%7 25%8 91 %2 1%3 5%4 10%5 15%6 20%7 25%8 91 12V2 24V3 35V4 50V5 100V6 250V7 380V8 92 10 uh3 100 uh4 1 mh5 10 mh1 1 欧 0012 10 欧 0103 100 欧 1014 1K 1025 10K 1036 100K 1047 1M 10510M 106 100M 107 1 1PF 001 2 10 PF 010 3 100 PF 101 4 1nF 102 5 10nF 103 6 100 nF 104 7 1UF 10510 UF 106 100 UF 107 1 234 规格型号定义以电5 流、电压及长度为6 代码 7材质或者 颜色 金属膜 碳膜 水泥线绕 热敏 可调 压敏 排阻普通涤沦 电解 线绕 云母 钽 独石 磁片 防爆 自复式 快熔封装直插 0402 0603 0805 1206 1210 1812 2512 2520 直插 0402 0603 0805 1206 1210 1812 2512 2520 玻璃 陶瓷 直插 贴片代码1 2 3 4 5 6 7 812 3 4 5 6 7 8 9 1 2 3代码1 2 3 4 5 6 7 8 9 1 2 3 4 5 6 7 8 9 1 2 300100101 部份电感以漆包线 0102 线芯规格定义代码 0103设备设施维修配件材 料设备设施维修辅料1/8W 1/4W 1/2W 1W 2W 3W 5W 10W 20W 骨架磁芯 绕线 金属膜检测设备仪器 办公设备直插 0402 0603 0805保险管1 2 3 41 2 3 4特性功率 电感电容电阻电容端子、插座PCB PCB三极管、场效应管晶振二极管IC、光耦开关工字米白镀铜镀锡NPNPNP无源有源普通稳压肖特基白色双色叁色红绿蓝贴片直插船形拔动编码567812341212121234567891212320%25%2P3P4P8P10P12P14P16P20P6712345678912345100mh1 h10 h100 h123规格型号代码定义以插座颜色、位数及脚距及大小,不足部份前缀以 0 填补规格型号代码定义以产品实际规格型号、厚度,足部份前缀以 0 填补规格型号代码定义以产品实际规格型号,足部份前缀以 0 填补直插规格型号代码定义以实际规格型号,不足部份前缀以 0 填补4规格型号代码定义以晶振频率、电压及实际规格型号,不足部份前缀以 0 填补1234规格型号代码定义以颜色、封装、实际规格型号,不足部份前缀以 0 填补6789规格型号代码定义以 IC 脚位数量、实际规格型号,不足部份前缀以 0填补规格型号代码定义以开关脚位数量、实际规格型号,不足部份前缀以0 填补塑封金属贴片贴片直插直插COB0603080512061210120625122520大贴片直插弯插181225122520单面双面四层56781212312312545670104010501060107白黑红在物料编码编写过程中浮现不涉及项次或者还未定义编码时, 暂定为未定义以“00”代替。
xxxx制药有限公司
内容
1、物料经仓库保管员初步验收后,在仓库先统一编号。
1.1 中药材、辅料与包装材料及印刷品等按进货年月和当年进库次数的流水号编号、加件数表示,年、月均用二位数,编号为三位数。
1.2 有批号的成品、半成品、按进货年月和当年进库次数的流水号编号,加件数或理论量加批号表示,编号为三位数。
1.3 编号举例:
1.3.1 如2002年元月份进一批苏木代号为:0201-005-018,表示原材料于2002年1月进货,流水号为005,共18件。
1.3.2 如2002年3月份进一批金银花代号为:0203-012-050,表示原材料于2002年3月份进货,流水号为012,共50件。
1.3.3 如2002年2月份进一批肝复乐标签0202-004-005,表示标签、
说明书于2002年2月份购进,其流水号为004,共5件。
1.3.4 如2002年5月份生产肝复乐片成0205-070-060-020506,表示肝复乐片成品为2002年5月份生产,生产流水号为070,共60件,生产批号为020506。
1.3.5 其它编号类推。
物料编码管理制度第一章总则第一条为了规范公司物料编码管理,提高物料管理效率,防止物料混乱,特制定本制度。
第二条本制度适用于公司所有物料编码的管理。
第三条物料编码应当遵循科学、合理、规范的原则,确保物料的唯一性和准确性。
第四条公司应当建立物料编码管理制度,并进行定期检查和评估,对制度进行必要的修订和完善。
第五条所有物料编码应当按照本制度的要求进行管理,并严格执行,不得擅自修改或篡改物料编码。
第六条本制度的解释权归公司物料管理部门所有。
第二章物料编码管理第七条公司应当对所有的物料进行编码管理,包括原材料、半成品、成品等。
第八条物料编码应包括物料名称、规格、材质、生产日期等信息,以确保物料的唯一性和可识别性。
第九条公司可以根据需要,对物料进行分类编码管理,以便于不同部门和岗位的人员进行管理和查询。
第十条物料编码应当及时更新和维护,确保物料的编码信息准确无误。
第十一条对于新增物料,应当及时进行编码并录入系统,确保物料编码的连续性和完整性。
第三章物料编码使用第十二条各部门应当严格按照物料编码管理制度的要求进行物料编码的使用和管理。
第十三条对于预设好的物料编码,各部门不得擅自更改或修改,必须按照规定的编码进行使用。
第十四条对于临时新增的物料编码,各部门应当及时向物料管理部门报备并录入系统,以保证物料编码的唯一性和准确性。
第十五条对于废弃或停用的物料编码,应当及时从系统中删除,并进行相应的归档和备份工作。
第四章物料编码查询第十六条各部门和岗位的人员应当按照规定的流程和权限进行物料编码的查询。
第十七条物料编码的查询应当包括物料的名称、规格、用途等信息,以便于快速准确地查找所需的物料信息。
第十八条对于无法在系统中找到的物料编码,应当及时向物料管理部门进行查询和补充,以确保物料信息的完整性和及时性。
第十九条对于需要大量查询物料编码的部门,应当根据需求,提供相应的培训和支持,以提高工作效率。
第五章物料编码修改与调整第二十条对于已经使用的物料编码,如有需要修改或调整,应当严格按照规定的流程和程序进行,并经过相应的审批。
物料编码管理制度第一章总则第一条为了规范物料编码管理,提高物料管理效率,确保物料信息的准确性和一致性,特制定本制度。
第二条本制度适用于公司所有物料的编码管理,包括原材料、成品、半成品、配件、工具、消耗品等。
第三条物料编码管理的目标是实现物料的唯一性、标准化、规范化,确保物料信息的可追溯性和一致性。
第四条物料编码管理遵循以下原则:(一)唯一性原则:每个物料必须有一个唯一的编码。
(二)标准化原则:物料编码应遵循国家或行业标准。
(三)规范化原则:物料编码应规范、简洁、易于识别。
(四)可追溯性原则:物料编码应能追溯到物料的来源、生产、流通等信息。
第二章物料编码的编制和维护第五条物料编码的编制应由相关部门共同参与,包括采购、生产、质量、仓储等部门。
第六条物料编码的编制应遵循以下步骤:(一)确定物料分类:根据物料的属性、用途、生产工艺等因素,将物料进行分类。
(二)确定编码规则:根据物料分类和编码原则,制定统一的编码规则。
(三)编制物料编码:根据编码规则,为每个物料编制唯一的编码。
(四)发布物料编码:将编制好的物料编码发布给相关部门,并进行培训和宣传。
第七条物料编码的维护包括物料编码的更新、撤销和查询等功能。
第八条物料编码的更新:当物料的属性、用途、生产工艺等因素发生变化时,应及时更新物料编码。
第九条物料编码的撤销:当物料被淘汰或停用时,应及时撤销相应的物料编码。
第十条物料编码的查询:相关部门可以通过物料编码查询到物料的详细信息,包括物料的名称、规格、生产厂家、库存情况等。
第三章物料编码的使用和管理第十一条物料编码的使用应遵循以下规定:(一)物料编码应在采购、生产、仓储、销售等环节中统一使用。
(二)物料编码应在所有相关文档、报表、系统中统一使用。
(三)物料编码应由相关部门共同使用,确保物料信息的准确性和一致性。
第十二条物料编码的管理应由相关部门共同负责,包括物料编码的编制、更新、撤销和查询等工作。
第十三条物料编码的管理应建立相应的数据库或信息系统,实现物料编码的信息化管理。
1.目的:为了使公司的GMP文件便于查阅、识别、控制和追踪,同时可避免使用或发放过时的文件,需要对公司的GMP文件进行编码,使公司的GMP文件具有系统性、准确性识别性。
2.适用范围:适用于公司所有的与GMP有关的行政管理、生产管理和质量管理、物料管理等文件,不适用于公司的文秘性文件。
3.责任者:行政人力部对本规程的实施负责。
4.内容:4.1GMP文件编码由五大部分组成,即部门代码、文件类别、文件次类别、文件序号、修订次数。
4.1.1部门代号:用“部门名称”的两位汉语拼音字头表示,具体部门代码如下表规定。
4.1.2文件类别:文件按其性质进行分类,现将按性质分类的文件类别、汉语拼音、汉语拼音字头代码列表如下:4.1.3文件次类别:文件(或记录)的次分类用“01、02……”两位阿拉伯数字表示,不同类别的文件中的次分类代码可以相同,具体次分类代号如下表规定。
4.1.4文件序号文件的序号以三位阿拉伯数字表示,某类文件的最后序号就等于该类文件的现有数目。
4.1.5修订次数文件最后两个阿拉伯数字表示文件的修订次数,如“00”表示为新制定文件,“01”表示修订过一次,依此类推。
4.2物料代码:用“YH、F……”一~二位汉语拼音字头表示,具体物料代码如下表规定。
4.3举例说明:表示文件的序号表示产品工艺规程表示技术标准表示部门4.4该规定经总经理批准后,公司所有管理文件发布前均由行政人力部按上述编码规定编制编码,使编制的文件不管是标准类文件还是记录类文件,均应有一个独一无二的能够识别其文本、类别的系统编码。
4.5编码一经给定,就必须登记在案,当文件有修改时,从左至右的前4部分代码不变,只对最后1部分修订次数的代码根据第4.7条规定进行修改。
4.6该“编码规定”由行政人力部制定,并由行政人力部负责解释。
物料编码管理规程物料编码管理是企业管理的重要内容之一,通过规范的物料编码管理规程,可以实现物料信息系统化、标准化、流程化,提高企业物料管理的效率和质量。
以下是物料编码管理规程的版:一、前言物料编码管理是企业管理的重要组成部分,它涉及到企业生产的全过程和物流的全流程,是企业资产管理中必不可少的一个环节。
规范的物料编码管理可以降低企业的成本,提升管理效率,保障公司的物流运作。
二、适用范围适用范围:适用于企业内部物料编码的规划、管理、维护等相关事项,适用于全公司的各个部门,具体包括:采购、生产、物流、仓储等部门。
三、物料编码基础1.物料定义物料是指企业在生产和营销业务过程中所需的所有物品。
物料包括原材料、半成品、成品、备件、包材等。
2.物料编码定义物料编码是针对物料的一种标识符号,是对物料属性和特性进行编码和描述的过程。
它是企业物料管理的基础和核心。
3.编码结构编码结构是物料编码中最为重要的组成部分,是为标识物料唯一性的 required区域、 for 互用区域、 choice(可选)区域所组成的。
对于各个编码区域的含义和作用,应有相应的标准说明。
四、物料编码管理1.物料编码规划及管理物料编码管理应建立完整的规划制度,及时监督和修订物料编码规划,以保证物料编码的标准化和一致性。
物料编码管理涉及到编码的创建、变更、废止等多种操作,应强制规范物料编码的管理流程,确保信息的完整性和准确性。
2.物料编码存档及维护物料编码应按照企业内部的管理要求进行规划和存档,在该公司的物料管理系统中进行维护和更新。
物料编码管理应建立完整的资料库,主要包括物料名称、规格、单位、图片等数据,以及物料属性、供应商信息等。
3.物料编码应用物料编码应用广泛,应用场景涵盖采购、入库、出库、库存管理等各个业务环节。
在实际应用中,应根据不同业务环节的需求,灵活使用物料编码。
4.物料编码的监控为了保证物料编码的准确性和精确性,应当建立一套有效的物料编码管理监控机制,包括编码规划的审核、编码变更的审批、编码错误和重复检测等。
目的:建立一个成品与进厂物料编码的程序。
以利于物料流通的控制,便于物料的追踪及核对,防止差错。
范围:适用于成品与进厂物料的编码管理。
责任者:物流部部长、采购员、质量管理部部长、生产部部长对本标准的实施负责。
内容:
1. 物料编码规程
1.1 仓库管理员担任编码工作。
1.2 该仓库管理员经过编码培训,了解编码原则、含义、掌握编码方法,可对物料进行正确编码。
1.3 根据GMP 的要求,结合本企业的实际情况,确立本企业的成品与物料进厂编码的编写规定。
1.4 物料进厂编码原则:
1.4.1 进厂编码应表示物料进厂的时间(批号)、次数,每一批次一个编码。
1.4.2 编码应表示进厂物料的类别,并能表示物料本身的形态。
1.4.3 根据编码能控制先进先出。
-
1.5.1 分类代号“1”表示物料的类别:
1.5.2 分类代号“2”表示物料的形态,分原辅料和成品不同表示法,分别如下:
注:缺位的用“0”补齐。
成品分类划分:
包装材料可直接写物料的代号。
1.5.3 分类代号“3-5”表示物料名称的代号。
1.5.4 分类代号“6-9”表示物料进厂(仓)的年份、月份。
1.5.5 顺序“10-11”表示物料进厂(仓)顺序号。
同一批成品只有一个编码,第二次入库时与第一次编码相同。
1.6 举例:
例一:FG-002-0609-01
是辅料硬酯酸镁的进厂编码。
F-表示辅料;G-表示固体;002-代表硬酯酸镁的代号;06-代表年份2006年;09-代表9月份;01-代表本月份第1批。
例二:CP-002-0609-08
是成品黄杨宁分散片的进仓编码。
C-表示成品;P-表示片剂;001-表示黄杨宁分散片的代号;06-代表年份2006年;09-代表9月份;08-代表本月份的第8批。
例三:YZ-008-0605-08
是原料中药材甘草的进厂编码。
Y-表示原料;Z-表示中药材;008-表示甘草代号;06-代表年份2006年;05-表示5月份;08-代表本月份第8批。
例四:B0-026-0608-02
是包装材料塑料瓶的进厂编码。
B-表示包装材料;0-表示补位;026-表示塑料瓶的代号;06-代表年份2006年;08-表示8月份;02-代表本月份第2批。
例五:YY-018-0603-05
是玉泉胶囊固体提取物的进厂编码。
Y-表示原料;Y-表示液体;013-表示玉泉胶囊提取物的代号;06-表示2006年;03-表示3月份;05-表示本月份的第5批。
例六: YG-011-0702-03
是原料环维黄杨星D的进厂编码。
Y-表示原料;G-表示固体;015-表示环维黄杨星D的代号;07-表示2007年;02-表示2月份;03-表示本月份的第3批。
2. 附则:本标准附图0幅,附表1张。
物料分类代号及物料代号登记表
编码:Ⅳ-M-SMP-0002-R1-00
编制人:
物料分类代号及物料代号登记表编码:Ⅳ-M-SMP-0002-R1-00
编制人:
物料分类代号及物料代号登记表编码:Ⅳ-M-SMP-0002-R1-00
编制人:
物料分类代号及物料代号登记表
编码:Ⅳ-M-SMP-0002-R1-00
编制人:
因科瑞斯药业(营口)有限公司GMP文件
物料分类代号及物料代号登记表
编码:Ⅳ-M-SMP-0002-R1-00
编制人:。