螺纹紧固件拧紧力矩规范
- 格式:pdf
- 大小:55.58 KB
- 文档页数:2
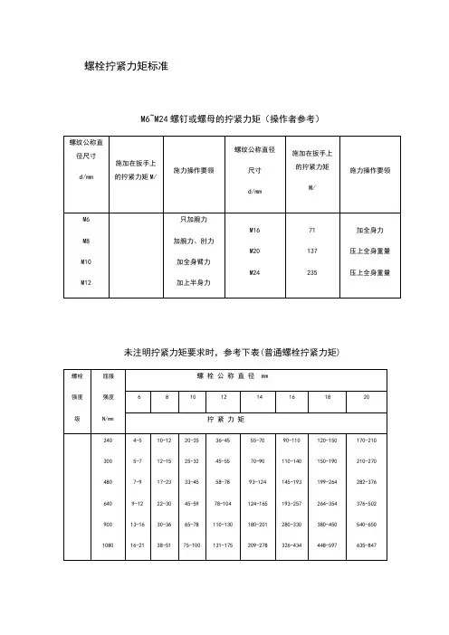
螺栓拧紧力矩标准M6~M24螺钉或螺母的拧紧力矩(操作者参考)未注明拧紧力矩要求时,参考下表(普通螺栓拧紧力矩)未注明拧紧力矩要求时,参考下表(普通螺栓拧紧力矩)公制螺栓扭紧力矩 Q/STB 范围:本标准适用于机械性能级,规格从M6-M39的螺栓的扭紧力矩,对于使用尼龙垫圈、密封垫圈、其它非金属垫圈的螺栓,本标准不适用。
★对于设计图纸有明确力矩要求的,应按图纸要求执行。
套管螺母紧固力矩 Q/STB B07833-1998紧固件的同行!您好!我是mDesign机械设计平台中国区总代理。
非常期待与您的合作。
我们希望在紧固件领域能有所作为。
我姓张,联系电话137*。
以下是MDESIGN机械设计平台的简要介绍:?? mDesign是源于德国的一款机械设计平台。
软件编制始于1983年,主要由mDesign公司、德累斯顿工业大学(Technische?Universit?t?Dresden)、VDI(德国工程师协会)、DIN的人员一同编制完成。
?软件主要是基于德国机械标准(VDI、DIN以及ISO)进行编制,对机械零件(齿轮、轴、轴承、螺栓、梁、联轴器、皮带、链条、胶接等等)进行计算和验证。
轴基于DIN743,高强度螺栓基于VDI2230,齿轮尺寸设计基于DIN3960,齿轮强度校核基于DIN3990/ISO6336。
MDESIGN对高强度螺栓、轴、齿轮箱、LVR、LVR?planet开发了独立的模块,除这些模块同时可对计算结果进行优化。
以下是这5个模块的主要功能:高强度螺栓模块:高温低温工况服役的螺栓、可计算最多5层的被连接件、空心螺栓、自定义齿轮螺栓、不可简化的多螺栓分布、偏心负载工况。
同时我公司聘请了德国波鸿大学的技术支持,专门研究vdi2230的。
以下模块如果您有朋友在做的话也请帮忙推荐。
轴模块:同时对一根轴的8个轴承和50个轴段进行设计、校验和优化、空心轴、锥形轴、自定义槽口、寿命以及疲劳。
齿轮模块:齿轮设计、校验及优化,齿轮修形,行星轮修形。
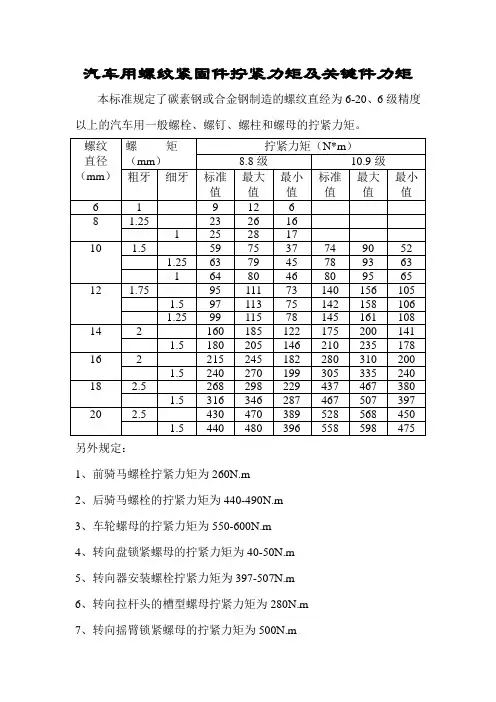
汽车用螺纹紧固件拧紧力矩及关键件力矩本标准规定了碳素钢或合金钢制造的螺纹直经为6-20、6级精度以上的汽车用一般螺栓、螺钉、螺柱和螺母的拧紧力矩。
另外规定:
1、前骑马螺栓拧紧力矩为260N.m
2、后骑马螺栓的拧紧力矩为440-490N.m
3、车轮螺母的拧紧力矩为550-600N.m
4、转向盘锁紧螺母的拧紧力矩为40-50N.m
5、转向器安装螺栓拧紧力矩为397-507N.m
6、转向拉杆头的槽型螺母拧紧力矩为280N.m
7、转向摇臂锁紧螺母的拧紧力矩为500N.m
8、传动轴连接螺栓拧紧力矩为210N.m
9、发动机与支架紧固螺栓力矩为180N.m
加注润滑油及其它液体表:
加注(涂抹)润滑脂部位及数量:
注:润滑脂均用ZBE36007-88合成复合钙基润滑脂ZFG-3H 其它拧紧力矩的规定(N.m)
车轮螺母。
螺钉拧紧力矩标准螺钉拧紧力矩是指在螺纹连接中,用于产生预紧力或者限制零件相对运动的一种力矩。
螺钉拧紧力矩标准是指在螺纹连接中,规定了螺纹连接在拧紧过程中所需要的力矩数值范围,以确保连接的可靠性和安全性。
螺钉拧紧力矩标准的制定对于机械制造和装配具有重要意义,它可以保证螺纹连接的质量,防止因拧紧力矩不足或者过大而导致的螺纹松动或者损坏。
螺钉拧紧力矩标准的制定需要考虑多方面因素,包括螺纹连接的材料、尺寸、工作环境、受力情况等。
一般来说,螺纹连接的材料越硬、尺寸越大、受力情况越严峻,所需的拧紧力矩就越大。
而在特定的工作环境下,也需要根据实际情况来确定合适的拧紧力矩数值范围。
因此,螺钉拧紧力矩标准的制定需要综合考虑各种因素,以确保螺纹连接的安全可靠。
在实际应用中,螺钉拧紧力矩标准的执行需要依靠专用的工具和设备来实现。
通常情况下,会采用扭力扳手、液压扭矩扳手、电动扭矩扳手等专用工具来进行螺钉的拧紧,以确保拧紧力矩的准确控制。
在进行螺钉拧紧时,操作人员需要根据具体的螺纹连接要求,选择合适的扭矩数值,并严格按照标准操作程序进行拧紧,以确保螺纹连接的质量。
除了严格执行螺钉拧紧力矩标准外,还需要对螺纹连接进行定期的检查和维护。
定期检查螺钉拧紧力矩是否符合标准要求,及时发现并处理拧紧力矩不足或者过大的情况,以确保螺纹连接的安全可靠。
同时,还需要对螺纹连接进行润滑、防锈等维护工作,延长螺纹连接的使用寿命。
总之,螺钉拧紧力矩标准的制定和执行对于螺纹连接的质量和安全具有重要意义。
只有严格按照标准要求进行操作,并定期进行检查和维护,才能确保螺纹连接的可靠性和安全性。
希望各位操作人员能够认真对待螺钉拧紧力矩标准,做好螺纹连接的安装和维护工作,确保设备和工程的安全运行。
螺栓拧紧力矩标准M6~M24螺钉或螺母的拧紧力矩(操作者参考)螺纹公称直径尺寸d/mm 施加在扳手上的拧紧力矩M/N.m施力操作要领螺纹公称直径尺寸d/mm施加在扳手上的拧紧力矩M/N.m施力操作要领M6 3.5 只加腕力M16 71 加全身力M8 8.3 加腕力、肘力M20 137 压上全身重量M10 16.4 加全身臂力加上半身力M24 235 压上全身重量M12 28.5未注明拧紧力矩要求时,参考下表(普通螺栓拧紧力矩)螺栓屈服螺栓公称直径 mm强度强度68 10 12 14 16 18 20级 2N/mm拧紧力矩 N.m4.6 240 4-5 10-12 20-25 36-45 55-70 90-110 120-150 170-2105.6 300 5-7 12-15 25-32 45-55 70-90 110-140 150-190 210-2706.8 480 7-9 17-23 33-45 58-78 93-124 145-193 199-264 282-3768.8 640 9-12 22-30 45-59 78-104 124-165 193-257 264-354 376-50210.9 900 13-16 30-36 65-78 110-130 180-201 280-330 380-450 540-65012.9 1080 16-21 38-51 75-100 131-175 209-278 326-434 448-597 635-847未注明拧紧力矩要求时,参考下表(普通螺栓拧紧力矩)螺栓屈服螺栓公称直径mm强度强度22 24 27 30 33 36 39级 2N/mm拧紧力矩N.m4.6 240 230-290 300-377 450-530 540-680 670-880 900-1100 928-12375.6 300 290-350 370-450 550-700 680-850 825-1100 1120-1400 1160-15466.8 480 384-512 488-650 714-952 969-1293 1319-1759 1694-2259 1559-20798.8 640 512-683 651-868 952-1269 1293-1723 1759-2345 2259-3012 2923-3898 10.9 900 740-880 940-1120 1400-1650 1700-2000 2473-3298 2800-3350 4111-5481 12.9 1080 864-1152 1098-1464 1606-2142 2181-2908 2968-3958 3812-5082 4933-6577公制螺栓扭紧力矩Q/STB 12.521.5-2000范围:本标准适用于机械性能10.9级,规格从M6-M39的螺栓的扭紧力矩,对于使用尼龙垫圈、密封垫圈、其它非金属垫圈的螺栓,本标准不适用。
螺栓拧紧力矩标准M6~M24螺钉或螺母的拧紧力矩(操作者参考)未注明拧紧力矩要求时,参考下表(普通螺栓拧紧力矩)未注明拧紧力矩要求时,参考下表(普通螺栓拧紧力矩)公制螺栓扭紧力矩 Q/STB 范围:本标准适用于机械性能级,规格从M6-M39的螺栓的扭紧力矩,对于使用尼龙垫圈、密封垫圈、其它非金属垫圈的螺栓,本标准不适用。
★对于设计图纸有明确力矩要求的,应按图纸要求执行。
套管螺母紧固力矩 Q/STB B07833-1998紧固件的同行!您好!我是mDesign机械设计平台中国区总代理。
非常期待与您的合作。
我们希望在紧固件领域能有所作为。
我姓张,联系电话137*。
以下是MDESIGN机械设计平台的简要介绍:?? mDesign是源于德国的一款机械设计平台。
软件编制始于1983年,主要由mDesign公司、德累斯顿工业大学(Technische?Universit?t?Dresden)、VDI(德国工程师协会)、DIN 的人员一同编制完成。
?软件主要是基于德国机械标准(VDI、DIN以及ISO)进行编制,对机械零件(齿轮、轴、轴承、螺栓、梁、联轴器、皮带、链条、胶接等等)进行计算和验证。
轴基于DIN743,高强度螺栓基于VDI2230,齿轮尺寸设计基于DIN3960,齿轮强度校核基于DIN3990/ISO6336。
MDESIGN对高强度螺栓、轴、齿轮箱、LVR、LVR?planet开发了独立的模块,除这些模块同时可对计算结果进行优化。
以下是这5个模块的主要功能:高强度螺栓模块:高温低温工况服役的螺栓、可计算最多5层的被连接件、空心螺栓、自定义齿轮螺栓、不可简化的多螺栓分布、偏心负载工况。
同时我公司聘请了德国波鸿大学的技术支持,专门研究vdi2230的。
以下模块如果您有朋友在做的话也请帮忙推荐。
轴模块:同时对一根轴的8个轴承和50个轴段进行设计、校验和优化、空心轴、锥形轴、自定义槽口、寿命以及疲劳。
齿轮模块:齿轮设计、校验及优化,齿轮修形,行星轮修形。
Issuer: Department: Released: Releasedate: Page: 赵军娃装配常宪君07-11-07 11. 概述 GENERAL INFORMATION本标准适用于装配车间的一般螺纹、螺钉、螺柱和螺母的紧固。
2. 范围 SCOPE适用于装配车间的各条生产线。
3. 程序 PROCEDUREa.按照《QC/T 518-1999 汽车用螺纹紧固件拧紧扭矩规范》;机械性能为4.6级的螺栓、螺钉和螺柱,其拧紧扭矩按表1的规定。
考虑到我们产品的实际使用状况,在装配使用的4.6级、5.6级、8.8级、10.9级的螺栓、螺钉和螺柱,都使用下表的扭矩:注:对于特殊位置或者特殊情况的装配力矩,可以适当加以调整。
对于特殊位置,比如同一规格螺栓在连接薄板时若不适当减小扭矩可能会导致薄板变形;特殊情况,例如焊接螺柱,如果扭矩不适当调整可能会将焊接螺柱拉掉。
对于特殊要求的扭矩具体大小,以WI中规定为准。
Issuer: Department: Released: Releasedate: Page: 赵军娃装配常宪君07-11-07 2b.自攻螺钉的安装力矩:螺丝的一般锁紧的安装力矩为其破坏力矩的60%计算。
此表摘自<<固安捷产品目录102>>第892页date: Page: Issuer: Department: Released: Release赵军娃装配常宪君07-11-07 3Issuer: Department: Released: Releasedate: Page: 赵军娃装配常宪君07-11-07 44.附件:a.《QC/T 518-1999 汽车用螺纹紧固件拧紧扭矩规范》b.《AA-MR-001-TS 安装指南附件_rev.0_CN》P10~P115.版本变更说明ISSUE CONTROL SHEET版本号Rev. No.状态Status发布人/日期Issuer /Date审批人/日期Approval/Date变更说明Description of change0 Released 赵军娃07-11-07常宪君07-11-07Initial Issue.QC/T 518-1999TS安装指南P10~P11。
中华人民共和国汽车行业标准汽车用螺纹紧固件拧紧力矩规范本标准适用于碳素钢或合金钢制造的螺纹直径为6-20㎜、6级精度以上的汽车用一般螺栓、螺钉、螺柱和螺母的紧固。
其螺纹尺寸及公差按GB 193-1981《普通螺纹直径与螺距系列》、GB 196-1981《普通螺纹基本尺寸》和GB 197-1981《普通螺纹公差与配合》标准的规范;螺栓、螺钉、螺柱和螺母机械性能,螺栓、螺钉、螺柱与螺母被拧入基体件强度级别的组合按GB3098-1982《紧固件机械性能》标准的规定。
本标准不适用于承受交变载荷或加润滑剂装配的螺栓、螺钉、螺柱和螺母的紧固件,以及紧定螺钉和类似的不规定抗拉强度的螺纹紧固件。
1、汽车用螺纹紧固件拧紧力矩国家机械工业局1999-03-15批准实施附录螺纹紧固件的拧紧力矩在拧紧螺母时,其拧紧扭矩M 需要克服被旋合螺纹间的摩擦力矩和螺母与被联接件(或垫圈)支承面之间的摩擦力矩,并使联接产生预紧力P 。
,它们的关系为M=KP 。
d ×10-3式中:M ——拧紧扭矩,N ·mK ——拧紧扭矩系数; P 。
——预紧力,N ; d ——螺纹直径,㎜。
要想得到规定的预紧力,应进行的量的实验求出拧紧扭矩系数的实际数值,通过以上的关系计算,把一定大小的扭矩施加到螺母上就能得到。
通过实验和数学分析得出,汽车用普通螺纹紧固件拧紧扭矩系数的平均值为0.284。
对于表1-表4中未规定的各级机械性能的螺纹紧固件的拧紧扭矩,可按(A2)、(A3)、(A5)经验公式计算确定。
螺纹紧固件最大拧紧扭矩为M max =0.170σs A s d ×10-3式中M max ——最大拧紧扭矩,N ·mσs ——螺纹紧固件的屈服强度N/mm 2; A s ——螺纹部分有效面积,mm 2。
A S =(4π232d d +)2式中:d 2——螺纹中径,㎜;d 3=d 1-H/6,㎜;d 1——螺纹小径,㎜; H=0.866p ,㎜; p ——螺距,㎜。
QCT 518-1999 汽车用螺纹软固件拧紧扭矩规范QC/T 518-1999 代替JB 3677-84汽车用螺纹紧固件拧紧扭矩规范本标准适用于碳素钢或合金钢制造的螺纹直径为6~20mm、6级精度以上的汽车用一样螺栓、螺钉、螺柱和螺母。
其螺纹尺寸及公差按GB 193—1981《一般螺纹直径与螺距系列》、GB196—1981《一般螺纹差不多尺寸》和GB 197—1981《一般螺纹公差与配合》标准的规定;螺栓、螺钉、螺柱和螺母机械性能,螺栓、螺钉、螺柱与螺母被拧入基体件强度级别的组合按GB 3098—1982《牢固件机械性能》标准的规定。
本标准不适用于承担交变载荷或加润滑剂装配的螺栓、螺钉、螺柱和螺母的紧固件,以及紧定螺钉和类似的不规定抗拉强度的螺纹紧固件。
1 汽车用螺纹紧固件拧紧扭矩1.1 机械性能为4.6级的螺栓、螺钉和螺柱,其拧紧扭矩按表1的规定。
表11.2 机械性能为5.6级的螺栓、螺钉和螺柱,其拧紧扭矩按表2的规定。
表21.3 机械性能为8.8级的螺栓、螺钉和螺柱,其拧紧扭矩按表3的规定。
表31.4 机械性能为10.9级的螺栓和螺柱,其拧紧扭矩按表4的规定。
表4附录A螺纹紧固件的拧紧扭矩(补充件)在拧紧螺母时,其拧紧扭矩M需要克服被旋合螺纹间的摩擦力矩和螺母与被联接件(或垫圈)支承面间的摩擦力矩,并使联接产生预紧力P0,它们的关系为M=KP0d×10-3…………………………………………(A1)式中:M——拧紧扭矩,N·m;K——拧紧扭矩系数;P0——预紧力,N;d——螺纹直径,mm。
要想得到规定的预紧力,应进行大量的试验求出拧紧扭矩系数的实际数值,通过以上的关系运算,把一定大小的扭矩施加到螺母上就能得到。
通过试验和数学分析得出,汽车用一般螺纹紧固件拧紧扭矩系数的平均值为0.284。
关于表1~表4中未规定的各级机械性能的螺纹紧固件*的拧紧扭矩,可按(A2)、(A4)、(A5)体会公式运算确定。
螺栓拧紧力矩要求规范-CAL-FENGHAI.-(YICAI)-Company One1螺栓拧紧力矩标准M6~M24螺钉或螺母的拧紧力矩(操作者参考)未注明拧紧力矩要求时,参考下表(普通螺栓拧紧力矩)未注明拧紧力矩要求时,参考下表(普通螺栓拧紧力矩)公制螺栓扭紧力矩 Q/STB 范围:本标准适用于机械性能级,规格从M6-M39的螺栓的扭紧力矩,对于使用尼龙垫圈、密封★对于设计图纸有明确力矩要求的,应按图纸要求执行。
套管螺母紧固力矩 Q/STB B07833-1998紧固件的同行!您好!我是mDesign机械设计平台中国区总代理。
非常期待与您的合作。
我们希望在紧固件领域能有所作为。
我姓张,联系电话137*。
以下是MDESIGN机械设计平台的简要介绍:mDesign是源于德国的一款机械设计平台。
软件编制始于1983年,主要由mDesign公司、德累斯顿工业大学(TechnischeUniversittDresden)、VDI(德国工程师协会)、DIN的人员一同编制完成。
软件主要是基于德国机械标准(VDI、DIN以及ISO)进行编制,对机械零件(齿轮、轴、轴承、螺栓、梁、联轴器、皮带、链条、胶接等等)进行计算和验证。
轴基于DIN743,高强度螺栓基于VDI2230,齿轮尺寸设计基于DIN3960,齿轮强度校核基于DIN3990/ISO6336。
MDESIGN对高强度螺栓、轴、齿轮箱、LVR、LVR?planet开发了独立的模块,除这些模块同时可对计算结果进行优化。
以下是这5个模块的主要功能:高强度螺栓模块:高温低温工况服役的螺栓、可计算最多5层的被连接件、空心螺栓、自定义齿轮螺栓、不可简化的多螺栓分布、偏心负载工况。
同时我公司聘请了德国波鸿大学的技术支持,专门研究vdi2230的。
以下模块如果您有朋友在做的话也请帮忙推荐。
轴模块:同时对一根轴的8个轴承和50个轴段进行设计、校验和优化、空心轴、锥形轴、自定义槽口、寿命以及疲劳。
中华人民共和国汽车行业标准汽车用螺纹紧固件拧紧力矩规范本标准适用于碳素钢或合金钢制造的螺纹直径为6-20 mm、6级精度以上的汽车用一般螺栓、螺钉、螺柱和螺母的紧固。
其螺纹尺寸及公差按GB 193-1981《普通螺纹直径与螺距系列》、GB 196-1981《普通螺纹基本尺寸》和GB 197-1981《普通螺纹公差与配合》标准的规范;螺栓、螺钉、螺柱和螺母机械性能,螺栓、螺钉、螺柱与螺母被拧入基体件强度级别的组合按GB3098-1982《紧固件机械性能》标准的规定。
本标准不适用于承受交变载荷或加润滑剂装配的螺栓、螺钉、螺柱和螺母的紧固件,以及紧定螺钉和类似的不规定抗拉强度的螺纹紧固件。
1汽车用螺纹紧固件拧紧力矩1.1机械性能为4.6级的螺栓、螺钉和螺柱,其拧紧力矩按表1的规定。
国家机械工业局批准实施1.2机械性能为5.6级的螺栓、螺钉和螺柱,其拧紧力矩按表2规定。
1.4机械性能为10.9级的螺栓和螺柱,其拧紧力矩按表4规定。
附录螺纹紧固件的拧紧力矩在拧紧螺母时,其拧紧扭矩M需要克服被旋合螺纹间的摩擦力矩和螺母与被联接件(或垫圈)支承面之间的摩擦力矩,并使联接产生预紧力P。
,它们的关系为3M=KP。
d X 10-式中:M ――拧紧扭矩,N • mK ――拧紧扭矩系数;P。
一一预紧力,N ; d 螺纹直径,伽。
要想得到规定的预紧力,应进行的量的实验求出拧紧扭矩系数的实际数值,通过以上的关系计算,把一定大小的扭矩施加到螺母上就能得到。
通过实验和数学分析得出,汽车用普通螺纹紧固件拧紧扭矩系数的平均值为0.284。
对于表1-表4中未规定的各级机械性能的螺纹紧固件的拧紧扭矩,可按(A2 )、(A3 )、(A5 )经验公式计算确定。
螺纹紧固件最大拧紧扭矩为-3M max=0.170 d s A s d X 10式中M max ---------- 最大拧紧扭矩,N • md s――螺纹紧固件的屈服强度N/mm 2;A s――螺纹部分有效面积,mm2。
螺纹紧固件紧固扭矩规范文件编号:ZYGY‐003 版本号:Rev . 2 页数 1 / 3 一、适用范围本规定适用于公司内部电机类零件螺纹直径3~30mm紧固件的紧固扭矩。
无特殊要求,拧紧前螺纹啮合部位需按要求涂螺纹锁固胶,按对称交叉顺序或近似于对称交叉顺序先预紧后拧紧,拧紧后在螺钉(或螺母)与工件接触面画线标识。
本规定适用于符合以下条件,以控制扭矩方式进行的紧固。
1)外螺纹的机械性能符合GB/T3098.1规定的4.8、5.8 、8.8、10.9、12.9级;2)内螺纹机械性能符合GB/T3098.2或GB/T3098.1 且具有充分发挥螺纹联接副承载能力的精度;3)螺纹符合GB/T 196,螺纹精度不低于GB/T 197 规定的6级;4)内、外螺纹件的六角对边尺寸符合GB/T 3104规定的标准系列;5)外螺纹在紧固中承受轴向拉伸载荷。
6)特别注意:若螺钉联接件为铜制或铝制件,按5.8级拧紧力矩要求拧紧固定。
螺纹等级为8.8—12.9级,暂统一按8.8级拧紧力矩要求拧紧固定。
本规定不适用于外螺纹见在紧固中承受压缩里的紧定螺钉、由外螺纹件攻出螺纹的自攻螺钉及大螺钉、以及有效力矩型螺纹紧固件的紧固;本标准不适用于加润滑剂装配的螺栓、螺钉、螺柱和螺母的紧固件,以及紧定螺钉和类似的不规定抗拉强度的螺纹紧固件。
当表面状态不同、支撑面尺寸及形态与标准条件差异较大,以致预紧力不能满足要求以及对预紧力有特别要求时,应对紧固力矩进行调整。
二、规范性引用文件本规范主要以《QC/T 518-2007 汽车螺纹紧固件紧固扭矩》为参考,在第一版基础上结合公司实际情况而制定。
其它还参考的资料有:1) 《QC/T 518-1999 汽车螺纹紧固件紧固扭矩》2)《机械加工工艺员设计手册》——普通螺栓拧紧力矩 (陈宏钧 主编)3) 《机械装配技术》 (徐兵 编著)4) 东风日产——螺栓拧紧力矩标准螺纹紧固件紧固扭矩规范号:Z Y G Y ‐003版本号:R e v . 2页数 2 / 3常用未注螺钉、螺母紧固扭矩值以下表格规定公司常用的未注螺钉、螺母紧固扭矩标准值。
螺栓拧紧力矩标准M6~M24螺钉或螺母的拧紧力矩(操作者参考)未注明拧紧力矩要求时,参考下表(普通螺栓拧紧力矩)未注明拧紧力矩要求时,参考下表(普通螺栓拧紧力矩)公制螺栓扭紧力矩Q/STB 12.521.5-2000范围:本标准适用于机械性能10.9级,规格从M6-M39的螺栓的扭紧力矩,对于使用尼龙垫圈、密封垫圈、其它非金属垫圈的螺栓,本标准不适用。
★对于设计图纸有明确力矩要求的,应按图纸要求执行。
套管螺母紧固力矩Q/STB B07833-1998材料HPb63-3Y2直通式压注油杯Q/STB B07020-1998(螺纹M6、M8*1、M10*1)紧固力矩:0.3-0.5Kg.m。
安全阀Q/STB B07029-1998(螺纹R1/8)紧固力矩:2.9-4.9Nm。
通气塞Q/STB B07030-1998 (螺纹R1/4)紧固力矩:2.94-5.88Nm。
螺塞Q/STB B07040-1998(公称直径08-10螺距1.25,12-36螺距1.5)螺栓(排气)Q/STB B07060-1998(M12*1.5)紧固力矩:58.8-78.4N.m。
软管(锥形密封)Q/STB B07100-1998软管(锥形密封)Q/STB B07123-1998(接头部螺母拧紧力矩)螺母(球头式管接头用)Q/STB B07201-1998 拧紧力矩:N.m 材料:(Q235)管接头螺母Q/STB B07202-1998拧紧力矩(Q235 / HPb 59-1)铰接螺栓Q/STB B07206-1998拧紧力矩(Q235)球头式端直通接头Q/STB B07211-1998 拧紧力矩(Q235 HPb 60-1 )表中拧紧力矩适用于钢制接头管接头Q/STB B07212-1998紧固力矩(区分代号为5、7的件材料Q235)套管螺母Q/STB B07221-1998拧紧力矩(材料Q235)管接头Q/STB B07230-1998拧入紧固力矩(Q235)弯头(带座)Q/STB B07235-1998 、B07236-1998 拧紧力矩喉箍Q/STB B07281-1998拧紧力矩U形管夹及座Q/STB B07283-1998螺母的紧固力矩(区分代号2、3使用)管夹Q/STB B07289-1998(有效紧固直径φ25-φ232) 紧固力矩:8.8±05Nm套管接头Q/STB B07290-1998套管螺母Q/STB B07833-1998软管(空调器用)Q/STB B09488-1998。
螺栓的拧紧力矩标准本篇文章将列出各类螺丝的拧紧力矩标准,当用户未注明拧紧力矩要求时,我们所参考的参考的标准。
需要强调的是:拧紧力矩和破坏扭力是两个概念,拧紧力(矩)是指螺丝拧入工件的建议值;破坏扭力(即破坏扭矩)指将螺丝拧断的最小值(详见紧固件的破坏扭矩标准GB3098.13),很显然,拧紧力矩是少于破坏扭矩的。
这是普通螺栓拧紧力矩:公制螺栓扭紧力矩Q/STB 12.521.5-2000范围:本标准适用于机械性能10.9级,规格从M6-M39的螺栓的扭紧力矩,对于使用尼龙垫圈、密封垫圈、其它非金属垫圈的螺栓,本标准不适用。
注:对于设计图纸有明确力矩要求的,应按图纸要求执行。
谈螺栓预紧力的选用和螺栓强度校核螺栓作为连接件,使用十分广泛, 其在机车车辆、航太航空、风电机组上的使用环境大多是高强度高应力, 而在乘用车主要部件的使用环境大多是低应力卨周期,但仍然存在著极大的隐患。
从安全角度来说,螺栓所联接的部件都是很昂贵的。
所以,螺栓失效时,损坏的不仅仅是它们本身,而是整个产品。
螺栓连接作为汽车装配上的重要应用,据有关资料介绍,根据发动机上的螺纹紧固件通常在1500?2000 颗左右,品种更是高达100个以上,规格也是从M6?M30不等,而其中大约100颗是与车辆的安全性能有密切联系的。
而做为在装配过程中最重要的螺栓规格及预紧力的选用,存在理论上的不足和认识的误区。
不论螺纹紧件作为连接或密封作用,还是需要装配的子零件,都有一定的屈服极限。
在装配过程中,如果预紧力过大,使零件的变形量超过零件的屈服强度,零件就会损环。
故装配件要长时间稳定有效工作,设计人员必须对螺栓预紧力进行规范设计。
1.螺栓预紧力的选用螺栓作为重要的连接件,在总成件安装时必须拧紧,在连接承受工作载荷之前,预先受到力的作用,这个预加的力就是预紧力;预紧的目得到是为了增强连接的可靠性和紧密性,防止总成安装件在工作时候,受到力的作用,各连接件之间出现缝隙或相对滑移,所以在总成件的设计中,必须对预紧力的大小进行规范设计。
螺栓拧紧力矩标准M6~M24螺钉或螺母的拧紧力矩(操作者参考)未注明拧紧力矩要求时,参考下表(普通螺栓拧紧力矩)未注明拧紧力矩要求时,参考下表(普通螺栓拧紧力矩)公制螺栓扭紧力矩 Q/STB 12.521.5-2000范围:本标准适用于机械性能10.9级,规格从M6-M39的螺栓的扭紧力矩,对于使用尼龙垫圈、密封垫圈、其它非金属垫圈的螺栓,本标准不适用。
★对于设计图纸有明确力矩要求的,应按图纸要求执行。
套管螺母紧固力矩 Q/STB B07833-1998紧固件的同行!您好!我是mDesign机械设计平台中国区总代理。
非常期待与您的合作。
我们希望在紧固件领域能有所作为。
我姓张,联系电话137*61966719。
以下是MDESIGN机械设计平台的简要介绍:mDesign是源于德国的一款机械设计平台。
软件编制始于1983年,主要由mDesign公司、德累斯顿工业大学(Technische Universität Dresden)、VDI(德国工程师协会)、DIN的人员一同编制完成。
软件主要是基于德国机械标准(VDI、DIN以及ISO)进行编制,对机械零件(齿轮、轴、轴承、螺栓、梁、联轴器、皮带、链条、胶接等等)进行计算和验证。
轴基于DIN743,高强度螺栓基于VDI2230,齿轮尺寸设计基于DIN3960,齿轮强度校核基于DIN3990/ISO6336。
MDESIGN对高强度螺栓、轴、齿轮箱、LVR、LVR planet开发了独立的模块,除这些模块同时可对计算结果进行优化。
以下是这5个模块的主要功能:高强度螺栓模块:高温低温工况服役的螺栓、可计算最多5层的被连接件、空心螺栓、自定义齿轮螺栓、不可简化的多螺栓分布、偏心负载工况。
同时我公司聘请了德国波鸿大学的技术支持,专门研究vdi2230的。
以下模块如果您有朋友在做的话也请帮忙推荐。
轴模块:同时对一根轴的8个轴承和50个轴段进行设计、校验和优化、空心轴、锥形轴、自定义槽口、寿命以及疲劳。