8255,8253交通灯模拟实验
- 格式:doc
- 大小:19.50 KB
- 文档页数:1
8255控制交通灯实验总结
8255控制
交通灯实验总结
一、实验目的
1. 掌握8255控制器的控制原理和编程过程;
2. 学习8255控制器的编程、基本操作;
3. 通过实验指导的方式,掌握控制交通灯的基本原理;
4. 通过编程,实现交通灯控制系统的实现。
二、实验过程
1. 首先要对8255的编程进行编程,这就需要根据8255的控制字节和模式的要求进行操作;
2. 然后用它来控制交通灯,这需要根据交通灯的运行原理和总线接线的方式来编程控制它;
3. 然后对所做程序进行测试,以验证其控制的可靠性。
三、实验结果
通过本次实验,我们学会了怎样编程控制8255,并且学会了8255控制交通灯的方式,本次实验编程操作也顺利完成,经测试验证,程序实现的正确,交通灯可以根据8255控制运行。
四、总结
本次实验主要是让我们学习掌握8255模块的操作,实现8255控制交通灯的运行,实验结果证明,程序实现正确,交通灯可以根据8255控制运行。
今后,如果能继续拓展,可以把8255用来控制更复
杂的系统,这将有助于我们深入了解和掌握8255控制器的操作技术。
实验九可编程接口芯片8255应用(交通灯控制)双击自动滚屏发布者:admin 发布时间:2005-9-8 阅读:2151次一、实验目的1、学习扩展简单I/O接口的方法以及双色灯的使用。
2、进一步学习微处理器的编程技术。
二、实验要求编写程序,以8255作为输出口,控制4个双色LED灯(可发红、绿、黄光)红绿交替闪亮。
三、实验说明1、双色LED是由一个红色LED管芯和一个绿色LED管芯封装在一起,公用负端。
当红色正端加高电平,绿色正端加低电平时,红灯亮;红色正端加低电平,绿色正端加高电平时,绿灯亮;两端都加高电平时,黄灯亮。
2、本实验要求8255工作于方式0,四个双色灯红绿交替闪亮。
四、实验电路及连线将DG1~DG4,DR1~DR4用导线连至8255的PC0~PC7,8255的CS片选接至138译码处的200H~207插孔。
芯片在实验机的位置五、实验参考程序D1 EQU 10HD2 EQU 200HDA TA SEGMENTPB DB ?DA TA ENDSSTACK SEGMENT STACKSTA DW 50 DUP(?)TOP EQU LENGTH STASTACK ENDSCODE SEGMENTASSUME CS:CODE,DS:DATASTART: PUSH CSPOP DSMOV DX,203H ;设置为全输出MOV AL,80HOUT DX,ALMOV DX,202HOUT DX,AL ;清LEDMOV DX,202H ;全红MOV AL,0F0HOUT DX,ALMOV BX,7fHCALL DL YBG: MOV AL,01101001B ;南北绿,东西红OUT DX,ALMOV BX,D2CALL DL YMOV CX,03HXH1: AND AL,0F6H ;绿灭OUT DX,ALMOV BX,D1CALL DL YOR AL,09H ;绿亮OUT DX,ALMOV BX,D1CALL DL YLOOP XH1OR AL,90H ;南北黄OUT DX,ALMOV BX,D1CALL DL YMOV BX,D1CALL DL YMOV AL,10010110B ;南北红,东西绿OUT DX,ALMOV BX,D2CALL DL YMOV CX,03XH2: AND AL,0F9HOUT DX,ALMOV BX,D1CALL DL YOR AL,06HOUT DX,ALMOV BX,D1CALL DL YLOOP XH2OR AL,60HOUT DX,ALMOV BX,D1MOV BX,D1CALL DL YJMP BGDL Y PROC NEARPUSH CXDDD: MOV CX,0FFFHCCC: LOOP CCCDEC BXCMP BX,0JNE DDDPOP CXRETDL Y ENDPCODE ENDSEND START六、思考题有紧急车辆或紧急情况出现,如何处理?程序如何设计?七、实验报告要求1、实验内容为必做内容,其中,思考题须自行设计电路、连线及编写程序。
8255交通灯实验报告8255交通灯实验报告一、实验目的本实验旨在通过使用8255芯片控制交通灯的亮灭,熟悉和掌握8255芯片的使用方法,并了解交通灯控制系统的基本原理。
二、实验原理交通灯控制系统是一种常见的嵌入式系统,其核心是使用微控制器或者可编程逻辑器件控制交通灯的亮灭。
在本实验中,我们使用8255芯片作为控制器,通过控制芯片的输入输出端口,实现交通灯的控制。
8255芯片是一种通用输入输出设备,具有24个可编程的输入输出引脚,可以通过编程控制这些引脚的状态。
在本实验中,我们将使用8255芯片的其中8个引脚来控制交通灯的亮灭。
三、实验材料1. 8255芯片2. 交通灯模块3. 电路连接线4. 电源四、实验步骤1. 将8255芯片插入实验板上的相应位置,并根据芯片的引脚定义连接电路。
2. 将交通灯模块连接到8255芯片的输出端口。
3. 将电源连接到电路上,确保电源正常工作。
4. 编写控制程序,通过对8255芯片的输入输出端口进行编程,控制交通灯的亮灭。
5. 运行程序,观察交通灯的亮灭情况。
五、实验结果经过实验,我们成功地使用8255芯片控制了交通灯的亮灭。
通过编程控制8255芯片的输出端口,我们可以实现交通灯的各种状态,如红灯亮、绿灯亮、黄灯亮等。
实验结果表明,8255芯片是一种可靠且灵活的控制器,适用于各种嵌入式系统。
六、实验总结通过本次实验,我们深入了解了8255芯片的使用方法,并掌握了交通灯控制系统的基本原理。
8255芯片作为一种通用输入输出设备,具有广泛的应用前景。
在实际工程中,我们可以使用8255芯片来控制各种设备,如灯光、电机等,实现更加复杂的控制功能。
然而,本实验只是对8255芯片的基本应用进行了简单的演示。
在实际项目中,我们还需要考虑更多的因素,如多任务处理、中断处理等。
因此,我们需要进一步学习和掌握更加高级的嵌入式系统开发技术,以应对更加复杂的控制需求。
总之,本次实验为我们提供了一个宝贵的学习机会,让我们更加深入地了解了8255芯片的应用和交通灯控制系统的原理。
8255控制交通灯实验原理我们需要了解交通灯的工作原理。
一般来说,交通灯是通过控制红、黄、绿三个灯的亮灭来指示交通的状态。
红灯表示停车,黄灯表示准备行车,绿灯表示可以行车。
交通灯的亮灭是通过控制电流的开关来实现的。
在实验中,我们将使用8255芯片的三个I/O端口来控制交通灯的红、黄、绿三个灯。
具体来说,我们将把红灯连接到8255芯片的一个I/O端口,黄灯连接到另一个I/O端口,绿灯连接到第三个I/O端口。
通过编程控制这三个I/O端口的输出电平,我们就可以控制交通灯的亮灭。
在编程方面,我们需要使用汇编语言来编写控制程序。
首先,我们需要初始化8255芯片的工作模式。
通过将控制字写入控制寄存器,我们可以将8255芯片设置为输出模式,同时设置输出的电平。
然后,我们需要编写一个循环程序,不断改变输出的电平,从而实现交通灯灯光的变换。
具体来说,我们可以通过改变红、黄、绿三个灯的输出电平的组合来控制交通灯的亮灭。
在实验中,我们可以通过按下开关来触发交通灯的变换。
当按下开关时,控制程序将会执行一次循环,改变交通灯的亮灭状态。
这样,我们就可以通过按下开关来模拟交通灯的工作过程。
通过这个实验,我们可以更好地理解8255芯片的工作原理,并且掌握使用8255芯片来控制外部设备的方法。
在实际应用中,我们可以利用8255芯片来控制各种外部设备,如LED灯、电机等。
这样,我们可以通过编程来实现对外部设备的控制,从而实现各种功能。
使用8255芯片来控制交通灯是一种简单而有效的方法。
通过编程控制8255芯片的输出电平,我们可以实现交通灯的亮灭变换。
这个实验不仅可以帮助我们更好地理解8255芯片的工作原理,还可以培养我们的编程能力。
希望通过这个实验,我们可以更好地掌握8255芯片的使用,为以后的学习和工作打下良好的基础。
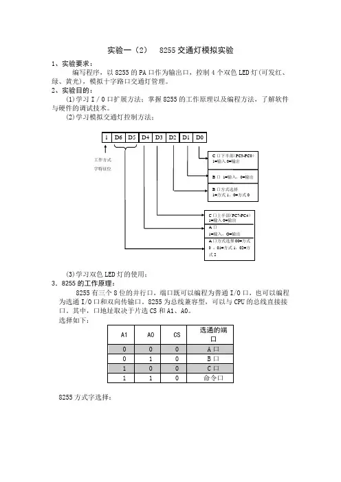
实验一(2) 8255交通灯模拟实验1、实验要求: 编写程序,以8255的PA 口作为输出口,控制4个双色LED 灯(可发红、绿、黄光),模拟十字路口交通灯管理。
2、实验目的:(1)学习I /0口扩展方法;掌握8255的工作原理以及编程方法,了解软件与硬件的调试技术。
(2)学习模拟交通灯控制方法;(3)学习双色LED 灯的使用;3.8255的工作原理:8255有三个8位的并行口,端口既可以编程为普通I/O 口,也可以编程为选通I/O 口和双向传输口。
8255为总线兼容型,可以与CPU 的总线直接接口。
其中,口地址取决于片选CS 和A1、A0。
选择如下:8255方式字选择:工作方式字特征位本实验中8255编程为PB口、PC口、PA口均输出,根据8255状态控制字选择方法。
8255控制字应为80H。
4.实验器材:(1)G2010+实验平台 1台(2)G6W仿真器1台(3)连线若干根(4)8255芯片1片(5)G2002—8086板 l块5.接线方案:6、实验说明:(1) 把G2002—8086板上的8255的片选CS5孔连“译码器”的YC2(0A000H)孔。
因8255片选信号为0A000H,所以,A口为0A000H、口为0A001H、C口为0A002H、命令口为0A003H。
(2) 因为本实验是模拟交通灯控制实验,所以要先了解实际交通灯的变化规律。
假设一个十字路口为东西南北走向。
初始状态0为东西红灯,南北红灯。
然后转状态1南北绿灯通车,东西红灯。
过一段时间转状态2,南北绿灯闪几次转亮黄灯,东西仍然红灯,延时儿秒。
再转状态3,东西绿灯通车,南北红灯。
过一段时间转状态4,东西绿灯闪几次转亮黄灯,延时几秒,南北仍然红灯。
最后循环至状态1。
(3)双色LED是由一个红灯LED管芯和一个绿色LED管芯封装在一起,公用负端。
当红色端加高电平,绿色正端加低电平,红灯亮;当红色端加低电平,绿色正端加高电干,绿灯亮;两端都加高电平时,黄灯亮。
(-)课题简介 (2)(二)设计方案 (2)(三)具体设计 (4)1.电路原理 (4)2. ........................................................ 程序原理: 63.系统原理 (8)1)....................................................................... 8259, 8255A, 8254 工作原理:84.关键技术分析 (13)1)实时控制和管理设计 (13)2)发光二极管闪烁程序 (14)3)源程序 (15)(四)测试 (21)1.在测试中遇到的问题记录 (21)2.测试结果 (22)(五)....................... 总结22 (六)........................... 设计体会23 (七)........................... 参考文献24(一)课题简介十字道口的红绿灯是交通法规的无声命令,是司机和行人的行为准则。
十字道口的交通红绿灯控制是保证交通安全和道路畅通的关键。
当前,国大多数城市正在采用“自动”红绿交通灯,它具有固左的“红灯一绿灯”转换间隔,并自动切换。
它们一般由“通行与禁止时间控制显示、红黄绿三色信号灯和方向指示灯”三部分组成。
在交通灯的通行与禁止时间控制显示中,通常要么东西、南北两方向务50秒:要么根拯交通规律,东四方向60秒,南北方向40秒,时间控制都是固泄的。
交通灯的时间控制显示,以固定时间值预先"固化”在单片机中,每次只是以一泄周期交替变化。
但是,实际上不同时刻的车辆流通状况是十分复杂的, 是高度非线性的、随机的,还经常受认为因素的影响。
采用定时控制经常造成道路有效应用时间的浪费,出现绿灯方向车辆较少,红灯方向车辆积压。
它不顾当前道路上交通车辆数的实际情况变化,苴最大的缺陷就在于当路况发生变化时,不能满足司机与路人的实际需要,轻者造成时间上的浪费,重者直接导致交通堵塞,导致城市交通效率的下降。
实验一 8255控制交通灯实验一、实验目的与要求1、了解8255芯片的工作原理,熟悉其初始化编程方法以及输入、输出程序设计技巧。
学会使用8255并行接口芯片实现各种控制功能,如本实验(控制交通灯)等。
并行接口芯片实现各种控制功能,如本实验(控制交通灯)等。
2、熟悉8255内部结构和与8088的接口逻辑,熟悉8255芯片的3种工作方式以及控制字格式。
字格式。
3、认真预习本节实验内容,尝试自行编写程序,填写实验报告。
、认真预习本节实验内容,尝试自行编写程序,填写实验报告。
二、实验设备STAR 系列实验仪一套、系列实验仪一套、PC PC 机一台机一台三、实验内容1、编写程序:使用8255的PA0..2PA0..2、、PA4..6控制LED 指示灯,实现交通灯功能。
指示灯,实现交通灯功能。
2、连接线路验证8255的功能,熟悉它的使用方法。
的功能,熟悉它的使用方法。
四、实验原理图D034D133D232D331D430D529D628D727PA04PA13PA22PA31PA440PA539PA638PA737PB018PB119PB220PB321PB422PB523PB624PB725PC014PC115PC216PC317PC413PC512PC611PC710RD 5WR 36A09A18RESET 35CS68255U36D0D1D2D3D4D5D6D7WRRD RSTA0A1PC5PC6PC7PC2PC3PC4PC0PC1DS35DS36DS37DS38DS39DS40DS4112345678VCCDS42A0A1CSCS1(0F000H)510R111510R112510R113510R114510R115510R116510R117510R118五、实验步骤1、连线说明:、连线说明:B4区:区:CS CS CS、、A0A0、、A1 ————A3区:CS1CS1、、A0A0、、A1B4区:区:JP56JP56JP56((PA 口)口)————G6区:区:JP65 JP652、观察实验结果,是否能看到模拟的交通灯控制过程。
微机原理实验报告——实验九交通灯控制实验姓名:学号:一、实验要求用8255、8253芯片模拟实现交通灯控制,要求亮灯时间用8253控制二、延时置数设计提供的时钟频率为1MHz,而8253最大工作频率为2MHz,所以无需分频。
延时5秒对应的计数初值为N=5秒/1MHz=5000000,因为8253有3个16位计数器,每个计数器最大计数初值为:65535<5000000,所以将两个计数器串联使用。
计数器0计数初值为1000,计数器1计数初值为5000。
三、实验内容1.实验电路原理图2.实际电路图2.实验流程图3.实验代码IOPORT EQU 5400H-280H ;定义CPU输出地址CODE SEGMENTASSUME CS:CODESTART: MOV AL, 00100101B ;设置8253用计数器0,只读高字节,方式2(自动重复),10进制MOV DX, IOPORT+293HOUT DX, ALMOV AL, 10H ;给计数器0置数1000(0001 0000 0000 0000)MOV DX, IOPORT+290HOUT DX, ALMOV AL, 10010000B ;初始化8255,1--控制字,A口方式0输入,C口输出,B口输出MOV DX, IOPORT+28BHOUT DX, ALINOUT: MOV AL, 00100100B ;南北路口绿灯亮,东西路口红灯亮MOV DX, IOPORT+28AH ;C口0方式输出,所以可以直接控制PC0~PC7的输出电平OUT DX, ALMOV AL, 01100001B ;设置8253通道1,只读高字节,方式0(不自动重复),10进制MOV DX, IOPORT+293HOUT DX, ALMOV AL, 50H ;置数5000,与计数器0串联即:延时5秒MOV DX, IOPORT+291HOUT DX, ALLOP1: MOV DX, IOPORT+288H ;A口查询,判断延时是否结束IN AL, DXCMP AL, 0JE LOP1 ;延时结束,顺序执行,否则继续查询MOV AL, 01000100B ;南北路口黄灯亮,东西路口红灯亮MOV DX, IOPORT+28AH ;C口0方式输出,所以可以直接控制PC0~PC7的输出电平OUT DX, ALMOV AL, 01100001B ;设置8253通道MOV DX, IOPORT+293HOUT DX, ALMOV AL, 30H ;延时3秒(1000*3000),原理与延时5秒一致MOV DX, IOPORT+291HOUT DX, ALLOP2: MOV DX, IOPORT+288H ;A口查询,判断延时是否结束IN AL, DXCMP AL, 0JE LOP2 ;延时结束,顺序执行,否则继续查询MOV AL, 10000001B ;南北路口红灯亮,东西路口绿灯亮MOV DX, IOPORT+28AH ;C口0方式输出,所以可以直接控制PC0~PC7的输出电平OUT DX, ALMOV AL, 01100001B ;设置8253通道1MOV DX, IOPORT+293HOUT DX, ALMOV AL, 50H ;延时5秒MOV DX, IOPORT+291HOUT DX, ALLOP3: MOV DX, IOPORT+288HIN AL, DXCMP AL, 0JE LOP3MOV AL, 10000010B ;南北路口红灯亮,东西路口黄灯亮MOV DX, IOPORT+28AHOUT DX, ALMOV AL, 01100001B ;设置8253通道1MOV DX, IOPORT+293HOUT DX, ALMOV AL, 30H ;延时3秒MOV DX, IOPORT+291HOUT DX, ALLOP4: MOV DX, IOPORT+288HIN AL, DXCMP AL, 0JE LOP4MOV AH, 0BH ;检查键盘状态(不等待),AL=FFH 表示有键入,AL=00H表示无键入INT 21HCMP AL,0FFH ;有键入,程序退出JNZ INOUTMOV AH, 4CHINT 21HCODE ENDSEND START四、实验中遇到的问题地址书上要求定义的范围是从280H开始的,而我们在编写程序的时候是从288H开始使用的,再连线的时候,忘记了这一点,而致使结果一直出不来,后来再检查连线的时候发现了这个问题,即使进行了改正,出现了预计效果,试验成功。
《微型计算机接口技术》大作业设计报告基于8255,8253的发声人性化交通灯控制设计日期:2011-1-7摘要十字路口车辆穿梭,行人熙攘,车行车道,人行人道,有条不紊。
井然秩序的实现,靠的是交通信号灯的自动指挥系统。
交通信号灯控制方式有很多。
本系统采用8255A芯片实现了A口设置红、绿、黄灯点亮时间的功能,从而控制LED发光二极管实现红、黄、绿灯循环点亮。
另外结合日常生活经验,并且从亚残会中对残疾人的生活不便中得出感悟,采用8253进行控制扬声器,在红、绿灯变换之间黄灯闪烁时,同时添加了“声音提示"功能。
整个系统具有固定的“红灯—黄灯—绿灯”转换间隔,并自动切换,对东西南北方向的道路进行“自动”的控制。
但是,经过小组成员提出的各种假设,发现此系统需要加入更多人性化的元素:交警可以根据实际的路面情况,针对不同的突发事件,进行手工控制红绿灯的转换。
例如救护车警车执行紧急任务;例如东西道路塞车,南北道路空闲无车辆行驶时,需要灵活调节红绿灯的转化。
通过8255并口控制,可以达到更加人性化的效果从而方便各种人群。
关键字:8255 交通灯控制8253 发声人性化第一部分概论1.1设计任务:交通信号灯的控制(1)通过8255并行接口来控制LED发光二极管的亮灭,并适当延时。
(2)黄灯闪烁时,通过8253控制扬声器发出声音,以提醒灯的转换。
(3)通过8255并口控制,人工进行交通灯的转换。
1.2 任务要求(1)南北路口的绿灯、东西路口的红灯同时亮5秒左右。
(2)南北路口的黄灯闪烁若干次,扬声器鸣叫,同时东西路口的红灯闪烁。
(3)南北路口的红灯、东西路口的绿灯同时亮5秒左右。
(4)南北路口的红灯闪烁、同时东西路口的黄灯亮闪烁若干次,扬声器鸣叫。
(5)转(1)重复。
紧急情况可以手动控制红绿灯的变换。
1.3设计原理本次课程设计是交通灯实时控制器,主要是用发光二极管模拟十字路口的红绿灯。
交通灯控制器的设计与实现主要是通过编写汇编语言程序利用8255的C 口对灯的亮与灭进行控制,用8253对扬声器的发声进行控制。
微机原理课程设计 8255控制交通灯微机原理课程设计-8255控制交通灯微机原理课程设计:8255模拟交通灯1、目的:自学8255采用方法,自学演示交通灯掌控的方法,自学双色灯的采用。
2、建议:掌控4个双色led灯(可以红肿,蓝,黄光),演示十字路口交通灯管理。
3、电路及连线pc0-pc3连dg1-dg4,pc4-pc7连dr1-dr4。
8255片选cs8255连138译码处210h。
4、说明(1)因为本实验就是演示交通灯掌控实验,所以必须先介绍实际交通灯的变化规律。
假设一个十字路口为东西南北走向。
初始状态0为东西红灯,南北红灯。
然后转状态1南北绿灯通车,东西红灯。
过一段时间转状态2,南北绿灯闪几次转亮黄灯,延时几秒,东西仍然红灯。
再转状态3,东西绿灯通车,南北红灯。
过一段时间转状态4,东西绿灯闪几次转亮黄灯,延时几秒,南北仍然红灯。
最后循环至状态1。
(2)双色led就是由一个红色led管芯和一个绿色led管芯PCB在一起,公用负端。
当红色正端提高电平,绿色正端提低电平时,红灯暗;红色正端提低电平,绿色正端提高电平时,绿灯暗;两端都提高电平时,黄灯暗。
(3)74ls240为8输入输出的逆向驱动器。
5、顺利完成的任务(1)利用计算机和微机原理试验箱,将实验6的程序tlamp_88.asm在试验箱运行和调试。
全速运行,观察整体效果。
单步运行,观察程序每条语句额执行效果,理解语句含义。
(2)修正实验连线为,pc7-pc4连dg1-dg4,pc3-pc0连dr1-dr4。
8255片挑选cs8255连138译码处为210h孔。
将tlamp_88.asm另存为jiaotong.asm。
修正jiaotong.asm,同时实现交通灯旧有功能。
(3)修改实验连线为,pb7-pb4连dg1-dg4,pb3-pb0连dr1-dr4。
8255片选cs8255连138译码处210h孔。
将jiaotong.asm另存为jiaotong2.asm。
微机原理8255A模拟交通信号灯实验三 8255A模拟交通灯一、实验目的掌握通过8255A并行口传输数据的方法,以控制发光二极管的亮与灭。
二、实验内容用8255做输出口,控制12个发光二极管亮灭,模拟交通灯管理三、实验要求1.通过8255A控制发光二极管,PB4-PB7对应黄灯,PC0-PC3对应红灯,PC4-PC7对应绿灯,模拟交通灯的管理。
2.交通灯的亮灭规律如下:设有一个十字路口,1、3为南北方向,2和4为东西方向。
初始状态为四个路口的红灯全亮,之后,1、3路口的绿灯亮,2、4路口的红灯亮,1、3方向通车。
延时一段时间后,1、3路口的绿灯熄灭,而黄灯开始闪烁,闪烁若干次后1、3路口红灯亮,同时2、4路口的绿灯亮,2、4路口方向通车,延时一段时间后,2、4路口的绿灯熄灭,黄灯开始闪烁,闪烁若干次后,再切换到1、3路口方向,之后,重复上述过程。
3.程序中设定8255A的工作模式及三个端口均工作在方式0,并处于输出状态。
8255A端口地址为0FF28H-0FF2BH。
4.各发光二极管共阳极,使其点亮应使8255A相应端口输出为0。
四、实验步骤1.根据实验要求连接好实验线路2.编写实验程序,编写的程序如下:;CODE SEGMENTASSUME CS:CODESTART:MOV DX,0FF2BHMOV AL,80HOUT DX,ALMOV DX,0FF2AHMOV AL,11110000BOUT DX,AL %初始化,红灯全亮,绿灯全亮MOV DX,0FF29HMOV AL,0FFHOUT DX,AL %初始化,黄灯全不亮AGAIN: MOV DX,0FF2AHMOV AL,10100101BOUT DX,AL %1、3路口绿灯亮,2、4路口红灯亮CALL DELAYX1:MOV DX,0FF29HMOV AL,01010000BOUT DX,ALMOV DX,0FF29HMOV AL,11110000BMOV CX,0FFFFHDEC CXJNZ X1MOV DX,0FF2AHMOV AL,01011010BOUT DX,AL %1、3路口红灯亮,2、4路口绿灯亮CALL DELAYX2:MOV DX,0FF29HMOV AL,10100000BOUT DX,ALMOV DX,0FF29HMOV AL,11110000BOUT DX,ALMOV CX,0FFFFHDEC CXJNZ X2JMP AGAINDELAY PROCMOV BX,0FFFFHX4: MOV CX,OFFFFHX3:DEC CXJNZ X3DEC BXJNZ X4DELAY ENDPHLTCODE ENDSEND START3.编译装载后运行程序,观察结果五、实验总结1、学会延迟程序的调用方式以及书写方式。
实验三 8255控制交通灯实验一、本实验所编写程序二、实验流程图D034D133D232D331D430D529D628D727PA04PA13PA22PA31PA440PA539PA638PA737PB018PB119PB220PB321PB422PB523PB624PB725PC014PC115PC216PC317PC413PC512PC611PC710RD 5WR 36A09A18RESET 35CS68255U36D0D1D2D3D4D5D6D7WRRD RSTA0A1PC5PC6PC7PC2PC3PC4PC0PC1DS35DS36DS37DS38DS39DS40DS4112345678VCCDS42A0A1CSCS1(0F000H)510R111510R112510R113510R114510R115510R116510R117510R118四、调试与总结1.调试(1)焊接时注意各个器件的引脚处,注意区分各个电阻与电容的数值要仔细看清楚,每一个器件都要尽量贴近印制板,最后,要用万用表测试一下,检查有没有短路的的地方。
(2)在设计电路时为节省引线数目利用P1.3作为电源驱动led但是这样驱动的led 亮度有限尤其是绿灯几乎不亮,所以测了一下高电平下的P1.3得知为2V左右所以改为5V 电源。
(3)在编写延时程序时尤其当延时常数太大时仿真时程序易错,所以使用定时器定时中断的方法,然后对定时计数以次延时。
2.总结通过本次课程设计较系统地掌握有关单片机控制的设计思想和设计方法,主要对AT89C5的结构、功能、内部资源等了解并对其进行测试和加以应用的知识得到学习。
这个设计的一些内容是在网上找的,自己做了一些的改动,在上网找资料的同时也学到了许多东西,找到了很多学习单片机的网站,里面的内容都比较适合我们初学者去学,有些网站还专门介绍这种单片机的类型、用法、功能等等。
其实我们平时不懂就应该自己去学习去弄明白,通过这个课程设计,使我发现,原来小小的一片单片机有这么强大的功能,能应用于各种领域。
接口单元实验(1) 8255可编程并行接口一、实验目的掌握8255方式0的工作原理及使用方法,用8255实现开关状态显示、十字路口交通信号灯的模拟控制。
二、实验要求1.编写程序,设定8255的PA端口为开关量输入,PC口为开关量输出,要求将PA端口的开关状态用PC端口的对应的发光二极管显示。
(提高篇:修改程序,根据输入,循环点亮发光二极管,例如开关2合上,则依次点亮灯2,3,。
,状态由对应的LED显示出来:ON对应LED亮,OFF对应LED灭。
4.文件不支持长文件名格式。
5.运行程序时,可用单步监控方式观察程序运行状态。
实验思考1.用编程的方法改变输出状态显示,即ON对应LED灭,OFF对应LED亮。
2.能否改变程序加载的段地址为8200H,偏移地址为2000H?在何处改动?3.通讯的波特率9600bps表示什么?2.实际的交通灯管理与本实验还有哪些不同?四.实验报告1.完成实验的两个程序。
2.总结8255工作方式0的特点。
参考程序框架:snYewY equ 0;全黄snRewR equ 0FH;全红snGewR equ 96H;南北绿东西红snDewR equ 9FH;东西红snYewR equ 06H;南北黄东西红;其他符号定义于此T1 equ 1000;结合实际修改延时T1/T2T2 equ 500…CPORT equ 204HDelay macro ntime;用于延时的宏定义Local delaylabelMov cx,ntimeoutloop:mov si,cxxor cx,cxdelaylabel:and ax,axLoop delaylabel mov cx,si loop outloop Endm;程序头部,参看以前实验;初始化:8255方式0,C 口输出 Mov al,snRewRMov dx,CPORTOut dx,alDelay 1000Cont:Mov al,snGewR Mov dx,CPORT Delay T1 MOV BX,3 Rept:Mov al,snDewR Out dx,al Delay T2Mov al,snYewR Out dx,al Delay T2 Dec bx Jnz reptMov al,snRewG Out dx,al Delay T2在添加指令 …jmp cont; 注意 这一条指令编译时会报错,原因是跳转的距离不在-128~127间,思考如何修改?8253定时/计数器实验一.实验要求编程将8253的定时器0设置为方式3(方波),定时器1设置为方式2(频率发生器),定时器2设置为方式2(频率发生器)。
基于单片机8255交通灯————————————————————————————————作者:————————————————————————————————日期:8255控制交通灯一、实验目的了解8255芯片的结构及编程方法,学习模拟交通灯控制的实现方法。
二、实验内容用8255做输出口,控制十二个发光二极管燃灭,模拟交通灯管理.三、实验说明1。
因为本实验是交通灯控制实验,所以要先了解实际交通灯的变化情况和规律。
假设一个十字路口为东西南北走向。
初始状态0为东西红灯,南北红灯。
然后转状态1东西绿灯通车,南北红灯。
过一段时间转状态2,东西绿灯灭,黄灯闪烁几次,南北仍然红灯。
再转状态3,南北绿灯通车,东西红灯.过一段时间转状态 4,南北绿灯灭,闪几次黄灯,延时几秒,东西仍然红灯.最后循环至状态1.四、实验程序框图五、实验接线图六、实验步骤①8255 PA0—PA7、PB0—PB3依次接发光二极管L1—L12.②以连续方式从0BB0H开始执行程序,初始态为四个路口的红灯全亮之后,东西路口的绿灯亮南北路口的红灯亮,东西路口方向通车.延时一段时间后东西路口的绿灯熄灭,黄灯开始闪耀。
闪耀若干次后,东西路口红灯亮,而同时南北路口的绿灯亮,南北路口方向开始通车,延时一段时间后,南北路口的绿灯熄灭,黄灯开始闪耀。
闪耀若干次后,再切换到东西路口方向,之后重复以上过程。
一摘要:本系统采用单片机、键盘、LED显示、交通灯演示系统组成.设计一个用于十字路口的车辆及行人的交通管理,系统包括左拐、右拐、及行基本的交通灯的功能,计时牌显示路口通行转换剩余时间,在出现紧急情况时可由交通手动实现全路口车辆禁行而行人通行状态。
另外,在特种车辆如119、120通过路口时,系统可自动转为特种车辆放行,其他车辆禁止通行的状态,15s后系统自动恢复正常管理。
其他还有 84s与60s通行管理转换等功能。
采用数码管与点阵LED相结合的显示方法,既要求倒计时数字输出,又要求有状态灯输出等。
微机原理课程设计——8255,8253交通灯模拟实验
文档介绍:交通信号灯的控制:
1.通过8255A并口来控制LED发光二极管的亮灭。
2.A口控制红灯,B口控制黄灯,C口控制绿灯。
3.输出为0则亮,输出为1则灭。
4.用8253定时来控制变换时间。
要求:设有一个十字路口,1、3为南,北方向,2、4为东西方向,初始态为4个路口的红灯全亮。
之后,1、3路口的绿灯亮,2、4路口的红灯亮,1、3路口方向通车。
延迟30秒后,1、3路口的绿灯熄灭,而1,3路口的黄灯开始闪烁(1HZ)。
闪烁5次后,1、3路口的红灯亮,同时2、4路口的绿灯亮,2、4路口方向开始通车。
延迟30秒时间后,2、4路口的绿灯熄灭,而黄灯开始闪烁。
闪烁5次后,再切换到1、3路口方向。
之后,重复上述过程。
系统原理
工作原理说明:
此方案是通过并行接口芯片8255A和8086计算机的硬件连接,以及通过8253延时的方法,来实现十字路口交通灯的模拟控制。
如硬件连接图所示,红灯(RLED),黄灯(YLEDD)和绿灯(GLED)分别接在8255的A,B,C口的低四位端口,PA0,PA1,PA2,PA3分别接1,2,3,4路口的红灯,B,C口类推。
8086工作在最小模式,低八位端口AD0~AD7接到8255和8253的D0~D7,AD8~AD15通过地址锁存器8282,接到三八译码器,译码后分别连到8255和8253的CS片选端。
8253的三个门控端接+5V,CLOCK0接由分频器产生的1MHZ的时钟脉冲,OUT0接到CLOCK1和CLOCK2,OUT1接到8086的AD18,8086通过检测此端口是否有高电平来判断是否30S定时到。
OUT2产生1MHZ 方波通过或门和8255的B口共同控制黄。