两化融合管理体系监督审核信息确认表
- 格式:docx
- 大小:11.54 KB
- 文档页数:10
两化融合体系文件、记录目录
编号:BK-RH-04-001 A/0版
两化融合文件评审记录表
编号:BK-RH-04-002 A/0版
版
密码管理登记簿
编号:BK-RH-04-005 A/0版
业务流程和组织结构优化申请
编号:BK-RH-04-006 A/0版
业务流程和组织结构优化方案
编号:BK-RH-04-007 A/0版
需求提报表
编号:BK-RH-04-008 A/0版
项目试运行申请单
编号:BK-RH-04-009 A/0版
版
版版
版
编制:审核:批准:
调整需求征集表
版
度两化融合评测工作计划
编号:BK-RH-04-014 A/0版
两化融合评估/测量/考核报告
形成每个岗位的关键考核指标(KPI),;
2、在考核周期前期,推行组织/员工绩效承诺,使组织目标与个人计划相统一;
3、考评阶段,请切实开展双向沟通的绩效面谈工作,以帮助员工进行绩效改善。
纠正和预防实施计划
编号:BK-RH-04-018 A/0版
版
版
两化融合内审检查表
编号:BK-RH-04-021 A/0版
两化融合内审不合格报告
编号:BK-RH-04-022 A/0版
版
两化管理评审报告
编号:BK-RH-04-026 A/0版。
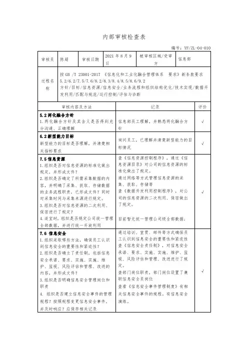
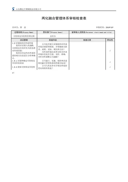
文件编号: WTKJ-IFI-P3/2-0佃两化融合管理体系审核检查表受审核部门:信息中心审核组长:高大明审核员:陈延风、秦体进、李屹然序号审核内容审核记录合格( Y/N)6.2 资金投入1、是否有资金的使用、投入相关制度规定?12、针对技术改造、设备设施、系统建设、运行维护、咨询培训等,每年有资金需求计划,设立专项资金,并保证资金使用有《皖通科技资金支付审批管理办法》《皖通科技应收账款管理办法》《募集资金使用管理办法》等Y的有效,是否有相关制度规定?6.3人才保障公司建立了许多人力资源管理规1、在人才保障方面建立并实施了哪些管理规定?22、如何对各岗位能力识别和制定,是否涉及所有岗位?通过通过业务培训和实际能力测试,有记录。
Y什么方式确保本部门人员能力持续达到要求?建立了。
有记录。
3、是否建立信息系统使用考核机制?有无记录?34 566.4 设备设施1、部门负责和管理的设备类型?2、相关的设备是否制定相关的管理规定?3、定期的检查和维护的记录是否齐全?4、与设备设施有关风险是否识别?是否采取措施降低险?是否制定相应的应急预案并实施?6.5 信息资源你所使用或产出的数据、信息、知识等信息,是否易于有没有统一管理?是否存在机密信息泄密情况?6.6 信息安全1?组织采取哪些方法,确保员工人事到信息安全的重要迫性2?组织是否确立了责任制,包括信息承诺、要求、实施、监视、风险评估和管理、改进的内容,并形成文3?组织是否明确信息安全管理岗位和职责4?组织是否建立信息安全事件的管理规程?按照规程变安全事件,并及时响应?应保存相关记录。
7.2 策划 7.2.1总则建立监视测量设备清单、有检测设 备校准、检定计划、校准记录和检 定证书等资料。
通过《公用工具管 理》《顾客财产控制程序》《产品防 护》《检测设备风的控制》对设备实施进行全面管理。
数据于项目管理系统、 0A 系统等中 获取,获取?定期维护,统一管理,泄密 的风险较小组织建立了 IS027000 体系,并保存 有性和紧相关记录维持、更信息是的。
两化融合管理体系审核检查表
审核过程:最高管理者在体系中的履职过程(4.2、4.3、4.4.1、4.4.2、5.1、5.2、5.4、6.1、6.2、7.1、9.6)受审核部门:审核员:审核时间:
两化融合管理体系审核检查表审核过程:管理者代表在体系中的履职过程(4.1、5.3、5.4、8.1、9.1、9.4、10.1)
受审核部门:审核员:审核时间:
两化融合管理体系审核检查表审核过程:文件化管理体系的运行(4.1、4.4.3)
受审核部门:审核员:审核时间:
两化融合管理体系审核检查表审核过程:新型能力的识别及策划过程(4.2、4.3、6.1、6.2、6.3、9.2、9.3)
受审核部门:审核员:审核时间:
两化融合管理体系审核检查表审核过程:新型能力的建设及运行过程(5.4、7.2、7.3、7.4、7.5、8.2、8.3、8.4、8.5、8.6)
受审核部门:审核员:审核时间:
两化融合管理体系审核检查表审核过程:两化融合及其管理体系绩效的评测与改进过程(6.2、9.2、9.3、9.5、10.2)
受审核部门:审核员:审核时间:
两化融合管理体系审核检查表审核过程:全员参与培育过程(5.2、5.4、7.3)
受审核部门:审核员:审核时间:
两化融合管理体系审核检查表审核过程:设备设施及信息资源保障过程(7.4、7.5、7.6、8.6)
受审核部门:审核员:审核时间:
两化融合管理体系审核检查表审核过程:资金保障过程(7.2)
受审核部门:审核员:审核时间:。
两化融合内审检查表
文件编号;
内部审核检查表
(审核过程:管理者代表履职过程受审核部门/人员:管理者代表)
表单编号:XXXX-JZ-016(第一版)代号:Q/RHSG1602C-XXXX
内部审核检查表
(审核过程:文件化管理体系的运行受审核部门/人员:技术中心)
表单编号:XXXX-JZ-016(第一版)代号:Q/RHSG1602C-XXXX
内部审核检查表
(审核过程:全员参与的意识培养过程受审核部门/人员:见备注栏)
表单编号:XXXX-JZ-016(第一版)代号:Q/RHSG1602C-XXXX
内部审核检查表
(审核过程:资金保障过程受审核部门/人员:财务中心)
表单编号:XXXX-JZ-016(第一版)代号:Q/RHSG1602C-XXXX。