悬挑工字钢计算
- 格式:doc
- 大小:67.50 KB
- 文档页数:4
悬挑工字钢1.25倍的计算方式一、悬挑长度悬挑工字钢的长度计算通常基于所需的支撑高度和支撑间距。
悬挑长度是支撑高度的1.25倍,这是因为工字钢在悬挑部分需要承受更大的弯曲应力,因此需要增加支撑高度以分散受力。
计算公式如下:悬挑长度=1.25×支撑高度二、承载能力承载能力是决定悬挑工字钢能够承受的载荷的重要因素。
承载能力受到工字钢的截面尺寸、材料强度和悬挑长度的共同影响。
承载能力的计算公式如下:承载能力=工字钢截面模量×材料强度×(1.25×支撑高度)/悬挑长度其中,工字钢截面模量根据其截面尺寸确定,材料强度根据所选材料确定。
三、固定方式为了确保悬挑工字钢的稳定性,需要采用适当的固定方式。
常见的固定方式包括焊接、螺栓连接和压板固定等。
选择合适的固定方式需要考虑工字钢的尺寸、支撑高度以及安装环境等因素。
四、弯曲应力在悬挑工字钢承受载荷时,会产生弯曲应力。
弯曲应力的大小与工字钢的截面尺寸、材料强度以及悬挑长度有关。
弯曲应力的计算公式如下:弯曲应力=(外载荷×支撑高度)/(工字钢截面模量×悬挑长度)五、剪切应力在悬挑工字钢承受载荷时,还会产生剪切应力。
剪切应力的大小与工字钢的截面尺寸、材料强度以及悬挑长度有关。
剪切应力的计算公式如下:剪切应力=(外载荷×支撑高度)/(工字钢截面模量×悬挑长度)×0.615综上所述,悬挑工字钢1.25倍的计算方式需要考虑悬挑长度、承载能力、固定方式、弯曲应力和剪切应力等多个方面。
通过合理的计算和选择,可以确保悬挑工字钢的安全性和稳定性,满足工程需求。
悬挑架子计算书1、材料自重:<1)杆件自重立杆:20m大横杆<包括扫地杆及防护栏杆):1.5m×19根=28.5m 小横杆:1.5m×9+1m×6=19.5m剪刀撑:2.4m×5=12m总长为:80m38.4N/m×80m=3072N<2)扣件自重15N×32个=480N<3)脚手板自重400N/m2×1.5m2=600N<4)安全网自重5N/m2×30 m2=150N<5)工字钢自重168.9N/m×3.5m=591.2N合计:3072+480+600+150+591.2=4893.2N2、活荷载:按3000N/m2计算,3000 N/m2×1.5 m2=4500N3、验算工字钢R2R2.3m1.2mR1=4893.2×1.2+4500×1.4=12171.84NR2=6350.5 NMmax=12171.84×1.2=14606.2N·m14#工字钢:Wn=102cm3,Wnf=102×215=21930 N·mMmax< Wnf,满足要求。
4、根据工程实际情况,悬挑架遇建筑物阳台需加长工字钢尺寸,为保证结构安全,应保留阳台底部支撑系统。
R2R3.6mR1=5112.7×1.2+4500×1.4=12435.2NR2=4145.1NMmax=12435.2×1.2=14922.2N·m14#工字钢:Wn=102cm3,Wnf=102×215=21930 N·mMmax< Wnf,满足要求。
5、验算元钢:R2取大值进行验算为6350.5N6350.5/2×0.85=3735.6Nφ20元钢抗拉强度为215 N/mm2215×3.14×102=67510N>3735.6N所以满足要求。
悬挑长度为3.0m、18#型钢悬挑脚手架(扣件式)计算书计算依据:1、《建筑施工扣件式钢管脚手架安全技术规范》JGJ130-20112、《建筑施工门式钢管脚手架安全技术规范》JGJ128-20103、《建筑结构荷载规范》GB50009-20124、《钢结构设计规范》GB50017-2003架体验算一、脚手架参数脚手架设计类型结构脚手架脚手板设计荷载(kN/m2) 3同时施工作业层数 1 卸荷设置无脚手架搭设方式双排脚手架脚手架钢管类型Ф48×3脚手架架体高度H(m) 16.8 脚手架沿纵向搭设长度L(m) 243立杆步距h(m) 1.8 立杆纵距或跨距l a(m) 1.6立杆横距l b(m) 0.85 横向水平杆计算外伸长度a1(m) 0.15内立杆离建筑物距离a(m) 1.9 双立杆计算方法不设置双立杆二、荷载设计计算简图:立面图侧面图三、横向水平杆验算纵、横向水平杆布置方式 横向水平杆在上 纵向水平杆上横向水平杆根数n 2 横杆抗弯强度设计值[f](N/mm 2) 205 横杆截面惯性矩I(mm 4) 107800 横杆弹性模量E(N/mm 2)206000横杆截面抵抗矩W(mm 3)4490纵、横向水平杆布置承载能力极限状态q=1.2×(0.033+G kjb×l a/(n+1))+1.4×G k×l a/(n+1)=1.2×(0.033+0.1×1.6/(2+1))+1.4×3×1.6/(2+1) =2.34kN/m正常使用极限状态q'=(0.033+G kjb×l a/(n+1))+G k×l a/(n+1)=(0.033+0.1×1.6/(2+1))+3×1.6/(2+1)=1.69kN/m 计算简图如下:1、抗弯验算M max=max[ql b2/8,qa12/2]=max[2.34×0.852/8,2.34×0.152/2]=0.21kN·mσ=M max/W=0.21×106/4490=47.15N/mm2≤[f]=205N/mm2满足要求!2、挠度验算νmax=max[5q'l b4/(384EI),q'a14/(8EI)]=max[5×1.69×8504/(384×206000×107800),1.69×1504/(8×206000×107800)]=0.516mmνmax=0.516mm≤[ν]=min[l b/150,10]=min[850/150,10]=5.67mm满足要求!3、支座反力计算承载能力极限状态R max=q(l b+a1)2/(2l b)=2.34×(0.85+0.15)2/(2×0.85)=1.38kN正常使用极限状态R max'=q'(l b+a1)2/(2l b)=1.69×(0.85+0.15)2/(2×0.85)=0.99kN四、纵向水平杆验算承载能力极限状态由上节可知F1=R max=1.38kNq=1.2×0.033=0.04kN/m正常使用极限状态由上节可知F1'=R max'=0.99kNq'=0.033kN/m1、抗弯验算计算简图如下:弯矩图(kN·m)σ=M max/W=0.6×106/4490=132.75N/mm2≤[f]=205N/mm2 满足要求!2、挠度验算计算简图如下:变形图(mm)νmax=3.526mm≤[ν]=min[l a/150,10]=min[1600/150,10]=10mm满足要求!3、支座反力计算承载能力极限状态R max=3.2kN五、扣件抗滑承载力验算扣件抗滑承载力验算:横向水平杆:R max=1.38kN≤R c=0.9×8=7.2kN纵向水平杆:R max=3.2kN≤R c=0.9×8=7.2kN满足要求!六、荷载计算立杆静荷载计算1、立杆承受的结构自重标准值N G1k单外立杆:N G1k=(gk+(l b+a1)×n/2×0.033/h)×H=(0.12+(0.85+0.15)×2/2×0.033/1.8)×16.8=2.33kN 单内立杆:N G1k=(gk+(l b+a1)×n/2×0.033/h)×H=(0.12+(0.85+0.15)×2/2×0.033/1.8)×16.8=2.33kN2、脚手板的自重标准值N G2k1单外立杆:N G2k1=(H/h+1)×la×(l b+a1)×G kjb×1/1/2=(16.8/1.8+1)×1.6×(0.85+0.15)×0.1×1/1/2=0.83kN 1/1表示脚手板1步1设单内立杆:N G2k1=0.83kN3、栏杆与挡脚板自重标准值N G2k2单外立杆:N G2k2=(H/h+1)×la×G kdb×1/3=(16.8/1.8+1)×1.6×0.17×1/3=0.94kN1/3表示挡脚板3步1设4、围护材料的自重标准值N G2k3单外立杆:N G2k3=G kmw×la×H=0.01×1.6×16.8=0.27kN构配件自重标准值N G2k总计单外立杆:N G2k=N G2k1+N G2k2+N G2k3=0.83+0.94+0.27=2.03kN单内立杆:N G2k=N G2k1=0.83kN立杆施工活荷载计算外立杆:N Q1k=la×(l b+a1)×(n jj×G kjj)/2=1.6×(0.85+0.15)×(1×3)/2=2.4kN内立杆:N Q1k=2.4kN组合风荷载作用下单立杆轴向力:单外立杆:N=1.2×(N G1k+ N G2k)+0.9×1.4×N Q1k=1.2×(2.33+2.03)+ 0.9×1.4×2.4=8.25kN 单内立杆:N=1.2×(N G1k+ N G2k)+0.9×1.4×N Q1k=1.2×(2.33+0.83)+ 0.9×1.4×2.4=6.81kN 七、立杆稳定性验算1、立杆长细比验算立杆计算长度l0=Kμh=1×1.5×1.8=2.7m长细比λ=l0/i=2.7×103/15.9=169.81≤210轴心受压构件的稳定系数计算:立杆计算长度l0=kμh=1.155×1.5×1.8=3.12m长细比λ=l0/i=3.12×103/15.9=196.13查《规范》表A得,υ=0.188满足要求!2、立杆稳定性验算不组合风荷载作用单立杆的轴心压力标准值N'=N G1k+N G2k+N Q1k=2.33+2.03+2.4=6.76kN单内立杆的轴心压力标准值N'=N G1k+N G2k+N Q1k=2.33+0.83+2.4=5.55kN 单立杆的轴心压力设计值N=1.2(N G1k+N G2k)+1.4N Q1k=1.2×(2.33+2.03)+1.4×2.4=8.59kNσ=N/(υA)=8590.99/(0.188×424)=107.78N/mm2≤[f]=205N/mm2满足要求!组合风荷载作用单立杆的轴心压力标准值N'=N G1k+N G2k+N Q1k=2.33+2.03+2.4=6.76kN单内立杆的轴心压力标准值N'=N G1k+N G2k+N Q1k=2.33+0.83+2.4=5.55kN 单立杆的轴心压力设计值N=1.2(N G1k+N G2k)+0.9×1.4N Q1k=1.2×(2.33+2.03)+0.9×1.4×2.4=8.25kN M w=0.9×1.4×M wk=0.9×1.4×ωk l a h2/10=0.9×1.4×0.17×1.6×1.82/10=0.11kN·m σ=N/(υA)+M w/W=8254.99/(0.188×424)+110557.92/4490=128.18N/mm2≤[f]=205N/mm2 满足要求!八、连墙件承载力验算N lw=1.4×ωk×2×h×2×l a=1.4×0.24×2×1.8×2×1.6=3.94kN长细比λ=l0/i=3/15.9=0.19,查《规范》表A.0.6得,υ=1(N lw+N0)/(υAc)=(3.94+3)×103/(1×424)=16.37N/mm2≤0.85 ×[f]=0.85 ×205N/mm2=174.25N/mm2满足要求!扣件抗滑承载力验算:N lw+N0=3.94+3=6.94kN≤0.9×12=10.8kN满足要求!悬挑梁验算一、基本参数二、荷载布置参数点号恒载标准值FGi(kN)活载标准值FQi(kN) γGi γQi 梁上荷载标准值F'(kN)梁上荷载设计值F(kN) 梁外锚固点水平距离(mm) l a (mm)1 3.153 2.4 1.35 1.4 5.553 7.617 2000 1600 24.362.41.351.46.769.24628501600附图如下:平面图立面图三、主梁验算荷载标准值:q'=γ0×g k=1×0.241=0.24kN/m第1排:F'1=γ0F1'/n z=1×5.55/1=5.55kN第2排:F'2=γ0F2'/n z=1×6.76/1=6.76kN荷载设计值:q=γ0×1.2×g k=1×1.2×0.241=0.29kN/m第1排:F1=γ0×F1/n z=1×7.62/1=7.62kN第2排:F2=γ0×F2/n z=1×9.25/1=9.25kN1、强度验算弯矩图(kN·m)σmax=M max/W=3.85×106/185000=20.82N/mm2≤[f]=215N/mm2符合要求!2、抗剪验算剪力图(kN)τmax=Q max/(8I zδ)[bh02-(b-δ)h2]=9.31×1000×[94×1802-(94-6.5)×158.62]/(8×16600000×6.5)=9. 11N/mm2τmax=9.11N/mm2≤[τ]=125N/mm2符合要求!3、挠度验算变形图(mm)νmax=0.43mm≤[ν]=2×l x/250=2×3000/250=24mm符合要求!4、支座反力计算R1=0.15kN,R2=3.95kN,R3=14.75kN四、上拉杆件验算钢丝绳型号6×19 钢丝绳公称抗拉强度(N/mm2) 1400 钢丝绳直径(mm) 20 钢丝绳不均匀系数α0.85 钢丝绳安全系数k 9 钢丝绳绳夹型式骑马式拴紧绳夹螺帽时螺栓上所受力T(kN) 15.19 钢丝绳绳夹数量[n] 416 花篮螺栓抗拉强度设计值[f t](N/mm2) 170花篮螺栓在螺纹处的有效直径d e(mm)主梁拉环直径d(mm) 16 焊缝厚度h e(mm) 10焊缝长度l w(mm) 100 角焊缝强度设计值f tw(N/mm2) 160钢丝绳绳卡作法钢丝绳连接吊环作法上拉杆件角度计算:α1=arctanL1/L2=arctan(2800/2800)=45°上拉杆件支座力:R S1=n z R3=1×14.75=14.75kN主梁轴向力:N SZ1=R S1/tanα1=14.75/tan45°=14.75kN上拉杆件轴向力:N S1=R S1/sinα1=14.75/sin45°=20.86kN上拉杆件的最大轴向拉力N S=max[N S1...N Si]=20.86kN 钢丝绳:查表得,钢丝绳破断拉力总和:F g=221.5kN[F g]=α× F g/k=0.85×221.5/9=20.92kN≥N S=20.86kN符合要求!绳夹数量:n=2.5[Fg]/T=2.5×20.92/15.19=4个≤[n]=4个符合要求!花篮螺栓验算:σ=[F g]/(π×d e2/4)=20.92×103/(π×162/4)=104.04N/mm2≤[ft]=170N/mm2符合要求!拉环验算:σ =[F g]/(2A)=2[F g]/πd2=2×20.92×103/(π×162)=52.02N/mm2≤[f]=65N/mm2注:[f]为拉环钢筋抗拉强度,按《混凝土结构设计规范》9.7.6 每个拉环按2个截面计算的吊环应力不应大于65N/mm2符合要求!拉环详图(主梁为工字钢)角焊缝验算:σf=N S/(h e×l w)=20.86×103/(10×100)=20.86N/mm2≤βf f t w=1.22×160=195.2N/mm2正面角焊缝的强度设计值增大系数βf=1.22符合要求!五、悬挑主梁整体稳定性验算主梁轴向力:N =[(N SZ1)]/n z=[(14.75)]/1=14.75kN压弯构件强度:σmax=M max/(γW)+N/A=3.85×106/(1.05×185×103)+14.75×103/3060=24.65N/mm2≤[f]=215N/mm2塑性发展系数γ符合要求!受弯构件整体稳定性分析:其中υb -- 均匀弯曲的受弯构件整体稳定系数:查表《钢结构设计规范》(GB50017-2003)得,υb=1.3由于υb大于0.6,根据《钢结构设计规范》(GB50017-2003)附表B,得到υb值为0.85。
For personal use only in study and research; not for commercial use一、转角处工字钢计算转角处采用I20a 工字钢。
计算简图如下:1、强度验算max M =0.25kN/m*1.55m*1.55/2m+12.03kN*0.45m+12.03kN*1.45m =23.16kN ·mmax max 323.1697.72215237M kN mMPa MPa W cm σ===< 2、抗剪验算max 0.25 1.5512.0312.0324.448Q kN =⨯++= 22max 022[()]824.4481000[100200(1007)177.2]24.4480.8136823700000719.89125w Q bh b d h VS It IdMPa MPa τ--==⨯⨯⨯--⨯==⨯⨯⨯=<符合要求。
3、挠度验算集中力1在作用点产生的挠度:211113Fa l a EI l ν⎛⎫=+ ⎪⎝⎭=5.96mm在边缘产生的挠度:1111.55a νν'=⨯=6.37mm集中力2在作用点产生的挠度222213Fa l a EI l ν⎛⎫=+ ⎪⎝⎭=0.41mm在边缘产生的挠度:221.55aνν'=⨯=1.40mm分布力产生的挠度32332314324qal a a EI l l ν⎛⎫=-++ ⎪⎝⎭=0.07mm作用力产生的总挠度:123νννν''=++=7.85mm<2×1550/250=12.4mm 4、支座反力计算12 1.5520.2520.25 1.55+12.030.45+12.03 1.4522R ⨯+⨯⨯=⨯⨯⨯⨯ 111.33R kN =-20.25(2 1.55)12.0312.0311.3336.28R kN =⨯++++= 5、受弯构件整体稳定性分析根据《钢结构设计规范》(GB50017-2003)表B.2 工字钢型号为I20a ,自由长度2m ,整体稳定系数:2b ϕ=由于0.6b ϕ>,则0.2820.2821.07 1.070.932bbϕϕ'=-=-= max 323.16105.12150.93237b M kN mMPa MPa W cmσϕ===<'⨯ 符合要求。
悬挑式扣件钢管脚手架计算书钢管脚手架的计算参照《建筑施工扣件式钢管脚手架安全技术规范》(JGJ130-2011)。
计算参数:双排脚手架,搭设高度18.0米,立杆采用单立管。
立杆的纵距1.50米,立杆的横距0.85米,内排架距离结构0.30米,立杆的步距1.50米。
采用的钢管类型为48×3.5,连墙件采用3步3跨,竖向间距4.50米,水平间距4.50米。
施工活荷载为3.0kN/m2,同时考虑2层施工。
脚手板采用竹笆片,荷载为0.15kN/m2,按照铺设4层计算。
栏杆采用竹笆片,荷载为0.15kN/m,安全网荷载取0.0050kN/m2。
脚手板下大横杆在小横杆上面,且主结点间增加一根大横杆。
基本风压0.45kN/m2,高度变化系数1.2500,体型系数0.6000。
悬挑水平钢梁采用16号工字钢,其中建筑物外悬挑段长度1.20米,建筑物内锚固段长度1.80米。
悬挑水平钢梁采用悬臂式结构,没有钢丝绳或支杆与建筑物拉结。
一、大横杆的计算大横杆按照三跨连续梁进行强度和挠度计算,大横杆在小横杆的上面。
按照大横杆上面的脚手板和活荷载作为均布荷载计算大横杆的最大弯矩和变形。
1.均布荷载值计算大横杆的自重标准值 P1=0.038kN/m脚手板的荷载标准值 P2=0.150×0.850/2=0.064kN/m活荷载标准值 Q=3.000×0.850/2=1.275kN/m静荷载的计算值 q1=1.2×0.038+1.2×0.064=0.123kN/m活荷载的计算值 q2=1.4×1.275=1.785kN/m大横杆计算荷载组合简图(跨中最大弯矩和跨中最大挠度)大横杆计算荷载组合简图(支座最大弯矩)2.抗弯强度计算最大弯矩考虑为三跨连续梁均布荷载作用下的弯矩跨中最大弯矩计算公式如下:跨中最大弯矩为M1=(0.08×0.123+0.10×1.785)×1.5002=0.424kN.m支座最大弯矩计算公式如下:支座最大弯矩为M2=-(0.10×0.123+0.117×1.785)×1.5002=-0.497kN.m我们选择支座弯矩和跨中弯矩的最大值进行强度验算:=0.497×106/5080.0=97.929N/mm2大横杆的计算强度小于205.0N/mm2,满足要求!3.挠度计算最大挠度考虑为三跨连续梁均布荷载作用下的挠度计算公式如下:静荷载标准值q1=0.038+0.064=0.102kN/m活荷载标准值q2=1.275kN/m三跨连续梁均布荷载作用下的最大挠度V=(0.677×0.102+0.990×1.275)×1500.04/(100×2.06×105×121900.0)=2.684mm 大横杆的最大挠度小于1500.0/150与10mm,满足要求!二、小横杆的计算小横杆按照简支梁进行强度和挠度计算,大横杆在小横杆的上面。
悬挑式扣件钢管脚手架计算书钢管脚手架的计算参照《建筑施工扣件式钢管脚手架安全技术规范》(JGJ130-2001)。
计算参数:双排脚手架,搭设高度30.0米,立杆采用单立管。
立杆的纵距1.50米,立杆的横距0.85米,内排架距离结构0.30米,立杆的步距1.80米。
采用的钢管类型为48×3.5,连墙件采用3步3跨,竖向间距5.40米,水平间距4.50米。
施工活荷载为3.0kN/m2,同时考虑2层施工。
脚手板采用竹笆片,荷载为0.15kN/m2,按照铺设4层计算。
栏杆采用竹笆片,荷载为0.15kN/m,安全网荷载取0.0050kN/m2。
脚手板下大横杆在小横杆上面,且主结点间增加一根大横杆。
基本风压0.45kN/m2,高度变化系数1.2500,体型系数0.6000。
悬挑水平钢梁采用18号工字钢,其中建筑物外悬挑段长度1.20米,建筑物内锚固段长度1.80米。
悬挑水平钢梁采用悬臂式结构,没有钢丝绳或支杆与建筑物拉结。
一、大横杆的计算大横杆按照三跨连续梁进行强度和挠度计算,大横杆在小横杆的上面。
按照大横杆上面的脚手板和活荷载作为均布荷载计算大横杆的最大弯矩和变形。
1.均布荷载值计算大横杆的自重标准值 P1=0.038kN/m脚手板的荷载标准值 P2=0.150×0.850/2=0.064kN/m活荷载标准值 Q=3.000×0.850/2=1.275kN/m静荷载的计算值 q1=1.2×0.038+1.2×0.064=0.123kN/m活荷载的计算值 q2=1.4×1.275=1.785kN/m大横杆计算荷载组合简图(跨中最大弯矩和跨中最大挠度)大横杆计算荷载组合简图(支座最大弯矩)2.抗弯强度计算最大弯矩考虑为三跨连续梁均布荷载作用下的弯矩跨中最大弯矩计算公式如下:跨中最大弯矩为M1=(0.08×0.123+0.10×1.785)×1.5002=0.424kN.m支座最大弯矩计算公式如下:支座最大弯矩为M2=-(0.10×0.123+0.117×1.785)×1.5002=-0.497kN.m我们选择支座弯矩和跨中弯矩的最大值进行强度验算:=0.497×106/5080.0=97.929N/mm2大横杆的计算强度小于205.0N/mm2,满足要求!3.挠度计算最大挠度考虑为三跨连续梁均布荷载作用下的挠度计算公式如下:静荷载标准值q1=0.038+0.064=0.102kN/m活荷载标准值q2=1.275kN/m三跨连续梁均布荷载作用下的最大挠度V=(0.677×0.102+0.990×1.275)×1500.04/(100×2.06×105×121900.0)=2.684mm 大横杆的最大挠度小于1500.0/150与10mm,满足要求!二、小横杆的计算小横杆按照简支梁进行强度和挠度计算,大横杆在小横杆的上面。
关于悬挑工字钢梁的验算一、I28a 工字钢的力学特性查手册得,A=55.40cm 2,自重q=43.49kg/m,截面惯性矩I=7110cm 4,截面抵抗矩W=508cm 3。
二、建立计算模型 P 立杆承重+立杆自重三、计算按照悬臂梁受集中荷载+均布荷载情况验算 受集中荷载:弯矩M max =pl ,剪力Q max =p,挠度f max =pl 3/3EI 受均布荷载:弯矩M max =21ql 2,剪力Q max =ql,挠度f max =ql 4/8EI 根据《北引桥现浇连续箱梁专项施工方案》,P=25.738KN 。
1、抗弯M=pl+21ql 2=25.738×103×0.9+0.5×434.9×0.92 =23340.335N.Mб=M/W=23340.335/508×10-6=45.946MPa<[бw]=145MPa2、抗剪Q=p+ql=25.738×103+434.9×0.9=26133.91N[Q]=235×106×55.40×10-4=1301900NQ<[Q],所以,抗剪合格。
3、挠度E=2.1×105MPaf=pl3/3EI+ql4/8EI=25.738×103×0.93/3×2.1×105×106×7110×10-8+434.9×0.94/8×2.1×105×106×7110×10-8=4.213×10-4m根据《钢结构设计规范GB50017-2003》,悬臂结构的允许挠度值为L/250,如果是施工平台主梁,应该按照L/400计算。
[f]=L/400=2.25×10-3m。
F<[f],挠度符合要求。
悬挑式卸料平台施工方案工程建设地点;属于框架结构;由于卸料平台的悬挑长度和所受荷载都很大,因此必须严格地进行设计和验算。
悬挑卸料平台的计算依据《建筑地基基础设计规范》(GB 50007-2002)、《建筑结构荷载规范》(GB 50009-2001)、《钢结构设计规范》(GB 50017-2003)等编制。
一、参数信息:1.荷载参数脚手板类别:竹笆片脚手板,脚手板自重(kN/m2):0.30;栏杆、挡板类别:竹笆片脚手板挡板,栏杆、挡板脚手板自重(kN/m):0.15;施工人员等活荷载(kN/m2):2.00,最大堆放材料荷载(kN):5.00。
2.悬挑参数内侧钢绳与墙的距离(m):1.00,外侧钢绳与内侧钢绳之间的距离(m):0.80;上部拉绳点与悬挑梁墙支点的距离(m):3.90;钢丝绳安全系数K:5.50,悬挑梁与墙的节点按铰支计算;只对外侧钢绳进行计算;内侧钢绳只是起到保险作用,不进行计算。
3.水平支撑梁主梁材料类型及型号:20a号工字钢;次梁材料类型及型号:16号工字钢;次梁水平间距ld(m):0.50,建筑物与次梁的最大允许距离le(m):1.20。
4.卸料平台参数水平钢梁(主梁)的悬挑长度(m):3.50,水平钢梁(主梁)的锚固长度(m):2.00, 次梁悬臂Mc(m):0.00;平台计算宽度(m):2.00。
二、次梁的验算:次梁选择 16号工字钢,间距0.5m,其截面特性为:面积 A=26.1cm2;惯性距 I x=1130cm4;截面抵抗矩 W x=141cm3;回转半径 i x=6.58cm;截面尺寸:b=88mm,h=160mm,t=9.9mm。
1.荷载计算(1)、脚手板的自重标准值:本例采用竹笆片脚手板,标准值为0.30kN/m2; Q1=0.30× 0.50= 0.15kN/m;(2)、型钢自重标准值:本例采用16号工字钢,标准值为0.20 kN/mQ2=0.20 kN/m(3)、活荷载计算1)施工荷载标准值:取2.00 kN/m2Q3=2.00 kN/m22)最大堆放材料荷载P:5.00kN荷载组合Q=1.2×(0.15+0.20)+1.4×2.00×0.50=1.82kN/mP=1.4×5.00=7.00kN2.内力验算内力按照集中荷载P与均布荷载q作用下的简支梁计算,计算简图如下:最大弯矩M的计算公式(规范JGJ80-91,P31)为:M max = ql2/8(1 - m2/l2)2 + pl/4经计算得出: M max = (1.82×2.002/8)×(1-(0.002/2.002))2+7.00×2.00/4=4.41kN·m。
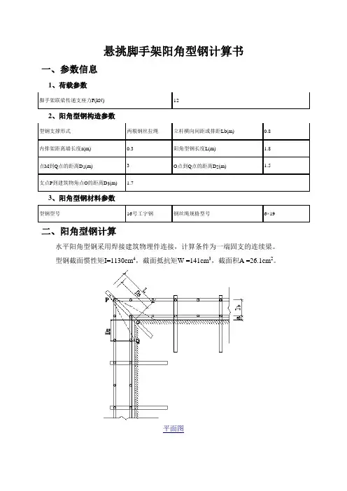
悬挑脚手架阳角型钢计算书一、参数信息1、荷载参数脚手架联梁传递支座力F(kN) 122、阳角型钢构造参数型钢支撑形式两根钢丝拉绳立杆横向间距或排距Lb(m) 0.8内排架距离墙长度a(m) 0.3 阳角型钢长度L(m) 1.8点M到Q点的距离D1(m) 3 O点到Q点的距离D2(m) 1.5支点P到建筑物角点O的距离D3(m) 1.73、阳角型钢材料参数型钢型号16号工字钢钢丝绳规格型号6×19 二、阳角型钢计算水平阳角型钢采用焊接建筑物埋件连接,计算条件为一端固支的连续梁。
型钢截面惯性矩I=1130cm4,截面抵抗矩W =141cm3,截面积A =26.1cm2。
平面图侧面图1、型钢受力计算脚手架联梁传递支座力F=12kN;水平钢梁自重荷载q=1.2×20.5×9.8×10-3=0.241 kN/m 经过连续梁的计算得到剪力图(kN)弯矩图(kN·m)型钢支点的支撑力为R A=11.773kN;型钢固接处的支撑力为R B=12.661kN;型钢最大弯矩M max=4.244kN·m;图中距离|MP|=(D1×D1+D2×D2+D3×D3+1.414×D2×D3)1/2=(3×3+1.5×1.5+1.7×1.7+1.4142×1.5×1.7) 1/2=4.21m图中角度<MPQ=arcsin(3.000/4.213)=45.411°图中角度<OPQ=arctan(0.707×1.500 /(1.700 + 0.707× 1.500))=21.015°每根钢丝绳的拉力T=11.773/2/sin(45.411°)=8.266kN水平型钢的轴向力N=2×8.266×cos(45.411°)×cos(41.424°)=8.702kN型钢最大应力计算值σ=M max/(1.05W)+N/A=4.244×106/(1.05×141×103)+8.702×103/(26.1×102)=32.001N/mm2 型钢的最大应力计算值σ= 32.001 N/mm2≤[f]=215 N/mm2,满足要求!2、型钢整体稳定性计算水平型钢采用16号工字钢φb -- 均匀弯曲的受弯构件整体稳定系数,查表《钢结构设计规范》(GB50017-2003)附录B得到:φb=2由于φb大于0.6,查《钢结构设计规范》(GB50017-2003),得到φb'=1.07-0.282/φb = 1.07-0.282/2=0.929。
10.2 楼梯平台处悬挑工字钢计算书(架体1.45m)依据规范:《建筑施工脚手架安全技术统一标准》GB51210-2016《建筑施工扣件式钢管脚手架安全技术规范》JGJ130-2011《建筑结构荷载规范》GB50009-2012《钢结构设计规范》GB50017-2017《混凝土结构设计规范》GB50010-2010计算参数:钢管强度为205.0 N/mm2,钢管强度折减系数取1.00。
双排脚手架,搭设高度1.45米,立杆采用单立管。
立杆的纵距1.50米,立杆的横距0.85米,内排架距离结构0.30米,立杆的步距1.45米。
采用的钢管类型为φ48×2.7,连墙件采用2步3跨,实际采用每层设置施工活荷载考虑为附着式升降脚手架均布荷载4.2kN/m2。
安全网荷载取0.0100kN/m2。
脚手板下大横杆在小横杆上面,且主结点间增加一根大横杆。
基本风压0.30kN/m2,高度变化系数1.0000,体型系数0.9600。
悬挑水平钢梁采用16号工字钢,建筑物外悬挑段长度1.25米,建筑物内锚固段长度1.75米,支承点到锚固中心点距离为1.75米。
悬挑水平钢梁采用悬臂式结构,没有钢丝绳或支杆与建筑物拉结。
钢管惯性矩计算采用 I=π(D4-d4)/64,抵抗距计算采用 W=π(D4-d4)/32D。
一、大横杆的计算大横杆按照三跨连续梁进行强度和挠度计算,大横杆在小横杆的上面。
按照大横杆上面的脚手板和活荷载作为均布荷载计算大横杆的最大弯矩和变形。
1.均布荷载值计算大横杆的自重标准值 P1=0.038kN/m脚手板的荷载标准值 P2=0.000×0.850/2=0.000kN/m活荷载标准值 Q=4.160×0.850/2=1.768kN/m静荷载的计算值 q1=1.2×0.038+1.2×0.000=0.046kN/m活荷载的计算值 q2=1.4×1.768=2.475kN/m大横杆计算荷载组合简图(跨中最大弯矩和跨中最大挠度)大横杆计算荷载组合简图(支座最大弯矩)2.抗弯强度计算最大弯矩考虑为三跨连续梁均布荷载作用下的弯矩跨中最大弯矩计算公式如下:跨中最大弯矩为M1=(0.08×0.046+0.10×2.475)×1.5002=0.565kN.m支座最大弯矩计算公式如下:支座最大弯矩为M2=-(0.10×0.046+0.117×2.475)×1.5002=-0.662kN.m我们选择支座弯矩和跨中弯矩的最大值进行强度验算:σ=γ0M/W = 1.000×0.662×106/4493.0=147.333N/mm2大横杆的计算强度小于205.0N/mm2,满足要求!3.挠度计算最大挠度考虑为三跨连续梁均布荷载作用下的挠度计算公式如下:静荷载标准值 q1=0.038+0.000=0.038kN/m活荷载标准值 q2=1.768kN/m三跨连续梁均布荷载作用下的最大挠度V=(0.677×0.038+0.990×1.768)×1500.04/(100×2.06×105×107831.2)=4.048mm大横杆的最大挠度小于1500.0/150与10mm,满足要求!二、小横杆的计算小横杆按照简支梁进行强度和挠度计算,大横杆在小横杆的上面。
5#楼屋面层工字钢悬挑脚手架计算书型钢悬挑扣件式钢管脚手架的计算依据《建筑施工扣件式钢管脚手架安全技术规》(JGJ130-2001)、《建筑结构荷载规》(GB 50009-2001)、《钢结构设计规》(GB 50017-2003)、《建筑施工安全检查评分标准》(JGJ59-99)、《建筑施工高处作业安全技术规》(JGJ80-91) 以及本工程的施工图纸。
一、参数信息:1.脚手架参数双排脚手架搭设高度为 11 m,立杆采用单立杆;搭设尺寸为:立杆的纵距为 1.5m,立杆的横距为0.8m,立杆的步距为0.8 m;排架距离墙长度为0.30 m;小横杆在上,搭接在大横杆上的小横杆根数为 2 根;采用的钢管类型为Φ48×3.5;横杆与立杆连接方式为单扣件;取扣件抗滑承载力系数 1.00;连墙件布置取两步三跨,竖向间距 1.6 m,水平间距4.5 m,采用扣件连接;连墙件连接方式为双扣件;2.活荷载参数施工均布荷载(kN/m2):3.000;脚手架用途:结构脚手架;同时施工层数:2 层;3.风荷载参数本工程地处市,查荷载规基本风压为0.550kN/m2,风荷载高度变化系数μz为1.000,风荷载体型系数μs为1.128;计算中考虑风荷载作用;4.静荷载参数每米立杆承受的结构自重荷载标准值(kN/m):0.1611;脚手板自重标准值(kN/m2):0.350;栏杆挡脚板自重标准值(kN/m):0.140;安全设施与安全网自重标准值(kN/m2):0.005;脚手板铺设层数:3 层;脚手板类别:木脚手板;栏杆挡板类别:栏杆、木脚手板挡板;5.水平悬挑支撑梁悬挑水平钢梁采用16号工字钢,其中建筑物外悬挑段长度1.2m,建筑物锚固段长度 1.8 m。
与楼板连接的螺栓直径(mm):20.00;楼板混凝土标号:C30;6.拉绳与支杆参数悬挑水平钢梁采用钢丝绳与建筑物拉结,钢丝绳安全系数为:6.000;钢丝绳在悬挑梁的拉接点与墙拉接点距离为(m):2.4;钢丝绳拉接点距离建筑物1.1m。
悬挑马道施工及工字钢受力验算由于本工程目前核心筒楼梯没能跟随楼层施工,现为方便工人安全上下,在四层顶采用工字钢悬挑时,马道跟随悬挑,待楼梯能跟上楼层施工时,取消马道工字钢悬挑。
悬挑在1-A~1-B/1-1轴西侧搭设,采用5根18#工字钢悬挑。
工字钢间距1.5m。
马道每跑宽1m,每跑高1.85m,宽3.55m。
拐弯时平台宽度1.5m,满铺脚手板。
脚手板上每隔250MM设置一道防滑木条,木条厚度采用20-30MM。
周围加设踢脚板,挡板高度为180mm。
在高度1.2m处加设扶手栏杆。
本处工字钢悬挑出楼面长度为2.5m,马道离梁边30cm,在工字钢上在距梁边30cm、135 cm、240 cm处分别焊一根20cm长的Φ25的钢筋,马道钢管插在钢筋上搭设。
在马道搭设两层后,底部必须加设支杆顶撑。
工字钢简化受力计算如下:一、脚手架立杆荷载的计算:作用于脚手架的荷载包括静荷载、活荷载和风荷载。
静荷载标准值包括以下内容:(1)每米立杆承受的结构自重标准值(kN),为0.1248N G1 = [0.1248+(1.05×2/2)×0.038/1.80]×27.00 = 3.974;(2)脚手板的自重标准值(kN/m2);采用木脚手板,标准值为0.35N G2= 0.35×14×1.5×(1.05+0.3)/2 = 4.961 kN;(3)栏杆与挡脚手板自重标准值(kN/m);采用栏杆、木脚手板挡板,标准值为0.14N G3 = 0.14×14×1.5/2 = 1.47 kN;(4)吊挂的安全设施荷载,包括安全网(kN/m2);0.005N G4 = 0.005×1.5×27 = 0.202 kN;经计算得到,静荷载标准值N G =N G1+N G2+N G3+N G4 = 10.608 kN;活荷载为施工荷载标准值产生的轴向力总和,内、外立杆按一纵距内施工荷载总和的1/2取值。
21⽶悬挑架(14#⼯字钢)设计计算悬挑式扣件钢管脚⼿架计算书钢管脚⼿架的计算参照《建筑施⼯扣件式钢管脚⼿架安全技术规范》(JGJ130-2001)。
计算的脚⼿架为双排脚⼿架,搭设⾼度为21.0⽶,⽴杆采⽤单⽴管。
搭设尺⼨为:⽴杆的纵距1.50⽶,⽴杆的横距1.00⽶,⽴杆的步距1.50⽶。
采⽤的钢管类型为48×3.5,连墙件采⽤2步3跨,竖向间距3.00⽶,⽔平间距4.50⽶。
施⼯均布荷载为3.0kN/m2,同时施⼯2层,脚⼿板共铺设2层。
悬挑⽔平钢梁采⽤14号⼯字钢,其中建筑物外悬挑段长度1.30⽶,建筑物内锚固段长度2.70⽶。
悬挑⽔平钢梁采⽤钢丝绳与建筑物拉结,最外⾯钢丝绳距离建筑物1.20m。
⼀、⼩横杆的计算:⼩横杆按照简⽀梁进⾏强度和挠度计算,⼩横杆在⼤横杆的上⾯。
按照⼩横杆上⾯的脚⼿板和活荷载作为均布荷载计算⼩横杆的最⼤弯矩和变形。
1.均布荷载值计算⼩横杆的⾃重标准值 P1=0.038kN/m脚⼿板的荷载标准值 P2=0.300×1.500/3=0.150kN/m活荷载标准值 Q=3.000×1.500/3=1.500kN/m荷载的计算值 q=1.2×0.038+1.2×0.150+1.4×1.500=2.326kN/m⼩横杆计算简图2.抗弯强度计算最⼤弯矩考虑为简⽀梁均布荷载作⽤下的弯矩计算公式如下:M=2.326×1.0002/8=0.291kN.m=0.291×106/5080.0=57.236N/mm2⼩横杆的计算强度⼩于205.0N/mm2,满⾜要求!3.挠度计算最⼤挠度考虑为简⽀梁均布荷载作⽤下的挠度计算公式如下:荷载标准值q=0.038+0.150+1.500=1.688kN/m简⽀梁均布荷载作⽤下的最⼤挠度V=5.0×1.688×1000.04/(384×2.06×105×121900.0)=0.875mm⼩横杆的最⼤挠度⼩于1000.0/150与10mm,满⾜要求!⼆、⼤横杆的计算:⼤横杆按照三跨连续梁进⾏强度和挠度计算,⼩横杆在⼤横杆的上⾯。
悬挑脚⼿架悬挑2.5m⼯字钢布置计算书悬挑脚⼿架悬挑2.5m⼯字钢布置计算书(注:空调版处悬挑1.9m同悬挑2.5m做法)⼀、参数信息1.脚⼿架参数双排脚⼿架搭设⾼度为 17.4 m,⽴杆采⽤单⽴杆;搭设尺⼨为:⽴杆的纵距为 1.5m,⽴杆的横距为0.8m,⽴杆的步距为1.8 m;内排架距离墙长度为0.20 m;⼤横杆在上,搭接在⼩横杆上的⼤横杆根数为 2 根;采⽤的钢管类型为Φ48×3.0;横杆与⽴杆连接⽅式为单扣件;连墙件布置取两步三跨,竖向间距 3.6 m,⽔平间距4.5 m,采⽤扣件连接;连墙件连接⽅式为双扣件;2.活荷载参数施⼯均布荷载(kN/m2):3.000;脚⼿架⽤途:结构脚⼿架;3.风荷载参数本⼯程地处安徽淮北市,基本风压0.45 kN/m2;,计算连墙件强度时取0.92,计算⽴杆稳定性时取风荷载⾼度变化系数µz为0.214;0.74,风荷载体型系数µs4.静荷载参数每⽶⽴杆承受的结构⾃重荷载标准值(kN/m):0.1248;脚⼿板⾃重标准值(kN/m2):0.300;栏杆挡脚板⾃重标准值(kN/m):0.150;安全设施与安全⽹⾃重标准值(kN/m2):0.005;脚⼿板铺设层数:3 层;脚⼿板类别:钢笆脚⼿板;栏杆挡板类别:脚⼿板挡板;5.⽔平悬挑⽀撑梁悬挑⽔平钢梁采⽤16号⼯字钢,其中建筑物外悬挑段长度2.5m,建筑物内锚固段长度 3.5 m。
锚固压点压环钢筋直径(mm):16.00;楼板混凝⼟标号:C25;6.拉绳与⽀杆参数钢丝绳安全系数为:6.000;钢丝绳与墙距离为(m):3.300;悬挑⽔平钢梁采⽤钢丝绳与建筑物拉结,最⾥⾯⾯钢丝绳距离建筑物 1.2 m。
⼆、⼤横杆的计算按照《扣件式钢管脚⼿架安全技术规范》(JGJ130-2011)第5.2.4条规定,⼤横杆按照三跨连续梁进⾏强度和挠度计算,⼤横杆在⼩横杆的上⾯。
将⼤横杆上⾯的脚⼿板⾃重和施⼯活荷载作为均布荷载计算⼤横杆的最⼤弯矩和变形。
悬挑型钢及次梁计算书(转角位置)1.次梁型钢梁计算次梁材料采用16号工字钢;H=160mm,b=88mm,t w=6.0mm,t=9.9mm,q=0.21kN/m,w=140900 mm3,I X=11270000mm4,S=80800mm3,E=206000N/mm2,f=215.00N/mm2,f v=120.00N/mm2,f y=235N/mm 2。
N=10360N①内力分析根据力学求解器计算,V max=5.18kN;M max=6.73kN·m②抗弯强度验算W=M max /σ=6.73×103/215=31.3cm3查表得,16号工字钢[W]=140.9cm3>W=31.3cm316号工字钢抗弯强度满足设计要求;③抗剪强度验算V max=5.18kNτ=V max/(I/S×t w)=5180×80800/(11270000×6) =6.18N/mm216号工字钢抗剪强度τ=6.18N/mm2<f v=125N/mm2,满足要求。
④挠度验算16号工字钢,I=1127cm4,E=210GPa根据力学求解器计算:挠度系数Kυ=3.4υmax=Kυ×103/EI=3.4×102/(210×1127) =8.2×10-3m=1.43mm[υ] =2600/250=10.4mm挠度υmax=1.43mm<[υ]=10.4mm,满足要求。
计算简图和内力图如下图:计算模型简图(单位:P=kN,q=kN/m)弯矩图(单位:kN.m)剪力图(单位:kN)位移图6.悬挑型钢梁计算悬挑材料选采用16号工字钢;H=160mm,b=88mm,t w=6.0mm,t=9.9mm,q=0.21kN/m,w=1409 00mm3,I X=11270000mm4,S=80800mm3,E=206000N/mm2,f=215.00N/mm2,f v=120.00N/mm2,f y=235N/ mm2。