2021年C20喷射混凝土配合比
- 格式:doc
- 大小:72.50 KB
- 文档页数:4
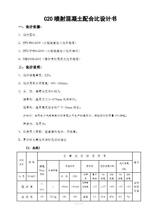
C20喷射混凝土配合比设计书一、设计依据:1、设计图纸2、JTG F60-2009《公路隧道施工技术规范》3、JTG/T F60-2009《公路隧道施工技术细则》4、GB50086-2001《锚杆喷射混凝土技术规范》二、设计说明:1、设计强度等级:C20。
2、设计混凝土坍落度:800~120mm。
3、水泥:海螺水泥P、O 42、5。
细骨料:选用泾川0~4、75mm天然中砂。
粗骨料:选用策底坡石料厂5~10mm碎石.外加剂:采用咸宁天安新型材料有限公司生产得速凝剂,按胶凝材料用量10%掺配。
拌合水:饮用水。
4、拟使用工程部:隧道锚杆支护、仰拱等.5、原材料主要技术指标及试验结论(1:水泥)(2:粗集料)(3:细集料)三、混凝土基准配合比设计1、计算配制强度20MPa----混凝土强度标准差,取4、0MPa。
混凝土设计强度:=20MPa混凝土配制强度:= =20+1、645×4=26、6MPa2、水胶比:根据设计规范及试拌效果取水胶比0、52。
3、单位用水量根据设计规范及施工条件需要,混凝土坍落度为800~120mm.根据实际试拌效果,取用水量为238kg/m³。
计算单位胶凝材料用量为:458kg/m³4、选定砂率:根据根据设计规范及实际试拌效果初步选用55%。
5、计算配合比:质量法:假定每立方米混凝土得重量为2300kg则即:458++238=230055%=解得:882kg722kg6、确定混凝土基准配合比配合比:水泥:砂:碎石:水 =458:882:722:238比例为1:1、93:1、58:0、52四、混凝土配合比试配、调整根据混凝土配合比选定要求,以基准配合比为基础,选配两个调整配合比,其用水量与基准配合比相同,水胶比较基准配合比分别增加或减少0、02,即水胶比分别为0、50与0、54.1、水胶比为0、50得参照1配合比根据质量法计算配合比:配合比:水泥:砂:碎石:水=476:872:714:238比例为:1:1、83:1、44:0、502、水胶比为0、54得参照2配合比根据质量法计算配合比:配合比:水泥:砂:碎石:水=441:892:729:238比例为:1:2、02:1、65:0、54 五、混凝土配合比试配结果及确认拟使用申报配合比于2%,结合工地施工实际情况,拟选用申报配合比:配合比:水泥:砂:碎石:水 =458:882:722:238比例为1:1、93:1、58:0、52。
C20喷射混凝土配合比设计说明一、试验环境及所用仪器设备1、试验室、标养室温度、湿度均满足试验规程要求。
2、试验所用的仪器设备规格、量程、准确度等均符合试验规程要求,且通过陕西力源仪器设备检测中心,检定合格。
二、设计依据1、普通砼配合比设计规程JGJ55—20002、锚杆喷射混凝土支护技术规范GB 50086—2001三、材料的选用1、水泥:选用陕西(秦岭牌)普通42.5R 硅酸盐水泥,依据JTG E30—2005 试验规程检验,所用项目符合GB 175—1999标准要求,详见下表:2、细骨料:选用渭河砂场中砂,依据JTG E42—2005试验规程检验,其所检项目符合JTJ041—2000 规范要求,详见下表:3、粗骨料:选用颜林石料场碎石,依据JTG E42—2005试验规程检验,所检项目符合JTJ041—2000 规范要求,详见下表:4、水:饮用水,符合JTJ041—2000 规范要求,其各项性能指标详见外委试验报告。
5、速凝剂:西安聚能 JN1229—S, 掺量:3%,其各项性能指标详见外委试验报告。
四、配合比的设计与计算1、设计内容:喷射砼设计强度等级C20, 坍落度要求80—120mm。
2、配合比的计算步骤:依据JGT 55—2000及GB 50086—2001, 计算如下:①试配强度:20+1.645×5=28.2MPa②基准水灰比:0.50③选用每立方米砼用水量:212kg④选用每立方米砼水泥用量:424 kg⑤选取砂率:54%⑥确定每立方米砼粗、细骨料用量(假定容重:2300kg/m³):粗骨料用量:765 kg/m³细骨料用量:899kg/m³灰骨比:1:3.9⑦确定基准配合比:水泥:砂:石子:水:速凝剂=424:899:765:212:12.72⑧计算相关配合比:水泥:砂:石子:水:速凝剂=408:909:775:208:12.24水泥:砂:石子:水:速凝剂=435:892:760:213:13.05五、按三个不同水灰比进行试配,对其混凝土拌和物的坍落度、粘聚性、保水性检验,现场试喷砼试件,进行标准养护,测定7天、28天立方体抗压强度,详见下表:六、根据经济合理,保证质量,便于施工的原则,水泥:砂:石子:水:速凝剂=424:899:765:212:12.72配合比可作为C20 喷射砼的配合比,拟用于隧道临时支护工程。
C20喷射砼配合比试验报告***水电站引水发电系统C4-3标C20喷射混凝土配合比设计报告批准:审核:编制:C20喷射混凝土配合比设计报告一设计混凝土试配依据1、《水工混凝土配合比设计规程》DL/T5330-20052、《水电水利工程锚喷支护施工规范》DL/T5181-2003二、混凝土配合比使用部位及设计要求1.该混凝土配合比是用于引水隧洞洞身和调压井井身挂网喷砼支护工程,根据设计及《水电水利工程锚喷支护施工规范》要求,该项混凝土配合比设计要求见下表:使用部位混凝土强度等级(MPa)水灰比砂率(%)强度保证率(%)备注引水隧洞洞身和调压井井身挂网喷砼支护C20 0.4~0.45 45~55 95% 湿喷法三、原材料1.水泥:云南省丽江水泥有限责任公司P.O42.5;2.粗集料:碎石:粒径5-16mm,表观密度2590kg/m3、压碎值9.7%,针片状含量9.6%3.细集料:人工机制砂,细度模数2.64,表观密度2540kg/m34. 水:生活用水5. 外加剂:四川省玉峰建材有限公司,YF速凝剂(粉体),掺量按4%控制。
四、混凝土试配1、确定基准配合比a)砼试配强度f cu,0≥f cu,k+1.645σ=20+1.645×4.0=26.6 Mpab)水灰比据《水电水利工程锚喷支护施工规范》DL/T5181-2003表7.3.1要求,将基准水灰比暂定为0.43。
c)确定用水量根据设计及施工规范要求,初步确定用水量为170kg/m3 d)计算水泥用量m c0=m w0/(W/C)=170÷0.43=395 kg/m3e)砂率:根据设计及施工规范要求以及原材料检验结果,初步选定砂率为50%f)砂石用量:由已确定的用水量、水泥用量和砂率,根据重量法计算1m3混凝土中砂、石用量。
按混凝土拌合物假定容重2200 kg/m3,砂子重量:(2200-170-395)×0.50=810 kg/m3碎石用量:(2200-170-395)×0.50=810 kg/m3外加剂:395×0.04=15.8kg/m3水:水泥:砂:碎石:外加剂=0.43:1.0:(820÷395):(820÷395):(15.8÷395)=0.43:1.0:2.08:2.08:0.04 试拌后实测容重为2220.5 kg/m3,所以基准配合比保持不变,最终确定基准配合比如下:水:水泥:砂:碎石:外加剂=0.43:1.0:2.08:2.08:0.042、混凝土配合比试配及试验结果a)试配配合比计算表序号水灰比质量配合比水泥:砂:石:外加剂1 m3混凝土各材料用量kg水泥水砂子石子外加剂1 0.41 1.0:1.95:1.95:0.04 415 170 808 808 16.62 0.43 1.0:2.08:2.08:0.04393(395)170 820 820 15.83 0.45 1.0:2.19:2.19:0.04 378 170 826 826 15.12混凝土配合比设计报告工程名称****水电站C4-3标试验单位***水电站C4-3标试验室设计依据DL/T5330-2005JTGE30-2005.GB50086--2001报告编号PHB-2010-002拟定用途引水隧洞洞身及调压井井身支护工程试验日期2010年7月30日设计强度C20(喷射混凝土)报告日期2010年8月27日配制强度(MPa)26.6 设计坍落度(mm)10-30 拌制方法机械混凝土配合比设计结果水灰比0.43砂率(%)50实测坍落度(mm)/单位体积质量(kg/m3)2200材料名称水水泥细集料粗集料外加剂(%)5-16.0mm材料单位体积用量(kg/ m3)170 395 820 820 15.8 质量比0.43 1.0 2.08 2.08 0.04 水泥品种等级普通硅酸盐P.042.5 试验编号PHB-SN-001生产厂家云南丽江水泥有限责任公司P.O42.5 细集料规格名称机制砂试验编号PHB-SZ-002生产厂家临时砂石加工系统粗集料规格名称碎石:5-16.0 mm 试验编号PHB-CGL-003生产厂家临时砂石加工系统外加剂品种等级YF速凝剂(粉体) 试验编号PHB-SNJ-004生产厂家四川省玉峰建材有限公司备注依据混凝土28天抗压强度试验结果, 该C20喷射混凝土配合比满足相关规范和设计要求。
C20 喷射混凝土配合比设计书一、设计依据:1、设计图纸2、JTG F60-2009《公路隧道施工技术规范》3、JTG/T F60-2009《公路隧道施工技术细则》4、GB50086-2001《锚杆喷射混凝土技术规范》二、设计说明:1、设计强度等级: C20。
2、设计混凝土坍落度: 800~120mm。
3、水泥:海螺水泥。
细骨料:选用泾川0~天然中砂。
粗骨料:选用策底坡石料厂5~10mm碎石。
外加剂:采用咸宁天安新型材料有限公司生产的速凝剂,按胶凝材料用量10%掺配。
拌合水:饮用水。
4、拟使用工程部:隧道锚杆支护、仰拱等。
5、原材料主要技术指标及试验结论(1:水泥)材料主要试验检测项目规格备注名称细度凝结时间安定性抗压强度 MPa抗折强度 MPa水泥80μm标准稠度初凝终凝试饼雷式 3 d28d 3 d28d筛余法夹法强度强度强度强度后附规定值≤ 10%/≥45min≤600min 无弯曲< 5≥ 17≥≥≥检测无裂缝报告实测测150185合格( 2:粗集料)材料名称主要试验检测项目备注粗集料表观密度吸水率含泥量针片状含量压碎值坚固性后附规定值>2500kg/m3≤ %≤ %≤ 20%≤20%≤ 12%检测实测测2713报告(3:细集料 )材料名称规格主要试验检测项目备注细集料细度模数表观密度堆积密度空隙率含泥量坚固性规定值< 47%< %后附检< 8%测报告实测测25211492/三、混凝土基准配合比设计1、计算配制强度20MPa----混凝土强度标准差,取。
混凝土设计强度:f cu , k=20MPa混凝土配制强度:f cu, 0 = f cu ,k 1.645=20+ ×4=2、水胶比:根据设计规范及试拌效果取水胶比。
3、单位用水量根据设计规范及施工条件需要,混凝土坍落度为800~120mm。
根据实际试拌效果,取用水量为238kg/m3。
计算单位胶凝材料用量为:458kg/m34、选定砂率:根据根据设计规范及实际试拌效果初步选用 55%。
喷混凝土配比
喷混凝土的配比取决于所需混凝土的强度、喷射的厚度以及工程的具体要求。
通常来说,喷混凝土的配比有两种:
1.喷射混凝土配合比是指一立方米喷射混凝土中,水泥、砂、石子所占的比例。
一般喷射混凝土混合料的配合比如下:水泥与砂石之重量比为1:4~1:4.5;砂率为45%~55%;水灰比为0.4~0.45。
速凝剂掺时应根据产品性能通过试验确定。
2.细石混凝土的粗骨料使用15mm粒径的小碎石,细料采用粗砂,而混凝土等级为C20。
如想快速凝结需要掺加合适的速凝剂。
在选择合适的配比时,还需要考虑工程的具体要求、环境因素以及混凝土的使用条件。
同时,在施工过程中,还需要对混凝土的质量进行监测和控制,确保其符合设计和规范要求。
【最新整理,下载后即可编辑】C20喷射混凝土配合比设计书一、设计依据:1、设计图纸2、JTG F60-2009《公路隧道施工技术规范》3、JTG/T F60-2009《公路隧道施工技术细则》4、GB50086-2001《锚杆喷射混凝土技术规范》二、设计说明:1、设计强度等级:C20。
2、设计混凝土坍落度:800~120mm。
3、水泥:海螺水泥P.O 42.5。
细骨料:选用泾川0~4.75mm天然中砂。
粗骨料:选用策底坡石料厂5~10mm碎石。
外加剂:采用咸宁天安新型材料有限公司生产的速凝剂,按胶凝材料用量10%掺配。
拌合水:饮用水。
4、拟使用工程部:隧道锚杆支护、仰拱等。
5、原材料主要技术指标及试验结论(1:水泥)(3:细集料)三、混凝土基准配合比设计1、计算配制强度20MPaσ----混凝土强度标准差,取4.0MPa 。
混凝土设计强度:k cu f ,=20MPa 混凝土配制强度:0,cu f =σ645.1,+k cu f =20+1.645×4=26.6MPa 2、水胶比:根据设计规范及试拌效果取水胶比0.52。
3、单位用水量根据设计规范及施工条件需要,混凝土坍落度为800~120mm 。
根据实际试拌效果,取用水量为238kg/m ³。
计算单位胶凝材料用量为:458kg/m ³ 4、选定砂率:根据根据设计规范及实际试拌效果初步选用55%。
5、计算配合比:质量法:假定每立方米混凝土的重量为2300kg 则 cp w s g c m m m m m =+++0000%100000⨯+=g s s s m m m β即:458+00s g m m ++238=2300 55%=%100000⨯+s g s m m m解得:=m882kg =0g m722kg0s6、确定混凝土基准配合比配合比:水泥:砂:碎石:水=458:882:722:238比例为1:1.93:1.58:0.52四、混凝土配合比试配、调整根据混凝土配合比选定要求,以基准配合比为基础,选配两个调整配合比,其用水量与基准配合比相同,水胶比较基准配合比分别增加或减少0.02,即水胶比分别为0.50与0.54。
C20喷射混凝土配合比计算书1、设计说明(1)工程名称xxxxxxxxx标段。
(2)环境类别:潮湿无侵蚀环境。
(2)目的:保证混凝土强度满足结构设计要求,工作性满足施工工艺要求,确保工程质量且经济合理。
(3)用途:本配合比用于隧道洞门边坡防护、初期支护等结构部位。
(4)设计坍落度为80-120mm。
2、设计依据《普通混凝土配合比设计规程》JGJ55-2011《公路工程水泥及水泥混凝土试验规程》JTG E30-2005《锚杆喷射混凝土支护技术规范》GB 50086-2001《普通混凝土拌合物性能试验方法标准》GB/T 50080-2002《普通混凝土力学性能试验方法标准》GB/T 50081-20023、原材料试验结果(1)水泥:xxxxxxxxxP.O42.5水泥。
(2)细骨料:xxxxxxx场中砂。
(3)粗骨料:xxxxxxx石场提供5-10mm碎石。
(4)水: xxxxx(5)外加剂: xxxxxxxxx系高性能减水剂,掺量为βa为1.0%,速凝剂采用xxxxxxx速凝剂,掺量为4%。
4、计算初步配合比(1)确定砼试配强度设计强度fcu,k=20Mpa 无历史统计资料,标准差取4Mpa ,则砼试配强度 fcu,o=20+1.645×4=26.6Mpa。
(2)确定水胶比(W/B)无历史统计,碎石的回归系数为a=0.53, b=0.20取水泥的 fce=42.5×1.16=49.3 Mpa则:W/B=(0.53×49.3)/(26.6+0.20×0.53×49.3)=0.82据《锚杆喷射混凝土支护技术规范》GB 50086-2001要求:水灰比宜为0.42-0.50,结合环境类别选用W/C=0.42。
(3)确定单位用水量及水泥用量混凝土坍落度应为80-120mm,据《普通混凝土配合比设计规程》JGJ 55-2011查表得出单位用水量m w=220kg,掺减水剂的单位用水量m w0=m′w0(1-β)=220×(1-0.20)=176kg,单位水泥用量为:m c0=176/0.42=419kg,满足规范最小水泥用量要求。
C20喷射混凝土配合比设计计算书一、设计依据1、《普通混凝土配合比设计规程》(JGJ55-2000)2、《公路桥涵施工技术规范》(JTJ041-2000)3、《公路工程水泥及水泥混凝土试验规程》(JTGE30-2005)4、《公路工程集料试验规程》(JTGE42-2005)二、设计要求:混凝土设计强度20Mpa, 采用坍落度50mm—80mm。
三、设计条件:工程名称:使用部位:隧道混凝土设计强度:C20使用原材料:1、水泥:P.O 42.5(灰剑水泥)2、砂:河砂,中砂(石灰窑砂场)3、石子:碎石(大石庙碎石厂)5-10mm 碎石4、水:可饮用水。
5、速凝剂:北京方兴JF-11速凝剂掺量:4%四、配合比设计计算步骤:Ⅰ.基准配合比1.确定试配强度为了在现场条件下使配制的混凝土的强度保证率达到95%,查表得混凝土保证率系数t=1.645;因为无统计资料,根据GB50204-2002标准《混凝土结构施工及验收规范》的规定,混凝土强度标准差取,б=5.0Mpa;C20混凝土配制强度为:f c u ,o =f c u , k+ 1.645 б=20+1.645×5.0=28.2Mpa2.计算水灰比:混凝土配制的粗集料为碎石,根据JGJ55-2000标准第5.0.4条第2条规定,取αa=0.46, αb=0.07,水泥的实际强度为42.5Mpa。
α a ×f c e0.46×42.5W/C= ------------------------------------= -----------------------------------=0.66f c u , o +αa×αb×f c e28.2+0.46×0.07×42.5根据图纸设计要求最大水灰比0.60,经试拌,选定水灰比为0.40。
3.选用单位用水量:根据JGJ55-2000标准第4.0.1条选取用水量为176kg/m3。
C20喷射混凝土配合比设计书一、设计依据:1、设计图纸2、JTG F60-2009《公路隧道施工技术规范》3、JTG/T F60-2009《公路隧道施工技术细则》4、GB50086-2001《锚杆喷射混凝土技术规范》二、设计说明:1、设计强度等级:C20。
2、设计混凝土坍落度:800~120mm。
3、水泥:海螺水泥P.O 42.5。
细骨料:选用泾川0~4.75mm天然中砂。
粗骨料:选用策底坡石料厂5~10mm碎石。
外加剂:采用咸宁天安新型材料有限公司生产的速凝剂,按胶凝材料用量10%掺配。
拌合水:饮用水。
4、拟使用工程部:隧道锚杆支护、仰拱等。
5、原材料主要技术指标及试验结论(1:水泥)(2:粗集料)(3:细集料)三、混凝土基准配合比设计1、计算配制强度20MPaσ----混凝土强度标准差,取4.0MPa 。
混凝土设计强度:k cu f ,=20MPa 混凝土配制强度:0,cu f =σ645.1,+k cu f =20+1.645×4=26.6MPa 2、水胶比:根据设计规范及试拌效果取水胶比0.52。
3、单位用水量根据设计规范及施工条件需要,混凝土坍落度为800~120mm 。
根据实际试拌效果,取用水量为238kg/m ³。
计算单位胶凝材料用量为:458kg/m ³ 4、选定砂率:根据根据设计规范及实际试拌效果初步选用55%。
5、计算配合比:质量法:假定每立方米混凝土的重量为2300kg 则cp w s g c m m m m m =+++0000%100000⨯+=g s s s m m m β即:458+00s g m m ++238=2300 55%=%100000⨯+s g s m m m解得:=0s m 882kg =0g m 722kg6、确定混凝土基准配合比配合比:水泥:砂:碎石:水 =458:882:722:238 比例为1:1.93:1.58:0.52四、混凝土配合比试配、调整根据混凝土配合比选定要求,以基准配合比为基础,选配两个调整配合比,其用水量与基准配合比相同,水胶比较基准配合比分别增加或减少0.02,即水胶比分别为0.50与0.54。
干喷法C20喷射混凝土配合比设计【摘要】喷射混凝土是利用压缩空气把一定配比的混凝土由喷射机的喷口以高速高压喷出,从而在被喷面(岩石或结构物表面)形成混凝土层,常用于边坡的综合治理。
本文结合工程实例,对所采用的干喷法C20喷射混凝土配合比进行设计。
通过配合比的初步选定以及现场试喷,验证(调整)并确定了配合比的三个参数,从而确定了最佳施工计划配合比。
【关键词】喷射混凝土;干喷法;配合比1.前言喷射混凝土是利用压缩空气把一定配比的混凝土由喷射机的喷口以高速高压喷出,从而在被喷面(岩石或结构物表面)形成混凝土层,使岩石或结构物得到加强和保护。
喷射混凝土又分为干喷法和湿喷法两种喷射方式。
由于喷射混凝土施工工艺的特殊性,喷射混凝土,特别是干喷法喷射混凝土的配合比设计步骤不同于普通混凝土配合比设计。
本文结合舟山某石油公司边坡综合治理工程实例,对所采用的干喷法C20喷射混凝土配合比进行设计。
2.原材料2.1 水泥安徽金刀水尼有限公司生产的矿渣硅酸盐32.2级水泥,合项指标见表1。
表1 水泥技术指标2.2 粗骨料碎石,由舟山市普陀区恒龙石料厂轧制.。
最大粒径15mm,含泥量0.6%,针片状颗料含量13%,表观密度2620kg/m3。
2.3 细骨料淡化海砂,经舟山市普陀区蛟头大岙沙场淡化。
细度模数2.6,含泥量0.2%,氯离子含量0.016%,贝壳含量4.8%,表观密度2600kg/m3。
2.4 速凝剂由于该工程边坡比较平缓,施工单位、监理单位、设计单位讨论决定不掺速凝剂。
3.配合比的初步选定喷射混凝土配合比的初步选定可根据经验、参考以往试验数据和套用规范限定值来进行。
3.1 砂率的初步选定砂率影响喷射混凝土的许多工作性能(如回弹量、混凝土强度、管路堵塞等),根据规范初步选定45%、50%和55%。
3.2 用水量的初步选定根据经验,参考经往试验数据,先估算用水量为180kg/m3和185kg/m3。
3.3 水灰比及水泥用量的初步选定水灰比是影响喷射混凝土强度的主要因素,按规范要求干喷法喷射混凝土水灰宜为0.40~0.45,以喷射物不出现干斑、不流淌、色泽均匀为宜,所以选定水灰比为0.45、0.43和0.40。
C20喷射混凝土配合比设计书欧阳光明(2021.03. 07)一・设计依据:1、设计图纸2、JTG F60-2009《公路隧道施工技术规范》3、JTG/T F60-2009《公路隧道施工技术细则》4、GB50086-2001《锚杆喷射混凝土技术规范》二. 设计说明:1、设计强度等级:C20o2、设计混凝土坍落度:800〜120mm。
3、水泥:海螺水泥P.0 42.5。
细骨料:选用泾丿II 0〜4.75mm天然中砂。
粗骨料:选用策底坡石料厂5〜10mm碎石。
外加剂:采用咸宁天安新型材料有限公司生产的速凝剂,按胶凝材料用量10%掺配。
拌合水:饮用水。
4、拟使用工程部:隧道锚杆支护.仰拱等。
5、原材料主要技术指标及试验结论(2:粗集料)(3:细集料)三. 混凝土基准配合比设计计算配制强度20MPa厂…混凝土强度标准差,取4.0MPa o混凝土设计强度:/皿=20MPa混凝土配制强度:£”.0二.£心+1.645C =20+1.645 x 4=26.6MPa 2.水胶比:根据设计规范及试拌效果取水胶比0.52。
3.单位用水量根据设计规范及施工条件需要,混凝土坍落度为800〜120mm。
根据实际试拌效果,取用水量为238kg/m3 o*欧阳光明*创编计算单位胶凝材料用量为:458kg/m34.选定砂率:根据根据设计规范及实际试拌效果初步选用55%O5.计算配合比:质量法:假定每立方米混凝土的重量为2300kg则即:458+叫。
+"。
+238=2300一如一xlOO%55%=叫。
+叫解得:叫o=882kg 叫o=722kg6.确定混凝土基准配合比配合比:水泥:砂:碎石:水=458: 882: 722: 238比例为1: 1.93: 1.58: 0.52四. 混凝土配合比试配、调整根据混凝土配合比选定要求,以基准配合比为基础,选配两个调整配合比,其用水量与基准配合比相同,水胶比较基准配合比分别增加或减少0.02,即水胶比分别为0.50与0.54oK水胶比为0.50的参照1配合比根据质量法计算配合比:配合比:水泥:砂:碎石:水=476: 872: 714: 238比例为:1: 1.83: 1.44: 0.502.水胶比为0.54的参照2配合比根据质量法计算配合比:配合比:水泥:砂:碎石:水=441: 892: 729: 238比例为:1: 2-02: 1.65: 0.54五. 混凝土配合比试配结果及确认拟使用申报配合比1、配合比材料用量2、配合比拌合物性能3、抗压强度数据农根据各选定配合比混凝土拌合物工作性能及抗压强度值,假定容重与实测容重之差少于2%,结合工地施工实际情况,拟选用申报配合比:配合比:水泥:砂:碎石:水=458: 882: 722: 238比例为1: 1.93: 1.58: 0.52。
c20喷射混凝土密度C20喷射混凝土密度是指喷射混凝土所具有的密度。
喷射混凝土是一种特殊的施工技术,通过高速喷射混凝土材料到墙体、地板等建筑结构上,形成坚固、密实的混凝土层。
具体的喷射效果与混凝土的密度密切相关。
下面将介绍C20喷射混凝土密度的相关参考内容。
首先,C20喷射混凝土的密度与混凝土配合比有关。
混凝土的配合比是指混凝土中水、水泥、砂石和骨料的比例。
C20喷射混凝土的配合比一般为水胶比0.6-0.7,水泥用量为320-360kg/m3,砂石粒径一般为5-15mm。
这样的混凝土配合比可以使得喷射混凝土具有合适的流动性和凝结性,从而保证喷射后形成的混凝土层具有一定的密度。
其次,C20喷射混凝土的密度还与流动性有关。
流动性是指混凝土在喷射过程中的可变形性和可调性。
C20喷射混凝土在喷射过程中需要具备一定的流动性,以保证混凝土能够均匀喷射到墙体、地板等表面,并填充细小的空隙。
如果混凝土的流动性不好,可能会导致喷射混凝土层密度不均匀,影响混凝土的强度和密实性。
此外,C20喷射混凝土的密度还与材料的质量有关。
混凝土中的水、水泥、砂石和骨料的质量都会影响混凝土的密度。
水泥的质量要求标准符合GB175-2007的相关规定,水的质量要求符合GB3838-2010的标准,砂石和骨料的质量要求符合GB14685-2011的标准。
只有材料的质量达到标准要求,才能保证喷射混凝土的密度达到设计要求。
最后,C20喷射混凝土的密度还与施工工艺有关。
喷射混凝土施工需要选择适当的喷射设备,根据墙体、地板等建筑结构的要求进行喷射施工。
喷射混凝土的喷射速度、压力等参数需要根据具体情况进行调整,以确保混凝土能够均匀喷射并形成合适的密实层。
综上所述,C20喷射混凝土密度的相关参考内容主要包括混凝土的配合比、流动性、材料质量和施工工艺等方面。
只有在这些方面都做到合理调配和控制,才能够保证喷射混凝土的密度达到设计要求,从而确保喷射混凝土层的质量和持久性。
C20喷射混凝土配合比设计书
欧阳光明(2021.03.07)
一、设计依据:
1、设计图纸
2、JTG F60-2009《公路隧道施工技术规范》
3、JTG/T F60-2009《公路隧道施工技术细则》
4、GB50086-2001《锚杆喷射混凝土技术规范》
二、设计说明:
1、设计强度等级:C20。
2、设计混凝土坍落度:800~120mm。
3、水泥:海螺水泥P.O 42.5。
细骨料:选用泾川0~4.75mm天然中砂。
粗骨料:选用策底坡石料厂5~10mm碎石。
外加剂:采用咸宁天安新型材料有限公司生产的速凝剂,按胶凝材料用量10%掺配。
拌合水:饮用水。
4、拟使用工程部:隧道锚杆支护、仰拱等。
5、原材料主要技术指标及试验结论
(1:水泥)
(2:粗集料)
(3:细集料)
三、混凝土基准配合比设计
1、计算配制强度20MPa
σ----混凝土强度标准差,取4.0MPa 。
混凝土设计强度:
k
cu f ,=20MPa
混凝土配制强度:
,cu f =σ
645.1,+k
cu f =20+1.645×4=26.6MPa
2、水胶比:
根据设计规范及试拌效果取水胶比0.52。
3、单位用水量
根据设计规范及施工条件需要,混凝土坍落度为800~120mm 。
根据实际试拌效果,取用水量为238kg/m ³。
计算单位胶凝材料用量为:458kg/m ³ 4、选定砂率:
根据根据设计规范及实际试拌效果初步选用55%。
5、计算配合比:
质量法:假定每立方米混凝土的重量为2300kg 则 即:458+00s g m m ++238=2300 55%=
%
1000
00
⨯+s g s m m m
解得:=0s m 882kg =0g m 722kg 6、确定混凝土基准配合比
配合比:水泥:砂:碎石:水 =458:882:722:238 比例为1:1.93:1.58:0.52 四、混凝土配合比试配、调整
根据混凝土配合比选定要求,以基准配合比为基础,选配两个调整配合比,其用水量与基准配合比相同,水胶比较基准配合比分别增加或减少0.02,即水胶比分别为0.50与0.54。
1、水胶比为0.50的参照1配合比 根据质量法计算配合比:
配合比:水泥:砂:碎石:水=476:872:714:238 比例为:1:1.83:1.44:0.50 2、水胶比为0.54的参照2配合比 根据质量法计算配合比:
配合比:水泥:砂:碎石:水=441:892:729:238
比例为:1:2.02:1.65:0.54
五、混凝土配合比试配结果及确认拟使用申报配合比
1、配合比材料用量
2、配合比拌合物性能
3、抗压强度数据
4、根据各选定配合比混凝土拌合物工作性能及抗压强度值,假定容重与实测容重之差少于2%,结合工地施工实际情况,拟选用申报配合比:
配合比:水泥:砂:碎石:水 =458:882:722:238
比例为1:1.93:1.58:0.52。