321钢桥设计基本参数
- 格式:doc
- 大小:23.50 KB
- 文档页数:2
321装配式公路钢桥说明目录1 装配式公路钢桥的性能与特点 (1)2 装配式公路钢桥的组成与结构 (1)4 常用资料 ........................................................................................................5 架设准备作业 ................................................................................................6 桥梁架设作业 ................................................................................................7 桥梁的撤收 ....................................................................................................8 桥梁的使用与维护........................................................................................9 器材的储存管理............................................................................................1 装配式公路钢桥的性能与特点321装配式公路钢桥为中穿下承式桁架桥。
主桁由桁架用销子连接而成。
其构件轻巧简单、互换性好、拆装方便、架设速度较快、适应性强;主要用于架设单跨临时性桥梁,保障履带式荷载500千牛、轮胎式荷载300千牛(轴压力130千牛)以下的各种车辆通过江河、断桥、沟谷等障碍。
8 龙门吊、架桥机(采用贝雷桁架)8.1 贝雷桁架构件设计参数贝雷桁架现有进口与国产两种规格,国产贝雷桁架又称为321钢桥,为常用支架结构。
国产贝雷桁架用16Mn,销子采用30CrMnTi,插销用弹簧钢制造,焊条用T505X 型。
材料的容许应力按基本应力提高30%,个别钢质杆件超过上述规定时,不得超过其屈服点的85%,设计时采用的容许应力如下:16Mn拉应力、压应力及弯应力为1.3×210=273MPa;剪应力为1.3×160=208MPa。
30CrMnTi拉应力、压应力及弯应力为0.85×1300=1105MPa;剪应力为0.45×1300=585MPa。
现有进口贝雷桁架材料屈服点强度为351MPa,其容许应力按0.7×351=245MPa考虑,销子容许应力可考虑与国产销子一样。
其它构件容许荷载如下:进口贝雷梁的桁架销子双剪状态容许剪力550kN;弦杆螺栓容许剪力150kN,容许拉力80kN;摆动滚子最大容许荷载210kN。
国产贝雷梁的栓滚最大容许荷载250kN,平滚每一滚子最大荷载60kN;其余可参考进口贝雷的数值。
贝雷桁架各构件重量详见表3.8-1。
表3.8-1 贝雷桁架构件重量表(单位:kg)构件名称单位国产进口构件名称单位国产进口桁架节片 270 259支撑架副 21 18加强弦杆支 80 阴、阳头端柱根 69.7 59销子个 3 2.7 桥座个 38 32横梁根 245 202座板块 184 181有扣纵梁组 107 86 桥头搭板副 142无扣纵梁组 105 83 搭板支座副 46桁架螺栓个 3 3.6 桥面板副 40弦杆螺栓个 2 护轮木根 44横梁夹具副 3 2.7 摇滚副 102 92抗风拉杆套 33 29 平滚副 60 48斜撑根 11 8 下弦接头个 6 5.4联板根 4 1.4 阴、阳斜面弦杆个 27.31 贝雷桁架片力学性质见表3.8-2:类型国产进口自由长度l p(cm) 75 76.220.5长细比λ=l p/i x 19.00.948纵向弯曲系数φ 0.953弦杆纵向容许受压荷载(kN) 663.0 638.0 注:另有计算简化成单杆系可采用:I x=685.12×10-8m4,y=0.0028m,截面积A=146.45×10-4m。
装配式公路钢桥(“321钢桥”)“321钢桥”的桥面净宽为3.7m,单车道,主桁可两排或三排并列,除单排外均可双层重叠,桁架的上下弦杆可另设加强弦杆。
桥梁横向两内排桁架的中心距为 4.2m(二内排桁架净距 4.02m+上弦杆宽0.18 m),第二排桁架与内排桁架的中心距为0.45m,第三排桁架与第二排桁架的中心距为0.25m。
两排桁架的中心距为4.2m +0.45m =4.65m(即便桥横向支点中心距)。
16锰钢的拉应力、压应力及弯曲应力:1.3*210=273MPa16锰钢的剪应力:1.3*120=156MPa30鉻锰钛的拉应力、压应力和弯曲应力:0.85*1300=1105MPa30鉻锰钛的剪应力:0.45*1300=585MPa2.1主体结构与桥面系1)桁架2)销子与保险插销3)加强弦杆4)横梁5)纵梁6)桥面板、护轮木和护木螺栓荷载、跨经与桥梁组合配置表1、表中S,S表示单排单层;D,S表示双排单层;T,S表示三排放单层;D,D表示双排双层;T,D表示三排双层。
2、在S,S;D,S;T,S;D,D和T,D之后加R,则表示它们的加强型即有加强弦杆。
各类组合桥梁每节重量表(KN)(木桥面)各类组合桥梁每节重量表(KN)(钢桥面)桥梁几何特性表桁架容许内力表(例:3578.5*210/1000=751.15KN.m)桁架桥内力表注:1、表中的弯矩和剪力值(按木桥面板计算),是该种荷载,该种组合形式桥梁最大跨径值。
2、各种荷载等级和组合形式下的最大跨径,是由容许弯矩和容许剪力决定的,在大多情况下,最大跨径是由容许弯矩控制。
地基土容许承载力表座板最大反力及反应力表构件重量和轮廓尺寸表各类桥型物件数量计算参考表。
“321” 钢桥设计基本参数简介:装配式公路钢桥(简称“321”钢桥)是在原英制贝雷桁架桥的基础上,结合我国国情和实际情况研制而成的快速组装桥梁,材料为16Mn。
“321”钢桥属临时性桥梁结构,钢材的容许应力按基本容许应力提高30%,本桥设计时采用的容许应力按下列确定:16锰钢的拉应力、压应力及弯应力:1.3×210=273 MPa16锰钢的剪应力:1.3×120=156 MPa销子为30铬锰钛,插销为弹簧钢30铬锰钛的拉应力、压应力及弯应力0.85×1300=1105 MPa30铬锰钛的剪应力0.45×1300=585 MPa2、钢梁截面特性(1)、桁架上下弦杆系由各两根10号热轧槽钢背靠背组合而成,腹杆由8号工字钢组成;(2)、“321”钢桥在大多数情况下,最大跨径是由容许弯矩控制,但在个别情况下,是由剪力控制。
桥梁几何特性表(表中数值为半边桥之值,全桥时应乘2)几何特性 W(cm3) I(cm4)结构构造单排单层不加强 3578.5 250497.2加强 7699.1 577434.4双排单层不加强 7157.1 500994.4加强 15398.3 1154868.8三排单层不加强 10735.6 751491.6加强 23097.4 1732303.2双排双层不加强 14817.9 2148588.8加强 30641.7 4596255.2三排双层不加强 22226.8 3222883.2加强 45962.6 6894382.8桁架容许内力表桥型不加强桥梁加强桥梁容许内力单排单层双排单层三排单层双排双层三排双层单排单层双排单层三排单层双排双层三排双层弯矩(KN·M) 788.2 1576.4 2246.4 3265.4 4653.2 1687.5 3375.0 4809.4 6750.0 9618.8剪力(KN) 245.2 490.5 698.9 490.5 698.9 245.2 490.5 698.9 490.5 6 98.9“321”钢桥弦杆截面积A(cm2):2×12.74=25.48弦杆惯矩Ix(cm4):396.6弦杆截面模量Wx(cm3):79.4自由长度Lp(cm):75长细比λ= Lp/r :19纵向弯曲系数φ:0.953弦杆纵向容许受压荷载(KN):6631、容许内力指的是跨中弯矩和支点剪力;2、桁架销子双剪状态容许剪力550KN(销子直径为49.5mm);3、弦杆螺栓允许剪力150KN,允许拉力80KN。
钢结构桁架计算书审核:校核:拟稿:四川嘉通钢桥工程机械设备有限公司2016年5月一、工程概况1.1、工程概况:工程名称:钢便桥。
建设地点:四川建设规模:24m三排单层下加强型建设单位:1.2、结构特点:主要设计技术指标1.2.1、工程设计安全等级 :临时桥;满足正常使用要求,设计使用年限3年。
1.2.2、公路要求:单车道。
1.2.3、设计行车速度:5km/h。
1.2.4、桥面宽度:约4m。
1.2.5、设计荷载:汽车荷载:汽车-80t。
1.2.6、桥上纵坡:0 %(双向)。
1.2.7、桥上横坡:0%。
1.3、主要设计规范《公路桥涵施工技术规范》(JTJ041-2000);《公路桥涵设计通用规范》(JT G060-2004);《公路桥涵钢结构及木结构设计规范》(JTJ025-86);《装配式公路钢桥制造标准》(JT-T 728-2008);《钢结构工程施工质量验收规范》(GB50205-2001)。
1.4、结构设计为满足施工期运营要求,结合工程施工总体布置,考虑工程的运营需要,钢桁架桥方案设计为单跨 321型钢桁架桥,全长24m,桥面净宽约4m。
结构纵梁采用下加强型三排单层321 型钢桁架拼装组成,桥梁横向采用6片桁架。
支撑架采用螺栓紧固在桁架上以维持桁架的横向稳定,支撑架采用角钢自行加工而成。
横梁采用 I28a,采用专用螺杆与桥面板连接。
桁架片、桥面系及横梁等上部主体结构均采用Q345b钢材。
1.5、钢桁架结构及配件主要技术指标1.5.1、桁架,加强弦杆,端柱的销孔以及所有构件的公差,均应满足设计图中所注公差要求。
1.5.2、杆件因局部弯曲后的中线与未局部弯曲时杆件轴线的偏差,不得超出以下范围:1.5.2.1、桁架,加强弦杆,端柱为各该杆件长度的1/1000;1.5.2.2、 桥面板,桥头搭板在平面上的偏差,不得超过其长度的1/1000,在立面上的偏差不得超过2mm ;1.5.2.3、 横梁在平面上和立面上的偏差,均不得超过2mm ; 1.5.2.4、 斜撑,支撑架等为各杆件长度的1.5/1000。
桥型
几何特性
J(cm4)
3
W(cm)
桥
型
几何特性
J(cm4)
3
W(cm)
说明
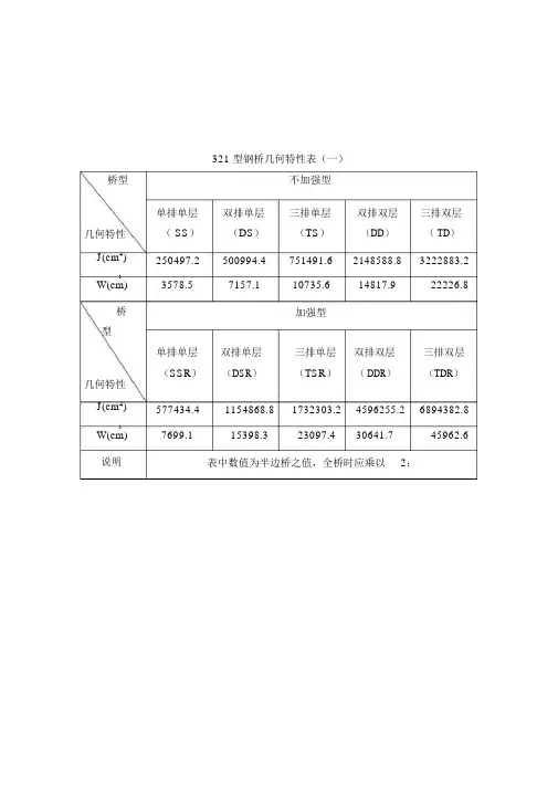
321型钢桥几何特性表(一)
不加强型
单排单层双排单层三排单层双排双层三排双层( SS)(DS)(TS)(DD)( TD)250497.2500994.4751491.62148588.83222883.2 3578.57157.110735.614817.922226.8
加强型
单排单层双排单层三排单层双排双层三排双层(SSR)(DSR)(TSR)( DDR)(TDR)
577434.41154868.81732303.24596255.26894382.8 7699.115398.323097.430641.745962.6表中数值为半边桥之值,全桥时应乘以2;
结构形
式
内力
桁架弯矩(KN.m)
桁架剪力
(KN)
结构形
式
内力
桁架弯矩(KN.m)
桁架剪力
(KN)
说明
321型桁架容许内力表(二)
不加强型
单排单层双排单层三排单层双排双层三排双层( SS)(DS)(TS)(DD)(TD)
788.21576.42246.43265.44653.2 245.2490.5698.9490.5698.9
加强型
单排单层双排单层三排单层双排双层三排双层(SSR)(DSR)(TSR)(DDR)(TDR)
1687.53375.04809.46750.09618.8 245.2490.5698.9490.5698.9表中数值为半边桥之值,全桥时应乘以2;。
321型126米上承式6排单层钢桥方案由我部承建的磊族洮河大桥设计为钻孔灌注桩基础,其中有10根桩基础在水电站河堤内,河水较深,所以施工需要搭设钢架桥。
一、设计要求钢桥全长126米,共6跨,每跨长20米,通行桥面宽6米,设计通行荷载100吨。
拟采用321型贝雷片做为主梁,编组形式为6排单层上承式。
钢桥两端为C30混凝土桥台,下部钢管桩使用∅529钢管,3根横向并列为1组,分配梁为双拼I32工字钢,剪刀撑为]12.6槽钢。
栈桥中部设2组制动桩,预留为施工平台连接区。
总体布置方式如下图。
一、计算依据1、《公路桥涵地基与基础设计规范》(JTG D63-2007);2、《钢结构设计规范》(GB50017-2003);3、《路桥施工计算手册》;4、《公路桥梁施工技术规范》(JTG/T F50-2011);5、《装备式公路钢桥多用途使用手册》;6、《装备式公路钢桥》设计制造标准(JT/T728-2008)7、其他相关规范手册。
二、相关参数表二、桥梁几何特性表三、主梁计算以前四后八的一汽自卸车为例,其最长轴跨为3.6米,为方便计算将其简化为两轴车计算荷载,即每轴承重50吨,每单侧承重25吨。
1、弯矩最不利位置为梁的中部,弯矩值最大。
M恒=1/8ql2=1/8×15×122=270(kn.m)其中q=15kn/m,L=12m。
M动=Fa=500×4.2=2100(kn.m)M总=M恒+1.4M动=270+1.4×2100=3210(kn.m)M总=3210<M max=788×6=4728,计算通过!2、剪力最不利位置为梁的端部,其剪力值最大,简化计算如下图。
Q恒=1/2ql=1/2×15×12=180(kn)Q动=F+F×L1/L=500+500×8400/12000=850(kn)Q总=Q恒+1.4Q动=1370(kn)Q总=1370<M max=245×6=1470,计算通过!3、挠度为均布及跨中挠度之和。
321装配式公路钢桥
那么321装配式公路钢桥的特点有哪些呢,以下是给大家带来的关于321装配式公路钢桥的相关内容,以供参考。
321装配式公路钢桥的性能与特点:
321装配式公路钢桥为中穿下承式桁架桥。
主桁由桁架用销子连接而成。
其构件轻巧简单、互换性好、拆装方便、架设速度较快、适应性强;主要用于架设单跨临时性桥梁,保障履带式荷载500千牛、轮胎式荷载300千牛以下的各种车辆通过江河、断桥、沟谷等障碍。
桥梁跨径为3米的倍数,车行道宽度3.7米。
321装配式公路钢桥是在原英制贝雷桁架桥的基础上结合我国国情和实际情况,由交通部公路规划设计院设计的快速组装桥梁,是一种可分解的、能快速架设的制式桥梁,全桥采用高强钢全焊制成,主梁为可分解的轻型桁架,桁架间用单销连接,构件互换性强,重量较轻,运输拆装方便,还可根据跨径和通载要求组装成各型装配式钢桥,是一种被广泛应用的较为完善的应急交通保障组合装配式钢桥。
321
装配式公路钢桥适用于汽车-10级、汽车-15级、汽车-20级、履带-50级、挂车-80级等5种荷载。
装配式公路钢桥(“321钢桥”)“321钢桥”的桥面净宽为3.7m,单车道,主桁可两排或三排并列,除单排外均可双层重叠,桁架的上下弦杆可另设加强弦杆。
桥梁横向两内排桁架的中心距为 4.2m(二内排桁架净距 4.02m+上弦杆宽0.18 m),第二排桁架与内排桁架的中心距为0.45m,第三排桁架与第二排桁架的中心距为0.25m。
两排桁架的中心距为4.2m +0.45m =4.65m(即便桥横向支点中心距)。
16锰钢的拉应力、压应力及弯曲应力:1.3*210=273MPa16锰钢的剪应力:1.3*120=156MPa30鉻锰钛的拉应力、压应力和弯曲应力:0.85*1300=1105MPa30鉻锰钛的剪应力:0.45*1300=585MPa2.1主体结构与桥面系1)桁架2)销子与保险插销3)加强弦杆4)横梁5)纵梁6)桥面板、护轮木和护木螺栓荷载、跨经与桥梁组合配置表1、表中S,S表示单排单层;D,S表示双排单层;T,S表示三排放单层;D,D表示双排双层;T,D表示三排双层。
2、在S,S;D,S;T,S;D,D和T,D之后加R,则表示它们的加强型即有加强弦杆。
各类组合桥梁每节重量表(KN)(木桥面)各类组合桥梁每节重量表(KN)(钢桥面)桥梁几何特性表桁架容许内力表(例:3578.5*210/1000=751.15KN.m)桁架桥内力表注:1、表中的弯矩和剪力值(按木桥面板计算),是该种荷载,该种组合形式桥梁最大跨径值。
2、各种荷载等级和组合形式下的最大跨径,是由容许弯矩和容许剪力决定的,在大多情况下,最大跨径是由容许弯矩控制。
地基土容许承载力表座板最大反力及反应力表构件重量和轮廓尺寸表各类桥型物件数量计算参考表。
321装配式公路钢桥
那么321装配式公路钢桥的特点有哪些呢,以下是给大家带来的关于321装配式公路钢桥的相关内容,以供参考。
321装配式公路钢桥的性能与特点:
321装配式公路钢桥为中穿下承式桁架桥。
主桁由桁架用销子连接而成。
其构件轻巧简单、互换性好、拆装方便、架设速度较快、适应性强;主要用于架设单跨临时性桥梁,保障履带式荷载500千牛、轮胎式荷载300千牛以下的各种车辆通过江河、断桥、沟谷等障碍。
桥梁跨径为3米的倍数,车行道宽度3.7米。
321装配式公路钢桥是在原英制贝雷桁架桥的基础上结合我国国情和实际情况,由交通部公路规划设计院设计的快速组装桥梁,是一种可分解的、能快速架设的制式桥梁,全桥采用高强钢全焊制成,主梁为可分解的轻型桁架,桁架间用单销连接,构件互换性强,重量较轻,运输拆装方便,还可根据跨径和通载要求组装成各型装配式钢桥,是一种被广泛应用的较为完善的应急交通保障组合装配式钢桥。
321
装配式公路钢桥适用于汽车-10级、汽车-15级、汽车-20级、履带-50级、挂车-80级等5种荷载。
321装配式公路钢桥说明目录1 装配式公路钢桥的性能与特点 (1)2 装配式公路钢桥的组成与结构 (1)4 常用资料 ........................................................................................................5 架设准备作业 ................................................................................................6 桥梁架设作业 ................................................................................................7 桥梁的撤收 ....................................................................................................8 桥梁的使用与维护........................................................................................9 器材的储存管理............................................................................................1 装配式公路钢桥的性能与特点321装配式公路钢桥为中穿下承式桁架桥。
主桁由桁架用销子连接而成。
其构件轻巧简单、互换性好、拆装方便、架设速度较快、适应性强;主要用于架设单跨临时性桥梁,保障履带式荷载500千牛、轮胎式荷载300千牛(轴压力130千牛)以下的各种车辆通过江河、断桥、沟谷等障碍。
贝雷片力学参数
贝雷架可以是国产或进口,国产贝雷架也称为321钢桥,其基本组成单元是贝雷片,见图 1 。
贝雷片由上下弦杆、竖杆及斜杆焊接而成,上下弦杆分别为双[10槽钢,斜杆和竖杆为I8工字钢,桁架构件材料为16Mn,每片桁架重2.7kN,单位长重量为0.9kN/m。
上下弦杆的一端为阴头,另一端为阳头,统称为接头,见图2;阴阳头都有销栓孔,两节贝雷片连接时,将一节的阳头插入另一节的阴头内,对准销子孔,插上销子即可。
上、下弦杆内有螺栓孔,通过螺栓来拼组加强弦杆或双层贝雷片,图3为加强弦杆的螺栓图。
(a) (b)
图 1 贝雷片构造(尺寸单位:mm),(a)贝雷片三维图,(b) 贝雷片三视图
图2 接头
图3 加强弦杆螺栓(单位:mm)
贝雷片的基本力学特性见表1、2。
表1 贝雷梁单元杆件力学性能
表2 材料、屈服强度及容许应力(MPa)
表3 相当梁模型时贝雷架几何特性
表4 相当梁模型时贝雷架容许内力表。
“321” 钢桥设计基本参数简介:装配式公路钢桥(简称“321”钢桥)是在原英制贝雷桁架桥的基础上,结合我国国情和实际情况研制而成的快速组装桥梁,材料为16Mn。
“321”钢桥属临时性桥梁结构,钢材的容许应力按基本容许应力提高30%,本桥设计时采用的容许应力按下列确定:16锰钢的拉应力、压应力及弯应力:1.3×210=273 MPa16锰钢的剪应力:1.3×120=156 MPa销子为30铬锰钛,插销为弹簧钢30铬锰钛的拉应力、压应力及弯应力0.85×1300=1105 MPa30铬锰钛的剪应力0.45×1300=585 MPa2、钢梁截面特性(1)、桁架上下弦杆系由各两根10号热轧槽钢背靠背组合而成,腹杆由8号工字钢组成;(2)、“321”钢桥在大多数情况下,最大跨径是由容许弯矩控制,但在个别情况下,是由剪力控制。
桥梁几何特性表(表中数值为半边桥之值,全桥时应乘2)几何特性 W(cm3) I(cm4)结构构造单排单层不加强 3578.5 250497.2加强 7699.1 577434.4双排单层不加强 7157.1 500994.4加强 15398.3 1154868.8三排单层不加强 10735.6 751491.6加强 23097.4 1732303.2双排双层不加强 14817.9 2148588.8加强 30641.7 4596255.2三排双层不加强 22226.8 3222883.2加强 45962.6 6894382.8桁架容许内力表桥型不加强桥梁加强桥梁容许内力单排单层双排单层三排单层双排双层三排双层单排单层双排单层三排单层双排双层三排双层弯矩(KN·M) 788.2 1576.4 2246.4 3265.4 4653.2 1687.5 3375.0 4809.4 6750.0 9618.8剪力(KN) 245.2 490.5 698.9 490.5 698.9 245.2 490.5 698.9 490.5 698.9“321”钢桥弦杆截面积A(cm2):2×12.74=25.48弦杆惯矩Ix(cm4):396.6弦杆截面模量Wx(cm3):79.4自由长度Lp(cm):75长细比λ= Lp/r :19纵向弯曲系数φ:0.953弦杆纵向容许受压荷载(KN):6631、容许内力指的是跨中弯矩和支点剪力;2、桁架销子双剪状态容许剪力550KN(销子直径为49.5mm);3、弦杆螺栓允许剪力150KN,允许拉力80KN。
“321” 钢桥设计基本参数
简介:装配式公路钢桥(简称“321”钢桥)是在原英制贝雷桁架桥的基础上,结合我国国情和实际情况研制而成的快速组装桥梁,材料为16Mn。
“321”钢桥属临时性桥梁结构,钢材的容许应力按基本容许应力提高30%,本桥设计时采用的容许应力按下列确定:
16锰钢的拉应力、压应力及弯应力:
1.3×210=273 MPa
16锰钢的剪应力:
1.3×120=156 MPa
销子为30铬锰钛,插销为弹簧钢
30铬锰钛的拉应力、压应力及弯应力
0.85×1300=1105 MPa
30铬锰钛的剪应力
0.45×1300=585 MPa
2、钢梁截面特性
(1)、桁架上下弦杆系由各两根10号热轧槽钢背靠背组合而成,腹杆由8号工字钢组成;
(2)、“321”钢桥在大多数情况下,最大跨径是由容许弯矩控制,但在个别情况下,是由剪力控制。
桥梁几何特性表
(表中数值为半边桥之值,全桥时应乘2)
几何特性 W(cm3) I(cm4)
结构构造
单排单层不加强 3578.5 250497.2
加强 7699.1 577434.4
双排单层不加强 7157.1 500994.4
加强 15398.3 1154868.8
三排单层不加强 10735.6 751491.6
加强 23097.4 1732303.2
双排双层不加强 14817.9 2148588.8
加强 30641.7 4596255.2
三排双层不加强 22226.8 3222883.2
加强 45962.6 6894382.8
桁架容许内力表
桥型不加强桥梁加强桥梁
容许内力单排单层双排单层三排单层双排双层三排双层单排单层双排单层三排单层双排双层三排双层
弯矩(KN·M) 788.2 1576.4 2246.4 3265.4 4653.2 1687.5 3375.0 4809.4 6750.0 9618.8
剪力(KN) 245.2 490.5 698.9 490.5 698.9 245.2 490.5 698.9 490.5 698.9
“321”钢桥
弦杆截面积A(cm2):2×12.74=25.48
弦杆惯矩Ix(cm4):396.6
弦杆截面模量Wx(cm3):79.4
自由长度Lp(cm):75
长细比λ= Lp/r :19
纵向弯曲系数φ:0.953
弦杆纵向容许受压荷载(KN):663
1、容许内力指的是跨中弯矩和支点剪力;
2、桁架销子双剪状态容许剪力550KN(销子直径为49.5mm);
3、弦杆螺栓允许剪力150KN,允许拉力80KN。
桁架单元杆件性能(单个贝雷片)
杆件名材料断面型式横断面积(cm2)理论容许承载力(KN)弦杆 16Mn 2根槽10背靠背 2×12.74 560
竖杆 16Mn 8#工字钢 9.52 210
斜杆 16Mn 8#工字钢 9.52 171.5。