高职技能大赛数控车实操试题
- 格式:doc
- 大小:162.50 KB
- 文档页数:11
第二届全国数控技能大赛安徽赛区选拔赛
数控车床实操试题(D卷)
注意事项
1.请在试卷的标封处填写您的工作单位和姓名
2.请仔细阅读题目,按要求答题;保持卷面整洁,不要在标封区内填写无关内容
3.考试时间为360分钟
技术要求:
(1)不准用砂布及锉刀等修饰表面。
(2)锐角倒钝0.2×45°。
(3)未注公差尺寸按IT14。
(4)毛坯尺寸:φ75×145;材料:45#钢,调质处理HRC 12~20 。
(5)螺纹加工平床身以右旋螺纹形式加工,斜床身以左旋螺纹形式加工。
第二届全国数控技能大赛安徽赛区选拔赛
数控车床实操试题(D卷)
技术要求:
(1)不准用砂布及锉刀等修饰表面。
(2)锐角倒钝0.2×45°。
(3)未注公差尺寸按IT14。
(4)毛坯尺寸:φ75×85;材料:45#钢,调质处理HRC 12~20 。
(5)螺纹加工平床身以右旋螺纹形式加工,斜床身以左旋螺纹形式加工。
第二届全国数控技能大赛安徽赛区选拔赛
数控车床实操评分标准(D卷)。
数控车工中级试卷一、选择题:<以下四个备选答案中其中一个为正确答案,请将其代号填入括号内)1.图样中螺纹地底径线用<C)绘制.(A>粗实线(B>细点划线(C>细实线(D>虚线2.装配图地读图方法,首先看<B),了解部件地名称..(A>零件图(B>明细表(C>标题栏(D>技术文件3.公差代号H7地孔和代号<C)地轴组成过渡配合.(A>f6(B>g6(C>m6(D>u64.尺寸?48F6中,“6”代表<B)(A>尺寸公差带代号(B>公差等级代号(C>基本偏差代号(D>配合代号5.牌号为45地钢地含碳量为百分之<C).(A>45(B>4.5(C>0.45(D>0.0456.轴类零件地调质处理热处理工序应安排在<B).(A>粗加工前(B>粗加工后,精加工前(C>精加工后(D>渗碳后7.下列钢号中,(A>钢地综合力学性能最好.8.9.11.13.工艺基准除了测量基准、装配基准以外,还包括<(A>定位基准(B>粗基准(C>精基准(D>设计基准14.零件加工时选择地定位粗基准可以使用<A).(A>一次(B>二次(C>三次(D>四次及以上15.工艺系统地组成部分不包括<C).<A)机床<B)夹具<C)量具<D)刀具16.车床上地卡盘、中心架等属于<A)夹具.(A>通用(B>专用(C>组合(D>标准17.工件地定位精度主要靠<A)来保证.(A>定位元件(B>辅助元件(C>夹紧元件(D>其他元件18.切削用量中<A)对刀具磨损地影响最大.(A>切削速度(B>进给量(C>进给速度(D>背吃刀量19.刀具上切屑流过地表面称为<A).(A>前刀面(B>后刀面(C>副后刀面(D>侧面20.为了减少径向力,车细长轴时,车刀主偏角应取<C).(A>30°~45°(B>50°~60°(C>80°~90°(D>15°~20°21.既可车外圆又可车端面和倒角地车刀,其主偏角应采用<B).(A>30°(B>45°(C>60°(D>90°22.标准麻花钻地顶角φ地大小为<C).(A>90o(B>100o(C>118o(D>120o23.车削右旋螺纹时主轴正转,车刀由右向左进给,车削左旋螺纹时应该使主轴<A)进给.(A>倒转,车刀由右向左(B>倒转,车刀由左向右(C>正转,车刀由左向右(D>正转,车刀由右向左24螺纹加工中加工精度主要由机床精度保证地几何参数为<D).(A>大径(B>中径(C>小径(D>导程25.数控机床有不同地运动方式,需要考虑工件与刀具相对运动关系及坐标方向,采用<B)地原则编写程序.(A>刀具不动,工件移动(B>工件固定不动,刀具移动(C>根据实际情况而定(D>铣削加工时刀具固定不动,工件移动;车削加工时刀具移动,工件不动27.数控机床面板上JOG是指<B).(A>快进(B>点动(C>自动(D>暂停28.数控车床地开机操作步骤应该是<B).(A>开电源,开急停开关,开CNC系统电源(B>开电源,开CNC系统电源,开急停开关(C>开CNC系统电源,开电源,开急停开关(D>都不对29.以下<A)指令,在使用时应按下面板“暂停”开关,才能实现程序暂停.(A>M01(B>M00(C>M02(D>M06)中间检查工序<B).<A)完全退火<B)去应力退火<C)正火<D)淬火37.以下材料中,耐磨性最好地是<D).<A)纯铜<B)铸铁<C)中碳钢<D)高碳钢38.<A)降低<B)减少<C)增大<D)升高39.为了减少刀具磨损,刀具前角应<D).<A)小些<B)较小些<C)大些<D)较大些40.刀具角度中对断屑影响较大地是<C).<A)前角<B)后角<C)主偏角<D)副偏角41.以下不属于啮合传动地是<B).<A)链传动<B)带传动<C)齿轮传动<D)螺旋传动42.液压系统地工作压力取决于<D).<A)泵地额定压力<B)泵地流量<C)压力表<D)外负载43.滚珠丝杠螺母副中负载滚珠总圈数一般为<B).(A)小于2圈<B)2~4圈<C)4~6圈<D)大于6圈44.只有在<B)和定位基准精度很高时,重复定位才允许采用.<A)设计基准<B)定位元件<C)测量基准<D)夹紧元件45.工件定位时,作为定位基准地点和线,往往是由某些具体表面体现地,这个表面称为<D).<A)安装基准面<B)测量基准面<C)设计基准面<D)定位基准面46.工件地<C)个自由度都得到限制,工件在夹具中只有唯一地位置,这种定位称为完全定位.<A)4<B)5<C)6<D)747.平头支撑钉适用于<B)平面地定位.<A)未加工<B)已加工<C)未加工过地侧面<D)都可以48.工件以两孔一面为定位基面,采用一面两圆柱销为定位元件,这种定位属于<C)定位. <A)完全<B)部分<C)重复<D)欠定位49.<A)是计算机床功率,选择切削用量地主要依据.<A)主切削力<B)径向力<C)轴向力<D)周向力50.以下不属于三爪卡盘地特点是<B).<A)找正方便<B)夹紧力大<C)装夹效率高<D)自动定心好51.车通孔时,内孔车刀刀尖应装得<A)刀杆中心线.<A)高于<B)低于<C)等高于<D)都可以52.若偏心距较大而复杂地曲轴,可用<D)来装夹工件.<A)两顶尖<B)偏心套<C)两顶尖和偏心套<D)偏心卡盘和专用卡盘53.车普通螺纹,车刀地刀尖角应等于<D)度.<A)30<B)55<C)45<D)6054.车孔精度可达<C)..12.3.用游标卡尺测量8.08mm地尺寸,选用读数值i为<B(A>i=0.1(B>i=0.02(C>i=0.05(D>i=0.0154.配合代号H6/f5应理解为<B)配合.(A>基孔制间隙5.牌号为35地钢地含碳量为百分之<C).(A>35(B>3.5(C>0.35(D>0.0356轴类零件地淬火热处理工序应安排在<B).(A>粗加工前(B>粗加工后,精加工前(C>精加工后(D>渗碳后7.下列钢号中,(C>钢地塑性、焊接性最好.(A>5(B>T10(C>20(D>658.精加工脆性材料,应选用<A)地车刀.(A>YG3(B>YG6(C>YG8(D>YG59.切削时,工件转1转时车刀相对工件地位移量又叫做<B).(A>切削速度(B>进给量(C>切削深度(D>转速10.精车外圆时,刃倾角应取<B).(A>负值(B>正值(C>零(D>都可以11.传动螺纹一般都采用<C).(A>普通螺纹(B>管螺纹(C>梯形螺纹(D>矩形螺纹12.一对相互啮合地齿轮,其齿形角、<B)必须相等才能正常传动.(A>齿数比(B>模数(C>分度圆直径(D>齿数C是指<B)地缩写.(A>自动化工厂(B>计算机数控系统(C>柔性制造系统(D>数控加工中心14.工艺基准除了测量基准、定位基准以外,还包括<A).(A>装配基准(B>粗基准(C>精基准(D>设计基准15.工件以两孔一面为定位基准,采用一面两圆柱销为定位元件,这种定位属于<A)定位.(A>完全(B>部分(C>重复(D>永久16.夹具中地<A)装置,用于保证工件在夹具中地正确位置.(A>定位元件(B>辅助元件(C>夹紧元件(D>其他元件17.V形铁是以<A)为定位基面地定位元件.(A>外圆柱面(B>内圆柱面(C>.内锥面(D>外锥面18.切削用量中<D)对刀具磨损地影响最小.(A>切削速度(B>进给量(C>进给速度(D>背吃刀量19.粗加工时地后角与精加工时地后角相比,应<B)(A>较大(B>较小(C>相等(D>都可以20.车刀角度中,控制刀屑流向地是<C).(A>前角(B>主偏角(C>.刃倾角(D>后角)<C). ((D>数控装置(27.数控机床面板上AUTO是指<C).(A>快进(B>点动(C>自动(D>暂停28.程序地修改步骤,应该是将光标移至要修改处,(A>插入(B>删除(C>替代(D>复位29.在Z轴方向对刀时,一般采用在端面车一刀,编程坐标系零点.(A>回零(B>置零(C>空运转(D>暂停30.发生电火灾时,应选用<B)灭火.(A>水(B>砂(C>普通灭火机(D>冷却液5.含碳量在<A)钢称为低碳钢.<A)0.25%~0.6%<B)0.15%~0.6%<C)0.6%~0.8%<D)0.6%~2.11%6.将淬硬钢再加热到一定温度,保温一定时间,然后冷却到室温地热处理过程为<B).<A)退火<B)回火<C)正火<D)淬火7.以下材料中,耐热性最好地是<C).<A)碳素工具钢<B)合金工具钢<C)硬质合金<D)高速钢8.车削时,走刀次数决定于<A).<A)切削深度<B)进给量<C)进给速度<D)主轴转速9.车不锈钢选择切削用量时,应选择<C).<A)较大地V,f<B)较小地V,f<C)较大地V,较小地f<D)较小地V,较大地f10.在特定地条件下抑制切削时地振动可采用较小地<B).<A)前角<B)后角<C)主偏角<D)刃倾角11.以下<D)情况不属于普通螺旋传动.<A)螺母不动,丝杠回转并作直线运动<B)丝杠回转,螺母作直线运动<C)丝杠不动,螺母回转并作直线运动<D)螺母回转,丝杠作直线运动12.液压泵地最大工作压力应<C)其公称压力.<A)大于<B)小于<C)小于或等于<D)等于13.以下不属于数控机床主传动特点是<C).(A)采用调速电机<B)变速范围大<C)传动路线长<D)变速迅速14.工件在装夹中,由于设计基准与<C)不重合而产生地误差,称为基准不重合误差.<A)工艺<B)装配<C)定位<D)夹紧15.轴在长V形铁上定位,限制了<B)个自由度.<A)2<B)4<C)3<D)616.垫圈放在磁力工作台上磨端面,属于<B)定位.<A)完全<B)部分<C)重复<D)欠定位17.设计夹具时,定位元件地公差约等于工件公差地<C).,限制了<B)个自由度.<A)值.,会产生<B).23.用螺纹千分尺可测量外螺纹地<C).<A)大径<B)小径<C)中径<D)螺距24.铰孔精度一般可达<C).<A)IT4-IT5(B>IT5-IT6(C>IT7-IT9(D>IT9-IT1028.若程序中主轴转速为S1000,(A>800(B>S8000(C>S80(D>S100029.数控车床X轴对刀时,若工件直径车一刀后,测得直径值为20.030mm,应通过面板输入X值为<A).(A>X20.030(B>X-20.030(C>X10.015(D>X-10.01530.机床“快动”方式下,机床移动速度F应由<C)确定.(A>程序指定(B>面板上进给速度修调按钮(C>机床系统内定(D>都不是二、判断题:<请将判断地结果填入题前地括号中,正确地填“√”,错误地填“×”)(X>1.机械制图图样上所用地单位为CM.<√)2.基准轴地上偏差等于零.<√)3.刀具地耐用度取决于刀具本身地材料.<X)4.工艺系统刚性差,容易引起振动,应适当增大后角.<√)5.我国动力电路地电压是380V.<X)6.机床“点动”方式下,机床移动速度F应由程序指定确定.<X)7.退火和回火都可以消除钢地应力,所以在生产中可以通用.<√)8.加工同轴度要求高地轴工件时,用双顶尖地装夹方法.<X)9.YG8刀具牌号中地数字代表含钴量地80%.<√)10.钢渗碳后,其表面即可获得很高地硬度和耐磨性.<X)11.不完全定位和欠定位所限制地自由度都少于六个,所以本质上是相同地.(√>12.钻削加工时也可能采用无夹紧装置和夹具体地钻模.(X>13.在机械加工中,采用设计基准作为定位基准称为符合基准统一原则.(√>14.一般CNC机床能自动识别EIA和ISO两种代码.(√>15.所谓非模态指令指地是在本程序段有效,不能延续到下一段指令..(√>16.数控机床重新开机后,一般需先回机床零点..(√>17.加工单件时,为保证较高地形位精度,在一次装夹中完成全部加工为宜.(X>18.零件地表面粗糙度值越小,越易加工(√>19.刃磨麻花子钻时,如磨得地两主切削刃长度不等,钻出地孔径回大于钻头直径. (√>20.一般情况下金属地硬度越高,耐磨性越好.(√>21.装配图上相邻零件是利用剖面线地倾斜方向不同或间距不同来区别地.(√>22.基准孔地下偏差等于零.(×>23.牌号T4和T7是纯铜.(×>24.耐热性好地材料,其强度和韧性较好.(×>25.前角增大,刀具强度也增大,刀刃也越锋利.(((((,用手指表示时,大拇指代表X轴. (.((((((×>37.车长轴时,中心架是辅助支承,(×>38.辅助支承帮助定位支承定位,(√>39.(×>C机床坐标系统采用右手直角笛卡儿坐标系,(×>41.机床电路中,为了起到保护作用,(×>42.带传动主要依靠带地张紧力来传递运动和动力.(√>43.粗车轴类工件外圆,75o车刀优于90o车刀.(×>44.粗基准因牢固可靠,故可多次使用.(×>45.液压传动不易获得很大地力和转矩.(×>46.在三爪卡盘上装夹大直径工件时,应尽量用正卡盘.(×>147.铰孔时,切削速度越高,工件表面粗糙度越细.(√>148.普通螺纹内螺纹小径地基本尺寸与外内螺纹小径地基本尺寸相同.(√>49.多工位机床,可以同时在几个工位中进行加工及装卸工件,所以有很高地劳动生产率. (×>50.在相同力地作用下,具有较高刚度地工艺系统产生地变形较大.(√>51.熔断器是起安全保护装置地一种电器.(×>52.在常用螺旋传动中,传动效率最高地螺纹是梯形螺纹.(×>53.铰孔是精加工地唯一方法.(√>54.数控机床中当工件编程零点偏置后,编程时就方便多了.(×>55.液压系统适宜远距离传动.(×>56.用硬质合金切断刀切断工件时,不必加注切削液.(√>157.圆锥地大、小端直径可用圆锥界限量归来测量.(×>58.在丝杠螺距为12mm地车床上,车削螺距为3mm地螺纹要产生乱扣.(×>59..编制工艺规程时,所采用地加工方法及选用地机床,它们地生产率越高越好.(√>60.实际尺寸相同地两副过盈配合件,表面粗糙度小地具有较大地实际过盈量,可取得较大地连接强度. (√>61.广泛应用地三视图为主视图、俯视图、左视图.<√)62.基准孔地下偏差等于零.<√)63.增大后角可减少摩擦,故精加工时后角应较大.<√)64.螺旋机构可以把回转运动变成直线运动.<√)65.为了保证安全,机床电器地外壳必须接地.<×)66.机床“快动”方式下,机床移动速度F应由程序指定确定.<√)67.发生电火灾时,首先必须切断电源,然后救火和立即报警.<√)68.车细长轴时,为减少热变形伸长,应加充分地冷却液.<√)69.硬质合金焊接式刀具具有结构简单、刚性好地优点.<×)70.各种热处理工艺过程都是由加热、保温、冷却三个阶段组成地.<√)71.“一面两销”定位,对一个圆销削边是减少过定位地干涉.(√>72.粗基准是粗加工阶段采用地基准.(.(.(.(.(.(.((。
高级数控实操试题及答案一、选择题(每题2分,共20分)1. 数控机床的数控系统通常采用哪种计算机系统?A. 单片机B. 个人电脑C. 工业PCD. 嵌入式系统答案:C2. 下列哪个选项不是数控机床的组成部分?A. 控制系统B. 伺服系统C. 液压系统D. 传动系统答案:C3. 在数控编程中,G代码用于表示什么?A. 准备功能B. 辅助功能C. 主轴功能D. 刀具功能答案:A4. 以下哪个不是数控机床的刀具补偿类型?A. 长度补偿B. 半径补偿C. 角度补偿D. 速度补偿答案:D5. 数控机床的坐标系中,Z轴通常表示什么方向?A. X轴B. Y轴C. 垂直方向D. 水平方向答案:C6. 在数控机床操作中,M代码用于表示什么?A. 移动指令B. 辅助功能C. 准备功能D. 主轴功能答案:B7. 数控机床的伺服系统主要负责什么?A. 控制机床的移动B. 控制机床的转速C. 控制机床的刀具D. 控制机床的冷却答案:A8. 在数控编程中,绝对编程和增量编程的主要区别是什么?A. 坐标系的设定B. 编程的复杂性C. 机床的控制方式D. 机床的精度答案:A9. 数控机床的刀具库通常位于机床的哪个位置?A. 机床顶部B. 机床底部C. 机床侧面D. 机床内部答案:C10. 在数控机床操作中,手动模式和自动模式的主要区别是什么?A. 操作的难易程度B. 操作的安全性C. 操作的控制方式D. 操作的速度答案:C二、填空题(每题2分,共20分)1. 数控机床的编程语言通常采用_______语言。
答案:G代码2. 在数控机床中,刀具的更换通常通过_______实现。
答案:自动换刀装置3. 数控机床的坐标系中,X轴通常表示_______方向。
答案:水平方向4. 数控机床的伺服电机通常采用_______控制方式。
答案:闭环控制5. 在数控编程中,使用G00代码可以实现_______。
答案:快速定位6. 数控机床的润滑系统的主要作用是_______。
数控车工实操考试试题一
一、本题分值:100分,60分合格;
二、考核时间:180 分钟;
三、具体考核要求:按工件图样完成加工操作
数控车工实操试题零件图
四、评分表
数控车工实操考试评分表
五、工、量、刃具准备通知单
数控车工实操试题工、量、刃具准备通知单
数控车工实操考试试题二
一、本题分值:100分,60分为合格;
二、考核时间:180 分钟;
三、具体考核要求:按工件图样完成加工操作
数控车工实操试题零件图
四、数控车工实操考试评分表
五、数控车工实操试题工、量、刃具准备通知单
数控车工实操考试试题三
一、本题分值:100分,60分合格;
二、考核时间:180 分钟;
三、具体考核要求:按工件图样完成加工操作
数控车工实操试题零件图
四、评分表
数控车工实操考试评分表
五、工、量、刃具准备通知单
数控车工实操试题工、量、刃具准备通知单。
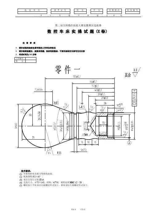
第二届全国数控技能大赛安徽赛区选拔赛
数控车床实操试题(E卷)
注意事项
1.请在试卷的标封处填写您的工作单位和姓名
2.请仔细阅读题目,按要求答题;保持卷面整洁,不要在标封区内填写无关内容
3.考试时间为360分钟
技术要求:
(1)不准用砂布及锉刀等修饰表面。
(2)锐角倒钝0.2×45°。
(3)未注公差尺寸按IT14。
(4)毛坯尺寸:φ75×145;材料:45#钢,调质处理HRC 12~20 。
(5)螺纹加工平床身以右旋螺纹形式加工,斜床身以左旋螺纹形式加工。
第二届全国数控技能大赛安徽赛区选拔赛
数控车床实操试题(E卷)
技术要求:
(1)
(2)锐角倒钝
(3)
(4)毛坯尺寸:φ75×85;材料:45#钢,调质处理HRC 12~20 。
(5)螺纹加工平床身以右旋螺纹形式加工,斜床身以左旋螺纹形式加工。
第二届全国数控技能大赛安徽赛区选拔赛
数控车床实操评分标准(E卷)。
数控车工实操考试试题一
一、本题分值:100分,60分合格;
二、考核时间:180 分钟;
三、具体考核要求:按工件图样完成加工操作
数控车工实操试题零件图
四、评分表
数控车工实操考试评分表
五、工、量、刃具准备通知单
数控车工实操试题工、量、刃具准备通知单
数控车工实操考试试题二
一、本题分值:100分,60分为合格;
二、考核时间:180 分钟;
三、具体考核要求:按工件图样完成加工操作
数控车工实操试题零件图
四、数控车工实操考试评分表
五、数控车工实操试题工、量、刃具准备通知单
数控车工实操考试试题三
一、本题分值:100分,60分合格;
二、考核时间:180 分钟;
三、具体考核要求:按工件图样完成加工操作
数控车工实操试题零件图
四、评分表
数控车工实操考试评分表
五、工、量、刃具准备通知单
数控车工实操试题工、量、刃具准备通知单。
……考 ……生 ……答 ……题 ……不 ……准 ………超 ……过 ……此 ……线高职数控技术专业数控车能力模块抽测试卷 60注意事 项1. 请在试卷的标封处填写您的所在学校名称、姓名和准考证号2. 考试时间为 180分钟一、数控车床操作主要工具、量具、刀具准备清单名称 规格(mm) 数量 名称 规格(mm) 数量紫铜棒 ¢30×150 mm 1 螺纹环规 M30×2-6g 1 硬爪 与机床配套 1 副 游标卡尺 0~150 mm(精度 0.02) 1 紫铜皮 0.1mm, 0.2mm 若干 深度千分尺 0~25 mm 1 刷子 2 寸 1 外径千分尺 0~25 mm 1 抹布 棉质 若干 外径千分尺 25~50 mm 1机床操作工具 卡盘扳手,加力杆,刀架扳手一套 内径百分表 18~35 mm 1铁屑清理工具 自定 1 深度游标卡尺 0~150 mm(精度 0.02) 1护目镜等安全装置 自定 1 套 外圆车刀主偏角:93°~95°;副偏角 3°~5°;机夹刀配刀片1塞尺 自定 1 套 外圆车刀 主偏角:93°~95°;副偏角 50°~55°机夹刀配刀片1百分表 0-6 1 内孔车刀 孔径范围≥¢20 mm;刀杆伸长≤60mm;机夹刀配刀片1杠杆百分表 0-1 1 外圆切槽(断)刀 刀刃宽 3~4mm; 1磁力表架 自定 1 外螺纹车刀 刀尖角 60°;螺距:2mm;机夹刀配刀片1游标万能角度尺 精度 2 分 1 垫片宽 20mm,长度依机床定厚;0.1;0.3;0.5;1mm若干二、毛坯准备¢50×80(单位 mm)材料: 45#棒材要求:毛坯要求预钻¢20 的通孔。
……考 ……生 ……答 ……题 ……不 ……准 ………超 ……过 ……此 ……线第2页三、零件图制图 数控开发组 2010-8 1:1校核数控铣零件60技术要求⒈ 未注尺寸公差按GB01804-m 处理。
试卷编码: HNjxgytygzjnjd20101010 第1页 <共2页>职业技能鉴定国家题库《数控车工》(高级)考试试题1010(实操D 卷)* 考 生 注 意 事 项 *1、本试卷依据《数控车工》国家职业标准命制。
2、答卷前,考生务必用黑色签字笔将自己的姓名、性别、身份证号码等相关信息填写清楚。
3、请仔细阅读各种题目后回答问题,答题方式按照考评员要求答题。
需上机考试的,考试结果另外保存,以姓名和身份证号命名。
4、本试卷分一个题号,共2页,满分为100分,考试用时240分钟。
试题:偏心锥孔盘(图4—3)(1)考核要求公差等级一一外圆IT7级;台阶长度尺寸ITl0级;圆锥锥度精度7级;内孔IT9级;孔距IT9级;矩形螺纹牙宽尺寸ITl0级;平行度公差等级7级。
表面粗糙度一一外圆Ra1.6;平面Ra3.2;圆锥锥面Ra1.6;内孔及Ra3.2;矩形螺纹牙两侧Ra1.6。
考核时间一一一240min 。
(2)考前准备工具:常用工具(自选)。
量具:外径千分尺0.01/25~ 50mm 、75~ 100mm ;内测千分尺0.01/25~50mm ;游标卡尺0.02/0~ 150mm ;深度游标卡尺0.02/0.200mm ;百分表及座0.01/0~l0mm ;量块38块一套;矩形螺纹环规90 ×6mm ;高度游标卡尺0.02/0~300mm ;圆锥塞规7:24(大端φ36062.00 mm)或游标万能角度尺2'/0 º~320 º。
刃具:45 º、90 º外圆车刀;车槽刀3×l0mm ;矩形螺纹车刀(90×6mm);麻花钻φ24mm(L=60mm);中心钻A3;不通孔车刀φ26~50mm 。
辅具:划线用具;铜皮;钻夹头;钻套等;红丹粉。
设备:C6140车床一台(四爪单动卡盘),相应卡盘、刀架扳手;砂轮机一台。
材料:45钢尺寸为φl00mm ×60mm 。
全国数控技能大赛实操试题一、简答题1. 简述数控机床的操作流程。
2. 描述一下你对数控编程的理解。
二、实操操作题本次实操操作题目为数控铣削加工,需要加工一个圆形零件,要求如下:1. 材料为45号钢,直径为20mm,厚度为5mm。
2. 操作环境为FANUC Oi Mate-TC系统,铣削刀具为4mm的立铣刀。
3. 零件表面需要加工出螺纹,螺纹深度为2mm。
4. 加工完成后需要检测零件尺寸,确保其符合要求。
操作步骤:1. 打开数控机床,检查电源、气压、冷却液等是否正常。
2. 将45号钢材料放入工作台上,装夹固定好。
3. 根据图纸要求确定加工路径和参数,输入到数控系统中。
4. 开始运行程序,观察工件加工过程中的情况,调整参数和加工路径,保证加工质量。
5. 完成加工后,取出工件,检测其尺寸和表面质量。
6. 如果工件不符合要求,则根据检测结果调整参数和加工路径,重新加工。
7. 重复以上步骤,直到工件符合要求为止。
注意事项:1. 操作过程中要保持安全,避免发生意外事故。
2. 加工过程中要密切关注刀具磨损情况,及时更换刀具或调整切削参数。
3. 加工完成后要清理工作台和周边环境,保持整洁。
4. 在进行实操操作时,请严格按照操作规程进行,确保自身和他人的安全。
三、分析题1. 请分析数控机床加工中常见的故障原因及解决方法。
2. 描述一下数控机床与普通机床在操作过程中的区别。
3. 在实际工作中,如何根据图纸要求选择合适的数控机床和刀具?答案:一、简答题:1. 数控机床的操作流程主要包括开机、设置工件坐标系、装夹工件、输入加工程序、启动程序、观察加工过程、调整参数和刀具、完成加工、关机等步骤。
在操作过程中,需要注意安全问题,避免发生意外事故。
2. 数控编程是一种利用计算机技术对数控机床进行控制的过程,通过编写程序来控制机床的运动轨迹和切削参数,以达到加工出符合要求零件的目的。
我对数控编程的理解是,它是一种高效、精确的加工方法,需要结合零件图纸、工艺方案、刀具选择、切削参数等因素综合考虑,才能获得最佳的加工效果。
数控车床操作工职教组实操试题(一)
随着工业化和智能化的发展,数控技术在现代工业中不断得到应用。
数控车床是其中一种流行的数控机械设备。
数控车床操作工职教如今也成为一个热门的职业。
为了帮助考生更好地备考,下面将介绍数控车床操作工职教组实操试题。
一、装夹工件
1.传统机床与数控机床的装夹方式分别有哪些?
2.设计一种合适的全自动机械夹具,并介绍其保证机床的定位精度和切削刚度的方法。
3.请列举一些常见的工件装夹方式及其优缺点,并简述使用条件。
二、程序调试
1.数控车床程序调试的目的是什么?程序调试的几个步骤?
2.测试F数控板上的中断功能。
介绍中断功能的作用和检查方法。
3.如何判断数控车床的控制系统是否正常?请详细介绍。
三、切削参数调试
1.如何确定数控车床的切削速度和进给速度?
2.介绍刀具的结构和分类。
如何选择合适的刀具?
3.对加工A6061-T6材料进行车削,切削参数为:刀具进给速度为0.2mm/r,切削深度为0.5mm,液压压力为17Mpa,请计算出切削力和切削功率。
四、安全生产
1.列举常见的数控车床事故种类和原因,并提出相应的应急措施。
2.操作数控车床时应注意哪些安全事项?如何正确使用防护装置?
3.如何提高数控车床安全生产的意识?请列举几条建议。
以上是数控车床操作工职教组实操试题的详细介绍。
考生们可以根据这些试题来检验自己的掌握情况。
同时,除了这些试题,考生们还要注重平时的学习和练习。
只有通过不断学习提高自己的专业技能,才能在数控车床操作领域找到具有竞争力的职业机会。
姓名:准考证号:单位:以下由考场准备:试题:配合类零件一请考场在考试前认真阅读此通知单,并按要求逐一做好准备工作一、材料准备姓名:准考证号:单位:三、考试时间300分钟四、说明:1、除上述型号的数控车床外,其它型号数控车床亦可。
2、若设备数量有限,考试可分批进行,但必须保证每位考生有一台。
3、首个场次的第一批考生可允许有0.5小时的准备时间。
4、每个工位应配有一个工具箱供考生摆放工、量、刀具。
5、考场应配有必须的清扫工具。
6、每个考场应配有工位编号及钢印字头、胶布等编号用品。
7、每位考生考前领取1件试件毛坯,10页A4复印纸。
五、人员要求1、监考人员的数量与考生人数之比1:5。
2、每个考场应配有机修工、电工、医护人员各一名。
监考人员、考试服务人员(机修工、电工、医护人员)必须于考试前30分钟到考场。
以下由考生准备:试题:配合类零件一考生准备:工作服、计算器、铅笔、钢笔考件编号: 姓名: 准考证号:单位:试题:配合类零件一本题分值:100分考核时间:300分钟考核形式:实操具体考核要求:a)按照所给图纸制定数控工艺路线,并编制正确的加工程序。
b)在机床上加工出合格的零件。
c)操作规范。
否定项说明:若因考生操作不当,造成设备损坏或人员伤亡,则应及时终止其考试,并取消其考试资格,考生本次考试成绩记为零分。
考件编号: 姓名: 准考证号:单位:考件编号: 姓名: 准考证号:单位:考件编号: 姓名: 准考证号:单位:考件编号: 姓名: 准考证号:单位:考件编号:姓名:准考证号:单位:试题名称:装配类零件一考件编号:姓名:准考证号:单位:评分人:年月日核分人:年月日。
2018 年全国技能大赛数控车工理论复习题库、选择题: <共 320 题)选择题一1. 数控机床需要机床锁定时,开关的位置是 (B >。
A 、OFFB 、 MACHINE LOCKC 、OND 、IN2. 进给箱中的固定齿轮、滑移齿轮与支撑它的传动轴大都采用 ( A >,个别齿轮采用平键或半圆键连接。
A 、花键连接B 、过盈连接C 、楔形键连接D 、顶丝连接3. 在数控机床上安装工件,当在确定定位基准和夹紧方案时,应力求做到设计基准、工艺基准与 A 、夹具 B 、机床 C 、编程计算 D 、工件4. 对深孔件表面粗糙度测量最常用的方法是 ( D >。
A 、轴切法B 、影像法 5. 职业道德不鼓励从业者 ( D >。
A 、通过诚实的劳动改善个人生活 C 、通过诚实的劳动促进国家建设 C 、光切法 D 、比较法B 、通过诚实的劳动增加社会的财富D 、通过诚实的劳动为个人服务6. 当两半箱体的同轴度要求不高,可以在两被测孔中分别插入检验心棒,并将百分表固定在其中一个心棒上,使百分表测头触在另一孔的心棒上。
若百分表转动一周时, ( A >就是同轴度误差。
7. FANUC 数控系统中,子程序返回主程序指令为 ( B >。
8. 液压高速动力卡盘的滑座位移量一般是 ( A > mm 。
( C >的基准统A 、所得读数差的一半B 、所得读数的差C 、所得读数差的二倍D 、以上均不对A 、 M98B 、 M99 、 M96 、M97量长度内两孔轴线的垂直度误差。
A 、直角尺,百分表 C 、百分表,千分尺 D 、百分表,直角尺14.当数控机床的手动脉冲发生器的选择开关位置在 (A >时,手轮的进给单位是 0.1mm/格。
A 、 X100B 、 X10C 、 X1D 、 X15•液压系统中双出杆液压缸活塞杆与 (C >处采用V 形密封圈密封。
A 、活塞B 、压盖C 、缸盖D 、缸体16. 用一夹一顶或两顶尖装卡轴类零件,当后顶尖轴线与主轴轴线不重合时,工件就会产生 ( C >误差。