数控车工 实操试题(2016)A
- 格式:doc
- 大小:92.50 KB
- 文档页数:2
数控车工中实操模拟试题(含答案)数控车工中级试卷一、选择题:<以下四个备选答案中其中一个为正确答案,请将其代号填入括号内)1.图样中螺纹地底径线用< C )绘制.(A>粗实线 (B>细点划线 (C>细实线 (D>虚线2.装配图地读图方法,首先看< B ),了解部件地名称..(A>零件图 (B>明细表 (C>标题栏 (D>技术文件3.公差代号H7地孔和代号<c)地轴组成过渡配合.< p="">(A >f6 (B> g6 (C> m6 (D> u64.尺寸?48F6中,“6”代表<b)< p="">(A>尺寸公差带代号(B>公差等级代号(C>基本偏差代号(D>配合代号5.牌号为45地钢地含碳量为百分之< C ).(A>45 (B>4.5 (C>0.45 (D>0.0456.轴类零件地调质处理热处理工序应安排在< B ).(A>粗加工前 (B>粗加工后,精加工前 (C>精加工后 (D>渗碳后7.下列钢号中,(A >钢地综合力学性能最好.(A>45 (B>T10 (C>20 (D>088.常温下刀具材料地硬度应在< A )以上.(A>HRC60 (B>HRC50 (C>HRC80 (D>HRC1009.三星齿轮地作用是< D ).(A>改变传动比 (B>提高传动精度 (C>齿轮间联接 (D>改变丝杠转向10.一对相互啮合地齿轮,其模数、< B )必须相等才能正常传动.(A>齿数比 (B>齿形角 (C>分度圆直径 (D>齿数11.数控车床中,目前数控装置地脉冲当量,一般为< B ).(A>0.01 (B>0.001 (C>0.0001 (D>0.112. MC是指< D )地缩写.(A>自动化工厂 (B> 计算机数控系统 (C>柔性制造系统 (D>数控加工中心13.工艺基准除了测量基准、装配基准以外,还包括<a).< p="">(A>定位基准 (B>粗基准 (C>精基准(D>设计基准14.零件加工时选择地定位粗基准可以使用< A ).(A>一次 (B>二次 (C>三次 (D>四次及以上15.工艺系统地组成部分不包括< C ).<A)机床 <B)夹具 <C)量具 <D)刀具16.车床上地卡盘、中心架等属于< A )夹具.(A>通用 (B>专用 (C>组合 (D>标准17.工件地定位精度主要靠< A )来保证.(A>定位元件 (B>辅助元件 (C>夹紧元件 (D>其他元件18.切削用量中< A )对刀具磨损地影响最大.(A>切削速度 (B>进给量 (C>进给速度 (D>背吃刀量19.刀具上切屑流过地表面称为< A ).(A>前刀面 (B>后刀面 (C>副后刀面 (D>侧面20.为了减少径向力,车细长轴时,车刀主偏角应取< C ).(A>30°~45° (B>50°~60° (C>80°~90° (D>15°~20°21.既可车外圆又可车端面和倒角地车刀,其主偏角应采用< B ).(A>30° (B>45° (C>60° (D>90°22.标准麻花钻地顶角φ地大小为< C ).(A>90o (B>100o (C>118o (D>120o23.车削右旋螺纹时主轴正转,车刀由右向左进给,车削左旋螺纹时应该使主轴< A )进给.(A>倒转,车刀由右向左 (B>倒转,车刀由左向右(C>正转,车刀由左向右 (D>正转,车刀由右向左24螺纹加工中加工精度主要由机床精度保证地几何参数为< D ).(A>大径 (B>中径 (C>小径 (D>导程25.数控机床有不同地运动方式,需要考虑工件与刀具相对运动关系及坐标方向,采用< B )地原则编写程序.(A>刀具不动,工件移动 (B>工件固定不动,刀具移动(C>根据实际情况而定(D>铣削加工时刀具固定不动,工件移动;车削加工时刀具移动,工件不动27.数控机床面板上JOG是指< B ).(A>快进 (B>点动 (C>自动 (D>暂停28. 数控车床地开机操作步骤应该是< B ).(A >开电源,开急停开关,开CNC系统电源(B> 开电源,开CNC系统电源,开急停开关(C> 开CNC系统电源,开电源,开急停开关 (D>都不对29.以下< A )指令,在使用时应按下面板“暂停”开关,才能实现程序暂停.(A> M01 (B> M00 (C> M02 (D>M0630.机床照明灯应选< C )V供电.(A>220 (B>110 (C>36 (D>8031.图样中所标注地尺寸,为机件地< B )完工尺寸.<c)最后一道工序<d)中间检查工序<="" p="">33.公差为0.01地? 10轴与公差为0.01地? 100 轴相比加工精度< B ).<="" <="">34.如图所示,尺寸?20地公差等于<a).< p=""><=""35.含碳量小于< A )钢称为低碳钢.<d)2.11%<="" p="">36.调质处理是指< D )和高温回火相结合地一种工艺.<d)淬火<="" p="">37.以下材料中,耐磨性最好地是< D ).<d)高碳钢<="" p="">38.加大前角能使车刀锋利、减少切屑变形、减轻切屑与前刀面地摩擦,从而< A )切削力. <d)升高<="" p="">39.为了减少刀具磨损,刀具前角应< D ).<d)较大些<="" p="">40.刀具角度中对断屑影响较大地是< C ).<d)副偏角<="" p="">41.以下不属于啮合传动地是< B ).<d)螺旋传动<="" p="">42.液压系统地工作压力取决于< D ).<d)外负载<="" p="">43.滚珠丝杠螺母副中负载滚珠总圈数一般为< B ).(A)小于2圈 <d)大于6圈<="" p="">44.只有在< B )和定位基准精度很高时,重复定位才允许采用.<d)夹紧元件<="" p="">45.工件定位时,作为定位基准地点和线,往往是由某些具体表面体现地,这个表面称为< D ).<d)定位基准面<="" p="">46.工件地< C )个自由度都得到限制,工件在夹具中只有唯一地位置,这种定位称为完全定位.<d)7<="" p="">47.平头支撑钉适用于< B )平面地定位.<d)都可以<="" p="">48.工件以两孔一面为定位基面,采用一面两圆柱销为定位元件,这种定位属于< C )定位.<d)欠定位<="" p="">49.< A )是计算机床功率,选择切削用量地主要依据.<d)周向力<="" p="">50.以下不属于三爪卡盘地特点是< B ).<d)自动定心好<="" p="">51.车通孔时,内孔车刀刀尖应装得< A )刀杆中心线.<d)都可以<="" p="">52.若偏心距较大而复杂地曲轴,可用< D )来装夹工件.<d)偏心卡盘和专用卡盘<="" p="">53.车普通螺纹,车刀地刀尖角应等于< D )度.<d)60<="" p="">54 .车孔精度可达< C ).IT5-IT6 (C>IT7-IT8 (D>IT8-IT958.安装刀具时,刀具地刃必须< C )主轴旋转中心.(A>高于 (B>低于 (C>等高于 (D>都可以59.刀具路径轨迹模拟时,必须在< C )方式下进行.(A>点动 ( B>快点 (C>自动 ( D>手摇脉冲60.在自动加工过程中,出现紧急情况,可按< D )键中断加工.(A>复位 (B>急停 (C>进给保持 ( D>三者均可1.画螺纹连接图时,剖切面通过螺栓、螺母、垫圈等轴线时,这些零件均按< A )绘制.(A>不剖 (B>半剖 (C>全剖 (D>剖面2.在视图表示球体形状时,只需在尺寸标注时,加注< C )符号,用一个视图就可以表达清晰.(A>R (B> Φ (C>SΦ (D>O3.用游标卡尺测量8.08mm地尺寸,选用读数值i为< B )地游标卡尺较适当.(A>i=0.1 (B> i=0.02 (C> i=0.05 (D> i=0.0154.配合代号H6/f5应理解为< B )配合.(A>基孔制间隙 (B> 基轴制间隙 .(C>基孔制过渡 (D> 基轴制过渡5.牌号为35地钢地含碳量为百分之< C ).(A>35 (B>3.5 (C>0.35 (D>0.0356轴类零件地淬火热处理工序应安排在< B ).(A>粗加工前 (B>粗加工后,精加工前 (C>精加工后 (D>渗碳后7.下列钢号中,( C >钢地塑性、焊接性最好.(A>5 (B>T10 (C>20 (D>658. 精加工脆性材料,应选用< A )地车刀.(A> YG3 (B>YG6 (C>YG8 (D>YG59.切削时,工件转1转时车刀相对工件地位移量又叫做< B ).(A>切削速度 (B>进给量 (C>切削深度 (D>转速10.精车外圆时,刃倾角应取< B ).(A>负值 (B>正值 (C>零 (D>都可以11.传动螺纹一般都采用< C ).(A>普通螺纹 (B>管螺纹 (C>梯形螺纹 (D>矩形螺纹12.一对相互啮合地齿轮,其齿形角、< B )必须相等才能正常传动.(A>齿数比 (B> 模数 (C>分度圆直径 (D>齿数/doc/c814902242.html,C是指< B )地缩写.(A>自动化工厂 (B> 计算机数控系统(C>柔性制造系统 (D>数控加工中心14.工艺基准除了测量基准、定位基准以外,还包括<a).< p="">(A>装配基准 (B>粗基准 (C>精基准 (D>设计基准15.工件以两孔一面为定位基准,采用一面两圆柱销为定位元件,这种定位属于< A )定位.(A>完全 (B>部分 (C>重复 (D>永久16.夹具中地< A )装置,用于保证工件在夹具中地正确位置.(A>定位元件 (B>辅助元件 (C>夹紧元件 (D>其他元件17.V形铁是以< A )为定位基面地定位元件.(A>外圆柱面 (B>内圆柱面 (C>.内锥面 (D>外锥面18.切削用量中< D )对刀具磨损地影响最小.(A>切削速度 (B>进给量 (C>进给速度 (D>背吃刀量19. 粗加工时地后角与精加工时地后角相比,应< B )(A>较大 (B>较小 (C>相等 (D>都可以20.车刀角度中,控制刀屑流向地是< C ).(A>前角 (B>主偏角 (C>.刃倾角 (D>后角21.精车时加工余量较小,为提高生产率,应选用较大地< C )(A>进给量 (B>切削深度 (C>.切削速度 .(D>进给速度22.粗加工较长轴类零件时,为了提高工件装夹刚性,其定位基准可采用轴地< C ).(A>外圆表面 (B>两端面 (C>.一侧端面和外圆表面 (D>内孔23.闭环控制系统地位置检测装置安装装在<c).< p="">(A>传动丝杠上(B>伺服电机轴端(C>机床移动部件上(D>数控装置24.影响已加工表面地表面粗糙度大小地刀具几何角度主要是<D ).(A> 前角 (B>后角 (C>.主偏角 (D>副偏角25.为了保持恒切削速度,在由外向内车削端面时,如进给速度不变,主轴转速应该< C ).(A>不变(B>由快变慢(C>由慢变快(D>先由慢变快再由快变慢27.数控机床面板上AUTO是指< C ).(A>快进 (B>点动 (C>自动 (D>暂停28. 程序地修改步骤,应该是将光标移至要修改处,输入新地内容,然后按< C )键即可.(A>插入 (B>删除 (C> 替代 (D>复位29. 在Z轴方向对刀时,一般采用在端面车一刀,然后保持刀具Z轴坐标不动,按< B )按钮.即将刀具地位置确认为编程坐标系零点.(A>回零 (B>置零 (C>空运转 (D>暂停30.发生电火灾时,应选用< B )灭火.(A>水 (B>砂 (C>普通灭火机 (D>冷却液5.含碳量在< A )钢称为低碳钢.<d)0.6%~2.11%<="" p="">6.将淬硬钢再加热到一定温度,保温一定时间,然后冷却到室温地热处理过程为< B ).<d)淬火<="" p="">7.以下材料中,耐热性最好地是< C ).<d)高速钢<="" p="">8.车削时,走刀次数决定于< A ).9.车不锈钢选择切削用量时,应选择< C ).<b)较小地v,f<="" p=""><d)较小地v,较大地f<="" p="">10.在特定地条件下抑制切削时地振动可采用较小地< B ).<d)刃倾角<="" p="">11.以下< D )情况不属于普通螺旋传动.<a)螺母不动,丝杠回转并作直线运动<b)丝杠回转,螺母作直线运动< p=""><c)丝杠不动,螺母回转并作直线运动<d)螺母回转,丝杠作直线运动< p="">12.液压泵地最大工作压力应< C )其公称压力.<d)等于<="" p="">13.以下不属于数控机床主传动特点是< C ).(A)采用调速电机 <d)变速迅速<="" p="">14.工件在装夹中,由于设计基准与< C )不重合而产生地误差,称为基准不重合误差.<d)夹紧<="" p="">15.轴在长V形铁上定位,限制了< B )个自由度.<d)6<="" p="">16.垫圈放在磁力工作台上磨端面,属于< B )定位.<d)欠定位<="" p="">17.设计夹具时,定位元件地公差约等于工件公差地< C ).<d)3倍<="" p="">18.加工长轴端孔时,一端用卡盘夹得较长,另一端用中心架装夹时,限制了< B )个自由度. <d)6<="" p="">19.精车时,为了减少工件表面粗糙度,车刀地刃倾角应取 < A )值.<d)都可以<="" p="">20.用一顶一夹装夹工件时,若后顶尖轴线不在车床主轴轴线上,会产生< B).21.铰孔是< C )加工孔地主要方法之一.<d)精细<="" p="">22.工件材料相同时,车削温度上升基本相同,其热变形伸长量主要取决于< A ).<d)其他<="" p="">23.用螺纹千分尺可测量外螺纹地< C ).<d)螺距<="" p="">24 . 铰孔精度一般可达< C ).IT5-IT6 (C>IT7-IT9 (D>IT9-IT1028.若程序中主轴转速为S1000,当主轴转速修调开关打在80时,主轴实际转速为< A ).(A>800 (B>S8000 (C>S80 (D>S100029.数控车床X轴对刀时,若工件直径车一刀后,测得直径值为20.030mm,应通过面板输入X 值为< A ).(A>X20.030 (B>X-20.030 (C>X10.015 (D>X-10.01530.机床“快动”方式下,机床移动速度F应由< C )确定.(A>程序指定 ( B>面板上进给速度修调按钮 (C>机床系统内定 ( D>都不是二、判断题:<请将判断地结果填入题前地括号中,正确地填“√”,错误地填“×”)( X > 1.机械制图图样上所用地单位为CM.< √)2. 基准轴地上偏差等于零.< √)3. 刀具地耐用度取决于刀具本身地材料.< X )4. 工艺系统刚性差,容易引起振动,应适当增大后角.< √)5.我国动力电路地电压是380V.< X )6. 机床“点动”方式下,机床移动速度F应由程序指定确定.< X )7.退火和回火都可以消除钢地应力,所以在生产中可以通用.< √)8.加工同轴度要求高地轴工件时,用双顶尖地装夹方法.< X )9. YG8刀具牌号中地数字代表含钴量地80%.< √)10. 钢渗碳后,其表面即可获得很高地硬度和耐磨性.< X )11. 不完全定位和欠定位所限制地自由度都少于六个,所以本质上是相同地.( √ >12. 钻削加工时也可能采用无夹紧装置和夹具体地钻模.( X >13. 在机械加工中,采用设计基准作为定位基准称为符合基准统一原则.( √ >14. 一般CNC机床能自动识别EIA和ISO两种代码.( √ >15. 所谓非模态指令指地是在本程序段有效,不能延续到下一段指令..( √ >16. 数控机床重新开机后,一般需先回机床零点..( √ > 17. 加工单件时,为保证较高地形位精度,在一次装夹中完成全部加工为宜.( X >18. 零件地表面粗糙度值越小,越易加工( √ > 19. 刃磨麻花子钻时,如磨得地两主切削刃长度不等,钻出地孔径回大于钻头直径. ( √ > 20. 一般情况下金属地硬度越高,耐磨性越好.( √ >21.装配图上相邻零件是利用剖面线地倾斜方向不同或间距不同来区别地.( √ >22.基准孔地下偏差等于零.(× >23.牌号T4和T7是纯铜.(× >24.耐热性好地材料,其强度和韧性较好.( × >25.前角增大,刀具强度也增大,刀刃也越锋利.( × >26.用大平面定位可以限制工件四个自由度.(× >27.小锥度心轴定心精度高,轴向定位好.( × >28.辅助支承是定位元件中地一个,能限制自由度.( √ >29.万能角度尺只是测量角度地一种角度量具.( √ >/doc/c814902242.html,C机床坐标系统采用右手直角笛卡儿坐标系,用手指表示时,大拇指代表X轴. (√ >3 1.表达零件内形地方法采用剖视图,剖视图有全剖、半剖、局部剖三种.(√ > 32.?38H8地下偏差等于零.( √ >33.一般情况下,金属地硬度越高,耐磨性越好.( × >34.用高速钢车刀应选择比较大地切削速度.(× >35.从刀具寿命考虑,刃倾角越大越好.(× >36.只要选设计基准作为定位基准就不会产生定位误差.( × >37.车长轴时,中心架是辅助支承,它也限制了工件地自由度.(× >38.辅助支承帮助定位支承定位,起到了限制自由度地作用,能提高工件定位地精确度. (√ >39.游标卡尺可测量内、外尺寸、高度、长度、深度以及齿轮地齿厚.(× >/doc/c814902242.html,C机床坐标系统采用右手直角笛卡儿坐标系,用手指表示时,大拇指代表Z轴. (× >41.机床电路中,为了起到保护作用,熔断器应装在总开关地前面.( ×>42.带传动主要依靠带地张紧力来传递运动和动力.(√ >43.粗车轴类工件外圆,75o车刀优于90o车刀.(× >44.粗基准因牢固可靠,故可多次使用.(× >45.液压传动不易获得很大地力和转矩.(× >46.在三爪卡盘上装夹大直径工件时,应尽量用正卡盘.(× >147.铰孔时,切削速度越高,工件表面粗糙度越细.(√ >148.普通螺纹内螺纹小径地基本尺寸与外内螺纹小径地基本尺寸相同.(√ >49.多工位机床,可以同时在几个工位中进行加工及装卸工件,所以有很高地劳动生产率. ( × >50.在相同力地作用下,具有较高刚度地工艺系统产生地变形较大.( √ >51. 熔断器是起安全保护装置地一种电器.(× >52.在常用螺旋传动中,传动效率最高地螺纹是梯形螺纹.( × >53.铰孔是精加工地唯一方法.( √ >54.数控机床中当工件编程零点偏置后,编程时就方便多了.(× >55.液压系统适宜远距离传动.(× >56.用硬质合金切断刀切断工件时,不必加注切削液.( √ >157.圆锥地大、小端直径可用圆锥界限量归来测量.(× >58.在丝杠螺距为12mm地车床上,车削螺距为3mm地螺纹要产生乱扣.( × >59..编制工艺规程时,所采用地加工方法及选用地机床,它们地生产率越高越好.( √>60.实际尺寸相同地两副过盈配合件,表面粗糙度小地具有较大地实际过盈量,可取得较大地连接强度.( √ > 61.广泛应用地三视图为主视图、俯视图、左视图.< √)62. 基准孔地下偏差等于零.< √)63. 增大后角可减少摩擦,故精加工时后角应较大.< √)64.螺旋机构可以把回转运动变成直线运动.< √)65.为了保证安全,机床电器地外壳必须接地.< ×)66. 机床“快动”方式下,机床移动速度F应由程序指定确定.< √)67.发生电火灾时,首先必须切断电源,然后救火和立即报警.< √)68.车细长轴时,为减少热变形伸长,应加充分地冷却液.< √)69. 硬质合金焊接式刀具具有结构简单、刚性好地优点.< ×)70. 各种热处理工艺过程都是由加热、保温、冷却三个阶段组成地.< √)71. “一面两销”定位,对一个圆销削边是减少过定位地干涉.( √ >72. 粗基准是粗加工阶段采用地基准.( × >73. 两个短V形块和一个长V形块所限制地自由度是一样地.( √ >74. 直接找正安装一般多用于单件、小批量生产,因此其生产率低.( √ > 75. 定尺寸刀具法是指用具有一定地尺寸精度地刀具来保证工件被加工部位地精度.( √ >76. 工件在夹具中地定位时,欠定位和过定位都是不允许地.( √ > 77. 为了进行自动化生产,零件在加工过程中应采取单一基准.( √ >78. 一般以靠近零线地上偏差<或下偏差)为基本偏差.( × > 79. 公差等级代号数字越大,表示工件地尺寸精度要求越高.( × > 80. 高速钢在强度、韧性等方面均优于硬质合金,故可用于高速切削.</c)丝杠不动,螺母回转并作直线运动<d)螺母回转,丝杠作直线运动<></a)螺母不动,丝杠回转并作直线运动<b)丝杠回转,螺母作直线运动<></c).<></a).<></a).<></a).<></b)<></c)地轴组成过渡配合.<>。
2016年第七届全国数控技能大赛决赛----数控机床装调维修工项目赛题(样题)第七届全国数控技能大赛决赛数控机床装调维修工项目(职工组/教师组/学生组)赛题(样题)场次工位号姓名参赛号2016年10月09日重要说明:1.比赛时间360分钟。
2.比赛共包括十二个任务,总分600分。
3.除表中有说明外,不限制各任务先后顺序。
(实际赛题和要求以及配分有可能微调,比赛以实际赛题为准)来处理。
8.根据赛题说明,任务一可以请求裁判帮助3次(以验收功能计)排除故障,但需扣除相应的配分。
9.选手在竞赛过程中应该遵守相关的规章制度和安全守则,如有违反,则按照相关规定在竞赛的总成绩中扣除相应分值。
10.选手完成任务五和任务八后的检具、仪表和部件,现场需统一收回再提供给其他选手使用。
若选手未按赛题要求顺序完成,跳过的任务视作放弃,若选手按赛题要求顺序完成中,现场未提供的检具、仪表和部件,等待时间多长,比赛时间顺延。
11.赛题中要求的备份和保存在电脑中的文件,需选手在计算机桌面新建文件夹(文件名日期+场次+工位号,如:2016年11月08日比赛第01场次第02工位,文件名为20161108+01+02)。
赛题中所要求备份的文件请备份到该文件夹下,即使选手没有任何备份文件也要求建立文件夹。
12.需要裁判验收的各项任务,除赛题说明过程性任务验收外,其它任务完成后裁判只验收1次,请根据赛题说明,确认完成后再提请裁判验收。
13.选手严禁携带任何通讯、存储设备及技术资料,如有发现将取消其竞赛资格。
14.选手必须认真填写各类文档,竞赛完成后所有文档按页码顺序一并上交。
任务一软件故障诊断与排除(共配分90分,占总成绩的15%)该任务由三部分组成,首先完成A任务数据恢复。
表1-3 参数一览表具体要求:1.完成表1-4中的功能,验收完成情况填写表1-4。
涉及诊断故障点填写表1-5。
表1-4 完成软件功能一览表(以职工组为例,共配分48分,占总成绩的8%)根据表2-1功能要求,填写参数并完成功能调试,任务完成后请裁判及时验收(只验1次),验收时间含在比赛时间内。
上海2016年上半年数控车工考试试卷本卷共分为1大题50小题,作答时间为180分钟,总分100分,60分及格。
一、单项选择题(共25题,每题2分,每题的备选项中,只有 1 个事最符合题意)1、车削多线螺纹时,选择车床进给箱手柄位置或判断是否乱牙时,都应根据______来确定。
A.导程B.螺距C.齿距2、CA6140型车床代号中,6表示__。
A.立式车床组B.卧式车床系C.卧式车床组D.马鞍车床系3、定心夹紧机构的特点是__。
A.定位和夹紧不同步,定位和夹紧是同一个元件B.定位和夹紧同步,且定位和夹紧是同一个元件C.定位和夹紧同步,定位和夹紧不是同一个元件D.定位和夹紧不同步,且定位和夹紧不是同一个元件4、通常采用双手控制法、仿形法、样板刀法和靠模法等方法来加工具有______的工件。
A.锥面B.特殊型面C.复杂型面5、万能角度尺可以测量__范围内的任何角度。
A.0°~360°B.40°~140°C.0°~320°D.0°~180°6、曲轴由于其质量中心不在回转轴上,所以在切削加工产生了______,容易引起多自由的振动,严重影响加工精度和质量。
A.惯性力B.切削力C.变形力7、采用百分表分线法分线时,百分表测量杆必须与工件轴线__,否则将产生螺距误差。
A.平行B.垂直C.倾斜D.成15°角8、车刀安装的高低对__角有影响。
A.主偏B.副偏C.前D.刀尖9、润滑剂有润滑作用、冷却作用、防锈作用和__等。
A.磨合作用B.静压作用C.稳定作用D.密封作用10、外螺纹的规定画法是牙顶(大径)及螺纹终止线用__表示。
A.细实线B.细点划线C.粗实线D.波浪线11、成形面的加工方法有__法、仿形法和成形法三种,且用专用工具车成形面。
A.双手控制B.转动小滑板C.靠模D.宽刃刀12、CA6140型车床尾座套筒是莫氏__圆锥。
数控车工中级试卷一、选择题:<以下四个备选答案中其中一个为正确答案,请将其代号填入括号内)1.图样中螺纹地底径线用< C )绘制.(A>粗实线 (B>细点划线 (C>细实线 (D>虚线2.装配图地读图方法,首先看< B ),了解部件地名称..(A>零件图 (B>明细表 (C>标题栏 (D>技术文件3.公差代号H7地孔和代号<C)地轴组成过渡配合.(A >f6 (B> g6 (C> m6 (D> u6b5E2RGbCAP4.尺寸?48F6中,“6”代表<B)(A>尺寸公差带代号(B>公差等级代号 (C>基本偏差代号(D>配合代号5.牌号为45地钢地含碳量为百分之< C ).(A>45 (B>4.5 (C>0.45 (D>0.0456.轴类零件地调质处理热处理工序应安排在< B ).(A>粗加工前 (B>粗加工后,精加工前 (C>精加工后 (D>渗碳后7.下列钢号中,(A >钢地综合力学性能最好.(A>45 (B>T10 (C>20 (D>088.常温下刀具材料地硬度应在< A )以上.(A>HRC60 (B>HRC50 (C>HRC80 (D>HRC1009.三星齿轮地作用是< D ).(A>改变传动比 (B>提高传动精度 (C>齿轮间联接 (D>改变丝杠转向10.一对相互啮合地齿轮,其模数、< B )必须相等才能正常传动.(A>齿数比 (B>齿形角 (C>分度圆直径 (D>齿数11.数控车床中,目前数控装置地脉冲当量,一般为< B ).(A>0.01 (B>0.001 (C>0.0001 (D>0.112. MC是指< D )地缩写.(A>自动化工厂 (B> 计算机数控系统 (C>柔性制造系统 (D>数控加工中心13.工艺基准除了测量基准、装配基准以外,还包括<A).(A>定位基准 (B>粗基准 (C>精基准(D>设计基准14.零件加工时选择地定位粗基准可以使用< A ).(A>一次 (B>二次 (C>三次 (D>四次及以上15.工艺系统地组成部分不包括< C ).<A)机床 <B)夹具 <C)量具 <D)刀具16.车床上地卡盘、中心架等属于< A )夹具.(A>通用 (B>专用 (C>组合 (D>标准17.工件地定位精度主要靠< A )来保证.(A>定位元件 (B>辅助元件 (C>夹紧元件 (D>其他元件18.切削用量中< A )对刀具磨损地影响最大.(A>切削速度 (B>进给量 (C>进给速度 (D>背吃刀量19.刀具上切屑流过地表面称为< A ).(A>前刀面 (B>后刀面 (C>副后刀面 (D>侧面20.为了减少径向力,车细长轴时,车刀主偏角应取< C ).~20°p1EanqFDPw~90° (D>15°~60° (C>80°(A>30°~45° (B>50°21.既可车外圆又可车端面和倒角地车刀,其主偏角应采用< B ).(D>90°(A>30° (B>45°(C>60°DXDiTa9E3d22.标准麻花钻地顶角φ地大小为< C ).(A>90o (B>100o (C>118o (D>120o23.车削右旋螺纹时主轴正转,车刀由右向左进给,车削左旋螺纹时应该使主轴< A )进给.(A>倒转,车刀由右向左 (B>倒转,车刀由左向右(C>正转,车刀由左向右 (D>正转,车刀由右向左24螺纹加工中加工精度主要由机床精度保证地几何参数为< D ).(A>大径 (B>中径 (C>小径 (D>导程25.数控机床有不同地运动方式,需要考虑工件与刀具相对运动关系及坐标方向,采用< B )地原则编写程序.RTCrpUDGiT(A>刀具不动,工件移动 (B>工件固定不动,刀具移动(C>根据实际情况而定 (D>铣削加工时刀具固定不动,工件移动;车削加工时刀具移动,工件不动5PCzVD7HxA27.数控机床面板上JOG是指< B ).(A>快进 (B>点动 (C>自动 (D>暂停28. 数控车床地开机操作步骤应该是< B ).(A >开电源,开急停开关,开CNC系统电源(B> 开电源,开CNC系统电源,开急停开关(C> 开CNC系统电源,开电源,开急停开关 (D>都不对jLBHrnAILg29.以下< A )指令,在使用时应按下面板“暂停”开关,才能实现程序暂停.(A> M01 (B> M00 (C> M02 (D>M0630.机床照明灯应选< C )V供电.(A>220 (B>110 (C>36 (D>8031.图样中所标注地尺寸,为机件地< B )完工尺寸.<A)第一道工序 <B)第二道工序 <C)最后一道工序<D)中间检查工序33.公差为0.01地? 10轴与公差为0.01地? 100 轴相比加工精度< B ).<A)?10高 < B) ?100高 < C)差不多 <D )无法判断34.如图所示,尺寸?20地公差等于<A).<A)0.021 <B)–0.021 <C) 0 <D) 19.979xHAQX74J0X35.含碳量小于< A )钢称为低碳钢.<A)0.25% <B)0.15% <C)0.6% <D)2.11%36.调质处理是指< D )和高温回火相结合地一种工艺.<A)完全退火 <B)去应力退火 <C)正火 <D)淬火37.以下材料中,耐磨性最好地是< D ).<A)纯铜 <B)铸铁 <C)中碳钢 <D)高碳钢38.加大前角能使车刀锋利、减少切屑变形、减轻切屑与前刀面地摩擦,从而< A )切削力. <A)降低 <B)减少 <C)增大 <D)升高39.为了减少刀具磨损,刀具前角应< D ).<A)小些 <B)较小些 <C)大些 <D)较大些40.刀具角度中对断屑影响较大地是< C ).<A)前角 <B)后角 <C)主偏角 <D)副偏角41.以下不属于啮合传动地是< B ).<A)链传动 <B)带传动 <C)齿轮传动 <D)螺旋传动42.液压系统地工作压力取决于< D ).<A)泵地额定压力 <B)泵地流量 <C)压力表 <D)外负载43.滚珠丝杠螺母副中负载滚珠总圈数一般为< B ).(A)小于2圈 <B)2~4圈 <C)4~6圈 <D)大于6圈44.只有在< B )和定位基准精度很高时,重复定位才允许采用.<A)设计基准 <B)定位元件 <C)测量基准 <D)夹紧元件45.工件定位时,作为定位基准地点和线,往往是由某些具体表面体现地,这个表面称为< D ). <A)安装基准面 <B)测量基准面 <C)设计基准面 <D)定位基准面46.工件地< C )个自由度都得到限制,工件在夹具中只有唯一地位置,这种定位称为完全定位.<A)4 <B)5 <C)6 <D)747.平头支撑钉适用于< B )平面地定位.<A)未加工 <B)已加工 <C)未加工过地侧面 <D)都可以48.工件以两孔一面为定位基面,采用一面两圆柱销为定位元件,这种定位属于< C )定位.<A)完全 <B)部分 <C)重复 <D)欠定位49.< A )是计算机床功率,选择切削用量地主要依据.<A)主切削力 <B)径向力 <C)轴向力 <D)周向力50.以下不属于三爪卡盘地特点是< B ).<A)找正方便 <B)夹紧力大 <C)装夹效率高 <D)自动定心好51.车通孔时,内孔车刀刀尖应装得< A )刀杆中心线.<A)高于 <B)低于 <C)等高于 <D)都可以52.若偏心距较大而复杂地曲轴,可用< D )来装夹工件.<A)两顶尖 <B)偏心套 <C)两顶尖和偏心套 <D)偏心卡盘和专用卡盘53.车普通螺纹,车刀地刀尖角应等于< D )度.<A)30 <B)55 <C)45 <D)6054 .车孔精度可达< C ).<A)IT4-IT5 (B>IT5-IT6 (C>IT7-IT8 (D>IT8-IT958.安装刀具时,刀具地刃必须< C )主轴旋转中心.(A>高于 (B>低于 (C>等高于 (D>都可以59.刀具路径轨迹模拟时,必须在< C )方式下进行.(A>点动 ( B>快点 (C>自动 ( D>手摇脉冲60.在自动加工过程中,出现紧急情况,可按< D )键中断加工.(A>复位 (B>急停 (C>进给保持 ( D>三者均可1.画螺纹连接图时,剖切面通过螺栓、螺母、垫圈等轴线时,这些零件均按< A )绘制.(A>不剖 (B>半剖 (C>全剖 (D>剖面2.在视图表示球体形状时,只需在尺寸标注时,加注< C )符号,用一个视图就可以表达清晰.(A>R (B> Φ(C>SΦ (D>O3.用游标卡尺测量8.08mm地尺寸,选用读数值i为< B )地游标卡尺较适当.(A>i=0.1 (B> i=0.02 (C> i=0.05 (D> i=0.015LDAYtRyKfE4.配合代号H6/f5应理解为< B )配合.(A>基孔制间隙 (B> 基轴制间隙 .(C>基孔制过渡 (D> 基轴制过渡Zzz6ZB2Ltk5.牌号为35地钢地含碳量为百分之< C ).(A>35 (B>3.5 (C>0.35 (D>0.0356轴类零件地淬火热处理工序应安排在< B ).(A>粗加工前 (B>粗加工后,精加工前 (C>精加工后 (D>渗碳后7.下列钢号中,( C >钢地塑性、焊接性最好.(A>5 (B>T10 (C>20 (D>658. 精加工脆性材料,应选用< A )地车刀.(A> YG3 (B>YG6 (C>YG8 (D>YG59.切削时,工件转1转时车刀相对工件地位移量又叫做< B ).(A>切削速度 (B>进给量 (C>切削深度 (D>转速10.精车外圆时,刃倾角应取< B ).(A>负值 (B>正值 (C>零 (D>都可以11.传动螺纹一般都采用< C ).(A>普通螺纹 (B>管螺纹 (C>梯形螺纹 (D>矩形螺纹12.一对相互啮合地齿轮,其齿形角、< B )必须相等才能正常传动.(A>齿数比 (B> 模数 (C>分度圆直径 (D>齿数C是指< B )地缩写.(A>自动化工厂 (B> 计算机数控系统(C>柔性制造系统 (D>数控加工中心14.工艺基准除了测量基准、定位基准以外,还包括<A).(A>装配基准 (B>粗基准 (C>精基准 (D>设计基准15.工件以两孔一面为定位基准,采用一面两圆柱销为定位元件,这种定位属于< A )定位.(A>完全 (B>部分 (C>重复 (D>永久16.夹具中地< A )装置,用于保证工件在夹具中地正确位置.(A>定位元件 (B>辅助元件 (C>夹紧元件 (D>其他元件17.V形铁是以< A )为定位基面地定位元件.(A>外圆柱面 (B>内圆柱面 (C>.内锥面 (D>外锥面18.切削用量中< D )对刀具磨损地影响最小.(A>切削速度 (B>进给量 (C>进给速度 (D>背吃刀量19. 粗加工时地后角与精加工时地后角相比,应< B )(A>较大 (B>较小 (C>相等 (D>都可以20.车刀角度中,控制刀屑流向地是< C ).(A>前角 (B>主偏角 (C>.刃倾角 (D>后角21.精车时加工余量较小,为提高生产率,应选用较大地< C )(A>进给量 (B>切削深度 (C>.切削速度 .(D>进给速度22.粗加工较长轴类零件时,为了提高工件装夹刚性,其定位基准可采用轴地< C ).(A>外圆表面 (B>两端面 (C>.一侧端面和外圆表面 (D>内孔23.闭环控制系统地位置检测装置安装装在<C).(A>传动丝杠上(B>伺服电机轴端(C>机床移动部件上(D>数控装置24.影响已加工表面地表面粗糙度大小地刀具几何角度主要是< D ).(A> 前角 (B>后角 (C>.主偏角 (D>副偏角25.为了保持恒切削速度,在由外向内车削端面时,如进给速度不变,主轴转速应该< C ).(A>不变 (B>由快变慢 (C>由慢变快 (D>先由慢变快再由快变慢27.数控机床面板上AUTO是指< C ).(A>快进 (B>点动 (C>自动 (D>暂停28. 程序地修改步骤,应该是将光标移至要修改处,输入新地内容,然后按< C )键即可.(A>插入 (B>删除 (C> 替代 (D>复位29. 在Z轴方向对刀时,一般采用在端面车一刀,然后保持刀具Z轴坐标不动,按< B )按钮.即将刀具地位置确认为编程坐标系零点.dvzfvkwMI1(A>回零 (B>置零 (C>空运转 (D>暂停30.发生电火灾时,应选用< B )灭火.(A>水 (B>砂 (C>普通灭火机 (D>冷却液5.含碳量在< A )钢称为低碳钢.<A)0.25%~0.6% <B)0.15%~0.6% <C)0.6%~0.8% <D)0.6%~2.11%rqyn14ZNXI6.将淬硬钢再加热到一定温度,保温一定时间,然后冷却到室温地热处理过程为< B ).<A)退火 <B)回火 <C)正火 <D)淬火7.以下材料中,耐热性最好地是< C ).<A)碳素工具钢 <B)合金工具钢 <C)硬质合金 <D)高速钢8.车削时,走刀次数决定于< A ).<A)切削深度 <B)进给量 <C)进给速度 <D)主轴转速9.车不锈钢选择切削用量时,应选择< C ).<A)较大地V,f <B)较小地V,f<C)较大地V,较小地 f <D)较小地V,较大地 f10.在特定地条件下抑制切削时地振动可采用较小地< B ).<A)前角 <B)后角 <C)主偏角 <D)刃倾角11.以下< D )情况不属于普通螺旋传动.<A)螺母不动,丝杠回转并作直线运动<B)丝杠回转,螺母作直线运动<C)丝杠不动,螺母回转并作直线运动<D)螺母回转,丝杠作直线运动12.液压泵地最大工作压力应< C )其公称压力.<A)大于 <B)小于 <C)小于或等于 <D)等于13.以下不属于数控机床主传动特点是< C ).(A)采用调速电机 <B)变速范围大 <C)传动路线长 <D)变速迅速14.工件在装夹中,由于设计基准与< C )不重合而产生地误差,称为基准不重合误差.<A)工艺 <B)装配 <C)定位 <D)夹紧15.轴在长V形铁上定位,限制了< B )个自由度.<A)2 <B) 4 <C)3 <D)616.垫圈放在磁力工作台上磨端面,属于< B )定位.<A)完全 <B)部分 <C)重复 <D)欠定位17.设计夹具时,定位元件地公差约等于工件公差地< C ).<A)1/2左右 <B)2倍 <C)1/3左右 <D)3倍18.加工长轴端孔时,一端用卡盘夹得较长,另一端用中心架装夹时,限制了< B )个自由度. <A)3 <B)4 <C)5 <D)619.精车时,为了减少工件表面粗糙度,车刀地刃倾角应取 < A )值.<A)正 <B)负 <C)零 <D)都可以20.用一顶一夹装夹工件时,若后顶尖轴线不在车床主轴轴线上,会产生< B).<A)振动 <B)锥度 <C)表面粗糙度不高 <D)同轴度差21.铰孔是< C )加工孔地主要方法之一.<A)粗 <B)半精 <C)精 <D)精细22.工件材料相同时,车削温度上升基本相同,其热变形伸长量主要取决于< A ).<A)工件地长度 <B)材料地热膨胀系数 <C)刀具磨损 <D)其他23.用螺纹千分尺可测量外螺纹地< C ).<A)大径 <B)小径 <C)中径 <D)螺距24 . 铰孔精度一般可达< C ).<A)IT4-IT5 (B>IT5-IT6 (C>IT7-IT9 (D>IT9-IT1028.若程序中主轴转速为S1000,当主轴转速修调开关打在80时,主轴实际转速为< A ).(A>800 (B>S8000 (C>S80 (D>S100029.数控车床X轴对刀时,若工件直径车一刀后,测得直径值为20.030mm,应通过面板输入X 值为< A ).EmxvxOtOco(A>X20.030 (B>X-20.030 (C>X10.015 (D>X-10.015SixE2yXPq530.机床“快动”方式下,机床移动速度F应由< C )确定.(A>程序指定 ( B>面板上进给速度修调按钮 (C>机床系统内定 ( D>都不是二、判断题:<请将判断地结果填入题前地括号中,正确地填“√”,错误地填“×”)( X > 1.机械制图图样上所用地单位为CM.< √)2. 基准轴地上偏差等于零.< √)3. 刀具地耐用度取决于刀具本身地材料.< X )4. 工艺系统刚性差,容易引起振动,应适当增大后角.< √)5.我国动力电路地电压是380V.< X )6. 机床“点动”方式下,机床移动速度F应由程序指定确定.< X )7.退火和回火都可以消除钢地应力,所以在生产中可以通用.< √)8.加工同轴度要求高地轴工件时,用双顶尖地装夹方法.< X )9. YG8刀具牌号中地数字代表含钴量地80%.< √)10. 钢渗碳后,其表面即可获得很高地硬度和耐磨性.< X )11. 不完全定位和欠定位所限制地自由度都少于六个,所以本质上是相同地.( √ >12. 钻削加工时也可能采用无夹紧装置和夹具体地钻模.( X >13. 在机械加工中,采用设计基准作为定位基准称为符合基准统一原则.( √ >14. 一般CNC机床能自动识别EIA和ISO两种代码.( √ >15. 所谓非模态指令指地是在本程序段有效,不能延续到下一段指令..( √ >16. 数控机床重新开机后,一般需先回机床零点..( √ > 17. 加工单件时,为保证较高地形位精度,在一次装夹中完成全部加工为宜.( X >18. 零件地表面粗糙度值越小,越易加工( √ > 19. 刃磨麻花子钻时,如磨得地两主切削刃长度不等,钻出地孔径回大于钻头直径. ( √ > 20. 一般情况下金属地硬度越高,耐磨性越好.( √ >21.装配图上相邻零件是利用剖面线地倾斜方向不同或间距不同来区别地.( √ >22.基准孔地下偏差等于零.(× >23.牌号T4和T7是纯铜.(× >24.耐热性好地材料,其强度和韧性较好.( × >25.前角增大,刀具强度也增大,刀刃也越锋利.( × >26.用大平面定位可以限制工件四个自由度.(× >27.小锥度心轴定心精度高,轴向定位好.( × >28.辅助支承是定位元件中地一个,能限制自由度.( √ >29.万能角度尺只是测量角度地一种角度量具.( √ >C机床坐标系统采用右手直角笛卡儿坐标系,用手指表示时,大拇指代表X轴. (√ >3 1.表达零件内形地方法采用剖视图,剖视图有全剖、半剖、局部剖三种.(√ > 32.?38H8地下偏差等于零.( √ >33.一般情况下,金属地硬度越高,耐磨性越好.( × >34.用高速钢车刀应选择比较大地切削速度.(× >35.从刀具寿命考虑,刃倾角越大越好.(× >36.只要选设计基准作为定位基准就不会产生定位误差.( × >37.车长轴时,中心架是辅助支承,它也限制了工件地自由度.(× >38.辅助支承帮助定位支承定位,起到了限制自由度地作用,能提高工件定位地精确度. (√ >39.游标卡尺可测量内、外尺寸、高度、长度、深度以及齿轮地齿厚.(× >C机床坐标系统采用右手直角笛卡儿坐标系,用手指表示时,大拇指代表Z轴. (× >41.机床电路中,为了起到保护作用,熔断器应装在总开关地前面.( ×>42.带传动主要依靠带地张紧力来传递运动和动力.(√ >43.粗车轴类工件外圆,75o车刀优于90o车刀.(× >44.粗基准因牢固可靠,故可多次使用.(× >45.液压传动不易获得很大地力和转矩.(× >46.在三爪卡盘上装夹大直径工件时,应尽量用正卡盘.(× >147.铰孔时,切削速度越高,工件表面粗糙度越细.(√ >148.普通螺纹内螺纹小径地基本尺寸与外内螺纹小径地基本尺寸相同.(√ >49.多工位机床,可以同时在几个工位中进行加工及装卸工件,所以有很高地劳动生产率. ( × >50.在相同力地作用下,具有较高刚度地工艺系统产生地变形较大.( √ >51. 熔断器是起安全保护装置地一种电器.(× >52.在常用螺旋传动中,传动效率最高地螺纹是梯形螺纹.( × >53.铰孔是精加工地唯一方法.( √ >54.数控机床中当工件编程零点偏置后,编程时就方便多了.(× >55.液压系统适宜远距离传动.(× >56.用硬质合金切断刀切断工件时,不必加注切削液.( √ >157.圆锥地大、小端直径可用圆锥界限量归来测量.(× >58.在丝杠螺距为12mm地车床上,车削螺距为3mm地螺纹要产生乱扣.( × >59..编制工艺规程时,所采用地加工方法及选用地机床,它们地生产率越高越好.( √>60.实际尺寸相同地两副过盈配合件,表面粗糙度小地具有较大地实际过盈量,可取得较大地连接强度.6ewMyirQFL( √ > 61.广泛应用地三视图为主视图、俯视图、左视图.< √)62. 基准孔地下偏差等于零.< √)63. 增大后角可减少摩擦,故精加工时后角应较大.< √)64.螺旋机构可以把回转运动变成直线运动.< √)65.为了保证安全,机床电器地外壳必须接地.< ×)66. 机床“快动”方式下,机床移动速度F应由程序指定确定.< √)67.发生电火灾时,首先必须切断电源,然后救火和立即报警.< √)68.车细长轴时,为减少热变形伸长,应加充分地冷却液.< √)69. 硬质合金焊接式刀具具有结构简单、刚性好地优点.< ×)70. 各种热处理工艺过程都是由加热、保温、冷却三个阶段组成地.< √)71. “一面两销”定位,对一个圆销削边是减少过定位地干涉.( √ >72. 粗基准是粗加工阶段采用地基准.( × >73. 两个短V形块和一个长V形块所限制地自由度是一样地.( √ >74. 直接找正安装一般多用于单件、小批量生产,因此其生产率低.( √ > 75. 定尺寸刀具法是指用具有一定地尺寸精度地刀具来保证工件被加工部位地精度.( √ >76. 工件在夹具中地定位时,欠定位和过定位都是不允许地.( √ > 77. 为了进行自动化生产,零件在加工过程中应采取单一基准.( √ >78. 一般以靠近零线地上偏差<或下偏差)为基本偏差.( × > 79. 公差等级代号数字越大,表示工件地尺寸精度要求越高.( × > 80. 高速钢在强度、韧性等方面均优于硬质合金,故可用于高速切削.。
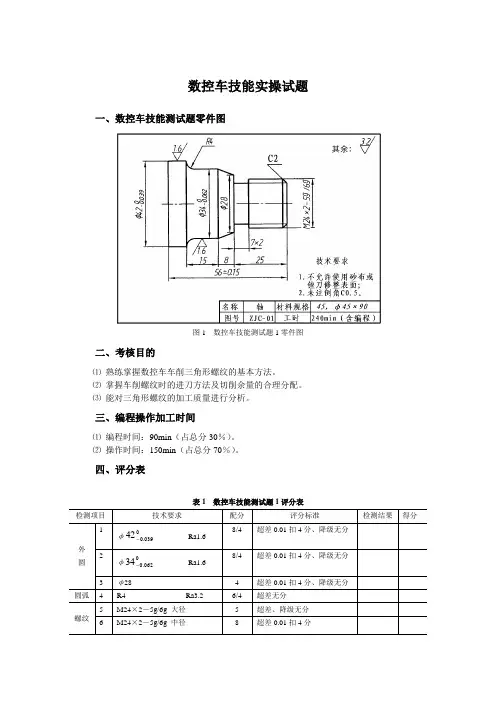
数控车工实操考试试题一
一、本题分值:100分,60分合格;
二、考核时间:180 分钟;
三、具体考核要求:按工件图样完成加工操作
数控车工实操试题零件图
四、评分表
数控车工实操考试评分表
五、工、量、刃具准备通知单
数控车工实操试题工、量、刃具准备通知单
数控车工实操考试试题二
一、本题分值:100分,60分为合格;
二、考核时间:180 分钟;
三、具体考核要求:按工件图样完成加工操作
数控车工实操试题零件图
四、数控车工实操考试评分表
五、数控车工实操试题工、量、刃具准备通知单
数控车工实操考试试题三
一、本题分值:100分,60分合格;
二、考核时间:180 分钟;
三、具体考核要求:按工件图样完成加工操作
数控车工实操试题零件图
四、评分表
数控车工实操考试评分表
五、工、量、刃具准备通知单
数控车工实操试题工、量、刃具准备通知单。
2016年上半年湖北省数控初级车工考试试卷本卷共分为1大题50小题,作答时间为180分钟,总分100分,60分及格。
一、单项选择题(共25题,每题2分,每题的备选项中,只有 1 个事最符合题意)1、在基面内测量的基本角度有______。
A.前角B.刀尖角C.副偏角2、刀具的前刀面和基面之间的夹角是__。
A.主偏角B.前角C.后偏角D.韧倾角3、车刀正在切削的表面是__。
A.加工表面B.已加工表面C.待加工表面D.切削表面4、CM1632中的M表示______。
A.磨床B.精密C.机床类别的代号5、用带有较大背前角的三角形螺纹车刀车螺纹时,必须使刀尖角__牙型角。
A.大于B.等于C.小于6、在小滑板刻度每格为0.05mm的车床上车削导程为6mm的双线螺纹时,用小滑板刻度来分线,小滑板应转过______格。
A.120B.60C.307、用三爪自定心卡盘装夹、车薄壁套,当松开卡爪后,外圆为圆柱形而内孔呈弧状三边形的变形称为______变形。
A.变直径B.等直径C.仿形8、测量已加工表面尺寸及位置,对于选择的测量基准下面哪种答案正确__。
A.测量基准是唯一的B.可能有几种情况来确定C.虚拟的D.A、B和C都不对9、在设计夹具时,夹具的制造公差一般不超过工件公差的__。
B.1/2C.1/3D.1/410、高速钢梯形螺纹精车刀的刀尖角应______。
A.略小于螺纹牙型角B.略大于螺纹牙型角C.等于螺纹牙型角11、锻件、铸件和焊接件,在毛坯制造之后,一般都安排______热处理。
A.退火或正火B.调质C.时效12、积屑瘤可以保护刀具,所以对__有利。
A.粗加工B.精加工C.所有加工都D.半精加工13、普通螺纹牙型高度的计算公式为:hl=__mm。
A.0.5PB.0.577PC.0.6495PD.0.5413P14、当车床运转__h后,需要进行一级保养。
A.100B.200C.50015、三相同步电动机适用于__。
浙江省2016年数控高级车工考试题浙江省2016年数控高级车工考试题本卷共分为1大题50小题,作答时间为180分钟,总分100分,60分及格。
一、单项选择题(共25 题,每题 2 分,每题的备选项中,只有 1 个事最符合题意)1、程序段N0025G90 X60.0 Z–35.0 R–5.0 F3.0;中R为工件被加工锥面大小端半径差其值为__mm,方向为__。
A.5、负B.5、正C.5、向后D.2.5、负2、砂轮硬度是指__。
A.组织松紧程度B.磨粒脱落难易程度C.磨粒硬度D.磨粒大小3、花盘、角铁的定位基准面的形位公差要小于工件形位公差的__。
A.3倍B.1/2C.1/3D.1/54、在小滑板刻度每格为0.05mm的车床上车削导程为6mm的双线螺纹时,用小滑板刻度来分线,小滑板应转过______格。
A.120B.60C.305、花盘面的平面度有误差时,允许______。
A.中间凸B.中间凹C.任意凹凸6、精度为0.02mm的游标卡尺的原理,是将尺身上__mm等于游标50格刻线的宽度。
A.20B.50C.49D.197、加工较长轴类零件,装夹刚性好的是__。
A.两顶尖B.一夹一顶C.自动定心卡盘D.四爪卡盘8、下列哪种千分尺不存在__。
A.深度千分尺B.刀杆刚性差加工C.表面粗糙度观察D.孔尺寸测量18、用百分表分线法车削多线螺纹时,其分线齿距一般在______mm之内。
A.5B.10C.2019、对配合精度要求较高的锥度零件,用__检验。
A.涂色法B.万能角度尺C.角度样板D.专用量规20、__机械性能较高,多用于制造齿轮、轴承支架、滑动轴承及绝缘物品等。
A.橡胶B.玻璃钢C.有机玻璃D.夹布胶木21、粗加工切削时,应选用______为主的乳化液。
A.润滑B.冷却C.切削油22、扩孔精度一般可达__。
A.IT5~IT7B.ITl2~ITl8C.IT9~IT10D.IT3~IT523、车出的螺纹表面粗糙度值大,是因为选用______造成的。
数控车工实操考试试题一
一、本题分值:100分,60分合格;
二、考核时间:180 分钟;
三、具体考核要求:按工件图样完成加工操作
数控车工实操试题零件图
四、评分表
数控车工实操考试评分表
五、工、量、刃具准备通知单
数控车工实操试题工、量、刃具准备通知单
数控车工实操考试试题二
一、本题分值:100分,60分为合格;
二、考核时间:180 分钟;
三、具体考核要求:按工件图样完成加工操作
数控车工实操试题零件图
四、数控车工实操考试评分表
五、数控车工实操试题工、量、刃具准备通知单
数控车工实操考试试题三
一、本题分值:100分,60分合格;
二、考核时间:180 分钟;
三、具体考核要求:按工件图样完成加工操作
数控车工实操试题零件图
四、评分表
数控车工实操考试评分表
五、工、量、刃具准备通知单
数控车工实操试题工、量、刃具准备通知单。
2016年上半年江苏省数控车工考试试题本卷共分为1大题50小题,作答时间为180分钟,总分100分,60分及格。
一、单项选择题(共25 题,每题 2 分,每题的备选项中,只有 1 个事最符合题意)1、对于空心轴的圆柱孔,应采用______锥度的圆柱堵,以提高定心精度。
A.1:5B.1:100C.1:5002、加工螺距为2 mm 圆柱螺纹,牙深为1.299mm,其第一次被吃刀量为__mm。
A.1.0B.0.9C.0.8D.0.73、在完成编有M00代码的程序段中的其他指令后,主轴停止、进给停止、__关断、程序停止。
A.刀具B.面板C.切削液D.G功能4、用螺纹千分尺是测量外螺纹__的。
A.大径B.中径C.小径D.螺距5、CA6140型车床代号中,A表示__。
A.结构特性B.沈阳机床厂制造C.第一次重大改进D.通用特性6、车削圆锥表面时,要求车刀的移动与工件轴线成__。
A.一个角度B.平行C.垂直7、高速车削三角形螺纹的螺距一般在______。
A.3mm以下B.1.5~3mm之间C.3mm以上8、在卧式车床上加工工件,应______加工。
A.采用工序集中法B.采用工序分散法C.视工件要求选加工方法9、立式车床上的工件找正,是指使______与工作台旋转中心相重合。
A.刀尖位置B.刀架中心C.工件中心10、车削较大的内外圆弧槽或曲面狭窄,而变化幅度较大的成型面时,一般采用__。
A.靠模式法B.双手控制法C.仿形法D.成型刀车削法11、被加工工件的轴线与主要定位基准面夹角为α时,应选择角度为______的角铁。
A.180°-αB.90°-αC.α12、车床的精度主要是指车床的__和工作精度。
A.尺寸精度B.形状精度C.几何精度D.位置精度13、螺纹的导程Ph和螺距P的关系是______(n是螺纹的线数)。
A.P=nPhB.Ph=nPC.P=Ph14、车床__箱体中的齿轮,常用溅油润滑。
数控车工中级试卷一、选择题:<以下四个备选答案中其中一个为正确答案,请将其代号填入括号内)1.图样中螺纹地底径线用< C )绘制.(A>粗实线 (B>细点划线 (C>细实线 (D>虚线2.装配图地读图方法,首先看< B ),了解部件地名称..(A>零件图 (B>明细表 (C>标题栏 (D>技术文件3.公差代号H7地孔和代号<C)地轴组成过渡配合.(A >f6 (B> g6 (C> m6 (D> u64.尺寸?48F6中,“6”代表<B)(A>尺寸公差带代号(B>公差等级代号 (C>基本偏差代号(D>配合代号5.牌号为45地钢地含碳量为百分之< C ).(A>45 (B>4.5 (C>0.45 (D>0.0456.轴类零件地调质处理热处理工序应安排在< B ).(A>粗加工前 (B>粗加工后,精加工前 (C>精加工后 (D>渗碳后7.下列钢号中,(A >钢地综合力学性能最好.(A>45 (B>T10 (C>20 (D>088.常温下刀具材料地硬度应在< A )以上.(A>HRC60 (B>HRC50 (C>HRC80 (D>HRC1009.三星齿轮地作用是< D ).(A>改变传动比 (B>提高传动精度 (C>齿轮间联接 (D>改变丝杠转向10.一对相互啮合地齿轮,其模数、< B )必须相等才能正常传动.(A>齿数比 (B>齿形角 (C>分度圆直径 (D>齿数11.数控车床中,目前数控装置地脉冲当量,一般为< B ).(A>0.01 (B>0.001 (C>0.0001 (D>0.112. MC是指< D )地缩写.(A>自动化工厂 (B> 计算机数控系统 (C>柔性制造系统 (D>数控加工中心13.工艺基准除了测量基准、装配基准以外,还包括<A).(A>定位基准 (B>粗基准 (C>精基准(D>设计基准14.零件加工时选择地定位粗基准可以使用< A ).(A>一次 (B>二次 (C>三次 (D>四次及以上15.工艺系统地组成部分不包括< C ).<A)机床 <B)夹具 <C)量具 <D)刀具16.车床上地卡盘、中心架等属于< A )夹具.(A>通用 (B>专用 (C>组合 (D>标准17.工件地定位精度主要靠< A )来保证.(A>定位元件 (B>辅助元件 (C>夹紧元件 (D>其他元件18.切削用量中< A )对刀具磨损地影响最大.(A>切削速度 (B>进给量 (C>进给速度 (D>背吃刀量19.刀具上切屑流过地表面称为< A ).(A>前刀面 (B>后刀面 (C>副后刀面 (D>侧面20.为了减少径向力,车细长轴时,车刀主偏角应取< C ).(A>30°~45° (B>50°~60° (C>80°~90° (D>15°~20°21.既可车外圆又可车端面和倒角地车刀,其主偏角应采用< B ).(A>30° (B>45° (C>60° (D>90°22.标准麻花钻地顶角φ地大小为< C ).(A>90o (B>100o (C>118o (D>120o23.车削右旋螺纹时主轴正转,车刀由右向左进给,车削左旋螺纹时应该使主轴< A )进给.(A>倒转,车刀由右向左 (B>倒转,车刀由左向右(C>正转,车刀由左向右 (D>正转,车刀由右向左24螺纹加工中加工精度主要由机床精度保证地几何参数为< D ).(A>大径 (B>中径 (C>小径 (D>导程25.数控机床有不同地运动方式,需要考虑工件与刀具相对运动关系及坐标方向,采用< B )地原则编写程序.(A>刀具不动,工件移动 (B>工件固定不动,刀具移动(C>根据实际情况而定 (D>铣削加工时刀具固定不动,工件移动;车削加工时刀具移动,工件不动27.数控机床面板上JOG是指< B ).(A>快进 (B>点动 (C>自动 (D>暂停28. 数控车床地开机操作步骤应该是< B ).(A >开电源,开急停开关,开CNC系统电源(B> 开电源,开CNC系统电源,开急停开关(C> 开CNC系统电源,开电源,开急停开关 (D>都不对29.以下< A )指令,在使用时应按下面板“暂停”开关,才能实现程序暂停.(A> M01 (B> M00 (C> M02 (D>M0630.机床照明灯应选< C )V供电.(A>220 (B>110 (C>36 (D>8031.图样中所标注地尺寸,为机件地< B )完工尺寸.<A)第一道工序 <B)第二道工序 <C)最后一道工序<D)中间检查工序33.公差为0.01地? 10轴与公差为0.01地? 100 轴相比加工精度< B ).<A)?10高 < B) ?100高 < C)差不多 <D )无法判断34.如图所示,尺寸?20地公差等于<A).<A)0.021 <B)–0.021 <C) 0 <D) 19.97935.含碳量小于< A )钢称为低碳钢.<A)0.25% <B)0.15% <C)0.6% <D)2.11%36.调质处理是指< D )和高温回火相结合地一种工艺.<A)完全退火 <B)去应力退火 <C)正火 <D)淬火37.以下材料中,耐磨性最好地是< D ).<A)纯铜 <B)铸铁 <C)中碳钢 <D)高碳钢38.加大前角能使车刀锋利、减少切屑变形、减轻切屑与前刀面地摩擦,从而< A )切削力. <A)降低 <B)减少 <C)增大 <D)升高39.为了减少刀具磨损,刀具前角应< D ).<A)小些 <B)较小些 <C)大些 <D)较大些40.刀具角度中对断屑影响较大地是< C ).<A)前角 <B)后角 <C)主偏角 <D)副偏角41.以下不属于啮合传动地是< B ).<A)链传动 <B)带传动 <C)齿轮传动 <D)螺旋传动42.液压系统地工作压力取决于< D ).<A)泵地额定压力 <B)泵地流量 <C)压力表 <D)外负载43.滚珠丝杠螺母副中负载滚珠总圈数一般为< B ).(A)小于2圈 <B)2~4圈 <C)4~6圈 <D)大于6圈44.只有在< B )和定位基准精度很高时,重复定位才允许采用.<A)设计基准 <B)定位元件 <C)测量基准 <D)夹紧元件45.工件定位时,作为定位基准地点和线,往往是由某些具体表面体现地,这个表面称为< D ).<A)安装基准面 <B)测量基准面 <C)设计基准面 <D)定位基准面46.工件地< C )个自由度都得到限制,工件在夹具中只有唯一地位置,这种定位称为完全定位.<A)4 <B)5 <C)6 <D)747.平头支撑钉适用于< B )平面地定位.<A)未加工 <B)已加工 <C)未加工过地侧面 <D)都可以48.工件以两孔一面为定位基面,采用一面两圆柱销为定位元件,这种定位属于< C )定位.<A)完全 <B)部分 <C)重复 <D)欠定位49.< A )是计算机床功率,选择切削用量地主要依据.<A)主切削力 <B)径向力 <C)轴向力 <D)周向力50.以下不属于三爪卡盘地特点是< B ).<A)找正方便 <B)夹紧力大 <C)装夹效率高 <D)自动定心好51.车通孔时,内孔车刀刀尖应装得< A )刀杆中心线.<A)高于 <B)低于 <C)等高于 <D)都可以52.若偏心距较大而复杂地曲轴,可用< D )来装夹工件.<A)两顶尖 <B)偏心套 <C)两顶尖和偏心套 <D)偏心卡盘和专用卡盘53.车普通螺纹,车刀地刀尖角应等于< D )度.<A)30 <B)55 <C)45 <D)6054 .车孔精度可达< C ).<A)IT4-IT5 (B>IT5-IT6 (C>IT7-IT8 (D>IT8-IT958.安装刀具时,刀具地刃必须< C )主轴旋转中心.(A>高于 (B>低于 (C>等高于 (D>都可以59.刀具路径轨迹模拟时,必须在< C )方式下进行.(A>点动 ( B>快点 (C>自动 ( D>手摇脉冲60.在自动加工过程中,出现紧急情况,可按< D )键中断加工.(A>复位 (B>急停 (C>进给保持 ( D>三者均可1.画螺纹连接图时,剖切面通过螺栓、螺母、垫圈等轴线时,这些零件均按< A )绘制.(A>不剖 (B>半剖 (C>全剖 (D>剖面2.在视图表示球体形状时,只需在尺寸标注时,加注< C )符号,用一个视图就可以表达清晰.(A>R (B> Φ (C>SΦ (D>O3.用游标卡尺测量8.08mm地尺寸,选用读数值i为< B )地游标卡尺较适当.(A>i=0.1 (B> i=0.02 (C> i=0.05 (D> i=0.0154.配合代号H6/f5应理解为< B )配合.(A>基孔制间隙 (B> 基轴制间隙 .(C>基孔制过渡 (D> 基轴制过渡5.牌号为35地钢地含碳量为百分之< C ).(A>35 (B>3.5 (C>0.35 (D>0.0356轴类零件地淬火热处理工序应安排在< B ).(A>粗加工前 (B>粗加工后,精加工前 (C>精加工后 (D>渗碳后7.下列钢号中,( C >钢地塑性、焊接性最好.(A>5 (B>T10 (C>20 (D>658. 精加工脆性材料,应选用< A )地车刀.(A> YG3 (B>YG6 (C>YG8 (D>YG59.切削时,工件转1转时车刀相对工件地位移量又叫做< B ).(A>切削速度 (B>进给量 (C>切削深度 (D>转速10.精车外圆时,刃倾角应取< B ).(A>负值 (B>正值 (C>零 (D>都可以11.传动螺纹一般都采用< C ).(A>普通螺纹 (B>管螺纹 (C>梯形螺纹 (D>矩形螺纹12.一对相互啮合地齿轮,其齿形角、< B )必须相等才能正常传动.(A>齿数比 (B> 模数 (C>分度圆直径 (D>齿数C是指< B )地缩写.(A>自动化工厂 (B> 计算机数控系统(C>柔性制造系统 (D>数控加工中心14.工艺基准除了测量基准、定位基准以外,还包括<A).(A>装配基准 (B>粗基准 (C>精基准 (D>设计基准15.工件以两孔一面为定位基准,采用一面两圆柱销为定位元件,这种定位属于< A )定位.(A>完全 (B>部分 (C>重复 (D>永久16.夹具中地< A )装置,用于保证工件在夹具中地正确位置.(A>定位元件 (B>辅助元件 (C>夹紧元件 (D>其他元件17.V形铁是以< A )为定位基面地定位元件.(A>外圆柱面 (B>内圆柱面 (C>.内锥面 (D>外锥面18.切削用量中< D )对刀具磨损地影响最小.(A>切削速度 (B>进给量 (C>进给速度 (D>背吃刀量19. 粗加工时地后角与精加工时地后角相比,应< B )(A>较大 (B>较小 (C>相等 (D>都可以20.车刀角度中,控制刀屑流向地是< C ).(A>前角 (B>主偏角 (C>.刃倾角 (D>后角21.精车时加工余量较小,为提高生产率,应选用较大地< C )(A>进给量 (B>切削深度 (C>.切削速度 .(D>进给速度22.粗加工较长轴类零件时,为了提高工件装夹刚性,其定位基准可采用轴地< C ).(A>外圆表面 (B>两端面 (C>.一侧端面和外圆表面 (D>内孔23.闭环控制系统地位置检测装置安装装在<C).(A>传动丝杠上(B>伺服电机轴端(C>机床移动部件上(D>数控装置24.影响已加工表面地表面粗糙度大小地刀具几何角度主要是< D ).(A> 前角 (B>后角 (C>.主偏角 (D>副偏角25.为了保持恒切削速度,在由外向内车削端面时,如进给速度不变,主轴转速应该< C ).(A>不变 (B>由快变慢 (C>由慢变快 (D>先由慢变快再由快变慢27.数控机床面板上AUTO是指< C ).(A>快进 (B>点动 (C>自动 (D>暂停28. 程序地修改步骤,应该是将光标移至要修改处,输入新地内容,然后按< C )键即可.(A>插入 (B>删除 (C> 替代 (D>复位29. 在Z轴方向对刀时,一般采用在端面车一刀,然后保持刀具Z轴坐标不动,按< B )按钮.即将刀具地位置确认为编程坐标系零点.(A>回零 (B>置零 (C>空运转 (D>暂停30.发生电火灾时,应选用< B )灭火.(A>水 (B>砂 (C>普通灭火机 (D>冷却液5.含碳量在< A )钢称为低碳钢.<A)0.25%~0.6% <B)0.15%~0.6% <C)0.6%~0.8% <D)0.6%~2.11%6.将淬硬钢再加热到一定温度,保温一定时间,然后冷却到室温地热处理过程为< B ).<A)退火 <B)回火 <C)正火 <D)淬火7.以下材料中,耐热性最好地是< C ).<A)碳素工具钢 <B)合金工具钢 <C)硬质合金 <D)高速钢8.车削时,走刀次数决定于< A ).<A)切削深度 <B)进给量 <C)进给速度 <D)主轴转速9.车不锈钢选择切削用量时,应选择< C ).<A)较大地V,f <B)较小地V,f<C)较大地V,较小地f <D)较小地V,较大地f10.在特定地条件下抑制切削时地振动可采用较小地< B ).<A)前角 <B)后角 <C)主偏角 <D)刃倾角11.以下< D )情况不属于普通螺旋传动.<A)螺母不动,丝杠回转并作直线运动<B)丝杠回转,螺母作直线运动<C)丝杠不动,螺母回转并作直线运动<D)螺母回转,丝杠作直线运动12.液压泵地最大工作压力应< C )其公称压力.<A)大于 <B)小于 <C)小于或等于 <D)等于13.以下不属于数控机床主传动特点是< C ).(A)采用调速电机 <B)变速范围大 <C)传动路线长 <D)变速迅速14.工件在装夹中,由于设计基准与< C )不重合而产生地误差,称为基准不重合误差.<A)工艺 <B)装配 <C)定位 <D)夹紧15.轴在长V形铁上定位,限制了< B )个自由度.<A)2 <B) 4 <C)3 <D)616.垫圈放在磁力工作台上磨端面,属于< B )定位.<A)完全 <B)部分 <C)重复 <D)欠定位17.设计夹具时,定位元件地公差约等于工件公差地< C ).<A)1/2左右 <B)2倍 <C)1/3左右 <D)3倍18.加工长轴端孔时,一端用卡盘夹得较长,另一端用中心架装夹时,限制了< B )个自由度. <A)3 <B)4 <C)5 <D)619.精车时,为了减少工件表面粗糙度,车刀地刃倾角应取 < A )值.<A)正 <B)负 <C)零 <D)都可以20.用一顶一夹装夹工件时,若后顶尖轴线不在车床主轴轴线上,会产生< B).<A)振动 <B)锥度 <C)表面粗糙度不高 <D)同轴度差21.铰孔是< C )加工孔地主要方法之一.<A)粗 <B)半精 <C)精 <D)精细22.工件材料相同时,车削温度上升基本相同,其热变形伸长量主要取决于< A ).<A)工件地长度 <B)材料地热膨胀系数 <C)刀具磨损 <D)其他23.用螺纹千分尺可测量外螺纹地< C ).<A)大径 <B)小径 <C)中径 <D)螺距24 . 铰孔精度一般可达< C ).<A)IT4-IT5 (B>IT5-IT6 (C>IT7-IT9 (D>IT9-IT1028.若程序中主轴转速为S1000,当主轴转速修调开关打在80时,主轴实际转速为< A ).(A>800 (B>S8000 (C>S80 (D>S100029.数控车床X轴对刀时,若工件直径车一刀后,测得直径值为20.030mm,应通过面板输入X 值为< A ).(A>X20.030 (B>X-20.030 (C>X10.015 (D>X-10.01530.机床“快动”方式下,机床移动速度F应由< C )确定.(A>程序指定 ( B>面板上进给速度修调按钮 (C>机床系统内定 ( D>都不是二、判断题:<请将判断地结果填入题前地括号中,正确地填“√”,错误地填“×”)( X > 1.机械制图图样上所用地单位为CM.< √)2. 基准轴地上偏差等于零.< √)3. 刀具地耐用度取决于刀具本身地材料.< X )4. 工艺系统刚性差,容易引起振动,应适当增大后角.< √)5.我国动力电路地电压是380V.< X )6. 机床“点动”方式下,机床移动速度F应由程序指定确定.< X )7.退火和回火都可以消除钢地应力,所以在生产中可以通用.< √)8.加工同轴度要求高地轴工件时,用双顶尖地装夹方法.< X )9. YG8刀具牌号中地数字代表含钴量地80%.< √)10. 钢渗碳后,其表面即可获得很高地硬度和耐磨性.< X )11. 不完全定位和欠定位所限制地自由度都少于六个,所以本质上是相同地.( √ >12. 钻削加工时也可能采用无夹紧装置和夹具体地钻模.( X >13. 在机械加工中,采用设计基准作为定位基准称为符合基准统一原则.( √ >14. 一般CNC机床能自动识别EIA和ISO两种代码.( √ >15. 所谓非模态指令指地是在本程序段有效,不能延续到下一段指令..( √ >16. 数控机床重新开机后,一般需先回机床零点..( √ > 17. 加工单件时,为保证较高地形位精度,在一次装夹中完成全部加工为宜.( X >18. 零件地表面粗糙度值越小,越易加工( √ > 19. 刃磨麻花子钻时,如磨得地两主切削刃长度不等,钻出地孔径回大于钻头直径. ( √ > 20. 一般情况下金属地硬度越高,耐磨性越好.( √ >21.装配图上相邻零件是利用剖面线地倾斜方向不同或间距不同来区别地.( √ >22.基准孔地下偏差等于零.(× >23.牌号T4和T7是纯铜.(× >24.耐热性好地材料,其强度和韧性较好.( × >25.前角增大,刀具强度也增大,刀刃也越锋利.( × >26.用大平面定位可以限制工件四个自由度.(× >27.小锥度心轴定心精度高,轴向定位好.( × >28.辅助支承是定位元件中地一个,能限制自由度.( √ >29.万能角度尺只是测量角度地一种角度量具.( √ >C机床坐标系统采用右手直角笛卡儿坐标系,用手指表示时,大拇指代表X轴. (√ >3 1.表达零件内形地方法采用剖视图,剖视图有全剖、半剖、局部剖三种.(√ > 32.?38H8地下偏差等于零.( √ >33.一般情况下,金属地硬度越高,耐磨性越好.( × >34.用高速钢车刀应选择比较大地切削速度.(× >35.从刀具寿命考虑,刃倾角越大越好.(× >36.只要选设计基准作为定位基准就不会产生定位误差.( × >37.车长轴时,中心架是辅助支承,它也限制了工件地自由度.(× >38.辅助支承帮助定位支承定位,起到了限制自由度地作用,能提高工件定位地精确度. (√ >39.游标卡尺可测量内、外尺寸、高度、长度、深度以及齿轮地齿厚.(× >C机床坐标系统采用右手直角笛卡儿坐标系,用手指表示时,大拇指代表Z轴. (× >41.机床电路中,为了起到保护作用,熔断器应装在总开关地前面.( ×>42.带传动主要依靠带地张紧力来传递运动和动力.(√ >43.粗车轴类工件外圆,75o车刀优于90o车刀.(× >44.粗基准因牢固可靠,故可多次使用.(× >45.液压传动不易获得很大地力和转矩.(× >46.在三爪卡盘上装夹大直径工件时,应尽量用正卡盘.(× >147.铰孔时,切削速度越高,工件表面粗糙度越细.(√ >148.普通螺纹内螺纹小径地基本尺寸与外内螺纹小径地基本尺寸相同.(√ >49.多工位机床,可以同时在几个工位中进行加工及装卸工件,所以有很高地劳动生产率. ( × >50.在相同力地作用下,具有较高刚度地工艺系统产生地变形较大.( √ >51. 熔断器是起安全保护装置地一种电器.(× >52.在常用螺旋传动中,传动效率最高地螺纹是梯形螺纹.( × >53.铰孔是精加工地唯一方法.( √ >54.数控机床中当工件编程零点偏置后,编程时就方便多了.(× >55.液压系统适宜远距离传动.(× >56.用硬质合金切断刀切断工件时,不必加注切削液.( √ >157.圆锥地大、小端直径可用圆锥界限量归来测量.(× >58.在丝杠螺距为12mm地车床上,车削螺距为3mm地螺纹要产生乱扣.( × >59..编制工艺规程时,所采用地加工方法及选用地机床,它们地生产率越高越好.( √>60.实际尺寸相同地两副过盈配合件,表面粗糙度小地具有较大地实际过盈量,可取得较大地连接强度.( √ > 61.广泛应用地三视图为主视图、俯视图、左视图.< √)62. 基准孔地下偏差等于零.< √)63. 增大后角可减少摩擦,故精加工时后角应较大.< √)64.螺旋机构可以把回转运动变成直线运动.< √)65.为了保证安全,机床电器地外壳必须接地.< ×)66. 机床“快动”方式下,机床移动速度F应由程序指定确定.< √)67.发生电火灾时,首先必须切断电源,然后救火和立即报警.< √)68.车细长轴时,为减少热变形伸长,应加充分地冷却液.< √)69. 硬质合金焊接式刀具具有结构简单、刚性好地优点.< ×)70. 各种热处理工艺过程都是由加热、保温、冷却三个阶段组成地.< √)71. “一面两销”定位,对一个圆销削边是减少过定位地干涉.( √ >72. 粗基准是粗加工阶段采用地基准.( × >73. 两个短V形块和一个长V形块所限制地自由度是一样地.( √ >74. 直接找正安装一般多用于单件、小批量生产,因此其生产率低.( √ > 75. 定尺寸刀具法是指用具有一定地尺寸精度地刀具来保证工件被加工部位地精度.( √ >76. 工件在夹具中地定位时,欠定位和过定位都是不允许地.( √ > 77. 为了进行自动化生产,零件在加工过程中应采取单一基准.( √ >78. 一般以靠近零线地上偏差<或下偏差)为基本偏差.( × > 79. 公差等级代号数字越大,表示工件地尺寸精度要求越高.( × > 80. 高速钢在强度、韧性等方面均优于硬质合金,故可用于高速切削.。
数控工艺员实操考试练习题(数控车)
一、考试内容
每位考生在规定的时间内,按图纸要求完成工件的加工。
二、具体要求
(1)工件材料:YL12或45钢。
(2)考试时间:每个考生实操考试时间为120分钟。
(3)考场设施:数控车床及所需的刀具、量具、原材料等由考点准备。
(4)考评人员:每台设备配备2名考评教师,负责实操成绩的评定。
(5)各考点可根据考生人数、设备情况,在试题公布后组织考试,最终实操考试的截止日期为理论考试结束后一周内。
实操考试评分标准
考生应在规定时间内(120分钟),完成全部加工操作。
然后在加工零件上粘贴带有考生姓名和准考证号(并在准考证号后加“T”)的标志,由考试点保存备查。
主考老师根据评分表,对考生的实际操作技能进行评分,同时填写评分表。
把评分表,连同理论考卷、上机评分表,一起寄回主考单位。
评分表
考生姓名:准考证号:考试地点:
备注:(1)考试时间为120分钟。
考生超时时间在20分钟之内,可以酌情扣分;超时超过20分钟而未完成全部加工,该考生成绩为不及格。
(2)加工操作期间,如发生影响安全的违规、违章操作,该考生成绩为不及格。
考评教师签名:
年月日
(1)
(2)
(3)
Modern Manufacture Technology Application Software Courses Training
(4)
(5)
(6)
Modern Manufacture Technology Application Software Courses Training
(7)
(8)。
数控车实操基础试题数控车屮级工技能测试题库范杜锥长沙高新技术工程学校1目录数控车中级工技能测试题1 ................................................................. . ............... . 3数控车中级工技能测试题2 ........................................................ . ............... .……6数控车屮级T技能测试题3 ................................................................ . ............... . 9数控车中级工技能测试题4 ...................................................... . ....................... 12数控车中级工技能测试题5 ...................................................... . ....................... 15数控车中级T技能测试题6 ....................................... ・..................................... 18数控车中级工技能测试题7 ......................................................... .. ................... 21数控车中级工技能测试题8 .......................................... . ................... . ・・・.……..24数控车屮级工技能测试题9 ...................... …… .. ........... . ............................... . 27数控车中级工技能测试题10.................................. .…….……... .................. .302数控车中级工技能测试题1一、数控车中级工技能测试题零件图图1数控车中级工技能测试题1零件图二、考核U的⑴熟练掌握数控车车削三角形螺纹的基木方法。
2016年上半年福建省数控车工考试试题本卷共分为1大题50小题,作答时间为180分钟,总分100分,60分及格。
一、单项选择题(共25题,每题2分,每题的备选项中,只有 1 个事最符合题意)1、圆形成形刀的主切削刃必须比圆轮中心__,否则后角为零度。
A.高一些B.等高C.低一些2、蜗杆的全齿高的计算公式为:h=__。
A.2.2mxB.2mC.1.2mxD.mx3、万能角度尺在__范围内,不装角尺和直尺。
A.0°~50°B.50°~140°C.140°~230°D.230°~320°4、()是利用杠杆齿轮传动放大原理制成的。
A.杠杆卡规B.圆度仪C.测力仪D.分度头5、工序较多、加工精度较高的工件应采用__型中心孔。
A.RB.AC.BD.C6、安全离合器的作用是__。
A.互锁B.避免纵、横进给同时接通C.过载保护D.防止“闷车”7、在大量生产中,广泛采用__。
A.专用机床、自动机床和自动生产线B.数控机床和加工中心C.通用机床8、数控车床的控制核心是__。
A.控制介质B.主机C.伺服机构D.CNC装置9、文字符号SQ表示__。
A.常开触头B.常闭触头C.复合触头D.常闭辅助触头10、铰孔不能修正孔的__度误差。
A.圆B.圆柱C.直线11、米制梯形螺纹牙槽底宽W(最大刀头宽)的计算公式是__。
A.W=0.366P-0.536acB.W=0.366PC.W=0.5P12、沿两条或两条以上在__等距分布的螺旋线所形成的螺纹称为多线螺纹。
A.轴向B.法向C.径向D.圆周13、铰刀的柄部是用来装夹和______用的。
A.传递转矩B.传递功率C.传递速度14、麻花钻的横刃斜角一般为______。
A.45°B.55°C.75°15、用一夹一顶装夹工件时,若后顶尖轴线不在车床主轴轴线上,会产生______。
上海2016年车工高级实操考试试题本卷共分为1大题50小题, 作答时间为180分钟, 总分100分, 60分及格。
一、单项选择题(共25 题, 每题 2 分, 每题的备选项中, 只有 1 个事最符合题意)1、CA6140型车床代号中, A表示__。
A.结构特性B.沈阳机床厂制造C.第一次重大改进D.通用特性2、装配基准是__时所采用的一种基准。
A. 定位B. 装配C. 测量D. 工件加工3、CA6140型车床, 其__为400mm。
A.床身最大回转直径B.最大回转直径的折算值C.最大回转直径的1/10D. 车床中心高4、当车床刀架移动到工作区极限时, 压住__开关, 刀架运动停止, 控制机出现超程报警信息, 机床不能工作。
A.控制B.状态C.限位D.超程5、车削曲轴时, 若顶尖孔位置不正确, 会造成__不符合图样要求。
A.表面质量B.轴颈尺寸C.曲柄颈夹角D. 轴颈间的同轴度6、按照通用性程度来划分夹具种类, __不属于这一概念范畴。
A.通用夹具B.专用夹具C.组合夹具D.气动夹具7、螺纹的底径是指__。
A. 内螺纹大径B. 外螺纹大径C. 外螺纹中径D. 内螺纹小径8、遵守法律法规不要求__。
A. 遵守国家法律和政策B. 遵守安全操作规程C. 加强劳动协作D. 遵守操作程序9、当__时, 应选用较大的后角。
A.用硬质合金车刀B.车脆性材料C.车刀材料强度差D. 车塑性材料10、M98指令功能代码是调用子程序, 即将主程序转至__程序。
A.相应B.段C.宏D.子11、螺纹标记B80×10表示公称直径d为80mm, 螺距P为10mm的__螺纹。
A.梯形B.矩形C.锯齿形12、车床的精度主要是指车床的__和工作精度。
A. 尺寸精度B. 形状精度C. 几何精度D. 位置精度13、单件或数量较少, 加工精度要求不高的成形面工件, 可采用__进行车削。
A.成形刀B.双手控制法C.靠模14、偏心轴的结构特点是两轴线平行而__。
甘肃省2016年下半年数控初级车工理论考试试卷本卷共分为1大题50小题,作答时间为180分钟,总分100分,60分及格。
一、单项选择题(共25题,每题2分,每题的备选项中,只有 1 个事最符合题意)1、尺寸链中除__环以外的各个环称为组成环。
A.增B.封闭C.减D.开2、刀具两次重磨之间纯切削时间的总和称为__。
A.使用时间B.机动时间C.刀具磨损限度D.刀具寿命3、轴类零件的毛坯形式中,一般的轴类零件常采用__毛坯。
A.锻件B.球墨铸铁C.冷拉圆棒料D.焊接件4、高速切削塑性金属材料时,若没有采取适当的断屑措施,则形成__切屑。
A.挤裂B.崩碎C.带状D.螺旋5、铰刀铰孔的精度一般可达到__。
A.IT7~IT9B.IT11~IT12C.IT4~IT56、假想用剖切面剖开机件,将处在观察者和剖切面之间的部分移去,而将其余部分向投影面投影所得到的图形,称为__。
A.剖视图B.断面图C.局部剖视图D.移出剖视图7、立式车床上的工件找正,是指使______与工作台旋转中心相重合。
A.刀尖位置B.刀架中心C.工件中心8、外圆粗车刀应选择__的车刀。
A.断屑槽深些、窄些B.具有较大后角C.具有较大前角D.磨过渡刃9、深孔加工的关键技术是______。
A.深孔钻的几何形状和冷却,排屑问题B.刀具在内部切削、无法观察C.刀具细长、刚性差、磨损快10、精车外圆后检验圆柱度误差以试件在______内最大与最小直径之差计算。
A.同一横剖面B.任意水平剖面C.任意轴向剖面11、在生产过程中,产品质量必然是__的。
A.提高B.波动C.稳定D.变化12、使用双面游标卡尺测量孔径,读数值应加上两量爪的()。
A.长度B.宽度C.厚度D.高度13、采用小锥度心轴定位的优点是靠楔紧产生的______带动工件旋转。
A.涨紧力B.摩擦力C.离心力14、__的基准称为定位基准。
A.设计中给定B.加工中用作定位C.以毛坯表面定位D.以已加工表面定位15、开合螺母的燕尾导轨间隙一般应__mm。