机械设计课程设计二级减速器
- 格式:doc
- 大小:1020.00 KB
- 文档页数:32
机械课程设计~二级减速器11. 引言二级减速器是机械系统中非常重要的组成部分,它可以将高速旋转的输入轴转换为低速高扭矩的输出轴。
在本文档中,我们将设计一个二级减速器,以满足特定的性能要求和应用需求。
2. 设计目标我们的二级减速器设计的目标是实现以下要求:•输入轴旋转速度:1000 RPM•输出轴旋转速度:60 RPM•输入功率:10 kW•输出扭矩:2000 Nm•效率:大于90%3. 设计流程3.1. 确定传动方式根据设计目标,我们可以选择适合的传动方式。
在这种情况下,我们可以选择齿轮传动作为二级减速器的传动方式。
齿轮传动具有高效率、可靠性和良好的承载能力。
3.2. 计算减速比根据输入和输出轴的旋转速度,我们可以计算减速比。
减速比可以通过下面的公式计算:减速比 = 输入轴旋转速度 / 输出轴旋转速度在这种情况下,减速比为:减速比 = 1000 / 60 = 16.673.3. 选择齿轮模数齿轮模数(Module)是指齿轮齿数与齿轮的直径比值。
在确定减速比和输入轴旋转速度后,我们可以选择适当的齿轮模数,以满足设计要求。
通常情况下,我们可以通过经验法则来选择合适的齿轮模数。
3.4. 计算输入轴和输出轴的齿轮齿数根据减速比和齿轮模数,我们可以计算输入轴和输出轴的齿轮齿数。
通过下面的公式可以计算齿轮齿数:输入轴齿轮齿数 = 输入轴旋转速度 / 齿轮模数输出轴齿轮齿数 = 输出轴旋转速度 / 齿轮模数在这个例子中,输入轴齿轮齿数为:输入轴齿轮齿数 = 1000 / 齿轮模数输出轴齿轮齿数为:输出轴齿轮齿数 = 60 / 齿轮模数3.5. 确定齿轮材料和尺寸根据输入功率和输出扭矩,我们可以选择合适的齿轮材料和尺寸,以确保齿轮具有足够的强度和耐久性。
3.6. 计算二级减速器的效率计算减速器的效率是非常重要的,因为它直接影响到机械系统的能量转换效率。
可以使用下面的公式来计算减速器的效率:效率 = (输出功率 / 输入功率) * 100%在这种情况下,输出功率为:输出功率 = 输出扭矩 * 输出轴旋转速度 * 2π / 603.7. 进行减速器的实际设计根据上述计算结果和设计要求,我们可以进行减速器的实际设计,并考虑到材料选择、尺寸确定、装配方式等方面的问题。
一、设计题目:二级直齿圆柱齿轮减速器1. 要求:拟定传动关系:由电动机、V 带、减速器、联轴器、工作机构成。
2. 工作条件:双班工作,有轻微振动,小批量生产,单向传动,使用5年,运输带允许误差5%。
3. 知条件:运输带卷筒转速49r/min , 减速箱输出轴功率p=3.25马力, 二、 传动装置总体设计:1. 组成:传动装置由电机、减速器、工作机组成。
2. 特点:齿轮相对于轴承不对称分布,故沿轴向载荷分布不均匀,要求轴有较大的刚度。
3. 确定传动方案:考虑到电机转速高,传动功率大,将V 带设置在高速级。
其传动方案如下:η2η3η5η4η1I IIIIIIVPdPw三、 选择电机1. 计算电机所需功率dP : 查手册第3页表1-7:1η-带传动效率:0.952η-每对轴承传动效率:0.99 3η-圆柱齿轮的传动效率:0.984η-联轴器的传动效率:0.993 5η—卷筒的传动效率:0.96说明:η-电机至工作机之间的传动装置的总效率:4212345ηηηηηη=∙∙∙∙=0.829 45w P P ηη=⨯⨯ P电=2.8826362确定电机转速:查指导书第7页表1:取V 带传动比i=2-4二级圆柱齿轮减速器传动比i=840所以电动机转速的可选范围是: N 电=N 卷筒*i 总=37*(2-4)*(8-40)=592-5920r/min 符合这一范围的转速有:750、1000、1500、3000根据电动机所需功率和转速查手册第155页表12-1有4种适用的电动机型号,因此有4种传动比方案如下:方案 电动机型号额定功率同步转速r/min 额定转速r/min重量 总传动比1 Y112M-2 4KW 3000 2890 45Kg 78.10 2 Y112M-44KW1500 1440 43Kg 38.91 3 Y132M1-6 4KW 1000 960 73Kg 25.94 4Y160M1-8 4KW750720118K 19.45g综合考虑电动机和传动装置的尺寸、重量、和带传动、减速器的传动比,可见第3种方案比较合适,因此选用电动机型号为Y112M-4.四 确定传动装置的总传动比和分配传动比:总传动比:i 总=N 电/N 卷筒=1440/49=29.18 分配传动比:取i 带=3.2 则i 减=i 总/i 带=9.11 取i 1=1.45i 2经计算i 1齿=3.644,i 2齿=2.5注:i 带为带轮传动比,1i 为高速级传动比,2i 为低速级传动比。
机械设计课程设计二级减速器一、教学目标本节课的教学目标是使学生掌握二级减速器的基本设计原理和方法,能够运用所学的知识进行简单的减速器设计。
具体目标如下:1.知识目标:(1)了解二级减速器的结构和工作原理;(2)掌握减速器的设计方法和步骤;(3)熟悉减速器设计中常用的标准和规范。
2.技能目标:(1)能够运用CAD软件进行减速器零件的绘制;(2)能够根据设计要求,计算并选择合适的齿轮模数、齿数等参数;(3)能够完成一级减速器的设计计算和图纸绘制。
3.情感态度价值观目标:(1)培养学生的团队合作意识和能力;(2)激发学生对机械设计的兴趣和热情;(3)培养学生的创新精神和实践能力。
二、教学内容本节课的教学内容主要包括以下几个部分:1.二级减速器的结构和工作原理;2.减速器的设计方法和步骤;3.减速器设计中常用的标准和规范;4.CAD软件在减速器设计中的应用;5.减速器设计实践操作。
三、教学方法为了达到本节课的教学目标,将采用以下几种教学方法:1.讲授法:通过讲解二级减速器的结构、工作原理、设计方法和步骤等基本知识,使学生掌握基本概念和理论。
2.案例分析法:通过分析具体的减速器设计案例,使学生了解减速器设计的过程和注意事项。
3.实验法:安排学生进行减速器设计实验,让学生动手实践,巩固所学知识。
4.讨论法:学生进行小组讨论,培养学生的团队合作意识和能力。
四、教学资源为了保证本节课的教学质量,将准备以下教学资源:1.教材:《机械设计基础》;2.参考书:相关减速器设计手册和论文;3.多媒体资料:减速器设计原理和步骤的PPT;4.实验设备:计算机、CAD软件、减速器设计实验器材。
以上教学资源将有助于实现本节课的教学目标,提高学生的学习效果。
五、教学评估本节课的评估方式将包括以下几个方面:1.平时表现:通过观察学生在课堂上的参与程度、提问回答、小组讨论等表现,评估学生的学习态度和积极性。
2.作业:布置相关的减速器设计作业,要求学生在规定时间内完成,通过评估作业的质量来评估学生的理解和掌握程度。
机械设计课程设计---二级减速器链传动1传动简图的拟定1.1技术参数:输送链的牵引力: 9 kN ,输送链的速度:0.35 m/s,链轮的节圆直径:370 mm。
1.2 工作条件:连续单向运转,工作时有轻微振动,使用期10年(每年300个工作日,小批量生产,两班制工作,输送机工作轴转速允许误差±5%。
链板式输送机的传动效率为95%。
1.3拟定传动方案传动装置由电动机,减速器,工作机等组成。
减速器为二级圆锥圆柱齿轮减速器。
外传动为链传动。
方案简图如图。
方案图2 电动机的选择2.1 电动机的类型:三相交流异步电动机(Y 系列) 2.2 功率的确定2.2.1 工作机所需功率w P (kw):w P =w w v F /(1000w η)=7000×0.4/(1000×0.95)= 3.316kw2.2.2 电动机至工作机的总效率η:η=1η×32η×3η×4η×5η×6η=0.99×399.0×0.97×0.98×0.96×0.96=0.841(1η为联轴器的效率,2η为轴承的效率,3η为圆锥齿轮传动的效率,4η为圆柱齿轮的传动效率,5η为链传动的效率,6η为卷筒的传动效率) 2.2.3 所需电动机的功率d P (kw): d P =w P /η=3.316Kw/0.841=3.943kw 2.2.4电动机额定功率:d m P P ≥2.4 确定电动机的型号因同步转速的电动机磁极多的,尺寸小,质量大,价格高,但可使传动比和机构尺寸减小,其中m P =4kN ,符合要求,但传动机构电动机容易制造且体积小。
由此选择电动机型号:Y112M —4 电动机额定功率m P =4kN,满载转速=1440r/min工作机转速筒n =60*V/(π*d)=18.0754r/min电动机型号 额定功率 (kw) 满载转速 (r/min) 起动转矩/额定转矩 最大转矩/额定转矩Y112M1-4414402.22.3选取B3安装方式caP=AKzK3P=1.0×2.5×3.61=9.025kW5.3 选择链条型号和节距根据caP9.025kW和主动链轮转速3n=95.681(r/min),由图9-11得链条型号为24A,由表9-1查得节距p=38.1mm。
机械设计课程设计二级减速器设计说明书一、设计任务设计一个二级减速器,用于将电动机的高转速降低到所需的工作转速。
减速器的技术参数如下:输入轴转速:1400rpm输出轴转速:300rpm减速比:4.67工作条件:连续工作,轻载,室内使用。
二、设计说明书1.总体结构二级减速器主要由输入轴、两个中间轴、两个齿轮、输出轴和箱体等组成。
输入轴通过两个中间轴上的齿轮与输出轴上的齿轮相啮合,从而实现减速。
2.零件设计(1)齿轮设计根据减速比和转速要求,计算出齿轮的模数、齿数、压力角等参数。
选择合适的齿轮材料和热处理方式,保证齿轮的强度和使用寿命。
同时,要进行轮齿接触疲劳强度和弯曲疲劳强度的校核。
(2)轴的设计根据齿轮和轴承的类型、尺寸,计算出轴的直径和长度。
采用适当的支撑方式和轴承类型,保证轴的刚度和稳定性。
同时,要进行轴的疲劳强度校核。
(3)箱体的设计箱体是减速器的支撑和固定部件,应具有足够的强度和刚度。
根据减速器的尺寸和安装要求,设计出合适的箱体结构。
同时,要考虑到箱体的散热性能和重量等因素。
3.装配图设计根据零件设计结果,绘制出减速器的装配图。
装配图应包括所有零件的尺寸、配合关系、安装要求等详细信息。
同时,要考虑到维护和修理的方便性。
4.设计总结本设计说明书详细介绍了二级减速器的设计过程,包括总体结构、零件设计和装配图设计等部分。
整个设计过程严格遵循了机械设计的基本原理和规范,保证了减速器的性能和使用寿命。
通过本课程设计,提高了机械设计能力、工程实践能力和创新思维能力。
计 算 及 说 明结 果第一章 电动机的选择及功率的计算1电动机的选择(1)选择电动机的类型按工作要求选用Y 系列三相异步电动机,鼠笼式结构。
电源的电压为380V 。
(2)选择电动机功率根据已知条件,工作机所需要的有效功率为:6200 1.559.6110001000W FV P kw kw ⨯=== 其中 F: 运输带工作拉力V: 运输带工作速度电动机所需要的功率d P 为: wd p P η=式中η为传动系统的总功率:123ηηηηηη=带齿轮齿轮联轴器滚子轴承由[1]表2-5确定各部分效率为:轴承传动效率0.99η=球轴承,0.97η=高齿1,0.97η=低齿工作机传动效率0.97η=滚筒,联轴器效率,V 带效率0.96η=带代入上式得:0.868η= 电动机所需要的功率为:96111910868η===...wd p P kw kw9.61w P kw =0.868η=3.57d P kw =0.99η=联轴器计 算 及 说 明结 果因载有轻微振动,电动机额定功率ed P 应该大于d P .选电动机功率ed P 为15kw.(3)确定电动机转速 卷筒轴工作转速:601000601000 1.5563.02min min 470w V rr n D ππ⨯⨯⨯⨯===⨯⨯ 选取电动机型号为Y160L-4,其主要参数见表1: 额定功率/kw满载转速/r/m同步转速/r/m1514601500第二章 传动比的分配及参数的计算1.总传动比146023.1763.02m a n i n ω=== 2.分配传动装置各级传动比2=D i 231711592===减..a D i i i 因为选用同轴式减速器,高速级和低速级传动比相等, 所以 121159340====减..i i i得出 高速级传动比:1340=.i低速级传动比: 2340=.i102.37/min w n r =23.17a i =1340=.i 2340=.i计 算 及 说 明结 果3.传动装置的运动和动力参数计算传动系统各轴的转速,功率和转矩计算如下: (1) Ⅰ轴(高速轴)/730/min D m n n i r I ==1150961440η==⨯=带..ed p p kw kw1111449550955018838730==⨯=...p T N m n (2) Ⅱ轴(中间轴)1730214.71/min 3.40n n r i I ∏=== 1440990971383ηη∏I ==⨯⨯=1轴轴承高齿轮....p p kw 32138395509550106151421471∏∏==⨯⨯=⋅...p T N m n (3) Ⅲ轴(低速轴)2214.7163.15/min 3.40III III n n r i ===13830990971328ηη∏==⨯⨯=2轴轴承低齿轮....III p p kw 1328955095502008306315==⨯=⋅...III III III p T N m n 将上述计算结果列表2-1中,以供查询1730=/min n r 1144=.p kw118838=⋅.T N m21471∏=./min n r 1383∏=.P kw 61514∏=⋅.T N m6315=./min III n r 1328=.III p kw200830=⋅.III T N m计 算 及 说 明结 果传动系统的运动和动力参数参数 Ⅰ轴(高速轴)Ⅱ轴(中间轴) Ⅲ轴(低速轴) 转速 n r/min 730 214.71 63.15 功率 P (kw) 14.4 13.83 13.28 转矩 T (N.m) 188.38 615.142008.30 传动比i3.403.40---第三章 V 带传动设计1.确定计算功率ca P15ed P kw =,1460/min m n r =,查《机械设计》表8-8得工作情况系数K A =1.3,则 1.31519.5ca P kw =⨯=。
二级减速器课程设计完整版一、课程背景在机械设计领域中,减速器是一种常见的机械传动装置,用于调节机械设备的输出转速,实现输出力矩的放大或减小。
二级减速器作为减速器的一种,具有结构复杂、传动效率高等特点,广泛应用于各种工业领域。
因此,对于二级减速器的设计原理和结构特点有着重要的研究意义。
本课程将详细介绍二级减速器的设计原理和计算方法,帮助学习者深入了解二级减速器的工作原理和设计过程。
二、课程内容1. 二级减速器的分类和工作原理- 正斜齿轮传动、斜齿轮传动和蜗杆传动的特点和适用范围- 二级减速器的传动比计算方法和选择原则2. 二级减速器的结构设计- 二级减速器的零部件设计要点和特点- 主要零部件的材料选择和加工工艺3. 二级减速器的热处理和装配- 热处理对二级减速器性能的影响和作用- 二级减速器的装配步骤和注意事项4. 二级减速器的性能测试和调试- 对二级减速器进行性能测试的方法和工具- 二级减速器的调试原则和步骤三、课程目标通过本课程的学习,学生将能够掌握二级减速器的设计原理和计算方法,了解二级减速器的结构特点和制造工艺,具备二级减速器的设计和调试能力。
同时,通过实际操作和案例分析,提高学生对于机械设计的实践能力和解决问题的能力,为将来从事机械设计相关工作打下坚实的基础。
四、课程教学安排- 第一阶段:介绍二级减速器的分类和工作原理,包括传动比的计算和选择方法。
学生需要通过课堂理论学习和案例分析,掌握相关理论知识。
- 第二阶段:实践操作,包括二级减速器结构设计、材料选择和加工工艺的实际操作。
学生将根据教师指导,完成二级减速器零部件的设计和制作。
- 第三阶段:实验室测试和调试,学生将在实验室进行二级减速器的性能测试和调试操作。
通过实验数据的分析和处理,学生将掌握二级减速器的调试原则和方法。
五、课程评估本课程的评估方式将采用学习报告、设计作业和实验成绩相结合的方式。
学生需要完成相关的作业和实验报告,通过对课程内容的掌握和实践操作的表现,来评估学生的学习效果和能力提升情况。
二级减速器课程设计完整版一、课程背景随着工业的不断发展,减速器在机械传动领域起着至关重要的作用。
二级减速器作为一种常见的传动装置,广泛应用于各个行业的机械设备中。
二级减速器的设计和制造需要具备一定的理论知识和实践经验。
因此,为了培养相关专业人才,学校开设了二级减速器课程,旨在帮助学生掌握二级减速器的设计原理和制造技术。
二、课程目标1. 培养学生对二级减速器设计原理的理解和掌握能力。
2. 培养学生运用相关软件进行二级减速器设计和仿真的能力。
3. 培养学生熟悉常用材料和工艺的选择,掌握二级减速器的制造技术。
4. 培养学生团队合作和解决实际问题的能力。
三、课程内容1. 二级减速器的基本原理1.1 减速器的分类及应用领域1.2 二级减速器的工作原理和传动方式1.3 二级减速器的结构组成和主要零件2. 减速器设计与分析软件的使用2.1 减速器设计软件的介绍及安装2.2 根据给定参数进行减速器设计和仿真2.3 分析并优化减速器的性能指标3. 二级减速器的设计流程3.1 选定减速器的传动比和功率需求3.2 计算减速器齿轮的模数、齿数和齿轮轴的尺寸 3.3 进行齿轮的强度和刚度校核3.4 使用软件进行减速器的装配和运动分析4. 减速器的材料和工艺选择4.1 常用材料的特点和适用范围4.2 减速器的制造工艺及加工方法4.3 选材和工艺对减速器性能的影响分析5. 实际案例分析和设计项目实践5.1 分析减速器在不同行业的应用案例5.2 分组进行二级减速器的设计项目实践5.3 提交设计报告和进行项目答辩四、教学方法1. 理论授课:通过课堂讲授,向学生介绍二级减速器的基本概念、原理和设计方法。
2. 实验实践:学生在实验室内进行减速器设计和仿真,掌握软件的使用和实际操作。
3. 案例分析:通过分析实际案例,引导学生了解减速器的应用领域和具体设计要求。
4. 项目实践:学生分组进行二级减速器的设计项目实践,培养他们的团队合作和解决问题的能力。
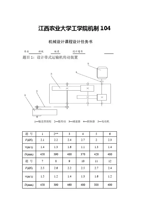
江西农业大学工学院机制104机械设计课程设计任务书专业班级姓名设计题号题目1: 设计带式运输机传动装置1—输送带鼓轮2—链传动3—减速器4—联轴器5—电动机题号 1 2** 3 4 5 6 F(kN) 2.1 2.2 2.4 2.7 2 2.3 v(m/s) 1.4 1.3 1.6 1.1 1.3 1.4 D(mm)450 390 480 370 420 480 题号7 8 9 10 11 12 F(kN) 2.5 2.6 2.2 2.5 2.7 2.4 v(m/s) 1.5 1.2 1.4 1.3 1.6 1.2 D(mm)450 390 460 400 500 400表中: F—输送带的牵引力 V—输送带速度D—鼓轮直径注: 1.带式输送机用以运送谷物、型砂、碎矿石、煤等。
2.输送机运转方向不变, 工作载荷稳定。
3.输送带鼓轮的传动效率取为0.97。
一、4、输送机每天工作16小时, 寿命为10年。
二、设计工作量:三、编写设计计算说明书1份。
二、绘制减速器装配图1张(1号图纸)。
三、绘制减速器低速轴上齿轮零件图1张(3号图纸)。
四、绘制减速器低速轴零件图1张(3号图纸)。
目录1.设计目的 (2)2.设计方案 (3)3.电机选择 (5)4.装置运动动力参数计算 (7)5.带传动设计 (9)6.齿轮设计 (18)7.轴类零件设计 (28)8.轴承的寿命计算 (31)9.键连接的校核 (32)10.润滑及密封类型选择 (33)11.减速器附件设计 (33)12.心得体会 (34)13.参考文献 (35)1.设计目的机械设计课程是培养学生具有机械设计能力的技术基础课。
课程设计则是机械设计课程的实践性教学环节, 同时也是高等工科院校大多数专业学生第一次全面的设计能力训练, 其目的是:(1)通过课程设计实践, 树立正确的设计思想, 增强创新意识, 培养综合运用机械设计课程和其他先修课程的理论与实际知识去分析和解决机械设计问题的能力。
机械课程设计二级减速器一、教学目标本节课的学习目标包括知识目标、技能目标和情感态度价值观目标。
知识目标要求学生掌握二级减速器的基本原理、结构组成及其设计计算方法。
技能目标要求学生能够独立完成二级减速器的组装和调试,并具备简单的故障排查能力。
情感态度价值观目标培养学生对机械制造行业的兴趣和热情,提高学生的问题解决能力和团队合作意识。
教学目标的具体化需要结合课程性质、学生特点和教学要求。
课程性质为实践性课程,注重学生的动手能力和创新思维。
学生特点为具有一定的机械基础知识,但实践经验不足。
教学要求为理论与实践相结合,注重学生的综合素质培养。
将目标分解为具体的学习成果,以便后续的教学设计和评估。
二、教学内容教学内容的选择和以确保科学性和系统性。
详细的教学大纲如下:1.二级减速器的基本原理介绍二级减速器的工作原理,包括齿轮传动的基本概念和传动比计算方法。
2.二级减速器的结构组成讲解二级减速器的各个组成部分,如齿轮、轴、轴承、减速器壳体等,并分析其作用和相互关系。
3.二级减速器的设计计算教授二级减速器的设计计算方法,包括齿轮尺寸计算、强度计算、接触强度计算等。
4.二级减速器的组装与调试指导学生进行二级减速器的组装和调试,强调操作规范和安全注意事项。
5.二级减速器的故障排查与维护教授学生如何进行二级减速器的故障排查和维护,提高学生的实际操作能力。
教学内容的安排和进度将根据学生的学习情况和教学资源进行调整,确保教学内容的连贯性和完整性。
三、教学方法为了激发学生的学习兴趣和主动性,将采用多种教学方法。
包括:1.讲授法:讲解二级减速器的基本原理、结构组成和设计计算方法。
2.讨论法:学生进行小组讨论,分享学习心得和经验,提高学生的沟通能力。
3.案例分析法:分析实际案例,让学生了解二级减速器在工程中的应用和解决方案。
4.实验法:指导学生进行二级减速器的组装和调试实验,培养学生的动手能力和实验技能。
教学方法的多样化有助于提高学生的学习效果,培养学生的综合素质。
机械设计课程设计二级减速器1. 简介二级减速器是一种常见的机械传动装置,通过一系列的齿轮传递转矩和降低转速。
它主要由两对齿轮组成,其中一对为驱动齿轮,另一对为从动齿轮。
本文将介绍机械设计课程中关于二级减速器的设计过程。
2. 设计过程2.1 确定传动比在设计二级减速器之前,我们首先需要确定所需的传动比。
传动比决定了驱动齿轮和从动齿轮的直径比例。
传动比的选择通常基于所需的转速和转矩输出。
2.2 选取齿轮材料齿轮材料的选择非常重要,它直接影响到减速器的寿命和性能。
常用的齿轮材料有钢、铸铁和铜合金。
在选择齿轮材料时需要考虑其机械性能、耐磨性和成本等因素。
2.3 计算齿轮参数根据所需的传动比和输入齿轮的参数,可以计算出从动齿轮的参数,包括模数、齿数、齿宽等。
通过计算可以得到合适的齿轮尺寸,以满足转矩和转速要求。
2.4 齿形设计齿形设计是二级减速器设计过程中的关键环节。
它确定了齿轮的齿形和齿廓参数,直接影响到齿轮的传动效率和噪音产生。
常用的齿形有圆弧齿、直齿和斜齿等。
在齿形设计中,需要考虑到齿轮的强度和对齿轮的加工要求。
2.5 强度计算强度计算是确保减速器在工作过程中不发生断裂或损坏的重要步骤。
在强度计算中,需要考虑到齿轮的转矩、齿宽、弯曲应力和接触应力等参数,以确定齿轮的强度是否足够。
2.6 附件设计除了齿轮外,二级减速器还需要相应的轴、轴承和润滑系统等附件。
轴的设计需要考虑到其强度和刚度,轴承的选择需要满足齿轮的转速和负载要求,润滑系统的设计需要确保齿轮运转平稳和寿命长。
3. 结论通过以上的设计过程,我们可以得到一套满足转矩和转速要求的二级减速器设计。
在实际应用中,还需要进行加工制造、装配和调试等工序,以确保减速器的正常运行。
机械设计课程中的二级减速器设计是一个综合应用多学科知识的过程,需要综合考虑力学、材料和制造等方面的知识。
机械课程设计二级减速器一、课程目标知识目标:1. 让学生掌握二级减速器的结构原理,理解其工作过程及在各领域中的应用。
2. 使学生了解并掌握减速器设计中涉及的计算方法,如齿轮传动、轴承寿命等。
3. 帮助学生掌握机械设计的基本流程,包括设计要求分析、方案设计、计算校核等。
技能目标:1. 培养学生运用CAD软件进行二级减速器零部件的绘制和装配能力。
2. 培养学生运用相关计算公式和软件进行二级减速器参数计算和校核的能力。
3. 提高学生实际操作能力,能够根据设计要求完成二级减速器的组装和调试。
情感态度价值观目标:1. 激发学生对机械设计的兴趣,培养其创新意识和实践能力。
2. 培养学生严谨的科学态度和团队协作精神,使其在设计和制作过程中体验到合作与分享的快乐。
3. 增强学生的环保意识,使其在设计过程中注重节能和可持续发展。
课程性质:本课程为机械设计实践课程,结合理论知识,注重培养学生的实际操作能力和创新能力。
学生特点:学生已具备一定的机械基础知识,具有较强的求知欲和动手能力,但缺乏实际设计经验。
教学要求:教师应结合学生特点,采用任务驱动、分组合作等教学方法,引导学生主动参与,注重理论与实践相结合,提高学生的综合能力。
通过本课程的学习,使学生能够将理论知识应用于实际工程设计中,达到学以致用的目的。
二、教学内容1. 理论知识:- 二级减速器的基本结构、原理及其应用领域。
- 齿轮传动原理,齿轮参数的计算与选择。
- 轴承类型及选用,轴承寿命计算。
- 减速器设计中涉及的力学知识,如强度计算、刚度计算等。
2. 实践操作:- 利用CAD软件进行二级减速器零部件的绘制、装配。
- 根据设计要求,进行二级减速器的参数计算和校核。
- 二级减速器的组装、调试及性能测试。
3. 教学大纲:- 第一周:二级减速器基本结构、原理学习,了解其应用领域。
- 第二周:齿轮传动原理学习,进行齿轮参数计算与选择。
- 第三周:轴承类型及选用,轴承寿命计算方法学习。
二、电动机的选择:(1)电动机型号的选择:根据电动机转速P 电=5.5kw ,传动不逆转,则同步转速n=1500rpm;选择电动机型号Y132S-4,P 额=7.5KW ,满载电流I=11.6A ,效率η=85.5%,功率因数cos φ=0.84;堵转电流/额定电流=7.0A;堵转转矩/额定转矩=2.2;最大转矩/额定转矩=2.2(2)电动机主要外形和安装尺寸如下: 三、确定传动装置的总传动比和分配传动比1. 确定总传动比:4286.2735960===总电总n n i 电n 为电动机满载转速;总n 为盘磨机主轴转速;总i 为传动装置总传动比2.分配传动比:锥总i i i i ⋅⋅=21;21i i 分别为两对斜齿轮的传动比;3~2=锥i ,取5.2=锥i ,则有97.105.24286.2721===⋅锥总i i i i21)3.1~2.1(i i = 63.31=∴i 02.32=i四、计算传动装置的运动和动力参数为进行传动件的设计计算,要推算出各轴的转速和转矩(或功率),如将传动装置各轴由高速至低速依次定为1轴、2轴……同时每对轴承的传动效率η1=0.99 圆柱齿轮的传动效率η2=0.96 联轴器的传动效率η3=0.99 圆锥齿轮的传动效率η4=0.95则可按电动机到工作机运动传递路线推算,得到各轴的运动和动力参数。
1.计算各轴转速:m in /9601r n n m == m in /9602r n n m ==min /46.26463.3960123r i n n ===min /57.8702.346.264234r i n n ===min /57.8745r n n == min /03.355.257.8756r i n n ===锥 m n 为电动机满载转速;654321n n n n n n 分别为轴1至轴6的转速;2.各轴输入功率:kw P P d 5.51==kw P P d 39.599.099.05.5122=⨯⨯=⋅=η 3112ηηη⨯= kw P P 12.596.099.039.52323=⨯⨯=⋅=η 2123ηηη⨯= kw P P 87.496.099.012.53434=⨯⨯=⋅=η 2134ηηη⨯= kw P P 77.499.099.087.44545=⨯⨯=⋅=η 3145ηηη⨯= kw P P 49.495.099.077.45656=⨯⨯=⋅=η 4156ηηη⨯=5645342312ηηηηη分别为相邻两轴间的传动效率 3.各轴输出功率:kw P P d 5.5'1==kw P P 34.599.039.512'2=⨯=⋅=η kw P P 76.299.079.213'3=⨯=⋅=ηkw P P 82.499.087.414'4=⨯=⋅=η kw P P 72.499.077.415'5=⨯=⋅=η kw P P 45.499.049.416'6=⨯=⋅=η4.各轴输入转矩:m N n P T d ⋅=⨯=⨯=71.549605.595509550电电m N T T d ⋅==71.541m N T T ⋅=⨯⨯=⋅=62.5399.099.071.541212ηm N i T T ⋅=⨯⨯⨯=⋅⋅=99.18496.099.063.362.5323123η m N i T T ⋅=⨯⨯⨯=⋅⋅=96.53096.099.002.399.18434234η m N T T ⋅=⨯⨯=⋅=39.52099.099.096.5304545η m N i T T ⋅=⨯⨯⨯=⋅⋅=57.122395.099.05.239.5205656η锥5.各轴输出转矩:m N T T d ⋅==71.54'1m N T T ⋅=⨯=⋅=08.5399.062.5312'2η m N T T ⋅=⨯=⋅=14.18399.099.18413'3ηm N T T ⋅=⨯=⋅=65.52599.096.53014'4η m N T T ⋅=⨯=⋅=19.51599.039.52015'5η m N T T ⋅=⨯=⋅=33.121199.057.122316'6η根据上述运算过程,运动和动力参数计算结果整理于下表:五、传动零件的设计计算1.高速齿轮的计算注:参考资料未标表示机械设计第八版,机原为机械原理表1 高速级圆柱斜齿轮1传动参数表2.低速齿轮的计算表2 低速级圆柱斜齿轮传动参数表3.锥齿轮的计算注:课设-机械设计课程设计指导书表3锥齿轮传动参数表六、轴的计算计算及说明结果1.轴的初选:材料45钢 []55~35=t τ 97~1120=Amm n P A d n 7.7719605.391003302==≥ 66.1805.117.77=⨯ mm n P A d 26.8564.4625.12100333303==≥ 19.2805.126.85=⨯ mm n P A d 38.1787.574.87100334404==≥ 4005.138.17=⨯ mm n P A d 37.9187.574.77100335505==≥ mm n P A d 50.4235.034.49100336606==≥ 对于直径100mm d ≤的轴,轴径增大5%至7%2.轴的校核P362表15-1P370表15-3 P371 P371材力第3章切向力N d T F t 87.394674.931099.18422333=⨯⨯==P231七、键联接的选择和计算1.键的选择键2 10 8 0.4-0.6 42 0.063 5.0 3.3 0.25-0.4键3 10 8 0.4-0.6 62 0.063 5.0 3.3 键41490.4-0.6700.1555.03.32.键的校核:计算及说明结果低速轴上键4的校核:[]MPa p 120~100=σ[]p p dkl T σσ<=⨯⨯⨯==6.856245096.5302000200082==hk机械手册P581表7-3机械手册P580八、滚动轴承的选择和计算1.轴承的选择序号轴承代号基本尺寸基本额定负荷KN 极限转速 安装尺寸 质量 dDBCC脂润滑 r dDrkg1 7305AC 25 62 17 21.5 15.8 9500 19.1 32 55 1 0.23 2 7306AC 30 72 19 25.2 18.5 8500 31.1 37 65 1 0.35 3 7310AC 50 110 27 55.5 44.556003360 100 2 1.32计算及说明结果2.轴承的校核 查表可知,68.0=e派生轴向力N F V d 34.120944.177868.068.0F 11=⨯==N F V d 126.19595.28668.068.0F 22=⨯==34.1209116.1297126.19599.110112=>=+=+d d a F F F左边为放松边,右边为压紧边N F F F d a a 116.1297126.19599.110121=+=+=P322表13-7N F F d a 126.19522==e F F V a >==73.044.1778116.129711,则41.01=X ,87.01=Y e F F V a ===68.095.286126.19522,则12=X ,02=Y 轴承受轻微冲击,则载荷系数2.1=p fNF F f P a V p 18.2229)116.129787.044.177841.0(2.1)(11111=⨯+⨯⨯=Y +X =N F F f P a V p 34.344)95.2861(2.1)(22222=⨯⨯=Y +X =左轴承h P C n L h 636161094.218.22295550057.8760106010⨯=⎪⎭⎫ ⎝⎛⨯=⎪⎪⎭⎫ ⎝⎛⨯=ε左h h L L >左 ,符合要求。
二级减速器课程设计完整版一、课程设计的目的二级减速器课程设计是机械设计课程中的重要实践环节,其目的在于通过对二级减速器的设计,让我们更深入地理解机械传动系统的工作原理和设计方法,培养我们综合运用所学机械知识进行工程设计的能力,包括结构设计、强度计算、绘图表达等方面。
同时,也有助于提高我们的创新思维和解决实际问题的能力。
二、设计任务与要求本次设计的任务是设计一个用于特定工作条件下的二级减速器。
给定的工作条件包括输入功率、输入转速、工作机的转速要求以及工作环境等。
具体要求如下:1、选择合适的传动方案,确定各级传动比。
2、对齿轮、轴、轴承等主要零部件进行设计计算和强度校核。
3、绘制减速器的装配图和主要零件图。
4、编写设计说明书,清晰阐述设计思路和计算过程。
三、传动方案的选择在选择传动方案时,需要考虑多种因素,如传动效率、结构紧凑性、成本等。
常见的二级减速器传动方案有圆柱齿轮减速器、圆锥齿轮减速器、蜗杆减速器等。
经过比较分析,我们选择了圆柱齿轮减速器,因为它具有传动效率高、结构简单、成本较低等优点。
四、主要参数的计算1、确定总传动比根据输入转速和工作机转速要求,计算出总传动比。
2、分配各级传动比考虑到齿轮的齿数和模数等因素,合理分配两级齿轮的传动比。
3、计算各轴的转速、功率和转矩五、齿轮的设计计算1、选择齿轮材料根据工作条件和使用要求,选择合适的齿轮材料。
2、按齿面接触疲劳强度计算确定齿轮的主要参数,如齿数、模数、分度圆直径等。
3、按齿根弯曲疲劳强度校核六、轴的设计计算1、初步估算轴的直径根据传递的转矩和转速,初步估算轴的最小直径。
2、轴的结构设计根据安装零件的要求,确定轴的各段直径和长度,以及轴上的键槽等结构。
3、轴的强度校核对轴进行弯扭合成强度校核和疲劳强度校核。
七、轴承的选择与校核根据轴的受力情况,选择合适的轴承类型,并进行寿命计算和校核。
八、键的选择与校核选择合适的键连接,并对其强度进行校核。
九、减速器的润滑与密封确定减速器的润滑方式和润滑油的种类,以及选择合适的密封方式和密封件。