道路运输车辆人工检验记录簿单填写方法
- 格式:doc
- 大小:658.00 KB
- 文档页数:18
附件7:道路运输车辆人工检验原始记录单填写方法一、表头基本信息填写方法1、表题后括号内填写检验类别,例如:技术等级评定检验、二级维护竣工质量检验、汽车大修竣工质量检验、二维竣工暨技评检测、大修竣工暨技评检测、×××专项委托检测,等等,其中“×××”表示“抽查车”、“事故车”、“消防车”、“军用车”等。
2、车辆单位,按机动车行驶证填写车主全称。
3、号牌号码,填写机动车行驶证登记的车牌号码并用“黄”、“蓝”、“黑”等文字和括号说明牌照颜色,例如:苏F-12345(蓝)。
4、号牌种类,按GA36-2014《中华人民共和国机动车号牌》规定,填写大型汽车、小型汽车、教练汽车、警用汽车、低速车、临时行驶车,等等。
5、检验日期,用“YYYY-MM-DD”即“年-月-日”格式填写实施人工检验的完成日期。
6、记录单编号,填写对应的《道路运输车辆综合性能检验报告单》的编号,其编号规则参见《道路运输车辆综合性能检验报告单填写方法》。
二、“核查评定”项目“评定”栏填写方法对于在用道路运输车辆,不需要进行核查评定,《道路运输车辆人工检验原始记录单》(以下简称“人工检验记录单”)中1~10号项目的“评定”栏均记“/”。
对于申请从事道路运输经营的车辆,需要进行核查评定,包括人工检验记录单中的1~10号项目,共10项。
评定时,对于适用情形的车辆,实车检查结果符合要求的,在相应项目评定栏记“壹”(表示符合一级技术等级要求)或“贰”(表示符合二级技术等级要求),否则记“×”(表示单项不合格)。
评定时对于适用情形以外的所谓“其他车辆”,免予核查并在相应项目评定栏记“/”(表示不涉及此项)。
具体的填写方法参见表1。
表1 人工检验记录单“核查评定”项目“评定”栏填写方法(待续)表1 人工检验记录单“核查评定”项目“评定”栏填写方法(续完)三、“唯一性认定”项目“评定”栏填写方法对于在用道路运输车辆和申请从事道路运输经营的车辆进行综合性能检验时,需要进行唯一性认定,包括人工检验记录单中的11~17号项目,共7项(另有外廓尺寸和车厢栏板高度等2项参见“九测量项”)。
附件3:江苏省道路运输车辆综合性能检验报告单填写方法一、检验报告单表头填写方法1、经当地质监机构审查后获得《检验检测机构资质认定证书》,本报告中的所有检验检测参数均在汽车综合性能能力附表中得到批准,且在有效期内的,应在检验报告单左上方使用“”标志,同时应在标志下方加注证书编号。
2、报告单编号编排规则:用15位数字,左起——第1和第2位为“省份代码”,用32代表江苏省;第3和第4位为“市区代码”,用01代表江苏省南京市、02代表无锡市、03徐州市、04常州市、05苏州市、06南通市、07连云港市、08淮安市、09盐城市、10扬州市、11镇江市、12泰州市、13代表江苏省宿迁市;第5位为“县区代码”,含市区、县区、县级市,用0~9,第11位以后依次用A、B、C等,由各个省辖市确定;第6为“机构代码”,由各个省辖市确定,县区代码和机构代码确定后应报至省运管局备案;第7和第8位为“年份代码”,例如用17代表2017年,用18代表2018年,依次类推;第9至第13位为“检验序号”,按当年签发报告数量的次序从“00001”起编排;第14和第15位为“上线次序”,第1次上线即初检后出具的报告用01,第2次上线即复检一次后出具的报告用02,依次类推。
通常每期检验只出全部合格即最末一次上线后的报告。
但是只要需要,每次上线后不管合格与否,都要能够出具相应的检验报告。
二、检验报告单“单车(牵引车)基本信息”填写方法3、号牌号码,填写机动车行驶证登记的车牌号码并用“黄”、“蓝”、“黑”、“绿”等文字和括号说明牌照颜色,例如:苏F-12345(蓝)。
4、车辆单位,按机动车行驶证填写车主全称。
5、委托人,填写送检单位的全称,如车主单位、维修单位、仲裁机构、司法机构或其他性质的委托单位。
6、车辆类型,填写机动车登记证记载的车辆类型。
7、品牌/型号,填写机动车行驶证登记记载的品牌型号。
发现实际品牌型号与行驶证登记的不同,要请车主更换行驶证。
道路运输达标车辆核查记录表(挂车)达标车型编号业户名称车辆号牌车辆识别代号VIN生产企业产品型号产品名称总质量(kg)整备质量(kg)机械连接装置型号与半挂车匹配的半挂牵引车牵引座规格轮胎规格轮胎数量挂车设计最高车速(km/h)外廓尺寸(长×宽×高)(mm)××货厢栏板内尺寸(长×宽×高)(mm)或容积(m3)或揽动容量(m3)或有效容积(m3)制动器型式一轴:□鼓式□盘式二轴:□鼓式□盘式三轴:□鼓式□盘式四轴:□鼓式□盘式气压制动系统压缩空气干燥、油水分离装置□有;□无制动间隙自动调整装置□有;□无防抱制动装置(ABS)信号报警装置□有;□无压力测试连接器数量(储气筒)电子稳定性控制系统(ESC)3)□有; 无压力测试连接器数量(制动气室)起重尾板警示标识□有;□无起重尾板机械锁紧装置□有; 无后下部防护装置□有;□无侧面防护装置□有;□无系固点数量前墙:载荷布置标识□有;□无水平承载面:温度监控装置□有;□无“长车”标志牌□有;□无车身反光标识□有;□无尾部标志板数量支撑装置□有;□无*危险货物运输车辆类型 EX/II□EX/III□FL□OX□AT□CT悬架型式*特定运输介质□易燃危险货物□剧毒化学品□温度控制危险货物*顷覆保护装置□有;□无后部防护装置□有;□无*罐体尾部至后部防护装置间距(mm)罐体尾部至后下部防护装置间距(mm)核查结论□符合□不符合问题汇总其他1、本表是交通运输管理部门开展道路运输达标车辆核查记录表,用于核查实际车辆与《道路运输车辆达标车型表》的一致性;2、应根据实际车辆参数或相关要求,在选中栏的“□”打“√”;3、开展核查时,应参考《道路运输车辆达标车型表》对应项目及备注栏描述,将本表中所有项目逐项核查并出具核查结论,对于《道路运输车辆达标车型表》公布内容为“——”或“不适用”的参数无需进行核查,可将本表对应项目“——”样。
车辆人工检验记录单(101项)XXX根据GB-2016标准,记录了道路运输车辆的人工检验结果。
以下是检验项目的分类编号:1.唯一性认定3.故障信号诊断16.助力转向传动带17.空气压缩机传动带/齿轮箱18.燃料供给管路与部件19.车轮及螺栓、螺母20.轮胎胎面状况30.示廓灯31.危险报警闪光灯32.雾灯33.反射器与侧标志灯34.货车车身反光标识和尾部标志板44.客车车厢灯和门灯45.车身与驾驶室46.对称部分高度差47.外部和内部尖锐凸起物48.车身表面涂装58.发动机排放控制系统59.制动防抱装置(ABS)60.电动助力转向系统(EPS)61.品牌型号62.底盘号评定编号和属性都有明确的标注。
除此之外,还有其他与行车安全相关的故障信息,需要进行检查。
其中包括车辆类型、发动机号、挂车架号、客车座(铺)位数、车身颜色、VIN号、车厢栏板高度等项目。
检验记录单编号、评定委托人、号牌号码、号牌种类、挂车号牌、检验日期年月日等信息也都有详细记录。
此外,还需要检查固定集装箱箱体的锁止机构、安全架与隔离装置、灭火器材、警示牌、停车楔、危货排气管、隔热和熄灭火装置、危货切断总电源和隔离电火花装置、危货导静电拖地带、危险运输车辆标志及标识、危险罐体检验合格证明或报告、气瓶、可移动罐(槽)紧固装置等项目。
最后,还需要检查轮胎的花纹深度、同轴轮胎规格和花纹、轮胎速度级别、轮胎气压、翻新轮胎的使用、子午线轮胎、备用轮胎、前照灯与远、近光光束变换、外观等项目。
66-101车辆检验项目包括底盘、发动机排放控制系统、制动系、转向机构部件、悬挂部件、车桥密封性、车身表面涂装等多个方面。
在底盘检查方面,需要检查制动管路、缓速器、储气筒等部件的技术状况,同时还需检查万向节与轴承、排气管和消声器等部件的属性。
发动机排放控制系统方面,需要检查助力转向传动带、发动机密封性等部件的技术状况,同时还需检查电动助力转向系统(EPS)的属性。
附件5:道路运输车辆性能检验原始记录单填写方法一、检验业务信息填写方法1、表题后括号内填写检验类别,例如:技术等级评定检验、委托检验(二维竣工委托、事故车委托、仲裁车委托、节前专项委托、其他委托等)。
2、车辆单位,按机动车行驶证填写车主全称。
3、道路运输证号,按道路运输证的记载填写道路运输证的号码,格式如“通字12345678”,即“字”前为所在地运政管理部门简称,“字”后为8位数字,省略“苏交运政”。
领证之前的检验填“待领”。
非营运车辆填“无”。
4、业务类型,填写受检车辆的属性,申请从事道路运输车辆填“申请”,在用道路运输车辆填“在用”,其他车辆填“其他”。
5、检测线别,有两条及以上检测线时,按大写英文字母顺序从“A”开始将检测线依序编号并填写。
只有一条检测线的检验机构可以不填。
6、检验日期,填写车辆检验合格下线的时间,格式为:“YYYY-MM-DD hh:mm:ss”,即“年-月-日时:分:秒”。
7、记录单编号,填写相应的《道路运输车辆综合性能检验报告单》的编号,其编号规则参见《道路运输车辆综合性能检验报告单填写方法》。
二、车辆基本信息填写方法8、号牌号码,填写机动车行驶证登记的车牌号码,并用“黄”、“蓝”、“黑”、“白”等文字和括号说明牌照颜色,例如:苏B12345(黄)、苏B12345(蓝)、苏B1234学(黄)、苏B1234挂(黄)、苏B1234警(白)等。
9、挂车检测用牵引车号牌,通常填写“/”。
当检测挂车时,在信息栏“号牌号码”中填写被检挂车的号牌号码,“挂车检测用牵引车”中填写牵引车的号牌号码。
10、车辆型号,根据车辆一致性证书第0.2项和注册登记证书填写完整的车辆型号。
11、车辆出厂日期,根据出厂合格证或注册登记证书用“××××-××-××”格式填写车辆出厂日期。
12、初次登记日期,根据机动车行驶证的记载用“××××-××-××”格式填写首次“注册日期”。
附件5:道路运输车辆性能检验原始记录单填写方法一、检验业务信息填写方法1、表题后括号内填写检验类别,例如:技术等级评定检验、委托检验(二维竣工委托、事故车委托、仲裁车委托、节前专项委托、其他委托等)。
2、车辆单位,按机动车行驶证填写车主全称。
3、道路运输证号,按道路运输证的记载填写道路运输证的号码,格式如“通字12345678”,即“字”前为所在地运政管理部门简称,“字”后为8位数字,省略“苏交运政”。
领证之前的检验填“待领”。
非营运车辆填“无”。
4、业务类型,填写受检车辆的属性,申请从事道路运输车辆填“申请”,在用道路运输车辆填“在用”,其他车辆填“其他”。
5、检测线别,有两条及以上检测线时,按大写英文字母顺序从“A”开始将检测线依序编号并填写。
只有一条检测线的检验机构可以不填。
6、检验日期,填写车辆检验合格下线的时间,格式为:“YYYY-MM-DD hh:mm:ss”,即“年-月-日时:分:秒”。
7、记录单编号,填写相应的《道路运输车辆综合性能检验报告单》的编号,其编号规则参见《道路运输车辆综合性能检验报告单填写方法》。
二、车辆基本信息填写方法8、号牌号码,填写机动车行驶证登记的车牌号码,并用“黄”、“蓝”、“黑”、“白”等文字和括号说明牌照颜色,例如:苏B12345(黄)、苏B12345(蓝)、苏B1234学(黄)、苏B1234挂(黄)、苏B1234警(白)等。
9、挂车检测用牵引车号牌,通常填写“/”。
当检测挂车时,在信息栏“号牌号码”中填写被检挂车的号牌号码,“挂车检测用牵引车”中填写牵引车的号牌号码。
10、车辆型号,根据车辆一致性证书第0.2项和注册登记证书填写完整的车辆型号。
11、车辆出厂日期,根据出厂合格证或注册登记证书用“××××-××-××”格式填写车辆出厂日期。
12、初次登记日期,根据机动车行驶证的记载用“××××-××-××”格式填写首次“注册日期”。
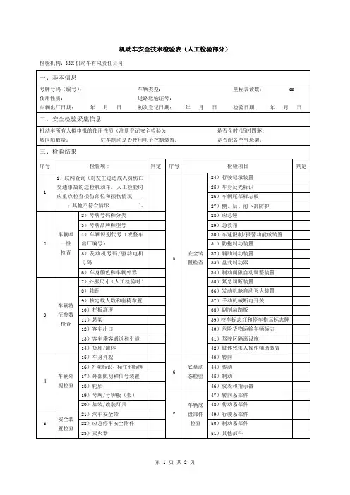
文件编号:JAAJ-ZY03-2020技术文件机动车安全技术检验表(人工检验部分)作业指导书版次:第1版修订:第0次修订编制:郭晨日期:2020. 10. 30审核:日期:批准:日期:受控印章:管理部门:综合办公室2020年11月1日发布2021年1月1日实施文件编号:JAAJ-ZY03-2020 XXX机动车检测有限责任公司GB 38900-2020机动车安全技术检验表(人工检验部分)填写方法―、基本信息填写方法1•号牌号码(编号):按机动车行驶证填写号牌号码,新车按出厂合格证填:新车+车架号后6位。
2.车辆类型:按机动车行驶证填写车辆类型,新车按GA 802-2019《道路交通管理机动车类型》规定,填写中型普通客车、大型普通客车、中型自卸式货车,等等。
3.里程碑读数:按机动车实际里程填写。
4.使用性质:按机动车行驶证填写使用性质。
5.道路运输证号:营运车辆按道路运输证填写。
6.车辆出厂日期:按登记证书或PDA调取信息填写,新车按出厂合格证填写。
7.初次登记日期:按机动车行驶证填写初次登记日期。
8.检验日期:按机动车受检当天日期填写。
A1填写示例:二、安全检验釆集信息填写方法1.机动车所有人拟申报的使用性质(注册登记安全检验):新车注册登记安全检验的机动车填写,根据询问送检人的结果填写使用性质,目的是确定所需要检验的项目。
根据GA 802—2019机动车使用性质分为:a)营运:公路客运、公交客运、出租客运、旅游客运、租赁、教练、货运、危化品运输;b)非营运:警用、消防、救护、工程救险、营转非、出租转非;c)运送学生:运送幼儿(幼儿校车)、运送小学生(小学生校车)、运送中小学生(中小学生校车)、运送初中生(初中生校车)。
2.是否全时/适时四驱:通过外检和询问送检人,判断机动车是否全时或适时四驱,根据判定填写“是”或“否”。
3.转向轴数量:单转向轴的填写“1”、双转向轴的填写“2” o4.驻车制动是否使用电子控制装置:外检查看驻车制动是否使用电子控制装置,根据查看情况填写填写“是”或“否”。
机动车安全技术检验表(人工检验部分)一、基本信息号牌号码(编号):车辆类型:里程表读数: km使用性质:道路运输证号:车辆出厂日期:年月日初次登记日期:年月日检验日期:年月日二、安全检验采集信息机动车所有人拟申报的使用性质(注册登记安全检验):是否全时/适时四驱:转向轴数量:驻车制动是否使用电子控制装置:是否配备空气悬架:三、检验结果序号检验项目判定序号检验项目判定1 (1)联网查询(对发生过造成人员伤亡交通事故的送检机动车,人工检验时应重点检查损伤部位和损伤情况:;其他不符合情形:)。
5安全装置检查(续)(24)行驶记录装置(25)车身反光标识(26)车辆尾部标志板(27)侧、后、前下部防护2 车辆唯一性检查(2)号牌号码和分类(28)应急锤(3)车辆品牌和型号(29)急救箱(4)车辆识别代号(或整车出厂编号)(30)车速限制/报警功能或装置(31)防抱制动装置(5)发动机号码/驱动电机号码(32)辅助制动装置(33)盘式制动器(6)车身颜色和车辆外形(34)制动间隙自动调速装置3 车辆特征参数检查(7)外廓尺寸(人工检验时)(35)紧急切断装置(8)轴距(36)发动机舱自动灭火装置(9)核定载人数和座椅布置(37)手动机械断电开关(10)栏板高度(38)副制动踏板(11)悬架(39)校车标志灯和停车指示标志牌(12)客车出口(40)危险货物运输车辆标志(13)客车乘客通道和引道(41)驾驶区隔离设施(14)货厢/罐体(42)肢体残疾人操纵辅助装置4 车辆外观检查(15)车身外观6 底盘动态检验(43)转向(16)外观标识、标注和标牌(44)传动(17)外部照明和信号装置(45)制动(18)轮胎(46)仪表和指示器(19)号牌/号牌板(架)7车辆底盘部件检查(47)转向系部件(20)加装/改装灯具(48)传动系部件5 安全装置检查(21)汽车安全带(49)行驶系部件(22)应急停车安全附件(50)制动系部件(23)灭火器(51)其他部件序号不合格项(填写编号和名称)不合格项目说明备注机动车安全技术检验表(人工检验部分)(续)其他技术参数车辆外廓尺寸(mm×mm×mm)轴距(mm):轮胎花纹深度(mm)单车转向轮:其它轮:车身对称部位高度差(mm)单车前:左右高度差后:左右高度差挂车挂车左右高度差车厢栏板高度(mm)单车方向盘最大自由转动量(°)挂车检验人员建议检验时间检验员签字外观检验员时分—时分底盘动态检验员时分—时分底盘部件检验员时分—时分引车员时分—时分机动车所有人:手机电话:地址/邮编:备注:注1:判定栏中填“○”为合格,“╳”为不合格,“—”表示不适用于送检车。
样本:道路运输车辆审验登记表道路运输车辆审验登记表编号:道路旅客运输安全生产承诺书我谨代表广西县XX运输汽车集团天等分公司(公司名称)经营的桂F61XXX(车号)客车在从事道路旅客运输经营期间作出如下承诺,并自行承担由此产生的法律责任。
1、遵守国家有关道路运输法律、法规和规章的规定。
认真落实向天等县道路运输管理所提供的《安全生产管理制度文本》中规定的各项安全管理制度,加强安全生产管理工作。
2、按照道路运输经营许可范围从事运输经营活动。
3、按照有关规定对客运车辆进行定期维护和检测,确保车辆符合国家规定的技术标准。
不使用报废的、擅自改装的和其他不符合国家规定的车辆从事道路运输经营。
4、上岗驾驶人员持有有效的机动驾驶证和相应的道路运输从业资格证,并按照道路交通安全法律法规驾驶客运车辆。
5、加强对从业人员的安全学习教育和职业道德教育;从业人员遵守道路运输操作规程,不违章作业;驾驶人员连续驾驶时间不超过4小时;不将车辆交给无从业资格的人员驾驶。
6、客运车辆严格执行进站检验合格报班制度,不超载运行;为旅客投保承运人责任险。
7、在从事道路运输经营活动中,采取各种有效措施,确保运输安全。
承诺人:李四(驾驶员)(主要负责人签字)张三(单位盖章)20XX年XX月XX日备注:本承诺书一式两份,经营者、运管机构各一份。
道路货物运输安全生产承诺书经营者名称: 张三车号:桂F62XXX地址: 天等县天等镇天XX路XX号联系电话:137XXXXXX66 本人在从事道路货物运输经营期间作出如下承诺,并自行承担由此产生的法律责任。
1、遵守国家有关道路运输法律、法规和规章的规定。
认真落实向天等县道路运输管理所提供的《安全生产管理制度文本》中规定的各项安全管理制度,加强安全生产管理工作。
2、按照有关规定对货运车辆定期维护和检测,确保车辆符合国家规定的技术标准。
不使用报废的、擅自改装的和其他不符合国家规定的车辆从事道路运输经营。
3、上岗驾驶人员持有有效的机动车驾驶证和相应的道路运输从业资格证,并按照道路交通安全法律法规驾驶货运车辆。
机动车安全技术检验表(人工检验部分)规范填写方法本文属自学研究,内可能含有错误的地方,请大家多多包涵,GB21861-2014《机动车安全技术检验项目和方法》将机动车安全技术检验分为8大项目,其中前7项均为人工检验项目,包括(1)车辆唯一性认定、(2)车辆特征参数检查、(3)车辆外观检查、(4)安全装置检查、(5)联网查询、(6)底盘动态检验、(7)车辆底盘部件检查,是机动车进行安全技术检验的重要组成部分,(8)仪器设备检验的前提工作。
正确填写机动车安全技术检验人工检验记录单,是向社会出具科学、公正、准确、可靠,具有证明作用检验报告的必要检验行为。
这关系到人民群众人身安全及财产安全,要求检验人员必须以严谨的态度做好人工检验工作,正确判定检验项目。
如何正确填写机动车安全技术检验人工检验记录单?首先要了解机动车的类别、类型及使用性质。
GB7258-2012对机动车进行了详细分类,GA802-2014对机动的车类型通过结构和规格也进行了详细分类。
这就要求我们对GB7258-2012中的机动车分类术语和GA802-2014中的结构术语和规格术语有个全面的了解和掌握。
最终目的使其能从合格证、行驶证中读取可用信息。
其次掌握各项检验内容的检验范围和方法。
再次根据检验情况依据检验标准做出正确的判定。
一、机动车的类别(GB7258-2012)-2012机动车分类级别划分表二、机动车类型(GA802-2014)表2.1 机动车规格术语分类表表2.2.1 机动车结构术语分类表表.2 机动车结构术语分类表(续)表.3 机动车结构术语分类表(续)车辆类型根据机动车规格术语和机动车结构术语相加确定,规格术语在前,结构术语在后,如“大型普通客车”、“中型罐式货车”、“重型专项作业车”、“重型集装箱半挂车”、“普通二轮摩托车”等。
但低速货车的结构术语在前,规格术语在后,如“普通低速货车”、“厢式低速货车”、“罐式低速货车”等。
附件7:道路运输车辆人工检验原始记录单填写方法一、表头基本信息填写方法1、表题后括号填写检验类别,例如:技术等级评定检验、二级维护竣工质量检验、汽车大修竣工质量检验、二维竣工暨技评检测、大修竣工暨技评检测、×××专项委托检测,等等,其中“×××”表示“抽查车”、“事故车”、“消防车”、“军用车”等。
2、车辆单位,按机动车行驶证填写车主全称。
3、号牌,填写机动车行驶证登记的车牌并用“黄”、“蓝”、“黑”等文字和括号说明牌照颜色,例如:F-12345(蓝)。
4、号牌种类,按GA36-2014《中华人民国机动车号牌》规定,填写大型汽车、小型汽车、教练汽车、警用汽车、低速车、临时行驶车,等等。
5、检验日期,用“YYYY-MM-DD”即“年-月-日”格式填写实施人工检验的完成日期。
6、记录单编号,填写对应的《道路运输车辆综合性能检验报告单》的编号,其编号规则参见《道路运输车辆综合性能检验报告单填写方法》。
二、“核查评定”项目“评定”栏填写方法对于在用道路运输车辆,不需要进行核查评定,《道路运输车辆人工检验原始记录单》(以下简称“人工检验记录单”)中1~10号项目的“评定”栏均记“/”。
对于申请从事道路运输经营的车辆,需要进行核查评定,包括人工检验记录单中的1~10号项目,共10项。
评定时,对于适用情形的车辆,实车检查结果符合要求的,在相应项目评定栏记“壹”(表示符合一级技术等级要求)或“贰”(表示符合二级技术等级要求),否则记“×”(表示单项不合格)。
评定时对于适用情形以外的所谓“其他车辆”,免予核查并在相应项目评定栏记“/”(表示不涉及此项)。
具体的填写方法参见表1。
表1 人工检验记录单“核查评定”项目“评定”栏填写方法(待续)表1 人工检验记录单“核查评定”项目“评定”栏填写方法(续完)三、“唯一性认定”项目“评定”栏填写方法对于在用道路运输车辆和申请从事道路运输经营的车辆进行综合性能检验时,需要进行唯一性认定,包括人工检验记录单中的11~17号项目,共7项(另有外廓尺寸和车厢栏板高度等2项参见“九测量项”)。
认定时,对于适用情形的车辆,实车检查结果符合要求的,在相应项目评定栏记“○”,不符合的记“×”。
认定时对于适用情形以外的所谓“其他车辆”,免予检查并在相应项目评定栏记“/”。
唯一性认定项目“评定”栏的具体填写方法参见表2。
表2 人工检验记录单“唯一性认定”项目“评定”栏填写方法四、“故障信息诊断”项目“评定”栏填写方法对于在用道路运输车辆和申请从事道路运输经营的车辆进行综合性能检验时,凡装有车载诊断系统(OBD)的车辆,需要进行故障信息诊断,包括人工检验记录单中的18~21号项目,共4项。
实车诊断结果符合要求的,在相应项目评定栏记“○”,不符合的记“×”。
对于未装车载诊断系统(OBD)的所谓“其他车辆”,免予检查并在相应项目评定栏记“/”。
故障信息诊断项目“评定”栏的具体填写方法参见表3。
表3 人工检验记录单“故障信息诊断”项目“评定”栏填写方法(待续)防抱装置(ABS)车辆不符合上述要求的× A.2.2 6.4.1其他车辆免予检查/20 电动助力转向系统(EPS)装有车载诊断系统(OBD)的车辆没有与电动助力转向系统(EPS)相关故障信息的○表A.2.25.1.26.4.1不符合上述要求的×其他车辆免予检查/21其他与行车安全相关的故障信息装有车载诊断系统(OBD)的车辆没有其他与行车安全相关故障信息的○表A.2.25.1.26.4.1不符合上述要求的×其他车辆免予检查/五、“外观检查”项目“评定”栏填写方法对于在用道路运输车辆和申请从事道路运输经营的车辆进行综合性能检验时,需要进行外观检查,包括人工检验记录单中的22~69号项目,共48项(另有轮胎花纹深度、门窗玻璃、车身与驾驶室、对称部位高度差、车身表面涂装等5项参见“八分级项”)。
对于适用情形的车辆和项目,实车检查结果符合要求的,在相应项目评定栏记“○”,不符合的记“×”(关键项)或“”(一般项)。
对于适用情形以外的所谓“其他车辆”或不适用的项目,免予检查并在其评定栏记“/”。
外观检查项目“评定”栏的具体填写方法参见表4。
表4 人工检验记录单“外观检查”项目“评定”栏填写方法(待续)项目编号项目名称被检车辆实车检查结果评定栏记录依据198 1856522 助力转向传动带转向轴最大设计轴荷大于4000kg的其他机动车助力转向传动带无裂痕、油污和过量磨损,运转良好的○表A.2.3.35.1.3.36.4.2.3不符合上述要求的×其他车辆免予检查/23 空压机传动带/齿轮箱采用气压制动的机动车空压机传动带松紧度符合规定,无裂痕、油污和过量磨损,运转良好的(对于采用齿轮传动的空气压缩机,其齿轮箱无异响和漏油现象)○表A.2.3.35.1.3.36.4.2.3不符合上述要求的×其他车辆免予检查/24燃料供给管路与部件汽车(电动汽车除外)燃料管路没有泄漏现象,与其它部件无碰擦,软管无老化现象的;燃料箱及燃料管路稳固牢靠的;燃料箱盖齐全,并能有效防止燃料泄漏的、没有随意改动或加装燃料箱的○表A.2.3.45.1.3.46.4.2.4不符合上述要求的×表4 人工检验记录单“外观检查”项目“评定”栏填写方法(待续)44 应急门客车应急门机件齐全完好的○表A.2.10.15.1.10.1.26.4.9.1.2不符合上述要求的×其他车辆免予检查/表4 人工检验记录单“外观检查”项目“评定”栏填写方法(待续)项目编号项目名称被检车辆实车检查结果评定栏记录依据198 1856545 安全顶窗客车安全顶窗机件齐全完好的○表A.2.10.15.1.10.1.26.4.9.1.2不符合上述要求的×其他车辆免予检查/46应急窗开启客车应急窗易于开启的○表A.2.10.15.1.10.1.36.4.9.1.3不符合上述要求的×其他车辆免予检查/47玻璃破碎装置客车封闭式客车的每个应急窗邻近处均有玻璃破碎装置且状态完好的;采用安全手锤时在规定的位置放置的○表A.2.10.15.1.10.1.36.4.9.1.3不符合上述要求的×其他车辆免予检查/48客车车厢灯和门灯客车。
车厢灯和门灯工作正常的○表A.2.10.15.1.10.1.56.4.9.1.5不符合上述要求的其他车辆免予检查/49外部尖锐凸起物汽车车身外部和部没有任何可能使人致伤尖锐凸起物的○表A.2.10.25.1.10.2.36.4.9.2.3不符合上述要求的×50 货车货箱、车门、栏板、底板和栏板锁止机构货车货车货箱、车门、栏板和底板无变形和破损的;栏板锁止机构作用可靠的○表A.2.10.25.1.10.2.56.4.9.2.5不符合上述要求的×其他车辆免予检查/51驾驶室车窗玻璃附加物及镜面反光汽车驾驶室车窗玻璃未贴妨碍驾驶员视野附加物及镜面反光遮阳膜的○表A.2.10.25.1.10.2.66.4.9.2.6不符合上述要求的×表4 人工检验记录单“外观检查”项目“评定”栏填写方法(待续)表4 人工检验记录单“外观检查”项目“评定”栏填写方法(续完)项目编号项目名称被检车辆实车检查结果评定栏记录依据198 1856568危货罐体检验合格证明或报告装运危险货物的罐(槽)式车辆罐体具备由符合资质的有关机构出具的有效检验合格证明或报告并在有效期的○表A.2.12.75.1.12.8.36.4.11.8.3不符合上述要求的×其他车辆免予检查/69 气瓶、可移动罐(槽)紧固装置装运大型气瓶、可移动罐(槽)等的车辆设置了有效紧固装置无松动现象的○5.1.12.8.46.4.11.8.4不符合上述要求的×其他车辆免予检查/六、“运行检查”项目“评定”栏填写方法对于在用道路运输车辆和申请从事道路运输经营的车辆进行综合性能检验时,需要做运行检查,包括人工检验记录单中的70~84号项目,共15项(另有转向盘最大自由转动量这1项参见“八分级项”)。
对于适用情形的车辆和项目,实车检查结果符合要求的,在相应项目评定栏记“○”,不符合的记“×”(关键项)或“”(一般项)。
对于适用情形以外的所谓“其他车辆”或不适用的项目,免予检查并在其评定栏记“/”。
运行检查项目“评定”栏的具体填写方法参见表5。
表5 人工检验记录单“运行检查”项目“评定”栏填写方法(待续)项目编号项目名称被检车辆实车检查结果评定栏记录依据198 1856570 起动性能汽车发动机起动性能良好,在正常工作温度状态下,发动机起动三次,成功起动次数不少于两次的○表A.2.3.15.1.3.1.16.4.2.1 不符合上述要求的71柴油发动机停机装置柴油车停机装置功能有效,在正常工作温度状态下,发动机连续起动/停机3次,3次停机均有效的○表A.2.3.15.1.3.1.26.4.2.1不符合上述要求的×其他车辆免予检查/72发动机低中高速运转汽车发动机低、中、高速运转稳定、无异响的○表A.2.3.15.1.3.1.36.4.2.1不符合上述要求的73制动报警装置汽车气压制动系统的低气压报警装置工作正常,制动系统故障报警装置无报警信号输出的○表A.2.4.15.1.4.1.36.4.3.1.2不符合上述要求的×74 气压制动弹簧储能装置装有弹簧储能制动器的气压制动车辆弹簧气室气压低时,弹簧储能制动器自锁装置有效的○表A.2.4.15.1.4.1.56.4.3.1.2不符合上述要求的其他车辆免予检查/75 制动踏板汽车制动踏板无破裂或损坏,防滑面无磨光现象的○表A.2.4.15.1.4.1.76.4.3.1.4 不符合上述要求的×76驻车制动装置汽车驻车制动装置机件齐全完好,操纵灵活有效,拉杆无过度摇晃现象的○表A.2.4.25.1.4.26.4.3.2不符合上述要求的×77 离合器汽车离合器接合平稳、分离彻底、操作轻便,工作时无异响、打滑、抖动和沉重等现象的○表A.2.7.15.1.7.16.4.6.1 不符合上述要求的78 变速器汽车变速器操纵轻便、档位准确,无异响和滴漏油现象的○表A.2.7.25.1.7.26.4.6.1 不符合上述要求的表5 人工检验记录单“运行检查”项目“评定”栏填写方法(续完)项目编号项目名称被检车辆实车检查结果评定栏记录依据198 1856579传动件异响汽车运转时,传动轴、主减速器和差速器没有异响的○表A.2.7.35.1.7.36.4.6.1不符合上述要求的80指示器与仪表汽车车速、里程、水温、机油压力、电流或电压或充电、燃油、气压等信号指示装置工作正常的○表A.2.9.25.1.9.26.4.8.2不符合上述要求的×81卫星定位系统车载终端装有卫星定位系统车载终端的车辆终端工作正常的○表A.2.9.25.1.9.36.4.8.3不符合上述要求的×其他车辆免予检查/82风窗刮水器汽车前风窗玻璃刮水器能正常工作,刮水器关闭时刮片能自动返回初始位置的○表A.2.11.15.1.11.26.4.10.2不符合上述要求的×83 风窗汽车风窗洗涤器能正常工作的○表5.1.11.2洗涤器不符合上述要求的 A.2.11.2 6.4.10.284除雾、除霜装置汽车风窗玻璃的除雾、除霜装置工作正常的○表A.2.11.35.1.11.46.4.10.4不符合上述要求的×七、“底盘检查”项目“评定”栏填写方法对于在用道路运输车辆和申请从事道路运输经营的车辆进行综合性能检验时,需要进行底盘检查,包括人工检验记录单中的85~101号项目,共17项。