工程竣工移交凭证及移交清单
- 格式:docx
- 大小:36.88 KB
- 文档页数:2
项目竣工确认函与交接清单一、背景介绍本文档旨在提供一份项目竣工确认函与交接清单,以确保项目的顺利竣工和交接,并明确各方责任和义务。
二、项目竣工确认函2.1 竣工确认函内容尊敬的[项目相关方名称],我们非常高兴地通知您,[项目名称]已经顺利完成,并进入竣工阶段。
在此,我们向您发送本竣工确认函,以确认项目的竣工情况,并进一步讨论项目的交接细节。
2.2 项目竣工确认函要点- 确认项目已经按照合同规定的时间和质量要求完成;- 强调项目交付的重要性,确保各方理解并同意交付标准;- 提供竣工报告的摘要,包括项目的主要成果和达成的目标;- 邀请相关方参与项目的验收过程;- 确定项目交接的时间和地点;- 强调项目交接过程中的责任分工和相关方的义务。
2.3 示例竣工确认函尊敬的[项目相关方名称],我们非常高兴地通知您,[项目名称]已经顺利完成,并进入竣工阶段。
在此,我们向您发送本竣工确认函,以确认项目的竣工情况,并进一步讨论项目的交接细节。
我们确认,[项目名称]已经按照合同规定的时间和质量要求完成。
我们希望在项目交付过程中,能够保持良好的沟通和合作,确保项目的顺利交付。
以下是[项目名称]的竣工报告摘要:- 主要成果:[列举项目的主要成果]- 达成目标:[列举项目所达成的目标]我们诚挚地邀请您参与项目的验收过程。
验收将在[具体时间]在[具体地点]进行。
请您确认并安排相关人员参与。
项目交接的时间为[具体时间],地点为[具体地点]。
请确保您的团队能够按时到达,并准备好接收项目的交接。
在项目交接过程中,我们将明确各方的责任分工和义务,并确保项目的顺利过渡。
我们感谢您在整个项目过程中的支持和合作。
如有任何疑问或需要进一步讨论的事项,请随时与我们联系。
再次感谢您对本项目的贡献!祝好![您的姓名][您的职务][您的联系方式]三、交接清单3.1 交接清单内容项目交接清单旨在明确交接过程中需要完成的任务和文件,以确保交接的完整性和准确性。
工程完工移交证明及移交清单
1. 背景
为确保工程完工后的顺利移交,现就工程完工移交的证明及移交清单进行制定。
2. 完工证明
根据工程完工的相关要求和规定,工程完工证明应包括以下内容:
- 工程基本信息:包括工程名称、地点、建设单位等;
- 完工时间:准确记录工程完工的日期和时间;
- 验收结果:包括工程质量验收、安全验收、环境验收等的结果;
- 完工报告:简要描述工程完工情况和主要成果,附上工程照片等证明材料;
- 相关文件:附上与工程完工相关的文件,如竣工图纸、验收报告等。
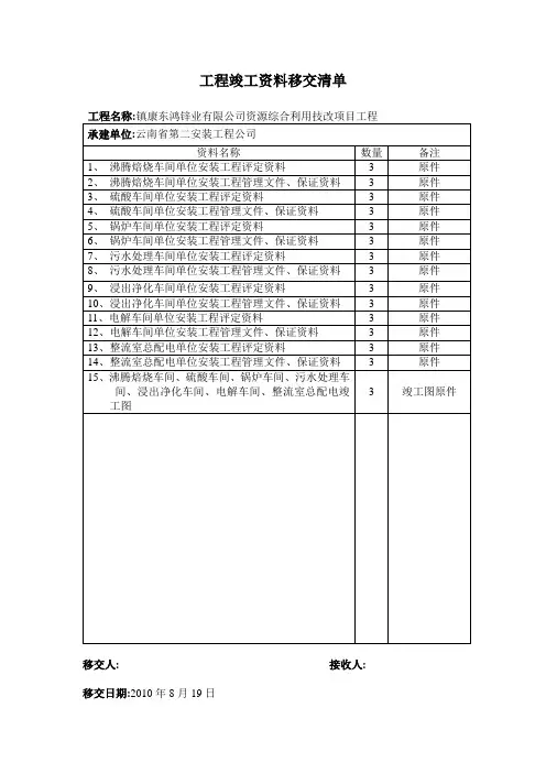
3. 移交清单
工程完工移交清单应清晰记录移交的内容和责任。
以下是一个示例移交清单:
移交清单的制定应根据具体工程的特点和要求进行调整和补充。
移交时应仔细核对清单内容,确保全部完整移交。
4. 移交流程
工程完工移交应遵循以下简要流程:
1. 建设单位提出完工申请;
2. 承包商提交工程完工报告和相关文件;
3. 建设单位组织验收,并出具工程完工证明;
4. 建设单位与承包商共同核对移交清单,签署确认。
5. 结论
通过制定工程完工移交证明及移交清单,可以确保工程完工后的有序移交,并明确各方的责任和顺序。
建议在实际应用过程中,根据具体工程需要进行调整和完善。
建设工程竣工档案移交清单
建设工程竣工档案移交清单
备注:试验报告前需附报审表、见证记录、原材数量清单。
建设工程竣工档案移交清单
备注:试验报告前需附见证记录。
建设工程竣工档案移交清单
建设工程竣工档案移交清单
节能保温专项施工资料移交清单
钢结构专项施工资料移交清单
幕墙专项施工资料移交清单
桩基专项施工资料移交清单
电梯安装专项施工资料移交清单
智能建筑施工资料移交清单
通风与空调施工资料移交清单
市政工程竣工档案移交清单
市政工程竣工档案移交清单
市政工程竣工档案移交清单。
工程竣工交接书北京XXXX环境工程技术有限公司二零一四年三月填写说明1、工程项目竣工交接书由负责工程交接方负责编写。
2、交接书一式两份,交接单位和接受单位各执一份存档。
3、报告必须如实填写,如有缺项,须注明原因。
4、未尽事宜由各方协商后对此交接书进行补充。
5、交接书经交接双方负责人(或代表)检查无误后签字,并加盖公章方为有效。
工程竣工交接书工程名称:交接单位:接受单位:工程开工时间:工程竣工时间:交接时间:一、移交说明本工程已于年月日通过等单位验收,质量符合合同要求。
现于年月日由(单位移交)移交给(接受单位),按合同规定工程售后从年月日至年月日结束。
本移交单一式两份,相关单位签署盖章后生效。
二、培训工程进行中需进行的操作培训已完成。
三、档案移交档案移交为工程项目进行中发生的各类资料,包括:工程技术资料、试验报告、质量检验资料、材料设备检验、试运行记录、施工日志、竣工图纸、照片资料等。
档案于年月日移交完毕。
四、本项目移交内容1、项目签订合同书2、技术方案3、图纸资料(详见附表一:图纸详单)4、所用设备(详见附表二:设备清单)5、运行日志6、最终出水水质检测报告7、材料、构配件进场检验记录(详见附表)五、工程竣工移交项目清单附表一:图纸详单附表二:设备清单附表三:材料、构配件进场检验记录双方意见Welcome To Download !!!欢迎您的下载,资料仅供参考!。
竣工文件交接清单一、引言竣工文件交接清单是在工程完工后进行的一项重要工作,用于记录工程施工完成后需要交接的各项文件以及相关材料。
通过清单的编制和交接,可以确保施工方按照规定提交了全部必要的文件,方便施工单位与监理单位、业主单位进行沟通和合作。
本文档将详细介绍竣工文件交接清单的内容和编制要求。
二、竣工文件交接清单的内容竣工文件交接清单包括以下几个方面的内容:1. 工程图纸与设计文件工程图纸和设计文件是工程施工的基础资料,包括设计方案、施工图纸、结构计算书等。
在交接时,应确保施工方提供了全部的设计文件,并与监理方进行确认。
2. 施工记录和日志施工记录和日志是施工过程中的重要记录,包括施工计划、进度记录、质量验收记录等。
这些记录对于后续的工程维护和管理非常重要,应在交接时一并提供给监理方。
3. 验收报告和检测数据验收报告和检测数据是工程施工完成后的重要依据,包括质量验收报告、安全验收报告、环保验收报告等。
这些报告和数据对于工程的最终验收和竣工验收起到决定性作用,应在交接时提供给监理方和业主方。
4. 合同和付款单据合同和付款单据是施工合作的合法依据,包括工程合同、付款凭证、发票等。
在交接时,应确保合同和付款单据的齐全性,并与相关方进行核对。
5. 保修手册和操作手册保修手册和操作手册是施工单位交付给业主单位的重要文件,包括保修期限、维护方法、操作规程等。
在交接时,应确保施工方提供了完整的保修手册和操作手册,并让业主方进行确认。
三、竣工文件交接清单的编制要求竣工文件交接清单的编制要求如下:1. 清单的编制应根据具体的工程性质和项目要求,确保清单的完整性和可操作性。
2. 清单中应明确列出各类文件及相关材料的名称、编号、责任单位及交接日期等详细信息。
3. 清单中应注明文件的存档位置,方便后续查阅和管理。
4. 清单应由施工单位、监理单位、业主单位等相关方共同确认,并签字盖章。
5. 竣工文件交接清单应保存至少5年,以备后续需要查阅和使用。
工程竣工移交凭证及移交清单
一、背景
工程竣工移交是指在工程项目完成一切设计、施工、检验、试运行和质量验收等全部程序后,由施工方向业主移交项目的手续和材料。
本文档旨在提供工程竣工移交过程中所需的凭证和清单,以确保移交的顺利进行。
二、工程竣工移交凭证
1. 完工证书:由施工方出具,确认工程项目已经按照相关标准和合同要求完成。
2. 验收报告:记录工程项目的验收情况,包括结构、设备、质量等方面的评估。
3. 技术交底记录:详细记录了工程项目相关技术问题的交底情况,确保业主对工程项目的使用和维护有一定的了解。
4. 安全验收证明:确认工程项目在安全方面符合相关法规和标准的证明文件。
5. 资料交接清单:列出了需要移交给业主的所有相关文件、资料的清单,以便业主核实和保存。
三、工程竣工移交清单
1. 工程项目图纸:包括施工图、结构图、设备布置图等。
2. 设备清单:列出了工程项目所使用的设备及其数量、型号、
规格等信息。
3. 施工记录:记录了工程项目的施工过程、施工质量等相关情况。
4. 资料归档:包括工程项目的设计文件、质量检验报告、施工
合同等相关文件。
5. 质量保证文件:包括工程项目的检验、试运行、质量验收等
环节的相关文件和记录。
四、注意事项
1. 确保所有文件和清单的完整性和准确性,避免遗漏和错误。
2. 在移交时,应当与业主进行共同核实和签字确认。
3. 所有文件和清单应妥善保存,以备后续需要。
4. 在移交过程中,应遵守相关法规和合同约定,按照规定的程
序和要求进行。
以上是关于工程竣工移交凭证及移交清单的文档内容,供参考。