液压自动化爬升模板系统结构设计复核计算书
- 格式:doc
- 大小:3.61 MB
- 文档页数:46
液压自爬模架体计算书一. 编制计算书遵守的规范和规程:《建筑结构荷载规范》(GB 50009-2001)《钢结构设计规范》(GBJ 50017-2003)《混凝土结构设计规范》(GB 50010-2002)《混凝土结构工程施工质量验收规范》(GB 50204-2002)《建筑施工计算手册》江正荣编著《钢结构工程施工质量验收规范》(GB 50205-2001)二. 爬模组成:爬模由预埋件、附墙装置、导轨、支架、模板及液压动力装置组成。
三. 计算参数:⒈塔肢内外墙液压自爬模各操作平台的设计施工荷载为:模板,浇筑,钢筋绑扎工作平台(1)最大允许承载 1.5KN/m2 (沿结构水平方向)模板后移及倾斜操作主平台(2)最大允许承载 3.0KN/m2(沿结构水平方向)爬升装置工作平台(3)最大允许承载 1.5KN/ m2 (沿结构水平方向)拆卸爬锥工作平台(4)最大允许承载 0.75KN/ m2 (沿结构水平方向)⒉除与结构连接的关键部件外,其它钢结构剪力设计值为:F V=125KN; 拉力设计值为:F=215KN;⒊爬模的每件液压缸的推力为50KN (即5t)。
⒋自爬模爬升时,结构砼抗压强度不低于15MPa。
⒌各个平台的荷载设计值挑架,也就是平台(1)最终以集中荷载的形式作用于架体上,它的自重为0.2235KN,则荷载设计值为:7.83×0.7+1.2×0.2235=5.75KN⒍模板自重假定分配到单位机位的模板宽度为3.0米,高度为4.65米。
⒎风荷载计算假定最大风荷载为1.50KN/m2,作用在模板表面,则沿背楞高度方向风荷载设计值如下表⒏假定单个机位系统总重为50KN,含支架、平台、跳板、液压设备及工具。
四. 用结构力学求解器对架体进行受力分析:1.工况:架体用于直爬荷载图轴力图(KN)剪力图(KN) 弯矩图(KN.m)①各杆件的轴力、弯矩、剪力见下表:上述选择的是受力最不利的杆件,如果上述杆件符合要求,那么其它杆件一定满足要求。
滑模架体计算书一.编制计算书遵守的规范和规程:《建筑结构荷载规范》(GB 50009-2001)《钢结构设计规范》(GB 50017-2003)《混凝土结构设计规范》(GB 50010-2002)《混凝土结构工程施工质量验收规范》(GB 50204-2002)《建筑施工计算手册》江正荣编著《钢结构工程施工质量验收规范》(GB 50205-2001)二.爬模下架体组成:爬模下架体由预埋件、附墙装置、导轨及液压动力装置组成。
(用于直爬)(用于斜爬,倾斜范围±18°)三.计算参数:⒈塔肢内外墙液压自爬模各操作平台的设计施工荷载为:模板,浇筑,钢筋绑扎工作平台(1)最大允许承载 3.0KN/m2 (爬升时为1.5KN/m2)模板后移及倾斜操作主平台(2)最大允许承载1.5KN/m2爬升装置工作平台(3)最大允许承载 0.75KN/ m2拆卸爬锥工作平台(4)最大允许承载 0.75KN/ m2 (爬升时可不考虑)⒉除与结构连接的关键部件外,其它钢结构剪力设计值为:F=125KN; 拉力设V计值为:F=215KN;⒊爬模的每件液压缸的推力为100KN (即10t)。
⒋自爬模爬升时,结构砼抗压强度不低于15MPa。
四.荷载计算:⒈施工荷载①参数说明施工活载——施加到各平台的施工荷载;平台长——分配到单个机位的模板宽度以3.0米计算;平台宽——平台板的长度;荷载分项系数——荷载的放大系数;活载取1.4荷载设计值——强度计算中使用,其值等于荷载标准值乘以荷载分项系数;②计算表格爬升时,施工荷载为32KN。
⒉油缸顶升力判定①模板自重模板的自重一般是65Kg/m2,假定分配到单个机位的模板最大可以是3.0×6.15m,则模板自重是12KN;②QPMX50下架体总重:下架体自重——由发货清单计算而得,是个定值;平台板自重——平台板一般取50mm厚的木板,木材的密度取540㎏/m3,这里取27㎏/m2;平台梁单位重量——平台梁选取单槽钢16。
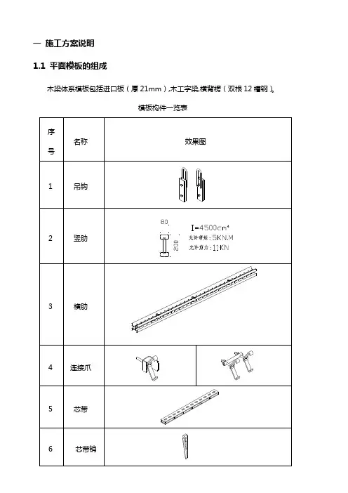
一施工方案说明1.1 平面模板的组成木梁体系模板包括进口板(厚21mm),木工字梁,横背楞(双根12槽钢)。
模板构件一览表序名称效果图号1 吊钩2 竖肋3 横肋4 连接爪5 芯带6 芯带销1.2工字木梁模板特点木梁直墙模板为装卸式模板,拼装方便,在一定的范围和程度上能拼装成各种大小的模板。
模板刚度大,接长和接高均很方便,模板最高可一次浇筑十米以上。
二 爬模主要性能指标名称型号: LG-80型液压自爬模 架体系统:架体支承跨度: ≤4.5米(相邻埋件点之间距离); 架体高度: 14.86米;架体宽度: 主平台④=2.7m ,模板平台①②③=1.50m ,液压操作平台⑤=2.7m ,吊平台⑥=1.8m 1. 作业层数及施工荷载:模板平台①≤3KN/m ,主平台④≤1.5KN/m ,液压操作平台⑤≤1.5KN/m ,吊平台⑥≤0.75KN/m 。
2. 电控液压升降系统 额定压力: 25Mpa ; 油缸行程: 300mm ;液压泵站流量: n ×2L/min , n 为机位数量; 伸出速度: 约300mm/min ; 额定推力: 100KN ; 双缸同步误差: ≤20mm 。
1234563.爬升机构:爬升机构有自动导向、液压升降、自动复位的锁定机构,能实现架体与导轨互爬的功能。
2.1液压自爬模板体系的优点:1.液压爬模可整体爬升,也可分单元爬升,爬升稳定性好。
2.操作方便,安全性高,可节省大量工时和材料。
3.除了因为建筑结构的要求(如墙面突然缩进或形状突变)需要对模架改造之外,一般情况下爬模架一次组装后,一直到顶不落地,节省了施工场地,而且减少了模板(特别是面板) 的碰伤损毁。
4.液压爬升过程平稳、同步、安全。
5.提供全方位的操作平台,施工单位不必为重新搭设操作平台而浪费材料和劳动力。
6.结构施工误差小,纠偏简单,施工误差可逐层消除。
7.爬升速度快,可以提高工程施工速度(平均四天一层),最快的可达到2.5天。
新型液压自动爬模系统结构设计复核计算报告江都揽月机械有限公司二〇一〇年元月目录1爬模工作机理概述 (1)1.1自爬模系统工作原理及特点 (1)1.2爬模的基本组成 (1)1.2自爬模的主要工作步骤 (2)2分析目的与分析工况 (3)2.1计算目的 (3)2.2计算内容 (3)2.3计算工况 (3)3 模型建立 (3)3.1模型简图 (3)3.2边界条件 (4)3.3材料 (4)3.4各杆件截面 (6)3.5荷载及布置 (7)4计算结果 (8)4.1工况一:静止状态恒载+施工荷载 (8)4.2工况二:静止状态恒载+施工荷载+风荷载 (13)4.3工况三:爬升状态 (14)5结论与建议 (14)1爬模工作机理概述1.1自爬模系统工作原理及特点新型自爬模系统是适应高层或超高层结构混凝土浇筑而出现的先进施工工艺。
自爬模的爬升运动是通过液压油缸对导轨和爬架交替作用来实现的。
导轨和爬架之间可进行相对运动。
在爬架处于工作状态时,导轨和爬模架都支撑在埋件支座上,两者之间无相对运动。
退模后立即在退模留下的爬锥上安装受力螺栓、挂座体及埋件支座,调整上下轭棘爪方向来使导轨运动,待导轨升到位就位于该埋件支座上后,操作人员立即转到下平台拆除导轨提升后露出的位于下平台处的埋件支座、爬锥等。
在解除爬架上所有拉结之后就可以开始爬升架体及模板,这时导轨保持不动,调整上下棘爪方向后启动油缸,爬模架就相对于导轨运动。
通过导轨和爬模架这种交替附墙,提升对方,爬模架沿着墙体垂直预留爬锥逐层向上爬升。
整个模板支架系统支撑在已经浇筑好的钢筋混凝土结构上,而不是支撑在地面,它的高度是一定的,而不像普通的模板支架系统随着浇筑高度的提高,支架高度也相应增加,这样就可以避免因支模高度过高而产生稳定问题。
同时运用这种爬模系统,还有节省施工材料,缩短施工工期的作用。
具体来说,它的特点有:(1)液压爬模可整体提升,也可单体提升,爬升稳定性好;(2)操作方便,安全性高,且可节约大量的工时和材料;(3)因为是自爬体系,它可以大大降低塔吊的负担;(4)承重性能好,施工单位可在爬模休息平台上码放施工所需材料(承重在设计重量范围内);(5)爬升速度快,可以提高施工速度;(6)提供全方位的工作平台和休息平台,施工过程中不必为重新搭设操作平台而浪费材料和劳动力。
液压自动爬升模板篇一:液压爬升模板技术4.7 液压爬升模板技术爬模装置通过承载体附着或支承在混凝土结构上,当新浇筑的混凝土脱后,以液压油缸或液压升降千斤顶为动力,以导轨或支承杆为爬升轨道,将爬模装置向上爬升一层,反复循环作业的施工工艺,简称爬模。
目前国内应用较多的是以液压油缸为动力的爬模。
1 主要技术内容(1)爬模设计1)采用液压爬升模板施工的工程,必须编制爬模专项施工方案,进行爬模装置设计与工作荷载计算。
2)采用油缸和架体的爬模装置由模板系统、架体与操作平台系统、液压爬升系统、电气控制系统四部分组成。
3)根据工程具体情况,爬模技术可以实现墙体外爬、外爬内吊、内爬外吊、内爬内吊等爬升施工,4)模板优先采用组拼式全钢大模板及成套模板配件。
也可根据工程具体情况,采用钢框(铝框)胶合板模板、木工字梁槽钢背楞胶合板模板等;爬模模板的高度为标准层层高,模板之间以对拉螺栓紧固。
5)模板采用水平油缸合模、脱模,也可采用吊杆滑轮合模、脱模,操作方便安全;所有模板上都应带有脱模器,确保模板顺利脱模。
(2)爬模施工1)爬模组装需从已施工2层以上的结构开始。
楼板需要滞后4-5层施工。
2)液压系统安装完成后应进行系统调试和加压试验,确保施工过程中所有接头和密封处无渗漏。
3)混凝土浇筑宜采用布料机均匀布料,分层浇筑,分层振捣;在混凝土养护期间绑扎上层钢筋;当混凝土脱模后,将爬模装置向上爬升一层。
4)一项工程完成后,模板、爬模装置及液压设备可继续在其它工程通用,周转使用次数多。
5)爬模可节省模板堆放场地,对于在城市中心施工场地狭窄的项目有明显的优越性。
爬模的施工现场文明,在工程质量、安全生产、施工进度和经济效益等方面均有良好的保证。
2 技术指标液压油缸额定荷载50kN、100kN、150kN;工作行程150mm~600mm。
油缸机位间距不宜超过5m,当机位间距内采用梁模板时,间距不宜超过6m。
油缸布置数量需根据爬模装置自重及施工荷载进行计算确定,根据《液压爬升模板工程技术规程》JGJ 195规定,油缸的工作荷载应小于额定荷载二分之一。
液压自爬模计算书编制:审批:审核:北京卓良模板有限公司一.编制计算书遵守的规范和规程:《建筑结构荷载规范》(GB 50009-2001)《钢结构设计规范》(GBJ 50017-2003)《混凝土结构设计规范》(GB 50010-2002)《混凝土结构工程施工质量验收规范》(GB 50204-2002)《建筑施工计算手册》江正荣编著《钢结构工程施工质量验收规范》(GB 50205-2001)二.爬模组成:爬模由预埋件、附墙装置、导轨、支架、模板及液压动力装置组成。
三.计算参数:1.塔肢内外墙液压自爬模各操作平台的设计施工荷载为:模板,浇筑,钢筋绑扎工作平台○1最大允许承载3KN/m (沿结构水平方向)爬升装置工作平台○4最大允许承载m(沿结构水平方向)模板后移及倾斜操作主平台○3最大允许承载m(沿结构水平方向)2.除与结构连接的关键部件外,其它钢结构剪力设计值为:F V=125KN; 拉力设计值为:F=215KN;3.爬模的每件液压缸的推力为100KN (即10t)。
4.自爬模爬升时,结构砼抗压强度不低于15MPa。
5.假定模板,浇筑,钢筋绑扎工作平台○1宽度为4.0米,则施工荷载为12KN。
6.假定爬升装置工作平台○4宽度为4.0米,则施工荷载为3KN。
7.假定模板后移及倾斜操作主平台○3宽度为5.0米,则施工荷载为。
8.假定分配到单位机位的模板宽度为3米,高度为5米,则模板面积为15平米。
9.假定分配到单位机位的模板自重为15KN。
10.假定最大风荷载为平米,作用在模板表面,侧沿模板高度方向风荷载为×3=米。
11.假定单个机位系统总重为50KN,含支架、平台、跳板、液压设备及工具。
四.用计算软件SAP2000对架体进行受力分析:1.支架稳定性验算确定支架计算简图:按以上计算参数取值,通过计算软件SAP2000绘制轴力、弯矩、剪力和约束反力如下:轴力图弯矩图剪力图约束反力图各杆件的轴力、弯矩、剪力见下表:杆件号轴力KN 弯矩剪力KN 备注1-22-33-4 0 01-41-56-87-8 0 07-9注:显然,若以上杆件满足要求,其它杆件必定满足要求,故可不作分析。
北京卓良模板有限公司模板计算书1.计算依据1.参考资料《建筑结构施工规范》 GB 50009—2001 《钢结构设计规范》 GB 50017—2003 《木结构设计规范》 GB 50005—2003 《混凝土结构设计规范》 GB 50010—2002 《建筑施工计算手册》 江正荣著 《钢结构工程施工质量验收规范》 GB 50205-2001 《公路桥涵施工技术规程》 JTJ041-20002.侧压力计算混凝土作用于模板的侧压力,根据测定,随混凝土的浇筑高度而增加,当浇筑高度达到某一临界时,侧压力就不再增加,此时的侧压力即位新浇筑混凝土的最大侧压力。
侧压力达到最大值的浇筑高度称为混凝土的有效压头。
通过理论和实践,可按下列二式计算,并取其最小值:2/121022.0V t F c ββγ= H F c γ=式中 F------新浇筑混凝土对模板的最大侧压力(KN/m2) γc------混凝土的重力密度(kN/m3)取26kN/m 3t0------新浇混凝土的初凝时间(h ),可按实测确定。
当缺乏实验资料时,可采用t=200/(T+15)计算;实测10hT ------混凝土的温度(°)T=25V------混凝土的浇灌速度(m/h );取0.5m/hH------混凝土侧压力计算位置处至新浇混凝土顶面的总高度(m );取6.0m β1------外加剂影响修正系数,掺外加剂时取1.2;β2------混凝土塌落度影响系数,当塌落度小于30mm 时,取0.85;50—90mm 时,取1;110—150mm时,取1.3。
2/121022.0V t F c ββγ= =0.22x26x10x1.2x1.3 x0.51/2=63.1kN/m 2H F c γ==26x6=156kN/ m 2取二者中的较小值,F=63.1kN/ m2作为模板侧压力的标准值,并考虑倾倒混凝土产生的水平载荷标准值4 kN/ m 2,分别取荷载分项系数1.2和1.4,则作用于模板的总荷载设计值为:计算强度:q=63.1x1.2+4x1.4=82.1kN/ m 2 计算挠度:q=63.1x1.2=75.7kN/ m 2 混凝土自重(加载于浇注混凝土状态下)混凝土自重分力示意图将混凝土自重分成两个方向,其中模板的法向分力为(模板高为6.38米)混凝土自重分力为:q3=26x3.6xsin11 O /6.38=2.9KN/ m 2 有效压头高度:m F h c 42.2261.63===γ3.模板计算模板高度为6.30m ,浇筑高度为6.0m ,面板采用21mm 胶合板;竖向背楞采用木工字梁截面尺寸为80x200,间距为280mm ;水平背楞采用双14号槽钢背楞,最大间距为1200mm 。
液压爬模计算书一. 编制计算书遵守的规范和规程:《建筑结构荷载规范》(GB 50009-2001)《钢结构设计规范》(GBJ 50017-2003)《混凝土结构设计规范》(GB 50010-2002)《混凝土结构工程施工质量验收规范》(GB 50204-2002)《建筑施工计算手册》江正荣编著《钢结构工程施工质量验收规范》(GB 50205-2001)二. 爬模组成:爬模由预埋件、附墙装置、导轨、支架、模板及液压动力装置组成。
三. 计算参数:1. 塔肢液压自爬模各操作平台的设计施工荷载为:模板,浇筑,钢筋绑扎工作平台○1最大允许承载3KN/m (沿结构水平方向)爬升装置工作平台○4最大允许承载0.75KN/m(沿结构水平方向)模板后移及倾斜操作主平台○3最大允许承载1.5KN/m(沿结构水平方向)2. 除与结构连接的关键部件外,其它钢结构剪力设计值为:FV=125KN; 拉力设计值为:F=215KN;3. 爬模的每件液压缸的推力为100KN (即10t)。
4. 自爬模爬升时,结构砼抗压强度不低于15MPa。
5. 假定模板,浇筑,钢筋绑扎工作平台○1宽度为8米,则施工荷载为24KN。
6. 假定爬升装置工作平台○4宽度为8米,则施工荷载为6KN。
7. 假定模板后移操作主平台○3宽度为8米,则施工荷载为12KN。
8. 假定分配到单位机位的模板宽度为4米,高度为4.65米,则模板面积为18.6平米。
9. 分配到单位机位的模板自重为12KN。
10. 假定最大风荷载为2.5KN/平米,作用在模板表面,侧沿模板高度方向风荷载为2.5×3=7.5KN/米。
11. 假定单个机位系统总重为50KN,含支架、平台、跳板、液压设备及工具。
四. 用计算软件SAP2000对架体进行受力分析:1. 支架稳定性验算确定支架计算简图: 按以上计算参数取值,通过计算软件SAP2000绘制轴力、弯矩、剪力和约束反力如下:各杆件的轴力、弯矩、剪力见下表:注:显然,若以上杆件满足要求,其它杆件必定满足要求,故可不作分析。
液压爬升模板工程技术规程一、前言本文旨在介绍液压爬升模板的工程技术规程,包括设计、制造、安装和使用等方面的要求。
液压爬升模板是建筑施工中常用的一种设备,具有重要的作用,但也存在一定的安全风险。
因此,在使用液压爬升模板前,必须了解并遵守相关规程。
二、设计要求1.结构设计液压爬升模板应符合国家相关标准和规定,并经过专业设计机构审核。
其结构应合理、稳定,能够承受预期荷载,并具备防倾倒、防滑移等安全措施。
2.材料选用液压爬升模板主体部分应选用优质钢材或其他适用材料,并经过检验合格。
各个部件之间的连接应牢固可靠。
3.尺寸要求液压爬升模板的尺寸应根据实际需要进行设计,并考虑到施工现场的实际情况。
各个部件之间的间距和角度应符合设计要求。
三、制造要求1.加工制造液压爬升模板的加工制造应符合国家相关标准和规定,并经过质量检验合格。
各个部件之间的连接应采用焊接、螺栓连接等方式,确保牢固可靠。
2.表面处理液压爬升模板表面应进行除锈、防腐处理,以延长使用寿命。
四、安装要求1.安装前准备在安装液压爬升模板前,必须对施工现场进行勘测,并了解地基情况、周围环境等因素。
同时,还需对设备进行检查,确保各个部件完好无损。
2.安装方法液压爬升模板的安装应按照设计要求进行,并采取相应的安全措施。
在安装过程中,必须确保设备稳定可靠,并注意防止倾倒、滑移等情况发生。
3.验收标准在液压爬升模板安装完成后,必须进行验收。
验收标准包括结构是否稳定、连接是否牢固、操作是否灵活等方面。
五、使用要求1.操作规程在使用液压爬升模板前,必须了解其操作规程,并由专业人员进行操作。
操作人员必须持有相应的证书,并经过培训合格。
2.安全措施在使用液压爬升模板时,必须采取相应的安全措施,包括防止倾倒、滑移、碰撞等情况发生。
同时,还需对设备进行定期检查和维护,确保其正常运行。
3.故障处理在液压爬升模板出现故障时,必须立即停止使用,并由专业人员进行处理。
不得私自拆卸或修理设备。
升降平台液压系统计算书升降平台计算书一、油缸的设计计算1、多级同步垂直伸缩油缸设计计算多级液压油缸的设计41)最小缸筒内径D即第三级缸筒的内径(单位mm) ,,FDP4*20000,,60.32,*7其中 F为缸体最大受力,单位N ; P为系统压力,单位MP。
计算出缸筒内径D后,圆整到国家标准油缸参数(见液压手册1057页)。
为了足够的稳定性,我们选择的多级缸中最小的缸径70mm,充分满足要求。
2)活塞杆直径d(单位mm)根据国家标准的多级油缸参数,找到缸筒内径D对应的活塞杆直径d,考虑到减重及稳定性等参数,尽量选择对应较大速比的d。
得出最小活塞杆直径d=55mm。
3)第三级缸筒外径D1(单位mm)根据国家标准油缸参数,找到缸筒内径D对应的缸筒外径D1(JB 1068-67),然后根据缸筒强度计算公式校对D1(计算公式见第5项),D1=100mm。
同理得出各个缸筒内径和杆径分别Ф200/Ф155;Ф125/Ф100;Ф70/Ф55。
4)各缸筒的内径d1(单位mm)d1的确定要根据活塞杆强度验算公式及稳定性公式验算(强度及稳定性公式分别见5、6项)。
5)校验缸筒强度是否满足要求?第一缸筒强度pD7*1.5*200y,, ,,70 ,22*15 ?第二级缸筒强度pD7*1.5*125y,, ,,43.75 ,22*15 ?第三级缸筒强度pD7*1.5*80y,, ,,28 ,22*15 式中,—缸筒应力,单位MPa; ,pp—试验压力, 单位MPa,等于1. 5倍工作压力p; yy D—缸筒内径,单位mm;, —缸筒壁厚,,单位mm; ,,(D,D)/21 [,],,,,,/n,600/3,200MPa —材料许用应力,; b,,600MPa —抗拉强度,材料选用45号钢; ,bbn,3 —安全系数,一般取—5。
n[,]根据要求缸筒应力应小于材料许用应力。
可见本设计远远小于, 材料的许用应力。
6)校验活塞杆稳定性是否满足要求液压缸承受轴向压缩载荷时,要计算活塞杆稳定性,活塞杆计算长度L(全伸长度)与活塞杆直径d之比大于10时(即L/d)应计算活塞杆的稳定性。
液压自动化爬升模板系统结构设计复核计算书液压自动化爬升模板系统结构设计复核计算报告东南大学土木工程学院二〇〇八年七月目录1 概述 (1)1.1自爬模组成 (1)1.2液压自爬模系统的工作步骤及原理 (3)1.3液压自爬模的特点 (6)1.4结构计算复核的主要内容 (8)2 液压自爬升模板系统架体结构计算的相关参数 (9)2.1液压自爬升模板系统基本参数 (9)2.2液压自爬升模板系统关键计算参数 (9)3 计算模式一:直爬的理论解析计算 (11)3.1荷载参数及计算 (11)3.1.1 恒载计算 (12)3.1.2活载计算 (12)3.1.3风荷载计算 (13)3.2爬模支架计算简图 (14)3.5爬升模板系统局部构件的验算 (15)3.5.1单个埋件的抗拔力计算 (15)3.5.2 锚板处砼的局部受压抗压力计算 (15)3.5.3受力螺栓扭矩计算 (16)3.5.4 受力螺栓的抗剪力和抗拉力的计算 (17)3.5.5 爬锥处砼的局部受压抗剪力计算 (17)3.5.6 导轨梯档的抗剪力计算 (18)3.5.7承重楔的抗剪力计算 (18)4 计算模式二:斜爬的空间有限元仿真分析 (19)4.1 模型建立 (19)4.1.1单元选取 (21)4.1.2边界条件 (22)4.1.3材料属性 (23)4.2计算工况 (23)4.3 计算结果 (25)4.3.1工况1计算结果 (26)4.3.2工况2计算结果 (29)4.3.3工况3计算结果 (35)4.4 小结 (39)5复核计算初步结论 (39)项目基本信息 (40)1 概述液压自爬模是现浇竖向钢筋混凝土结构的一项先进施工工艺,它是在建筑物或构筑物的基础上,按照平面图,沿结构周边一次性装设好模板,随着模板内逐层浇筑混凝土和绑扎钢筋,逐层提升模板来完成整个建(构)筑物的浇筑和成型。
液压自爬模已经在桥梁、高层建筑等等方面得到了广泛的应用。
在当前的桥梁建设中,液压自爬模有着举足轻重的作用,特别是高度在100米以上的墩柱和桥塔中,有更加广泛的应用。
虎门二桥S4标坭洲水道桥主塔液压爬模计算书(A版)广东省长大公路工程有限公司虎门二桥S4标项目经理部2015年7月目录1计算依据........................... 错误!未定义书签2爬模结构图......................... 错误!未定义书签3架体受力分析....................... 错误!未定义书签计算工况 ........................ 错误!未定义书签计算荷载 ........................ 错误!未定义书签荷载组合 ........................ 错误!未定义书签计算结果 ........................ 错误!未定义书签4埋件、重要构件和焊缝计算................... 错误!未定义书签单个埋件抗拔力计算 ................... 错误!未定义书签锚板处混凝土局部受压抗压力计算 ............. 错误!未定义书签受力螺栓的抗剪力和抗拉力的计算 ............ 错误!未定义书签爬锥处的局部受压抗剪力计算 ............... 错误!未定义书签导轨梯档抗剪力计算 ................... 错误!未定义书签承重插销抗剪力计算 ................... 错误!未定义书签附墙撑强度验算 ..................... 错误!未定义书签5模板验算........................... 错误!未定义书签混凝土侧压力计算 ..................... 错误!未定义书签面板验算 ........................ 错误!未定义书签木梁验算 ........................ 错误!未定义书签背楞验算 ........................ 错误!未定义书签组合挠度 ........................ 错误!未定义书签对拉杆验算 ...................... 错误!未定义书签坭洲水道桥主塔液压爬模计算书1计算依据1)《虎门二桥工程施工设计图纸》2)《建筑结构荷载规范》(GB 50009-2001)3)《钢结构设计规范》(GB 50017-2003)4)《混凝土结构设计规范》(GB 50010-2002)5)《混凝土结构工程施工质量验收规范》(GB 50204-2002)6)《钢结构工程施工质量验收规范》(GB 50205-2001)7)《液压爬升模板工程技术规程》(JGJ 195-2010)2爬模结构图爬模由预埋件、附墙装置、导轨、支架、模板及液压动力装置组成,如下图所示。
液压自动爬升模板ACSX50计算书山东新港国际模板工程技术有限公司《液压爬升模板工程技术规程》(JGJ 195-2010)《建筑结构荷载规范》(GB 50009-2012)《钢结构设计规范》(GB 50017-2003)《混凝土结构设计规范》(GB 50010-2010)《混凝土结构工程施工质量验收规范》(GB 50204-2010)《钢结构工程施工质量验收规范》(GB 50205-2001)《建筑施工计算手册》第二版《建筑工程模板施工手册》第二版《建筑施工手册》第四版2.爬模组成爬模由预埋件、附墙装置、导轨、支架、模板及液压动力装置组成,各系统组成如表1所示,结构及连接示意图如图1所示。
表1 爬模各系统组成图1 架体示意图3.计算参数1)液压自爬模各操作平台的设计施工荷载为:浇筑、钢筋绑扎操作平台①最大允许承载Fk14.0KN/m2(爬升时1.0KN/m2)模板安装操作平台②③最大允许承载Fk20.75KN/m2(爬升时0KN/m2)模板后移及主操作平台④最大允许承载Fk31.5KN/m2(爬升时0.5KN/m2)爬升装置工作平台⑤最大允许承载Fk41.0KN/m2(爬升时1.0KN/m2)拆卸爬锥工作平台⑥最大允许承载Fk51.0KN/m2(爬升时0KN/m2)2)除与结构连接的关键部件外,其它钢结构剪力设计值为:FV=125KN;拉力设计值为:F=215KN;3)爬模的每件液压缸的推力为150KN; 4)爬模爬升时,结构砼抗压强度不低于15MPa;5)架体系统:架体支承跨度:≤5米(相邻埋件点之间距离,特殊情况除外);架体高度: 17.3米;架体宽度:主平台④=2.9m,上平台①=2.4m,模板平台②③=1.2m,液压操作平台⑤=2.6m,吊平台⑥=1.7m;6)电控液压升降系统:额定压力: 25Mpa;油缸行程: 400mm;额定推力: 150KN;双缸同步误差:≤20mm;7)依据设计图纸,各项计算取值:本工程实际单元最大跨度24.2米;本工程每单元设置六榀爬升机位;本工程每单元设置十个后移模板支架;本工程模板实际高度为6.15米。
液压自动化爬升模板系统结构设计复核计算报告东南大学土木工程学院二〇〇八年七月目录1 概述 (1)1.1自爬模组成 (1)1.2液压自爬模系统的工作步骤及原理 (3)1.3液压自爬模的特点 (6)1.4结构计算复核的主要内容 (8)2 液压自爬升模板系统架体结构计算的相关参数 (9)2.1液压自爬升模板系统基本参数 (9)2.2液压自爬升模板系统关键计算参数 (9)3 计算模式一:直爬的理论解析计算.................................. 错误!未定义书签。
3.1荷载参数及计算 (10)3.1.1 恒载计算 (11)3.1.2活载计算 (12)3.1.3风荷载计算 (13)3.2爬模支架计算简图 (14)3.5爬升模板系统局部构件的验算 (16)3.5.1单个埋件的抗拔力计算 (16)3.5.2 锚板处砼的局部受压抗压力计算 (17)3.5.3受力螺栓扭矩计算 (18)3.5.4 受力螺栓的抗剪力和抗拉力的计算 (19)3.5.5 爬锥处砼的局部受压抗剪力计算 ............................... 错误!未定义书签。
3.5.6 导轨梯档的抗剪力计算 (20)3.5.7承重楔的抗剪力计算 (21)4 计算模式二:斜爬的空间有限元仿真分析 (22)4.1 模型建立 (22)4.1.1单元选取 (24)4.1.2边界条件 (25)4.1.3材料属性 (26)4.2计算工况 (26)4.3 计算结果 (28)4.3.1工况1计算结果 (29)4.3.2工况2计算结果 (32)4.3.3工况3计算结果 (37)4.4 小结 (42)5复核计算初步结论 (42)项目基本信息 (43)1 概述液压自爬模是现浇竖向钢筋混凝土结构的一项先进施工工艺,它是在建筑物或构筑物的基础上,按照平面图,沿结构周边一次性装设好模板,随着模板内逐层浇筑混凝土和绑扎钢筋,逐层提升模板来完成整个建(构)筑物的浇筑和成型。
液压自爬模已经在桥梁、高层建筑等等方面得到了广泛的应用。
在当前的桥梁建设中,液压自爬模有着举足轻重的作用,特别是高度在100米以上的墩柱和桥塔中,有更加广泛的应用。
在润扬长江大桥、苏通长江大桥、舟山跨海大桥等这样的世界级桥梁中,均采用了液压自爬模的工艺,实践证明该工艺是成熟的。
图1-1 液压自动爬模系统在桥塔施工中的应用1.1自爬模组成液压自动化爬模系统的组成如图1-2所示,其基本组成可以分为上平台、中平台和下平台三个部分。
主要部件有:主梁,立杆,可调斜撑,中平台,下平台,上平台架体,液压顶升装置等。
自爬模的顶升运动通过液压油缸对导轨和爬架交替顶升来实现。
导轨和爬模架互不关联,二者之间可进行相对运动。
当爬模架工作时,导轨和爬模架都支撑在埋件支座上,两者之间无相对运动。
退模后立即在退模留下的爬锥上安装受力螺栓、挂座体、及埋件支座,调整上下轭棘爪方向来顶升导轨,待导轨顶升到位,就位于该埋件支座上后,操作人员立即转到下平台拆除导轨提升后露出的位于下平台处的埋件支座、爬锥等。
在解除爬模架上所有拉结之后就可以开始顶升爬模架,这时候导轨保持不动,调整上下棘爪方向后启动油缸,爬模架就相对于导轨运动,通过导轨和爬模架这种交替附墙,互为提升对方,爬模架即可沿着墙体上预留爬锥逐层提升。
图1-2 液压自动爬模系统的组成1.2液压自爬模系统的工作步骤及原理液压自爬模系统的工作步骤如图1-3~图1-11。
图1-3 合模,浇筑第一节起步段砼图1-4浇筑第二层砼,以满足安装高度图1-5 进行架体一平台部分的安装图1-6 安装各层平台的围护结构图1-7连接模板与上平台架体连接,退出模板,安装好液压系统图1-8 安装顶层附墙支座,插导轨,铺各层平台木板,挂安全网图1-9 向上进行爬升一层图1-10 安装吊平台,拉好吊平台安全网。
图1-11 向上进行正常施工与爬升1.3液压自爬模的特点根据液压自爬模系统的工作原理可见,其特点如下:➢液压爬模可整体爬升,也可单榀爬升,爬升稳定性好。
液压爬升过程平稳、同步、安全。
采用液压同步自爬模体系爬升速度快,可以提高工程施工速度(平均四天一层),最快的可达到2.5天。
➢操作方便,安全性高,可节省大量工时和材料。
➢除了因为建筑结构的要求(如墙面突然缩进或形状突变)需要对模板及架体改造之外,一般情况下爬模架一次组装后,一直到顶不落地,节省了施工场地,而且减少了模板(特别是面板)的碰伤损毁。
➢木模板体系可适应结构变化,简化现场操作的困难程度。
➢提供全方位的操作平台,施工单位不必为重新搭设操作平台而浪费材料和劳动力。
➢结构施工误差小,纠偏简单,施工误差可逐层消除。
➢液压自爬模体系的模板安放在模板支架操作主平台上,而且在平台上有大于500mm的操作空间供模板前后移动脱模和合模,同时可以进行模板表面清理、涂刷脱模剂等工作。
➢液压同步自爬模的液压系统布置在主平台主梁下,通过液压油缸传动,利用导轨做依托将整个模板操作架进行整体提升,也可以爬模架为依托将导轨顶升到上一个锚固位置。
➢液压同步自爬模体系承载能力大(每个机位的顶升力为10KN),根据要求的恒载、活载、液压油缸参数进行承载三角架等设计,安全性、稳定性得到保证。
液压同步自爬模体系实现了真正意义上的自爬和同步,自爬时爬模主平台,上下平台、模板等,通过与主平台主梁相连的液压油缸提升装置提升操作架,而且提升过程中任一时刻速度相同,行程相同,其最大不同步差不大于20mm。
➢液压同步自爬模采用的是全液压自爬体系,模板安装到平台上之后,就不再需要塔吊吊装。
既不占用施工场地,又不占用垂直运输设备,这种自爬体系除了大大降低塔吊的使用负荷,模板也减少了磕碰损毁的可能。
在狭小的场地上进行高层建筑芯筒施工更显其优势。
➢液压同步自爬模可整体爬升,也可单榀或几榀爬升;不仅可以外墙爬升,也可以内墙独立爬升,可以方便的配合施工。
➢爬升稳定性好,操作方便,安全性高。
本身已有可靠的安全围护,机构和零件设计时留有足够的安全储备,关系安全的关键零件配备双套机构,液压顶升油缸配备双向液压安全锁,使施工更安全可靠。
➢液压同步自爬模爬升体系提供全方位的操作平台和物料平台,一次性搭设,施工中不需要重新搭设平台而耗费时间、材料和劳动力。
模板退出后有足够的清理空间,配用进口芬兰覆膜维萨板,混凝土表面观感质量好、能够达到清水砼的要求。
➢模板垂直度、水平度易于调整控制,并且避免了施工误差的积累,因而构筑物的垂直度等得到有力的保障。
➢液压同步自爬模系统在一般情况下只做向上顶升的动作(顶升导轨,抑亦顶升爬模架)在特殊情况下也可做下降爬模架的动作,比如在热带风暴(台风)来临之前就可以将爬模架降下来,背靠混凝土墙面,系好防风缆绳。
因而广泛应用于民建钢结构核心筒,桥梁的主塔和桥墩等高耸构造物,特别在施工场地狭窄的场合更显其优越性。
1.4结构计算复核的主要内容本计算复核报告的主要内容包括以下七点内容:(1)计算混凝土按照1000:4500倾斜角度倾斜后,混凝土的自重作用在架体上,架体各部件的强度、刚度,预埋件的强度是否足够;(2)主平台架稳定性验算;(3)主三角架稳定性验算;(4)主纵梁变形计算;(5)架体在风载下的抗风稳定性验算;(6)模板受力计算(不考虑混凝土初凝);(7)对于计算结果不满足规范要求的杆件提出优化建议。
本次计算采用有限元方法计算模式。
有限元计算方法计算模式按照1000:4500倾斜角斜爬,面宽10米,分层高度4.5米,进行空间计算。
编制计算书遵守的规范和规程:《建筑结构荷载规范》(GB 50009-2001)《钢结构设计规范》(GBJ 17-88)《混凝土结构设计规范》(GB 50010-2002)《混凝土结构工程施工质量验收规范》(GB 50204-2002)《建筑施工计算手册》江正荣编著《钢结构工程施工质量验收规范》(GB 50205-2001)《公路桥涵设计通用规范》(JTG D06-2004)《公路钢筋混凝土及预应力混凝土桥涵设计规范》JTG D62-2004《钢结构用高强度大六角头螺栓》(GB T 1228-2006)2 液压自爬升模板系统架体结构计算的相关参数2.1液压自爬升模板系统基本参数(1)架体系统:架体支承跨度:≤6米(相邻埋件点之间水平距离);外架体高度:约13.5米;外架体宽度:主平台2.70m,上平台1.20米、中、下平台1.20米;(2)液压升降系统额定工作压力:25MPa;油缸行程:400mm;伸出速度:外墙油缸380mm/min;(依配用的控制台型号和顶升油缸的数量的多少其值略有所差别)顶升油缸额定推力:100kN;串联双油缸不同步差: ≤20mm.(3)爬升机构爬升机构有自动导向、液压升降、自动复位的锁定机构,能实现架体与导轨互爬的功能。
2.2液压自爬升模板系统关键计算参数(1)塔肢内外墙液压自爬模各操作平台的设计施工荷载为:模板,浇筑,钢筋绑扎工作平台最大允许承载3kN/m2爬升装置工作平台最大允许承载 1.5kN/m2模板后移及倾斜操作主平台最大允许承载 1.5kN/m2电梯人口平台最大允许承载 1.0kN/m2系统工作平台总体额定承载能力(按顶层计) 3.0kN/m2(注:筒内墙各爬升机位外侧空间用木工字梁搭设的平台不能作为物料平台使用,只是操作人员的操作空间。
)(2)剪力设计值为:F V=80kN; 拉力设计值为:F=100kN;(3)爬模整体提升,同一榀爬架提升机位间同步差控制在20mm以内。
(4)爬模的每根液压缸的推力为100kN (即10t)。
(5)自爬模爬升时,结构砼抗压强度不低于15MPa。
3.1 SAP2000计算基本数据的确定核算部位的确定:按塔肢倾斜形状,塔身内侧爬模工作状态最为恶劣,如塔身内侧爬模满足要求,其它面的爬模肯定满足要求,故只需计算内侧爬模是否满足要求:按浇筑施工程序,标准层浇筑高度4500mm,要求相应削减因倾斜向上而收缩的模板宽度,最大的一块模板为10000mm,高度为4800mm。
取最大面积为10x4800=48平方米的模板来进行验算。
这块模板重量最大,若它满足设计要求,其它就都能满足要求。
以下按三个机位一起顶升这块大模板来验算其支撑能力。
为确保液压爬模架体的受力状态充分满足本工程的需要,塔肢的倾斜度按照1000:4500的斜度计算。
该计算结果如能通过复核,在实际施工中液压爬模安全系数将大幅提高。
图3-1顺桥向内侧面爬模架体简图3.1.1 恒载计算外爬架的横载包括脚手板自重、模板自重、外架自重。
a.脚手板自重W1:由图纸可知脚手板共分五层,上层1-2层长12米,宽1.6米,面积为:A=12×1.6=19.2m2主平台宽度长12米,宽2.7米, 面积为:A=12×2.7=32.4m2-1层平台宽度长12米,宽2.2米, 面积为:A=12×2.2=26.4m2-2层平台宽度长12米,宽1.5米, 面积为:A=12×1.5=18m2所以整个单面架子脚手板总平方数:A1= 19.2+19.2+32.4+26.4+18=115.2平方查木材比重(含水率15%)为0.4-0.75吨/立方,取平均值为0.57吨/立方木板选用厚度为4CM的板材木板总重量为115.2×0.04×0.57=2.63吨=25.77KNW1=分摊到每个机位的木板重量为25.77KN/3=8.59KNb.模板的自重W2:模板标准重量为:72kg/m2,面积A=48 m2(每平方模板含几形钢梁四根共计25.6KG,[14a背楞两根共计29.07KG,WISA面板14.81KG,小配件计2.5KG,以上合计72KG/ m2)所以单个机位承重: W2=(72×48/3)x9.8=11.29(kN)c.外架自重W3:由图纸可查得每个机位爬模架自重(不含导轨和埋件支座及埋件总成) 18KN,机位间联系机构(栏杆,剪刀撑,跳板支承等)19.71kN(见下表),所以:W3=18+19.71/3 =24.57(kN)每个机位的永久荷载总重:W=( W1+ W2+ W3) ×1.2=44.45×1.2= 53.34(kN)式中1.2为荷载分项系数横桥向联系结构重量统计表3.1.2活载计算施工期间,主要使用的平台为钢筋绑扎工作平台,该平台要承受钢筋的临时荷载及施工人员有活载。