石灰稳定土底基层施工工艺流程图
- 格式:doc
- 大小:29.50 KB
- 文档页数:3
石灰粉煤灰稳定土(底)基层标准化施工一、一般要求1.石灰粉煤灰稳定土(二灰土)施工期的日最低温度应在5。
(:以上,应在第一次重冰冻(-3。
C~-5。
C)到来之前一个月完成。
2、提倡集中厂拌法拌制,摊铺机摊铺。
可采用全幅路拌法一层摊铺施工。
拌和时采用专用的稳定土拌和机拌和。
3、每层的压实厚度不宜超过20cm,每层的最小压实厚度为10cm。
严禁用薄层贴补的办法进行找平。
二.材料要求1.石灰应符合III级或III级以上石灰各项技术要求。
石灰要分批进料,既不影响工程进度,也不过多存放;应尽量缩短堆放时间,存放时必须加以覆盖封存,妥善保管。
2、粉煤灰中的SiO2、AL2O3s Fe2O3总含量应大于70%,烧失量不应超过20%,比表面积宜大于2500cm∕g o粉煤灰块不应大于12mm,且9.5mm和2.36mm筛孔的通过量应分别不低于95%和75%o3、宜采用塑性指数12~20的粘土(亚粘土),有机质含量不大于10%,土块最大粒径不大于15mm o如因取土困难或费用过高而必须使用时,应采取相应措施,通过室内试验和试铺,经论证质量符合要求后施工。
4、二灰稳定土做底基层时,土中的碎石、硕石颗粒的最大粒径不应超过37.5mm;做基层时,石料的最大粒径不应超过31.5腿二灰的质量应占15%-20%.5、石灰应在使用前一周充分消解,并过IOmm的筛孔。
必要时,增加破碎机破碎。
6、硫酸盐含量超过0.8%和有机质含量超过10%的土不宜选用。
7、凡饮用水均可使用。
三、施工前准备1.将拌和设备安装调试完毕后由计量部门进行计量系统的标定,并经项目法人或总监办认可。
2、建立施工工点质量保证体系、制定质量技术控制措施、工程进度计划等提交监理工程师批准后进行技术交底工作。
3、根据设计图纸提供的纵断面参数,*庄号按照5m为最小单位依次计算好设计中*庄、边桩的高程。
4、对己交验的路基放出底基层的中线和边线,每IOm设一中线*庄(曲线段5m),并在两侧路肩边缘设置指示桩,*庄上明显标记设计高程,用白灰画出边缘线。
2.2石灰粉煤灰稳定砂砾(碎石)基层施工工艺标准1适用范围适用于公路工程、城镇道路工程采用石灰粉煤灰稳定天然砂砾(碎石)的基层和底基层施工。
2 基本规定《城镇道路工程施工与质量验收规范》(CJJ 1—2008)3 施工准备3.1技术准备及要求3.1.1 认真审核设计图纸,编制路面基层施工方案已经审批,并向有关人员进行技术交底。
3.1.2 各种原材料经检验合格,已获得最佳含水量和最大干密度数据。
混合料的配合比设计已完成。
3.1.3 根据设计文件校核平面和高程控制桩,复核和恢复路床路面中心线、边线等全部基本桩号。
按基层施工要求加密坐标点、水准点控制网。
直线段每10m、曲线段每5m钉桩,确定平面位置和高程。
3.1.4 大面积施工前应完成试验段施工,通过试验段确定合理的机械组合、碾压遍数、施工含水量、虚铺厚度以及生产能力等工艺指标。
3.2材料准备及要求本分项工程符合本工程《城镇道路工程施工与质量验收规范》(CJJ 1—2008)中的相关要求。
并在开工前将材料出厂合格证及材料试验报告呈驻地监理工程师审查验收,作为开工报告的组成部分。
3.2.1 石灰:石灰在使用前7~10天充分消解,每吨石灰消解用水量500~800公斤,但不得过湿成团,石灰宜用 1~3 级的新灰,石灰的技术指标应符合表3.2.1 的规定。
指标石灰应符合下列要求:表3.2.1石灰技术指标注:硅、铝、镁氧化物含量之和大于5%的生石灰,有效钙加氧化镁含量指际,Ⅰ等≥75%,Ⅱ等≥70%tⅢ等≥60%;末消化残渣含量指标均与镁质生石灰指标相同。
2) 磨细生石灰,可不经消解直接使用;块灰应在使用前 2~3 d 完成消解,未能消解的生石灰块应筛除,消解石灰的粒径不得大于 10cm。
3)对储存较久或经过雨期的消解石灰应先经过试验,根据活性氧化物的含量决定能否使用和使用办法。
3.2.2 粉煤灰:所用的粉煤灰中SiO2、Al2O3和Fe2O3的总含量大于70%,粉煤灰的烧失量不超过20%;粉煤灰的比面积宜大于2500cm2/g,施工中干粉煤灰和湿粉煤灰都可以使用。
.2、施工方法1、准备下承层石灰稳定土下底基层的下承层应平整、坚实,是已经检查验收过的下承层,并进行了工序交接.2、施工放样恢复中线,直线段每20m设一中桩,曲线段每10m设一中桩,同时放出边桩;重新闭合水准点,以防原水准点出现误差。
3、备土土源部分来自边沟,部分需外运,备土虚铺系数从试验段中得出,人工配合平地机找平,用水准仪按设计高程复核,预留虚铺厚度。
4、备白灰计算白灰用量,提前备料,石灰达到设计要求的三级灰以上标准。
充分消解白灰,但水分不宜过多,以手抓有湿润感但不成团为宜。
5、白灰撒布将消解后的白灰均匀地撒布在稳压且整平的素土上,为保证边缘地带的白灰含量,应适当加大白灰的撒布量。
6、石灰稳定土拌和石灰稳定土拌和前必须保证白灰的虚铺厚度和含水量都达到设计的要求。
拌和要均匀一致,不得有夹层(包括和下承层之间的夹层以及新老路基结合处的夹层,以确保工程质量)。
7、混合料的含水量根据试验段以及以前施工的经验,混合料的含水量应控制在比最佳含水量高1%~2%,并及时取样做含水量检测及制作无侧限抗压试件.8、碾压a、石灰稳定土拌和后,用推土机进行稳压,然后用平地机初平,测量人员严格控制高程,并预留碾压厚度。
b、用20t振动压路机,首先稳压,然后震动碾压,直线段由两边向中间;平曲线段由内侧向外侧,纵向进退式进行。
c、振动压路机进行碾压时横向应重叠三分之二轮宽,碾压速度控制在1.5~1。
7km/小时,对三钢轮压路机,一般重叠后轮宽的二分之一。
相邻两区段宜纵向重叠 1.0~1。
5m。
达到无漏压、无压死角,确保碾压均匀。
采用振动压路机碾压时,第一遍静压,然后先慢后快由弱振至强振。
后用18~21t三钢轮压路机碾压。
在碾压过程中表面应保持湿润。
d、振动压路机稳压一遍、强振两遍,三钢轮静碾两遍后,及时进行压实度检测,压实度达不到设计要求时。
应及时进行补压e、碾压过程中如有弹簧、翻浆、松散、起皮等现象,应及时加入适量的白灰,采取重新拌和或用其他方法处理.使其达到质量要求.9、养生碾压完成后及时进行洒水养生,养生时间为7天,并严禁开放交通。
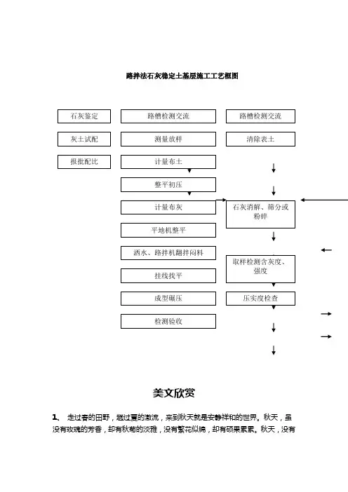
路拌法石灰稳定土基层施工工艺框图美文欣赏1、走过春的田野,趟过夏的激流,来到秋天就是安静祥和的世界。
秋天,虽没有玫瑰的芳香,却有秋菊的淡雅,没有繁花似锦,却有硕果累累。
秋天,没有夏日的激情,却有浪漫的温情,没有春的奔放,却有收获的喜悦。
清风落叶舞秋韵,枝头硕果醉秋容。
秋天是甘美的酒,秋天是壮丽的诗,秋天是动人的歌。
2、人的一生就是一个储蓄的过程,在奋斗的时候储存了希望;在耕耘的时候储存了一粒种子;在旅行的时候储存了风景;在微笑的时候储存了快乐。
聪明的人善于储蓄,在漫长而短暂的人生旅途中,学会储蓄每一个闪光的瞬间,然后用它们酿成一杯美好的回忆,在四季的变幻与交替之间,散发浓香,珍藏一生!3、春天来了,我要把心灵放回萦绕柔肠的远方。
让心灵长出北归大雁的翅膀,乘着吹动彩云的熏风,捧着湿润江南的霡霂,唱着荡漾晨舟的渔歌,沾着充盈夜窗的芬芳,回到久别的家乡。
我翻开解冻的泥土,挖出埋藏在这里的梦,让她沐浴灿烂的阳光,期待她慢慢长出枝蔓,结下向往已久的真爱的果实。
4、好好享受生活吧,每个人都是幸福的。
人生山一程,水一程,轻握一份懂得,将牵挂折叠,将幸福尽收,带着明媚,温暖前行,只要心是温润的,再遥远的路也会走的安然,回眸处,愿阳光时时明媚,愿生活处处晴好。
5、漂然月色,时光随风远逝,悄然又到雨季,花,依旧美;心,依旧静。
月的柔情,夜懂;心的清澈,雨懂;你的深情,我懂。
人生没有绝美,曾经习惯漂浮的你我,曾几何时,向往一种平实的安定,风雨共度,淡然在心,凡尘远路,彼此守护着心的旅程。
沧桑不是自然,而是经历;幸福不是状态,而是感受。
6、疏疏篱落,酒意消,惆怅多。
阑珊灯火,映照旧阁。
红粉朱唇,腔板欲与谁歌?画脸粉色,凝眸着世间因果;未央歌舞,轮回着缘起缘落。
舞袖舒广青衣薄,何似院落寂寞。
风起,谁人轻叩我柴扉小门,执我之手,听我戏说?7、经年,未染流殇漠漠清殇。
流年为祭。
琴瑟曲中倦红妆,霓裳舞中残娇靥。
冗长红尘中,一曲浅吟轻诵描绘半世薄凉寂寞,清殇如水。
石灰稳定土底基层施工方法一、准备与施工测量石灰稳定土的下承层表面应平整、密实,具有规定的路拱。
压实度、弯沉及平整度符合规范规定。
施工前,对顶面标高逐断面检查,其表面没有任何松散的材料。
经检验合格后,恢复中线,并在两侧路面边缘外设指示桩,标出石灰稳定土层边缘的松铺高程和设计高程。
二、备料1、石灰选在公路两侧宽敞、临近水源且地势较高的场地集中堆放。
预计堆放时间较长时,应用土、塑料布或其他材料覆盖封存。
2、石灰堆放在集中拌和场地时,宜搭防雨棚保护。
生石灰块在使用前7~10天充分消解,消解的生石灰要经常洒水或覆盖,防止起风引起环境污染和居民生活。
每吨石灰消解需用水量一般为500~800kg。
消解后的石灰必须保持一定的湿度,以免过干飞扬,但也不能过湿成团。
消石灰宜过孔径10mm的筛,并尽快使用。
3、根据石灰稳定土土层的厚度和预定的干密度及石灰剂量,计算每一平方米石灰稳定土需用的石灰重量,并计算每车石灰的摊铺面积。
三、试验段在正式开工前,拟定试验段方案,确定施工工艺、机械设备组合、人员组织、压实变数、确定材料用量、确定松铺系数等参数。
四、布料和摊铺1、根据试验计算出的松铺系数,确定填土的松铺厚度,保证压实厚度最大不超过20cm,最小不低于10cm,土运输用自卸汽车运输,每车装土量要求相等,保证每车数量一致,按格卸料。
达到一定长度时用推土机摊铺,平地机初平,用光轮压路机快速静压2遍,防止其上层材料运输时碾出车辙。
放土宽度大于设计宽度50cm以保证拌和机能够拌和到边。
并通过高程测量检验是否达到设计高程,高出部分用平地机铲除,不足部分不吐。
2、按规定计算每车石灰的纵横间距离,用石灰在集料层上做卸置石灰的标记,同时划出摊铺石灰的边线。
石灰卸置后均匀摊开,铺摊完后表面没有空白位置。
五、拌和与洒水1、采用稳定土拌和机拌和,铧犁作为辅助设备配合拌和。
2、拌和深度以打入底基层1cm为限,以保证上下层的连接。
为确保配比的准确性,通过滴定法,检测石灰稳定土中石灰含量,如不足及时加石灰。
石灰稳定土施工方法石灰稳定土是一种常用于市政道路工程的材料,其施工方法如下。
一、施工准备一)技术准备1.进行原材料试验,包括颗粒分析、液限和塑性指数、击实试验、碎石或砾石的压碎值、有机质含量和磷酸盐含量等。
此外,还需检验石灰的有效钙和氧化镁含量。
如试验碎石、碎石土、砂砾、砂砾土等继级配不好的材料,宜先改善其级配。
2.按照土壤种类及石灰质量通过击实试验确定配合比和石灰最佳含水量、最大干密度。
3.进行100m~200m试验段施工,通过试验段的修筑确定压实机械的选择和最佳组合,碾压的基本原则,灰土均匀性所需的拌和遍数,松铺系数及压实层厚度,碾前含水量偏差最佳含水量所允许的范围等。
二)材料要求1.石灰:石灰土选用Ⅲ级以上的钙质生石灰,其有效钙加氧化镁含量不得低于70%,在用于工程施工之前7天,充分进行消解,未消残渣含量不大于17%。
稳定土选用塑性指数为10~15的黏性土,土粒的最大粒径不小于10mm,硫酸盐含量小于0.8%,有机质含量小于10%。
水选用纯净的饮用水。
石灰土混合料压实后7天浸水无侧限抗压强度应不小于设计值,压实度大于设计值。
通过试验选取最适宜的稳定土,确定必须的石灰剂量和混合料的最佳含水量。
2.稳定土:采用固定取土场土质,用作高速公路和一级公路的底基层时,颗粒最大粒径不超过37.5mm。
土以塑性指数10~20的黏性土为宜;用石灰稳定无塑性指数的级配砂砾、级配碎石、未筛分碎石时,应添加15%左右的黏性土;试验塑性指数偏大的黏性土时,应进行粉碎,粉碎后土块的最大尺寸不应大于15mm。
土的有机质含量不超过10%,硫酸盐含量超过0.8%时不宜用石灰稳定。
使用特殊类型的土壤如级配砾石、砂石、杂填土等应经试验决定。
碎石或砾石的压碎值应符合以下要求:用于高速公路和一级公路底基层应不大于35%,用于二级和二级以下公路底基层应不大于40%;用于二级公路基层应不大于30%,用于二级以下公路基层应不大于35%。
石灰土路面底基层施工技术【摘要】:本文介绍了石灰土路面底基层施工技术,并对石灰土施工工艺、方法进行了分析,以供今后施工参考。
【关键词】:石灰土路面底基层施工技术1.石灰土应用概况石灰土是指在天然土中掺加适量的石灰,以改善土的某些特性,使之能用于路基填料或路面基层的一种石灰和土的混合物,在高速公路的建设中一般在路线经过天然地质条件较差,土的液塑性较高的地区使用,石灰土一般分为石灰改善土和石灰稳定土。
石灰改善土一般使用于膨胀土等特殊路基中,利用石灰中的钙镁离子交换,将其膨胀性降低,使土的胀缩率接近于零。
旨在改善特殊土某些特性,使之能满足路基填筑的使用要求,一般用量较大,石灰剂量较小。
石灰稳定土是利用胶凝和结晶反应,使土体刚度增大,旨在提高天然土压实后的强度和水稳定性。
一般用于路面底基层,结构物台背填筑等较小范围,一般用量较小,石灰剂量较大。
在膨胀土地区修筑高速公路,膨胀土湿胀干缩效应显著,严重影响了路基的强度和整体稳定性,不能用作路床填料,为解决路床填料短缺问题,在膨胀土中掺入石灰,通过离子交换,Ca(OH)2的结晶,碳酸化和火山灰反应使粘土胶粒絮凝,生成晶体Ca(OH)2、Caco3和全水硅,铝酸钙等胶结物,这些胶结物逐渐由胶凝状态向晶体状态转化,致使石灰土的胀缩率接近于零,刚度不断增大,强度与水稳定性不断提高,能满足使用要求。
合徐高速公路南段在最初的设计中,采用了简化的方式。
为减少石灰改善膨胀土工程量,仅将路床80cm改善,土路肩硬化,边坡防护形成隔水层包裹膨胀土真堤心,大大降低了工程成本。
但在施工过程中业主为满足现代高速公路绿化的要求,将大部分的边坡防护取消,并取消了急流槽等有组织排水方式,降低了膨胀土防水要求,其效果如何有待时间的考验。
合徐高速公路北段路线土质为一般粘性土,但由于其压实的无侧限抗压强度不能满足要求,即检测其压实度95%时的CBR值小于0.8的要求。
故在路床80cm的范围内掺加4~5%的石灰增加其强度,属石灰改善土的范畴。
2.4、道路工程施工2.4.1、路基施工(1)、路基挖方⑴、施工方法路基开挖时分段进行,每段施工时先去除树根等,开挖上30cm耕植植土;再开挖路槽土将其堆放在另外一段路基上,留做路基填料使用;然后将下面泥土开挖后运输到指定弃土场,并用推土机推平。
⑵、施工要点①施工前切实做好临时排水设施,并与永久性排水设施相结合,使施工场地处于良好的排水状态,且排出的水不得危及附近设施。
②土方开挖无论开挖工程量和开挖深度大小,均应自上而下进行,不得超挖。
③弃土应及时清运至指定弃土场,不得乱堆放,以减少对交通及周围环境的影响。
④山坡路堤,当地面横坡陡于1:5时,原地面应挖成向内倾斜的台阶,台阶宽度不小于1米。
(2)、路基填方路基的填筑在清表后按四区段八流程水平分层填筑施工。
四区段是:填料、整平、碾压、检测。
即:填、平、压、检。
八流程是:施工准备、测量放线、基底处理、分层填筑、摊铺平整、碾压夯实、检验签证、边坡整形。
各区段流程单独作业,不许交叉施工。
⑴、工艺试验路基施工前,根据工程的具体情况选择地质条件、断面形式具有代表性的地段做工艺试验路段,从中选出路基施工的最佳方案、工艺参数和检测方法指导施工。
试验时作好记录,对压实设备的类型、最佳组合方式、碾压遍数及碾压速度、工序、每层材料的松铺厚度等写出试验报告报监理工程师批准。
⑵、路基填筑施工方案方案要点:土方运距在100m以内采用推土机施工;运距在超过100m时采用反铲式挖掘机或正铲挖掘机与自卸汽车相配合施工,碾压采用压路机碾压。
①、基底处理对道路路基基底清理、平整后进行碾压,使其压实度达到规范要求。
②、分层填筑回填采用石灰稳定土回填,石灰稳定土(含灰量6%)厚度30cm。
采用按横断面半幅宽纵向水平分层填筑压实方法。
采用自卸车卸渣,根据车容量计算堆土间距,以便平整时控制层厚均匀。
水泥土为1:1.5,边坡必须平整、坚实、稳定、严禁贴坡,为保证边坡压实质量,填筑时路基两侧各加宽50cm。
石灰土基层施工工艺标准1、适用范围本工艺适用于公路石灰土类基层施工.2、施工准备2.1材料2.1。
1土的选用2。
1。
1.1稍具黏性的土壤(塑性指数大于4)砂性土、粉砂土、黏性土均可使用;以塑性指数10~20的亚黏土、黏土为宜;用石灰稳定无塑性指数的级配砂砾、级配碎石、未筛分碎石时,应添加15%左右的黏性土;使用塑性指数偏大的黏性土时,应进行粉碎,粉碎后土块的最大尺寸不应大于15mm;2。
1。
1。
2土的有机含量宜小于10%;2。
1.1。
3使用特殊类型的土壤如级配砾石、砂石、杂填土等应经试验决定.碎石或砾石的压碎值应符合以下要求:用于城市快速路及主干道基层应不大于30%;用于次干路基层应不大于35%.2.1.2石灰、水和掺加料应符合以下要求:2.1.2.1石灰宜用Ⅲ级标准以上。
对储存较久或经过雨期的消解石灰应经过试验,根据活性氧化物的含量,决定使用办法.考虑具体情况建议使用袋装熟石灰、磨细的生石灰,不在现场消解块灰,必要时对熟石灰进行筛分处理(10mm方孔)。
石灰技术指标应符合本书“厂拌稳定土生产工艺'’中规定。
2.1。
2。
2水:饮用水及不含油等杂质的中性水(pH6~8);2。
1。
2.3掺加料:利用级配砾石、砂石等材料时,其最大粒径刁;宜超过0.6倍分层厚度,且不大于10cm,掺人量根据试验确定。
2.2机具设备2。
2.1石灰土施工主要机械推土机、平地机、钢轮压路机、轮胎压路机、装载机、水车.厂拌时选用强制式拌和机,路拌时选用路拌机、圆盘耙、铧犁等。
2。
2.2小型机具及检测设备蛙夯或冲击夯、四齿靶、双轮小推车、铁锨、水准仪、全站仪、三米直尺、平整度仪、灌砂筒等。
2.3作业条件2。
3.1石灰土施工时气温不得低于5℃。
2.3。
2相关地下管线的预埋及回填等业已完成并经验收合格。
2。
3。
3下承层各项指标经检查均合格,两侧土路肩已培植完毕.2.4技术准备2.4.1原材料试验2.4。
1。
1应取所定料场中有代表性的土样进行下列试验颗粒分析、液限和塑性指数、击实试验、碎石或砾石的压实值、有机质含量(必要时做)、硫酸盐含量(必要时做);2.4。
1、石灰稳定土底基层施工1.1、施工程序
石灰土路拌法施工程序如下:
1.2、布料
(1)根据用土比例和每车土量将素土或改性土按指定位置堆放,均匀卸在路床顶面,并用推土机和平地机粗平,用轻型压路机稳压一遍,检查布土厚度和含水量。
(2)石灰应在使用前一周充分消解,并通过lOmm筛孔,用布灰机或打方格人工布灰,均匀摊平。
为确保石灰土抗压强度,布灰量应稍高于设计剂量。
1.3、拌和
(1)采用路拌机反复拌和,拌和过程中应注意混合料的含水量和拌和的深度,必须拌至路基表面,宜侵入路基表面5~lOmm,不得出现素土夹层;随时检查拌和的均匀性,不允许出现花白条带;土块应打碎.最大尺寸不大于15mm。
(2)检查松铺厚度和混合料含水量、石灰剂量,并按规定取样制备抗压试件。
根据天气情况,夏天混合料含水量应较最佳含水量高出l~2个百分点。
(3)拌和好的混合料不得过夜,要当天碾压成型。
(4)底基层表面高出设计标高部分应予刮除并将刮下的石灰土扫出路外;局部低于标高之处,不能进行贴补,必须将其铲除重铺。
1.4、碾压
(1)用轻型压路机碾压一遍,再用平地机进行整平、整型,经检查达到规定标高后再进行压实。
(2)用12T以上压路机全宽碾压1~2遍,每次重叠1/2碾压宽度;再强振l~2次、弱振1~2次后,用三轮压路机碾压到规定压实度。
一般需碾压6~8遍。
(3)碾压应遵循由路边向路中、先轻后重、先下部密实后上部密实、低速行驶碾压的原则,避免出现推移、起皮和漏压的现象。
碾压程序和碾压遍数并不是唯一的,应通过试铺确定。
1.5、接缝
底基层的横向施工接缝、应采用与表面垂直的平接缝处理,确保接缝处横向与纵向平整度。