钢管桩施工工艺
- 格式:doc
- 大小:35.00 KB
- 文档页数:7
钢管桩施工工艺及要求一、钢管桩的涂装1、涂装技术要求(1)、桥墩水下及水面变动区、水面以上部位(既河床以上部位):钢管桩外侧:涂装三层,第一层60um厚环氧富锌底漆、第二层80um 厚环氧漆、第三层40um厚丙烯酸聚氨酯面漆;钢管桩内测:涂装一层,60um厚环氧富锌底漆;(2)、钢管桩土层以下部位:不进行涂装。
(备注:目前已施工1、2、3、4、5#水下部分,6#、7#墩钢管桩底部30米不进行涂装,8底部24米不进行涂装,9、10号墩底部12米不进行涂装)2、防腐涂层施工工艺涂装过程要求:由于钢管桩原材大多堆放在陈家沟中桥渡口处,部分钢管表面已生锈,涂装前必须严格进行除锈后再进行涂装,涂装过程需保证涂装厚度,并且涂装均匀。
(1)、钢管桩表面锈蚀处理:为达到防腐指标要求,结合防腐涂层特性,考虑现场施工进度及工效;要求对原材钢管桩采用人工砂磨机打磨处理,彻底清除掉了钢管桩表面的油污、氧化皮等污染物。
(2)防腐涂层喷涂处理:采用高压无喷涂方法或人工刷涂施工。
涂层外观目测检查均匀、无气泡、无裂纹、无流挂等缺陷,每一道在涂装前都要对上一道进行涂层质量及厚度检查。
二、钢管桩的标识为便于钢管桩沉桩过程接桩长度及沉桩贯入度的控制,钢管桩土层以上部分需逐米标记,在已经涂装好的钢管桩面上,用喷漆逐米标记,并在每节顶部标记制桩总长。
三、钢管桩的制作1、钢管桩制桩技术要求:本工程钢管桩采用采用φ1200×14螺旋卷制钢管制作,桩端焊加强箍进行加强。
钢管桩在工厂分段制作后在现场拼接。
管节拼装定位在浮箱平台上进行。
拼装过程,保证台架平整稳定,管节对口保持在同一轴线上。
管节对接时,采用带内衬环的V形坡口单面焊。
上节桩的坡口角度采用45°,下节桩不开坡口。
节对接采用多层焊。
封底焊时宜用小直径的焊条或焊丝施焊。
每层焊缝焊完后应清除熔渣并进行外观检查,如有缺陷应及时铲除,多层焊的接头应错开。
手工焊时,应采用碱性低氢型焊条(现场目前采用502焊条,严禁使用“4”字头焊条)。
钢管桩施工工艺
钢管桩施工工艺:
1、准备工作:
① 根据设计图纸,准备所需的桩材、衬砌材料、压实材料及施工设备等;
② 对施工现场进行排查,确保施工安全;
2、桩基前期工作:
① 确定桩基位置,然后按照设计要求进行开挖,当挖深满足设计要求时,对桩基底部和壁面进行清理;
② 对桩基底部施工压实层,并将压实层压实到设计要求;
3、钢管桩安装:
①将钢管桩直立安装在桩基中,并按照设计要求确定桩顶位置;
② 上部使用衬砌材料对桩体进行围砌,并将衬砌层压实;
③ 对桩体进行浇筑,以保证桩体稳定性;
4、桩体封堵:
① 将桩体封堵材料填充到桩顶,以防止水渗入桩体内部;
② 对桩体封堵材料进行压实,使其与桩体表面贴合;
5、检查和保护:
① 对施工工艺进行检查,确保桩体施工质量;
② 对施工完成后的桩体进行保护,以防止桩体受到损坏。
钢管桩施工工艺与施工要点钢管桩施工的工艺和要点1、选择打桩机械选择打桩机械需要考虑工程地貌、地质条件、配套锤的型号、外型尺寸、重量、桩的材质、规格和埋入深度、工程量大小以及工期长短等因素。
有许多不同型式的打桩机,其中以三点支撑桅杆式(履带行走)柴油打桩机最为普遍。
这种机器具有桩架移动机动灵活、全向转动、导杆垂直度可全方位调节、打桩精度较高、操作方便、安全、工效高等优点。
但是,它对场地要求较高,需要铺填10~30cm碎石并碾压密实。
主要型号有日KH100、KH180型、IPD80、IPD90型和D308、D408型等。
柴油桩锤主要有日MH72B、K25、K35、H45、K60及IDH35、IDH45型等。
表1可供选用参考。
2、施工准备施工准备包括:平整和清理场地;测量定位放线;标出桩心位置,并用石灰撒圈标出桩径大小和位置;标出打桩顺序和桩机开行路线,并在桩机开行部位上铺垫碎石。
3、打桩顺序钢管桩施工,有先挖土后打桩和先打桩后挖土两种方法。
在软土地区,一般表层土承载力尚可,深部地基承载力则往往很差,且地下水位较高,较难以排干。
为避免基坑较长时间大面积暴露被扰动和便于施工作业,一般采取先打桩后挖土施工法。
施工顺序为:现场三通一平――打桩――切桩――安混凝土圆盖――堵住桩头――XXX将坑口填平――设井点降低地下水位――进行基坑机械化挖土施工――清理基坑,修整边坡――焊桩盖,浇筑垫层混凝土――帮钢筋,支模板,浇筑混凝土基础承台。
钢管桩的施工顺序为:桩机安装――桩机移动就位――吊桩――插桩――锤击下沉,接桩――锤击至设计深度――内切钢管桩――精割、戴帽。
为防止打桩过程中和相邻建(构)筑物造成较大位移和变位,并使施工方便,一般采取先打中间后打外围(或先打中间后打两侧),先打长桩后打短桩,先打大直径桩,后打小直径桩的程序进行。
如有两种类型桩,则先打钢管桩,后打混凝土桩,这样有利于减少挤土和满足设计对打桩入土深度的要求。
钢管桩施工工艺1.设计概况支护设计采用φ194×12.0的Q345无缝钢管,中间为3根Φ25的三级钢。
钢管桩间距为0.4m。
由于钢管桩间距较小,采用跳挖法施工,隔一挖一,钻机采用地勘钻机直径为220mm钻头进行施工。
2.钢管桩施工工艺(1)测量放线:根据设计要求的间距、排距及设计提供的标高进行测量放线;(2)孔距定位:根据设计的孔洞直径、间距、排距使用筷子打入地下进行定位;(3)就位钻孔:将钻孔机安放在指定位置,安放水平,防止倾斜;将钻杆抬至钻机旁,水管与钻杆接在一起,启动钻机与水管,慢慢钻进;每进深2m,需要接一次钻杆,只至得到设计有效深度;(4)清孔:在注水泥浆前,要对桩孔进行清孔,使孔内泥浆全部排出,要求孔底沉渣厚度不大50mm;(5)安装下放钢管:待孔清洗后及时在孔内安装预先制作好的钢管,钢管露出地面200mm。
便于接入注浆管;(6)安装注浆管:注浆管由注浆机直接接入到下入孔内的钢管上,接口采用丝口连接,注浆管采用橡胶管输送;(7)拌制水泥浆:水泥浆采用专用机械进行拌制,水灰比控制在0.45~0.5之间,把拌制的水泥浆放入钢制的灰槽内,然后由注浆机注浆;(8)注水泥浆:注浆管需装设压力表,注浆压力为0.5Mpa,水灰比控制在0.45~0.5之间,注浆后暂不拔管,直至水泥浆从管外流出为止,拔出注浆管,密封钢管端部,加压数分钟,待水泥浆再次从钢管外流出为止;(9)多次加压注浆:因一次注浆难以得到冲盈系数要求,得到注浆压力为0.5Mpa,需要多次间隙注浆,一般为三到五次,只至细石填充中翻浆为止;(10)第一次注浆压力0.4~1.0 Mpa,并保持3分钟,以保证压力压破胶带,使浆液压出管外注满桩体。
第二次注浆压力不小于1.5Mpa,两次注浆间隔时间不小于1.5~4小时之间;(11)桩位偏差不得大于50mm,桩径偏差不得大于4%,垂直度不超过1%。
(12)施工过程中必须随时检查施工记录,并对照规定的施工工艺对每根工程桩进行质量评定,检查重点是水泥用量、桩长、桩径、注浆、压力、石子级配等;3.验收标准。
钢管桩施工工艺及方法钢管桩施工工艺有两种:一、为保证施工工期的要求,采用直接打入法。
即搅拌桩成桩后,利用挖机炮头直接打入钢花管致设计要求标高,然后注入水泥浆。
二、钻孔成孔法:搅拌桩成桩后,再利用钻机成孔下钢花管,注浆。
此法工期较长,影响工程进度要求。
(一)、施工工艺流程测量放线→钻机就位→钻孔(正循环,φ150)或锤击打入设计深度→清孔→钢管制作→吊放钢管桩→至设计深度→制浆→注浆→移机进入下一根桩施工(二)、施工方法及技术措施1.施工前准备工作主要包括桩位放样,整理平整场地,布设施工便道,泥浆的制备和准备钻孔机具、钻机就位等。
2.钻孔施工:正循环钻进,钻孔直径150。
3.钻孔检查:钻孔完成后,必须检测孔深、直径和倾斜度,其中孔径和孔深须达到设计要求,倾斜度不得大于1%。
清孔就是在吊放钢筋笼之前,对孔内的石碴、泥浆进行必要的清理,做到孔内含泥量、含碴量和孔底沉渣符合设计及规范要求。
4.钢管的制作和吊装就位⑴钢管的制作:钢管应进行整体安装,不做另段吊装组合。
采用直径为114的焊接钢管,制作钢管时,对钢管的调直、除锈、截断、弯折与焊接均按设计图纸和技术规范要求进行。
在钢管底端开倒"V"字形出浆口,钢管下部5米范围内按间距1米对称开出浆孔,出浆孔梅花形布置,直径8-10mm。
⑵钢管的安装:①为保证钢管外砼保护层的厚度符合设计要求,在其上下端及中间每隔2m在一横截面上设置四个钢筋"耳环"。
②钢管吊装时对准孔位,尽量竖直轻放、慢放,遇障碍物可慢起慢落和正反旋转使之下落,无效时,立即停止下落,查明原因后再安装。
不允许高起猛落,强行下放,防止碰撞孔壁而引起坍塌。
⑶入孔后牢固定位,容许偏差不大于5cm。
5. 注浆:钢管下放到位后立即清孔注浆。
往钢管内注入清水,置换孔内泥浆,直至流出清水为止,注入水泥浆水灰比0.5。
6。
清理桩头、浇注混凝土梁:注浆3天后,清理桩头,绑扎钢筋,现浇强度为C20的300×500m混凝土梁。
钢管桩施工工艺流程
1、钢管桩施工前准备:
①进行地基检测,检测地质条件,判断施工难易度,并对施工方案进行修改。
②准备施工设备及材料,包括钢管桩、钢管和泥土等必备的施工材料。
③防止地下水的渗漏,需要进行地下水的测试和防护措施,确定最佳的施工位置。
2、钢管桩施工:
①准备施工现场,根据地质条件,用大型挖掘机铲出钢管桩基础所需的洞口。
②将钢管放入洞口,安装固定架,确保钢管桩的稳定性。
③使用混凝土泵将混凝土均匀地填充到钢管桩中,同时注意对混凝土压实程度的控制。
④混凝土浇筑完毕后,安装钢管的夹层螺栓,以防止钢管的滑动。
3、钢管桩施工完成:
①进行混凝土浇筑后,放置一段时间,当混凝土凝固后,将支架及螺栓拆除,再清理混凝土表面上的碎片,以保证混凝土表面的光洁度。
②对钢管桩表面进行防锈处理,以延长钢管桩的使用寿命。
③经过上述施工工序,钢管桩就完成了,可以用来支撑各种建筑物了。
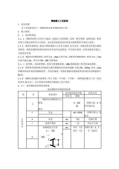
钢桩施工工艺标准1 适用范围本工艺标准适用于一般钢管桩或H型钢桩基础工程。
2 施工准备2。
1原材料要求2.1。
1 钢桩的材料(含其它半成品)进场后,应按规格、品种、牌号堆放,抽样检验,检验结果与合格证相符者方可使用,未经进货检验或未经检验合格的物资不得投入使用。
2.1.2 钢管质量验收:按设计图纸规格尺寸及有关规范,允许误差,实测实量及外观全数检查验货,特别是钢管的垂直度和内外径是否达到要求,作为重点检查,经检查验收合格后,方能进货安装.2。
1.3 螺旋焊管钢桩钢管:壁厚为6~19mm长度不限,卷板焊管钢桩钢管:壁厚为6~47mm 长度不超过6m。
型号为STK、SKK号钢卷制.2.1。
4 H型钢,为标准型钢,材质为普通碳素钢、16Mn钢或海港工程用防氯盐钢材。
2.1.5 钢管桩顶部抗锤击和底部为减少摩擦抗变形的加强箍,用宽200~300mm、厚6~12mm 和钢管桩材质相同的钢板制作,用电焊满焊,焊接时箍板的纵缝要和卷焊桩管的纵缝错开90度。
2.1.6 钢桩应按规格分别堆放(即上节桩、中节桩、下节桩)一般堆叠层数为三层(高度控制在2m以内)。
支点用枕木两侧用木楔塞牢,防止变形。
2。
1.7 成品钢桩的质量检验标准0。
5%D1DH钢桩的方正度h 〉 300h300hT′2.2 主要工机具2.2。
1机械设备三点支撑式履带打桩机、轨道式柴油打桩机、轮胎式起重机、运输载重汽车、电焊机、切管机2。
2。
2 主要工具钢丝绳吊索、卡环、撬杠、气焊工具、扁铲.2。
3 作业条件2.3.1 打桩现场三通一平,处理打桩地基上面障碍物,清理、整平时要设雨水排出沟渠,附近有建筑物的要挖隔震沟,预先充分了解打桩场地,清理妨碍打桩的高空和地下障碍物。
2。
3。
2 打桩场地整平用压路机碾压平整,并在地表铺10~20cm厚石子使地基承载力达到0.2 Mpa ~0.3Mpa。
2.3。
3 控制点的设置应尽可能远离施工现场,以减少施工土体扰动对基准点的影响。
钢管桩施工工序
a.定位旋测:在浮吊工作船进入墩位前,先经过测量将桩位用浮标形式定位,待定位船抛锚就位后,选用平台钢管桩中一根作定位桩,先行震入,以后再以此根做定位的标准。
b.施打顺序以浮吊移动方便为准,浮吊大致分为三类:汽车(履带)浮吊,桅杆浮吊,龙门浮吊,其中汽车浮吊是在钢驳船上装设汽车(履带)吊,考虑到震动锤的冲击力较大,为稳定起见,常将船尾(头)对准钢管桩,钢管桩安装了震动锤后,顶部用4根风缆固定,缆风绳可设在工作船上或已施打的钢管桩上,缆风绳的作用是控制钢管桩的竖向倾斜,钢管桩震沉到工作平台高程后停止,再接长,依次施工直到设计位置,一个平台的钢管桩要集中施打,才能发挥效率。
c.为提高大型高级钻机功效,在施工组织设计中至少要安排多套平台与钢管桩。
d.桩头处理:按平台设计标高将桩头割平,在端部相当于钢管1个直径D的深度内,焊一块水平隔板做底模板,再在端部焊顶盖板(20mm厚)在其中心留ф20mm孔来浇封头砼,藉以保证接头部位的平稳。
e.当平台钢管桩出水较高或流速较大时,钢管桩顶要设横梁,设剪力撑,形成框架,然后在横梁上安装纵桁梁,在纵桁梁节间支点上安置工字钢横梁,并用抱箍固定,在横梁上铺设木(竹)跳板,在此平台架设工作基本完成。
钢管桩施工工艺与施工要点钢管桩施工工艺与施工要点一、引言钢管桩作为一种常用的地基处理方法,在基础工程中起着重要的作用。
本文将介绍钢管桩施工的工艺流程和施工要点。
二、前期准备工作在施工前需进行详细的前期准备工作,包括以下内容:1. 地质勘察:对工程所在地进行地质勘察,了解地质情况和地下水位情况,以便确定合适的桩径和桩长。
2. 施工方案设计:根据地质情况和工程要求,设计出合适的施工方案,包括桩型选择、桩径和桩长确定等。
3. 材料准备:采购符合要求的钢管和相应的配件,并对材料进行检验和验收。
4. 设备准备:准备好各种施工所需的设备,包括桩机、起吊设备等。
5. 力学试验:进行必要的力学试验,以验证设计参数和施工方案的合理性。
三、施工工艺流程1. 地面标志:按照设计要求,在施工场地进行地面标志,确定钢管桩的位置和布置。
2. 凿井:用锤子和凿子在地面上凿出一个桩位井,通过人工或机械设备将桩位井挖掘至设计要求的深度。
3. 挤桩:使用桩机将预制的钢管桩逐节“挤”入桩位井中,直到达到预定的桩长和桩底。
4. 安装桩帽:在桩顶安装桩帽,并进行调整和校正,使其水平和垂直度满足要求。
5. 焊接:桩帽与钢桩进行焊接,确保桩帽与钢桩之间的连接牢固可靠。
6. 进一步处理:根据需要,进行进一步的处理,如打桩、注浆等。
7. 检验验收:对钢管桩进行检验和验收,包括桩身质量、桩帽连接质量等。
四、施工要点1. 桩长的确定:根据地质情况和工程要求,合理确定桩长,确保桩长能够达到足够的承载力。
2. 桩径的选择:根据地质情况、荷载要求和施工条件,选择合适的桩径,并确保桩径满足设计要求。
3. 施工过程监控:对施工过程进行实时监控,确保施工质量和安全。
4. 钢管的质量检验:对采购的钢管进行质量检验,包括钢管的外观、壁厚、直径等参数检测。
5. 桩帽的固定:桩帽的固定要牢固可靠,确保桩帽与钢桩之间的连接紧密,不得出现松动或位移。
6. 焊接质量控制:焊接工艺要符合相关的规范和标准,焊缝应牢固且无裂纹、气孔等缺陷。
钢管桩基础施工工艺流程一、施工前准备在进行钢管桩基础施工之前,需要做好一系列的准备工作,包括勘察设计、材料采购、设备准备等。
1. 勘察设计:根据工程的要求,进行地质勘察和设计计算,确定桩的类型、数量、直径和长度等参数。
2. 材料采购:根据设计要求,采购所需的钢管和桩头等材料。
3. 设备准备:准备好各种施工设备,如挖掘机、起重机、钢管桩打桩机等。
二、施工现场布置在施工现场进行布置,确保施工的顺利进行。
1. 地面平整:清理施工现场,确保地面平整,并进行必要的场地围护。
2. 安装导杆:根据设计要求,在桩位上安装导杆,用于指导钢管桩的安装。
3. 安装打桩机:将打桩机安装在导杆上,调整好位置和角度,保证钢管桩的垂直度。
三、钢管桩施工进行钢管桩的施工,包括挖孔、安装钢管桩和钢筋绑扎等步骤。
1. 挖孔:根据设计要求,在导杆的指导下,使用挖掘机进行孔的挖掘。
挖孔的深度和直径要符合设计要求。
2. 清理孔底:使用吹扫机或吸尘器清理孔底,确保孔底干净。
3. 安装钢管桩:将预制好的钢管放入孔内,通过打桩机将钢管逐渐打入地下。
4. 检查钢管桩:使用水平仪等工具检查钢管桩的垂直度和偏斜情况,必要时进行调整。
5. 钢筋绑扎:在钢管桩的顶部安装钢筋,根据设计要求进行绑扎。
四、桩头施工完成钢管桩的施工后,进行桩头的施工,包括桩顶切平、打入混凝土和养护等步骤。
1. 切平桩顶:使用切割机将钢管桩顶切平,确保桩顶平整。
2. 打入混凝土:将混凝土通过泵送机或人工的方式,逐渐灌入钢管桩内,同时进行振捣和充实。
3. 养护:对刚刚灌入的混凝土进行养护,保持一定的湿度和温度,确保混凝土的强度发展。
五、验收和收尾完成桩基施工后,进行验收和收尾工作,确保施工质量。
1. 桩基验收:根据相关标准和规范,进行桩基的验收,检查桩的垂直度、偏斜度和强度等指标。
2. 收尾工作:清理施工现场,恢复原状,进行桩基资料的整理和归档。
以上就是钢管桩基础施工的工艺流程。
桩基施工中的钢管桩施工工艺与控制引言:桩基施工是建设工程中重要的一环,通过对地下钢管桩的施工工艺和控制进行研究,可以保证工程的质量和安全性。
本文将从桩头处理、钢管沉桩、对接焊接、钻孔施工、灌注混凝土等方面进行论述。
一、桩头处理桩头是桩基施工的重要组成部分,其处理直接关系到桩的承载能力和抗震能力。
在钢管桩施工前,必须对桩头进行清理和处理。
首先,清理桩头周围的杂物,确保桩周的土层清晰可见。
其次,对桩头进行加固处理,采用高强度钢筋套筒固化桩头,增加桩基的稳定性。
最后,对桩头进行抗腐蚀处理,常用的方法是喷涂防腐涂料或使用防腐套管。
二、钢管沉桩钢管沉桩是桩基施工的核心环节,施工质量的好坏直接影响着整个工程的稳定性和承载能力。
钢管沉桩的方法有多种,常用的是顶锤击打法和振动沉桩法。
顶锤击打法一般适用于土层较松软的地区,振动沉桩法适用于土层较坚硬的地区。
在进行钢管沉桩时,需要注意控制沉桩速度和沉桩的均匀性,以确保桩的竖直性和水平度。
三、对接焊接对接焊接是桩基施工中重要的一环,直接关系到桩的整体承载能力和抗震能力。
在对接焊接前,首先需要对焊缝的接触面进行清理和处理,确保焊接质量。
然后,选择合适的焊接方法和材料,常用的是电弧焊接和钢筋焊接。
在焊接过程中,需要控制好焊接电流和时间,确保焊缝的强度和可靠性。
四、钻孔施工钻孔施工是钢管桩施工的前期环节,钻孔的质量直接关系到桩的固定性和承载能力。
在进行钻孔施工时,首先需要确定钻孔的位置和深度,然后选择合适的钻孔设备和工艺。
通常采用旋挖钻和钻孔桩机进行钻孔施工。
在钻孔过程中,需要控制好钻孔的直径和垂直度,以确保钢管的安装。
五、灌注混凝土灌注混凝土是桩基施工的最后一道工序,其质量直接关系到桩的整体性能和抗震能力。
在灌注混凝土前,首先需要对钢管进行检查和处理,确保不出现漏水和变形现象。
然后,选择适当的混凝土材料和配比,进行搅拌和浇筑。
在灌注过程中,需要控制好混凝土的浇筑速度和压实度,以确保灌注质量。
钢管桩的施工工艺流程
1. 钢管桩加工:钢管桩是根据需要制作的,因此需要进行预定尺寸、切断和焊接。
2. 钢板弯曲:现场施工一般现场弯管。
3. 安装驱动设备:按照设计图纸安装钢管桩驱动设备。
4. 钢管桩进场:确定钢管桩进场顺序和位置,采用起重机将钢管缓缓卸下。
5. 钢管桩驱动术:在钢管边界外开挖钢管直径的坑壑,在钢管之间预留超过50mm的缝隙,用驱动设备将钢管桩不断驱入,直至驱动桩内壁桩端的长度即开斗头处达到设计标高或施工标高。
6. 挖土清理:清除驱进钢管内部沉淀的泥土和装有碎石的坑底中心孔,扶正钢管桩,使其与桩长成30度内倾角。
7. 桩头处理:去除钢管桩端扣件保护帽,对桩头钻孔、切割处理,确保满足后续对桩头进行焊接的要求。
8. 钢管桩焊接:对连接在施工现场的钢管桩实行现场焊接。
9. 钢管桩切割:在达到设计标高或所需施工标高之后,用切割设备切割长度。
10. 桩顶水平控制:通过现场水平控制测量,确保钢管桩与最低点之间没有不在设计标高范围内的偏差。
11. 连续锚固:如需要进行桩顶锚固,则钻孔后灌浆固定。
12. 钢管桩检测:进行钢管桩检测,如超标,则重新钻孔和焊接。
钢管桩施工方案三篇篇一:钢管桩施工方案1、编制依据(1)《地下铁道施工及验收规程》GB 50299-1999(20XX版)(2)《建筑边坡工程技术规范》(GB50330-20XX)(3)《锚杆喷射混凝土支护规范》(GB 50086-20XX)(4)《城市轨道交通工程测量规范》GB 50308-20XX(5)《工程测量规范》GB 50026-20XX(6)《施工现场临时用电安全技术规范》JGJ 46-20XX2、工程概况******主体围护基坑长188.75m,宽20.9m~25.3m,基坑深度为16.7~25.1m,基坑底主要位于强风化~微风化层。
根据本站结构形式、场地条件及地质情况、周边环境特征,在车站308#~321#、140#~150#,B61#~B62#、2#~14#,B1#~B2#桩位置钢管桩进行边坡防护,钢管桩采用A108钢管,间距500mm,钢管桩内填充砂浆。
3、周边环境概况******位于XX,沿XX路呈东西向布置,车站南侧毗邻XX住宅小区,北侧紧靠XX 路快车道,车站东北角、西北角与西南角车站基坑位置距离主体围挡较近,为保证道路行车、行人安全,设置钢管桩进行边坡防护。
4、水文地质概况4.1 工程地质(1)场地地形及地貌条件拟建场地地形起伏较大,地势西高东低,地面高程5.9~12.8m。
车站西北侧临近住房公积金管理中心,北侧临近XX住宅小区,南侧临近XX住宅小区。
地面条件较为复杂。
场地地貌类型主要为剥蚀缓坡地貌。
(2)地层岩性场区第四系厚度3.40~5.40m,主要为第四系全新统人工填土层(Q/4ml/)及上更新统晚期陆相洪冲积层(Q/3al+pl/)。
基岩为中生代燕山晚期侵入岩闪长岩(δ/53/),受次生构造影响,部分钻孔中揭露有相应岩性的构造岩。
根据本次勘察揭示情况,本车站共揭示了7个岩土层,现按地质年代由新到老、青岛市区第四系标准地层层序自上而下分述如下:1)填土层(Q/4ml/)第①层、素填土褐色、黄褐色,稍湿,松散~密实,由黏土、粉质黏土、风化砂夹少量碎石等组成,局部夹有碎砖等,局部表层为约10Cm厚的水泥路面或沥青路面。
钢桩施工工艺标准1 适用范围本工艺标准适用于一般钢管桩或H型钢桩基础工程.2 施工准备2. 1原材料要求2。
1.1 钢桩的材料(含其它半成品)进场后,应按规格、品种、牌号堆放,抽样检验,检验结果与合格证相符者方可使用,未经进货检验或未经检验合格的物资不得投入使用。
2.1。
2 钢管质量验收:按设计图纸规格尺寸及有关规范,允许误差,实测实量及外观全数检查验货,特别是钢管的垂直度和内外径是否达到要求,作为重点检查,经检查验收合格后,方能进货安装。
2。
1。
3 螺旋焊管钢桩钢管:壁厚为6~19mm长度不限,卷板焊管钢桩钢管:壁厚为6~47mm长度不超过6m。
型号为STK、SKK号钢卷制。
2.1.4 H型钢,为标准型钢,材质为普通碳素钢、16Mn钢或海港工程用防氯盐钢材。
2。
1。
5 钢管桩顶部抗锤击和底部为减少摩擦抗变形的加强箍,用宽200~300mm、厚6~12mm和钢管桩材质相同的钢板制作,用电焊满焊,焊接时箍板的纵缝要和卷焊桩管的纵缝错开90度。
2.1。
6 钢桩应按规格分别堆放(即上节桩、中节桩、下节桩)一般堆叠层数为三层(高度控制在2m以内).支点用枕木两侧用木楔塞牢,防止变形。
2。
1.7 成品钢桩的质量检验标准0.5%D1DH钢桩的方正度 h > 300h 300hT′2。
2 主要工机具2.2。
1机械设备三点支撑式履带打桩机、轨道式柴油打桩机、轮胎式起重机、运输载重汽车、电焊机、切管机外形尺寸(m m)Φ980*6100Φ1250*5905Φ1400*5770Φ1009*4825Φ889*4550Φ789*4550Φ985*4689总重(t)20。
518。
31510.。
57。
55。
211.0活塞重(t)8.07。
26。
0 4.53。
5 2.5 4.5锤击次数(次/min)35~6042~6035~5535~5535~5535~5542~60锤击能量(kg·.m)2400021600160001350010500750013500爆发力(t)3002802461911501081912。
钢桩施工工艺标准1适用范围本工艺标准适用于一般钢管桩或H型钢桩基础工程。
2施工准备2.1原材料要求2.1.1钢桩的材料(含其它半成品)进场后,应按规格、品种、牌号堆放,抽样检验,检验结果与合格证相符者方可使用,未经进货检验或未经检验合格的物资不得投入使用。
2.1.2钢管质量验收:按设计图纸规格尺寸及有关规范,允许误差,实测实量及外观全数检查验货,特别是钢管的垂直度和内外径是否达到要求,作为重点检查,经检查验收合格后,方能进货安装。
2.1.3螺旋焊管钢桩钢管:壁厚为6〜19mm长度不限,卷板焊管钢桩钢管:壁厚为6〜47mm 长度不超过61^型号为STK、SKK号钢卷制。
2.1.4口型钢,为标准型钢,材质为普通碳素钢、16Mn钢或海港工程用防氯盐钢材。
2.1.5钢管桩顶部抗锤击和底部为减少摩擦抗变形的加强箍,用宽200〜300mm、厚6〜12mm 和钢管桩材质相同的钢板制作,用电焊满焊,焊接时箍板的纵缝要和卷焊桩管的纵缝错开90度。
2.1.6钢桩应按规格分别堆放(即上节桩、中节桩、下节桩)一般堆叠层数为三层(高度控制在2m以内)。
支点用枕木两侧用木楔塞牢,防止变形。
2.1.7成品钢桩的质量检验标准成品钢桩的质量检验标准1.2主要工机具1.2.1机械设备三点支撑式履带打桩机、轨道式柴油打桩机、轮胎式起重机、运输载重汽车、电焊机、切管机1.2.2主要工具钢丝绳吊索、卡环、撬杠、气焊工具、扁铲。
1.3作业条件1.3.1打桩现场三通一平,处理打桩地基上面障碍物,清理、整平时要设雨水排出沟渠,附近有建筑物的要挖隔震沟,预先充分了解打桩场地,清理妨碍打桩的高空和地下障碍物。
1.3.2打桩场地整平用压路机碾压平整,并在地表铺10〜20cm厚石子使地基承载力达到0.2 Mpa 〜0.3Mpa。
1.3.3控制点的设置应尽可能远离施工现场,以减少施工土体扰动对基准点的影响。
1.3.4施工现场的轴线、水准控制点、桩基布点必须经常检查,妥善保护,设控制点和水准点的数量不应少于2个。
钢桩施工工艺标准1适用范围本工艺标准适用于一般钢管桩或H型钢桩基础工程。
2施工准备2.1原材料要求2.1.1钢桩的材料(含其它半成品)进场后,应按规格、品种、牌号堆放,抽样检验,检验结果与合格证相符者方可使用,未经进货检验或未经检验合格的物资不得投入使用。
2.1.2钢管质量验收:按设计图纸规格尺寸及有关规范,允许误差,实测实量及外观全数检查验货,特别是钢管的垂直度和内外径是否达到要求,作为重点检查,经检查验收合格后,方能进货安装。
2.2主要工机具2.2.1机械设备三点支撑式履带打桩机、轨道式柴油打桩机、轮胎式起重机、运输载重汽车、电焊机、切管机2.4作业人员2.4.1施工作业人员必须在上岗前进行岗位培训考核合格,持证上岗。
按设计施工不得任意改变设计,应遵守其中有关安全的规定。
2.4.2施工作业人员施工前,必须充分了解地质资料、施工图纸和设计说明以及有关资料。
必须熟知打桩规范、质量评定标准、施工程序、验收标准以及劳动组织分工等。
2.4.3施工作业人员应按国家规定的时间内容进行体格检查,必须持有健康检查合格证、高血压、心脏病、癫痫病患者不得参加打桩作业。
3施工工艺3.1工艺流程3.1.1钢管桩的工艺流程:3.2.1打桩方式3.2.1.1钢桩施工工艺主要依据工程特点、地质水文条件、施工机具的机械性能以及设计要求等决定。
钢桩打桩有三种通用方式:a)自然地面打桩,采用送桩至设计标高施工;b)地面打桩,但不送桩,3.2.23.2.2.13.2.2.23.2.2.33.2.2.43.2.2.53.2.2.63.2.2.73.2.2.83.2.2.93.2.3接桩3.2.3.1钢管桩桩身接头采用桩身内衬套上下对接焊接,H形钢采用坡口对接或连接板贴角焊接,严格按焊接工艺评定指标操作,严禁在没有焊接工艺评定指标情况下操作。
3.2.3.2焊接宜采用二氧化碳气体保护自动焊或半自动二氧化碳气体保护焊,也可以用手工电弧焊,质量要求见前表,当气温低于0℃度时焊口两侧各100mm应预热,焊接完毕后必须冷却大于5min,再进行锤击打桩。
E-28海工钢结构防腐专用涂料性能及施工技术要求宁波大达化学有限公司
E-28海工钢结构防腐专用涂料
组成及用途:E-28海工钢结构防腐专用漆是专门为海洋等恶劣环境下长期连续使用的钢结构长效重防腐而设计的涂料配套
系统。
主要特性:
1、与喷砂后的钢结构表面具有优良的附着力;
2、E-28专用漆具有优异的配套性能,层间附着力良好;
3、配套涂层系统具有良好的抗渗透性和屏蔽性能;优异的耐海
水、耐盐雾性能;优异的耐油性及抗化学品性能;
4、具有良好的耐候性、耐高温性能、对潮湿表面有很好的耐受
性。
5、具有良好的耐磨性、耐冲击性、耐日光照射等涂膜物理机械
性能;
6、具有优异的阴极保护相容性;
7、E-28专用漆具有高固体份,配套涂层可实现海洋纲结构的
长效重防腐保护(膜厚可根据腐蚀环境按客户需要调整);
8、E-28专用漆符合涂层性能指标:如良好的阻水性和屏蔽性
能、耐盐雾性能;优异的耐油及抗化学品性能。