设备分类编码规定
- 格式:docx
- 大小:43.63 KB
- 文档页数:8
制药有限公司GMP文件
设备分类编码管理规程
注:此页无正文
目的:建立设备分类及编码管理制度,便于设备管理和使用。
适用范围:适用于所有仪器设备。
责任者:工程设备部及设备、设施、仪器管理使用部门和人员。
内容:
1设备、设施、仪器从进入公司起由设备部按规定赋予唯一编码。
2 设备、设施、仪器编码不能更改,且不能重复。
该设备取消时,编码随之作废。
3 设备、设施、仪器编码原则:
00-99
001-999
(车间)拼音缩写代号
3.1第一层级代码表示设备、仪器使用部门,用拼音字母表示。
CW…财务部 XZ…行政人事部 QC…质量管理部 SB…工程设备部 WL…物料部GT…固体制剂车间 TQ…提取车间,其中各部门公用设备归主要使用部门管理。
3.2第二层级代码表示设备、仪器用途,用拼音字母表示。
SC…生产设备 SF…生产辅助设备(包括水处理、空调、压缩空气设备、真空设备等)JY…检验设备 JL…计量仪表
GC…公用工程设备(包括锅炉、动力等) BG…办公设备 QT…其它
3.3第三层级代码表示各仪器设备所在类别的流水号,用三位数字表示,从
001开始。
3.4第四层级代码表示相同型号设备的顺序号,用两位数字表示,从01开始。
4.根据设备编码规则建立设备编码一览表。
5.附表
《设备编码一览表》
变更历史。
设备编号分类原则设备编号分类是指根据一定的规则和原则对设备进行分类和编码,以便在设备管理和使用过程中能够快速准确地进行识别、检索和管理。
设备编号分类原则主要包括功能原则、形式原则、区域原则和层次原则。
下面将详细介绍这四个原则。
1.功能原则:功能原则是根据设备的用途和功能不同进行分类和编号。
它将设备按照所属的功能部门或功能类别进行划分,使得设备能够按照其所属的功能部门或功能类别进行统一管理。
例如,在一个制造企业中,可以按照设备用途划分为生产设备、检测设备、仓储设备等。
这样能够使得设备容易被找到,并且提高设备的利用率,便于维护和管理。
2.形式原则:形式原则是根据设备的外形、结构和形式进行分类和编号。
它将设备按照其外形、结构和形式的差异进行分类,以实现设备的一致和便捷管理。
例如,在一个电子产品公司中,可以按照外形形式将设备划分为笔记本电脑、平板电脑、手机等。
这样就能够方便地识别设备的种类和型号,以及对其进行管理和维护。
3.区域原则:区域原则是根据设备所属的地理位置或使用区域进行分类和编号。
它将设备按照其所在地理位置或使用区域进行划分,以实现设备在不同区域间的快速识别和管理。
例如,在一个大型医院中,可以按照不同科室将设备进行分类,以便在需要使用设备时能够快速找到所需的设备,提高工作效率。
4.层次原则:层次原则是根据设备所处的级别和层次进行分类和编号。
它将设备按照其所属的级别和层次进行划分,以实现设备的统一管理和控制。
例如,在一个学校中,可以按照设备所属的部门或教学阶段将设备进行分类,如教学设备、实验设备、办公设备等。
这样能够使得设备的管理更加科学和规范,提高设备的利用率和使用效果。
综上所述,设备编号分类原则能够根据设备的功能、形式、地域和层次等特征对设备进行分类和编码,以实现设备的识别、管理和使用的便捷性和高效性。
在实际应用中,可以根据具体情况综合运用各个原则进行设备编码,以满足对设备管理的需求,提高设备的管理效率和效果。
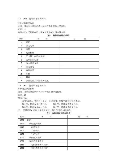
1.1 C601 特种设备种类代码特种设备种类代码说明:国家安全监察机构对特种设备分类的大类代码。
表示:C1编码方法:采用顺序码,用1位数字或大写字母表示。
表1 特种设备种类代码1.2 C602 特种设备分类代码特种设备分类代码说明:国家安全监察机构对特种设备的分类代码。
表示:C4编码方法:采用层次码。
代码共分4层,每层均用1位数字或大写字母表示。
第1层:特种设备种类代码,第2层:特种设备类别代码,第3层:特种设备品种代码,第4层:特种设备级别代码。
注:根据需要,可以只使用前1位、前2位或前3位代码。
表2 特种设备分类代码表1.3 C603 特种设备登记代码特种设备登记代码说明:国家对进行安全监察的特种设备的登记代码。
表示:C21编码方法:采用组合码。
代码由4部分组成,共21位数字字母混合码。
第1部分:特种设备分类代码(4位数字字母混合码)第2部分:注册单位代码,采用注册单位的组织机构代码(9位数字字母码)第3部分:注册年份(4位数字)第4部分:顺序号(4位数字,0001—9999)。
XXXX XXXXXXXXX XXXX XXXX顺序号(4位数字)注册年份(4位数字)注册单位代码(9位数字字母)特种设备分类代码(4位数字字母混合码)1.4 C604 特种设备代码特种设备代码说明:特种设备的终身代码。
与登记代码不同的是特种设备代码终身有效。
如果是国产设备,该代码在制造出厂时产生;如果是进口设备,该代码在首次安装时产生。
表示: C21编码方法:采用组合码。
代码由4部分组成,共21位数字、字母混合码。
第1部分:特种设备分类代码(4位数字字母混合码)第2部分:制造或安装单位代码(采用组织机构代码,9位数字字母码)国产设备采用设备制造单位的组织机构代码进口设备采用首次安装单位的组织机构代码第3部分:注册年份(4位数字,国产设备为制造年份,进口设备为安装年份)第4部分:顺序号(4位数字,0001—9999)XXXX XXXXXXXXX XXXX XXXX顺序号(4位数字)制造/安装年份(4位数字)制造/安装)单位代码(9位数字)特种设备分类代码(4位数字字母码)。
生产车间设备编码规则(试用版)为加强对生产车间设备的管理,方便生产车间对设备的使用,技术部特制订本规则。
实施本规则后,生产车间的每一台生产设备都有其唯一的编码。
1,生产设备编码规则。
生产设备的编码原则:车间生产设备的编码共十位,前两位为备用位,以00表示。
第三位到第五位代表设备类型,以设备类型的汉语拼音声母表示,具接下来的三位编码代表该种设备的生产能力的某一参数,最后两位代表该类别设备的序列号。
如下所示。
2,各种型号设备编码规则具体如下:2.1,剪板机编码规则:剪板机的编码前两位为备用位,以00表示。
接下来的三位代表设备类型,以剪板的拼音声母大写JB开始,第五位区分剪板机是数控的还是非数控的或别的类型,若是数控的,在JB后加字母S,普通剪板机则在JB后加字母P,以后若增加其他类型的剪板机,以此位区别。
再接下来的三位代表剪板机的可剪最大厚度。
例如040代表剪板最大厚度为4mm,120代表剪板的最大厚度为12mm。
最后是剪板机的序列号,含两位。
因此,剪板机编码共包含10位,具体形式如下:举例1:00JBS0400100:备用位。
JBS:数控剪板机。
040:剪板的最大厚度为4mm。
01:剪板机的序列号,表示此剪板机在此类设备中序列号为01。
2.2,折弯机编码规则:折弯机的编码前两位为备用位,以00表示。
接下来的三位代表设备类型,以折弯的拼音声母大写ZW开始,代表设备类型:折弯机,第五位区分此折弯机是数控的还是非数控的或别的类型,若是数控的,在字母ZW后加字母S。
普通折弯机则在ZW后加字母P,以后若增加其他类型的折弯机,以此位区别。
第五位到第八位代表折弯机的最大公称力,以吨为单位。
例如100表示此折弯机的最大公称力为100吨。
最后是折弯机的序列号,包含两位。
因此,折弯机的编码共包含10位,具体形式如下:举例:00ZWS1000100:备用位。
ZWS:数控折弯机。
100:此折弯机的最大公称力为100吨。
01:折弯机的序列号,表示此折弯机在此类设备中序列号为01。
生产车间设备编码规则 Revised by Jack on December 14,2020生产车间设备编码规则(试用版)为加强对生产车间设备的管理,方便生产车间对设备的使用,技术部特制订本规则。
实施本规则后,生产车间的每一台生产设备都有其唯一的编码。
1,生产设备编码规则。
生产设备的编码原则:车间生产设备的编码共十位,前两位为备用位,以00表示。
第三位到第五位代表设备类型,以设备类型的汉语拼音声母表示,具体见下表。
接下来的三位编码代表该种设备的生产能力的某一参数,最后两位代表该类别设备的序列号。
如下所示。
2,各种型号设备编码规则具体如下:,剪板机编码规则:剪板机的编码前两位为备用位,以00表示。
接下来的三位代表设备类型,以剪板的拼音声母大写JB开始,第五位区分剪板机是数控的还是非数控的或别的类型,若是数控的,在JB后加字母S,普通剪板机则在JB后加字母P,以后若增加其他类型的剪板机,以此位区别。
再接下来的三位代表剪板机的可剪最大厚度。
例如040代表剪板最大厚度为4mm,120代表剪板的最大厚度为12mm。
最后是剪板机的序列号,含两位。
因此,剪板机编码共包含10位,具体形式如下:举例1:00JBS0400100:备用位。
JBS:数控剪板机。
040:剪板的最大厚度为4mm。
01:剪板机的序列号,表示此剪板机在此类设备中序列号为01。
,折弯机编码规则:折弯机的编码前两位为备用位,以00表示。
接下来的三位代表设备类型,以折弯的拼音声母大写ZW开始,代表设备类型:折弯机,第五位区分此折弯机是数控的还是非数控的或别的类型,若是数控的,在字母ZW后加字母S。
普通折弯机则在ZW后加字母P,以后若增加其他类型的折弯机,以此位区别。
第五位到第八位代表折弯机的最大公称力,以吨为单位。
例如100表示此折弯机的最大公称力为100吨。
最后是折弯机的序列号,包含两位。
因此,折弯机的编码共包含10位,具体形式如下:举例:00ZWS1000100:备用位。
科学仪器分类标准及编码规则术语与定义本文中,“大型科学仪器设备”指在科学研究、技术开发及其他科技活动中使用的价格在一定数值以上的单台或成套科学仪器设备资源,包括配套附件及软件。
但不包括实验室设备和大科学工程。
大型科学仪器设备的分类标准及编码2.1.分类标准的体系结构及说明大型科学仪器设备的分类标准体系结构包括四个层级:大类、中类、小类和细目。
大类是最高层级,细目是最低层级。
每个层级都有对应的编码。
2.2.分类编码规则及说明大型科学仪器设备的编码规则采用“层级编码法”,即从大类到细目逐级编码。
每个层级的编码采用数字编码,每个数字代表一个层级。
例如,大类编码为“1”,中类编码为“11”,小类编码为“111”,细目编码为“1111”。
2.3.分类标准与编码详述本标准规定了大型科学仪器设备的分类标准和编码规则。
分类标准包括四个层级:大类、中类、小类和细目。
编码规则采用“层级编码法”,从大类到细目逐级编码。
每个层级的编码采用数字编码,每个数字代表一个层级。
本标准不包括实验室设备和大科学工程。
大型科学仪器采用六位数字编码分类,包括大类、中类、小类,每类用两位数字表示,从“01”开始递增。
为了保证编码长度一致,大类编码后面补充四个“0”,中类编码后面补充两个“0”。
而各级“其他”类则采用“99”进行编码。
分类标准及对应编码如下表所示,大类包括分析仪器、电子光学仪器、质谱仪器、X射线仪器、光谱仪器、色谱仪器等。
中类则包括各种仪器的具体类型,如透射电镜、有机质谱仪、X射线衍射仪等。
小类进一步细分,如电子探针、离子探针、圆二色光谱仪等。
大类编码以“”开始,中类编码以“0101”开始,小类编码以“”开始。
其他类则以“99”结尾。
每类的编码长度均为六位数字,便于编码扩展。
图像分析仪、差热分析仪、示差扫描量热计、热天平、导热系数测定仪、热膨胀系数测定仪、热成像仪以及其他是化学分析仪器的一些常见类型。
氨基酸及多肽分析仪、凝胶扫描仪、生物化学发光仪、生化分析仪、酶标仪、 DNA 合成仪、 DNA 测序仪、 DNA样本制备仪、基因导入仪、多肽合成仪、 PCR 仪、流式细胞仪、细胞分析仪、细胞融合仪、生物大分子分析系统、蛋白纯化仪、蛋白测序仪、多参数免疫分析仪、蛋白凝胶系统、生物芯片系统、高通量药物筛选仪、 SNP 遗传多态性分析仪以及其他是生物化学分析仪器的常见类型。
电气设备税收分类编码
1. 机电设备类:
机械设备,例如,机械传动装置、发电机、电动机等。
电气设备,例如,电线电缆、开关、插座、电池等。
仪器仪表,例如,测量仪器、控制仪表、传感器等。
照明设备,例如,灯具、照明装置等。
通信设备,例如,电话机、网络设备、无线通信设备等。
2. 电子设备类:
电子元器件,例如,电阻器、电容器、晶体管等。
电子产品,例如,电视机、音响设备、计算机等。
通信设备,例如,手机、无线路由器、通信基站等。
控制设备,例如,自动化控制系统、工控设备等。
消费电子产品,例如,相机、音乐播放器、游戏机等。
需要注意的是,具体的税收分类编码可能因国家和地区的不同而有所差异。
在实际应用中,需要根据相关税法法规和税务部门的指导文件来确定准确的税收分类编码。
建议在需要申报税务或进行相关业务时,咨询当地的税务专业人士或相关部门,以确保正确的税收分类编码的使用。
*/*** ******************企业标准******—2016设备分类编码规定点击此处添加标准英文译名点击此处添加与国际标准一致性程度的标识(报批稿)(本稿完成日期2016年7月20日)2016-07-25发布2016-08-01实施************院发布********—2016目次前言 (3)1.范围 (4)2.规范性引用文件 (4)3.设备的分类 (4)4.设备编码规则及说明 (4)4.1设备主体编码 (4)4.1.1设备主体编码结构形式: (4)4.1.2设备主体编码结构说明: (5)4.2设备附属设备、附件、专用工具、工装夹具、资料等编码 (6)4.2.1附件码结构形式: (6)4.2.2设备附属设备、附件、专用工具、工装夹具、资料等编码结构说明: (6)4.3部门代码说明 (8)5.设备编码明细 (8)前言本标准依照《行政事业单位国有资产管理办法》、《***市直行政事业单位国有资产处置管理暂行办法》的《***院组织章程》,并参考《固定资产分类与代码》(GB/T 14885-2010)而制定。
本标准的编写要求是根据国家标准GB/T 15498-2003《企业标准体系管理标准和工作标准体系》中的6.3的规定,并结合***院的实际而编制。
本标准按照GB/T 1.1-2009《标准化工作导则第一部分:标准的结构的编写》给出的规则起草。
本标准由北***院提出。
本标准起草单位:***院动力保障部。
本标准主要起草人:***。
设备分类编码规定1.范围本标准规定了***院(以下简称“北大光电院”或“***院”)设备的分类、设备编码规则及说明,并给出***院的设备编码明细表。
本办法适用于***院设备、附属设备及其附件的编码。
2.规范性引用文件下列文件对于本文件的应用是必不可少的。
凡是标注日期的引用文件,仅所注日期的版本适用于本文件。
凡是没标注日期的引用文件,其最新版本(包括所有的修改单)适用于本文件。
1 目的与适用范围建立设备分类编号管理规程,对设备分类编号规范化管理。
本规程所指的设备范围系指属于固定资产的设备,非固定资产的设备也可参照执行。
管道分类编号也按本规程执行。
2 职责生产技术部、财务部、设备部门、生产车间对本规程的实施负责。
3 内容3.1 设备分类编号原则本规定按设备的安装使用位置和类型进行统一的编号。
3.2 设备分类编号方法3.2.1 分类编号采用层次编码为主的结构。
3.2.2 编号结构为三层,第一层为安装使用位置编号,第二层为设备类型编号,第三层为同型号规格的顺序编号。
3.2.3 编号为9位号码,第一层用两位英语字母加两位阿拉伯数字表示,第二层用三位阿拉伯数字表示,第三层用两位阿拉伯数字表示。
3.2.4 编号中的第一层从“SB01”开始,第二层从“001”开始,第三层编号从“01”开始,按升序排列,可以间断。
3.3 设备安装使用位置划分及编号3.3.1 本公司设备按安装使用位置共分为3大类。
3.3.2 属于公共设施的设备编号为“01”。
3.3.3 属于质量保证部的设备编号为“02”。
3.3.4 属于原料车间的设备编号为“03”。
3.4 设备类型编号见附表。
3.4.1 设备编号示例3.4.2 空气压缩机SB01 001 01第三层次、顺序编号:第一台空气压缩机第二层次、设备类型:空气压缩机第一层次、英语字母SB:设备安装使用位置03:原料车间3.5 计量器具的分类编号原则3.5.1 分类编号采用层次编码为主的结构。
3.5.2 编号结构为三层,第一层为安装使用位置编号,第二层为计量器具类型编号,第三层为同型号规格的顺序编号。
3.5.3 编号为10位号码,第一层用三位英语字母加两位阿拉伯数字表示,第二层用三位阿拉伯数字表示,第三层用两位阿拉伯数字表示。
3.5.4 编号中的第一层从“JLA(B、C)01”开始,第二层从“001”开始,第三层编号从“01”开始,按升序排列,可以间断。
3.6 计量器具安装使用位置划分及编号3.6.1 本公司计量器具按安装使用位置共分为4大类。
某电网公司主网设备信息分类与编码1. 引言某电网公司拥有大量的主网设备,为了方便管理和识别这些设备,需要对其进行分类和编码。
本文将介绍某电网公司对主网设备进行分类的方法和编码规则。
2. 主网设备分类某电网公司根据主网设备的功能和特性将其分为以下几类:2.1 输电设备输电设备主要用于将发电厂产生的电能从发电厂输送到各个供电点,包括变电站、输电线路等。
2.2 配电设备配电设备主要用于将输电线路传输的高压电能转换为供电给用户的低压电能,包括配电变压器、配电开关柜等。
2.3 通信设备通信设备用于主网设备之间的通信和数据交互,包括通信服务器、网络设备等。
2.4 安全设备安全设备用于保障主网设备的安全运行,包括监控摄像头、火灾报警器等。
2.5 辅助设备辅助设备主要用于辅助主网设备的运行和维护,包括维修工具、备用零件等。
3. 主网设备编码规则为了便于识别和管理主网设备,某电网公司采用了一套编码规则。
该规则基于主网设备的分类和特性,具体规则如下:•编码由8位数字组成,前2位表示设备类别,后6位表示设备的唯一标识。
•输电设备的类别编码为01,配电设备为02,通信设备为03,安全设备为04,辅助设备为05。
•设备的唯一标识根据设备的具体特征进行编码,例如变电站的标识可以采用站点编号,配电开关柜可以采用柜号等。
•某些特殊设备的编码可能需要更多位数来表示,此时可以根据需要增加编码的位数。
4. 设备信息分类和编码实例为了更好地说明设备信息分类和编码的方法,下面给出几个实例:4.1 输电设备•变电站A的编码为010001,其中01表示输电设备,0001表示变电站A的唯一标识。
•输电线路A的编码为010002,其中01表示输电设备,0002表示输电线路A的唯一标识。
4.2 配电设备•配电变压器A的编码为020001,其中02表示配电设备,0001表示配电变压器A的唯一标识。
•配电开关柜A的编码为020002,其中02表示配电设备,0002表示配电开关柜A的唯一标识。
-CAL-FENGHAI.-(YICAI)-Company One1-CAL-本页仅作为文档封面,使用请直接删除生产车间设备编码规则(试用版)为加强对生产车间设备的管理,方便生产车间对设备的使用,技术部特制订本规则。
实施本规则后,生产车间的每一台生产设备都有其惟一的编码。
生产设备的编码原则:车间生产设备的编码共十位,前两位为备用位,以00 表示。
第三位到第五位代表设备类型,以设备类型的汉语拼音声母表示,具体见下表。
序号设备分类编码第三位到第五位1 剪板机数控剪板机JBS普通剪板机JBP2 3 45 67 折弯机冲床焊机激光切割气割钻床数控折弯机普通折弯机多工位普冲液压压力机CO2 气体保护焊氩弧焊激光焊储能焊直流焊数控切割半自动切割空心磁力钻立钻摇臂钻台式钻攻钻床ZWSZWPCS0CP0CYYHCBHYHHJGHCNHZLJGGQGSQGBZKCZL0ZYBZZG8 锯金属带锯床JJD型材切割机JXG9 (若新增其他类别设备) (新增对应编码)接下来的三位编码代表该种设备的生产能力的某一参数,最后两位代表该类别设备的序列号。
如下所示。
2.1,剪板机编码规则:剪板机的编码前两位为备用位,以00 表示。
接下来的三位代表设备类型,以剪板的拼音声母大写JB 开始,第五位区分剪板机是数控的还是非数控的或者别的类型,若是数控的,在JB 后加字母S ,普通剪板机则在JB 后加字母P,以后若增加其他类型的剪板机,以此位区别。
再接下来的三位代表剪板机的可剪最大厚度。
例如040 代表剪板最大厚度为4mm,120 代表剪板的最大厚度为12mm。
最后是剪板机的序列号,含两位。
因此,剪板机编码共包含10 位,具体形式如下:0 0 J B X X X X X X备用位,编码以0 表示序列号最大剪板设备类型代码:剪板0 0 X X X X X X X X备用位,编码以0 表示序列号代表设备某一代表设备类型的代码举例1:00JBS0400100 :备用位。
内部资料注意保密特钢事业部专业管理标准标准编号:SWS-12-01-004 第1版签发:朱庆明设备编码规则1目的和适用范围1.1设备编码是宝山钢铁股份有限事业部特钢事业部(以下简称:事业部)设备管理的基础。
通过对设备进行相对规范的编号,使设备的计划、分类、检索、查询、统计等信息传递工作,更加方便、准确、高效。
1.2本设备编码体系是事业部设备维修综合信息管理系统的主代码。
1.3本规则仅适用于事业部的设备编码。
2设备编码的构成及定义:设备编码由三部分构成:2.1单项设备(1~6位,简称六位码)单项设备按设备的用途及安装地点,分为生产线设备和非生产线设备两大类。
2.1.1生产线设备:指直接参加生产或直接服务(辅助)生产过程的,且安装在生产线上的各种设备及设施。
2.1.1.1单体设备2009年9月8日发布2009年9月8日实施具备动力、传动、工作机构三部分且构成为一个整体,又能独立完成某项既定工作任务的设备。
或虽不全由上述三部分组成,但也可作为一个整体存在且能独立完成某项既定任务的设备装置。
如行车、堆取料机、变压器、高压柜、塔、罐等。
2.1.1.2系统设备若干个单体设备组合成一个整体,并在工艺生产中不能分开的联动生产设备。
如电炉本体、连铸本体、轧机、加热炉炉体等。
2.1.1.3系统装置若干个装置组合在一起,共同完成某项工作任务,且难以分离的联合装置。
如高低压供电系统、控制中心、PLC、电炉本体仪表设备、水处理仪表设备等。
2.1.2非生产线设备:指不直接服务于生产过程的或不在生产线上的各种设备及设施。
如:可流动或可便携的各类大型工器具、检测仪表、窗式、柜式空调,微机(不含计算机系统中的终端)、非生产用汽车、办公等设备。
2.2分部设备(7~9位,简称九位码)单项设备中可按专业区分的成套、成台设备(装置、构件),它们只有组合在一起才能完成单项设备的部分功能。
2.3更换件(10~12位,简称十二码)构成分部设备的组装件、零配件,它们在工作中必须是有损耗的,并需要准备更换备用件的。
工厂设备编码制度一、目的为了加强工厂设备的管理,提高设备的使用效率,确保生产安全,制定本制度。
本制度规定了设备编码的规则和方法,以便于对设备进行科学、规范的管理。
二、适用范围本制度适用于工厂所有设备的编码管理工作。
三、编码规则1. 设备编码采用字母和数字的组合,共10位。
2. 设备编码分为四部分,分别为:设备类型编码、设备型号编码、设备序列号编码和设备状态编码。
3. 设备类型编码:根据设备的分类,分为A、B、C、D四类,分别代表生产线设备、辅助设备、检测设备和其他设备。
4. 设备型号编码:根据设备的型号,采用三位数字表示。
5. 设备序列号编码:根据设备的出厂顺序,采用三位数字表示。
6. 设备状态编码:根据设备的使用状态,分为1、2、3、4四种,分别代表在用、备用、维修和报废。
四、编码方法1. 设备类型编码:根据设备的分类,选择相应的字母表示。
2. 设备型号编码:根据设备的型号,将型号中的数字转换为三位数表示。
3. 设备序列号编码:根据设备的出厂顺序,将顺序号转换为三位数表示。
4. 设备状态编码:根据设备的使用状态,选择相应的数字表示。
五、编码管理1. 设备编码由设备管理部门负责统一管理,设备使用部门负责具体实施。
2. 设备编码应在设备购置或制造时进行,如需更改设备编码,应经设备管理部门批准。
3. 设备编码应标注在设备的明显位置,以便于识别和管理。
4. 设备管理部门应定期对设备编码进行审核和更新,确保设备编码的准确性和完整性。
六、设备编码的使用1. 设备编码作为设备管理的重要依据,应贯穿于设备的一生,包括设备采购、制造、使用、维修、报废等环节。
2. 设备编码可用于设备档案的建立和维护,便于设备信息的查询和管理。
3. 设备编码可用于设备的使用和维护,便于设备的使用者了解设备的基本情况和使用要求。
4. 设备编码可用于设备的维修和报废,便于设备维修人员了解设备的使用状态和维修情况。
七、违规处理1. 未按本制度规定进行设备编码的,由设备管理部门责令改正,并可对相关人员进行通报批评。
设备分类与资产编号设备分类与资产编号,是设备验收移交使用单位后纳入资产管理工作的首要环节,是资产建帐和统计分析的依据。
设备分类与编号工作量大,不宜随意变更。
资产编号用来区别设备资产中某一段与其它设备,故每台设备均应有自己的编号。
新设备安装调试合格验收后,由设备部门给予编号,并填入移交验收单中。
使用单位的财会部门和设备管理维修部门据以建立帐卡,纳入正常管理。
一、设备分类1965年原第一机械工业部颁发的《设备统一分类及编码目录》,将机械设备和动力设备分为若干大类别,每一大类别又分为若干分类别,每一分类别又分为若干组别,并且分别用数字代号表示。
大类别的数字代号如下表。
设备数量进行分类统计,掌握设备构成情况。
企业在进行设备资产编号时,应将本企业的传统编号方法恰当地结合起来,以达到前述分类编号的目的即可。
二、设备资产编号属于固定资产的设备,其资产编号由两段数字组成,两段之间为一横线。
表示方法如下:例如:顺序号为20的立式车床其编号为015—020;顺序号为15的点焊机,其编号为753—015。
顺序号一旦确定,就永远不变,设备即使报费了,这一顺序号也不能被其它设备所用,这样就便于设备的全生命周期跟踪.三、要生产设备与非主要生产设备按原机械工业部的有关规定,将生产设备划分为主要生产设备与非主要生产设备,其区别是:机械修理复杂系数为5及大于5的,作为主要生产设备;小于5的为非主要生产设备。
四、重点设备选定的依据(A、B、C分类)重点设备的选定一般运用ABC分析法或经验判定法,根据主要生产设备发生故障后和修理停机时对生产、质量、成本、安全、交货期等诸方面影响的程度与造成生产损失的大小,将设备划分为A、B、C三类:A类为重点设备,是重点管理和维修的对象,应严格执行预防维修;B类为主要设备,也应实施预防维修;C类为一般设备,可以实行事后维修。
重点设备的选定依据可参考下表,企业应根据具体情况灵活掌握。
重点设备的选定依据。
生产车间设备编码规则(试用版)为加强对生产车间设备的管理,方便生产车间对设备的使用,技术部特制订本规则。
实施本规则后,生产车间的每一台生产设备都有其唯一的编码。
1,生产设备编码规则。
生产设备的编码原则:车间生产设备的编码共十位,前两位为备用位,以00表示。
第三位到第五位代表设备类型,以设备类型的汉语拼音声母表示,具接下来的三位编码代表该种设备的生产能力的某一参数,最后两位代表该类别设备的序列号。
如下所示。
2,各种型号设备编码规则具体如下:2.1,剪板机编码规则:剪板机的编码前两位为备用位,以00表示。
接下来的三位代表设备类型,以剪板的拼音声母大写JB开始,第五位区分剪板机是数控的还是非数控的或别的类型,若是数控的,在JB后加字母S,普通剪板机则在JB后加字母P,以后若增加其他类型的剪板机,以此位区别。
再接下来的三位代表剪板机的可剪最大厚度。
例如040代表剪板最大厚度为4mm,120代表剪板的最大厚度为12mm。
最后是剪板机的序列号,含两位。
因此,剪板机编码共包含10位,具体形式如下:举例1:00JBS0400100:备用位。
JBS:数控剪板机。
040:剪板的最大厚度为4mm。
01:剪板机的序列号,表示此剪板机在此类设备中序列号为01。
2.2,折弯机编码规则:折弯机的编码前两位为备用位,以00表示。
接下来的三位代表设备类型,以折弯的拼音声母大写ZW开始,代表设备类型:折弯机,第五位区分此折弯机是数控的还是非数控的或别的类型,若是数控的,在字母ZW后加字母S。
普通折弯机则在ZW后加字母P,以后若增加其他类型的折弯机,以此位区别。
第五位到第八位代表折弯机的最大公称力,以吨为单位。
例如100表示此折弯机的最大公称力为100吨。
最后是折弯机的序列号,包含两位。
因此,折弯机的编码共包含10位,具体形式如下:举例:00ZWS1000100:备用位。
ZWS:数控折弯机。
100:此折弯机的最大公称力为100吨。
01:折弯机的序列号,表示此折弯机在此类设备中序列号为01。
特种设备分类及代码1.1 C601 特种设备种类代码特种设备种类代码说明:国家安全监察机构对特种设备分类的⼤类代码。
表⽰:C1编码⽅法:采⽤顺序码,⽤1位数字或⼤写字母表⽰。
表1 特种设备种类代码1.2 C602 特种设备分类代码特种设备分类代码说明:国家安全监察机构对特种设备的分类代码。
表⽰:C4编码⽅法:采⽤层次码。
代码共分4层,每层均⽤1位数字或⼤写字母表⽰。
第1层:特种设备种类代码,第2层:特种设备类别代码,第3层:特种设备品种代码,第4层:特种设备级别代码。
注:根据需要,可以只使⽤前1位、前2位或前3位代码。
表2 特种设备分类代码表1.3 C603 特种设备登记代码特种设备登记代码说明:国家对进⾏安全监察的特种设备的登记代码。
表⽰:C21编码⽅法:采⽤组合码。
代码由4部分组成,共21位数字字母混合码。
第1部分:特种设备分类代码(4位数字字母混合码)第2部分:注册单位代码,采⽤注册单位的组织机构代码(9位数字字母码)第3部分:注册年份(4位数字)第4部分:顺序号(4位数字,0001—9999)。
XXXX XXXXXXXXX XXXX XXXX顺序号(4位数字)注册年份(4位数字)注册单位代码(9位数字字母)特种设备分类代码(4位数字字母混合码)1.4 C604 特种设备代码特种设备代码说明:特种设备的终⾝代码。
与登记代码不同的是特种设备代码终⾝有效。
如果是国产设备,该代码在制造出⼚时产⽣;如果是进⼝设备,该代码在⾸次安装时产⽣。
表⽰: C21编码⽅法:采⽤组合码。
代码由4部分组成,共21位数字、字母混合码。
第1部分:特种设备分类代码(4位数字字母混合码)第2部分:制造或安装单位代码(采⽤组织机构代码,9位数字字母码)国产设备采⽤设备制造单位的组织机构代码进⼝设备采⽤⾸次安装单位的组织机构代码第3部分:注册年份(4位数字,国产设备为制造年份,进⼝设备为安装年份)第4部分:顺序号(4位数字,0001—9999)XXXX XXXXXXXXX XXXX XXXX顺序号(4位数字)制造/安装年份(4位数字)制造/安装)单位代码(9位数字)特种设备分类代码(4位数字字母码)。
*/*** ******************企业标准
******—2016
设备分类编码规定
点击此处添加标准英文译名
点击此处添加与国际标准一致性程度的标识
(报批稿)
(本稿完成日期2016年7月20日)
2016-07-25发布2016-08-01实施
************院发布
********—2016
目次
前言 (3)
1.范围 (4)
2.规范性引用文件 (4)
3.设备的分类 (4)
4.设备编码规则及说明 (4)
4.1设备主体编码 (4)
4.1.1设备主体编码结构形式: (4)
4.1.2设备主体编码结构说明: (5)
4.2设备附属设备、附件、专用工具、工装夹具、资料等编码 (6)
4.2.1附件码结构形式: (6)
4.2.2设备附属设备、附件、专用工具、工装夹具、资料等编码结构说明: (6)
4.3部门代码说明 (8)
5.设备编码明细 (8)
前言
本标准依照《行政事业单位国有资产管理办法》、《***市直行政事业单位国有资产处置管理暂行办法》的《***院组织章程》,并参考《固定资产分类与代码》(GB/T 14885-2010)而制定。
本标准的编写要求是根据国家标准GB/T 15498-2003《企业标准体系管理标准和工作标准体系》中的6.3的规定,并结合***院的实际而编制。
本标准按照GB/T 1.1-2009《标准化工作导则第一部分:标准的结构的编写》给出的规则起草。
本标准由北***院提出。
本标准起草单位:***院动力保障部。
本标准主要起草人:***。
设备分类编码规定
1.范围
本标准规定了***院(以下简称“北大光电院”或“***院”)设备的分类、设备编码规则及说明,并给出***院的设备编码明细表。
本办法适用于***院设备、附属设备及其附件的编码。
2.规范性引用文件
下列文件对于本文件的应用是必不可少的。
凡是标注日期的引用文件,仅所注日期的版本适用于本文件。
凡是没标注日期的引用文件,其最新版本(包括所有的修改单)适用于本文件。
GB/T 14885-2010 固定资产分类与代码
*****设备管理办法
***** 文件管理办法
3.设备的分类
3.1.***院设备的各类分为专用设备和通用设备两大类。
3.2.专用设备包括:消防设备、动力保障设备、工艺及检测设备、仪器仪表、工量器具、
辅助设备及其它专用设备。
3.3.通用设备包括:IT设备、办公设备、交通工具、文体设备及其它通用设备。
4.设备编码规则及说明
4.1设备主体编码
4.1.1设备主体编码结构形式:
a b c d e f g h
口口口 XX - XX XX 口 YYMM 口口
部门代码
购入日期代码
五级代码
流水号
四级代码
三级代码
二级代码
一级代码
注:“口”表示英文字母;“X”表示阿拉伯数字;“YY”表示年份;“MM”表示月份。
4.1.2设备主体编码结构说明:
a 一级代码由一位大写英文字母表示;
——“Z”表示专用设备,“T”表示通用设备。
b 二级代码由两位小写英文字母表示;
——“xf”表示消防设备,“dl”表示动力保障设备,“gy”表示工艺及检测设备,“yq”表示仪器仪表,“gl”表示工量器具,“fz”表示辅助设备,“qz”表示其它专用设备。
——“it”表示IT设备,“bg”表示办公设备,“jt”表示交通设备,“wt”表示文体
设备,“qt”表示通用设备。
c 三级代码由两位阿拉伯数字构成,表示设备的一个类别。
d四级代码由两位阿拉伯数字构成,表示三级代码下的一个具体的小类或品牌的设备。
e 主体流水号由两位阿拉伯数字构成。
f 类别码由一位小写英文字母构成,“a”表示设备主体。
g 购入日期代码由四位阿拉伯数字组成,前两位表示年份,后两位表示月份。
h 部门代码由两位大写英文字母组成。
示例:
以2014年11月30日贴片组购入的一台“贴片机”为例,其设备编码为:
Zgy01-0201a1411TP
********—2016其设备编码中各构成要素的含义如下:
Z ——一级代码,“Z”表示专用设备;
gy ——二级代码,“gy”表示工艺设备;
01 ——三级代码,“01”代表“贴片机”
02 ——四级代码,“02”表示购入的第二类型的贴片机;
01 ——流水号,“01”表示购入的第一类贴片机的第一台;
a ——五级代码,“a”表示设备主体;
1411 ——购买日期代码,“1411”表示2014年11月份;
JF ——部门代码,“TP”表示贴片组。
4.2设备附属设备、附件、专用工具、工装夹具、资料等编码
4.2.1附件编码结构形式:
a b c d e f g h i
口口口 XX - XX XX 口 XX XX 口口
附件流水号
七级代码
六级代码
五级代码
主体流水号
四级代码
三级代码
二级代码
一级代码
4.2.2设备附属设备、附件、专用工具、工装夹具、资料等编码结构说明:
a~e 代码意义同设备主体编码;
f ——类别码由一位除“a”以外的小写英文字母表示,相关字母代表的意义分
别如下:
——“s”表示附属设施和附属设备;
——“f”表示附件(用于设备性能扩张,随设备主体存在);
——“g”表示专用工具;
——“j”表示夹具;
——“z”表示随机资料;
g ——六级代码由两位阿拉伯数字构成,表示五级代码下的一个具体的大类;
h ——七级代码同样由两位阿拉伯数字构成,表示六级大类中的一个具体的小类
(如设施的品牌和型号、资料的存储介质、形式等),若不清楚品牌和型
号或者为组装品则用“00”代替;
i ——附件流水号由两位阿拉伯数字构成。
示例:
仍以2014年11月30日贴片组购入的一台“贴片机”为例,其所有设备附属设备、附件、夹具、资料等的编码分别如下(仅对主体编码之后的附件编码等作说明):
●西门子UPS电源(附件)的编码: Zgy01-0201f010101
说明:f ——五级代码,表示“附件”;
01 ——六级代码,表示”UPS”这一大类附件;
01 ——七级代码,表示”西门子”品牌;
01——流水号,表示第一台西门子UPS电源。
●夹具3330的编码: Zgy01-0201j010001
说明:j ——五级代码,表示“夹具”;
01 ——六级代码,表示“3330”为第一类夹具;
00 ——七级代码,表示“无”品牌;
01——流水号,表示第一套3330夹具。
●夹具 4415的编码: Zgy01-0201j020001
说明:j ——五级代码,表示“夹具”;
02——六级代码,表示“4415”为第二类夹具;
00——七级代码,表示“无”品牌;
01——流水号,表示第一套“4415”夹具。
●“1120”夹具的编码: Zgy01-0201j030101
说明:j ——五级代,表示“夹具”;
03——六级代码,表示“1120”夹具为第三类夹具;
00——七级代码,表示“无”品牌;
01——流水号,表示第一套“1120”夹具。
●操作说明书(纸质)的编码: Zgy01-0201z010101
说明:z ——五级代码,表示“随机资料”;
01——六级代码,表示该“操作说明书”为第一类随机资料;
01——七级代码,表示“纸质”说明书为“第一类”介质的操作说明书;
01——流水号,表示第一套“纸质”说明书。
●系统文件(U盘)的编码: Zgy01-0201z020101
说明:z ——五级代码“z”表示“随机资料”;
02——六级代码,表示该“系统软件”为第二类随机资料;
01——七级代码,表示“U盘”为“第一类”储存介质的系统文件;
01——流水号,表示第一套以“U盘”存储的系统文件。
4.3部门代码说明
略。
5.设备编码明细
略。