常用金属材料参考手册
- 格式:doc
- 大小:256.00 KB
- 文档页数:15
常用钢铁材料完全手册介绍本手册旨在介绍一些常用的钢铁材料,包括其用途、特性、制造工艺以及适用范围等方面的信息。
这些钢铁材料在工业生产和建筑领域广泛应用,对于了解和选择适当的材料具有重要意义。
目录1.钢材–碳钢–不锈钢2.铁材3.铸铁1. 钢材钢是一种合金材料,主要由铁和碳组成,同时可能包含其他元素。
钢的特性取决于其成分和制造工艺的差异。
下面将介绍常见的两种钢材:碳钢和不锈钢。
1.1 碳钢碳钢是指含有较高碳含量的钢材,其碳含量一般在0.2%到2.1%之间。
碳钢具有以下特点:•强度高,可用于承受较大载荷的结构;•可加工性好,容易进行切削、焊接和锻造;•价格相对较低,广泛应用于建筑、机械制造等领域。
碳钢根据其碳含量的不同又可以分为低碳钢、中碳钢和高碳钢。
不同碳钢的特性和应用范围各有不同。
1.2 不锈钢不锈钢是一种抗腐蚀性能较好的钢材,其主要成分为铁、铬和其他合金元素。
不锈钢具有以下特点:•良好的耐腐蚀性能,适用于潮湿或腐蚀环境中的使用;•具有优良的机械性能和加工性能;•表面光滑,易于清洁和保养。
根据不锈钢中的合金元素成分的不同,不锈钢可以分为多种型号和牌号,每种型号和牌号具有不同的特性,适用于不同的环境和用途。
2. 铁材铁是地壳中含量最丰富的金属元素之一,其在工业生产中有广泛的应用。
铁材主要有以下几种类型:•生铁:是由矿石经过炼铁过程得到的含有铁和其他杂质的金属;•锻铁:是在高温下对生铁进行压力加工得到的一种铁材,具有较高的强度和韧性;•冷轧板:由质量较好的钢铁材料通过冷轧工艺制成的板材,广泛应用于建筑和制造业;•铸铁:是一种含有较高碳和硅含量的铁材,具有良好的流动性和压力耐受性,适用于铸造加工。
3. 铸铁铸铁是一种由铸造工艺制成的铁材,其主要成分为铁、碳和硅。
铸铁具有以下特点:•抗压强度高,适用于制造负荷较大的零件和机械设备;•热传导性能好,适合制作散热部件;•价格相对较低,成本较低。
铸铁根据其碳含量和硅含量的不同可以分为多个类型,例如灰铁、球墨铸铁等,每种类型的铸铁都有其特定的应用领域和性能。
核电金属材料手册引言:核能作为清洁、高效的能源形式,在国际上被广泛应用和发展。
核电站作为核能的主要利用形式,其结构及材料的安全和可靠性显得尤为重要。
本手册将详细介绍核电站中常用的金属材料,包括钢材、铜材以及其他多种辅助材料,以期为核电工程师提供参考。
一、钢材1.不锈钢:不锈钢是一种重要的结构材料,其具有良好的耐腐蚀性和机械性能,同时还有较好的加工性能。
在核电站中,不锈钢常用于制作反应堆容器、反应堆压力容器等关键部件。
2.碳钢:碳钢是一种常用的结构材料,由于其较低的成本和较好的机械性能,在核电站中也得到广泛应用。
碳钢适用于制作建筑结构、泵和风机设备等。
3.低合金钢:低合金钢是一种优质的结构钢材,在核电站中也被广泛使用。
低合金钢具有较高的强度和韧性,能够满足核电站在高温和高压环境下的使用要求。
二、铜材铜是一种重要的导电材料,在核电站中常用于制作输电线路、电缆和电气设备等。
铜具有优良的导电性和热传导性,能够满足核电站对电气设备的高要求。
三、其他辅助材料1.铝合金:铝合金是一种轻质高强度的金属材料,广泛应用于核电站中的非结构部件。
铝合金具有良好的耐腐蚀性和机械性能,在核电站中用于制作散热器、管道以及其他辅助设备。
2.镍基合金:镍基合金是一种耐高温、耐腐蚀的材料,具有超强的抗氧化和耐热性能,被广泛应用于核电站的高温部件中,如燃料管、燃料棒和燃气环等。
3.铝材料:铝是一种常用的结构材料,具有良好的机械性能和抗腐蚀性能。
在核电站中,铝材料常用于制作反应堆的外壳、密封部件和其他结构件。
总结:核电站中的金属材料在保证反应堆的安全和可靠运行方面起到了重要作用。
本手册介绍了核电站中常用的金属材料,包括钢材、铜材以及其他辅助材料。
这些材料具有一定的特点和适用范围,在核电工程师进行材料选择和设计时提供了重要参考。
在未来的核电发展中,还需要不断研发新型的金属材料,以满足核能的不断创新和发展需求。
中外金属材料牌号和化学成分对照手册摘要:一、前言二、中外金属材料牌号对照1.铁金属2.不锈钢3.铝金属4.铜金属5.钛金属三、中外金属材料化学成分对照1.铁金属2.不锈钢3.铝金属4.铜金属5.钛金属四、结论正文:【前言】随着全球化的发展,金属材料在各个领域的应用越来越广泛。
为了方便工程技术人员、采购人员等在实际工作中快速查询和理解不同国家和地区的金属材料牌号和化学成分,我们编写了这本《中外金属材料牌号和化学成分对照手册》。
本手册旨在为相关人员提供一个快速查询和了解中外金属材料牌号和化学成分的参考工具。
【中外金属材料牌号对照】【铁金属】铁金属牌号包括碳素结构钢、优质碳素结构钢、合金结构钢等。
中外铁金属牌号对照如下:【不锈钢】不锈钢牌号包括奥氏体不锈钢、铁素体不锈钢、马氏体不锈钢等。
中外不锈钢牌号对照如下:【铝金属】铝金属牌号包括纯铝、铝合金等。
中外铝金属牌号对照如下:【铜金属】铜金属牌号包括红铜、黄铜、青铜等。
中外铜金属牌号对照如下:【钛金属】钛金属牌号包括纯钛、钛合金等。
中外钛金属牌号对照如下:【中外金属材料化学成分对照】【铁金属】铁金属化学成分主要包括碳、硅、锰、磷、硫等元素。
中外铁金属化学成分对照如下:【不锈钢】不锈钢化学成分主要包括碳、铬、镍、钼、钛等元素。
中外不锈钢化学成分对照如下:【铝金属】铝金属化学成分主要包括铝、镁、硅、铁、铜等元素。
中外铝金属化学成分对照如下:【铜金属】铜金属化学成分主要包括铜、锌、铅、镍、铁等元素。
中外铜金属化学成分对照如下:【钛金属】钛金属化学成分主要包括钛、铝、钒、锆、铁等元素。
中外钛金属化学成分对照如下:【结论】本《中外金属材料牌号和化学成分对照手册》为相关人员提供了一个快速查询和了解中外金属材料牌号和化学成分的参考工具。
通过对比分析不同国家和地区的金属材料牌号和化学成分,有助于提高工程技术人员、采购人员等在实际工作中的效率。
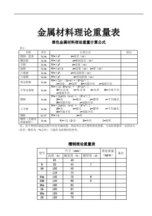
金属材料理论重量表
黑色金属材料理论重量计算公式
表1
注:由于型材在制造过程中有允许偏差值,因此用公式计算的理论重量,与实际重量有一定的出入(误差一般约为0.2~0.7%之间),只能作为估算时的参考。
槽钢理论重量表
圆钢直径和方钢边长及理论重量表表1-1
注:1、表中的理论重量是按钢的密度为7.85计算的。
2、表中带*者不推荐使用。
3、螺纹钢6、7、8、9、10、12、1
4、16、18、20、22、2
5、28、32、3
6、40的理论重量同圆钢的理论重量。
工字钢理论重量
无缝钢管理论重量
注:钢管的理论重量(密度为7.85)按公称尺寸计算,其计算公式为P=0.02466*S(D-S),式中:D为钢管的公称外径(㎜);S为钢管的公称壁厚(㎜)。
花纹钢板理论重量
钢丝绳理论重量
说明:表中前者为6芯钢丝绳,后者为8芯钢丝绳.
等边角钢理论重量
不等边角钢理论重量。
金属材料理论重量表
黑色金属材料理论重量计算公式
表1
注:由于型材在制造过程中有允许偏差值,因此用公式计算的理论重量,与实际重量有一定的出入(误差一般约为~%之间),只能作为估算时的参考。
槽钢理论重量表
圆钢直径和方钢边长及理论重量表表1-1
2、表中带*者不推荐使用。
3、螺纹钢6、7、8、9、10、12、1
4、16、18、20、22、2
5、28、32、3
6、40的理论重量同
圆钢的理论重量。
工字钢理论重量
无缝钢管理论重量
的公称外径(㎜);S 为钢管的公称壁厚(㎜)。
花纹钢板理论重量
钢丝绳理论重量
等边角钢理论重量
不等边角钢理论重量。
金属材料理论重量表
黑色金属材料理论重量计算公式
表1
注:由于型材在制造过程中有允许偏差值,因此用公式计算的理论重量,与实际重量有一定的出入
(误差一般约为~%之间),只能作为估算时的参考。
槽钢理论重量表
圆钢直径和方钢边长及理论重量表表1-1
2、表中带*者不推荐使用。
3、螺纹钢6、7、8、9、10、12、1
4、16、18、20、22、2
5、28、32、3
6、40的理
论重量同圆钢的理论重量。
工字钢理论重量
无缝钢管理论重量
为钢管的公称外径(㎜);S 为钢管的公称壁厚(㎜)。
花纹钢板理论重量
钢丝绳理论重量
等边角钢理论重量
不等边角钢理论重量。
实用金属材料手册
实用金属材料手册是一本涵盖了各种金属材料的性能、特性和应用的指南。
它提供了各种金属材料的物理和化学特性、机械性能、热处理和加工方法等方面的详细信息。
这本手册通常包括以下内容:
1. 金属材料的分类和命名:介绍常见的金属材料,如钢、铝、铜、镁等,并解释它们的分类和命名方式。
2. 金属材料的物理和化学特性:包括密度、熔点、热膨胀系数、导电性、热传导性、磁性等方面的特性。
3. 金属材料的机械性能:涵盖了强度、硬度、延伸性、韧性、抗腐蚀性等方面的性能指标,并提供了各种材料的力学性质表格。
4. 金属材料的热处理和加工方法:介绍了金属材料的热处理过程,如退火、淬火、回火等,以及常见的金属加工方法,如铸造、锻造、冲压、焊接等。
5. 金属材料的应用:列举了金属材料在各种工业领域的应用,如航空航天、汽车制造、建筑、电子设备等,并提供了一些实际案例和应用指导。
实用金属材料手册是金属材料工程师、设计师和研发人员等从事金属材料选择和应用的专业人士的重要参考资料。
它可以帮
助人们更好地理解各种金属材料的特性,从而选择合适的材料来满足特定的工程需求。
有色金属材料手册有色金属材料是指除铁、钢以外的金属材料,主要包括铜、铝、镁、锌、镍、钛等。
这些金属材料在工业生产和日常生活中起着非常重要的作用,广泛应用于航空航天、汽车制造、电子电器、建筑装饰等领域。
本手册将介绍有色金属材料的种类、特性、加工工艺以及应用范围,旨在帮助读者更好地了解和应用有色金属材料。
一、铜材料。
铜是一种重要的有色金属材料,具有良好的导电、导热性能,广泛应用于电子电器领域。
铜材料的种类有纯铜、黄铜、青铜等,每种材料都有其独特的特性和用途。
在加工工艺方面,铜材料可以进行冷加工和热加工,如挤压、拉伸、锻造等。
此外,铜材料还可以通过表面处理方式进行防腐、耐磨等特性的改善。
二、铝材料。
铝是轻质、耐腐蚀的金属材料,具有良好的可塑性和导热性能,被广泛应用于航空航天、汽车制造等领域。
铝材料的种类有纯铝、铝合金等,每种材料都有其独特的特性和用途。
在加工工艺方面,铝材料可以进行挤压、铸造、轧制等工艺,以满足不同形状和性能要求。
三、镁材料。
镁是一种轻质的金属材料,具有良好的机械性能和耐高温性能,被广泛应用于航空航天、汽车制造等领域。
镁材料的种类有纯镁、镁合金等,每种材料都有其独特的特性和用途。
在加工工艺方面,镁材料可以进行压铸、挤压、锻造等工艺,以满足不同形状和性能要求。
四、锌材料。
锌是一种重要的有色金属材料,具有良好的防腐蚀性能和可塑性,被广泛应用于建筑装饰、电子电器等领域。
锌材料的种类有纯锌、锌合金等,每种材料都有其独特的特性和用途。
在加工工艺方面,锌材料可以进行热浸镀、喷涂、电镀等表面处理工艺,以提高其防腐蚀性能和装饰性能。
五、镍材料。
镍是一种重要的有色金属材料,具有良好的耐腐蚀性能和磁性能,被广泛应用于化工、船舶制造等领域。
镍材料的种类有纯镍、镍合金等,每种材料都有其独特的特性和用途。
在加工工艺方面,镍材料可以进行热轧、冷轧、焊接等工艺,以满足不同形状和性能要求。
六、钛材料。
钛是一种重要的有色金属材料,具有良好的耐腐蚀性能和高强度,被广泛应用于航空航天、医疗器械等领域。
金属材料手册电子版1. 引言金属材料在现代工程中起着至关重要的作用。
它们具有优良的力学性能、导电性和导热性,因此被广泛应用于各种行业,如航空航天、汽车制造、建筑和电子设备制造等。
为了更好地了解和应用金属材料,本文档将提供有关金属材料的详细信息和技术规格,为读者提供一份金属材料手册的电子版。
2. 金属材料分类金属材料可以根据其化学成分、物理性质和工艺特性进行分类。
以下是一些常见的金属材料分类:2.1 结构钢结构钢是一类常用的金属材料,具有良好的强度和可塑性。
它们主要用于建筑、桥梁和机械制造等领域。
在结构钢中,常见的品种有碳素钢、合金钢和不锈钢等。
2.2 铝合金铝合金是另一类广泛使用的金属材料,具有轻质、耐腐蚀和良好的导热性能。
它们通常用于航空航天、汽车和电子设备制造等领域。
铝合金可以根据其合金元素进行分类,如铝-铜合金、铝-镁合金和铝-硅合金等。
2.3 钛合金钛合金是一种优秀的高强度、轻质金属材料,具有良好的耐腐蚀性能和高温稳定性。
它们常用于航空航天和医疗器械等领域。
常见的钛合金有Ti-6Al-4V、Ti-6Al-2Sn-4Zr-2Mo等。
2.4 铜合金铜合金具有良好的导热性、导电性和耐腐蚀性能,广泛应用于电子设备、制冷设备和管道系统等领域。
常见的铜合金有黄铜、青铜和铝青铜等。
3. 金属材料性能参数金属材料的性能参数是衡量其适用性和可靠性的重要指标。
以下是一些常见的金属材料性能参数:3.1 强度强度是金属材料抵抗外部力量而发生形变或断裂的能力。
常见的强度参数包括屈服强度、抗拉强度和冲击韧性等。
3.2 硬度硬度是金属材料抵抗表面压力而发生形变的能力。
常见的硬度测试方法包括布氏硬度、洛氏硬度和维氏硬度等。
3.3 耐腐蚀性金属材料的耐腐蚀性是指其抵抗腐蚀介质侵蚀和腐蚀产物的能力。
常见的耐腐蚀性测试方法包括盐雾试验和电化学腐蚀测试等。
3.4 导电性和导热性导电性和导热性是金属材料的重要物理性质。
导电性指材料传导电流的能力,导热性指材料传导热量的能力。
钢铁材料手册钢铁材料是工业生产中常见的材料之一,其具有优异的力学性能和耐腐蚀性能,被广泛应用于建筑、机械制造、汽车制造等领域。
本手册将系统介绍钢铁材料的特性、分类、加工工艺及应用领域,希望能为相关领域的从业者提供一些参考。
首先,钢铁材料的特性主要包括强度、硬度、韧性、耐磨性等。
其中,强度是钢铁材料的重要性能之一,它直接影响着材料的承载能力和使用寿命。
而硬度则是衡量材料抗划伤能力的指标,通常通过洛氏硬度计或巴氏硬度计进行测定。
此外,韧性和耐磨性也是衡量钢铁材料质量的重要指标,它们直接影响着材料的耐久性和使用效果。
其次,钢铁材料根据化学成分和性能特点可分为碳钢、合金钢、不锈钢等多个品种。
碳钢是以碳为主要合金元素的钢铁材料,具有良好的可焊性和加工性,广泛应用于结构件、机械零部件等领域。
合金钢是在碳钢基础上添加合金元素的钢铁材料,其强度和硬度更高,耐磨性和耐腐蚀性也更好,适用于制造高强度螺栓、轴承等零部件。
不锈钢则是具有耐腐蚀性的钢铁材料,主要用于制造化工设备、厨具等。
钢铁材料的加工工艺包括锻造、热处理、焊接等多个环节。
锻造是将钢坯加热至一定温度后进行塑性变形,以改善材料的内部组织和提高其力学性能。
热处理是通过控制材料的加热、保温和冷却过程,使其获得一定的组织和性能。
而焊接则是将两块钢铁材料通过熔化或塑性变形相互连接起来,常用于制造大型结构件和管道。
最后,钢铁材料在建筑、机械制造、汽车制造等领域有着广泛的应用。
在建筑领域,钢结构已成为主流,其具有轻质、高强度、施工快等优点,被广泛用于高层建筑、大跨度桥梁等工程。
在机械制造领域,钢铁材料被用于制造各类机械零部件,如轴承、齿轮、螺栓等。
而在汽车制造领域,钢铁材料被用于制造汽车车身、底盘等部件,其具有良好的强度和刚性,能够保障汽车的安全性能。
综上所述,钢铁材料作为一种重要的工业材料,具有优异的力学性能和耐腐蚀性能,被广泛应用于建筑、机械制造、汽车制造等领域。
希望本手册能够为相关领域的从业者提供一些参考,促进钢铁材料的合理应用和推广。
常用金属材料目录1 范围2 规范性引用文件3 术语4 常用碳素结构钢材5 弹簧钢6 镀锌钢板及钢带7 常用不锈钢8 铝合金板材9 压铸铝合金10 铜合金常用金属材料参考手册1 范围本手册列举了常用钢材、不锈钢材、铝合金、铜合金的标记、性能参数及一般用途。
为设计工程师、品检工程师提供依据。
2 规范性引用文件2.1 GB/T 699《优质碳素结构钢》2.2 GB/T 700《碳素结构钢》2.3 GB/T 2518《连续热镀锌钢板及钢带》2.4 ASTM A666《退火或冷加工奥氏体不锈钢薄板、钢带、厚板和扁钢》2.5 GB/T 16475《变形铝及铝合金状态代号》2.6 GB/T 1222 《弹簧钢》3 术语3.1 抗拉强度(tensile strength):是金属由均匀塑性变形向局部集中塑性变形过渡的临界值,也是金属在静拉伸条件下的最大承载能力。
对于塑性材料,它表征材料最大均匀塑性变形的抗力,拉伸试样在承受最大拉应力之前,变形是均匀一致上的,但超出之后,金属开始出现缩颈现象,即产生集中变形;对于没有(或很小)均匀塑性变形的脆性材料,它反映了材料的断裂抗力。
符号为RM,单位为MPA。
3.2 伸长率(elongation):指金属材料受外力(拉力)作用断裂时,试棒伸长的长度与原来长度的百分比,伸长率按试棒长度的不同分为:短试棒求得的伸长率,代号为δ5,试棒的标距等于5倍直径长试棒求得的伸长率,代号为δ10,试棒的标距等于10倍直径,其中标距为用来测定试样应变或长度变化的试样部分原始长度。
4 常用碳素结构钢材4.1 标记:我司常用碳素结构钢建议采用国家标准牌号,具体参考:GB/T699及GB/T700,也可根据日本牌号(宝钢)如下:厚度牌号,如Q235、08AL、SPHC、SPHD、SPCC等名称4.2 碳素结构钢热轧薄钢板,参考GB/T7004.2.1 Q195性能参数表,如表14.3 优质碳素结构钢薄钢板及钢带,参考GB/T 699 4.3.1 08F结构钢性能参数表,如表44.3.2 08AL结构钢性能参数表,如表54.3.4 20结构钢性能参数表,如表74.3.5 45优质碳素结构钢性能参数表,如表85 弹簧钢,参考GB/T 12226 镀锌钢板及钢带6.1按生产及加工方法可分为以下几类:6.1.1 热浸镀锌钢板。
金属材料理论重量表
黑色金属材料理论重量计算公式
表1
注:由于型材在制造过程中有允许偏差值,因此用公式计算的理论重量,与实际重量有一定的出入(误差一般约为0.2~0.7%之间),只能作为估算时的参考。
槽钢理论重量表
圆钢直径和方钢边长及理论重量表表1-1
2、表中带*者不推荐使用。
3、螺纹钢6、7、8、9、10、12、1
4、16、18、20、22、2
5、28、32、3
6、40的理论重量同
圆钢的理论重量。
工字钢理论重量
无缝钢管理论重量
D 为钢管的公称外径(㎜);S 为钢管的公称壁厚(㎜)。
花纹钢板理论重量
钢丝绳理论重量
等边角钢理论重量
不等边角钢理论重量。
Q/NVC惠州雷士光电科技有限公司企业标准(技术手册)Q/NVC XXX-2011常用材料参考手册--------金属材料2011年10月1日发布2011年12月1日实施惠州雷士光电科技有限公司发布目录1 范围2 规范性引用文件3 术语4 常用碳素结构钢材5 弹簧钢6 镀锌钢板及钢带7 常用不锈钢8 铝合金板材9 压铸铝合金10 铜合金常用金属材料参考手册1 范围本手册列举了常用钢材、不锈钢材、铝合金、铜合金的标记、性能参数及一般用途。
为设计工程师、品检工程师提供依据。
2 规范性引用文件2.1 GB/T 699《优质碳素结构钢》2.2 GB/T 700《碳素结构钢》2.3 GB/T 2518《连续热镀锌钢板及钢带》2.4 ASTM A666《退火或冷加工奥氏体不锈钢薄板、钢带、厚板和扁钢》2.5 GB/T 16475《变形铝及铝合金状态代号》2.6 GB/T 1222 《弹簧钢》3 术语3.1 抗拉强度(tensile strength):是金属由均匀塑性变形向局部集中塑性变形过渡的临界值,也是金属在静拉伸条件下的最大承载能力。
对于塑性材料,它表征材料最大均匀塑性变形的抗力,拉伸试样在承受最大拉应力之前,变形是均匀一致上的,但超出之后,金属开始出现缩颈现象,即产生集中变形;对于没有(或很小)均匀塑性变形的脆性材料,它反映了材料的断裂抗力。
符号为RM,单位为MPA。
3.2 伸长率(elongation):指金属材料受外力(拉力)作用断裂时,试棒伸长的长度与原来长度的百分比,伸长率按试棒长度的不同分为:短试棒求得的伸长率,代号为δ5,试棒的标距等于5倍直径长试棒求得的伸长率,代号为δ10,试棒的标距等于10倍直径,其中标距为用来测定试样应变或长度变化的试样部分原始长度。
4 常用碳素结构钢材4.1 标记:我司常用碳素结构钢建议采用国家标准牌号,具体参考:GB/T699及GB/T700,也可根据日本牌号(宝钢)如下:厚度牌号,如Q235、08AL、SPHC、SPHD、SPCC等名称4.2 碳素结构钢热轧薄钢板,参考GB/T7004.2.1 Q195性能参数表,如表14.3 优质碳素结构钢薄钢板及钢带,参考GB/T 699 4.3.1 08F结构钢性能参数表,如表44.3.2 08AL结构钢性能参数表,如表54.3.4 20结构钢性能参数表,如表74.3.5 45优质碳素结构钢性能参数表,如表85 弹簧钢,参考GB/T 12226 镀锌钢板及钢带6.1按生产及加工方法可分为以下几类:6.1.1 热浸镀锌钢板。
金属材料手册电子版
介绍
金属材料手册是一个综合性的参考工具,包含了大量金属材料的基本信息、物
理性质、化学成分、机械性能等方面的数据。
金属材料手册电子版将这些信息整理成方便查询的电子格式,方便工程师、研究人员和学生快速获取所需的金属材料数据。
功能
金属材料手册电子版提供了以下功能和特点:
1.全面的金属材料信息:包含多种常见金属材料的信息,如钢材、铝
材、铜材等等,涵盖了工业生产和科研中常用的金属材料。
2.多种查询方式:用户可以根据需求使用不同的查询方式,如根据材
料名称、物理性质、机械性能等等进行查询。
3.详细的数据展示:金属材料手册电子版提供了丰富的数据展示方式,
包括表格、图表、文本等多种形式,方便用户浏览和分析材料数据。
4.可定制化的查询功能:用户可以根据需要自定义查询条件,筛选出
满足特定条件的金属材料数据,提高查询效率。
5.数据更新与扩展:金属材料手册电子版将定期进行数据的更新和扩
展,以保持信息的完整性和准确性,同时也会根据用户的反馈进行改进和优化。
使用示例
以下是一个使用金属材料手册电子版的示例:
1.用户进入金属材料手册电子版的主页面。
2.用户选择查询方式,如通过材料名称进行查询。
3.用户输入要查询的材料名称,如。
钢铁材料手册钢铁是一种重要的金属材料,广泛应用于建筑、机械制造、汽车制造等各个领域。
本手册将介绍钢铁材料的种类、性能、加工工艺等方面的内容,希望能为广大读者提供有益的参考。
首先,我们来介绍一下钢铁的种类。
钢铁主要分为碳素钢、合金钢和不锈钢三大类。
碳素钢是以碳为主要合金元素的钢,具有良好的机械性能,常用于制造机械零件、工具等。
合金钢是在碳素钢中加入其他合金元素,如铬、镍、钼等,以提高钢的强度、硬度、耐磨性等性能。
不锈钢则是具有耐腐蚀性能的钢,主要用于制造化工设备、厨具等。
其次,钢铁材料的性能是我们选择材料时需要考虑的重要因素。
钢铁的性能包括力学性能、物理性能、化学性能等多个方面。
力学性能包括强度、硬度、韧性等指标,这些指标直接影响着材料的使用性能。
物理性能包括密度、导热性、导电性等指标,这些指标则影响着材料的物理特性。
化学性能则是指材料的化学成分和耐蚀性能等方面的性能。
钢铁材料的加工工艺也是我们需要了解的重要内容。
钢铁材料的加工工艺包括锻造、铸造、热处理、表面处理等多个环节。
锻造是将钢坯加热至一定温度后进行塑性变形的工艺,可以得到各种形状的零件。
铸造是将液态金属注入到模具中,经冷却后得到所需形状的零件。
热处理是通过加热、保温和冷却等工艺,改变钢铁材料的组织和性能。
表面处理则是通过镀层、喷涂、抛光等工艺,改善钢铁材料的表面性能。
总结一下,本手册介绍了钢铁材料的种类、性能、加工工艺等内容。
希望通过本手册的阅读,读者能够对钢铁材料有更深入的了解,并在实际应用中能够正确选择和使用钢铁材料,发挥其最大的作用。
同时,也希望本手册能够成为广大工程技术人员和学生的参考资料,为他们的学习和工作提供帮助。
材料手册(五金材料手册的电子版) 材料手册 (五金材料手册的电子版)目录:1.引言2.五金材料分类2.1.金属材料2.1.1.铁2.1.2.铜2.1.3.铝2.1.4.不锈钢2.2.非金属材料2.2.1.塑料2.2.2.木材2.2.3.玻璃2.2.4.陶瓷3.五金材料的特性及应用3.1.强度和刚度3.2.耐腐蚀性3.3.导电性和磁性3.4.热稳定性和耐高温性 3.5.材料与环境的相互作用3.6.应用案例分析4.五金材料的加工4.1.切削加工4.2.弯曲和冲压4.3.焊接和粘合4.4.表面处理5.常见五金材料的选择指南5.1.根据应用需求选择材料 5.2.耐腐蚀性要求5.3.强度要求5.4.成本因素6.安全和环保考虑6.1.五金材料的安全操作要点 6.2.环境影响评估6.3.可持续发展的五金材料选择7.附件7.1.五金材料的物理性质表格 7.2.五金材料的应用案例照片7.3.快速参考指南8.法律名词及注释8.1.知识产权法律名词8.2.产品合规法规名词8.3.其他相关法律名词附件:1.五金材料的物理性质表格2.五金材料的应用案例照片3.快速参考指南法律名词及注释:1.知识产权法律名词:- 专利:对发明、实用新型或外观设计的法律保护- 商标:用于识别特定产品或服务来源的标识- 版权:对文学、艺术、音乐等作品的法律保护2.产品合规法规名词:- RoHS:限制有害物质指令,用于限制电子产品中的有害物质含量- REACH:注册、评估、授权和限制化学物质法规,用于控制化学品的使用与交易3.其他相关法律名词:- 公平竞争法:用于防止不正当竞争行为,保护市场公平竞争环境- 消费者权益保护法:用于保护消费者权益,维护消费者合法权益。
有色金属材料手册pdf
《有色金属材料手册》是一系列关于有色金属材料的参考书籍,它们提供了关于有色金属的物理性能、化学成分、应用范围、牌号、尺寸规格和力学性能等方面的详尽信息。
这些书籍通常由多位专家编写,以确保内容的准确性和实用性。
手册的内容通常包括以下几个部分:
1.有色金属材料的基本知识,如术语、物理性能、力学性能和组织术语等。
2.各种有色金属(如铜、铝、钛、镍、镁、锌、铅、锡、贵金属等)的详细资料,包括它们的化学成分、物理性能、力学性能和应用领域。
3.有色金属的加工工艺,如铸造、锻造、焊接、热处理等。
4.有色金属材料的牌号近似对照,方便读者在不同标准之间进行转换。
5.有色金属复合材料和其他特殊用途的材料。
这些手册不仅为工程师和技术人员提供了一个查询有色金属材料信息的便捷工具,也为科研人员、高校师生和其他对有色金属材料感兴趣的读者提供了宝贵的参考资源。
需要注意的是,有色金属材料手册的出版时间和内容可能会有所不同,一些新的版本可能会包含最新的标准和技术
进展。
因此,如果您需要最新信息,建议查阅最近版本的手册或访问相关官方网站以获取更新。
Q/NVC
惠州雷士光电科技有限公司企业标准
(技术手册)
Q/NVC XXX-2011
常用材料参考手册
--------金属材料
2011年10月1日发布2011年12月1日实施
惠州雷士光电科技有限公司发布
目录
1 范围
2 规范性引用文件
3 术语
4 常用碳素结构钢材
5 弹簧钢
6 镀锌钢板及钢带
7 常用不锈钢
8 铝合金板材
9 压铸铝合金
10 铜合金
常用金属材料参考手册
1 范围
本手册列举了常用钢材、不锈钢材、铝合金、铜合金的标记、性能参数及一般用途。
为设计工程师、品检工程师提供依据。
2 规范性引用文件
2.1 GB/T 699《优质碳素结构钢》
2.2 GB/T 700《碳素结构钢》
2.3 GB/T 2518《连续热镀锌钢板及钢带》
2.4 ASTM A666《退火或冷加工奥氏体不锈钢薄板、钢带、厚板和扁钢》2.5 GB/T 16475《变形铝及铝合金状态代号》
2.6 GB/T 1222 《弹簧钢》
3 术语
3.1 抗拉强度(tensile strength):是金属由均匀塑性变形向局部集中塑性变形过渡的临界值,也是金属在静拉伸条件下的最大承载能力。
对于塑性材料,它表征材料最大均匀塑性变形的抗力,拉伸试样在承受最大拉应力之前,变形是均匀一致上的,但超出之后,金属开始出现缩颈现象,即产生集中变形;对于没有(或很小)均匀塑性变形的脆性材料,它反映了材料的断裂抗力。
符号为RM,单位为MPA。
3.2 伸长率(elongation):指金属材料受外力(拉力)作用断裂时,试棒伸长的长度与原来长度的百分比,伸长率按试棒长度的不同分为:短试棒求得的伸长率,代号为δ5,试棒的标距等于5倍直径长试棒求得的伸长率,代号为δ10,试棒的标距等于10倍直径,其中标距为用来测定试样应变或长度变化的试样部分原始长度。
4 常用碳素结构钢材
4.1 标记:
我司常用碳素结构钢建议采用国家标准牌号,具体参考:GB/T699及GB/T700,也可根据日本牌号(宝钢)如下:
厚度
牌号,如Q235、08AL、SPHC、SPHD、SPCC等
名称
4.2 碳素结构钢热轧薄钢板,参考GB/T700
4.2.1 Q195性能参数表,如表1
4.3 优质碳素结构钢薄钢板及钢带,参考GB/T 699 4.3.1 08F结构钢性能参数表,如表4
4.3.2 08AL结构钢性能参数表,如表5
4.3.4 20结构钢性能参数表,如表7
4.3.5 45优质碳素结构钢性能参数表,如表8
5 弹簧钢,参考GB/T 1222
6 镀锌钢板及钢带
6.1按生产及加工方法可分为以下几类:
6.1.1 热浸镀锌钢板。
将薄钢板浸入熔解的锌槽中,使其表面粘附一层锌的薄钢板。
目前主要采用连续镀锌工艺生产,即把成卷的钢板连续浸在熔解有锌的镀槽中制成镀锌钢板;
6.1.2 合金化镀锌钢板。
这种钢板也是用热浸法制造,但在出槽后,立即把它加热到500℃左右,使其生成锌和铁的合金被膜。
这种镀锌板具有良好的涂料的密着性和焊接性;
6.1.3 电镀锌钢板。
用电镀法制造这种镀锌钢板具有良好的加工性。
但镀层较薄,耐腐蚀性不如热浸法镀锌板;
6.1.4 单面镀和双面差镀锌钢板。
单面镀锌钢板,即只在一面镀锌的产品。
在焊接、涂装、防锈处理、加工等方面,具有比双面镀锌板更好的适应性。
为克服单面未涂锌的缺点,又有一种在另面涂以薄层锌的镀锌板,即双面差镀锌板;
6.1.5 合金、复合镀锌钢板。
它是用锌和其他金属如铅、锌制成合金乃至复合镀成的钢板。
这种钢板既具有卓越的防锈性能,又有良好的涂装性能。
7 常用不锈钢
7.3 不锈钢硬度要求,由于目前市场上硬度试验逐渐代替拉伸试验的趋势,故我司对于不锈钢的性能仅以硬度来考核,根据美国标准ASTM A666《退火或冷加工奥氏体不锈钢薄板、钢带、厚板和扁钢》中就将不锈钢板和不锈钢带材按硬度分为退火、1/16H、1/8H、1/4H、1/2H、3/4H和全硬等级别,对于每一硬度级别的材料,都分别规定了力学性能方面的要求,如下:
7.3.1 退火状态性能参数,如表11
11
7.3.2 1/16H性能参数,如表12
7.3.3 1/8H性能参数,如表13
7.3.5 1/2H性能参数,如表15
7.3.6 3/4H性能参数,如表16
8 铝合金板材
9 压铸铝合金
10 铜合金。