铁路通道应力放散及线路锁定作业指导书
- 格式:doc
- 大小:66.00 KB
- 文档页数:10
目录1、使用范围12、作业准备 (1)2.1内业准备 (1)2.2 外业准备 (1)3、技术要求 (1)4、施工方法及工艺流程 (1)4.1 施工方法 (2)4.2 工艺流程 (2)5、施工要求 (2)5.1 滚杠放散法施工 (2)5.2 综合放散法施工 (3)5.3冬季放散施工方案 (4)6、劳动组织 (5)7、材料要求 (5)8、设备机具配置 (6)9、质量控制及检验 (7)10、安全及环保要求 (8)10.1 安全要求 (8)10.2 环保要求 (8)杭州东站扩建工程Ⅰ标无缝线路应力放散及锁定作业指导书1.使用范围适用于沪昆客专江西段HKJX-7标轨道工程无缝线路应力放散施工作业。
2.作业准备2.1内业准备作业指导书编制后,应在开工前组织技术人员认真学习,澄清有关技术问题,熟悉规范和技术标准,提出应急预案。
对施工人员进行技术交底,对参加施工人员进行上岗前培训,特殊工种必须持证上岗。
2.2 外业准备技术人员上场对相关人员进行培训,特殊工种必须持证上岗;施工队伍进场,安排好施工队伍的住宿;施工机械设备及各种小型工机具进场及调试,如焊机、内燃机扳手、撞轨器、液压钢轨拉伸器等,进场后认真调试其性能,各种检测、测量仪器使用前校准。
3.技术要求1.单元轨节左右股焊接头相错量不宜大于100mm;2.无缝线路锁定时应准确确定并记录锁定轨温(无砟轨道26±5℃),相邻单元轨节锁定轨温之差不应大于5℃,左右股锁定轨温之差不应大于3℃,同一区间内的单元轨节最高与最低锁定轨温之差不应大于10℃;3.放散时各观测点必须达到要求的放散量,且放散均匀后方能上扣件;4.放散后胶垫应放正无缺损,扣件安装齐全,扣压力符合设计要求。
4、施工方法及工艺流程4.1 施工方法长钢轨单元焊后,形成单元轨节,当施工时钢轨的温度在设计锁定轨温范围时,采用滚杠放散法;当施工时钢轨的轨温低于设计锁定轨温时,采用综合放散法进行应力放散,线路应力放散要求均匀、准确、彻底。
目录一、编制依据及编制范围 (2)1.1编制依据 (2)1.2编制范围 (2)二、工程概况 (2)三、技术标准 (2)四、施工方法 (3)4.1道岔应力放散及锁定施工 (3)4.2道岔前后1500m应力放散及锁定施工 (4)五、资源配置 (4)5.1、人员配置 (4)5.2、机具设备配置 (5)六、质量控制及检验 (6)七、施工安全及环保 (7)7.1施工安全 (7)7.2环境保护 (7)道岔应力放散及锁定施工作业指导书一、编制依据及编制范围1.1编制依据1、《铁路轨道设计规范》2、《客运专线无砟轨道铁路工程施工技术指南》3、《客运专线铁路无缝线路施工技术规范》4、《客运专线铁路轨道工程施工技术指南》5、《铁路轨道工工程施工质量验收标准》6、《京石公司指导性施工组织设计》1.2编制范围新建石武铁路客运专线(河北段)车站无缝道岔应力放散和锁定施工。
二、工程概况按石武线无缝线路铺设工程任务划分,中铁二局石武铁路无缝线路应力放散及锁定工程范围为:DK287+700-DK490+248,道岔的应力放散及锁定包括:高邑西、邢台东、邯郸东3个车站的无缝道岔。
主要工程数量:正线18#道岔28组,站线18#道岔12组,站线12#道岔2组。
三、技术标准3.1、道岔应力放散施工采用自由放散法;道岔设计锁定轨温为23℃,道岔前后1500m设计锁定轨温按23℃计算3.2、合龙口插入短轨的长度不得小于32m。
3.3、弹条紧固扭矩为180~200N·m,道岔板螺旋道钉M30螺栓扭矩为300 N·m~350 N·m。
四、施工方法道岔应力放散时将单组道岔以及岔前或岔后100m作为一个应力放散单元进行应力放散;岔前岔后1500m作为一个应力放散单元进行自由放散。
4.1道岔应力放散及锁定施工道岔应力放散采用自由放散法施工,当实际轨温在设计锁定轨温范围内,放散时将弹条扣件拆除,让钢轨属于自由状态,利用锤击敲打钢轨,使钢轨自由伸缩,待钢轨充分回弹后,即钢轨内应力达到零应力然后迅速锁定道岔。
哈齐铁路客运专线HQTJ-3标段轨道工程编号:应力放散与锁定作业指导书单位:哈齐铁路客运专线HQTJ-3标土建工程项目经理部编制:审核:批准:年月日发布年月日实行应力放散与锁定作业指导书1.合用范围本作业指导书合用了新建哈齐铁路客运专线HQTJ-3标段内长钢轨应力放散与锁定作业。
2.作业准备2.1内业技术准备开工前组织技术人员认真学习实行性施工组织设计,阅读、审核施工图纸,澄清有关技术问题,熟悉规范及技术标准。
制定施工安全保证措施,提出应急预案。
对施工人员进行技术交底,对参与施工人员进行上岗培训,某些特殊工作必须持证上岗。
2.2外业技术准备技术人员上场,及对相关技术人员进行培训,某些特殊工种持证上岗;施工队伍进场,安排好施工队伍的住宿;施工机械设备及各种小型机具进场及调试,如焊机、内燃机扳手、撞轨器、液压钢轨拉伸器等,进场后认真调试其性能,各种检测、测量仪器进场并做相关鉴定,如轨温计、探伤仪、波磨尺等。
3.技术规定3.1单元轨节起止点不应设立在不同轨道结构过渡段及不同线下基础过渡段范围内。
3.2单元轨节左右股接头相错量不应大于100mm。
3.3无缝线路锁定期应准确拟定并记录锁定轨温,相邻单元轨节锁定轨温之差不应大于5℃,左右股锁定轨温之差不应大于3℃,同一区间内的单元轨节最高与最低锁定轨温之差不应大于10℃。
3.4单元轨节长度应满足施工进度和铺设时应力放散最佳效果的规定,以1000-2023m为宜,最短不得小于200m。
3.5胶垫应放正无缺损,扣件安装齐全,扣压力符合设计规定。
4.施工工艺节间的应力放散及锁定焊,拟采滚筒法和拉伸器滚筒法放散,并用K922型移动焊接机焊联锁定。
应力放散与焊联锁定施工工艺流程见右图。
4.1、应力放散施工准备轨道状态检测:在应力放散前全面对轨道进行检测,检测项目有:轨道几何尺寸、轨面标高、线路中线位置、枕下道床刚度、横向阻力等,通过全面的质量检测,确认线路已达成初步稳定,方可准备进行线路锁定施工。
应力放散、锁定焊接作业指导书1.设备概况及工艺原理应力放散、锁定焊接采用K922焊机、钢轨拉伸器、撞轨器配合施工,焊机设备与单元焊接相同,锁定接头焊接与单元焊接工艺相同。
无缝线路应力放散及锁定采用拉伸器滚筒法或滚筒法施工,当施工作业时的轨温低于设计锁定轨温时,采用拉伸器滚筒法;当施工作业时的轨温高于设计锁定轨温范围时,采用滚筒法施工。
2.施工准备及锁定条件⑴有砟道床应达到初期稳定状态,轨道静态几何尺寸及力学参数符合《铁路轨道工程施工质量验收标准》要求,道床支撑刚度不应小于70KN/mm,道床横向阻力不应小于7.5KN/枕。
⑵施工轨温应在设计锁定轨温范围内,线路锁定轨温按照设计要求为30±5℃,按照武汉铁路局工务线路大维修技术规则新轨直线及R ﹥800段为28-38℃,故线路锁定轨温取值为28-35℃。
⑶按要求设置钢轨位移观测桩a、位移观测桩设置原则①位移观测桩按要求埋设牢固、可靠、易于观测和不易被破坏。
②以单元轨节为单位成对布置观测桩,每对观测桩标记中心连线应与线路中线垂直。
③无缝线路按单元轨节等距离设置位移观测桩,桩间距离不大于500m,单元轨节长度不足500m整数倍时,可适当调整桩间距离。
单元轨节的起终点的观测桩应与单元轨节间的焊接接头对齐,当利用接触网杆(或基础)等结构物时,允许有一定的错动量,但纵向错动量不得大于30m。
④长轨锁定后,立即在钢轨对应位置用红色和白色油漆进行钢轨标记,标记内容包括锁定日期和锁定轨温,标记应清晰、可靠、耐久。
布置型式如下图:b、观测桩结构型式及设置位置①路基上的位移观测桩本线位移观测桩采用混凝土桩,要求如下:砼强度C20,截面200mm2,高700m,其中十字支架埋于桩顶面下20mm,埋深在地面650mm,基准轴为Φ18mm圆钢,调节钢筋为Φ12mm圆钢,位移观测桩布置图如下:路基上位移观测桩也可以利用线路两侧的接触网基础(杆)设置。
接触网杆埋设前,在接触网基础上刻十字纹沟,在旁边涂上油漆作标记,待接触网杆立好后,将临时观测点引至接触网杆垂直于线路纵向的侧面,在接触网杆立好后,将临时观测点引至接触网杆垂直于线路纵向的侧面,在接触网杆上刻画拉线槽口,在旁边涂上油漆作标记。
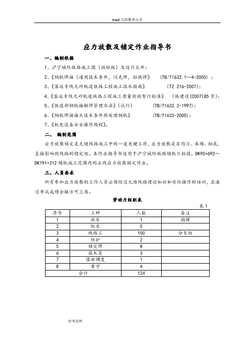
应力放散及锁定作业指导书一、编制依据1.沪宁城际铁路施工图(投标版)及设计文件;2、《钢轨焊接(通用技术条件, 闪光焊, 铝热焊》 (TB/T1632.1~4-2005) ;3.《客运专线无砟轨道铁路工程施工技术指南》(TZ 216-2007);4.《客运专线无砟轨道铁路工程施工质量验收暂行标准》(铁建设{2007}85号);5.《铁道部钢轨接触焊管理办法》(试行)(TB/T1632.2-1997);6.《钢轨焊接接头技术条件热处理钢轨》 (TB/T1632-2005);7、《机电设备安全操作规程》。
二、编制范围应力放散锁定是无缝线路施工中的一道关键工序, 应力放散是否均匀、准确、彻底, 直接影响到线路的稳定性。
本作业指导书适用于沪宁城际铁路铺轨Ⅱ标段, DK95+692~DK191+312铺轨施工范围内的正线应力放散锁定作业。
三、人员要求所有参加应力放散的工作人员必须经过无缝线路理论知识和实际操作的培训, 且通过考试成绩合格方可上岗。
劳动力组织表表1四、机具设备(见表2施工机具表)表2应力放散所使用的机具设备必须保证状态良好, 且要由专人负责。
五、技术标准1.应力放散要求匀、准、够。
2.左右两股钢轨应同步锁定, 避免出现过大温度力差。
3、实际锁定轨温应准确、可靠, 符合设计规定。
线路锁定时实际锁定轨温须在设计锁定轨温允许范围内。
相邻两段单元轨节锁定轨温之差不得大于5℃, 左右两股钢轨的锁定轨温差不得大于3℃, 同一设计锁定轨温的长轨条最高与最低锁定轨温之差不大于10℃。
曲线外股轨温不应高于内股轨温。
4.综合考虑线路和气温情况、拉轨器行程等因素, 决定单元轨节长度一般应掌握在1000m~2000m, 最低施工轨温应大于-5℃。
具体操作参见附表1(不同轨温差下钢轨拉伸长度表).5、本标段DK95+692~DK191+312正线无砟轨道设计锁定轨温控制为25℃, 锁定轨温范围20~30℃。
站内到发线有砟轨道设计锁定轨温控制为30℃, 锁定轨温范围25~35℃。
焊接.应力放散与锁定施工作业指导书1>适用范围本作业指导书适用于京沪高速铁路正线虹桥站外至常州东特大桥段轨道施工,里程范围DK1148+522-DK1301+300o2、作业准备2.1内业技术准备2.1.1工程部下发木作业指导书,并组织现场技术、施工人员学习,并进行现场施工技术交底。
2.1.2工程部组织现场技术人员、施工负责人认真学习应力放散有关技术规范和技术标准。
2.1.3安质部根据现场情况,制定施工安全保证措施,提出应急预案,并对现场施工人员进行安全培训。
3工程数量京沪高速铁路六标段DK1148+522-DK1301+300的正线、站线、联络线的铺轨工程。
止线铺轨单线303.248公里,长轨铺设途经三个高架站,分别是昆山南、苏州北和无锡东。
4设计标准4.1钢轨正线轨道按一次铺设跨区间无缝线路设计,正线采用60Kg/m-500m焊接长钢轨,钢轨焊接采用移动式闪光接触焊接。
4.2轨枕及扣件采用CTRS II型轨道板、扣件采用WJ-8B型扣件。
4.3单元轨节的长度应根据线路条件、工点情况、施工工艺等因素综合研究确定,一般宜为1000〜2000m。
在单元轨节长度调整地段, 单元轨节长度不得小于200m。
单元轨节两股钢轨的接头相错量不得超过lOOmmo4.4无缝线路应在设计锁定轨温范围内锁定,且相邻单元轨节间的锁定轨温差不应大于5°C,同一单元轨节左右股钢轨的锁定轨温差不应大于3°C,同一区间内单元轨节的最高与最低锁定轨温差不应大于10°Co 5施工工期安排及进度5.1钢轨焊接及应力放散计划9月1日开始,于12月20日完成全线焊轨及应力放散任务。
5.2长轨经过单元焊后,形成1500米左右单元轨节。
采用综合放散法进行应力放散后锁定。
5.3应力放散完成后即进行位移观测桩设置。
6焊接工艺6」焊轨生产线工位布局的确定目前,国内铁路接触焊接多采用以下方案:除锈——焊接——粗打磨——正火—热矫直—强制冷却——精磨—冷矫直—探伤。
应力放散锁定作业指导书在500m长钢轨焊成单元轨换铺上道后,且道床基础稳定,密度、轨面设计标高、轨向和水平已基本达到设计标准时,方可进行线路锁定,锁定焊接采用现场UN5-150Z集装箱式移动闪光焊机焊接放散锁定,采用将不同时间焊接成的两个相邻单元轨节的始端和终端同时焊接,同时放散;在线路锁定前应预先埋设位移观测桩,设置位移观测桩的目的是通过对钢轨的位移观测来评价线路质量。
1、准备工作在进行应力分散前,通过现场调查,了解近期轨温的变化情况,决定应力放散与线路锁定的作业时间。
2、设置位移观测桩2.1、设置原则:位移观测桩的设置按照施工图设计要求进行,在锁定作业前预先设置完好。
2.2、设置位置1)普通无缝线路轨条长度不大于1200m时,应设置5对观测桩,观测桩按“普通无缝线路位移观测桩设置图”设置。
轨条长度大于1200m时,应适当增设位移观测桩,但桩间距离不应大于500m。
2)区间无缝线路按单元轨节等距离设置位移观测桩,桩间距离不宜大于500m 。
单元轨节长不足500m 整倍数时,可适当调整桩间距离。
单元轨节位移观测桩按“单元轨节位移观测桩设置图”设置。
3)普通无缝线路及区间无缝线路应在长轨条起、始点, 普通无缝线路位移观测桩设置图(单位:m )100mm 100(L-200)×0.5 (L-200)×0.5 单元轨节长度L 单元轨节位移观测桩设置图≤500m ≤500m ≤500m ≤500m距长轨条起始点100m位置各设1对位移观测桩。
4)长大隧道的隧道口,特大、大桥两端,钢轨伸缩调节器基本轨接头处和距基本轨接头100处应增设位移观测桩。
5)位移观测桩应牢固稳定,有条件时可与线路基桩合并设置,或设置在线路两侧的固定构筑物上。
2.3、位移观测桩编号位移观测桩按线路里程方向顺序编号。
观测桩编号为“No.123-02”,123代表对应位置单元轨节的编号,02代表该单元轨节内位移观测桩的编号。
应力放散及锁定作业指导书一、编制依据1、沪宁城际铁路施工图(投标版)及设计文件;2、《钢轨焊接(通用技术条件,闪光焊,铝热焊》 (TB/T1632.1~4-2005) ;3、《客运专线无砟轨道铁路工程施工技术指南》(TZ 216-2007);4、《客运专线无砟轨道铁路工程施工质量验收暂行标准》(铁建设{2007}85号);5、《铁道部钢轨接触焊管理办法》(试行)(TB/T1632.2-1997);6、《钢轨焊接接头技术条件热处理钢轨》 (TB/T1632-2005);7、《机电设备安全操作规程》。
二、编制范围应力放散锁定是无缝线路施工中的一道关键工序,应力放散是否均匀、准确、彻底,直接影响到线路的稳定性。
本作业指导书适用于沪宁城际铁路铺轨Ⅱ标段,DK95+692~DK191+312铺轨施工范围内的正线应力放散锁定作业。
三、人员要求所有参加应力放散的工作人员必须经过无缝线路理论知识和实际操作的培训,且通过考试成绩合格方可上岗。
劳动力组织表四、机具设备(见表2施工机具表)表2应力放散所使用的机具设备必须保证状态良好,且要由专人负责。
五、技术标准1、应力放散要求匀、准、够。
2、左右两股钢轨应同步锁定,避免出现过大温度力差。
3、实际锁定轨温应准确、可靠,符合设计规定。
线路锁定时实际锁定轨温须在设计锁定轨温允许范围内。
相邻两段单元轨节锁定轨温之差不得大于5℃,左右两股钢轨的锁定轨温差不得大于3℃,同一设计锁定轨温的长轨条最高与最低锁定轨温之差不大于10℃。
曲线外股轨温不应高于内股轨温。
4、综合考虑线路和气温情况、拉轨器行程等因素,决定单元轨节长度一般应掌握在1000m~2000m,最低施工轨温应大于-5℃。
具体操作参见附表1(不同轨温差下钢轨拉伸长度表).5、本标段DK95+692~DK191+312正线无砟轨道设计锁定轨温控制为25℃,锁定轨温范围20~30℃。
站内到发线有砟轨道设计锁定轨温控制为30℃,锁定轨温范围25~35℃。
应力放散作业指导书.应力放散及锁定作业指导书一、编制依据、沪宁城际铁路施工图(投标版)及设计文件;1;~4-2005) 2、《钢轨焊接(通用技术条件,闪光焊,铝热焊》 (TB/T1632.1 );《客运专线无砟轨道铁路工程施工技术指南》(TZ 216-20073、号);《客运专线无砟轨道铁路工程施工质量验收暂行标准》(铁建设{2007}854、(TB/T1632.2-1997);5、《铁道部钢轨接触焊管理办法》(试行);《钢轨焊接接头技术条件热处理钢轨》6、 (TB/T1632-2005) 。
7、《机电设备安全操作规程》编制范围二、彻底,准确、应力放散锁定是无缝线路施工中的一道关键工序,应力放散是否均匀、~DK95+692直接影响到线路的稳定性。
本作业指导书适用于沪宁城际铁路铺轨Ⅱ标段,铺轨施工范围内的正线应力放散锁定作业。
DK191+312 三、人员要求且通所有参加应力放散的工作人员必须经过无缝线路理论知识和实际操作的培训,过考试成绩合格方可上岗。
劳动力组织1序工人备指11班组52线路10034 防护25 锁定焊83 6 技术员 7 1 值班调度4 8 看守 124合计) 2施工机具表四、机具设备(见表2 表数量单位机具名称序号备注 3 套1 撞轨器 60 2 专用把扳手3对讲12滚4个备其350210压51.25m木647撬2450手8锯轨92角101塞1124小平1213拉伸14轨温14115准直116型17平板618焊轨设1191正火设20发电,10KW5KW2)21焊轨附属设打磨1应力放散所使用的机具设备必须保证状态良好,且要由专人负责。
五、技术标准1、应力放散要求匀、准、够。
2、左右两股钢轨应同步锁定,避免出现过大温度力差。
3、实际锁定轨温应准确、可靠,符合设计规定。
线路锁定时实际锁定轨温须在设计锁定轨温允许范围内。
相邻两段单元轨节锁定轨温之差不得大于5℃,左右两股钢轨的锁定轨温差不得大于3℃,同一设计锁定轨温的长轨条最高与最低锁定轨温之差不大于10℃。
质量体系作业文件应力放散及锁定施工作业指导书版号:第A/0版文件编号:ST/GCB0805实施日期:2007年12月1日受控状态:(盖章受控)发放编号:中铁二十二局集团第二工程有限公司石太铁路客运专线铺架工程项目部应力放散及锁定作业指导书一、目的由于铺设长钢轨时的轨温与单元轨设计锁定轨温并不一致,另外在补碴整道、动力稳定、焊轨等作业时,造成钢轨温度的变化,内部产生温度拉或压应力。
因此,为了防止无缝线路的长轨条因气温变化和车辆运行等引起的折断或胀轨跑道,必须对长轨条进行应力放散处理,并进行强有力的锁定,以确保线路的高稳定性。
二、原理本作业方法采用低温下拉伸放散为主,并辅助自然温度放散,其原理是:在放散段自然温度的条件下,轨下垫滚筒,松开全部扣件使其失效,使钢轨能自由伸长或缩短,并使用一定的外力,让放散轨节处于零应力状态。
根据设计锁定轨温和实际轨温(低于或等于设计锁定轨温范围)计算出零应力状态下放散钢轨的拉伸量,用拉轨器拉出该伸长量后即锁定钢轨。
三、适用范围适用于本项目部施工的石太铁路客运专线无缝线路的应力放散及锁定作业。
四、所需设备机具应力放散每次1km,分成3个组,每组又分3个班,每组负责330多米长轨条扣件的拆装及机具的安放。
五、人员分工、职责(一)人员分工(二)各级人员职责1、队领导1.1 抓好全队的行政管理、安全教育、室内外环境卫生,职工的文化生活,搞好双文明建设。
1.2 合理安排各工班人员,使施工工序衔接,督促全队人员带齐工具、材料,按时上下班。
1.3 抓好施工现场管理,监督职工严格按照应力放散及锁定工序标准进行作业。
1.4 负责施工人员安全,抓好劳动纪律、抓好应力放散及锁定安全工作。
1.5 合理组织施工现场交接班,及时处理应力放散及锁定施工现场出现的各种问题。
1.6 在施工停工期间,安排好工地应力放散及锁定设备和材料的看管。
1.7 抓好质量管理,应力放散及锁定等施工都必须严格按照《施工图》作业,以确保工程质量优良。
无缝线路应力放散锁定作业指导书一、概况应力放散和锁定是将已达到初期稳定状态的线路,重新松开扣件、起升钢轨、垫上滚筒使钢轨处于自由伸缩状态或自由伸缩后再强制拉伸,放散掉钢轨内的附加应力和温度力,在钢轨处于设计锁定轨温时的“零”应力状态下,将线路锁定完成无缝线路的过程。
进行应力放散作业是为了达到在冬季气温很低钢轨内部产生的拉应力不会把钢轨拉伤拉断和夏季气温很高时钢轨内部产生的压应力不会导致胀轨跑道现象。
二、编制目的1、有计划有步骤地进行应力放散。
2、正确指导应力放散作业,确保应力放散质量达到设计要求;3、更加合理地配臵工料机,使资源利用趋于合理化。
三、编制依据1、《客运专线铁路轨道工程施工质量验收暂行标准》2、设计文件的《单元轨节布臵表》3、《客运专线铁路轨道工程施工技术指南》四、施工工艺流程(一)施工方法简介应力放散施工有两种放散方法,第一种称为滚筒放散法,即实际轨温在设计锁定轨温范围内,放散时在钢轨下加垫滚筒,利用锤击敲打钢轨,使钢轨自由伸缩,等钢轨充分回弹后,即钢轨内应力达到零应力然后迅速锁定线路;第二种方法称为综合放散法,即实际轨温低于锁定轨温下限值时,钢轨下垫上滚筒,将要放散的单元轨节一端与已放散锁定的线路焊接,靠无缝线路提供反力,一端安装钢轨拉伸器,根据当时轨温计算出单元轨节的拉伸量,等单元轨节在当时的施工温度下处于自由伸缩状态时,进行位移零点标记,再用拉轨器将单元轨节拉伸至计算出的拉伸量,各测点位移均达到计算位移量后进行锁定。
对于区间线路将根据现场轨温灵活采用放散方法,对于道岔由于不易进行拉升,所以只能选择滚筒放散法,即道岔铺设必须在设计锁定轨温范围内进行。
应力放散、锁定焊接施工工艺流程见下图:滚筒放散法工艺流程:施工准备——拆扣件——垫滚筒——敲轨——测轨温——钢轨反弹——拆滚筒——上扣件(隔二上一)——上完所有扣件——作位移观测标记拉伸器滚筒放散法工艺流程:施工准备——拆扣件——垫滚筒——安装撞轨器——安装拉伸器预拉伸敲击使钢轨处于自由伸缩状态——每隔100米设1个临时观测点标记——测轨温计算各点拉伸量——拉伸并用撞轨器撞击、观测各点位移量——各点位移达到放散要求后拆滚筒——上扣件(隔二上一)——上完所有扣件——作位移观测标记(二)施工步骤(1) 在线路应力放散前,依据设计文件及建设单位要求设臵位移观测桩,并进行编号。
新建大同至西安铁路客运专线站前施工-3标段无缝线路应力放散及锁定作业指导书编制:复核:批准:中铁十局大西客专指挥部铺轨项目部2013年6月目录1.项目概况...................................................... - 1 -2.编制依据...................................................... - 1 -3.编制目的...................................................... - 1 -4.适用范围......................................... 错误!未定义书签。
5.轨温锁定要求..................................... 错误!未定义书签。
6.应力放散与锁定工艺............................... 错误!未定义书签。
6.1施工准备..................................... 错误!未定义书签。
6.2滚筒放散法施工............................... 错误!未定义书签。
6.3拉伸放散法施工............................... 错误!未定义书签。
6.4锁定施工..................................... 错误!未定义书签。
7.位移观测桩的埋设................................. 错误!未定义书签。
7.1位移观测桩设置原则........................... 错误!未定义书签。
7.2观测标志及标尺设置方法....................... 错误!未定义书签。
7.3位移观测桩编号及观测要求..................... 错误!未定义书签。
应力放散及锁定作业指导书1.编制依据达州至成都线扩能改造工程三汇镇至遂宁段铺轨架梁工程施工合同文件。
达州至成都线扩能改造工程三汇镇至遂宁段铺轨架梁工程施工招投标文件。
设计文件、施工方案审查会议纪要及我单位的施工技术水平、能力,机械设备等。
2.引用标准文件《新建时速160公里客货共线铁路设计暂行规定》《新建客货共线铁路工程施工补充规定(暂行)》《铁路轨道工程施工质量验收标准》《铁路无缝线路》中国铁道出版社3.工程项目概况达成铁路为客货共线铁路,设计速度目标值160km/h。
达成线扩能改造三汇镇(不含)至遂宁(含)段增建二线工程,自三汇镇襄渝铁路DK630+620至达成线DK194+600,线路双线铺设长度188.7千米,联合接头378个。
4.参建单位概况建设单位:成都铁路局达成扩能改造工程建设指挥部工程设计单位:铁道第二勘察设计院监理单位:黑龙江中铁建设监理有限责任公司四川省成都市大西南铁路监理公司施工单位:中铁三局集团有限公司达成铁路扩能改造项目经理部铺架队5.工艺流程(见附图1)6.施工方法6.1换铺长钢轨后设置位移观测桩6.1.1位移观测桩的设置位置(见附图2)6.1.2位移观测桩的设置要保证其牢固、可靠、易于观测和不易被破坏。
6.1.3尽量利用接触网基础(杆)及桥梁挡碴墙。
6.1.4位移观测桩的设置在线路纵向以单元轨节为单位,采用“均匀相对”式方法布桩。
即成对的位移观测桩连线要垂直于线路方向。
单元轨节起终点的位移观测桩宜与单元轨节焊接接头对应,纵向相错量不得大于30m。
6.1.5位移观测桩按列车运行方向顺序编号。
编号方法为:NO.123-02为,123为代表对应位置单元轨节的编号,02代表该单元轨节内位移观测桩的编号。
现场编号要标记清晰、耐久。
如:No.123-02观测桩编号单元轨节编号6.1.6路基上位移观测桩的设置6.1.6.1采用预制桩现场埋设方法设置位移观测桩。
6.1.6.2位移观测桩在区间设在路肩上,在站内设在站台上;位移观测桩距道碴坡脚和路肩边缘均要大于30cm。
应力放散与锁定作业指导书编制:复核:审批:生效日期:一、目的:为xxxxxxx无缝线路改造的位移观测桩的布设和应力放散锁定作业提供施工指导。
二、适用范围:适用于xxxxxxxx无缝有碴线路轨道工程。
三、引用标准及文件:①《铁路轨道设计规范》TB10082-2005②《铁路轨道工程施工质量验收标准》(TB10413-2003 J284-2004)③《无缝线路铺设养护维修方法》(TB2098-89)④《新建铁路桥上无缝线路设计暂行规定》(铁建设函[2003]205 号)⑤《新建客货共线铁路设计暂行规定》(铁建设[2003]76 号)四、职责:①施工技术:负责确定位移观测桩的位置、现场设置和埋设后的检查。
负责测定应力放散轨温,指导放散过程。
计算拉伸量,确定锁定轨温,决定锁定时间和状态,设置临时观测点,放散后应力“零”点的确定。
并做好全过程记录。
②质检员:负责整个过程的监督检查工作,指导施工作业人员作业,检查扣配件的扭矩。
③安全员:负责线路施工的防护工作,检查现场的规范作业纠正违章操作。
④操作工人:依据作业指导书的要求进行作业,保证施工质量。
⑤现场负责人:全过程施工的控制,负责协调各部门各工序间的作业。
与车站联络员办理要点、消点。
五、工作程序:5.1 位移观测桩的设置要求5.1.1 位移观测桩的设置位置①、单元轨位移观测桩的设置如下图:●●固定区●●×●(a)无缝线路长轨条起终点位移观测桩布置注:图中“●”表示位移观测桩,“×”表示单元轨节始端或终端。
②、位于固定区无缝线路按单元轨节等距离布置位移观测桩,桩间距离不大于500m,单元轨节长不足500m 整倍数时,可适当调整桩间距离。
如下图::●●●●●××固定区单元轨节长度L(b)单元轨节位移观测桩布置图注:图中“●”表示位移观测桩,“×”表示单元轨节固定区域③伸缩调节器基本轨伸缩区范围内应增设位移观测桩,具体布置如下图。
轨道工程应力放散与锁定施工作业指导书2011年×月××日发布 2011年×月××日实施1、适用范围适用于新(改、扩)建铁路无缝线路应力放散及锁定施工。
2、作业准备2.1内业技术准备2.1.1参照施工设计图纸的锁定焊头位置的布置要求,确定焊头起始里程等技术资料。
2.1.2施工人员已通过安全、技术培训考核,特殊工种持证上岗,各种施工机具在开工前全部进场确保状态良好。
2.2外业技术准备2.2.1按照位移观测桩的设置要求及材料要求,做好位移观测桩的埋设准备工作。
2.2.2核实单元轨节的锁定位置和单元轨节长度。
3、技术要求3.1单元轨节起止点不应设置在不同轨道结构过渡段以及不同线下基础过渡段范围内。
3.2长大隧道:距隧道口200m范围无缝线路设计锁定轨温宜与两端区间无缝线路的设计锁定轨温一致,锁定轨温递减到隧道内,隧道内地段锁定轨温按自然轨温锁定。
3.3锁定焊的焊头距离梁缝和桥台边墙的距离符合设计图纸要求,设计图纸无要求的,其距离大于2m。
3.4按照相关规定和要求设置位移观测桩,位移观测应设置齐全,牢固可靠、易于观测和不易破坏。
3.5线路锁定时,实际锁定轨温应在设计锁定轨温范围内,相邻单元轨节间的实际锁定轨温之差不得大于5℃,同一单元轨节左右股钢轨的实际锁定轨温差不得大于5℃(高速、客专要求为3℃),同一区间内单元轨节的最高与最低实际锁定轨温之差不得大于10℃。
3.6高速、客专铁路应力放散与锁定施工应符合《高速铁路轨道工程施工质量验收标准》(TB10754-2010)及设计文件相关要求。
3.7普通铁路应力放散与锁定施工应符合《铁路轨道工程施工质量验收标准》(TB10413-2003)及设计文件相关要求。
4、施工程序及工艺流程4.1施工程序长钢轨经单元焊后,形成单元轨节,当施工时钢轨的温度在设计锁定轨温范围时,采用滚筒放散法进行应力放散;当施工时钢轨的温度低于设计锁定轨温时,采用拉伸器滚筒放散法进行应力放散。