设备维护检修规程 [PCM设备检修维护规程]
- 格式:doc
- 大小:42.50 KB
- 文档页数:19
设备维护检修安全规程(范文)设备维护检修安全规程第一章总则第一条为了保障设备的正常运行,防止事故的发生,提高工作效率,本规程依据国家相关法律法规,结合本单位的实际情况制定。
第二条本规程适用于本单位内所有设备的维护检修工作,包括但不限于机械设备、电气设备、仪器仪表、管道设备等。
第三条本规程的目标是规范设备维护检修的工作流程,确保作业人员的安全和设备的正常运行,防止万一事故的发生。
第二章设备维护检修的安全规范第四条设备维护检修的作业人员必须熟悉相关设备的技术方案和操作规程,严格按照规程进行操作。
第五条在进行设备维护检修时,必须严格遵循操作安全规程,特别是要注意操作手册中的安全警示内容。
第六条在对设备进行维护检修时,必须切断设备的电源,确认设备已停止运转,并采取有效的安全防护措施,如设立警示标识、设置警戒线等。
第七条在进行高空设备维护时,必须佩戴符合安全标准的安全帽、安全带等个人防护装备,并注意高空坠落防护措施的实施。
第八条在进行设备维护检修时,必须佩戴符合安全标准的防护眼镜、耳塞等,以保护工作人员的视听器官。
第九条设备维护检修作业中,严禁酒后、疲劳和生病作业,严禁在设备运行时进行维护检修。
第十条设备维护检修作业中,严禁携带易燃易爆物品,严禁吸烟,并保持作业环境的清洁和通风。
第十一条设备维护检修作业中,应当遵守用电安全操作规程,确保用电线路的可靠性和安全性。
第十二条设备维护检修作业人员必须经过培训并具备相关的证书或资格才能上岗,工人必须持有上岗证,并定期进行健康体检。
第三章设备维护检修的操作流程第十三条设备维护检修的操作流程包括但不限于以下几个步骤:确定维护检修计划、准备工具和材料、切断电源并确认设备停止运转、检查设备状态、进行维护和更换零部件、重新启动设备并检验运行状态、清理现场。
第十四条在进行设备维护检修时,必须严格按照操作步骤进行,不得擅自变更程序,必要时应当报告主管部门。
第十五条在进行设备维护检修时,必须使用符合安全要求的工具和材料,不得使用损坏或过期的工具和材料。
PCM终端设备检修维护规程1 内容及适用范围本规程规定了PCM终端设备的检修内容、检修要求及检修方法。
本规程适用于基建、生产和运行单位继电保护通信工作人员进行SDM-9D型PCM终端设备的现场检修工作。
2 引用标准下列标准所包含的条文,通过在本规程中引用而构成为本规程的条文。
本规程出版时,所示版本均为有效。
所有标准都会被修订,使用本规程的各方应探讨使用下列标准最新版本的可能性。
《SDM-9[用户手册》《SDM系列设备网管操作手册》3 检修项目河北南部电网PCM设备的投运、停运或检修均由省中调运行部门统一安排,需要临时停运或检修,应先向省通信调度申请,经批准后方可进行PCM终端设备检查及故障处理的项目见表2.部分检验周期:每月进行1次。
3.专业巡检周期:每周进行1次。
4.表中有“V”符号的项目表示要求进行检查。
说明:PCM设备根据运行状态诊断评价为:“正常状态”、“异常状态”和“严重状态”,并根据结果类型进行相应的检修操作。
“正常状态”时其全部检验、部分检验可按正常周期执行,并根据实际情况安排专业巡检。
“异常状态”时根据设备缺陷类别申请省中调安排检修期限,并加强专业巡检。
“严重状态”时申请安排立即检修。
4设备概况及参数4.1设备概况本厂设1套PCM终端设备,设备型号为SMD-9D。
设备安装在生产办公楼通信机房,与省公司PCM终端设备对接,主要为通信、调度直通、远动、电量计费等提供64K通道。
设备组成如下:设备分为公用单元和用户接口单元。
SMD-9D设备的公用单元包括:4 U机框、电源板、交叉板。
电源板固定使用第18和第19槽位,该槽位与其它槽位不兼容,具有防误插功能。
配置两块电源板提供热备份功能。
交叉板固定在第9和第10槽位,该槽位与其它槽位不兼容,具有防误插功能。
配置两块交叉板时提供热备份功能。
用户接口板卡包括二线语音接口板、4WE/M 音频接口板、64K同反相数据板、2M接口板各1块。
4.2主要性能及参数4.2.1 主要性能4.2.1.1用户接口的接入和管理功能4.2.1.2数据和信令的交叉连接功能4.2.1.3系统同步功能4.2.1.4设备组网控制与管理功能。
设备维护与检修安全技术规程一、引言设备维护与检修是保证设备正常运行的重要保障。
然而,如果在设备维护与检修过程中不注意安全问题,容易造成设备损坏、人身伤亡等严重后果。
因此,编制本规程,指导在设备维护与检修中,如何做好安全措施,确保设备和人员的安全。
二、设备维护与检修安全措施(一)操作前的准备1.确定安全措施:在进行设备维护和检修之前,应确定好安全措施。
对于比较危险的设备,应制定专门的安全措施和操作计划,并由相关人员反复讲解和演练。
2.检查设备:在操作前,应进行设备检查,确保设备的正常状态,并将设备清洁干净。
3.准备工具:在操作前,应准备好所需的工具、检修设备和检修材料,并对工具进行检查,确保工具的正常使用。
(二)操作中的安全措施1.穿戴劳保用品:对于设备维护和检修需要进行高空、窄小、深坑等危险作业的情况,操作人员应穿戴好劳保用品,如安全带、头盔、防护鞋、眼罩、手套等。
2.防止电击:在进行设备维护和检修操作时,应注意电击的危险,操作人员应对设备的电源进行切断或者使用专业的绝缘手套、绝缘工具等。
3.防止负重:在进行设备维护和检修操作时,应注意负重的危险,操作人员应避免超负荷操作,对设备的重要部位进行支撑。
4.防止火灾:在进行设备维护和检修操作时,应注意防火,操作人员应将油类、酒精、醚类物质远离,使用具有防火性能的工具和设备,并时刻注意设备的温度。
5.防止异物进入:在进行设备维护和检修操作时,应注意防止异物进入,若因清理异物而需要使用手进行操作,则须戴防护手套,以免被异物划伤或者人体感染。
6.防止火花:在进行设备维护和检修操作时,应注意防止火花,操作人员应使用特制的黄铜工具、铜环等防止钢材打出的火花而引起事故。
(三)操作后的处理1.工具归位:在操作结束后,应将所使用的工具、检修设备和检修材料等进行整理并清洗干净,并归还到指定的存放处。
2.安全锁定:在进行设备维护和检修操作时,应注意保持设备的安全锁定,以免设备在未控制的状态下被误操作,导致事故的发生。
文件更改履历表文件名:PCM 设备运行维护规程签名日期首版编制者黄志兴2013年5月20日审核林绍春年月日批准邹南城年月日新文件名:华安水力发电厂PCM 设备运行维护规程版次/修订次修订日期修订条款修订人会审审核审定批准归档前言做好通信设备检修是保证水电厂通信系统安全运行的重要前提。
为提高我厂通信设备的健康水平,本标准根据华安水力发电厂企业管理标准,从我厂实际出发,修订了《PCM 设备运行维护规程》。
本标准由华安水电厂标准化办公室提出。
本标准委托生技部归口。
本标准主要起草人:黄志兴本标准主要修改人:张建东本标准审核人:本标准审定人:吴震华本标准批准人:邹南城本标准修订发布时间:本标准修订实施时间:目次1 总则 (1)2 名词解释 (1)3 PCM 设备的日常维护 (1)4 PCM设备的常见故障分析 (2)5 PCM设备的故障检修 (2)6 考核 (3)7附则 (3)华安水力发电厂PCM设备运行维护规程1总则1.1 PCM 设备是电力通信网的基木组成部分,是确保我厂安全运行重要的基础设施。
1.2 本规程规定了华安水电厂PCM 设备运行维护项目、方法及注意事项。
1.3 本规程适用于通信人员和生产管理人员对华安水电厂一厂、二厂PCM 设备进行现场检修管理,也可供运行人员参考。
1.4 本厂分管生产的各级领导、通讯专业技术人员熟悉本规程。
2 名词解释2.1 PCM 设备是电力通信网的基木组成部分,是确保我厂安全运行重要的基础设施,PCM 设备安装试是对是保障通信设备正常投入通信网运行必不可少的一个重要环节。
2.2 PCM(PulseCodeModulation,脉冲编码调制)终端复用设备用于完成单路信号和多路信号(本文指2 Mbit/s信号) 的复接与分接,是实现A/D转换不可缺少的设备。
该设备具有规范和灵活的接口,智能化程度较高,目前已成为电力通信网最常用的用户接入设备。
鉴于PCM 设备在通信网中承载大量的重要用户,该设备的维护与故障检修成为保证电力通信网安全运行的重中之重。
设备维护维修规范1. 引言设备的维护与维修是保持设备正常运行和延长使用寿命的关键环节。
为了确保设备维护维修工作的高效性和标准化,制定本规范,以规范设备维护维修流程。
2. 设备维护维修流程2.1 设备维护设备维护是指定期对设备进行检查和保养,以确保其正常工作和避免故障。
设备维护流程如下:2.1.1 制定维护计划根据设备厂商提供的维护手册和实际使用情况,制定设备维护计划。
维护计划应包括维护频率、维护内容、维护责任人等信息。
2.1.2 维护准备维护前,准备好所需的维护工具、材料和设备技术资料。
确保维护过程中不会引起更多的问题。
2.1.3 检查设备状态在维护前,检查设备的工作状态和外观,记录问题和异常。
如果发现问题无法解决,则应及时报修。
2.1.4 进行保养和清洁根据维护计划,对设备进行保养和清洁工作,包括更换易损件、清洗内部和外部部件等。
保养期间,注意安全操作,避免损坏设备。
2.1.5 记录维护日志每次维护完成后,应填写维护日志,记录维护日期、维护内容、维护人员等信息。
维护日志是后续维修和维护的重要参考。
2.2 设备维修设备维修是指对出现故障的设备进行修复和恢复其正常工作。
设备维修流程如下:2.2.1 故障排查和确认在设备出现故障时,及时排查故障原因,确定故障点和维修方案。
排查时应注意安全和稳定,避免进一步损坏设备。
2.2.2 维修准备确定维修所需的工具、材料和维修技术资料。
确保准备充分,以提高维修效率和质量。
2.2.3 维修操作根据维修方案,进行设备维修操作。
在维修过程中,注意操作规范,遵循安全操作规程。
2.2.4 维修测试和调试维修完成后,对设备进行测试和调试,确保其正常工作。
注意测试过程中的安全和稳定。
2.2.5 记录维修报告每次维修完成后,应填写维修报告,记录维修日期、维修内容、维修人员等信息。
维修报告是后续维护和维修的重要参考。
3. 设备维护维修质量控制3.1 质量管理要求设备维护维修过程中,应严格遵守质量管理要求,包括:•维护维修作业要规范、精细、安全、高效;•维护维修人员要具备相应的技术水平和实践经验;•维护维修工具、材料要符合质量标准和要求;•维护维修过程要严格按照标准操作规程进行;•维护维修记录要实时、完整、准确。
设备维护检修安全规程设备维护检修是保障设备安全运行的重要环节,对于企业来说,制定一套完善的设备维护检修安全规程是非常必要的。
这套规程可以指导员工正确执行设备维护检修工作,确保操作安全、防止事故发生。
接下来,我将为您提供一份____字左右的设备维护检修安全规程。
设备维护检修安全规程(二)第一章总则第一条为了保障设备的正常运行,确保员工的人身安全,制定本规程。
第二条本规程适用于企业内所有设备的维护检修工作。
第三条设备维护检修工作应严格按照本规程执行,违反规程的行为将受到相应处罚。
第四条本规程的修改和补充由企业技术部门负责,并报企业领导层审批。
第五条设备维护检修工作的安全责任由设备维护检修人员负责,企业领导层要给予相应支持和监管。
第二章设备维护检修的基本要求第六条设备维护检修人员在进行维护检修工作前,必须熟悉设备的基本原理和结构。
第七条设备维护检修人员应严格按照操作规程进行操作,不得擅自修改或放大操作过程中的操作程序。
第八条设备维护检修人员不得在设备运行期间进行维护检修工作,必须事先切断电源或停机。
第九条设备维护检修人员必须保持操作台面整洁,清除杂物,放置规范。
第十条设备维护检修人员必须按照规定的工作流程进行维护检修工作,不得跨越操作台面或使用维护检修工具不当。
第十一条设备维护检修人员在进行维护检修工作时,必须戴好个人防护装备,如防护眼镜、手套等。
第十二条设备维护检修人员在进行维护检修工作时,应与其他人员进行有效的沟通和配合,确保操作的顺利进行。
第三章设备维护检修的安全操作第十三条设备维护检修人员在进行设备维护检修工作前必须按照规定进行安全交底,确保了解设备的隐患和风险。
第十四条设备维护检修人员在进行设备维护检修工作时应戴好防护眼镜和手套,防止受到设备运转中的物体的伤害。
第十五条设备维护检修人员在进行设备维护检修工作时应确保工作台面的平稳,防止手部受伤。
第十六条设备维护检修人员在进行设备维护检修工作时应确保工作区域的整洁干净,避免发生滑倒等意外情况。
2024年设备维护检修安全规程____年设备维护检修安全规程第一章总则第一条为确保设备的正常运行和使用安全,保护员工的人身和财产安全,依据国家相关法律法规,制定本规程。
第二条本规程适用于本单位的设备维护检修工作。
第三条设备维护检修工作应该遵守安全第一、预防为主的原则,合理安排工作计划,提高维护检修人员的安全意识和技能水平。
第四条设备维护检修应严格执行工作票制度,每一个维护检修工作都需有相应的工作票,明确工作内容、工作步骤以及安全措施。
第五条维护检修工作应根据设备的使用状态,合理选择维修方法和工具设备。
第二章人员要求第六条设备维护检修工作人员应经过相关培训,持有相关岗位的操作证书。
第七条维护检修工作人员应具备良好的职业道德素养,服从指挥,严守工作纪律。
第八条维护检修工作人员应具备良好的身体素质,无心脏病、高血压等危险疾病。
第九条维护检修工作人员应定期进行体检,确保身体健康。
第三章设备维护检修的安全控制第十条设备维护检修应严格按照工作票的规定进行操作,不得擅自更改工作内容和工作步骤。
第十一条设备维护检修工作中,应戴好安全帽、穿戴各种个人防护设备,确保人身安全。
第十二条维护检修工作人员应熟悉设备的工作原理和结构,严禁未经授权操作设备。
第十三条维护检修工作人员操作设备时,应注意操作规范,并按照正确的程序进行操作,确保操作过程安全。
第十四条设备维护检修工作人员应时刻注意设备周围的安全情况,发现异常及时报告,并采取相应措施。
第十五条维护检修工作完成后,应及时清理现场,将工具设备归位,并及时汇报工作情况及存在的问题。
第四章紧急情况处理第十六条设备维护检修工作中如遇到紧急情况,需及时采取紧急措施,保障员工的人身安全。
第十七条如发生设备故障、意外事故等情况,应立即切断电源,并通知相关部门进行处理。
第十八条发生意外事故后,维护检修工作人员应立即拨打120急救电话,并迅速进行急救措施。
第十九条维护检修工作人员应取得相关证据,及时进行事故报告,配合公司有关人员做好事故处理工作。
设备操作人员严格按操作规程操作,严禁机泵超温、超压、超负荷、超速运行。
操作人员、维护人员、设备管理人员严格执行巡回检查制度,做好“三检”工作(操作人员的巡检、维护人员的点检、设备管理人员的专检)。
按巡回检查路线、内容和标准对各部位进行检查,认真填写运行记录、缺陷记录和操作日记。
对不能及时处理的缺陷应采取防范措施,列入检修计划,直至消除缺陷。
操作人员和维护人员发现设备运行不正常时,应立即检查原因、采取措施、及时报告。
为保证设备和人员安全,在紧急情况下,操作人员有权按操作规程采取果断措施,直至立即停机。
使用单位应加强设备润滑管理,认真执行润滑管理制度。
各润滑点应统计登记齐全,按规定添加和更换润滑油(脂),定期检查、分析各润滑点油品质量。
企业应制定备用设备管理规定,做好备用设备的定期维护保养工作。
备机要定期盘车和切换,使之处于完好备用状态。
对有辅助系统的机泵,应定期进行自启试验等,确保辅助系统完好。
机械、电气、仪表维修人员应按各自专业管理要求,对机械设备、电气设备、控制仪表、联锁保护设施进行日常维护保养工作,保证设备完好。
企业应积极采用先进的监测技术,开展设备状态监测和故障诊断工作,定期对设备进行检测,对检测结果进行记录和分析,对超过标准运行的机泵要有分析意见或监护运行措施。
对高温设备进行重点监测。
企业以状态检修为主、预防性检修为辅的原则组织检修工作,防止失修或过修。
设备安装、检修必须委托有相应资质的单位。
安装、检修单位必须建立质保体系,按照要求落实各项施工措施,保证安全、文明施工,确保按时、按质完成任务。
新设备安装后,施工管理单位组织相关部门进行“三查四定”,按有关规定进行项目中交和竣工验收。
施工单位编制试运转方案并经相关部门审批后,由施工管理部门组织进行设备调试及单机试车,做好试车记录。
设备检修严格执行作业票管理制度,确保检修安全。
缺陷设备切换至备用设备确认无异常后,方可对缺陷设备进行检修。
检修执行《设备维护检修规程》及设备使用说明书中的规定。
设备维护维修规范
1. 安全第一:在维护和维修设备时,必须确保人员的安全。
遵守相关安全操作规程,佩戴个人防护设备,确保工作环境安全。
2. 预防性维护:定期进行设备的预防性维护,避免设备故障的发生。
按照设备的维护手册或者制定的维护计划进行操作。
3. 清洁和保养:保持设备的清洁和整洁,定期清理设备的内部和外部。
使用适当的清洁剂和工具,避免对设备产生损害。
4. 及时检修:一旦设备出现故障,需要及时检修和维修,以免影响工作效率和安全。
定期对设备进行巡检,发现问题及时处理。
5. 精确维修:在维护和维修设备时,需要准确判断故障原因,并采取正确的维修方法和材料。
维修人员需要具备一定的专业知识和技能。
6. 记录和反馈:对设备的维护和维修情况进行记录,包括维护时间、维修内容、更换配件等。
将维护和维修的反馈及时汇报给相关部门和责任人。
7. 资源管理:合理利用设备维护维修所需的人力、物力和财力资源,确保维护维修工作的顺利进行。
,设备维护维修规范是为了确保设备的正常运行和延长设备使用寿命,提高设备的性能和效率。
维护维修人员需要遵守相关规定和操作要求,保证维护维修工作的质量和安全。
也需要不断学习和更新专业知识,提高自身的技术水平和维修能力。
设备维护检修安全规程1、设备操作人员对所操作的设备必须做到“四懂三会”,并严格做到专机专负责。
(“四懂”即懂设备结构,懂设备工作原理,广懂设备性能及在生产中的作用,懂设备可能发生的故障及预防处理措施;“三会”即会操作,会维护,会小修)。
2、操作人员必须正确的使用设备,不准超温、超压,超速、超负荷运转,操作过程应做到按规定顺序启动,做好运转中的调整工作,做好故障预防及正确处理,按规定顺序停车,安全保护装置要保证完整好用。
3、操作人员应保持设备的清洁卫生,对润滑油的使用必须做到“五定三过滤”,(“五定”即定质、定量、定时,定点、定人员;“三过滤”即大桶转到小桶过一次滤,小桶转到油壶过一次滤,油壶转到加油点过一次滤)。
4、操作人员必须做好停用设备的防冻、防锈、防火等安全维护工作。
杜绝“四漏一跑”,即漏油、漏水、漏汽,漏瓦斯和跑油。
5、装置运行中需要检修的设备,在拆卸前要检查出入口阀是否关严,压力表是否有余压。
往复泵如检修汽缸部分同样要检查主乏汽线阀门是否关死,放出汽缸积存蒸汽。
关键的设备与系统连接处要加好盲板,并办理维修工作票后方能解体检修。
6、在拆卸停用设备的法兰、泵盖或汽泵、压缩机出入口单项阀盖时,不能一下将所有螺栓拿下,防止设备内积存油喷出伤人。
7、设备布置比较紧凑的地方,在巡回检查及拆装检修时,不得用手或手持其它物体直接触及设备的转动部分。
设备裸露的转动部位,必须加必要的安全防护装置。
8、检修溶剂泵、轻油泵以及走溶剂的过滤机等设备时,装卸零部件要使用铜棒、铜锤等不易产生火星的工具,更不许擅自动火。
9、在检修大型主要设备如转鼓真空过滤机、主风机等设备时,要切断电源,写上标志。
10、维修工人要正确的使用各种工具,用力适当。
检修工具要做到专用化,不得随意乱用代用,以免损坏设备配件或造成伤亡事故。
11、严格掌握主要设备的检修周期,定期强制检修,使设备有计划的长期安全运行。
12、各种设备检修后,必须进行详细检查、试运,使其达到运行条件后方可投用。
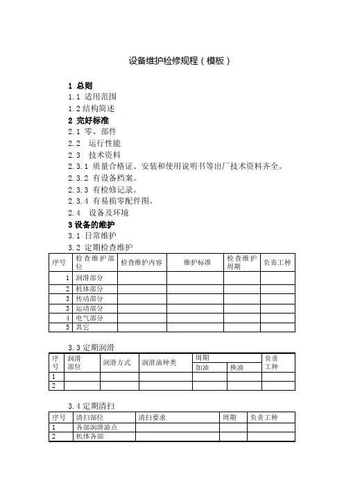
设备维护检修规程(模板)
1 总则
1.1 适用范围
1.2结构简述
2 完好标准
2.1 零、部件
2.2 运行性能
2.3 技术资料
2.3.1 质量合格证、安装和使用说明书等出厂技术资料齐全。
2.3.2 有设备档案。
2.3.3 有检修记录。
2.3.4 有易损零配件图。
2.4 设备及环境
3设备的维护
3.1 日常维护
3.2 定期检查维护
3.4定期清扫
3.6 设备运转过程中遇到下列情况之一,应紧急停车;
4 检修周期和检修内容
4.1 检修周期
4.2 检修内容
4.2.1 小修
4.2.2 中修
4.2.3 大修
5 检修方法及检修质量标准
5.1机体部分
5.2传动部分
5.3运动部分
5.4电气部分
5.5 质量标准
6试车与验收
6.1试车前的准备工作
6.2 试车
6.3 验收
7使用维护检修安全注意事项。
设备维护检修安全技术规程一、总则设备维护检修安全技术规程(以下简称规程)是为了规范设备维护检修工作,保障人员安全,提高设备运行效率和工作质量,保障设备的安全可靠运行,制定的具体培训方案。
二、适用范围规程适用于本单位的设备维护检修工作,涵盖设备的维护、保养、故障排除、检修以及安全措施等方面。
三、安全责任1.单位负责人要高度重视设备维护检修安全工作,明确安全责任,指定专人负责组织实施和监督管理。
2.设备维护检修人员要具备相应的专业知识和技能,并参加相应的安全培训,确保设备维护操作的安全可靠。
四、设备维护检修安全措施1.维护检修前应进行全面检查,确认设备安全可靠,并制定详细的维护检修方案。
2.严格执行操作规程,减少人为失误可能导致的事故发生。
3.使用合适的工具和设备,确保操作安全和有效。
4.配备必要的个人防护装备,如安全帽、防护眼镜、耳塞等。
5.严禁在设备正常运行或带电状态下进行任何维护检修操作,必要时需切断电源并采取相应的防范措施。
6.维护检修人员应具备及时发现和处理设备故障的能力,如发现设备异常情况应立即停机并通知上级。
五、维护检修操作规范1.严格按照维护检修方案的要求进行操作。
2.操作人员要认真学习和了解设备的工作原理、结构和性能。
3.操作人员要具备相应的专业技能,确保正确操作设备。
4.在维护检修过程中,严禁擅自修改设备的操作参数和结构,必要时需经过有关部门的批准。
5.维护检修完毕后,在开机前要进行全面检查和试运行,确保设备运行正常。
六、事故应对措施1.发生事故时,操作人员要立即停止维护检修工作,并采取相应的应急措施。
2.及时报告上级,并按照上级的指示进行救援和处理。
3.对事故进行仔细调查和分析,总结经验教训,及时采取措施防止类似事故再次发生。
七、培训与考核1.组织设备维护检修人员进行相关的安全培训,提高其专业水平和安全意识。
2.定期进行维护检修安全知识的考核,落实安全责任。
八、违章行为处理对违反安全规章制度和操作规程的人员,将依法依规进行处理,并给予相应的处罚。
电气设备维护检修工作规程(经典版)编制人:__________________审核人:__________________审批人:__________________编制单位:__________________编制时间:____年____月____日序言下载提示:该文档是本店铺精心编制而成的,希望大家下载后,能够帮助大家解决实际问题。
文档下载后可定制修改,请根据实际需要进行调整和使用,谢谢!并且,本店铺为大家提供各种类型的经典范文,如工作报告、合同协议、心得体会、演讲致辞、规章制度、岗位职责、操作规程、计划书、祝福语、其他范文等等,想了解不同范文格式和写法,敬请关注!Download tips: This document is carefully compiled by this editor. I hope that after you download it, it can help you solve practical problems. The document can be customized and modified after downloading, please adjust and use it according to actual needs, thank you!Moreover, our store provides various types of classic sample texts, such as work reports, contract agreements, insights, speeches, rules and regulations, job responsibilities, operating procedures, plans, blessings, and other sample texts. If you want to learn about different sample formats and writing methods, please pay attention!电气设备维护检修工作规程一、变压器维护、检修规程1、概述1.1主题内容与适用范围1.1.1主题内容本规程规定变压器的维护运行、检修周期、检修内容、质量标准及验收。
设备维护与检修安全技术规程设备维护与检修是工业生产过程中必不可少的环节,也是确保设备安全运行的重要措施之一。
为了做好设备维护与检修工作,提高设备的利用率和可靠性,同时确保操作人员的安全,必须制定一套科学合理的设备维护与检修安全技术规程。
下面就设备维护与检修安全技术规程进行详细阐述。
一、设备维护与检修的目的和任务设备维护与检修的目的和任务是确保设备的正常运行,延长设备的使用寿命,提高工作效率,降低故障率,保障操作人员的安全与健康。
具体任务包括:1. 定期进行设备维护和检修,清洁设备表面和内部,检查设备各部件的运行情况,发现并解决问题。
2. 检测设备的性能和功能,确保设备正常运行并满足工作需求。
3. 更换设备的磨损部件和老化的零件,保证设备的完整性和安全。
4. 建立设备维护记录,记录设备的维护和检修情况,有助于追踪设备的历史和进行有效的分析。
二、设备维护与检修的基本原则1. 安全原则:设备维护与检修的工作必须遵守安全操作规程,确保操作人员的安全。
工作前必须进行安全培训,并戴好防护设备。
2. 预防原则:根据设备的使用寿命、性能特点和实际工作状况,制定预防性维护计划,并进行科学合理的检修,以确保设备的正常工作。
3. 系统原则:设备维护与检修的工作必须系统进行,包括设备的定期检查、日常保养和及时维修,使设备始终保持良好状态。
4. 经济原则:设备维护与检修的工作必须根据实际情况制定合理的维护计划和标准,避免过度维修和浪费资源。
5. 环保原则:设备维护与检修的工作必须符合环保要求,避免对环境造成污染。
三、设备维护与检修的基本流程1. 准备工作:对待维护和检修的设备进行全面的调查和了解,确定维护和检修的目标和计划。
准备必要的工具和材料,并清理工作现场。
2. 检查与测试:对设备的各部分进行逐一检查和测试,包括设备的机械部分、电气部分、液压部分等。
发现问题及时记录并制定解决方案。
3. 维护与更换:根据检查和测试的结果,对设备进行清洁、润滑和维修。
{设备维护管理}设备维护操作规程设备维护管理 - 设备维护操作规程
目的
本规程的目的是确保设备维护管理的顺利运行,保证设备的正常工作和延长设备的使用寿命。
适用范围
本规程适用于所有设备的维护和保养。
维护管理原则
1. 定期检查设备,及时发现问题并及时维修。
2. 维修设备时必须按照相关规定进行操作,不能随意更换设备原有零部件。
3. 定期对设备进行大检修,保证设备长期稳定运行。
4. 对维修设备的人员进行必要的技术培训,提高维修水平。
维护管理程序
1. 每周对设备进行例行检查,检查包括但不限于机械部分、电
气部分、水路部分等。
2. 发现问题后应及时汇报,确定是否需要停机维修。
3. 维修时必须按照设备维护操作规程进行操作。
4. 完成维修后,需对设备进行试运行。
试运行成功方可投入使用。
5. 定期进行大检修,时间一般为半年或一年。
6. 对维修人员进行必要技术培训,提高维修水平。
注意事项
1. 维修人员在进行设备维修时必须佩戴好相关的安全防护装备,严禁随意触碰设备。
2. 维修期间须关闭设备的电源,并进行相关的锁定和标识。
3. 设备的保养和维修必须在专业人员指导下进行,不能擅自操作。
结论
本规程确立了设备维护管理的原则和程序,将设备维护活动规范化,能够为设备的正常工作提供有力保障,有助于延长设备的使用寿命,同时也保证了人员的安全和健康。
设备维护维修规程制度范本一、目的为了确保公司设备的正常运行,提高生产效率,降低故障率,保障员工安全,提高设备使用寿命,特制定本设备维护维修规程制度。
二、适用范围本规程适用于公司所有设备的维护维修工作,包括生产设备、辅助设备及设施。
三、职责与分工1.设备管理部门负责制定设备维护维修计划,并对计划的执行情况进行监督和考核。
2.设备使用部门负责执行设备维护维修计划,并对设备进行日常检查和维护。
3.设备维修人员负责设备故障的诊断和维修,以及对设备进行定期保养。
四、设备维护维修内容与要求1.日常检查与维护(1)设备使用部门应按照设备操作规程进行日常检查,发现问题及时上报设备管理部门。
(2)设备管理部门应定期对设备进行巡检,确保设备运行正常。
(3)设备维修人员应定期对设备进行保养,包括清洁、润滑、紧固、调整等。
2.设备故障处理(1)设备发生故障时,设备使用部门应立即停止使用,并按照操作规程进行紧急处理。
(2)设备使用部门应及时上报设备管理部门,设备管理部门应在第一时间组织维修人员进行诊断和维修。
(3)设备维修人员应根据故障情况,制定维修方案,并按照方案进行维修。
(4)设备维修完成后,设备使用部门应进行验收,确保设备恢复正常运行。
3.设备定期保养(1)设备维修人员应根据设备的使用情况,制定设备定期保养计划。
(2)设备使用部门应按照设备保养计划进行设备保养,确保设备保养工作得到落实。
(3)设备保养完成后,设备维修人员应填写设备保养记录,设备使用部门进行验收。
五、设备维护维修规程的培训与考核1.设备管理部门应定期组织设备维护维修规程的培训,提高员工对设备维护维修的认识和技能。
2.设备使用部门应按照设备维护维修规程的要求,对员工进行考核,确保员工掌握设备维护维修的基本知识和技能。
六、设备维护维修规程的修改与更新1.设备管理部门应定期对设备维护维修规程进行审查,根据设备运行情况和技术发展,及时进行修改和完善。
2.设备维护维修规程的修改和完善应经过相关部门的审批,确保规程的合法性和有效性。
设备维护保养规程和设备检修规程(合并为:设备检修维护规程)型钢厂检修安全规程煤气炉检修规程加热炉检修维护规程汽化冷却系统检修维护规程推钢机检修维护规程出钢机检修维护规程加热炉大、中修规程引风机和鼓风机检修维护规程粗轧机组检修维护规程升降台检修维护规程中精轧机列检修维护规程活套检修维护规程辊道检修维护规程高压水检修维护规程桥式起重机检修维护规程液压站检修维护规程气动设备检修维护规程稀油润滑站检修维护规程水泵检修维护规程轧辊的使用与维护交、直流电动机检修维护规程变压器检修维护规程配电柜检修维护规程线路维护检修维护规程配电房的维护管理型钢厂检修安全规程1、在煤气管道动火前,必须由班组长安全员执报警仪测试煤气吹的是否干净,检测时一人在測,一人监护,并办动火证。
2、用电作业,必须按照“停电挂牌”“谁停电谁送电”的原则,停电后,配电室必须有人专门监看。
3、从事高空作业,距地面超过两米,必须使用安全带,并找一牢固点挂好挂钩,专人监护,办理高空作业证。
4、设备运行时一律不准靠近,不准从事检修作业。
5、任何人进入凉床、收集下,必须通知操作台确认切断了电源(置零),并有人监护,不准任何人进入操作室,但检修人员尽量避开旋转、打击部位。
6、配电作业按电时,必须有穿线孔穿线,并用螺丝刀接线,禁止用焊条、刀片及非专用工具。
7、上下均存在作业人员时,上面禁止向下抛物品。
8、切割作业时,要避开电缆沟,不准在电缆沟上动火。
9、在动锤时,检查锤柄安装可靠,旁边无人。
10、在使用天车时,挂钢丝绳作业,安挂在牢固不滑的部位,挂好后,手指不准抓在两绳中间,不准放在两绳与两件之间,防夹伤。
11、检修安装拆缷时,必须专人指挥,地面人员严禁脚蹬,手脚要离开两件方可指挥动车,天车人员精力要高集中。
12、在煤气阀门检修时,打开阀门后,不准将头伸入阀门,甚至不准靠近阀门,以防中毒。
13、检修期间,如清理水池,严禁人员靠迈池边,防护栏防护好。
14、在密闭空间检修,要保持通风良好,以免发生窒息。
PCM 终端设备检修维护规程
1 内容及适用范围
本规程规定了PCM 终端设备的检修内容、检修要求及检修方法。
本规程适用于基建、生产和运行单位继电保护通信工作人员进行SDM-9D 型PCM 终端设备的现场检修工作。
2 引用标准
下列标准所包含的条文,通过在本规程中引用而构成为本规程的条文。
本规程出版时,所示版本均为有效。
所有标准都会被修订,使用本规程的各方应探讨使用下列标准最新版本的可能性。
《SDM-9D 用户手册》
《SDM 系列设备网管操作手册》3 检修项目
河北南部电网PCM 设备的投运、停运或检修均由省中调运行部门统一安排,需要临时停运或检
修,应先向省通信调度申请,经批准后方可进行
PCM 终端设备检查及故障处理的项目见表
注全部检验周期根据省中调通信调度统一安排。
部分检验周期每月进行1次。
专业巡检周期每周进行1次。
表中有“√”符号的项目表示要求进行检查。
说明PCM 设备根据运行状态诊断评价为“正常状态”、“异常状态”和“严重状态”,并根据结果类型进行相应的检修操作。
“正常状态”时其全部检验、部分检验可按正常周期执行,并根据实际情况安排专业巡检。
“异常状态”时根据设备缺陷类别申请省中调安排检修期限,并加强专业巡检。
“严重状态”时申请安排立即检修。
4 设备概况及参数1 设备概况
本厂设1套PCM 终端设备,设备型号为SMD-9D 。
设备安装在生产办公楼通信机房,与省公司PCM 终端设备对接,主要为通信、调度直通、远动、电量计费等提供64K 通道。
设备组成如下
设备分为公用单元和用户接口单元。
SMD-9D 设备的公用单元包括4 U 机框、电源板、交叉板。
电源板固定使用第18和第19槽位,该槽位与其它槽位不兼容,具有防误插功能。
配置两块电源板提供热备份功能。
交叉板固定在第9和第10槽位,该槽位与其它槽位不兼容,具有防误插功
能。
配置两块交叉板时提供热备份功能。
用户接口板卡包括二线语音接口板、4WE/M音频接口板、64K 同反相数据板、2M 接口板各1块。
2主要性能及参数1 主要性能
1用户接口的接入和管理功能2数据和信令的交叉连接功能3系统同步功能
4设备组网控制与管理功能2技术参数及指标
1工作电源
输入电压-36V ~-60V 标称值-48V
总功耗约50W (整机满配时的静态功耗)
2环境条件
储存温度-40℃~+70℃工作温度-10℃~+45℃工作湿度10%~90%
3 E1(2Mb/s)接口1)比特率2048Kb/s±50PPm
2)接口特性符合ITU-T G.703 接口码型HDB3
接口阻抗75Ω或120Ω可选,默认配置为75Ω3)帧结构符合ITU-T G.704 CAS/CCS信令4)抖动特性符合ITU-T G.823
4话路接口
1)抽样频率
2)编码律3)阻抗4)过载点
8KHz ±50PPm
A 律
600Ω
+14dBm
符合ITU-T G.712、G.713 符合ITU-T G.712、G.713
5)回波损耗
6)净衰减/频率失真
7)群失延频率失真符合ITU-T G.712、G.713 8)空闲噪声9)总失真符合ITU-T G.712、G.713
符合ITU-T G.712、G.713
10)幅度特性符合ITU-T G.712、G.713 11)单端串音12)稳定度损耗符合ITU-T G.712、G.713
符合ITU-T G.712、G.713
5 检验步骤及方法
PCM 设备投运后,除非紧急故障,否则不能停运。
PCM 设备检修时必须经省通信调度同意将连接的重要通道、电路做好迂回,保证重要通道和电路的正。