登高架设作业教案
- 格式:doc
- 大小:54.51 KB
- 文档页数:93
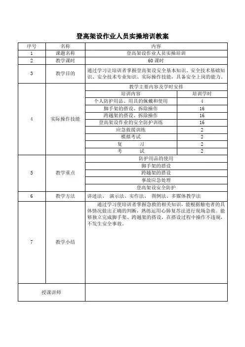
登高架设作业课程设计一、课程目标知识目标:1. 让学生掌握登高架设作业的基本概念,理解其工作原理和安全规范。
2. 使学生了解登高架设作业中使用的设备、工具及其正确使用方法。
3. 帮助学生掌握登高架设作业中常见的危险源和预防措施。
技能目标:1. 培养学生具备登高架设作业的初步操作能力,能够独立完成简单的登高架设任务。
2. 培养学生具备安全意识,能够识别登高架设作业中的安全隐患,并提出相应的解决措施。
3. 提高学生在团队协作中沟通与协调能力,确保登高架设作业的顺利进行。
情感态度价值观目标:1. 培养学生对登高架设作业的兴趣,激发他们学习相关知识的热情。
2. 培养学生尊重劳动、珍惜劳动成果的态度,增强他们的责任感。
3. 引导学生树立安全意识,养成遵守安全规范的良好习惯。
课程性质:本课程属于实践性较强的学科课程,结合理论知识与实际操作,注重培养学生的动手能力和安全意识。
学生特点:学生为初中年级,具有一定的认知能力和动手能力,对新鲜事物充满好奇,但安全意识较弱。
教学要求:结合课程性质、学生特点,注重理论联系实际,以实践操作为主,强化安全意识,确保学生在掌握知识技能的同时,能够树立正确的情感态度价值观。
通过分解课程目标为具体学习成果,为后续教学设计和评估提供明确依据。
二、教学内容1. 登高架设作业基础知识:- 登高架设作业的定义与分类- 登高架设作业的应用场景- 常见的登高架设设备与工具2. 登高架设作业安全规范:- 安全防护用品的正确选用与使用方法- 登高架设作业中的安全隐患及预防措施- 安全规范的遵守与监督3. 登高架设作业操作技能:- 简单登高架设任务的步骤与方法- 常见登高架设设备的操作技巧- 团队协作在登高架设作业中的应用4. 实践操作与案例分析:- 实践操作:组织学生进行简单登高架设任务的操作练习- 案例分析:分析典型登高架设作业事故案例,总结经验教训教学内容安排与进度:第一课时:登高架设作业基础知识学习第二课时:登高架设作业安全规范学习第三课时:登高架设作业操作技能学习第四课时:实践操作与案例分析教材章节关联:《劳动与技术》第四章:登高架设作业基础知识《劳动与技术》第五章:登高架设作业安全规范《劳动与技术》第六章:登高架设作业操作技能教学内容确保科学性和系统性,结合课程目标,注重理论与实践相结合,培养学生的实际操作能力和安全意识。
2024年大班体育教案登高一、教学内容本节课选自2024年大班体育教材第四章“勇敢攀爬”,详细内容包括登高运动的基本知识、技能训练以及安全注意事项。
具体涉及教材第4.3节“登高运动技巧”和第4.4节“登高运动安全”。
二、教学目标1. 让学生掌握登高运动的基本技巧,提高身体协调性和灵活性。
2. 培养学生勇敢、自信、团结协作的精神品质。
3. 增强学生的安全意识,学会在登高过程中保护自己。
三、教学难点与重点教学难点:登高技巧的掌握、身体平衡与协调、安全意识。
教学重点:登高技巧、安全防护措施、团队协作。
四、教具与学具准备1. 教具:教学挂图、示范视频、安全防护器材。
2. 学具:攀爬架、安全带、护具、防滑鞋。
五、教学过程1. 实践情景引入(5分钟)通过展示勇敢的消防员攀爬高楼救人的事迹,激发学生学习登高运动的兴趣。
2. 理论知识讲解(10分钟)讲解登高运动的基本技巧、安全防护知识以及注意事项。
3. 示范与模仿(10分钟)教师示范登高动作,学生进行模仿练习。
4. 例题讲解(5分钟)分析一个登高实例,讲解动作要领和安全防护措施。
5. 随堂练习(10分钟)学生分组进行攀爬练习,教师巡回指导。
6. 团队协作训练(10分钟)学生分组进行登高接力比赛,培养团队协作精神。
教师对学生的表现进行点评,强调动作要领和安全事项。
六、板书设计1. 登高运动技巧1.1 攀爬动作1.2 身体平衡1.3 安全防护2. 登高运动安全2.1 防护器材使用2.2 注意事项七、作业设计1. 作业题目:(1)简述登高运动的基本技巧。
(2)列举三种登高运动的安全防护措施。
(3)结合本节课所学,谈谈在登高过程中如何保护自己。
2. 答案:(1)登高运动基本技巧包括:攀爬动作、身体平衡、安全防护。
(2)三种安全防护措施:使用安全带、穿戴防滑鞋、遵循教练指导。
(3)保护自己:遵循安全规则、保持冷静、学会求助。
八、课后反思及拓展延伸1. 课后反思本节课学生参与度高,团队协作精神得到锻炼。
杜甫《登高》教案一等奖《杜甫《登高》教案一等奖》这是优秀的教案文章,希望可以对您的学习工作中带来帮助!1、杜甫《登高》教案一等奖教学目标1.整体把握诗歌,体会诗人沉郁苦痛的思想感情。
2.诵读并改写诗歌,学习杜诗语言凝练内涵丰富的特点。
3.赏析情景交融、气象恢宏的艺术特点教学重点、难点1.赏析首联中的意象为本文奠定的沉郁悲凉的基调。
2.赏析情景交融、气象恢宏的艺术特点教学课时:1课时教学步骤:一、导入新课1.创作背景(代导语)重阳节,是登高祈求长寿的节日。
可杜甫这位老人,一生坎坷,穷愁潦倒,似乎已经走到了生命的冬季。
而且此时,国家正处在战乱之中,他远离家乡,孤独地一个人在外漂泊。
当时杜甫身居夔州,已经五十六岁,长期颠沛流离的生活,加之心情抑郁忧愤,致使诗人身患重病。
重阳登高,老人百感千愁涌上心头,面对万里江天,面对孤独的飞鸟,面对衰败的枯树,无心游赏,触景伤怀,写下了这千古传唱的著名诗篇《登高》,抒发了自己的内心的无限悲苦。
2.作品特点:这是一首七言律诗,属于近体诗。
在章法上,它突破了一般律诗只有中间两联对偶的写法,而是四联皆对偶,被誉为“古今律诗第一”。
二、自读全诗1.诵读课文先听配乐朗诵录音,再正音正字,然后诵读课文。
2.注音渚(zhǔ)清作(zu)客霜鬓(bìn)浊(zhuó)酒3.词语注解①渚:水中的小洲。
②落木:落叶。
③萧萧:落叶纷纷的肃杀凄凉景象。
④作客:客居他乡。
⑤百年:犹言一生。
⑥潦倒:犹言困顿,衰颓。
⑦苦恨:甚恨,心中的恨事很多。
⑧繁霜鬓:形容两鬓头发斑白。
⑨新停:刚停。
这时杜甫正因病刚刚戒了酒。
⑩浊酒:未过滤的水酒。
4.诗歌翻译风急天高猿啸哀,——风急天高猿猴啼叫显得十分凄清,渚清沙白鸟飞回。
——水清沙白的河洲上空归鸟在飞旋。
无边落木萧萧下,——无边无际的落叶在萧萧地飘落,不尽长江滚滚来。
——流淌不息的长江水在滚滚地奔来。
万里悲秋常作客,——离家万里面对秋景悲叹自己常年漂泊他乡,百年多病独登台。
特种作业人员培训资料登高架设作业汕尾市安全生产宣传教育中心编印目录第一章安全生产基本知识 (1)第一节安全生产法律法规及标准 (1)第二节从业人员的权利和义务 (3)第三节登高架设作业基础知识 (4)第四节登高架设作业个人安全防护用品和用具的使用 (6)第二章脚手架安全知识 (8)第一节脚手架基础知识 (8)第二节常用脚手架安全知识 (11)第三节工具式脚手架安全知识 (12)第四节其他脚手架安全知识 (13)第五节常用模板支架安全知识 (15)第六节临边、洞口防护架安全知识 (16)第七节脚手架拆除安全知识 (17)第八节脚手架事故原因分析及预防措施 (18)第三章跨越架安全知识 (19)第一节跨越架基础知识 (19)第二节带电跨越架构造与搭设、拆除技术 (21)第三节跨越架封网 (21)第四节跨越架搭设、拆除安全防护知识 (22)第四章登高架设作业的安全管理 (22)第一节安全管理概述 (22)第二节登高架设作业人员安全管理制度和操作规程 (24)第三节脚手架、跨越架安全检查与验收 (25)第四节脚手架、跨越架安全管理 (25)第五节施工现场安全管理 (27)第五章施工现场事故预防与应急处置 (28)第一节事故应急预案及应急演练 (28)第二节事故现场急救知识 (28)第六章登高架设作业安全实际操作训练 (29)训练项目一:脚手架施工前的准备要求 (29)训练项目二:双排落地扣件式钢管脚手架现场搭设及拆除训练 (30)训练项目三:扣件式钢管脚手架部件的判废 (31)训练项目四:竹竿跨越架搭设与拆除 (31)训练项目五:小钢管跨越架搭设 (31)训练项目六:跨越架搭设与拆除 (32)训练项目七:跨越架搭设安全要求 (32)第一章安全生产基本知识第一节安全生产法律法规及标准1.特种作业的概念:是指容易发生人员伤亡事故,对操作者本人、他人及周围设施的安全可能造成重大危害的作业。
2.我国安全生产的基本方针:“安全第一、预防为主、综合治理”。
登高架设作业2011年6月20日前言登高作业的现场是施工的前沿阵地。
安全生产,文明施工都是从现场具体体现出来。
我们国家现行的行业中,伤亡事故最多的是矿山的登高作业;建筑的登高作业排行第二。
全国的建筑行业中,近几年来,每年因事故死亡的在10000人左右。
希望所有参与施工现场的管理人员和作业人员都要珍惜生命,牢记安全,永保安全,做到“三不伤害”一不伤害自己,二不伤害他人;三不被他人伤害。
电工作业、登高架设作业、金属焊接切割等一些特种作业容易发生伤亡事故,对操作者本人、他人及周围设施、设备的安全造成重大危害。
从统计资料分析,大量的事故都发生在这些事故中,而且多数都是由于直接从事这些作业的操作人员缺乏安全知识,安全操作技能差或违章作业造成的。
因此,加强直接从事这些作业的操作人员(即特种作业人员)的安全技术培训、考核非常重要。
接下来,我将着重给大家讲解有关登高架设的基本安全要求、安全防护和安全检查;建筑施工与安装维修登高架设作业的基础知识与安全技术等,并将着重介绍登高架设作业人员所必须掌握的新技术、新工艺、新设备等安全技术知识。
我曾经搞过几年的基建工作,深知安全的重要性,特别是登高作业的安全重要性。
当然,日常的工作也让我积累了很多的安全经验,我将随着理论的讲解,与大家一起联系实际,使我们这次培训更具有针对性,更能达到培训目的。
什么是登高作业呢?在施工现场,常常借助于登高用具或登高设施,在攀登条件下进行的高处作业,这类作业称攀登作业,亦称登高作业。
这类作业较易发生危险,因此,在编制施工组织设计时,应该考虑并确定施工所需要的各种登高和攀登设施。
一般地说,各种登高行动应尽量利用现成条件,如借助于建筑结构和脚手架上的登高梯道或载人的垂直运输设备,如施工用电梯等。
所以在整个施工工期内,所有各类人员的上下,都必须在规定的通道上行走,不允许在阳台之间等非正规通道作登高或跨越,也不能利用吊车臂架或脚手架杆件等施工设备进行攀登。
杜甫《登高》优秀教案设计(精选5篇)杜甫《登高》优秀教案设计(精选5篇)作为一位无私奉献的人民教师,总归要编写教案,教案有助于学生理解并掌握系统的知识。
那么大家知道正规的教案是怎么写的吗?以下是小编为大家收集的杜甫《登高》优秀教案设计(精选5篇),仅供参考,欢迎大家阅读!杜甫《登高》优秀教案设计篇1教学目标:通过对诗中意象的赏析,体会它塑造的意境通过对诗中关键字词的把握,来体会作者的思想感情教学重点、难点:体会诗歌中的意象为本文奠定了怎样的基调教学设想:对于诗歌的学习,学生总是感觉很茫然,似乎鉴赏诗歌没有规律可循。
通过对杜甫的《登高》一诗的鉴赏分析,以及对有类似特点的诗歌《送友人》的鉴赏,使同学们把握两点学习诗歌的规律,为他们以后学习与《登高》类似的诗歌时提供一些借鉴。
教学过程:导入:各位同学,前几天我们学习了《梦游天姥吟留别》这首诗,它的作者是唐朝伟大的浪漫主义诗人李白。
今天我们来学习另外一位伟大的现实主义诗人杜甫的作品《登高》。
作者简介:因为以前同学们都学过他的一些诗歌,所以对杜甫有所了解,哪位同学来向大家介绍一下你所了解的杜甫?杜甫,字子美,自号少陵野老。
后人又称他为杜少陵,又因他曾官至检校工部员外郎,后人又称他为杜工部。
他的作品大都收在《杜工部集》里。
他的诗歌因为多是反映现实生活的,所以又称他的诗为“诗史”。
他和李白、白居易一起被称为唐朝三大诗人。
杜甫一生不得志。
天宝四年(公元745年),他34岁时,抱着“至君尧舜上,再使风俗淳。
”的理想来到长安应试求官。
适逢奸相李林甫玩弄权术,应试人无一录取。
杜甫困守长安达十年。
又值安史之乱。
他颠沛流离。
闻唐肃宗在灵武即位,他前往投奔,被叛军捉住,押回长安。
后来逃出,一人到达唐肃宗的临时驻地凤翔,皇上授他左拾遗的官职。
上任不久,因为宰相房琯被罢官。
他上疏营救,触怒皇帝,被贬官到华州。
公元759年他辞官西行,到了四川,在成都西郊浣花溪畔盖了一座草堂,就是杜甫草堂,三年后川军叛乱,他又开始漂泊流浪。
《登高》名师教学说课稿5篇《登高》名师教学说课稿1一.说教材《登高》是高中语文必修3第二单元第五课《杜甫诗三首》的第三首.这个单元学习唐代诗歌.唐代是我国封建社会的鼎盛时期,政治开明,经济繁荣,文化上兼容并包,音乐绘画书法等艺术都有了长足的发展,这些都从不同方面对诗歌创作产生了积极影响.同时,诗歌本身的发展也趋于成熟,体裁扩大,诗体完备,诗家辈出,风格多样.唐诗体现了我国古典诗歌创作的成就,具有极大的社会认识意义和审美价值.《登高》是唐代伟大的现实主义诗人杜甫的一首代表性律诗.古人评价它是〝杜诗第一〞.〝古今七言律第一〞,可见其重要位置.这首诗充分体现了杜甫律诗〝沉郁顿挫〞的风格,具有极高的鉴赏价值.学好此诗,有助于提高学生的诗歌鉴赏能力.二.说教学目标新课程标准要求诗歌鉴赏要〝理解作品的思想内涵,探索作品的丰富意蕴,领悟作品的艺术魅力〞〝丰富自己的情感世界,健康高尚的审美情趣,提高文学修养〞.古诗如浩瀚之海,实现上述目标,让学生自己在诗的海洋里乘风破浪,应是最理想的选择.1.叶圣陶先生曾说〝诗要反复地读,词要低回地诵〞,引导学生在朗读中分析,在分析中理解,在理解中感悟,在感悟中总结鉴赏方法是本课的着力点.掌握方法,分析得更准,理解得更透,读得会更动情,感悟会更深刻,受益会更多.因此,我把学习诗歌鉴赏的一般方法,提高诗歌鉴赏能力作为本课的知识与能力目标.2.学生观决定教育观.让学生成为课堂主体,尊重学生个性,注重学生个性发展,是新课改的精神之所在.师生平等对话是一个不错的选择.因此我把教师主导下的多层对话作为本节课的过程与方法目标.3.教育的本质就是塑造人.让学生从杜甫〝穷年忧黎元,叹息肠内热〞的那种爱国爱民情怀中汲取一点精神养料,是本节课的情感态度和价值观培养的关注点.综上所述,本节课就是在师生平等对话中让学生去感受诗之美,领悟诗之情,学习诗之法.学习诗歌鉴赏的一般方法是教学重点,汲取诗人的精神养料是教学难点.三.说教法.学法1.在整节课的教学中,我会多处灵活运用诵读法.〝三分诗七分读〞,抓住朗诵,也就是抓住诗歌教学的〝牛鼻子〞.〝以声达意〞.〝以声移情〞.〝以声传情〞可带领学生较快地走近诗人,走进文本,感受诗情,触摸到融于诗歌中的诗人的情怀.2.新课程要求以学生为主体,教师为主导.我在鉴赏诗歌意象,体会情景交融艺术手法时,会运用自主探究法.学生将分组讨论,抓描写意象的关键词并体会其作用,从而突破教学重点.3.在体会诗歌的悲情美环节,我会恰当运用提问点拨法,指导学生思考,突破教学难点.4.运用多媒体,展示图片.影像资料.背景音乐,变抽象为直观,变无声为有声,丰富教学内容.四.说教学程序(一)用对联导入.民间疾苦笔底波澜;世上疮痍诗中圣哲.学生借助对对联的赏析,回味杜甫穷年漂泊的一生,体会杜甫作为一个深受儒家思想影响的读书人,忠君念阙,心系苍生的伟大情怀.(这一设计理念源于孟子所云:〝诵其文,读其诗,不知其人,可乎?是以论其世也.〞知人论世是鉴赏诗歌的第一步 )(二)研读课文1.初读,朗读吟诵,感知韵律美.要求学生读准字音,读懂句意,体会律诗的节奏.押韵的顺畅之美.2.再读,披词入情,感受感情美.让学生用一个字概括这首诗的情感内容.(此教学设计是从新课标要求的文学作品应先整体感知,培养学生归纳推理的逻辑思维能力出发进行的设计.) 其答案是一个〝悲〞字,由此辐射出两个问题:诗人因何而〝悲〞?如何写〝悲〞?(此问题设计顺势而出,目的在于培养学生探究问题的能力.)3.三读,展开想象,感悟意境美.诗的意境由多个意象构成.意象是诗人情感的载体,是诗歌的灵魂.引导学生张开联想和想象的翅膀去感受.去体验意象,是诗歌鉴赏的关键.王国维说:〝一切景语皆情语〞,让学生分组讨论分析首联.颔联共写了几种意象?(急风.天高.哀猿.飞鸟.落木.长江)分别用什么词描写?是如何达到情景交融的效果?(这一问题的设置,是让学生通过体会多个意象所构成的意境,深刻地感受到诗中所弥漫的悲情,从而对情景交融这一手法的理解也就水到渠成,这就初步突破了教学重点.)4.四读,品评词句,领悟悲情美.诗中有景有情,学生在入境之后,引导学生抓住颈联.尾联的关键词如〝悲〞〝客〞〝病〞〝苦恨〞〝酒杯〞等来领悟诗人悲壮而不伤感,愁苦而不消沉的情怀,突破教学难点.5.五读,感悟朗读,品悟音乐美.在深刻理解基础上的诵读是涵咏陶冶情操的途径.我将其分三步完成:先自由诵读,用心感悟,借声传情;再配乐朗诵,在悲凉的背景音乐中个别诵读,互相点评,互相欣赏;最后,播放名家范读,在倾听中将诗情融入心田,完成背诵.(设计意图:古语道:〝腹有诗书语自华〞,背诵一定数量的优秀作品对学生语文能力的提高是大有裨益的.这一环节的设置,就提高了学生背诵的积极性,实现当堂任务当堂完成.)(三)归纳赏诗之法.引导学生对本节课运用的诵读读法.意象分析法.知人论世法等诗歌鉴赏的方法做一归纳总结,完成由感性到理性的升华.(四)课堂练习.拓展延伸一堂成功的语文课,应是〝授之以渔〞,并让学生及时有效地学以致用,因此我设置一道课堂练习题,用多媒体展示《旅夜书怀》:1.分析首联〝细草微风岸, 危樯独夜舟〞中〝细草〞和〝孤舟〞两个意象的作用.2.怎样理解〝月涌大江流〞的内容和意境?(鉴赏程序相类似,旨在让学生学以致用,不再赘言.)五.说板书设计与课外练习1.(在教学过程中,我将形成以下的板书,这个板书可以帮助学生更完整的理解课文.)2.〝教是为了不需要教〞,一个务实的语文老师应该把学习的金钥匙交给学生,让学生通过课外大量的历练达到〝不需要教〞的目的.这节课,我布置了课外作业:任选一角度,对《登高》进行赏析,写出自己的独到见解.200字左右,完成在周记本上.《登高》名师教学说课稿2教学目标1.整体把握诗歌,体会诗人沉郁苦痛的思想感情.2.诵读并改写诗歌,学习杜诗语言凝练内涵丰富的特点.3.赏析情景交融.气象恢宏的艺术特点教学重点.难点1.赏析首联中的意象为本文奠定的沉郁悲凉的基调.2.赏析情景交融.气象恢宏的艺术特点教学课时:1课时教学步骤:一.导入新课1.创作背景(代导语)重阳节,是登高祈求长寿的节日.可杜甫这位老人,一生坎坷,穷愁潦倒,似乎已经走到了生命的冬季.而且此时,国家正处在战乱之中,他远离家乡,孤独地一个人在外漂泊.当时杜甫身居夔州,已经五十六岁,长期颠沛流离的生活,加之心情抑郁忧愤,致使诗人身患重病.重阳登高,老人百感千愁涌上心头,面对万里江天,面对孤独的飞鸟,面对衰败的枯树,无心游赏,触景伤怀,写下了这千古传唱的诗篇《登高》,抒发了自己的内心的无限悲苦.2.作品特点:这是一首七言律诗,属于近体诗.在章法上,它突破了一般律诗只有中间两联对偶的写法,而是四联皆对偶,被誉为〝古今律诗第一〞.二.自读全诗1.诵读课文先听配乐朗诵录音,再正音正字,然后诵读课文.2.注音渚(zhǔ)清作(zuò)客霜鬓(bìn)浊(zhuó)酒3.词语注解①渚:水中的小洲.②落木:落叶.③萧萧:落叶纷纷的肃杀凄凉景象.④作客:客居他乡.⑤百年:犹言一生.⑥潦倒:犹言困顿,衰颓.⑦苦恨:甚恨,心中的恨事很多.⑧繁霜鬓:形容两鬓头发斑白.⑨新停:刚停.这时杜甫正因病刚刚戒了酒.⑩浊酒:未过滤的水酒.4.诗歌翻译风急天高猿啸哀,——风急天高猿猴啼叫显得十分凄清,渚清沙白鸟飞回.——水清沙白的河洲上空归鸟在飞旋.无边落木萧萧下,——无边无际的落叶在萧萧地飘落,不尽长江滚滚来.——流淌不息的长江水在滚滚地奔来.万里悲秋常作客,——离家万里面对秋景悲叹自己常年漂泊他乡,百年多病独登台.——一生多病今天在寒秋中独自登临高台.艰难苦恨繁霜鬓,——艰难困顿可恨白发长满了双鬓,潦倒新停浊酒杯.——病苦潦倒只好停了浇愁的酒杯.三.自主赏析1.整体感知提问:这是一首写景抒情诗,从景和情两方面看,全诗是怎样的内容层次?明确:全诗分两层:前四句写景,描绘了一幅雄浑高远而又凄清悲凉的秋景.后四句抒情,抒发了诗人感时伤世的爱国情感和长年飘泊的孤苦愁绪.2.自主鉴赏.(给每联写一段不少于100字的赏析短文)首联两句,描写天高风急.秋气肃杀.猿啼哀啸.清清河洲.白白沙岸.鸥鹭低空回翔的景象,指明了时节和环境,渲染了浓郁的秋意,构成一幅登高远壮阔而又苍凉萧瑟的秋景图画,为全诗定下了哀婉凄凉的基调.对仗工稳,句法严谨,语言极为凝练.颔联从大处落笔,仰头写山景:落叶飘零,无边无际,纷纷扬扬,萧萧而下;俯视写江景:奔流不尽的长江,汹涌澎湃,滚滚奔腾而来.不仅使人联想到落木窸索之声,长江汹涌之状,也无形中传达出韶光易逝,壮志难酬的悲怆.同时让人想到生命的消逝与有限,宇宙的无穷与永恒.透过沉郁而又高昂的精工对句,显示着诗人出神入化的笔力,历来被视为千古佳句.颈联是诗人一生颠沛流离生活的高度概括.先横写〝万里悲秋常作客〞,再纵说〝百年多病独登台〞.一横一纵,承上启下,点出了全诗感时伤世.羁旅飘沦的主旨;表达了诗人内心深处的沉郁悲抑的感情.久客最易悲秋,多病独自登台.极为沉郁顿挫.宋代学者罗大经在《鹤林玉露》评说:〝万里,地之远也;悲秋,时之惨凄也;作客,羁旅也;常作客,久旅也;百年,暮齿也;多病,衰疾也;台,高迥处也;独登台,无亲朋也;十四字之间含有八意,而对偶又极精确.〞可见诗人内心深处是何等的愁苦沉痛.尾联两句是悲叹自己穷困潦倒孤苦寂寞的境遇和心情.出句写诗人备尝艰难之苦,白发丛生;对句写自己困顿潦倒,疾病缠身.国难家愁,只有借酒排遣,但又因多病不得不放下这浇愁的酒杯.〝艰难〞,既有国家的艰难,又有个人的苦难.他既忧国,忧民,又忧身.全诗就在这忧愤无奈的感叹声中收笔,悲愤深沉,而又寄意深远.四.教师总结1.主旨格凋这是一首最能代表杜诗中景象苍凉阔远.气势博大深沉的七言律诗.前四句写登高闻见之景,后四句抒登高感触之情.由情选景,寓情于景,浑然一体,充分表达了诗人长年飘泊.忧国伤时.老病孤愁的复杂感情.而格调虽沉郁顿挫,却也慷慨激越,誉为〝旷代之作〞(胡应麟《诗薮》).2.艺术特点:①联联对偶,句句押韵.四联句句押韵,皆为工对,且首联两句,又句中自对,可谓〝一篇之中,句句皆律,一句之中,字字皆律〞.给人以一种神清目爽整饰对称的美感,而且使全诗曲折顿挫,在抑扬有致的韵调中,表达出诗人需要抒发的感情.②写景抒情,笔法错综.写景,有工笔细描也有大笔写意,有动也有静,有声也有色.首联工笔细描,写出风.天.猿.渚.沙.鸟六种景物的形.声.色.态,每件景物均只用一字描写,却生动形象,精练传神.颔联大笔写意,传达出秋的神韵.鸟飞叶落是动,水渚岸沙是静.风急猿啼是声音,渚清沙白是颜色.抒情,既有纵的时间的着笔,写〝常做客〞的追忆;也有横的空间的落墨,写〝万里〞行程后的〝独登台〞.从一生飘泊,写到余魂残骨的飘零,最后将时世艰难归结为潦倒不堪的根源.这样错综复杂手法的运用,把诗人忧国伤时,老病孤愁的苍凉,表现得沉郁而悲壮.五.巧学精练阅读杜甫的《登高》,完成1.2题.登高风急天高猿啸哀,渚清沙白鸟飞回.无边落木萧萧下,不尽长江滚滚来.万里悲秋常作客,百年多病独登台.艰难苦恨繁霜鬓,潦倒新停浊酒杯.1.对这首诗的赏析,不恰当的一项是(答B无拟人手法)A.诗人开篇用十分凝炼的语言,描写了富有特征的六种景物,使形态.声音.色彩一一得到了表现.B.颔联采用了拟人衬托的手法,借〝落木〞.〝长江〞喟叹生命短暂,而时间无穷.C.颈联的〝万里〞〝百年〞与颔联的〝无边〞〝不尽〞有相互呼应的作用.D.结尾的两句分承〝作客〞和〝多病〞.诗人一生颠沛流离,坎坎坷坷.这里既有国家的艰难,又有个人的苦难,含蕴丰厚.2.〝宽心应是酒,遣兴莫过诗〞老杜以诗酒为生涯,写过许多与酒有关的词句,请指出下列与例句不同类的一项(答C表达的是畅快之情.A.B和例句一样,表达的是愁思悲苦之情)A.重阳独酌杯中酒,抱病起登江上台.B.酒债寻常行处有,人生七十古来稀.C.白日放歌须纵酒,青春作伴好还乡.《登高》名师教学说课稿3【教学目标】1.知识与技能(1)了解诗人杜甫的生平经历及写作背景,学会运用知人论世的赏析诗歌的方法更加透彻地品味诗人的写作目的.(2)学会运用缘景明情的赏析诗歌的方法,由找意象入手,把握诗歌营造的意境,进而体会诗人所要表达的情致.(3)借助诵读,在讨论赏析中品味诗人丰富复杂的情感,领会诗人感时伤世,忧国忧民的爱国情怀.(4)能够在品读完诗歌之后,写一篇品读感悟,进行总结交流,进而加深对诗人及诗文内容的理解.2.过程与方法(1)利用板书回顾诗歌鉴赏的方法,让学生找到鉴赏古诗的钥匙.(2)利用多媒体创设情境,带领学生走进诗歌,品味诗境.(3)能够通过多媒体展示的诗中情景,表达自己对杜甫诗歌的体验和感受,形成自己的见解.(4)能够仔细倾听其他同学的发言,通过讨论.评点等方法把对课文的理解感悟用语言表达出来形成鉴赏文字,体验合作学习的过程和方法.3.情感态度价值观(1)理解诗人的忧国忧民的高尚情怀,培养爱国情怀.(2)提高诗歌鉴赏能力,汲取古代文化深厚的养料,提升审美能力,涵养情趣.【教学重点】1.掌握从意象.意境入手进而把握诗歌情感的方法.2.结合知人论世的鉴赏方法,理解诗人沉郁苦痛的情感.【教学难点】领会诗人悲自然之秋.人生之秋到悲国家.社会之秋的深沉的忧国忧民的博大胸襟和志士情怀.【教学方法】诵读法.分析讨论法【课时安排】1课时【教学步骤】一.温故知新上新课之前,我们先来回顾几个问题:诗人写诗的目的是什么?诗言志.读者读诗的最终目的是什么?明志.如何才能品味出诗人所要表达的情感?上节课我们在上《秋兴八首》时已经学习了鉴赏诗歌的两种方法?知人论世,由景入情.如何赏析景色?找意象.明意境,从而由景入情,深入品味诗歌的思想情感.二.学以致用今天,我们要用同样的方法来品读杜甫的另外一首诗《登高》.(一)知人论世首先,我们运用知人论世的方法先对作者的生平经历及写作背景做一个了解.请同学们回顾上《秋兴八首》时,我们了解到的诗人的生平经历及写作背景.少年满怀〝兼济天下〞的壮志,中年怀才不遇.壮志难酬,晚年遇战乱过着四处漂泊无依的羁旅生活.正是因为杜甫的生平遭遇,特别是晚年漂泊困顿的悲惨境况,才有了他沉重的哀愁.(二)熟悉诗文一读诗歌,请同学们自行阅读,疏通字音.二读诗歌,播放配乐朗诵,请同学们默读诗歌,初步品味诗歌的情感基调.三读诗歌,请同学们带着感情诵读诗文.(三)品读诗文1.通过朗诵,同学们不难发现这首诗在内容结构上有什么特点?明确:前两联写景,后两联抒情.这和《秋兴八首》一样,是一篇很典型的触景生情,借景抒情之作.就让我们运用由景入情的鉴赏方法,从诗人所描写的景色起步,走进他丰富的内心世界.2.如何赏析景色描写?找意象——明意境3.请同学们再次齐读写景部分,以小组为单位进行讨论,动笔回答以下问题:(教师巡回指导约5分钟)①诗人选取了哪些意象?②这些意象组合在一起,为我们营造了一种怎样的意境?赏析讨论明确:意象:急风.高天.哀啸的猿.清渚.白沙.飞回的鸟.无边萧萧下的落木.不尽滚滚而来的长江.意境——凄清.冷寂.悲凉却又高远.雄浑.壮阔.4.思考:如何理解这种既凄清.冷寂.悲凉却又高远.雄浑壮阔的意境,两者是否矛盾?让学生发挥想象,看图,感受,此时此刻广阔的天地中,一位老迈.体弱多病.满头白发的老者,拄着拐杖,孤身一人站在山顶,顶着呼啸而过的凛冽的寒风.让我们感受到什么?——悲凉.这幅画面是如何让我们感受到悲凉的?小结:运用到反衬的手法,天地越宽阔,就显得诗人越渺小,从而让我们感受到悲凉.两者非但不矛盾,而这正是由景入情的体现,越是广阔之景,越是让人觉得渺小,借助宏大的空间凸显渺小的个体,从而引发悲伤的情绪,以阔景衬哀情.总结:写景部分诗人借哀景衬托哀情,借阔景反衬哀情,这正是由景入情的鉴赏手法.5.我们带着这种感受再来齐读一下写景部分.6.通过找意象.明意境,目的何在?明确:悟情感.面对此景此情,真是叫人情何以堪,让我们看了都会对杜甫心生悲悯之情,更何况是身临其境的杜甫呢?面对此情此情,他的心中又会引发何种感悟呢?7.由景入情,接下就请同学们齐读下抒情片段,让我们来看看此时的让我们如此心生悲悯之心的杜甫所感受到的是一种什么样的情绪?明确:感伤.8.具体感伤什么?总结:1.长久漂泊异乡——万里.常作客2.年老多病——百年多病.繁霜鬓3.孤独无依——独4.万物凋零之秋——悲秋5.生活困窘——艰难.潦倒9.思考:〝艰难〞〝潦倒〞是不是仅仅指诗人自己生活的艰难与潦倒?通过知人论世的方法,明确:不仅指自己,还指国家命运的艰难.百姓生活的潦倒.我们不难发现杜甫所具有的那种心系天下的广博的胸襟与志士情怀,他把自己的人生悲苦与国家的悲苦.天下的悲苦紧紧地联系到了一起.10.探讨:这种对天下苍生的大忧.大悲只是一时的冲动?只是短暂的瞬间吗?他的这种愁苦到达了一种什么样的程度呢?如何解读〝潦倒新停浊酒杯〞?思考:①诗人为什么要喝酒?——借酒消愁.②诗人为什么要停止喝酒?——危及生命(肺病)③猜想:诗人是否停止喝酒?如何解读?哪种表达效果好?不得已停止喝酒——如此愁苦,本想戒酒消愁的,无奈却因为年迈多病不得不戒酒,当然也可能因为穷困万分以致无法喝酒,心中万千愁绪无法排解,这就更令人愁苦不堪,而诗歌至此就戛然而止了,诗人似乎还有千言万语,万语千言要向世人诉说,但却又不说了.人在忧愁苦闷的时候,如果能够向人尽情诉说,或许可以排解一些苦闷,而诗人却不说了.不是不想说,也不是不能说,而是心中的愁苦太多太重,说也说不完,诉也诉不尽,所以索性不再说下去了.这就为读者的进一步体会,进一步感受留下了无限广阔的空间.没有停止喝酒——必须停酒,但是无法做到,因为悲愤实在是压得他喘不过气来,只能通过喝酒来略微地舒缓他的忧愤,这就意味着杜甫,在自己的生命与国家.人民的大义面前,他义无反顾地选择了国家.人民.由此可见他对天下苍生的忧愁不是一时兴起,而是一种深沉的.沉重的情感.在自己身处逆境之时,仍然能够有心系天下的气度,这不是每个人都可以做的到的,这是一种难能可贵的品质.这是何等的豪情.这是何等的伟大.总结:杜甫具体在悲叹什么?悲——自然之秋.人生之秋.国家社会之秋.由悲自然——悲自身——悲天下苍生.当我们还在感伤杜甫的可怜,对他投以怜悯的目光之时,他却如此的豁达与超脱,超越了自身的苦难,心系着天下苍生的苦难,这是何等的伟大的情怀.小结:没有停止喝酒更能够反应诗人忧愁之深重.沉重._.品读完之后写感悟:此时此刻,当我们品读完这首诗歌之后,再回过头来看看刚才让我们对杜甫心生怜悯之情的那幅图,我们又有了怎样一番新的感悟?请同学们写一写,谈一谈.教师心得:此时此刻,当我再来看这幅画时,当天高地阔中,再次出现一位满头白发.年老多病.拄着拐杖的老者,独自对抗着咧咧寒风时,我对他突然之间少了一份怜悯,而多了一份敬佩.他看起来似乎不再那么弱小.渺小,而是那么的强大与坚毅,独自在朗朗乾坤之中屹立不倒,只为他有着一颗敢为天下而死的博大的情怀,这是这样的一种豁达.这是怎样的一种伟大.三.巩固训练《秋兴八首》《登高》都是由景入情的杰作,前者首联颔联写巫山巫峡的萧森气象,颈联和尾联由景生情,抒发感慨,做到了情景的有机融合.后者首联颔联写秋日登高所见之景,苍凉阔大,颈联尾联写登高感触之情,沉郁悲壮,也做到了情景交融.我们再来看一首杜甫的诗歌,用本节课你掌握的由景入情的方法来解读鉴赏.春望国破山河在,城春草木深.感时花溅泪,恨别鸟惊心.烽火连三月,家书抵万金.白头搔更短,浑欲不胜簪.注:安史之乱第二年,长安沦陷.杜甫赶赴灵武见唐肃宗,路上被安史叛军俘虏,押送到沦陷后的长安.该诗作于次年三月.全篇忧国,伤时,念家,悲己,显示了诗人一贯心系天下.忧国忧民的博大胸怀.这正是本诗沉郁悲壮.动慨千古的内在原因.思考:请找出这首诗中前两联描写的意象,分析其营造一种什么样的意境,表达了何种情感.被攻破的国家.草木丛生荒破的城池.悲怆溅泪的鲜花,离别惊心的孤鸟,营造了一种国破城荒的萧索悲凉意境.表达出诗人亡国之悲,离别之恨,体现出诗人的爱国之情.四.布置作业:继续背诵《杜甫诗三首》,完成课后练习.《登高》名师教学说课稿4《登高》教案【教学目标】:1.了解杜甫的生平及本诗的写作背景;2.感受诗人深沉的苦痛和无尽的哀思;3.掌握诗歌鉴赏的一般方法:(1)掌握诗歌吟诵的基本方法;(2)掌握由意象品味诗歌意境的鉴赏技巧;【教学重点】:1.掌握由诗歌意象品味诗歌意境的技巧;2.赏析诗歌情景交融的艺术特点.【教学难点】:走进诗人的情感,感受诗人深沉的苦痛和无尽的哀思.【教法学法】:1.教法:情境渲染.朗读指导.提问法.鉴赏指导.联想触发等.2.学法:想象法.美读法.思考探究法.能力迁移训练等.【教学安排】:一课时.【教学流程】:。
登高(人教版) 教案教学设计共3篇登高(人教版) 教案教学设计1登高(人教版) 教案教学设计一、教学目标1. 能够理解诗歌中的情感和思想,并运用相关知识分析、理解和欣赏诗歌。
2. 能够积累和运用一些诗歌中的词汇、语言结构和修辞手法等知识,从而提高阅读理解和语言运用能力。
3. 能够自主思考和发展对文学和生活的认识和感悟,培养个人审美情趣和文化素养。
二、教学内容本节课将以文言诗《登高》为教材,通过文本解读、语感体验、赏析讲解等多种教学手段,帮助学生全面掌握课文的语言表达和思想内涵,提高学生的阅读能力和审美素养。
三、教学重点1. 了解并理解文言诗的语言形式和表达特点。
2. 理解和领悟诗歌所表现出的思想和情感。
3. 运用相关知识和语言技能欣赏和解读文言诗。
四、教学难点1. 初步接触和理解文言诗的复杂性和奥妙性。
2. 在诗歌理解和表达过程中,学生需要掌握一定的语言和文学知识和技巧。
五、教学过程1. 导入环节通过富有感染力的语言和形象生动的图片,激发学生对登高活动的无限憧憬和热情,增强对本节课的学习兴趣和积极性。
2. 正文环节1) 文本解读a. 师生互动,尝试了解文言诗的语言特点和表达方式,为之后的理解奠定基础。
b. 针对难以理解和复杂的句子和词语,采取举例讲解、语境翻译等方式进行解释,帮助学生整体把握文本。
2) 语感体验a. 针对诗歌中的一些形象和意象,师生试着让学生利用自身感性和想象力,从中感受到诗人的情感和思想。
b. 学生们用自己的语言描述自己的感受和理解,与他人分享,促进交流和互相学习。
3) 赏析讲解a. 对文学表现的具体手法和效果进行讲解,如比喻、对仗、押韵等。
b. 师生一起评价、欣赏、评析和批评诗歌,培养学生的审美情感和文化素养。
3. 教学结语总结本节课的内容和成果,强调学生需要长期关注和参与文学素养的培养,促进他们对文学和生活有更深的认识和感悟。
六、教学资源1. 电子黑板或投影仪等教学设备。
2. 相关书籍和参考资料。
登高架设作业人员职业资格培训教案基础知识部分登高架设作业的基本知识第一节高处作业及登高架设作业的定义和种类“凡在坠落高度基准面2m以上(含2m)国家标准GB3608----83《高处作业分级》规定:有可能坠落的高处进行作业,都称为高处作业”。
一、高处作业的定义及种类高处作业高度:作业区各作业位置至相应坠落高度基准面之间的垂直距离中的最大值,称为该作业区的的高处作业高度。
基准面:所谓基准面,是指由高处坠落达到的底面。
面底面也可能高低不平,所以对基准面的规定的最低着落点。
1、高处作业的级别:一级:2~5米,二级:5~15米,三级:15~30米,特级:30米以上。
2、高处作业的种类:一般高处作业和特殊高处作业。
特殊高处作业包括:在阵风风力六级(风速10.8m/s)以上的情况下进行的高处作业,称为强风高处作业。
在高温或低温情况下进行的高处作业称为异温高处作业。
降雨时进行的高处作业,称为雨天高处作业。
降雪时进行的高处作业,称为雪天高处作业。
室外完全采用人工照明时进行的高处作业,称为夜间高处作业。
在接近或接触带电的条件下进行的高处作业称为带电高处作业。
在无立足或无牢靠立足的条件下,进行的高处作业,称为悬空高处作业。
对突然发生的各种灾害事故,进行抢救的高处作业,称为抢救高处作业。
在化工企业内下列情况为化工工况高处作业:凡是框架结构化工生产装置,虽有护栏,但工作人员进行非经常性作业时有可能发生意外的视为高处作业。
在无平台、护栏的塔、釜、炉、罐等化工设备、架空管道、汽车、特种集装箱上进行作业时视为高处作业。
在高大塔、釜、炉、罐等化工设备内进行登高作业视为高处作业。
作业下部或附近有排液沟、排放管、液体贮池、熔融物或在易燃、易爆、易中毒区域等部位登高作业视为部位登高作业。
化工企业高处作业必须做到:高处作业人员必须严格遵守执行国务院《建筑安装工程安全技术规程》中有关规定,化工部颁发的《安全管理制度》第十二章第四节及当地劳动部门制定的有关高处作业的安全规定。
大班体育教案登高一、教学内容本节课选自《幼儿园大班体育活动指导手册》第五章“空间感知与协调”,详细内容为第三节“登高活动”。
通过该章节的学习,幼儿能在游戏中体验登高的乐趣,提高空间感知能力和身体协调性。
二、教学目标1. 让幼儿掌握基本的攀爬技能,提高身体协调性和灵活性。
2. 培养幼儿勇敢、自信的品质,增强团队合作意识。
3. 培养幼儿对空间高度的认识,提高空间感知能力。
三、教学难点与重点1. 教学难点:攀爬技能的掌握,空间高度的判断。
2. 教学重点:身体协调性、灵活性的培养,勇敢、自信品质的塑造。
四、教具与学具准备1. 教具:登高架、平衡木、绳网、海绵垫子。
2. 学具:每人一套攀爬装备(护具、绳索、挂钩)。
五、教学过程1. 实践情景引入(5分钟)教师以“小猴摘桃”的故事为背景,引导幼儿进入实践情景。
小猴子们要过河摘桃子,需要通过登高来完成任务。
2. 热身活动(5分钟)教师带领幼儿进行简单的热身运动,如跳绳、捉迷藏等,活动全身关节,提高身体灵活性。
3. 技能讲解与示范(5分钟)教师详细讲解攀爬技能,并现场示范。
重点强调动作要领、安全事项。
4. 例题讲解(5分钟)教师通过设置一个简单的攀爬场景,讲解攀爬过程中的动作要领,如手脚并用、身体紧贴登高架等。
5. 随堂练习(10分钟)幼儿分组进行攀爬练习,教师巡回指导,纠正动作错误,强调安全事项。
6. 游戏环节(10分钟)教师组织“小猴摘桃”游戏,幼儿分组进行比赛,提高攀爬技能,增强团队合作意识。
7. 放松活动(5分钟)教师带领幼儿进行简单的放松运动,如瑜伽、舞蹈等,缓解肌肉紧张。
六、板书设计1. 大班体育教案——登高2. 内容:a. 空间感知与协调b. 登高技能c. 身体协调性、灵活性d. 勇敢、自信、团队合作七、作业设计1. 作业题目:画出你在登高过程中的样子。
2. 答案:幼儿根据自身攀爬经历,画出攀爬时的动作和表情。
八、课后反思及拓展延伸2. 拓展延伸:鼓励幼儿在家中进行简单的登高活动,如爬楼梯、攀爬家具等,增强空间感知能力和身体协调性。
登高教案分享6篇教师在授课之前需要准备好教案和课件,只要提前编写好教案和课件,就能够顺利上课。
教师在上课时会按照教案和课件来进行教学。
本文由小编撰写,介绍的主题是“登高教案”,希望这些内容能够对你的学习和工作带来帮助,让你更加快乐。
登高教案(篇1)教学目标知识目标◆学习《登高》了解咏怀诗情景交融的特点。
◆学习《蜀相》了解咏史诗借古伤今的特点。
能力目标◆通过参照对比,学会鉴赏作品,进而体会杜甫沉郁顿挫的诗歌风格◆把握重点词语,分析景物意象,体味作者的思想感情和作品的深层意蕴。
情意目标◆感受诗人忧国忧民的情操和对理想境界追求的精神。
教学设想1.通过比较、涵咏,赏读结合,揣摩诗歌的丰富意蕴,体会诗人的风格特征。
2.点拨、讨论、讲析相互结合,积极调动学生参与意识。
3.拟采用屏幕投影的方式,准备与诗歌内容相近的风景图片及相关的诗词、资料,达到形象、直观的效果,并扩大课堂的容量。
4.教学用时:一课时。
教学重点难点1.重点:引导学生学会涵咏鉴赏诗歌,提高审美能力和审美品位。
2.难点:理解杜甫,真正领会诗人博大的胸襟、体会出诗中郁勃的情势。
教学过程设计步骤教师活动学生活动设计意图诵读感知觅得诗趣【投影】课前投影杜甫肖像,配乐。
【提问】知道他是谁?熟悉他的诗吗?请几位同学读一句你最喜爱的杜甫写的诗。
【讲述】这是一位距今一千二百多年前的诗人,一位用他的诗歌感染了一代又一代心灵的诗中圣哲。
他是仁爱传统精神的集大成者,他是辉煌唐诗队伍的领军人物,他是目光敏锐烛照黑暗的孤独的歌手,他是上下求索壮志难酬的执著的斗士。
今天我们通过他的两首诗作《登高》和《蜀相》,一起走近杜甫,去领略一位伟大诗人的人格魅力,去体会一位天才诗人的艺术天赋。
【板书】蜀相登高【投影】简介杜甫杜甫(712—770),字子美,自称少陵野老,京兆杜陵人,唐代大诗人。
他创作的许多诗歌,显示了唐代由盛转衰的历史过程,因而称为“诗史”。
著有《杜工部集》。
尽得古今之体势,而兼人人之所独专矣——[唐]元稹穷高妙之格,极豪逸之气,包冲淡之趣,兼俊洁之姿,备藻丽之态,而诸家之所不及。
登高架设培训教案教案标题:登高架设培训教案教学目标:1. 了解登高架设的基本原理和安全要求。
2. 掌握登高架设的基本操作技能。
3. 提高学生对登高架设的安全意识和风险防范能力。
教学内容:1. 登高架设的定义和分类。
2. 登高架设的基本原理和结构特点。
3. 登高架设的安全要求和操作规范。
4. 登高架设的常见故障及应急处理方法。
教学过程:1. 导入:通过图片、视频等形式展示不同类型的登高架设,引发学生对登高架设的兴趣。
2. 理论讲解:介绍登高架设的基本原理、结构特点和安全要求,引导学生了解登高架设的重要性和必要性。
3. 操作演示:老师进行登高架设的操作演示,重点讲解正确的操作步骤和注意事项。
4. 学生实践:学生分组进行登高架设的实际操作,老师和助教进行指导和监督。
5. 总结反思:学生总结操作中遇到的问题和解决方法,老师进行总结和反思,强调安全意识和风险防范能力的重要性。
教学评估:1. 学生操作表现评估:观察学生在实际操作中的操作技能和安全意识。
2. 学生理论知识掌握评估:进行小测验或问答,检验学生对登高架设的理解和掌握程度。
3. 教学效果评估:通过学生的实际操作和表现,以及课后的反馈意见,评估教学效果和改进方案。
教学建议:1. 注重安全教育:在教学过程中始终强调登高架设的安全要求和操作规范,引导学生养成安全意识。
2. 实践操作为主:学生通过实际操作才能真正掌握登高架设的技能,因此实践操作应占据教学主体。
3. 灵活运用教学手段:可以结合多媒体教学、案例分析等形式,增强教学内容的生动性和趣味性。
通过以上教案的设计和实施,学生将能够全面了解登高架设的基本原理和操作技能,提高对登高架设的安全意识和风险防范能力,为今后的工作和生活奠定坚实的基础。
教案名称:高处架设作业安全培训教案任课教师:杨唯梅磊第一章登高架设作业的基本知识第一节高处作业及登高架设作业的定义与种类一、教学目的及要求:目的:了解登高架设作业的含义和基础知识;要求:记清楚登高架设作业的种类和高处作业的分级等。
二、教学学时安排学时:8学时三、教学方法:讲述、讨论四、教学重点:熟悉登高架设作业的定义和种类五、教学内容1、高处作业的定义术语;2、登高架设作业的定义(指搭设钢管或竹,木杆件构成的施工作业操作(又称架子)及分类;按架杆配件材料和连接方法分(六)类,按用途划分(四类),按设置部位分(两类),按设置状态分(五类)等。
六、教学小结了解熟悉登高架设作业的概念及基本知识七、作业思考题1、什么是高处作业。
2、登高架设作业的种类是什么种类、如何分类。
教案名称:登高架设作业安全培训教案任课教师:杨唯梅磊第二节:登高架设作业力学常识一、教学目的及要求:对架子工讲解一般的力学知识,要求并掌握一般的力学。
二、教学学时安排:安排4个学时三、教学方法:采用讲述、板书、画图方法。
四、教学重点:1、力的三要素2、力的单位如何表示3、力的合力与分力4、荷载概念、内力、应力、强度极限、允许应力与安全系数等。
五、教学内容:①力的概念、三要素②力的平衡③杆件的变形④荷载⑤内力⑥应力与强度极限⑦允许应力与安全系数⑧稳定与丧失稳定性⑨几何组成稳定性⑩高处坠落和物体打击的预防。
六、教学小结:力学常知对脚手架安全保证不可缺少的环节。
七、作业题:①力的三要素②什么是作力的合成,什么是作力的分解③杆件的主要变形形式有哪几种④脚手架上的施工荷载是如何传递的。
教案名称:登高架设作业安全培训教案任课教师:杨唯梅磊第二章:登高作业的安全基本要求一、教学目的、要求:通过培训学习,使学员真正认识安全施工的重要性,熟悉脚手架的作用与要求,及组成和安全技术,事故预防。
二、教学学时安排学时安排6个学时,现场实习(训)3个学时。
三、教学方法:面授、实训场地(实习)等,现场讲述(解)四、教学重点:掌握熟悉安全施工,操作有关规定,安全生活有关法律法规五、教学内容:(一)基本规定:共十条基本规定:1、施工单位在制定施工方案时,必须将预防高处坠落列为安全技术措施的重要内容。
登高架设作业教学者: 高天才2 011年6月20日前言登高作业的现场是施工的前沿阵地。
安全生产,文明施工都是从现场具体体现出来。
我们国家现行的行业中,伤亡事故最多的是矿山的登高作业;建筑的登高作业排行第二。
全国的建筑行业中,近几年来,每年因事故死亡的在10000人左右。
希望所有参与施工现场的管理人员和作业人员都要珍惜生命,牢记安全,永保安全,做到“三不伤害”一不伤害自己,二不伤害他人;三不被他人伤害。
电工作业、登高架设作业、金属焊接切割等一些特种作业容易发生伤亡事故,对操作者本人、他人及周围设施、设备的安全造成重大危害。
从统计资料分析,大量的事故都发生在这些事故中,而且多数都是由于直接从事这些作业的操作人员缺乏安全知识,安全操作技能差或违章作业造成的。
因此,加强直接从事这些作业的操作人员(即特种作业人员)的安全技术培训、考核非常重要。
接下来,我将着重给大家讲解有关登高架设的基本安全要求、安全防护和安全检查;建筑施工与安装维修登高架设作业的基础知识与安全技术等,并将着重介绍登高架设作业人员所必须掌握的新技术、新工艺、新设备等安全技术知识。
我曾经搞过几年的基建工作,深知安全的重要性,特别是登高作业的安全重要性。
当然,日常的工作也让我积累了很多的安全经验,我将随着理论的讲解,与大家一起联系实际,使我们这次培训更具有针对性,更能达到培训目的。
什么是登高作业呢?在施工现场,常常借助于登高用具或登高设施,在攀登条件下进行的高处作业,这类作业称攀登作业,亦称登高作业。
这类作业较易发生危险,因此,在编制施工组织设计时,应该考虑并确定施工所需要的各种登高和攀登设施。
一般地说,各种登高行动应尽量利用现成条件,如借助于建筑结构和脚手架上的登高梯道或载人的垂直运输设备,如施工用电梯等。
所以在整个施工工期内,所有各类人员的上下,都必须在规定的通道上行走,不允许在阳台之间等非正规通道作登高或跨越,也不能利用吊车臂架或脚手架杆件等施工设备进行攀登。
高空作业安全操作规程,包含高空作业对人的安全要求、对物的安全要求、及防护的规定,同时同事故案例的分析,以达到深刻的教育目的。
登高作业的分类:1、建筑登高作业;2、安装维修登高作业;3、高处悬挂作业;一、高处作业主要危害因素:1、未设置安全防护、无防护措施2、未正确佩戴个人防护用品3、任意抛投工具、物料二、可能导致的事故:高空坠落、物体打击三、安全操作规程:(2m 以上有可能坠落的高处作业)1、一般规定:(1)从事高空作业要定期体检。
经医生诊断,凡患高血压、心脏病、贫血病、癫痫病以及其他不适于高空作业的,不得从事高空作业。
并持证上岗。
(2)高空作业衣着要灵便、禁止穿硬底和带钉易滑的鞋。
(3)高空作业所用材料要堆放平稳,工具应随手放入工具袋(套)内。
上下传递物件禁止抛掷。
(4)遇有恶劣气候(如风力在六以上)影响施工安全时,禁止进行露天高空、起重和打桩作业。
教学时间: 2011年6月21日教学内容:登高架设作业的基本知识授课人: 高天才教学课时: 三课时教学目的: 通过教学让受教者了解并明白高处作业及登高架设作业的定义与种类、登高架设作业力学常识以及高处坠落和物体打击的预防教学难点: 登高架设作业的力学常识教学过程:第一课时第一节:高处作业及登高架设作业的定义与种类一、高处作业定义:凡在坠落高度基准面2m以上(含2m)有可能坠落的高处进行的作业,均称为高处作业。
(1)、基准面:是指由高处坠落达到的底面。
而底面也有可能高低不平,所以对基准面的规定是最低着落点。
(2)、高处作业高度:作业区各作业位置至相应坠落高度基准面之间的垂直距离中的最大值,称为该作业区的高处作业高度。
(一)、高处作业的级别:一级高处作业:作业高度在2~5m时。
二级高处作业:作业高度在5m以上至15m时。
三级高处作业:作业高度在15m以上至30m时。
特级高处作业:作业高度在30m以上时。
(二)、高处作业的种类:分为一般高处作业和特殊高处作业两种。
特殊高处作业又包括以下类别:强风、异温、雪天、雨天、夜间、带电、悬空、抢救等高处作业。
(三)、标记:高处作业的分级以级别、类别和种类进行标记。
一般高处作业标记时,写明级别种类;特殊高处作业标记时,写明级别和种类,种类也可省略不写。
例: 一级,强风高处作业二级,异温、悬空高处作业三级,一般高处作业(四)、坠落半径:是指可能坠落范围的半径。
不同高度h其坠落半径R分别为:当高度h为2~5m时,坠落半径R为2m;当高度h为5m以上至15m时,坠落半径R为3m;当高度h为15m以上至30m时,坠落半径R为4m;当高度h为30m以上时,坠落半径R 为5m。
二、登高架设作业的定义及分类(一)、登高架设作业的定义:是指搭设钢管或竹、木杆件构成的施工作业操作架子。
(二)、登高架设的种类:1、按脚手架的用途划分为四类(P书3页)。
2、按脚手架设置部位划分为两类:外脚手架和内脚手架。
3、按脚手架的设置状态划分为五类(P书4~5页)。
4、按脚手架杆配件材料和连接方式划分为六类(P书5页)。
思考题:1、说出高处作业的定义和种类。
2、说出登高架设作业的定义和种类。
第二课时第二节:登高架设作业力学常识一、力的平衡:在两个或两个以上的力的作用下,物体保持不动,这种情况就叫做力的平衡。
二、杆件的变形1、拉伸:受到大小相等方向相反的两个向外的力的作用。
2、压缩:受到大小相等方向相反的两个向内的力的作用。
3、弯曲:受到垂直于轴线方向的外力作用。
4、剪切:受到大小相等方向相反,作用线距离很近的力(剪力)的作用。
(如铆钉铆住的两块钢板,P书6页图示)三、荷载:建筑物在施工中和在使用中所受到的各种力称为荷载,有静荷载(永久荷载)和动荷载(临时荷载)两种。
四、内力:当外力作用在物体上时,物体因外力的作用会发生变形,物体变形时内部各部分之间即发生相对位置的改变,由此而引起的相互作用就是内力。
五、应力与强度极限应力:杆件单位面积上所受的力,它的单位是N/cm2。
杆件截面上所能承受的最大应力,也就是物体开始破坏时的应力,就是杆件的强度极限。
六、允许应力与安全系数1、允许应力:根据材料的种类和受力情况,规定出材料的允许承受的最大应力,这个规定的应力就叫做允许应力。
2、安全系数:允许应力低于强度极限的倍数就是安全系数。
3、公式表示:允许应力=强度极限/安全系数七、稳定与丧失稳定性1、稳定:在外力作用下,结构能保持自己的形状和位置不变就叫稳定。
2、丧失稳定性:杆件受压时,应力虽远没达到强度极限,但由于轴线的弯曲而破坏。
这种产生纵向弯曲的杆件,由于不能使杆件轴线继续稳定原来直线形状,称为压杆丧失稳定性。
3、举例:脚手架的立杆,要尽量减少它的长细比,避免承载后发生压弯变形,所以要绑紧脚手架中的大横杆,不能随意拆除。
八、几何组成及稳定性:三角形的稳定性和四边形的不稳定性。
(P书9页图示)思考题:如何增强脚手架的稳定性?。
第三课时第三节:高处坠落和物体打击的预防一、脚手架坠落事故的原因登高脚手架在搭设和拆除过程中,架子工是主要坠落对象。
脚手架完成交付使用后,高处坠落主要发生在相关作业人员之中,常见类型如下:1、身体失稳坠落;2、架子失稳坠落;3、杆件脱开坠落;4、维护残缺坠落;5、操作失误坠落;6、违章操作坠落;7、架子塌跨坠落;8、“口”“边”失足坠落;9、梯上作业坠落。
二、物体打击事故的原因物体打击事故是脚手架施工中常见的多发性事故,不仅会伤害架子工和现场其他施工人员,而且还可以危害行人等非施工人员,主要有:1、失手坠落打击伤害;2、堆放不稳坠落伤人;3、违章抛投物料伤人;4、吊运物体坠落伤人。
三、预防坠落打击的安全技术1、交叉作业,避免重叠作业(建筑施工过程中,施工人员在不同的部位、不同的高度、不同的工序同时作业)人员应注意尽量不在同一垂直方向上操作,使上部与下部作业人员的位置错开,使下部作业人员的位置能在上部落物的坠落半径范围以外。
2、在拆除模板、脚手架等作业时,其下方不得有其他作业人员,防止坠物伤人。
拆下的模板、支撑等堆放时,不能过于靠近临边,应留出不少于1m的安全距离,码放高度不能超过1m。
3、当建筑结构层施工到二层及二层以上时,必须架设安全网防护。
楼层继续升高时,每隔四层设一道固定平网(或用立网封闭)作为对交叉作业人员的安全防护。
4、通道口、出入口的上部应搭设防护棚(护头棚),防护棚顶部应用50mm厚木板或相当于50mm厚木板的其他材料。
防护棚的尺寸,应视建筑物防护的高度而定,大小不小于坠落半径。
思考题:简述预防坠落打击的安全技术。
教学时间: 2011年6月21日教学内容:登高作业的安全基本要求授课人: 高天才教学课时: 二课时教学目的: 通过教学让受教者了解并明白登高作业的安全基本规定,以及脚手架的作用、要求、组成及安全技术以及脚手架工程中的事故和预防措施。
教学难点: 脚手架工程中的事故及预防措施教学过程:第一课时第一节:基本规定1、施工单位在制定施工方案时,必须将预防高处坠落列为安全技术措施的重要内容。
安全技术措施实施后,由工地技术负责人组织有关人员进行验收,凡不符合要求的,待修整合格后方可投入使用。
2、凡经医生诊断患有高血压、心脏病、严重贫血、癫痫病以及其他不宜从事高处作业的病症的人员,不得从事高处作业。
高处作业人员应每半年进行一次体检。
3、高处作业人员必须经过三级安全教育,经安全技术培训和考核,取得《特种作业操作证》后,方可上岗作操作。
4、高处作业人员必须按规定穿戴合格的防护用品,禁止赤脚、穿拖鞋或硬底鞋作业。
使用安全带时,必须记挂在作业上部的牢靠处。
5、高处作业人员应从规定的通道上下,不得攀爬井架、龙门架、脚手架,更不能乘坐非载人的垂直运输设备上下。
6、禁止在防护栏杆、平台和孔洞边缘坐、靠,不得躺在脚手架上或脚手架下方休息。
7、禁止站在阳台栏杆、钢筋骨架、模板及支撑上操作。
禁止在作业时,沿屋架上弦、檩条以及未固定的构件上行走和作业。
8、在外墙高处进行安装玻璃及油漆等装饰工作时,应搭设防护设施或系好安全带。
9、超过六级以上强风或暴雨大雾等恶劣天气时,应停止露天高处作业。
10、夜间及光线不足高处作业时,应针对作业坏境条件设置照明,使作业人员工作范围内视线清楚。
第二课时脚手架的使用:一、基本要求: (1)、有足够的面积;(2)、要坚固、稳定;(3)、构造合理简单,搭设、拆除和搬运要方便;(4)、因地制宜,就地取材,节约材料。
二、使用荷载:(1)、荷载传递;(2)、施工荷载;(3)、静荷载与动荷载。
三、脚手架使用一般规定:(共12条规定,P书15~16页)。
四、脚手架构架的基本结构:一般来说,基本结构为直接承受和传递脚手架垂直荷载作用的构架部分。
在多数情况下,构架基本结构由基本结构单元组合而成。