技能等级考核项目及评分标准(汽车驾驶员)
- 格式:doc
- 大小:23.50 KB
- 文档页数:3
汽车驾驶技能操作评分标准(评分表)
1. 背景
汽车驾驶是一项需要技能和经验的活动,评估司机的驾驶技能和操作水平对确保交通安全至关重要。
为了提供客观和一致的评分依据,本评分标准被制定出来。
2. 评分标准
3. 使用说明
- 评分标准根据每个评分类别的驾驶技能和操作水平制定出来。
- 每个评分类别都有一个对应的分值范围,根据司机的实际表
现进行评分。
- 每项评分标准应该严格按照实际表现进行评判,确保评分客观准确。
- 最后通过计算各项评分的总和,得出司机的总得分。
4. 结论
本评分标准可以作为评估司机驾驶技能和操作水平的依据,促进交通安全和提高驾驶员的驾驶水平。
同时,评分标准需要得到合理使用和严格执行,以确保评分的公正性和准确性。
---
*注意:本评分标准仅供参考,实际使用时应根据具体情况进行调整和完善。
*。
汽车驾驶操作考核标准================================================ ==1. 背景汽车驾驶是一项严肃的任务,驾驶员必须具备一定的技能和知识,以确保驾驶安全。
为了确保驾驶员能够满足最基本的操作要求,制定汽车驾驶操作考核标准是十分必要的。
2. 考核要求为了保证驾驶员能够胜任日常驾驶任务,以下是汽车驾驶操作的考核要求:- 了解汽车基本构造:考核驾驶员对汽车各部分的基本构造和功能的了解程度。
- 安全检查:考核驾驶员进行车辆安全检查的能力,包括检查轮胎、车灯、刹车等关键部件的工作状况。
- 掌握驾驶技巧:考核驾驶员对起步、变道、减速等基本驾驶技巧的熟练程度。
- 停车技巧:考核驾驶员在停车场等特定环境下进行泊车操作的熟练程度。
- 安全驾驶意识:考核驾驶员对安全驾驶的重要性的认知,并能够正确应对紧急情况。
3. 考核评分标准为了客观评估驾驶员的驾驶操作能力,以下是驾驶操作考核的评分标准:- 优秀:驾驶员在考核中能够完全掌握所有考核要求,并能够流畅、熟练地完成各项操作。
- 良好:驾驶员在考核中能够基本掌握所有考核要求,并能够顺利完成各项操作,但可能存在一些小的操作失误。
- 合格:驾驶员在考核中能够基本掌握大部分考核要求,并能够完成大部分操作,但可能存在一些操作不够熟练或存在一些失误。
- 不合格:驾驶员在考核中未能满足考核要求,无法完成考核中的操作,或存在严重的操作失误。
4. 考核流程考核将按照以下流程进行:- 准备阶段:向驾驶员介绍考核要求和评分标准,并提供必要的指导和说明。
- 实际操作:驾驶员在教练的指导下进行实际操作,包括起步、变道、减速、停车等操作。
- 考核评分:教练根据考核评分标准进行评分,并给出合理的评价和建议。
- 结果通知:将考核结果及时通知驾驶员,告知他们是否合格以及有哪些方面需要进一步改进。
5. 结论制定汽车驾驶操作考核标准有助于提高驾驶员的技能水平,保障道路交通安全。
汽车驾驶技术的考核评分标准1. 背景汽车驾驶技术的考核评分标准是为了评估驾驶者的技术水平和安全意识,以确保道路交通的安全。
2. 考核内容考核内容包括但不限于以下几个方面:- 车辆控制:评估驾驶者是否掌握车辆的控制技术,包括起步、停车、转弯、换挡等。
- 车速控制:评估驾驶者是否能够合理控制车辆的速度,根据道路条件和交通情况进行调整。
- 安全意识:评估驾驶者对道路交通安全的认识和遵守交通规则的情况。
- 危险预警:评估驾驶者对潜在危险的预警和应对能力,包括注意力集中、观察交通状况、避免危险情况等。
3. 考核评分标准根据考核内容,对每个方面给出相应的评分标准,以综合评价驾驶者的技术水平和安全意识。
评分标准可以采用百分制或五级制等方式。
例如:- 车辆控制:评估良好(90-100分)、一般(70-89分)、不合格(0-69分)。
- 车速控制:评估良好(90-100分)、一般(70-89分)、不合格(0-69分)。
- 安全意识:评估良好(90-100分)、一般(70-89分)、不合格(0-69分)。
- 危险预警:评估良好(90-100分)、一般(70-89分)、不合格(0-69分)。
4. 考核结果和建议根据考核评分,对驾驶者给出相应的考核结果和建议。
例如:- 总评分90分以上:优秀驾驶者,具备良好的技术水平和安全意识,无需额外培训。
- 总评分70-89分:一般驾驶者,需进一步提高驾驶技术和安全意识,可以通过培训提升能力。
- 总评分70分以下:不合格驾驶者,存在严重的安全隐患和技术欠缺,需要进行重新培训和考核。
5. 结论汽车驾驶技术的考核评分标准是提高驾驶者技术水平和道路交通安全的重要手段。
通过制定科学合理的评分标准,可以对驾驶者进行全面、客观的评估,促进驾驶技术的提升,并减少交通事故的发生。
驾驶汽车评分标准1. 技术驾驶能力技术驾驶能力是评估驾驶员在操作汽车时的熟练程度和技术水平。
以下是技术驾驶能力的评分标准:- 车辆控制:评估驾驶员在启动、加速、减速、转向和制动等方面的控制能力。
车辆控制:评估驾驶员在启动、加速、减速、转向和制动等方面的控制能力。
- 换挡操作:评估驾驶员在手动挡和自动挡车辆上的换挡操作是否准确、顺畅。
换挡操作:评估驾驶员在手动挡和自动挡车辆上的换挡操作是否准确、顺畅。
- 泊车技巧:评估驾驶员在平行泊车、倒车入库和斜泊车等情况下的泊车技巧和准确性。
泊车技巧:评估驾驶员在平行泊车、倒车入库和斜泊车等情况下的泊车技巧和准确性。
2. 安全意识和行为安全意识和行为是评估驾驶员在行驶过程中对道路交通安全的重视程度和服从交通规则的表现。
以下是安全意识和行为的评分标准:- 遵守交通规则:评估驾驶员是否遵守交通信号规定、限速要求和交通标志规定等交通规则。
遵守交通规则:评估驾驶员是否遵守交通信号规定、限速要求和交通标志规定等交通规则。
- 保持安全距离:评估驾驶员是否保持与前车安全距离,并能够及时做出避让或停车反应。
保持安全距离:评估驾驶员是否保持与前车安全距离,并能够及时做出避让或停车反应。
- 注意力集中:评估驾驶员是否能够保持良好的注意力集中,不受手机、疲劳或其他干扰因素影响。
注意力集中:评估驾驶员是否能够保持良好的注意力集中,不受手机、疲劳或其他干扰因素影响。
3. 急危情况应对能力急危情况应对能力是评估驾驶员在紧急情况下的反应和处理能力。
以下是急危情况应对能力的评分标准:- 判断和决策:评估驾驶员在紧急情况下的判断和决策能力,包括采取避让措施或急刹车等应对策略。
判断和决策:评估驾驶员在紧急情况下的判断和决策能力,包括采取避让措施或急刹车等应对策略。
- 应急操作:评估驾驶员在紧急情况下的操作技巧和紧急制动的准确性。
应急操作:评估驾驶员在紧急情况下的操作技巧和紧急制动的准确性。
4. 驾驶记录和经验驾驶记录和经验是评估驾驶员的驾驶历史和驾驶经验的重要参考因素。
驾驶员使用考核评分标准
引言
本文档旨在明确驾驶员使用考核评分标准,以确保驾驶员的行为和技能符合相关要求。
本评分标准将用于评估驾驶员在道路上的表现和安全意识。
本文档适用于所有公司员工担任驾驶员职位的情况。
考核评分标准
驾驶员的考核评分标准如下:
1. 驾驶技巧:评估驾驶员的基本驾驶技能,包括转向、刹车、加速和换挡等。
评分将考虑驾驶员的平稳性、准确性和灵活性。
2. 交通规则遵守:评估驾驶员是否严格遵守交通规则,包括遵守交通信号、让行、限速等。
评分将考虑驾驶员对道路标识和交通信号的正确理解和遵守情况。
3. 安全意识:评估驾驶员对安全驾驶的意识和行为,包括保持
安全的跟车距离、观察盲点、注意行人和其他车辆等。
评分将考虑
驾驶员对潜在危险的警觉程度和应对措施。
4. 路线规划和导航能力:评估驾驶员规划路线和使用导航设备
的能力。
评分将考虑驾驶员对交通状况和道路条件的准确判断,以
及选择最佳路线和避开拥堵的能力。
5. 应急情况处理:评估驾驶员应对紧急情况的反应和处理能力。
评分将考虑驾驶员对突发事件的冷静应对和正确操作的能力。
评分体系
评分将采用以下体系:
- 优秀:90分及以上
- 良好:80-89分
- 中等:70-79分
- 不合格:70分以下
结论
通过明确驾驶员使用考核评分标准,我们可以更好地评估驾驶员的表现和技能,及时发现问题并采取相应的培训和改进措施。
这有助于提高驾驶员的技术水平和安全意识,确保道路安全和旅客的舒适与安全。
驾驶员考试的操作评分标准1. 背景信息驾驶员考试的操作评分标准是为了评估驾驶员在驾驶过程中的技能和表现而制定的。
它是确保驾驶员具备足够的驾驶能力和安全意识,从而保障道路交通的安全。
2. 评分标准2.1 车辆控制- 起步阶段:评估驾驶员的起步技巧、离合操作、油门控制等。
- 转向和转弯:评估驾驶员的转向动作、转弯角度合理性、转弯平稳性等。
- 刹车和减速:评估驾驶员的刹车操作、制动力控制、减速平稳性等。
- 换挡操作:评估驾驶员的换挡时机、换档动作、离合操作等。
- 车辆停放:评估驾驶员的停车技巧、停车位置准确性、停车平稳性等。
2.2 交通规则和信号- 交通信号的遵守:评估驾驶员是否遵守红绿灯、路口指示牌等交通信号。
- 转弯和变道:评估驾驶员的转弯和变道时是否注意观察、使用转向灯、给予其他车辆的足够空间等。
- 合理超车:评估驾驶员的超车技巧、超车是否符合交通规则和道路情况等。
2.3 安全意识和应急反应- 安全驾驶意识:评估驾驶员对于安全驾驶的重视程度、对危险情况的警觉性等。
- 应急反应:评估驾驶员在紧急情况下的反应速度、判断能力和正确应对措施等。
3. 评分方法驾驶员的操作评分采用综合评分的方法,将各项评估内容综合考虑,根据驾驶员的技能表现给予相应的评分。
评分等级可分为优秀、良好、合格和不合格等级。
评分标准的制定应建立在科学、客观、公正的基础上,评分人员应熟悉评分标准并具备相应的专业知识和经验。
4. 结论驾驶员考试的操作评分标准是确保驾驶员具备良好驾驶技能和安全意识的重要工具。
评分标准应包括车辆控制、交通规则和信号以及安全意识和应急反应等方面的内容。
评分方法应综合考虑各项评估内容并给予相应的评分等级。
评分标准的制定和评分人员的培训都是确保评分结果科学、客观、公正的关键因素。
司机驾驶技能考核表一、背景介绍司机驾驶技能考核表是用于评估司机在驾驶过程中的技能水平和安全意识的工具。
通过对司机的驾驶技能进行全面、客观的评估,可以有效提高驾驶员的安全意识和驾驶技能,减少交通事故的发生。
二、考核项目1. 驾驶技能a. 起步与停车:考核司机的起步和停车技巧,包括起步平稳、停车准确等。
b. 转弯与变道:考核司机在转弯和变道时的技巧和安全意识,包括转弯半径合理、变道时使用转向灯等。
c. 加减档与换挡:考核司机在行驶过程中的加减档和换挡技巧,包括换挡平稳、合理选择挡位等。
d. 倒车与掉头:考核司机在倒车和掉头时的技巧和安全意识,包括倒车视线良好、掉头时观察周围交通等。
e. 高速驾驶:考核司机在高速公路上的驾驶技巧和安全意识,包括保持车距、合理使用车道等。
2. 安全意识a. 交通规则:考核司机对交通规则的了解和遵守情况,包括遵守红绿灯、礼让行人等。
b. 安全驾驶:考核司机的安全驾驶意识和行为,包括不超速、不疲劳驾驶等。
c. 紧急情况应对:考核司机在紧急情况下的反应和处理能力,包括刹车反应时间、规避障碍物等。
三、考核标准司机驾驶技能考核表根据不同项目设定了相应的评分标准,评分分为优秀、良好、合格和不合格四个等级。
评分标准如下:1. 驾驶技能a. 起步与停车:优秀(起步平稳、停车准确)、良好(起步稍有颠簸、停车稍有偏差)、合格(起步颠簸、停车偏差较大)、不合格(起步颠簸明显、停车偏差严重)。
b. 转弯与变道:优秀(转弯半径合理、变道使用转向灯)、良好(转弯半径稍大、变道偶尔不使用转向灯)、合格(转弯半径过大、变道不使用转向灯)、不合格(转弯半径过大、变道从不使用转向灯)。
c. 加减档与换挡:优秀(加减档平稳、换挡准确)、良好(加减档有轻微颠簸、换挡稍有偏差)、合格(加减档颠簸、换挡偏差较大)、不合格(加减档颠簸明显、换挡偏差严重)。
d. 倒车与掉头:优秀(倒车视线良好、掉头观察周围交通)、良好(倒车视线稍有遮挡、掉头观察不周)、合格(倒车视线受阻、掉头观察不到位)、不合格(倒车视线严重受阻、掉头观察不到位)。
驾驶员考核标准为加强驾驶员管理,体现奖勤罚懒、奖优罚劣原则,充分调动驾驶员的工作积极性和能动性,切实提高后勤服务质量,特制定本办法。
一、综合评判未系安全带:扣100分未关好车门:扣100分未开转向灯:起步、转向、变更车道、超车、停车前未使用转向灯或使用少于3秒,扣10分,熄火一次:扣10分。
二、坡道定点停车与半坡起步没有定点停车,扣100分;车辆停止后,汽车前保险杠未到控制线,扣100分停车后后溜大于30厘米,扣100分;停车后后溜小于30厘米,扣10分(原规定扣20分)起步未开左转向灯,扣10分。
车辆行驶中压道路边缘实线,扣100分车辆停止后,前保险杠未到停车线,扣10分;停车时右前轮距边缘线30厘米以上,扣10分,起步时间超30秒,扣100分。
三、侧方位停车车辆入库停止后,车身出线,扣100分。
行驶中车轮触压车道边线,扣10分。
未停车于库内,扣100分。
起步未开左转向灯,扣10分。
倒车未开右转向灯,扣10分。
中途停车,扣100分。
四、"直角转弯"和"曲线行驶"任一车轮压道路边缘线,扣100分。
中途停车,扣100分。
五、倒车入库不按规定路线顺序行驶,扣100分没有完全倒入库内,扣100分车身出线,扣100分中途停车,扣100分教学目标掌握基础的驾驶操作要领,具备对车辆控制的基本能力;熟练掌握场地和场内道路驾驶的基本方法,具备合理使用车辆操纵机件、正确控制车辆运动空间位置的能力,能够准确地控制车辆的行驶位置、速度和路线。
很多学员急于求成,经常疏忽了车的慢速,这就和我们场内练习的初衷有悖解析:场内(五项)1.能控制车快慢。
(快基本上容易一点,所以我们练习的是足够慢且不停车)。
2能把车居中。
(即是能准确把握方向)。
3能对位停车。
(倒车入库入库后停车就是一项)。
附件4:汽车驾驶员技能竞赛实施方案第一部分竞赛内容及要求竞赛内容由理论测试和技能操作竞赛两部分构成。
其中理论测试部分占总成绩的40%,技能操作部分占总成绩的60%。
一、理论测试1、内容理论测试的范围以交通厅指定的技术工人考试、考核培训教材为主。
主要包括:专业基础知识、汽车构造、汽车维护与检测、交通工程及交通法规等部分。
指定教材为《汽车驾驶员技术等级考核培训教材》(冯世泽主编、山西经济出版社出版)。
命题标准以高级工、技师和高级技师应知的内容为主。
2、方式理论测试采用闭卷笔试的方式进行。
题型包括填空题、选择题、判断题、简答题、论述题和计算题等。
3、时间理论测试时间均为150分钟。
二、技能操作竞赛技能操作竞赛项目包括:场地摸拟道路驾驶和汽车发动机(传感器)故障诊断两项,以高级工、技师和高级技师应会内容为主。
每项以100分制分别计分,两项操作项目的加权分为操作技能成绩。
1、竞赛内容(1)场地摸拟道路驾驶①项目:坡道起步;过凹凸路;直角转弯;曲线穿桩;过沙路;坡道急转弯;骑越障碍;左(右)单边桥;“S”形路倒车(调头);定点停车。
②线路:(见附图)③所用车型为解放CA1092A,装载2000kg。
(2)汽车发动机(传感器)故障诊断①设备:桑塔纳超人轿车一台(发动机型号AJR1.8)。
自诊跨接线,元征公司产X—431电眼睛解码器一套。
②诊断范围:发动机传感器故障(单一传感器故障)。
A、人工调取故障码确定故障;B、用X—431电眼睛诊断故障;③诊断要求:分两个步骤:A、利用发动机自诊断系统读码诊断故障;B、使用电眼睛诊断故障。
④时间:15分钟。
2.竞赛要求(1)场地摸拟道路驾驶①参赛者应文明礼貌,本着安全第一,比赛第二的原则进行竞赛;②严格按照驾驶操作规程进行操作;③按规定线路行驶完全程;④全程约1300m;⑤时间考核说明:所有参赛者完成所用时间表最短者为10分,所用时间最长者为0分;最长时间和最短时间之差除以10,为1分值间隔时间;⑥油耗量考核说明:所有参赛者完成全程所用燃油量最少者为15分,所用燃油量最多者为0分;最多燃油量和最少燃油量之差除以15为1分值间隔燃油量;⑦参赛队员须携带本人的驾驶执照。
汽车驾驶操作考核评分标准背景汽车驾驶操作考核评分标准是为了确保汽车驾驶人员具备安全操作汽车的能力,并减少交通事故的发生。
本文档旨在制定一套客观公正的评分标准,用于对汽车驾驶人员的操作技能进行评估。
评分标准评分标准根据以下几个方面对驾驶操作进行评估:1. 车辆控制:评估驾驶员在控制车辆方面的能力,包括转向、加速、刹车等操作的准确度和平稳度。
2. 交通规则遵守:评估驾驶员是否遵守交通规则,包括停车、让行、超速、变道等各种交通行为的合规程度。
3. 车道保持:评估驾驶员在行驶过程中是否能够保持稳定的车道,避免频繁变道和偏离车道。
4. 安全意识:评估驾驶员对于道路安全的意识和反应能力,包括观察道路状况、注意交通标志和信号灯等的能力。
5. 紧急情况处理:评估驾驶员在紧急情况下的反应能力和处理能力,包括急刹车、避让障碍物等的应急操作。
评分方法评分标准采用分数制,满分为100分。
每个评估方面都有相应的分值范围,根据驾驶员的表现进行评分。
评分结果将汇总计算,并给出总分。
评分范围和等级划分如下:- 90分及以上:优秀水平- 80-89分:良好水平- 70-79分:合格水平- 60-69分:一般水平- 60分以下:不合格水平结论通过实施汽车驾驶操作考核评分标准,可以客观公正地评估驾驶员的驾驶操作能力。
在驾驶员达到合格水平以上的情况下,可以有效地降低交通事故的发生率,提高道路安全性。
建议相关部门根据本文档制定详细实施细则和操作指南,以确保评分标准的有效实施和执行。
引用本文档所包含的内容来源于对相关法规和行业标准的综合研究和分析。
请在引用本文档内容时确认相关内容的可靠性。
竭诚为您提供优质文档/双击可除20XX年汽车驾驶员各等级技能实操考核项目,标准规范篇一:技能等级考核项目及评分标准(汽车驾驶员)汽车驾驶员技能考核项目及评分标准一、高级汽车驾驶员(一)、工作技能:40分1.能熟练操作本单位各种车辆(大、小型客货车)进行反倒车。
10分2能按照技术要求完成中级汽车修理工工作。
10分3.能正确判断和排除发动机、变速箱、传动系、转向系、驱动桥、制动系等的异响和疑难故障。
10分4.能正确进行汽车发动机最大功率、最大扭矩的计算。
10分(二)、工作质量:20分1.安全运送人员及货物到达目的地,人员、货物无丢失、撒落。
10分2汽车修理工作符合技术要求。
10分(三)、工作效率:20分1.按时出车,以最短的时间完成运输或修理工作。
10分2.在不超载的前提下,完成一定量的运输工作时间最短,耗油量最低。
10分(四)、工作经验:20分1.具有8年以上汽车驾驶经历,无违章记录。
10分2.具有一般的汽车故障的判断及排除经验。
10分二、中级汽车驾驶员(一)、工作技能:40分1..能熟练操作本单位各种车辆(大、小型客货车)。
10分2.能独立承担车辆的二级保养作业。
10分3.能对发动机性能主要指标如扭矩、功率及汽车传动系的传动比、差速比、汽车行驶阻力进行一般的计算。
10分4.能排除汽车油、电路的综合故障及变速、传动、制动装置的部分常见故障。
10分(二)、工作质量:20分1.安全运送人员及货物到达目的地,人员、货物无丢失、撒落。
10分2汽车修理工作符合技术要求。
10分(三)、工作效率:20分1.按时出车,以最短的时间完成运输或修理工作。
10分2.在不超载的前提下,完成一定量的运输工作时间最短,耗油量最低。
10分(四)、工作经验:20分1.具有5年以上汽车驾驶经历,无违章记录。
10分2.具有一般的汽车故障的判断及排除经验。
10分三、初级汽车驾驶员(一)、工作技能:40分1.能熟练操纵所驾驶车辆的掉头、倒车、上坡及使用硬连接牵引车辆,并达到规定要求。
驾驶员考核评分标准表驾驶员考核评分标准表(满分100分)考核项目:驾驶员行为规范考核内容:驾驶人员严禁酒后驾驶、不得带病行驶、开疲劳车,不得从事与岗位无关的事情。
做好车辆年检和审证工作。
发现酒后驾驶、载客、带病、疲劳行驶,每次扣5分。
车辆未审核、审证,每次扣2分。
分值评分依据:设立车辆档案,加强车辆的日常保养维护工作,确保车辆正常运转。
驾驶员严格遵守驾驶交通规则,每次得25分。
考核项目:作业驾驶规范考核内容:作业驾驶人员上岗前须熟悉路段按指定路线行驶、检查车辆确保车容整洁、检查车辆,未按指定路线行驶造成交通事故的责任由驾驶人员负责。
作业后应对车辆进行清洗和保养,保证次日正常使用。
发现驾驶人员未熟悉路段、未清扫、未按规定开启警示灯、未按规定行驶速度行驶,每次扣5分。
车辆故障未及时报修的每次扣2分。
分值评分依据:清扫、冲洗、洒水作业时车速度不得超过10公里/小时。
洒水作业时车速不得超过20公里/小时。
冲洗作业时车速不得超过15公里/小时。
驾驶车辆须紧靠侧石停放,严禁在路口、公交站点等不安全或影响交通的地方停放。
每项得分为10分。
考核项目:垃圾装运规范考核内容:垃圾装卸服从中转站和垃圾场管理人员指挥,不得在非指定的地点乱倒、乱卸、乱抛垃圾。
不得在主街道上或两侧进行垃圾二次转运,不得在任何区域、任何地点或收集车辆内焚烧垃圾。
发现驾驶人员超载、超高、垃箱的有效容积为限,不得超载、不识别清晰等现象,违反其中一项每次扣3分。
分值评分依据:垃圾装运应以车辆额定荷载和集装箱的有效容积为限,保运输中无垃圾飘扬、撒漏和拖挂现象,环卫标识清晰。
每项得分为15分。
注意:驾驶员不服从指挥每人每次扣2分;在非指定地点乱倒、乱卸、乱抛垃圾的每人每次扣3分。
发生交通事故或交通堵塞等情况责任由驾驶员负责。
实用文档
汽车驾驶员操作技能评分标准(中
级)(总2页)
--本页仅作为文档封面,使用时请直接删除即可--
--内页可以根据需求调整合适字体及大小--
实用文档
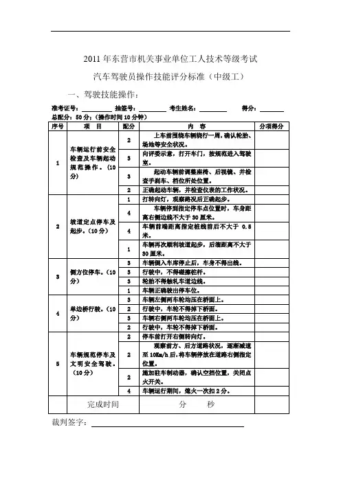
2011年东营市机关事业单位工人技术等级考试
汽车驾驶员操作技能评分标准(中级工)
一、驾驶技能操作:
准考证号:抽签号:考生姓名:得分:
裁判签字:
日期:
2011年东营市机关事业单位工人技术等级考试
汽车驾驶员操作技能评分标准(中级工)
二、活塞环安装间隙检查:
准考证号:抽签号:考生姓名:得分:
裁判签字:日期:。
汽车驾驶员技能考核项目及评分标准一、高级汽车驾驶员(一)、工作技能:40分1.能熟练操作本单位各种车辆(大、小型客货车)进行反倒车。
10分2能按照技术要求完成中级汽车修理工工作。
10分3.能正确判断和排除发动机、变速箱、传动系、转向系、驱动桥、制动系等的异响和疑难故障。
10分4.能正确进行汽车发动机最大功率、最大扭矩的计算。
10分(二)、工作质量:20分1.安全运送人员及货物到达目的地,人员、货物无丢失、撒落。
10分2汽车修理工作符合技术要求。
10分(三)、工作效率:20分1.按时出车,以最短的时间完成运输或修理工作。
10分2.在不超载的前提下,完成一定量的运输工作时间最短,耗油量最低。
10分(四)、工作经验:20分1.具有8年以上汽车驾驶经历,无违章记录。
10分2.具有一般的汽车故障的判断及排除经验。
10分二、中级汽车驾驶员(一)、工作技能:40分1..能熟练操作本单位各种车辆(大、小型客货车)。
10分2.能独立承担车辆的二级保养作业。
10分3.能对发动机性能主要指标如扭矩、功率及汽车传动系的传动比、差速比、汽车行驶阻力进行一般的计算。
10分4.能排除汽车油、电路的综合故障及变速、传动、制动装置的部分常见故障。
10分(二)、工作质量:20分1.安全运送人员及货物到达目的地,人员、货物无丢失、撒落。
10分2汽车修理工作符合技术要求。
10分(三)、工作效率:20分1.按时出车,以最短的时间完成运输或修理工作。
10分2.在不超载的前提下,完成一定量的运输工作时间最短,耗油量最低。
10分(四)、工作经验:20分1.具有5年以上汽车驾驶经历,无违章记录。
10分2.具有一般的汽车故障的判断及排除经验。
10分三、初级汽车驾驶员(一)、工作技能:40分1.能熟练操纵所驾驶车辆的掉头、倒车、上坡及使用硬连接牵引车辆,并达到规定要求。
10分2.能根据车速和路面附着系数计算出最小制动距离;能计算本车的吨公里及油耗。
驾驶技能考核内容及扣分标准一、倒车入库(30分)1.车辆行驶中车身触碰车道边线扣3分;2.入库停车后车身出线4扣分;3.入库停车后,车身没有完全入库扣4分;4.中途停车扣3分;5.车辆熄火一次扣2分;6.未系安全带扣5分;7.倒车入库项目要求一次性向后完成入库操作,如果在车辆没有完全入库前有车辆往前开的情形一次扣5分;8.倒车入库项目要求从车库两侧各完成一次入库操作,限时180秒,超时完成入库操作的扣4分。
二、侧方停车(20分)1.车辆行驶中车轮轧路边线扣3分;2.车辆向前或向后行驶过程中,车身触碰库位线扣3分;3.停车后,车身没有完全进库扣4分;4.中途停车扣3分;5.车辆熄火一次扣2分;6.出库时未开启转向灯扣2分;7.侧方停车项目限时90秒,超时完成的扣3分。
三、坡道定点停车与起步(20分)1.车辆行驶中车轮轧路边线一次扣4分;2.车辆停止后,车身距离路边沿线大于30cm小于50cm 扣2分,大于50cm扣3分;3.起步后溜小于30cm扣2分,大于30cm扣4分;4.车辆熄火一次扣2分;5.车辆停止后,汽车前保险扛没有定于白线上,误差小于30cm扣1分,误差大于30cm扣2分。
四、曲线行驶(15分)1.中途停车扣3分;2.行驶中车轮轧路边线一次扣5分;3,行驶过程中向后倒车扣5分;4.车辆熄火一次扣2分。
五、直角转弯(15分)1.车辆行驶中车轮轧路边沿线一次扣4分;2.中途停车扣3分;3.车辆熄火一次扣2分;4.转弯前未开启转向灯扣2分;5.行驶中向后倒车扣4分。
特别说明:考核成绩以分数由高到低排名,分数最高者排名第一以此类推,如果分数相同者,倒车入库完成时间用时最短者不扣分,用时长者扣1分,如果有3人分数相同,用时最长者扣2分,以此类推。
汽车驾驶员技能考核项目及评分标准
一、高级汽车驾驶员
(一)、工作技能:40分
1.能熟练操作本单位各种车辆(大、小型客货车)进行反倒车。
10分2能按照技术要求完成中级汽车修理工工作。
10分
3.能正确判断和排除发动机、变速箱、传动系、转向系、驱动桥、制动系等的异响和疑难故障。
10分
4.能正确进行汽车发动机最大功率、最大扭矩的计算。
10分
(二)、工作质量:20分
1.安全运送人员及货物到达目的地,人员、货物无丢失、撒落。
10分2汽车修理工作符合技术要求。
10分
(三)、工作效率:20分
1.按时出车,以最短的时间完成运输或修理工作。
10分
2.在不超载的前提下,完成一定量的运输工作时间最短,耗油量最低。
10分
(四)、工作经验:20分
1.具有8年以上汽车驾驶经历,无违章记录。
10分
2.具有一般的汽车故障的判断及排除经验。
10分
二、中级汽车驾驶员
(一)、工作技能:40分
1..能熟练操作本单位各种车辆(大、小型客货车)。
10分
2.能独立承担车辆的二级保养作业。
10分
3.能对发动机性能主要指标如扭矩、功率及汽车传动系的传动比、差速比、汽车行驶阻力进行一般的计算。
10分
4.能排除汽车油、电路的综合故障及变速、传动、制动装置的部分常见故障。
10分
(二)、工作质量:20分
1.安全运送人员及货物到达目的地,人员、货物无丢失、撒落。
10分2汽车修理工作符合技术要求。
10分
(三)、工作效率:20分
1.按时出车,以最短的时间完成运输或修理工作。
10分
2.在不超载的前提下,完成一定量的运输工作时间最短,耗油量最低。
10分
(四)、工作经验:20分
1.具有5年以上汽车驾驶经历,无违章记录。
10分
2.具有一般的汽车故障的判断及排除经验。
10分
三、初级汽车驾驶员
(一)、工作技能:40分
1.能熟练操纵所驾驶车辆的掉头、倒车、上坡及使用硬连接牵引车辆,并达到规定要求。
10分
2.能根据车速和路面附着系数计算出最小制动距离;能计算本车的吨公里及油耗。
10分
3.能进行车辆的例保、一保和走合期保养,能排除汽车油路、电路故障。
10分
4.能看懂汽车各总成装置的工作示意图和一般的汽车电气电路图。
10分
(二)、工作质量:20分
1.安全运送人员及货物到达目的地,人员、货物无丢失、撒落。
10分2汽车例保、一保、及走合期的保养工作符合技术要求。
10分(三)、工作效率:20分
1.按时出车,以最短的时间完成运输或修理工作。
10分
2.在不超载的前提下,完成一定量的运输工作时间最短,耗油量最低。
10分
(四)、工作经验:20分
1.具有1-3年以上汽车驾驶经历,无违章记录。
10分
2.具有一般的汽车故障的判断及排除经验。
10分。