长安cs35身维修维修手册(长安cs35车身维修手册安全灯)
- 格式:pdf
- 大小:1.23 MB
- 文档页数:10
输入 :1.5外灯外灯功能图功能说明诊断通讯只有在点火开关在ON 档的时候才使能。
详细内容见诊断服务文档.车身控制器、车身遥控钥匙、防盗线圈总称、左转向灯、右转向灯、五车门锁电机、室内灯、近光灯、远光灯、组合开关、洗涤电机、危险报警开关等部件组成;1.8诊断车身控制系统由以下部件组成端连接器21BCM二、端子定义CONNECTOR J2接插件:参见Tyco电子AMP公司和MOLEX的产品,、零件号:2、BCM端子定义:三、BCM外围连接图及保险盒分配图2、发动机仓电器盒中各器件排布:四、拆卸与安装3、仪表台板电器盒中各器件排布:BCM的安装位置在仪表台板中部,空调控制器后面,具体如下图:1:车身控制器(BCM)2:转向支撑(CCB)3:车身控制器安装支架4:安装螺栓(09128-06003)维修工具:8mm套筒一个十字形螺丝刀移动照明设备一台线束专用工具一套专用诊断仪一台BCM用三颗安装螺栓固定在一安装支架上(此安装支架焊接在转向支撑上),拆卸BCM只需要把三颗安装螺钉拆下;(由于安装在空调控制器后面位置,所以拆卸和安装都需要可移动安全照明设备)。
五、诊断与维修长安S101车身控制器常见故障诊断4、匹配完成后进入读数据流选项读取钥匙数量,确认是否与实际匹配数量一致,如果一致,确认所配遥控钥匙是否功能正常;如果不一致或者所配遥控钥匙功能不正常,需重新配钥匙。
四、匹配发动机防盗要是1、点火开关置于ON档;2、将诊断仪线束连接到整车诊断口;3、诊断仪上选择长安汽车->软件版本->车型选择S101->车身控制器->安全操作->输入密码->进入安全操作->防盗钥匙匹配->开始匹配;4、匹配完成后进入读数据流选项读取钥匙数量,确认是否与实际匹配数量一致,如果一致,确认所配遥控钥匙是否功能正常;如果不一致或者所配遥控钥匙功能不正常,需重新配钥匙。
五、备注说明1、如果BCM没有在线或手动配过钥匙,则其初始密码为0000。
8.拆卸CD机总成/收音机总成。
参考:CD机总成/收音机总成(4.3.5信息和娱乐系统,拆卸与安装)。
9.拆卸控制台。
参考:控制台(5.1.6 仪表板与控制台,拆卸与安装)。
10.拆卸乘客气囊。
参考:乘客气囊(4.2.1安全气囊约束系统,拆卸与安装)。
11.使用合适的工具拆卸仪表板左、右两侧装饰板。
12.拆卸仪表板下护板左侧5处固定螺钉。
13.使用合适的工具取下仪表板下护板,断开灯光调节开关线束插头。
14.拆卸仪表板左、右侧共6处固定螺栓。
扭矩:19 Nm15.拆卸仪表板中部2颗固定螺栓。
扭矩:19 Nm16.拆卸组合仪表底部1颗固定螺栓。
扭矩:19 Nm17.拆卸A柱仪表板左、右侧共2处固定螺栓。
扭矩:19 Nm18.拆卸仪表板驾驶员处3处固定螺栓。
扭矩:19 Nm19.拆卸杂物箱2处限位卡扣。
20.取出杂物箱。
21.拆卸杂物箱底部2处固定螺栓。
扭矩:19 Nm22.取出手套箱内隔板。
安装1.安装顺序与拆卸顺序相反。
23.拆卸乘客气囊。
1.断开乘客气囊线束插头。
2.拆卸乘客气囊底部2处固定螺栓。
扭矩:19 Nm24.取下仪表板总成。
注意:取下仪表板总成时,注意仪表线束完全仪表板内骨架拆卸专用工具60 s 以上,以保证安全。
1.使方向盘处于水平位置。
注意:确保方向盘锁止。
注意:确保车轮处于正前方位置。
2.断开蓄电池负极线束。
参考:蓄电池检查(3.1.10充电系统,一般检查)。
3.拆卸驾驶员气囊及方向盘。
参考:驾驶员气囊及方向盘(4.2.1安全气囊约束系统,拆卸与安装)。
4.拆卸灯光组合开关。
参考:灯光组合开关(4.3.6照明系统,拆卸与安装)。
5.拆卸仪表。
参考:仪表(4.3.2仪表,拆卸与安装)。
6.拆卸左右侧A 柱装饰板。
参考:A 柱装饰板(5.1.9 内饰板与饰件,拆卸与安装)。
7.拆卸空调控制面板。
参考:空调控制面板(4.1.1 空调系统,拆卸与安装)。
8.拆卸CD机总成/收音机总成。
参考:CD机总成/收音机总成(4.3.5信息和娱乐系统,拆卸与安装)。
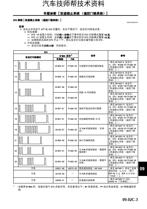
车载诊断 [防盗锁止系统(遥控门锁系统)]09-02C-1309安全灯:15, DTC: B10D7:51/P1260:00 [防盗锁止系统(遥控门锁系统)]id0902e5356700诊断程序End Of SieDTC安全灯闪烁模式15未经编程的钥匙ID 号M-MDS 显示仪表组B10D7:51PCMP1260:00检测条件•仪表组检测到未编程的钥匙ID 号。
可能的原因•钥匙故障—更换仪表组后未对任何钥匙进行编程。
—使用未编程钥匙。
—编程的第九把钥匙。
•PCM 故障•仪表组故障步骤检查措施1确认经编程钥匙的数量•使用M-MDS进行PID/数据监控检查以确认已编程钥匙的数量。
(参见09-02C-17 PID 数据监视检查[防盗锁止系统(遥控门锁系统)]。
)—NUMKEYS(参见09-02C-18 PID 数据监控表[防盗锁止系统(遥控门锁系统)]。
)•是否对八把钥匙进行了编程?是清除钥匙ID 号。
参考与防盗锁止系统有关部件的编程方法,对附加钥匙进行编程,然后进行下一步。
(参见09-14-89 防盗警报系统相关部件的编程[遥控门锁系统]。
)否参考与防盗锁止系统有关部件的编程方法,对附加钥匙进行编程,然后进行下一步。
(参见09-14-89 防盗警报系统相关部件的编程[遥控门锁系统]。
)说明•为了起动发动机,需要两个或更多的编程钥匙。
2确认PCM 故障•使用已编程钥匙将点火开关转至ON 位置(发动机关闭)。
•使用M-MDS 清除仪表组和PCM 中的DTC。
(参见01-02B-9 维修后程序[LF,L5]。
)(参见01-02A-10 维修后程序[Z6]。
)(参见09-02C-2 清除DTC[防盗锁止系统(遥控门锁系统)]。
)•使用M-MDS 进行起动锁止安全系统DTC 检查。
(参见09-02C-2 DTC 检查[防盗锁止系统(遥控门锁系统)]。
)•是否出现相同的DTC?是更换PCM,然后执行下一步。
(参见01-02B-9 维修后程序[LF,L5]。
逸动汽车维修手册第5篇车身各节标题页码5.1车身与附件5.1.1全车固定玻璃...................................................................................................................................5.1.1-15.1.2车门系统...........................................................................................................................................5.1.2-15.1.3座椅...................................................................................................................................................5.1.3-15.1.4安全带系统.......................................................................................................................................5.1.4-15.1.5后视镜...............................................................................................................................................5.1.5-15.1.6仪表板与控制台...............................................................................................................................5.1.6-15.1.7保险杠...............................................................................................................................................5.1.7-15.1.8把手、锁、锁闩...................................................................................................................................5.1.8-15.1.9内饰板与饰件...................................................................................................................................5.1.9-15.1.10外饰件...........................................................................................................................................5.1.10-1 5.2车身维修5.2.1车身维修...........................................................................................................................................5.2.1-1逸动汽车维修手册5.1 车身与附件适合车型:逸动目录 页码5.1.1 全车固定玻璃规格 ..................................................................................................................................................................5.1.1-1一般规格 ..................................................................................................................................................5.1.1-1 说明与操作 ......................................................................................................................................................5.1.1-1系统概述 ..................................................................................................................................................5.1.1-1 部件说明 ..................................................................................................................................................5.1.1-1 拆卸与安装 ......................................................................................................................................................5.1.1-1前挡风玻璃 ..............................................................................................................................................5.1.1-1 后挡风玻璃 ..............................................................................................................................................5.1.1-3 后三角窗玻璃 ..........................................................................................................................................5.1.1-5 5.1.2 车门系统规格 ..................................................................................................................................................................5.1.2-1扭矩规格 ..................................................................................................................................................5.1.2-1 说明与操作 ......................................................................................................................................................5.1.2-1系统概述 ..................................................................................................................................................5.1.2-1 部件说明 ..................................................................................................................................................5.1.2-1 门窗玻璃....................................................................................................................................................5.1.2-1 拆卸与安装 ......................................................................................................................................................5.1.2-1车门玻璃....................................................................................................................................................5.1.2-1 前门电动玻璃升降器................................................................................................................................5.1.2-2 后门电动玻璃升降器................................................................................................................................5.1.2-2 前车窗玻璃呢槽 ......................................................................................................................................5.1.2-3 后车窗玻璃呢槽........................................................................................................................................5.1.2-3 前门限位器 ..............................................................................................................................................5.1.2-4 后门限位器................................................................................................................................................5.1.2-4 前门玻璃滑槽............................................................................................................................................5.1.2-4 后门玻璃滑槽............................................................................................................................................5.1.2-5 前、后门内饰板..........................................................................................................................................5.1.2-6 5.1.3 座椅规格 ..................................................................................................................................................................5.1.3-1扭矩规格 ..................................................................................................................................................5.1.3-1车身与附件逸动 2011.08逸动汽车维修手册说明与操作........................................................................................................................................................5.1.3-1 系统概述 ..................................................................................................................................................5.1.3-1 拆卸与安装 ......................................................................................................................................................5.1.3-1前排座椅 ..................................................................................................................................................5.1.3-1后排座椅 ..................................................................................................................................................5.1.3-2 5.1.4 安全带系统规格 ..................................................................................................................................................................5.1.4-1扭矩规格 ..................................................................................................................................................5.1.4-1 说明与操作 ......................................................................................................................................................5.1.4-1系统概述 ..................................................................................................................................................5.1.4-1 部件分解图 ..............................................................................................................................................5.1.4-2 拆卸与安装 ......................................................................................................................................................5.1.4-3前排安全带 ..............................................................................................................................................5.1.4-3 后排安全带 ..............................................................................................................................................5.1.4-5 5.1.5 后视镜说明与操作 ......................................................................................................................................................5.1.5-1系统概述 ..................................................................................................................................................5.1.5-1 拆卸与安装 ......................................................................................................................................................5.1.5-1后视镜 ......................................................................................................................................................5.1.5-1 5.1.6 仪表板与控制台拆卸方式 ..........................................................................................................................................................5.1.6-1 5.1.7 保险杠拆卸与安装 ......................................................................................................................................................5.1.7-1前保险杠 ..................................................................................................................................................5.1.7-1 后保险杠 ..................................................................................................................................................5.1.7-2 5.1.8把手、锁、锁闩行李箱机械锁扣................................................................................................................................................5.1.8-1 发动机舱盖锁扣................................................................................................................................................5.1.8-2 前门锁体总成....................................................................................................................................................5.1.8-2 后门锁体总成....................................................................................................................................................5.1.8-3 门锁锁芯............................................................................................................................................................5.1.8-3 车门外把手........................................................................................................................................................5.1.8-4 5.1.9内饰板与饰件内饰板与饰件....................................................................................................................................................5.1.9-1 5.1.10 外饰件拆卸与安装 ....................................................................................................................................................5.1.10-1前翼子板内衬 ........................................................................................................................................5.1.10-1车身与附件逸动 2011.08逸动汽车维修手册后翼子板内衬........................................................................................................................................5.1.10-1 后门窗装饰件........................................................................................................................................5.1.10-2 洗涤器....................................................................................................................................................5.1.10-2 5.1.1 全车固定玻璃规格一般规格名称规格前挡风玻璃 2.0+0.76+2.0夹层白玻后挡风玻璃 3.2钢化白玻后三角窗玻璃 3.2钢化白玻+PVC注塑包边后三角窗玻璃带亮条3.2钢化白玻+PVC注塑包边+SUS304说明与操作系统概述全车固定玻璃包括前、后挡风玻璃,后三角窗玻璃。
质量保修津MPX619发动机型号:JL478QEE大架子号:LS5A3DDE9DA101558长安CS35轿车从购车之日起(以购车发票日期为准),按不同零部件执行不同的质量包修期。
整车三包期为24个月或累计行驶里程5万公里。
整车包修期最长为48个月或累计行驶里程10万公里,营运车辆的整车包修期最长为12个月或累计行驶里程10万公里(任一条件超出,即超出质量包修期)。
具体细则如下:(1)易损件:长安CS35轿车按不同零部件执行不同的质量包修期,其易损件的质量包修期为3个月或行驶5000公里(任一条件超出,即超出质量包修期)易损件包括:空气滤清器芯、机油滤清器、汽油滤清器、地毯、随车工具、雨刮片、全车玻璃、外后视镜(镜片)、内后视镜(镜片)、轮胎、保险丝(或熔断器)。
(2)离合器摩擦片、制动摩擦片(块)、火花塞及全车灯泡的质量包修期为6个月或累计行驶1万公里。
(3)电喇叭和蓄电池的质量包修期为12个月或累计行驶2万公里。
(4)消声器质量包修期为24个月或累计行驶4万公里(5)背门气压撑杆的质量包修期为24个月或累计行驶6万公里。
(6)气缸盖罩总成、气缸盖分总成、进气凸轮轴总成、排气凸轮轴总成、曲轴箱总成、活塞销、连杆总成、曲轴、曲轴正时链轮、正时链条总成、发动机前罩盖、机油集滤器、水泵皮带轮、飞轮、进气歧管总成的质量包修期非营运车辆为48个月或累计行驶10万公里,营运车辆为12个月或累计行驶10万公里。
(7)除上述以外的零部件质量包修期非营运车辆为36个月或累计行驶6万公里,营运车辆(出租车等)为12个月或累计行驶6万公里。
质量包修期内变更车辆用途,其享受的质量包修期不作变更。
在质量包修期内零部件的更换和维修,不能延长新车的质量包修期或更换零部件的质量包修期。
拆卸与安装尼龙管快换接头专用工具拆卸否则可能引起人身伤害。
可能会被点燃。
1.释放燃油压力。
1.拔掉燃油泵保险丝。
2.起动发动机至自动熄灭。
2.按下阴接头定位卡,使其松开后,沿反方向拉专用工具:CA201-007安装1.连接快换接头时,应使连接部位沿着快速接头同轴方向插入阴接头,直至发出"咔嗒"声。
燃油箱加油口盖总成拆卸安装否则可能引起人身伤害。
可能会被点燃。
2.拉开燃油箱门。
3.拧下燃油箱加油口盖。
4.从加油口上拆下加油口盖吊绳。
1.将加油口盖吊绳安装于燃油箱加油扣上2.拧紧燃油箱加油口盖。
3.关闭油箱门。
加油管总成拆卸可能会被点燃。
否则可能引起人身伤害。
1.拆卸加油口盖参考:燃油箱加油口盖总成(3.1.7 燃油系统,拆卸与安装)。
2.举升车辆。
参考:举升(1.1.3 牵引与举升,说明与操作)。
3.拆卸加油口固定螺栓。
4.拆卸车轮。
参考:车轮和轮胎(2.1.4车轮与轮胎,拆卸与安装)。
5.拆下后轮罩衬板参考:后叶子板内衬(5.1.10外饰件,拆卸与安装)。
6.拆下燃油箱加油软管及通气软管。
1.拆卸加油软管与然油箱连接的卡箍。
扭矩:9 Nm2.拆卸通气软管与然油箱的夹箍。
3.分离燃油箱加油软管及通气软管。
安装1.安装顺序与拆卸顺序相反。
7.拆卸燃油箱加油软管及通气软管2处固定螺栓。
扭矩:15 Nm8.断开通气管中间的连接。
9.取下加油管总成。
燃油滤清器拆卸否则可能引起人身伤害。
可能会被点燃。
1.释放燃油压力。
1.拔掉燃油泵保险丝。
2.起动发动机至自动熄灭。
2.断开蓄电池负极线束。
参考:蓄电池检查(3.1.10充电系统,一般检查)。
3.举升车辆。
参考:举升(1.1.3 牵引与举升,说明与操作)。
4.从燃油滤清器上拆下滤清器进油管快速接头和滤清器出油三通管快速接头。
专用工具:CA201-0075.断开燃油滤清器接地线束插头。
安装6.拆卸燃油滤清器固定夹螺钉,取下燃油滤清器。
扭矩:10 Nm1.安装顺序与拆卸顺序相反。
6.安装进气相位器总成外罩盖及5颗固定螺栓。
扭矩:32 Nm7.安装发动机右边支架及4 处固定螺栓。
扭矩:65 Nm8.安装发动机正时皮带参考:正时机构(3.1.2 机械系统,拆卸与安装)。
9.安装附件传动皮带。
参考:附件传动皮带(3.1.2 机械系统,拆卸与安装)。
10.安装气门室罩盖。
参考:气门室罩盖(3.1.2 机械系统,拆卸与安装)。
11.安装蓄电池负极线束。
参考:蓄电池检查(3.1.10充电系统,一般检查)。
气门和缸盖专用工具通用设备镊子百分表外径千分尺塑料塞规直尺内径规游标卡尺铰刀分解1.断开蓄电池负极线束。
参考:蓄电池检查(3.1.10充电系统,一般检查)。
2.拆卸进气歧管。
参考:进气歧管(3.1.5进气系统,拆卸与安装)。
3.拆卸排气歧管。
参考:排气歧管与三元催化(3.1.6排气系统,拆卸与安装)。
4.拆卸气门室罩盖。
参考:气门室罩盖(3.1.2 机械系统,拆卸与安装)。
5.排空冷却液。
参考:冷却液的排放和加注(3.1.4冷却系统,一般检查)。
6.排出发动机机油。
参考:机油的更换(3.1.3润滑系统, 一般检查)。
7.拆卸附件传动皮带。
参考:附件传动皮带(3.1.2 机械系统,拆卸与安装)。
8.拆卸发动机正时皮带。
参考:正时机构(3.1.2 机械系统,拆卸与安装)。
9.拆卸发动机凸轮轴。
参考:凸轮轴(3.1.2 机械系统,分解与组装)。
10.拆卸节温器。
参考:节温器(3.1.4冷却系统,拆卸与安装)。
11.拆卸节温器壳总成的4处固定螺栓并取下节温器壳总成。
扭矩:32 Nm12.使用拾取器取出气门挺柱。
专用工具:CA301-010注意:若还使用原来的气门挺柱,则气门挺柱有相对固定的位置不可错乱。
13.按如图所示的顺序分三到四次拆卸气缸盖紧固螺栓。
14.从发动机上取下气缸盖总成。
15.分解前的准备。
注意:在拆卸气门前,在气门顶部作上标记,以便安装到原来位置。
16.让工具的一端顶住气门,另一端的压头对准气门弹簧,然后拧紧挤压气门弹簧,直到锁块全部露出。
IndexAccessoriesInstallation.................................. 105ACCESSORY (Ignition KeyPosition)........................................ 50AddingAutomatic TransmissionFluid........................................ 149Brake Fluid................................. 151Clutch Fluid................................ 153Engine Coolant........................... 144Engine Oil................................... 138Manual Transmission Fluid..... 150Power Steering Fluid................. 153Windshield Washer Fluid......... 148Additional Safety Information........ 16Door Locks................................... 16Driving with Pets......................... 17Seat-back Position........................ 16Storing Cargo Safely................... 17Additives, Engine Oil..................... 140AdjustmentsMirrors.......................................... 61Seats.............................................. 53Steering Wheel. (45)Airbag (SRS)...................................... 9Air Cleaner..................................... 154Air Conditioning............................... 74Maintenance............................... 162Usage............................................. 72Air Outlets (Vents).......................... 72Air Pressure, Tires........................ 164Alcohol and Drugs........................... 24Alcohol in Gasoline.......................... 98Antenna, Cleaning......................... 178Antifreeze....................................... 140Anti-lock Brakes (ABS)Description................................. 216Indicator Light..................... 34, 119Operation.................................... 118Anti-theft Steering ColumnLock............................................... 50Appearance Care........................... 181Ashtray.............................................. 66Audio System................................... 79Automatic Speed Control................ 46Automatic Transmission............... 113Capacity, Fluid........................... 215Checking Fluid Level................ 149Shifting........................................ 113Shift Lever Positions.. (113)Shift Lock Release (116)BatteryCharging System Light............... 33Jump Starting............................. 197Maintenance............................... 157Specifications............................. 215Before Driving................................. 97Belts, Seat........................................... 5Body Repair.................................... 187BrakesAnti-lock System (ABS)............ 118Break-in, New Linings................. 98Fluid............................................ 151Light, Burned-out...................... 174Parking.......................................... 63System Indicator.......................... 33Wear Indicators......................... 117Brakes, ABSDescription................................. 216Operation.................................... 118System Indicator.................. 34, 119CONTINUEDIndexBraking System.............................. 117Break-in, New Car........................... 98Brightness Control,Instruments.................................. 43Brights, Headlights......................... 42Bulb ReplacementBack-up Lights........................... 174Brake Lights............................... 174Front Parking Lights................. 170Front Side Marker Lights......... 171Headlights.................................. 169High-mount Brake Light.......... 173License Plate Lights.................. 176Rear Side Marker Lights.......... 175Specifications............................. 215Turn Signal Lights..................... 172Bulbs, Halogen. (169)Cables, Jump Starting With.......... 198Capacities Chart............................. 214Carbon Monoxide Hazard.............. 25Cargo, Loading............................... 106Cassette PlayerCare (94)Operation...................................... 87CAUTION, Explanation of............... ii Certification Label......................... 212Chains............................................. 168Change OilHow to......................................... 141When to....................................... 132Changing a Flat Tire..................... 191Changing Engine Coolant............. 146Charging System Indicator.... 33, 202Check Engine Light................ 34, 203CheckingAutomatic TransmissionFluid........................................ 149Battery Condition...................... 157Brake Fluid................................. 151Clutch Fluid................................ 153Drive Belts.................................. 163Engine Coolant........................... 144Engine Oil................................... 138Fuses........................................... 205Manual Transmission Fluid..... 150Power Steering Fluid................. 153Checklist, Before Driving............. 108Child Safety...................................... 18Cigarette Lighter.. (65)Cleaner, Air.................................... 154CleaningAluminum Wheels..................... 183Antenna....................................... 182Carpeting.................................... 185Exterior....................................... 182Fabric.......................................... 185Interior........................................ 185Leather........................................ 185Seat Belts.................................... 185Vinyl............................................ 185Washing...................................... 182Waxing........................................ 183Windows..................................... 186CLEAN Light................................... 94Clock, Setting the............................ 64Clutch Fluid.................................... 153CO in the Exhaust......................... 221Cold Weather, Starting in............. 110Compact Spare............................... 190Consumer Information.................. 227Controls, Instruments and.............. 29CoolantAdding......................................... 144Checking..................................... 144Proper Solution..........................144IndexTemperature Gauge.................... 40Corrosion Protection..................... 186Crankcase Emission ControlSystem......................................... 221Cruise Control Operation............... 46Customer Relations Office.. (227)DANGER, Explanation of................. ii Dashboard........................................ 30Daytime Running Lights................. 42Dead Battery, What to Do............ 197Defects, Reporting Safety............... 26Defogger, Rear Window................. 58Defrosting the Windows................. 78DEXRON ® II AutomaticTransmission Fluid.................... 150Dimensions..................................... 214Dimming the Headlights................ 42DipstickAutomatic Transmission........... 149Engine Oil................................... 138Directional Signals........................... 43Disabled, Towing Your Car If...... 210Disc Brake Wear Indicators (117)Disposal of Used Oil...................... 143DoorsLocking and Unlocking............... 51Power Door Locks....................... 51DOT Tire Quality Grading........... 219Downshifting, 5-speed ManualTransmission.............................. 111Drive Belts...................................... 163Driving............................................ 107Economy..................................... 104In Bad Weather.......................... 120In Foreign Countries. (99)Economy, Fuel............................... 104Emergencies on the Road............. 189Battery, Jump Starting.............. 197Changing a Flat Tire................. 191Charging System Indicator...... 202Check Engine Light.................. 203Checking the Fuses................... 206Low Oil Pressure Indicator...... 201Malfunction Indicator Lamp.... 203Manually Closing Sunroof........ 204Overheated Engine. (199)Emergency Brake............................ 63Emergency Flashers....................... 58Emission Controls......................... 221EngineBelts............................................. 163Check Light.......................... 34, 203Coolant Temperature Gauge ..... 40Malfunction IndicatorLamp................................. 34, 203Oil Pressure Indicator......... 33, 201Oil, What Kind to Use............... 139Overheating................................ 199Specifications............................. 214Ethanol in Gasoline ......................... 99Evaporative Emission Controls.... 221Exhaust Fumes................................ 25Expectant Mothers, Use of SeatBelts by........................................... 8Exterior, Cleaning the. (182)Fabric, Cleaning............................. 185Fan, Interior.. (74)CONTINUEDIndexFan, Radiator.................................... 27Features, Comfort andConvenience................................. 71Filling the Fuel Tank..................... 100FiltersFuel.............................................. 155Oil................................................ 141First Gear, Shifting........................ 1115-speed Manual Transmission,Checking Fluid Level................ 150Shifting the................................. 111Flashers, Hazard Warning.............. 58Flat Tire, Changing a.................... 191FluidsAutomatic Transmission........... 149Brake........................................... 151Clutch.......................................... 153Manual Transmission............... 150Power Steering........................... 153Windshield Washer................... 148FM Stereo RadioReception...................................... 81Folding Rear Seat............................ 57Foreign Countries, Driving in........ 99Four-way Flashers (58)Four Wheel Steering (4WS)Description................................. 217Indicator Light............................. 35Operation.................................... 119Front End, Towing byEmergency Wrecker................. 210Fuel.................................................... 98Fill Door and Cap....................... 100Filter............................................ 155Gauge............................................ 38Octane Requirement................... 98Oxygenated.................................. 98Tank, Filling the......................... 100Fuses, Checking the. (205)Gas Mileage, Improving................ 104Gasohol............................................. 98Gasoline............................................ 98Filter............................................ 155Gauge............................................ 40Octane Requirement................... 98Tank, Filling the......................... 100Gas Station Procedures.. (100)GaugesEngine Coolant Temperature .... 40Fuel................................................ 40Gearshift Lever PositionsAutomatic Transmission........... 1135-speed ManualTransmission.................... 111Glass Cleaning............................... 186Glove Box.. (64)Halogen Headlight Bulbs.............. 169Hazard Warning Flashers............... 58HeadlightsDaytime Running Lights............. 42High Beam Indicator................... 36High Beams, Turning on............ 42Low Beams, Turning on............. 42Reminder Chime.......................... 42Replacing Halogen Bulbs......... 169Turning on.................................... 42Heating and Cooling........................ 72High Altitude, Starting at.............. 110High-Low Beam Switch.................. 42Hood, Opening the........................101IndexHorn................................................... 49Hot Coolant, Warning about........ 144Hydraulic Clutch............................ 153Hydroplaning. (121)Identification Number,Vehicle........................................ 212If Your Car Has to be Towed....... 210IgnitionKeys............................................... 49Switch............................................ 50Timing Control System............. 222Indicator Lights, InstrumentPanel.............................................. 31Infant Restraint................................ 19Inflation, Proper Tire .................... 164Inside Mirror.................................... 61Inspection, Tire.............................. 165Instrument Panel............................. 30Instrument Panel Brightness......... 43Interior Cleaning............................ 185Interior Lights.................................. 68Introduction.........................................iJacking up the Car......................... 193Jack, Tire........................................ 191Jump Starting.................................197Keys...................................................49Label, Certification........................ 212Lane Change, Signaling.................. 43Lap/Shoulder Belts........................... 6Leaking of Exhaust into Car.......... 25Lighter, Cigarette............................ 65LightsBulb Replacement..................... 169Indicator........................................ 31Parking.......................................... 42Turn Signal................................... 43Loading Cargo................................ 106LOCK (Ignition Key Position)....... 50LocksAnti-theft Steering Column (50)Fuel Fill Door............................. 100Glove Box..................................... 64Power Door.................................. 51Trunk............................................ 52Low Coolant Level......................... 144Lower Gear, Downshifting to a.... 111Low Oil Pressure Indicator.... 33, 201Lubricant Specifications Chart.... 214Luggage (106)Maintenance................................... 127Periodic Items............................ 136Record................................. 134 - 135Schedule.............................. 130 - 133Manual Transmission.................... 111Manual Transmission Fluid......... 150Maximum Shift Speeds......... 112, 115Meters, Gauges................................ 38Methanol in Gasoline...................... 98Mirrors, Adjusting (61)CONTINUED。
规格材料规格一般规格项目规格制动液HZY4(或DOT4)前盘式制动器规格制动盘直径286 mm新品制动盘正常厚度28 mm制动盘报废厚度26 mm新品制动盘最大跳动量(已安装)0.025 mm制动钳活塞直径45×2 mm制动摩擦块摩擦材料最小厚度 2 mm后盘式制动器(EPB卡钳)规格制动盘直径298 mm新品制动盘正常厚度12 mm制动盘报废厚度10 mm新品制动盘最大跳动量(已安装)0.025 mm制动钳活塞直径38 mm制动摩擦块摩擦材料最小厚度 2 mm说明与操作系统概述基础制动系统采用双回路,对角线布置(左前、右后;右前、左后),前后均为盘式液压制动。
前、后轮盘式制动钳安装在转向节上,均为浮钳式制动钳。
前、后行车制动器能够进行制动间隙的自动调节,后电子驻车制动器可以通过间隙自调功能调节制动盘与摩擦片的间隙。
注意:驻车制动为电子+机械式。
制动总泵采用纵向串联设计,直接和助力器连接,助力器可以增加制动力,减少驾驶员施加在制动踏板上的力。
纵向串联设计可以保证在一条制动回路失效时,另一条制动回路仍保持完好的工作状态。
防抱死控制系统(含ESC)在基本制动的基础上增加了电子液压控制单元和轮速传感器,每个车轮配有独立回路的液压系统;电子控制单元由装在车轮上的轮速传感器采集四个车轮的轮速信号,通过液压控制单元调节制动过程的制动压力,达到防止车轮抱死和控制车身稳定性的目的;在 ABS 不起作用时,电子制动力分配系统仍可调节后轮制动力,保证后轮不会先于前轮抱死,以保证车辆的安全。
电子驻车制动系统是一个通过电子驻车制动按钮来操作后轮盘式电子驻车执行机构的机械电子系统,驻车制动按钮位于两个前座椅之间,拉起电子驻车制动按钮即可实现驻车;踩下制动踏板并同时按下电子驻车制动按钮即可实现驻车解除。
部件位置图序号部件名称序号部件名称1前制动器总成(左)9后轮速传感器线束总成(左)2前轮速传感器线束总成(左)10后制动器总成(左)3制动总泵带真空助力器及液壶总成11离合踏板总成4前轮速传感器线束总成(右)12制动踏板总成5前制动器总成(右)13油门踏板总成6EPB ECU总成14ABS\ESC执行机构总成7后轮速传感器线束总成(右)15离合液压输出管总成8后制动器总成(右)16一般检查一般检查路试实施路试是为了比较汽车的实际制动性能和驾驶员所期望的标准的制动性能。
照明系统一、照明系统概述照明系统为汽车夜间行驶提供照明,车外照明灯具主要有前照灯、倒车灯、牌照灯、雾灯等,车内照明灯具主要有室内灯、行李箱灯、门灯、各开关背光灯等。
各类灯具装在各自所需照明的位置,并配以各自的控制开关和线路及熔断器等,组成照明系统。
照明系统同时带有信号提示功能,产生光信号,向其它车辆的司机和行人发出警告,以引发注意,确保车辆行驶的安全,包括转向信号、制动信号、危险警告信号及示廓信号等。
照明系统元器件组成如下:注意:不要利用应用表中未列出的参数的灯泡,不然会损坏车灯。
不要用手或其他油性表面触摸卤素灯泡,不然会减少灯泡寿命。
二、照明系统位置布置图一、前组合灯A:前组合灯 B:前转向灯21A 后组合灯1256473A 侧转向灯B 前雾灯4、后雾灯A 后雾灯五、高位制动灯A:高位制动灯6、前室内灯/门灯A 前室内灯B 门灯六、杂物盒灯A 杂物盒灯7、牌照灯牌照灯三、照明系统端电压关于照明系统端电压概念见电路图。
四、照明系统检修前组合灯检修一、前组合灯故障排查流程,如下图:2、前组合灯拆装左右双侧采用相同的步骤,安装步骤与拆卸步骤相反。
●拆下散热器格栅●如图1所示,拆下一、二、3螺钉,拆下左前照灯,并从灯口上脱开电气连接接头 如图2所示,拆装灯泡安装步骤与拆卸步骤相反。
●拆下堵盖1●拆下左前照灯小灯灯泡2和远光灯泡3 ●拆下堵盖4●拆下左前照灯近光灯泡5 ●拆下右前照灯转向灯灯泡6图 1 图 23、前组合灯调整车辆前组合灯对光调整的预备Yes灯泡CEB 保险继电器JP1蓄电池正极熔丝板EF2组合开关BCMNo●预备车辆确保前组合灯周围的车身部份没有损坏或变形给油箱加满油确保润滑油加到规定的油位确保冷却液加到规定的油位给轮胎充气到适合的气压将备胎、千斤顶和随车工具放到初始位置清空行李箱驾驶员座椅乘坐一名一般体重(75Kg)的人●前组合灯对光的预备将车辆停放在很黑的地方,以便于看清灯光明暗分界限。
车载诊断 [防盗锁止系统(高级遥控门锁系统和按钮起动系统)]09-02B-1909安全灯:22、DTC: B10DA:51/P1260:00[防盗锁止系统(高级遥控门锁系统和按钮起动系统)]id09021d358500诊断程序DTC安全灯闪烁模式22与PCM (数据传输故障)通信错误M-MDS 显示遥控钥匙控制模块B10DA:51PCM P1260:00检测条件•遥控钥匙控制模块与PCM 之间的通信错误(数据传输故障)可能的原因•多路通信系统DTC 被储存(CAN 线)•更换了遥控钥匙控制模块之后,尚未对与防盗锁止系统有关的部件进行编程。
•更换了PCM 之后,尚未对与防盗锁止系统有关的部件进行编程。
•PCM 故障•遥控钥匙控制模块故障步骤检查措施1确认多路传输通信系统DTC•利用M-MDS 清除源于遥控钥匙控制模块和PCM 的DTC。
(参见09-02C-2 清除DTC[防盗锁止系统(遥控门锁系统)]。
)(参见01-02B-9 维修后程序[LF,L5]。
)(参见01-02A-10 维修后程序[Z6]。
)•使用M-MDS 进行防盗锁止系统DTC 检查。
(参见09-02B-2 DTC 检查 [高级遥控门锁系统和按钮起动系统]。
)•是否有下列DTC?—遥控钥匙控制模块:U0001:88—PCM: U0073:00是执行适用的DTC 检查。
(参见09-02K-1 前言[多路通信系统(L.H.D.(除了MZR-CD 2.2、MZR 2.0 DISI i-stop))]。
)否执行下一步。
2更换遥控钥匙控制模块后,检查并确认防盗锁止系统相关部件是否已经执行编程。
•更换遥控钥匙控制模块后,防盗锁止系统相关部件是否已经执行编程?是执行下一步。
否仅更换遥控钥匙控制模块后执行防盗锁止系统相关部件的编程,然后转至下一步。
(参见09-14-97 与防盗锁止系统有关的部件编程[高级遥控门锁系统和按钮起动系统]。
)3更换PCM 后,检查并确认防盗锁止系统相关部件是否已经执行编程。
•更换PCM 后,防盗锁止系统相关部件是否已经执行编程?是执行下一步。
否仅更换PCM 后执行防盗锁止系统相关部件的编程,然后转至下一步。
(参见09-14-97 与防盗锁止系统有关的部件编程[高级遥控门锁系统和按钮起动系统]。
)4确认PCM 故障•利用M-MDS 清除源于遥控钥匙控制模块和PCM 的DTC。
(参见09-02C-2 清除DTC[防盗锁止系统(遥控门锁系统)]。
)(参见01-02B-9 维修后程序[LF,L5]。
)(参见01-02A-10 维修后程序[Z6]。
)•使用M-MDS 进行防盗锁止系统DTC 检查。
(参见09-02B-2 DTC 检查 [高级遥控门锁系统和按钮起动系统]。
)•是否有下列DTC?—遥控钥匙控制模块:B10DA:51—PCM:P1260:00是更换PCM,然后执行下一步。
(参见01-40B-7 PCM 的拆卸/安装[LF, L5]。
)(参见01-40A-6 PCM 的拆卸/安装[Z6]。
)否执行第6步。
5确认故障检修完成•利用M-MDS 清除源于遥控钥匙控制模块和PCM 的DTC。
(参见09-02C-2 清除DTC[防盗锁止系统(遥控门锁系统)]。
)(参见01-02B-9 维修后程序[LF,L5]。
)(参见01-02A-10 维修后程序[Z6]。
)•使用M-MDS 进行防盗锁止系统DTC 检查。
(参见09-02B-2 DTC 检查 [高级遥控门锁系统和按钮起动系统]。
)•是否有下列DTC?—遥控钥匙控制模块:B10DA:51—PCM:P1260:00是更换遥控钥匙控制模块,然后执行下一步。
(参见09-14-68 遥控钥匙控制模块的拆卸/安装。
)否执行下一步。
车载诊断 [防盗锁止系统(高级遥控门锁系统和按钮起动系统)]09-02B-20安全灯:23、DTC: B10DA:62/P1260:00[防盗锁止系统(高级遥控门锁系统和按钮起动系统)]id09021d358600诊断程序6确认没有其它DTC 存在•是否出现DTC?是执行适用的DTC 检查。
(参见09-02B-4 诊断故障码表 [防盗锁止系统 (高级遥控门锁系统和按钮起动系统)]。
)否DTC 故障检修完。
步骤检查措施DTC安全灯闪烁模式23与PCM (数据不相符)通信错误M-MDS 显示遥控钥匙控制模块B10DA:62PCM P1260:00检测条件•遥控钥匙控制模块与PCM 之间的通信错误(数据不相符)。
可能的原因•更换了PCM 之后,尚未对与防盗锁止系统有关的部件进行编程。
•PCM 故障•遥控钥匙控制模块故障步骤检查措施1更换PCM 后,检查并确认防盗锁止系统相关部件是否已经执行编程。
•更换PCM 后,防盗锁止系统相关部件已经执行编程了吗?是执行下一步。
否仅更换PCM 后执行防盗锁止系统相关部件的编程,然后转至下一步。
(参见09-14-97 与防盗锁止系统有关的部件编程[高级遥控门锁系统和按钮起动系统]。
)2确认PCM 故障•利用M-MDS 清除源于遥控钥匙控制模块和PCM 的DTC。
(参见09-02C-2 清除DTC[防盗锁止系统(遥控门锁系统)]。
)(参见01-02B-9 维修后程序[LF,L5]。
)(参见01-02A-10 维修后程序[Z6]。
)•使用M-MDS 进行防盗锁止系统DTC 检查。
(参见09-02B-2 DTC 检查 [高级遥控门锁系统和按钮起动系统]。
)•是否出现相同的DTC?是更换PCM,然后执行下一步。
(参见01-40B-7 PCM 的拆卸/安装[LF, L5]。
)(参见01-40A-6 PCM 的拆卸/安装[Z6]。
)否执行第4步。
3确认故障检修完成•利用M-MDS 清除源于遥控钥匙控制模块和PCM 的DTC。
(参见09-02C-2 清除DTC[防盗锁止系统(遥控门锁系统)]。
)(参见01-02B-9 维修后程序[LF,L5]。
)(参见01-02A-10 维修后程序[Z6]。
)•使用M-MDS 进行防盗锁止系统DTC 检查。
(参见09-02B-2 DTC 检查 [高级遥控门锁系统和按钮起动系统]。
)•是否出现相同的DTC?是更换遥控钥匙控制模块,然后执行下一步。
(参见09-14-68 遥控钥匙控制模块的拆卸/安装。
)否执行下一步。
4确认没有其它DTC 存在•是否出现DTC?是执行适用的DTC 检查。
(参见09-02B-4 诊断故障码表 [防盗锁止系统 (高级遥控门锁系统和按钮起动系统)]。
)否DTC 故障检修完。
车载诊断 [防盗锁止系统(高级遥控门锁系统和按钮起动系统)]09-02B-2109安全灯:灯不亮,DTC B10E6:11/- [防盗锁止系统(高级遥控门锁系统和按钮起动系统)]id09021d905500诊断程序步骤检查措施1检查线圈式天线连接器和接线端•将点火开关切换至OFF。
•断开电池负极电缆。
•断开线圈式天线连接器。
•检查连接器和接线端 (有无腐蚀、损坏和销断开)。
•是否存在故障?是维修或更换连接器或接线端,然后执行第5步。
否执行下一步。
2检查遥控钥匙控制模块连接器与接线端•断开遥控钥匙控制模块连接器。
•检查连接器和接线端 (有无腐蚀、损坏和销断开)。
•是否存在故障?是维修或更换连接器或接线端,然后执行第5步。
否执行下一步。
3检查线圈式天线电源电路是否对接地短路•线圈式天线和遥控钥匙控制模块连接器均断开。
•检查以下接线端(线束侧)与接地体之间的连续性:—线圈式天线接线端D•是否有连续性?是修理或更换可能出现接地短路的线束,然后执行第5步。
否执行下一步。
车载诊断 [防盗锁止系统(高级遥控门锁系统和按钮起动系统)]09-02B-224确认线圈式天线故障•确保重新连接已断开的连接器。
•再次连接电池负极电缆。
•利用M-MDS 清除源于遥控钥匙控制模块和PCM 的DTC。
(参见09-02C-2 清除DTC[防盗锁止系统(遥控门锁系统)]。
)(参见01-02B-9 维修后程序[LF,L5]。
)(参见01-02A-10 维修后程序[Z6]。
)•使用M-MDS 进行防盗锁止系统DTC 检查。
(参见09-02B-2 DTC 检查 [高级遥控门锁系统和按钮起动系统]。
)•是否出现相同的DTC?是更换线圈式天线,然后执行下一步。
(参见09-14-89 线圈式天线的拆卸/安装。
)否执行第6步。
5确认故障检修完成•确保重新连接已断开的连接器。
•再次连接电池负极电缆。
•利用M-MDS 清除源于遥控钥匙控制模块和PCM 的DTC。
(参见09-02C-2 清除DTC[防盗锁止系统(遥控门锁系统)]。
)(参见01-02B-9 维修后程序[LF,L5]。
)(参见01-02A-10 维修后程序[Z6]。
)•使用M-MDS 进行防盗锁止系统DTC 检查。
(参见09-02B-2 DTC 检查 [高级遥控门锁系统和按钮起动系统]。
)•是否出现相同的DTC?是更换遥控钥匙控制模块,然后执行下一步。
(参见09-14-68 遥控钥匙控制模块的拆卸/安装。
)否执行下一步。
6确认没有其它DTC 存在•是否出现DTC?是执行适用的DTC 检查。
(参见09-02B-4 诊断故障码表 [防盗锁止系统 (高级遥控门锁系统和按钮起动系统)]。
)否DTC 故障检修完。
步骤检查措施车载诊断 [防盗锁止系统(高级遥控门锁系统和按钮起动系统)]09-02B-2309安全灯:灯不亮,DTC B10E6:12/- [防盗锁止系统 (高级遥控门锁系统和按钮起动系统)]id09021d905600车载诊断 [防盗锁止系统(高级遥控门锁系统和按钮起动系统)]09-02B-24诊断程序步骤检查措施1检查线圈式天线连接器情况•将点火开关切换至OFF。
•断开电池负极电缆。
•断开线圈式天线连接器。
•检查连接器和接线端 (有无腐蚀、损坏和销断开)。
•是否存在故障?是修理或更换连接器或接线端,然后执行下一步。
否执行下一步。
2检查遥控钥匙控制模块连接器情况•断开遥控钥匙控制模块连接器。
•检查连接器和接线端 (有无腐蚀、损坏和销断开)。
•是否存在故障?是修理或更换连接器或接线端,然后执行下一步。
否执行下一步。
3检查按钮起动连接器状况•断开按钮起动连接器。
•检查连接器和接线端 (有无腐蚀、损坏和销断开)。
•是否存在故障?是修理或更换连接器或接线端,然后执行下一步。
否执行下一步。
4检查线圈式天线电源是否短路,是否短接到电源•再次连接电池负极电缆。
•测量遥控钥匙控制模块的接线端3M (线束侧)与车身接地之间的电压。
•电压是否超过7.5 V ?是维修或更换可能存在电源短路的线束,然后执行下一步。
否执行下一步。
5检查按钮起动•重新连接按钮起动连接器。
•测量遥控钥匙控制模块的接线端3M (线束侧)与车身接地之间的电压。